单向推力球轴承型号对照表之欧阳歌谷创作
- 格式:doc
- 大小:98.01 KB
- 文档页数:2
推力球轴承外形尺寸1 范围本标准规定了符合GB/T 273.2的单向和双向推力球轴承的外形尺寸。
本标准适用于轴承的设计和选型。
2 术语和定义GB/T 6930界定的术语和定义适用于本文件。
3 符号GB/T 7811给出的以及下列符号适用于本文件。
除另有说明外,图1和图2中所示符号及表1~表7中所示数值均表示公称尺寸。
注:除另有说明外,符号均适用于单向和双向轴承。
B:双向轴承中圈高度D:座圈外径D1:座圈内径D1smin:座圈最小单一内径d:单向轴承轴圈内径d1:单向轴承轴圈外径d1smax:单向轴承轴圈最大单一外径d2:双向轴承中圈内径d3:双向轴承中圈外径d3smax:双向轴承中圈最大单一外径r:座圈和单向轴承轴圈背面倒角尺寸r smin:座圈和单向轴承轴圈背面最小单一倒角尺寸r1:双向轴承中圈端面倒角尺寸r1smin:双向轴承中圈端面最小单一倒角尺寸T:单向轴承高度T1:双向轴承高度图1 单向推力球轴承图2 双向推力球轴承51000型 52000型4 代号GB/T 272和JB/T 2974给出的代号适用于本文件。
5 标记示例标记示例:滚动轴承51210GB/T 301-××××6 外形尺寸6.1 单向推力球轴承的外形尺寸按表1~表4的规定。
6.2 双向推力球轴承的外形尺寸按表5~表7的规定。
表1 单向推力球轴承—11系列单位为毫米轴承型号 d D T D1smin d1smax r smin a51100 10 24 9 11 24 0.3 51101 12 26 9 13 26 0.3 51102 15 28 9 16 28 0.3 51103 17 30 9 18 30 0.3 51104 20 35 10 21 35 0.3表1(续)单位为毫米轴承型号 d D T D1smin d1smax r smin a51105 25 42 11 26 42 0.6 51106 30 47 11 32 47 0.6 51107 35 52 12 37 52 0.6 51108 40 60 13 42 60 0.6 51109 45 65 14 47 65 0.651110 50 70 14 52 70 0.6 51111 55 78 16 57 78 0.6 51112 60 85 17 62 85 1表1(续)单位为毫米表2 单向推力球轴承—12系列单位为毫米表2(续)单位为毫米表3 单向推力球轴承—13系列单位为毫米表4 单向推力球轴承—14系列单位为毫米表5 双向推力球轴承—22系列单位为毫米。
轴承型号含义对照表轴承类型代号进⼝轴承常⽤类型代号(指型号的开头的数字或者字母,⽐如6200,6开头就是深沟球轴承,NU,NJ为圆柱滚⼦轴承):调⼼球轴承—1;调⼼滚⼦轴承—2;圆锥滚⼦轴承—3;推⼒球轴承—5深沟球轴承—6;⾓接触球轴承—7;圆柱滚⼦轴承—N;滚针轴承—NA;如何去看懂⼀个轴承,6200轴承最右边两位数字表⽰轴承的公称内经尺⼨当内径在20~480MM范围的时候,内径乘以五就是内径尺⼨ 10~17。
右起第三位是直径系列代号:直径系列代号有7,8,9,0,1,2,3,4,5等外径尺⼨依次递增。
右起第四位是宽度系列代号,⽤8,0,1,2,3,4,5,6表⽰宽度尺⼨递增。
相同内径的同类轴承,外廓尺⼨⼤(外径,宽度)则承载能⼒强。
轴承类型对照轴承型号含义------轴承有0-9类(没有5类)0类:双列⾓接触球轴承(通常省略)例:(0)3204 A1类:⾃调⼼球轴承例:1201 ETN92类:球⾯滚⼦轴承、球⾯滚⼦推⼒轴承例:22209 E 29328 E3类:圆锥滚⼦轴承例:32016 X/Q4类:双列深沟球轴承例:4206 ATN9 深沟球轴承尺⼨5类:推⼒球轴承例:511006类:深沟球轴承例:6213-2Z7类:⾓接触球轴承例:7305 BECBM8类:圆柱滚⼦推⼒轴承例:81111 TNN类:圆柱滚⼦轴承第⼆个字母,有时候第三个字母,⽤来确定法兰结构,例如:NJ,NU,NUP; 双列或多列圆柱滚⼦轴承的型号总是以NN开头。
例:NU 2317 ECJC类: CARB轴承 C 2205QJ类:四点接触球轴承例:QJ 217 MA。
轴承类型特点作⽤型号对照双列⾓接触球轴承:能承受较⼤的径向和轴向联合负荷和⼒矩负荷,⽤于限制轴和外壳双向轴向位移的部件中。
常见的双列⾓接触球轴承型号:3200ATN轴承、3203A-ZTN轴承、3205ATN 轴承、3207ATN轴承等推⼒滚⼦轴承:推⼒圆锥滚⼦轴承,推⼒圆柱滚⼦轴承⽤于承受轴向载荷为主的轴、径向联合载荷,但径向载荷不得超过轴向载荷的 55% 。
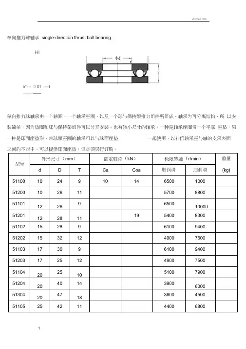
一滚动轴承欧阳家百(2021.03.07)1、滚动轴承的结构、分类及特点1.1结构滚动轴承(以下简称轴承)一般由内圈、外圈、滚动体和保持架组成。
(如图1.1)内圈与外圈之间装有若干个滚动体,由保持架使其保持一定的间隔避免相互接触和碰撞,从而进行圆滑的滚动。
轴承按照滚动体的列数,可以分为单列、双列和多列。
1)、内圈、外圈内圈、外圈上滚动体滚动的部分称作滚道面。
球轴承套圈的滚道面又称作沟道。
一般来说,内圈的内径、外圈的外径在安装时分别与轴和外壳有适当的配合。
推力轴承的内圈、外圈分别称作轴圈和座圈。
2)、滚动体滚动体分为球和滚子两大类,滚子根据其形状又分为圆柱滚子、圆锥滚子、球面滚子和滚针。
3)、保持架保持架将滚动体部分包围,使其在圆周方向保持一定的间隔。
保持架按工艺不同可分为冲压保持架、车制保持架、成形保持架和销式保持架。
按照材料不同可分为钢保持架、铜保持架、尼龙保持架及酚醛树脂保持架。
1.2分类轴承受负荷时作用于滚动面与滚动体之间的负荷方向与垂直于轴承中心线的平面内所形成的角度称作接触角,接触角小于45°主要承受径向负荷称为向心轴承,在45°~90°之间主要承受轴向负荷称为推力轴承,根据接触角和滚动体的不同,通用轴承分类如下:深沟球轴承(单、双列)向心球轴承角接触球轴承(单、双列)四点接触球轴承调心球轴承向心圆柱滚子轴承(单、双、四列)轴向心滚子轴承圆锥滚子轴承(单、双、四列)滚承滚针轴承(单、双列)动调心滚子轴承轴承推力球轴承推力球轴承(单、双列)推力角接触球轴承(单、双向)推力推力圆柱滚子轴承轴推力滚子轴承推力圆锥滚子轴承承推力滚针轴承推力调心滚子轴承1.3特点1.3.1滚动轴承的优点滚动轴承虽有许多类型和品种,并拥有各自固定的特征,但是,它们与滑动轴承相比较,却具有下述共同的优点:(1)、起动摩擦系数小,与动摩擦系数之差少。
(2)、国际性标准和规格统一,容易得到有互换性的产品。
常用轴承内外径型号对照表在机械领域,轴承是一种至关重要的零部件,它能够减少旋转部件之间的摩擦,提高机械系统的运行效率和稳定性。
而了解轴承的内外径型号则是正确选择和使用轴承的关键。
接下来,为您呈现一份常用轴承内外径型号对照表。
首先,我们来了解一下轴承的基本结构。
轴承主要由内圈、外圈、滚动体和保持架组成。
内圈通常与轴紧密配合,外圈则与轴承座配合。
而轴承的内外径尺寸直接影响着其与轴和轴承座的安装配合精度。
常见的轴承类型包括深沟球轴承、圆柱滚子轴承、圆锥滚子轴承、调心球轴承、调心滚子轴承等。
深沟球轴承是应用最为广泛的一种轴承类型。
其内径型号通常以数字表示,例如 608 轴承,其中“8”表示内径为 8mm。
对于内径大于10mm 且小于 20mm 的轴承,内径尺寸等于型号的后两位数字乘以 5,比如 6204 轴承,其内径为 20mm。
当内径大于或等于 20mm 时,内径尺寸等于型号的后两位数字乘以 5mm,例如 6318 轴承,内径为 90mm。
圆柱滚子轴承的内径表示方法与深沟球轴承类似。
例如 NU208 圆柱滚子轴承,内径同样为 40mm。
圆锥滚子轴承的型号表示略有不同。
例如 30208 轴承,其内径为40mm。
调心球轴承如 1208 轴承,内径为 40mm。
调心滚子轴承,比如 22208 轴承,内径也是 40mm。
需要注意的是,不同品牌和厂家的轴承,在型号标注上可能会存在一些细微的差异,但总体的规律是相似的。
在实际应用中,正确选择轴承的内外径尺寸非常重要。
如果选择的轴承内径过小,会导致轴与轴承内圈之间的配合过紧,增加安装难度,甚至可能会损伤轴;如果内径过大,则会导致配合松动,影响轴承的承载能力和旋转精度。
同理,选择的轴承外径过小,会导致轴承外圈与轴承座之间的配合过紧;外径过大,则会导致配合松动,影响轴承的稳定性。
此外,还需要考虑轴承的工作环境、承载能力、转速要求等因素。
例如,在高速运转的工况下,需要选择精度更高、游隙更小的轴承;在重载工况下,需要选择承载能力更强的轴承类型和尺寸。
如何选择轴承型号1.根据工作条件选择滚动轴承类型2.求比值A/R3.初步计算当量动载荷4.求轴承应有的基本额定动载荷值5.按照轴承样本选择轴承型号,并验算其寿命是否高于预期计算寿命轴承的工作条件:(一)轴承的载荷轴承所受载荷的大小、方向和性质,是选择轴承类型的主要依据。
根据载荷的大小选择轴承类型时,由于滚子轴承中主要元件间是线接触,宜用于承受较大的载荷,承载后的变形也较小。
而球轴承中则主要为点接触,宜用于承受较轻的或中等的载荷,故在载荷较小时,应优先选用球轴承。
根据载荷的方向选择轴承类型时,对于纯轴向载荷,一般选用推力轴承。
较小的纯轴向载荷可选用推力球轴承;较大的纯轴向载荷可选用推力滚子轴承。
对于纯径向载荷,一般选用深沟球轴承、圆柱滚子轴承或滚针轴承。
当轴承在承受径向载荷R的同时,还有不大的轴向载荷A时,可选用深沟球轴承或接触角不大的角接触球轴承或圆锥滚子轴承;当轴向载荷较大时,可选用接触角较大的角接触球轴承或圆锥滚子轴承,或者选用向心轴承和推力轴承组合在一起的结构,分别承担径向载荷和轴向载荷。
(二)轴承的转速在一般转速下,转速的高低对类型的选择不发生什么影响,只有在转速较高时,才会有比较显著的影响。
轴承样本中列入了各种类型、各种尺寸轴承的极限转速n值。
这个转速是指载荷不太大(P≤0.1C,limC为基本额定动载荷),冷却条件正常,且为0级公差轴承时的最大允许转速。
但是,由于极限转速主要是受工作时温升的限制,因此,不能认为样本中的极限转速是一个绝对不可超越的界限。
如果轴承的工作转速超过极限转速时,可采取下述第5条提出的措施。
从工作转速对轴承的要求看,可以确定以下几点::1)球轴承与滚子轴承相比较,有较高的极限转速,故在高速时应优先选用球轴承。
2)在内径相同的条件下,外径越小,则滚动体就越轻小,运转时滚动体加在外圈滚道上的离心惯性力也就越小,因而也就更适于在更高的转速下工作。
放在高速时,宜选用超轻、特轻及轻系列的轴承。
轴承代号含义说明欧阳歌谷(2021.02.01)轴承代号由基本代号,前置代号和后置代号构成。
基本代号表示轴承系列及尺寸,前置代号表示轴承类型及轴承零件,位于基本代号之前,后置代号表示轴承的结构,保持架,密封与防尘,公差,油隙,热处理等技术要求,位于基本代号之后。
1.前置代号C- 圆柱滚子轴承附件(或轴承本身),例:C00210 45C- 成对安装圆锥滚子轴承,面对面安装,例:45C30210 46C- 成对安装圆锥滚子轴承,背对背安装,例:46C30210 4CRI- 四列圆柱滚子轴承内圈,例:4CRI4560F 4CRO- 四列圆柱滚子轴承外圈,例:4CRO660AF E- 磁电机球轴承,外径为正公差,例:E10 EN- 磁电机球轴承,外径为负公差,例:EN10 IR- 滚针轴承内圈(英制),例:IR1212 IRA- 滚针轴承内圈,比IR系列宽(英制),例:IRA20 IRM- 滚针轴承内圈,例:IRM710 M- 最大载荷容量型球轴承,例:M6311 OR- 滚针轴承,只有外圈,例:OR10876 F- 深沟球轴承带凸缘,例:F603 TR- 尺寸非标准的单列圆锥滚子轴承,例:TR060702W- 宽型,深沟球轴承,例:W602ZZX2.后置代号(1)内部结构A- 角接触轴承,接触角30度(不标出),例:7210 B- 角接触轴承,接触角40度,例:7210B C- 角接触轴承,接触角15度,例:7210C C- 圆锥滚子轴承,接触角20度,例:30303C D- 圆锥滚子轴承,接触角28度30分,例:30305D G- 压缩轴向油隙的调心和圆锥滚子轴承J- 圆锥滚子轴承,符合ISO分组,例:30206J N- 圆锥滚子轴承,特殊噪声要求,例:30208N R- 加大负荷容量的调心,圆锥和圆柱滚子轴承,例:22228R (2)密封和防尘OR- 球轴承带O型密封圈,例:6201+OR RK- 单面,双唇接触式合成橡胶密封,例:6210RK 2RK- 双面,双唇接触式合成橡胶密封,例:6210.2RK RS- 单面,接触式合成橡胶密封,例:6210RS 2RS- 双面,接触式合成橡胶密封,例:6210-2RS RSA- 单面,带金属罩接触式合成橡胶密封,例:88107RSA 2RSA- 双面,带金属罩接触式合成橡胶密封,例:88107-2RSA RSB- 单面,带加卡金属罩的接触式合成橡胶密封,例:88107RSB2RSB- 双面,带加卡金属罩的接触式合成橡胶密封,例:88107-2RSBRSC- 硅橡胶制RS型密封,例:6210RSCRSD- 聚丙烯橡胶制RS型密封,例:6210RSD RSE- 单面,挡边引导接触式合成橡胶密封,例:6206RSE 2RSE- 双面,挡边引导接触式合成橡胶密封,例:6206-2RSE RSF- RS型氟化橡胶密封,例:6210RSF RU- 单面,非接触式合成橡胶密封,例:6205RU 2RU- 双面,非接触式合成橡胶密封,例:6205-2RU TR- 单面,三唇金属罩合成橡胶密封,例:4508B-TR 2TR- 双面,三唇金属罩合成橡胶密封,例:4508B-2TR U- 一面带接触式合成橡胶密封的滚针轴承,例:NA4916U UU- 二面带接触式合成橡胶密封的滚针轴承,例:NA4916UU Z- 单面钢制防尘盖,例:6205.Z ZZ- 双面钢制防尘盖,例:6205ZZ ZL- 单面,L型内径的钢制防尘盖,例:6207ZL ZX- 单面,由止动环压紧的钢制防尘盖,例:6205ZX ZXL- 由止动环压紧L型内径单面钢制防尘盖,例:6203ZXL ZZL- 钢制防尘盖,双面,L型内径,例:6203ZZL ZZX- 钢制防尘盖,双面,由止动环压紧,例:605ZZX ZZXL- 钢制防尘盖,双面,由止动环压紧,L型内径,例:6303ZZXL(3)套圈形状a- 大于标准倒角的非标准倒角,例:6205aB- 圆锥滚子轴承,外圈带凸缘,例:30210B BI- 双半内圈球轴承,例:6215BI BO- 双半外圈球轴承,例:6215BO D- 圆锥滚子轴承,双外圈或双内圈(英制),例:594/592D K- 带锥孔轴承,锥度为1:12,例:1210K K30- 带锥孔轴承,锥度为1:30,例:23026K30 N- 外圈带止动槽轴承,例:6206N C- 带锁孔的圆锥滚子轴承NR- 外圈带止动环轴承,例:6210NR Y- 小于标准倒角尺寸的非标准倒角,例:30206Y S- 圆锥滚子轴承,非标准倒角(斜倒角)SG- 内径带螺旋槽的圆锥滚子轴承T- 锥孔或锥形外径(英制)圆锥滚子轴承TD- 双列、锥孔或锥形外径(英制)圆锥滚子轴承W- 双内圈、端面带槽的圆锥滚子轴承,例:47T694625WH W- 外圈有润滑油沟槽和孔的圆柱滚子轴承,例:NU316W Wi- 圆柱滚子轴承(1-外圈有润滑油孔;2-内圈有润滑油孔和槽;3-内圈有润滑油孔;4-内、外圈有润滑油孔;5-内、外圈有润滑油孔和槽;6-外圈有润滑油孔和槽,内圈有润滑油孔;10-外圈带锁孔;11-外圈带润滑油孔和锁孔;13-外圈带锁孔,内圈带润滑油孔;14-内圈带润滑油孔,外圈带润滑油孔和锁孔;I=1,2,…)。
轴承型号对照大全(实用!不收藏是个损失)轴承人辛苦了,希望大家能订单不断。
这篇文章是轴承哥花了心血整理出来的一套很齐全的轴承型号对照资料,覆盖了轴承种类林林总总。
而大家只要做的事情除了收藏的同时并将文章分享给身边的好友,帮助到更多的好友,也不枉轴承哥一番心血著作。
今后会更努力发一些精品的轴承文章给大家学习。
▼轴承基本代号构成说明轴承基本代号由轴承类型代号、尺寸系列代号、内径代号构成。
基本代号类型代号尺寸系列代号内径代号例如:6201,6代表类型代号;2:尺寸系列代号;01:内径代号▼轴承类型代号轴承类型代号用数字或字母表示,见下表:代号轴承类型代号轴承类型123456双列角接触球轴承调心球轴承调心滚子轴承和推力调心滚子轴承圆锥滚子轴承双列深沟球轴承推力球轴承深沟球轴承78NUQJ角接触球轴承推力圆柱滚子轴承圆柱滚子轴承双列或多列用字母NN表示外球面球轴承四点接触球轴承▼尺寸系列代号轴承的尺寸系列代号由轴承的宽(高)度系列代号和直径系列代号组合而成。
直径系列指对应同一轴承内径的外径尺寸系列。
分别有7、8、9、0、1、2、3、4、5等外径尺寸依次递增的直径系列。
宽度系列指对应同一轴承直径系列的宽度尺寸系列。
分别有8、0、1、2、3、4、5、6等宽度尺寸依次递增的宽度系列。
推力轴承以高度系列对应于向心轴承的宽度系列,有7、9、1、2等高度尺寸依次递增的四个高度系列。
▼内径代号见下表:轴承内径尺寸内径代号举例0.6到10mm(非整数)用公称内径毫米数直接表示,在基与尺寸系列代号之间用“/”分开深沟球轴承618/2.5内径为2.5mm1到9mm(整数)用公称内径毫米数直接表示,对深沟球轴承及角接触球轴承7,8,9直径系列,内径尺寸系列代号之间用“/”分开深沟球轴承625或618/5内径为5mm10到17mm10mm12mm15mm17mm00010203深沟球轴承 6200内径为10mm20到480mm(22,28,32除外)公称内径除以5的商数,商数为个位数,需在商数左边加“0”,如08这就是那种较常见的表示方法:)调心滚子轴承 23208内径为40mm大于和等于500mm以上以及22,28,32mm用公称内径毫米数直接表示,但在尺寸系列之间用“/”分开调心滚子轴承230/500内径为500mm深沟球轴承 62/22内径为22mm▼SKF轴承补充代号前缀含义SKF轴承型号的前缀主要是用来表示SKF轴承的部件,为避免与其它的型号混淆,通常是将其放在整个SKF轴承型号之前。
单排四点接触球式回支转承(01系列)时间:2021.02.04创作:欧阳育结构特点。
性能。
适用范围单排四点接触球式回转支承由两个座圈组成,结构紧凑、重量轻、钢球与圆弧滚道四点接触,能同时承受轴向力、径向力和倾翻力矩。
回转式输送机、焊接操作机、中小型起重机和挖掘机承载曲线圆编号基本型号Basic Type外型尺寸Configuration Size安装尺寸Mounting Size结构尺寸Structural Size无齿式ToothlessD Lmm外齿式Ext ToothingD Lmm内齿式D LmmDmmdmmHmmD1mmD2mmn∮mmn1 D3mmd1mmH1mmhmm1 010.30.500011.30.500 013.30.500602 398 80 566 434 20 18 4 501 498 70 10 012.30.500 014.30.5001′010.25.500 011.25.500 013.25.500 602 398 80 566 434 20 18 4 501 499 70 10欧阳育创编 2021.02.04 欧阳育创编 2021.02.04欧阳育创编 2021.02.04 欧阳育创编 2021.02.04欧阳育创编 2021.02.04 欧阳育创编 2021.02.04欧阳育创编 2021.02.04 欧阳育创编 2021.02.04欧阳育创编 2021.02.04 欧阳育创编 2021.02.04162012.8 123 1574.4 99 18.1 25.013 120 +0.516 2268.8 139 1734.4 109 24.1 33.3110018 2264.4 123 1735.2 97 27.1 37.513′120 +0.516 2268.8 139 1734.4 109 24.1 33.3110018 2264.4 123 1735.2 97 27.1 37.514 120 +0.516 2492.8 153 1990.4 125 24.1 33.3125018 2498.4 136 1987.2 111 27.1 37.514′120 +0.516 2498.8 153 1990.4 125 24.1 33.3125018 2498.4 136 1987.2 111 27.1 37.515 120 +0.518 2768.4 151 2239.8 125 27.1 37.5140020 2776 136 2228 112 30.1 41.815′120 +0.518 2768.4 151 2239.8 125 27.1 37.5140020 2776 136 2228 112 30.1 41.816 120 +0.518 3074.4.7 168 2527.2 141 27.1 37.5160020 3076 151 2528 127 30.1 41.816′120 +0.518 3074.4 168 2537.2 141 27.1 37.5160020 3076 151 2528 127 30.1 41.817 150 +0.520 3476 171 2828 142 37.7 52.2280022 3471.6 155 2824.8 129 41.5 57.417′150 +0.520 3476 171 2828 142 37.7 52.2280022 3471.6 155 2824.8 129 41.5 57.4单排交叉滚柱式回转支承欧阳育创编 2021.02.04 欧阳育创编 2021.02.04结构特点。
常用轴承内外径型号对照表在机械工程领域,轴承是一种非常重要的零部件,它能够支撑旋转轴,并减少摩擦和磨损。
为了方便选择和使用合适的轴承,了解轴承的内外径型号是至关重要的。
下面为您呈现一份常用轴承内外径型号的对照表,希望能对您有所帮助。
首先,我们来了解一下轴承的基本结构。
轴承通常由内圈、外圈、滚动体和保持架组成。
内圈和外圈分别与轴和轴承座相配合,滚动体则在内外圈之间滚动,以实现减少摩擦的作用。
常见的轴承类型包括深沟球轴承、圆柱滚子轴承、圆锥滚子轴承、调心球轴承等。
每种类型的轴承都有其特定的应用场景和特点。
深沟球轴承是最常见的一种轴承类型,具有结构简单、使用方便、摩擦力矩小等优点。
其内径型号通常从 10mm 开始,以 5mm 为递增间隔,例如 10mm、15mm、20mm 等。
外径型号则根据不同的系列和尺寸而有所不同。
圆柱滚子轴承主要承受径向载荷,具有较高的承载能力和刚性。
其内径型号的范围较广,常见的有 20mm、30mm、40mm 等。
外径尺寸则根据具体的型号和规格而定。
圆锥滚子轴承能够同时承受径向和轴向载荷,适用于重载和高速的工作条件。
其内径和外径的型号也有多种选择。
调心球轴承具有自动调心的功能,能够补偿轴的挠曲和安装误差。
内径型号常见的有 12mm、15mm、17mm 等。
|轴承类型|内径型号(mm)|外径型号(mm)||::|::|::||深沟球轴承|10、12、15、17、20、25、30、35、40、45、50、55、60、65、70、75、80、85、90、95、100|26、30、37、42、47、52、62、72、80、90、100、110、120、130、140、150、160、170、180、190、200||圆柱滚子轴承|20、25、30、35、40、45、50、55、60、65、70、75、80、85、90、95、100|42、47、52、62、72、80、90、100、110、120、130、140、150、160、170、180、190、200||圆锥滚子轴承|20、25、30、35、40、45、50、55、60、65、70、75、80、85、90、95、100|40、46、52、62、72、80、90、100、110、120、130、140、150、160、170、180、190、200||调心球轴承|12、15、17、20、25、30、35、40、45、50、55、60、65、70、75、80、85、90、95、100|32、37、42、47、52、62、72、80、90、100、110、120、130、140、150、160、170、180、190、200|需要注意的是,以上只是部分常用型号的对照表,实际应用中还有更多的规格和型号可供选择。
推力轴承型号内外径对照表朋友!下面就是推力轴承型号内外径的一个简单对照表啦。
一、51100系列1. 51100- 内径:10mm。
这就像一个小细管的内径那么小,外径呢,是24mm,大概像个小硬币的直径那么大哦。
2. 51101- 内径变成了12mm啦,稍微粗了一丢丢。
外径是26mm,就像一个稍微大一点的瓶盖的直径。
3. 51102- 内径15mm,外径32mm。
你可以想象一下,内径就像一支比较粗的铅笔芯的粗细,外径就是一个小橘子的大小啦。
4. 51103- 内径17mm,外径35mm。
这时候内径差不多是一个小指头尖的粗细,外径就像一个小苹果的直径差不多啦。
5. 51104- 内径20mm,外径40mm。
内径像个大一点的铅笔的粗细,外径就像一个大苹果的直径啦。
6. 51105- 内径25mm,外径47mm。
内径有小拇指那么粗了,外径就像一个大橙子的直径差不多。
7. 51106- 内径30mm,外径52mm。
内径和大拇指差不多粗啦,外径就像一个小柚子的直径呢。
8. 51107- 内径35mm,外径62mm。
内径就像一个粗粗的记号笔的粗细,外径就像一个大柚子的直径啦。
9. 51108- 内径40mm,外径68mm。
内径就像一个小瓶子的瓶口粗细,外径就像一个小足球的直径的一小半啦。
10. 51109- 内径45mm,外径73mm。
内径就像一个大瓶子的瓶口粗细,外径就像一个大足球的直径的一小半呢。
11. 51110- 内径50mm,外径78mm。
内径就像一个小罐子的罐口粗细,外径就像一个大篮球的直径的一小半啦。
12. 51111- 内径55mm,外径90mm。
内径就像一个大罐子的罐口粗细,外径就像一个大篮球的直径差不多啦。
13. 51112- 内径60mm,外径95mm。
内径就像一个小水桶的桶口粗细,外径就像一个大篮球加上一点的大小啦。
14. 51113- 内径65mm,外径100mm。
内径就像一个大水桶的桶口粗细,外径就像一个大篮球加上不少的大小啦。