1、建筑给水排水及采暖工程概况表
- 格式:xls
- 大小:19.00 KB
- 文档页数:2
建筑工程施工资料目录C.1 施工管理资料用表表C.1.1工程概况表表C.1.2 施工现场质量管理检查记录表C.1.3 分包单位资质报审表表C.1.4 建设工程质量事故调查、勘查记录表C.1.5 见证试验检测汇总表表C.1.6 施工日志表C.1.7 监理工程师通知回复单C.2 施工技术资料用表表C.2.1 工程技术文件报审表表C.2.2 危险性较大分部分项工程施工方案专家论证表表C.2.3 技术交底记录表C.2.4 图纸会审记录表C.2.5 设计变更通知单表C.2.6 工程洽商记录(技术核定单)C.3 进度造价资料用表表C.3.1 工程开工报审表表C.3.2 工程复工报审表表C.3.3 施工进度计划报审表表C.3.6 工程款支付申请表表C.3.7 工程变更费用报审表表C.3.8 费用索赔申请表C.4 施工物资资料用表表C.4.1 材料、构配件进场检验记录表C.4.2 设备开箱检验记录表C.4.3 设备及管道附件试验记录C.5 施工记录用表表C.5.1 隐蔽工程验收记录(通用)表C.5.2 施工检查记录(通用)表C.5.3 交接检查记录(通用)表C.5.4 工程定位测量记录表C.5.5 建筑物垂直度、标高观测记录表C.5.6 地基验槽记录表C.5.7 地下工程防水效果检查记录表C.5.8 防水工程试水检查记录表C.5.9 通风道、烟道、垃圾道检查记录表C.6.1 设备单机试运转记录(通用)表C.6.2 系统试运转调试记录(通用)表C.6.3 接地电阻测试记录(通用)表C.6.4 绝缘电阻测试记录(通用)表C.6.5 砌筑砂浆试块强度统计、评定记录表C.6.6 混凝土试块强度统计、评定记录表C.6.7 结构实体混凝土强度检验记录表C.6.8 结构实体钢筋保护层厚度检验记录表C.6.9 灌水、满水试验记录C.7 施工质量验收记录用表表C.7.1 检验批质量验收记录表C.7.2 分项工程质量验收记录表C.7.3 分部(子分部)工程质量验收记录C.8 竣工验收资料用表表C.8.1 单位(子单位)工程竣工预验收报验表表C.8.2-1 单位(子单位)工程质量竣工验收报验表表C.8.2-2 单位(子单位)工程质量控制资料核查记录表C.8.2-3 单位(子单位)工程安全和功能检验资料核查及主要功能抽查记录表C.8.2-4 单位(子单位)工程观感质量核查记录分部分项工程共划分为:一、地基与基础工程;二、主体结构;三、建筑装饰装修;四、建筑屋面;五、建筑给水、排水及采暖;六、建筑电气;七、智能建筑;八、通风与空调;九、电梯室外工程划分C.0.1 室外单位(子单位)工程和分部工程可按表C.0.1划分工程概况表附:建筑总平面图、建筑立面图、建筑剖面图本表由施工单位填写,城建档案馆和施工单位各保存一份本表由施工单位填报,经监理单位审批后,建设单位、监理单位、施工单位各存一份工程复工报告本表由施工单位填报,经监理单位审批后,建设单位、监理单位、施工单位各存一份施工进度计划分析项目大事记本表由施工单位填报,经监理单位审批后,建设单位、监理单位、施工单位各存一份本表由下达方填写,整改方填报整改结果,双方各保存一份。
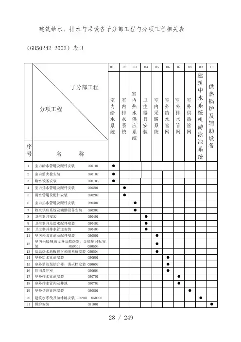
建筑给水、排水及采暖工程用表(GB50242-2002)表3注:本表有●符号者为该子分部工程所含分项工程给排水分部(子分部)工程验收记录(GB50300-2001)表F.0.1注:除地基基础分部外,勘察单位可不参加室内给水系统分部(子分部)工程验收记录(GB50300-2001)表F.0.1注:除地基基础分部外,勘察单位可不参加给水管道及配件安装分项工程质量验收表(GB50300-2001)表E.0.1室内给水管道及配件安装工程检验批质量验收记录(GB50242-2002)表4.2注:表中*为实测数据值050101□□□说明强制性条文3.3.3 地下室或地下构筑物外墙有管道穿过,应采取防水措施。
对有严格防水要求建筑物,必须采用柔性防水套管;3.3.16 各种承压管道系统和设备应做水压试验,非承压管道系统和设备应做灌水试验。
4.1.2 给水管道必须采用与管材相适应管件。
生活给水系统所涉及材料必须达到饮用水卫生标准。
主控项目4.2.1 室内给水管道水压试验必须符合设计要求。
当设计未注明时,各种材质给水管道系统试验压力均为工作压力1.5倍,但不得小于0.6 MPa。
检验方法:金属及复合管给水管道系统在试验压力下观测10min,压力降不应大于0.02MPa,然后降到工作压力进行检查,应不渗不漏;塑料管给水系统应在试验压力下稳压1h,压力降不得超过0.05MPa,然后在工作压力1.15倍状态下稳压2h,压力降不得超过0.03MPa,同时检查各连接处不得渗漏。
4.2.2 给水系统交付使用前必须进行通水试验并做好记录。
检验方法:观察和开启阀门、水嘴等放水。
4.2.3 生产给水系统管道在交付使用前必须冲洗和消毒,并经有关部门取样检验,符合国家《生活饮用水标准》方可使用。
检验方法:检查有关部门提供检测报告。
4.2.4 室内直埋给水管道(塑料管道和复合管道除外)应做防腐处理。
埋地管道防腐层材质和结构应符合设计要求。
西安铁路枢纽西安站改扩建工程站房工程给排水及采暖工程施工方案中铁建工集团有限公司西安站改项目经理部二○二○年五月西安铁路枢纽西安站改扩建工程站房工程给排水及采暖工程施工方案编制人:审批人:批准人:二○二〇年五月给排水及采暖工程施工方案1、工程概况 (2)1.1工程简介 (2)1.2工程内容 (2)1.3工程特点、难点及对策 (6)1.4编制依据 (7)2、施工部署 (9)2.1施工总体布置 (9)2.2施工准备阶段 (9)2.3施工生产阶段 (12)3、主要施工方法及技术措施 (12)3.1施工工艺流程 (13)3.2材料准备及验收 (17)3.3预留预埋施工 (21)3.4室内管道施工 (31)3.5支吊架制作、安装 (77)3.6阀门及其他附件安装 (84)3.7设备安装 (99)3.8卫生洁具安装 (107)3.9管道保温 (113)3.10室外工程施工方法 (116)3.11无管网七氟丙烷灭火系统 (132)3.12系统调试 (133)4、质量控制 (141)4.1质量控制点及控制措施 (141)4.2关键部位质量控制点及保证措施 (141)4.3质量检验、试验措施 (144)4.4质量通病防治措施 (146)4.5工程资料的管理 (155)5、安全技术措施 (156)5.1高空作业 (156)5.2吊装作业 (163)5.3试压作业 (163)6、冬雨季施工措施 (164)6.1季节性施工的一般措施 (164)6.2雨季施工措施 (164)6.2冬季施工措施 (164)7、成品保护措施 (165)7.1成品管理 (165)7.2成品保护措施 (165)1、工程概况1.1 工程简介西安铁路枢纽西安站改扩建工程站房工程位于原西安站位置,在线路北侧新建北站房及东配楼,对既有南站房进行改造。
北站房与东配楼广场北面为大明宫遗址公园,丹凤门与北站房、东配楼相对而望,成“品”字形布局。
南站房及南广场南侧为城墙。
江苏省建筑工程施工资料表格填写范例第1章建筑与结构工程施工资料土建工程施工资料工程概况工程项目施工管理人员名单施工现场质量管理检查记录施工组织设计、施工方案审批表技术交底记录开工报告工程竣工报告图纸会审、设计变更、洽商记录汇总表图纸会审、设计变更、洽商记录设计交底记录工程定位测量、放线验收记录钢材合格证和复试报告汇总表水泥出厂合格证、复试报告汇总表砖(砌块)检验报告汇总表出厂检验报告和进场复验报告汇总表防水和保温材料合格证、复试报告汇总表(其他)建筑材料合格证、复试报告汇总表混凝土试块试压报告汇总表混凝土强度评定结构实体混凝土强度评定砂浆强度汇总评定表钢筋连接试验报告、焊条(剂)合格证汇总表土壤试验记录汇总表隐蔽工程验收记录施工日志现场施工预应力记录地基验槽记录和地基处理记录混凝土(其他)构件合格证汇总表钢筋保护层厚度实测表屋面泼水、淋水、蓄水试验记录地下室防水效果检查记录厕所、厨房、阳台等有防水要求的地面泼水、蓄水试验记录建筑物垂直度、标高、全高测量记录烟气(风)道工程检查验收记录建筑物沉降观测记录单位(子单位)工程质量竣工验收记录单位(子单位)工程安全和功能检验资料核查及主要功能抽查记录单位(子单位)工程观感质量检查记录分部(子分部)工程验收记录分项工程质量验收记录土方开挖分项工程检验批质量验收记录土方回填分项工程检验批质量验收记录混凝土板桩制作分项工程检验批质量验收记录锚杆及土钉墙支护分项工程检验批质量验收记录钢或混凝土支撑系统分项工程检验批质量验收记录地下连续墙分项工程检验批质量验收记录沉井(箱)分项工程检验批质量验收记录灰土地基分项工程检验批质量验收记录砂和砂石地基分项工程检验批质量验收记录土工合成材料地基分项工程检验批质量验收记录粉煤灰地基分项工程检验批质量验收记录强夯地基分项工程检验批质量验收记录注浆地基分项工程检验批质量验收记录预压地基分项工程检验批质量验收记录振冲地基分项工程检验批质量验收记录1高压喷射注浆地基分项工程检验批质量验收记录水泥土搅拌桩地基分项工程检验批质量验收记录土和灰土挤密桩复合地基分项工程检验批质量验收记录水泥粉煤灰碎石桩复合地基分项工程检验批质量验收记录夯实水泥土桩复合地基分项工程检验批质量验收记录砂桩地基分项工程检验批质量验收记录模板分项工程(现浇结构模板安装)检验批质量验收记录模板分项工程(模板拆除)检验批质量验收记录钢筋分项工程(原材料、钢筋加工)检验批质量验收记录钢筋分项工程(钢筋连接、钢筋安装)检验批质量验收记录混凝土分项工程(原材料、配合比设计)检验批质量验收记录混凝土分项工程(混凝土施工)检验批质量验收记录现浇结构分项工程(结构施工)检验批质量验收记录现浇结构分项工程(设备基础)检验批质量验收记录砖砌体分项工程检验批质量验收记录防水混凝土分项工程检验批质量验收记录水泥砂浆防水层分项工程检验批质量验收记录卷材防水层分项工程检验批质量验收记录涂料防水层分项工程检验批质量验收记录塑料板防水层分项工程检验批质量验收记录金属板防水层分项工程检验批质量验收记录防水混凝土细部构造分项工程检验批质量验收记录锚喷防水分项工程检验批质量验收记录地下连续墙防水分项工程检验批质量验收记录复合式衬砌防水分项工程检验批质量验收记录盾构法隧道防水分项工程检验批质量验收记录渗排水、盲沟排水分项工程检验批质量验收记录隧道、坑道排水分项工程检验批质量验收记录预注浆、后注浆、衬砌裂缝注浆分项工程检验批质量验收记录模板分项工程(现浇结构模板安装)检验批质量验收记录模板分项工程(预制构件模板安装)检验批质量验收记录模板分项工程(模板拆除)检验批质量验收记录钢筋分项工程(原材料、钢筋加工)检验批质量验收记录钢筋分项工程(钢筋连接、钢筋安装)检验批质量验收记录预应力分项工程(原材料)检验批质量验收记录预应力分项工程(制作与安装)检验批质量验收记录预应力分项工程(张拉和放张、灌浆及封锚)检验批质量验收记录装配式结构分项工程(预制构件)检验批质量验收记录装配式结构分项工程(结构施工)检验批质量验收记录混凝土小型空心砌块砌体分项工程检验批质量验收记录石砌体分项工程检验批质量验收记录配筋砌体分项工程检验批质量验收记录填充墙砌体分项工程检验批质量验收记录方木和原木分项工程(构件制作)检验批质量验收记录方木和原木结构分项工程(结构安装)检验批质量验收记录轻型木结构分项工程检验批质量验收记录木结构的防护分项工程检验批质量验收记录三合土垫层、炉渣垫层、水泥混凝土垫层分项工程检验批质量验收记录砂浆、混凝土找平层分项工程检验批质量验收记录隔离层、填充层分项工程检验批质量验收记录水泥混凝土面层、水泥砂浆面层分项工程检验批质量验收记录水磨石面层、水泥钢(铁)屑面层分项工程检验批质量验收记录防油渗面层、不发火(防爆的)面层分项工程检验批质量验收记录砖面层分项工程检验批质量验收记录大理石面层和花岗石面层分项工程检验批质量验收记录预制板块面层分项工程检验批质量验收记录料石面层、塑料板面层分项工程检验批质量验收记录活动地板、地毯面层分项工程检验批质量验收记录实木地板面层、实木复合地板面层分项工程检验批质量验收记录一般抹灰分项工程检验批质量验收记录装饰抹灰分项工程检验批质量验收记录清水砌体勾缝分项工程检验批质量验收记录表木门窗制作分项工程检验批质量验收记录木门窗安装分项工程检验批质量验收记录金属门窗安装分项工程(钢门窗)检验批质量验收记录金属门窗安装分项工程(铝合金门窗)检验批质量验收记录金属门窗安装分项工程(涂色镀锌钢板门窗)检验批质量验收记录塑料门窗安装分项工程检验批质量验收记录特种门安装分项工程(推拉自动门)检验批质量验收记录特种门安装分项工程(旋转门)检验批质量验收记录门窗玻璃安装分项工程检验批质量验收记录暗龙骨吊顶分项工程检验批质量验收记录明龙骨吊顶分项工程检验批质量验收记录板材隔墙分项工程检验批质量验收记录骨架隔墙分项工程检验批质量验收记录活动隔墙分项工程检验批质量验收记录玻璃隔墙分项工程检验批质量验收记录饰面板安装分项工程检验批质量验收记录饰面砖粘贴分项工程(涂色镀锌钢板门窗)检验批质量验收记录水性涂料涂饰分项工程检验批质量验收记录溶剂性涂料涂饰分项工程检验批质量验收记录美术涂饰分项工程检验批质量验收记录裱糊分项工程检验批质量验收记录软包分项工程检验批质量验收记录橱柜制作与安装分项工程检验批质量验收记录门窗套制作与安装分项工程检验批质量验收记录护栏和扶手制作与安装分项工程检验批质量验收记录花饰制作与安装分项工程检验批质量验收记录屋面分部工程质量验收记录屋面找平层分项工程检验批质量验收记录屋面保温层分项工程检验批质量验收记录卷材防水层分项工程检验批质量验收记录屋面找平层分项工程检验批质量验收记录屋面保温层分项工程检验批质量验收记录涂膜防水层分项工程检验批质量验收记录细石混凝土防水层分项工程检验批质量验收记录密封材料嵌缝分项工程检验批质量验收记录平瓦屋面分项工程检验批质量验收记录油毡瓦屋面分项工程检验批质量验收记录金属板材屋面分项工程检验批质量验收记录细部构造分项工程检验批质量验收记录架空屋面、蓄水屋面、种植屋面分项工程检验批质量验收记录桩基工程施工资料桩基工程概况工程测量、定位放线记录图纸会审、设计变更、洽商记录桩基工程开工报告桩基工程竣工报告桩位测量记录桩基工程质量控制资料核查表预制桩(钢桩)进场验收记录预制桩(钢桩、商品混凝土及桩头)合格证汇总表预制桩接桩隐蔽验收记录钢桩接桩施工验收记录预制桩、钢桩施工(锤击)验收记录人工挖孔灌注桩施工验收记录泥浆护壁成孔灌注桩施工验收记录锤击沉管灌注桩施工验收记录钢筋笼制作安放施工验收记录灌注桩水下混凝土施工记录钢材合格证、复试报告汇总表钢材焊接试验报告汇总表焊条(剂)合格证汇总表砂、石、外加剂、掺合料出厂合格证、复试报告汇总表水泥出厂合格证、复试报告汇总表混凝土配合比检查记录混凝土试块试压报告汇总表混凝土强度等级评定表混凝土预制桩分项工程检验批质量验收记录钢桩分项工程检验批质量验收记录混凝土灌注桩钢筋笼分项工程检验批质量验收记录混凝土灌注桩分项工程检验批质量验收记录试桩记录桩基子分部工程质量验收记录分项工程质量验收记录静力压桩分项工程检验批质量验收记录先张法预应力管桩分项工程检验批质量验收记录钢结构工程施工资料钢结构工程概况图纸会审、设计变更、洽商记录汇总图纸会审、设计变更、洽商记录施工组织设计、施工方案及审批技术交底记录施工记录焊接材料的烘焙记录焊工合格证汇总表钢结构工程质量控制资料核查表有关安全及功能检验和见证检测项目检查记录钢结构工程观感质量检查记录质量合格证明文件、检测报告、复试报告汇总表钢构件进场验收记录汇总表钢构件进场验收记录钢构件合格证汇总表检查记录其他检查项目的检测报告及隐蔽工程项目检查验收记录汇总表隐蔽工程检查验收记录钢结构子分部工程质量验收记录钢构件焊接分项工程检验批质量验收记录钢结构焊钉焊接分项工程检验批质量验收记录钢结构(普通紧固件连接)分项工程检验批质量验收记录钢结构(高强度螺栓)分项工程检验批质量验收记录钢结构(零件及部件加工)分项工程检验批质量验收记录钢结构(构件组装)分项工程检验批质量验收记录钢结构组装分项工程检验批中有关允许偏差检查记录钢构件预拼装分项工程检验批质量验收记录单层钢结构安装分项工程检验批质量验收记录单层钢结构安装分项工程有关允许偏差检查记录多层及高层钢结构安装分项工程检验批质量验收记录多层及高层钢结构安装分项工程质量验收中有关允许偏差检查记录钢结构网架结构安装分项工程检验批质量验收记录钢结构网架结构安装分项工程检验批有关允许偏差检查记录压型金属板安装分项工程检验批质量验收记录压型金属板安装分项工程检验批有关允许偏差记录钢构件(防腐涂料涂装)分项工程检验批质量验收记录钢构件(防火涂料涂装)分项工程检验批质量验收记录幕墙工程施工资料建筑幕墙工程概况技术交底记录设计交底(图纸会审)记录设计变更、洽商记录汇总幕墙工程观感质量检查记录幕墙工程质量控制资料和主要功能检测报告检查表铝合金材料产品合格证书、性能检测报告汇总表幕墙用钢材及五金(衬垫)产品合格证书、性能检测报告汇总表幕墙板材(玻璃、金属板、石材)合格证书、性能检测报告汇总表保温、防火材料合格证书、性能检测报告汇总表幕墙用硅酮胶质量证明书及性能检测报告汇总表幕墙预埋件(后置埋件)施工隐蔽验收记录构件连接节点隐蔽验收记录幕墙变形缝及墙面转角处的节点构造隐蔽验收记录幕墙防火构造隐蔽验收记录幕墙防雷装置隐蔽验收记录幕墙子分部工程质量验收记录玻璃幕墙分项工程质量验收记录明框玻璃幕墙分项工程检验批质量验收记录隐框、半隐框玻璃幕墙分项工程检验批质量验收记录金属幕墙分项工程质量验收记录金属幕墙分项工程检验批质量验收记录石材幕墙分项工程质量验收记录石材幕墙分项工程检验批质量验收记录第2章建筑给水排水及采暖工程施工资料建筑给水排水及采暖工程概况表建筑给水排水及采暖工程施工现场质量管理记录建筑给水排水及采暖分部工程质量验收记录建筑给水排水及采暖工程质量控制资料核查记录建筑给排水及采暖工程观感质量检查记录设备进场验收记录管道工程隐蔽验收记录管道支、吊架安装记录管道焊接检验记录楼板(屋面)立管洞盛水试验记录钢管伸缩器预拉伸安装记录塑料排水管伸缩器安装预留伸缩量记录设备基础交接验收记录管道保温记录设备单机试运转记录锅炉烘炉记录锅炉煮炉记录阀门、散热器安装前水压试验记录承压管道系统(设备)强度和严密水压试验记录非承压管道灌水试验记录给水、热水及采暖管道系统冲洗记录卫生器具满水试验记录地漏排水试验记录室内排水管道通球试验记录排水系统及卫生器具通水试验记录敞口水箱满水试验记录消火栓系统试射试验记录采暖系统试运行和调试记录安全阀及报警联动系统动作测试记录室内给水系统子分部工程质量验收记录给水管道及配件安装工程检验批质量验收记录室内消火栓系统安装检验批质量验收记录给水设备安装工程检验批质量验收记录室内排水系统安装子分部工程质量验收记录室内排水管道及配件安装分项工程质量验收记录室内雨水管道及配件安装检验批质量验收记录室内热水供应系统安装子分部工程质量验收记录室内热水管道及配件安装分项工程检验批质量验收记录室内热水辅助设备安装分项工程检验批质量验收记录卫生器具安装子分部工程质量验收记录卫生器具安装工程检验批质量验收记录卫生器具给水配件安装工程检验批质量验收记录卫生器具排水管道安装分项工程质量验收记录室内采暖系统子分部工程质量验收记录室内采暖系统水管道及配件安装工程检验批质量验收记录室内采暖系统辅助设备及散热器安装分项工程检验批质量验收记录室内采暖系统金属辐射板安装工程质量批质量验收记录低温水地板辐射采暖系统安装分项工程检验批质量验收记录室内采暖系统水压试验及调试安装分项工程检验批质量验收记录室外给水管道安装工程检验批质量验收记录消防水泵接合器及室外消火栓安装工程检验批质量验收记录室外给水管沟及井室安装工程检验批质量验收记录室外排水管道安装工程检验批质量验收记录室外排水管沟及井池安装工程检验批质量验收记录室外供热管网管道及配件安装分项工程检验批质量验收记录室外供热管网管道系统水压试验及调试分项工程检验批质量验收记录建筑中水系统及游泳池系统安装子分部工程质量验收记录建筑中水系统管道及辅助设备安装工程检验批质量验收记录游泳池水系统安装工程检验批质量验收记录供热锅炉及辅助设备安装子分部工程质量验收记录锅炉安装工程检验批质量验收记录锅炉辅助设备及管道安装工程检验批质量验收记录锅炉安全附件安装工程检验批质量验收记录锅炉烘炉、煮炉和试运行检验批质量验收记录换热站安装分项工程检验批质量验收记录第3章建筑电气工程施工资料建筑电气工程施工现场质量管理记录建筑电气分部工程质量验收记录电气照明安装子分部工程质量验收记录(统表1)分项工程质量验收记录(统表2)建筑电气工程质量控制资料核查记录建筑电气工程安全和功能检验资料核查及主要功能抽查记录建筑电气工程观感质量检查记录设备、材料、器具进场验收记录及进场检(试)验报告汇总表线槽、电导管安装隐蔽验收记录重复接地(防雷接地)工程隐蔽验收记录防雷接地系统布置简图配线敷设施工隐蔽验收记录工序交接试验验收记录电气设备交接试验记录线路(设备)绝缘电阻测试记录接地电阻测试记录线路、插座、开关接地检验记录建筑照明通电、全负荷试运行记录大型灯具牢固性试验记录架空线路及杆上电气设备安装分项工程检验批质量验收记录变压器、箱式变电所安装分项工程检验批质量验收记录槽板配线分项工程检验批质量验收记录钢索配线分项工程检验批质量验收记录接闪器分项工程检验批质量验收记录第4章通风与空调工程施工资料通风空调工程概况表通风空调工程施工现场质量管理记录通风与空调分部工程质量验收记录通风与空调工程质量控制资料核查记录通风与空调工程安全和功能检验资料核查及主要功能抽查记录通风与空调观感质量验收检查记录设备进场验收记录设备基础验收记录隐蔽工程验收记录风机盘管水压试验检验记录风管强度检验记录风管系统漏风检验记录现场组装除尘器、空调机组漏风量检验记录水系统管道强度(严密性)检验记录空调水系统管道和制冷剂管道冲(吹)洗记录冷凝水管道通水试验记录制冷系统气密性试验记录净化空调系统风管清洗记录设备单机试运转记录阀门试验记录通风与空调子分部工程质量验收记录分项工程质量验收记录风管(金属风管)与配件制作检验批质量验收记录风管(非金属、复合材料风管)与配件制作检验批质量验收记录消声设备制作与安装检验批质量验收记录风管(送、排风、排烟)系统安装检验批质量验收记录风机与空气处理设备安装检验批质量验收记录风管与设备防腐检验批质量验收记录系统调试检验批质量验收记录通风与空调子分部工程质量验收记录风管部件制作检验批质量验收记录排烟风口、常闭正压风口安装检验批质量验收记录通风与空调子分部工程质量验收记录除尘器与排污设备安装检验批质量验收记录风管与设备绝热检验批质量验收记录通风与空调子分部工程质量验收记录风管(空调系统)系统安装检验批质量验收记录通风与空调子分部工程质量验收记录风管(净化空调)系统安装检验批质量验收记录高效过滤器安装分项工程检验批质量验收记录通风与空调设备(净化空调系统)安装检验批质量验收记录通风与空调子分部工程质量验收记录制冷机组安装分项工程检验批质量验收记录制冷剂管道及配件安装分项工程检验批质量验收记录制冷附属设备安装检验批质量验收记录通风与空调子分部工程质量验收记录空调水系统(金属管道)安装检验批质量验收记录空调(非金属管道)水系统安装检验批质量验收记录冷凝水系统(金属管道)安装检验批质量验收记录冷凝水(非金属管道)系统安装检验批质量验收记录阀门和部位安装检验批质量验收记录冷却塔安装工程检验批质量验收记录水泵及附属设备检验批质量验收记录消声器制作与安装检验批质量验收记录第5章电梯工程施工资料电梯分部质量验收记录电梯工程质量控制资料核查表电梯工程观感质量检查记录设备开箱检验记录电梯工程隐蔽验收记录线路(设备)绝缘电阻测试记录接地电阻测试记录电梯工程负荷试验、安全装置检查记录电力驱动曳引式或强制式电梯子分部工程质量验收记录设备进场验收记录表电力驱动主机、液压电梯液压系统分项工程质量验收记录导轨分项工程质量验收记录门系统分项工程质量验收记录轿厢(平衡重)、安全部件分项工程质量验收记录悬挂装置、随行电缆、补偿装置(曳引、强制式)分项工程质量验收记录电气装置分项工程质量验收记录电力驱动电梯整机安装分项工程质量验收记录液压电梯子分部工程质量验收记录液压电梯悬挂装置、随行电缆分项工程质量验收记录液压电梯整机安装分项工程质量验收记录自动扶梯、自动人行道安装子分部工程质量验收记录自动扶梯、自动人行道设备进场验收记录自动扶梯、自动人行道土建交接验收记录自动扶梯、自动人行道整机安装验收记录第6章建筑节能工程资料建筑节能工程概况表建筑节能分部工程质量控制资料核查记录原材料(设备)合格证、试验报告汇总表建筑节能分部工程质量验收记录工程质量验收记录节能工程质量隐蔽验收记录聚苯板外保温系统墙体节能工程检验批/分项工程质量验收表保温浆料系统墙体节能工程检验批/分项工程质量验收表聚氨酯发泡外保温系统墙体节能工程检验批/分项工程质量验收表保温装饰板外保温系统墙体节能工程检验批/分项工程质量验收表墙体自保温系统墙体节能工程检验批/分项工程质量验收表幕墙节能工程检验批/分项工程质量验收表门窗节能工程检验批/分项工程质量验收表屋面节能工程检验批/分项工程质量验收表地面节能工程检验批/分项工程质量验收表采暖节能工程检验批/分项工程质量验收表通风与空调节能工程检验批/分项工程质量验收表空调与采暖系统冷热源及管网节能工程检验批/分项工程质量验收表配电与照明节能工程检验批/分项工程质量验收表监测与控制节能工程检验批/分项工程质量验收表。
一、建筑给水排水及采暖工程[ 1 ]一般规定1、室内给水排水及采暖工程所使用的设备、材料、成品、半成品、配件、器具等的规格、型号及性能应符合设计要求和国家产品技术标准的规定。
2、管道(排水管除外)在穿墙或楼板处均应设置套管。
安装在楼板内的套管,其顶部应高出装饰地面20mm;安装在卫生间及厨房内的套管,其顶部应高出装饰地面50mm,底部应与楼板底面相平;安装在墙壁内的套管其两端与饰面相平齐。
3、冷、热水管道同时安装应符合下列规定:(1)上、下并行安装时热水管应在冷水管的上方。
(2)垂直平行安装时热水管应在冷水管的左侧。
4、阀门安装应符合下列规定:(1)手轮不得向下安装(特殊部位除外),应转动灵活,不得有漏水漏汽现象。
(2)在地沟、墙角和顶棚等处的阀门,全部开启后的手轮平面及侧面与建筑物之间的距离不应小于100mm。
(3)阀门安装前应按有关规定进行强度和严密性试验。
[ 2 ]室内给水系统安装1、室内给水、热水管道应在保温前进行水压试验,并按要求做好防腐处理。
水压试验要求如下:(1)室内给水管道水压试验应符合设计要求。
当设计无规定时,各种材质的给水管道系统试验压力均为工作压力的1.5倍,但不得小于0.6MPa。
(2)室内热水管道水压试验应符合设计要求。
当设计无规定时,热水供应系统水压试验压力应为系统顶点的工作压力加0.1MPa,同时在系统顶点的试验压力不小于0.3MPa。
2、给水管道在竣工后,必须对管道进行冲洗,饮用水管道还要在冲洗后进行消毒,满足饮用水卫生要求。
3、给水系统交付使用前应进行通水试验,并做记录。
4、镀锌钢管管径DN<125mm时,宜采用螺纹连接或沟槽连接;当管径DN≥125mm时,可采用沟槽或法兰连接,镀锌钢管与法兰的焊接处应二次镀锌。
5、给水管道穿过墙壁或楼板处,宜设置套管,套管内不得有接头,套管内应用密封材料封堵严密。
6、管道丝扣连接时,螺纹宜清洁、规整、无断丝,接口处无外露油麻,丝扣外露2~3扣,镀锌层表面破坏处及丝扣外露部分应做防腐处理。
竣工验收表格大全(共98种表格)目录1.建筑给水排水及采暖工程概况表ﻩ错误!未定义书签。
2.建筑给水排水及采暖工程施工现场质量管理记录................................................................... 错误!未定义书签。
3.建筑给水排水及采暖分部工程质量验收记录........................................................................... 错误!未定义书签。
4.建筑给水排水及采暖工程质量控制资料核查记录ﻩ错误!未定义书签。
5.建筑给排水及采暖工程安全和功能检验资料核查及主要功能抽查记录ﻩ错误!未定义书签。
6.建筑给排水及采暖观感质量检查记录ﻩ错误!未定义书签。
7.设备进场验收记录ﻩ错误!未定义书签。
8.材料(设备)合格证明文件汇总表10ﻩ9.管道工程隐蔽验收记录ﻩ错误!未定义书签。
10.管道支、吊架安装记录ﻩ错误!未定义书签。
11.管道焊接检验记录....................................................................................................................... 错误!未定义书签。
12.楼板(屋面)立管洞盛水试验记录 ............................................................................................. 错误!未定义书签。
13.钢管伸缩器预拉伸安装记录....................................................................................................... 错误!未定义书签。
建筑给水、排水与采暖各子分部工程与分项工程相关表(GB50242-2002)表3给排水分部(子分部)工程验收记录(GB50300-2001)表 F.0.1 编号:05□□注:除地基基础分部外,勘察单位可不参加室内给水系统分部(子分部)工程验收记录(GB50300-2001)表 F.0.1 编号:0501注:除地基基础分部外,勘察单位可不参加给水管道及配件安装分项工程质量验收表(GB50300-2001)表 E.0.1 编号: 050101室内给水管道及配件安装工程检验批质量验收记录(GB50242-2002)表 4.2 编号:050101□□□注:表中*为实测数据值050101□□□讲明强制性条文3.3.3 地下室或地下构筑物外墙有管道穿过的,应采取防水措施。
对有严格防水要求的建筑物,必须采纳柔性防水套管;3.3.16 各种承压管道系统和设备应做水压试验,非承压管道系统和设备应做灌水试验。
4.1.2 给水管道必须采纳与管材相适应的管件。
生活给水系统所涉及的材料必须达到饮用水卫生标准。
主控项目4.2.1 室内给水管道的水压试验必须符合设计要求。
当设计未注明时,各种材质的给水管道系统试验压力均为工作压力的1.5倍,但不得小于0.6 MPa。
检验方法:金属及复合管给水管道系统在试验压力下观测10min,压力降不应大于0.02MPa,然后降到工作压力进行检查,应不渗不漏;塑料管给水系统应在试验压力下稳压1h,压力降不得超过0.05MPa,然后在工作压力的1.15倍状态下稳压2h,压力降不得超过0.03MPa,同时检查各连接处不得渗漏。
4.2.2 给水系统交付使用前必须进行通水试验并做好记录。
检验方法:观看和开启阀门、水嘴等放水。
4.2.3 生产给水系统管道在交付使用前必须冲洗和消毒,并经有关部门取样检验,符合国家《生活饮用水标准》方可使用。
检验方法:检查有关部门提供的检测报告。
4.2.4 室内直埋给水管道(塑料管道和复合管道除外)应做防腐处理。
竣工验收表格汇总建筑给水排水及采暖工程概况表SN1.1工程名称建设单位分部工程1、2、3、4、子分部分项工程主要设备及材料型号规格单位数量安装地点室内给水给水管道消火栓系统防腐、绝热室内排水排水管道室内热水管道防腐、绝热室外给水管道消防室外排水管道室内采暖管道采暖设备室外供热管道配件防腐、绝热专业施工负责人(签字):专业监理工程师(签字):年月日年月日建筑给水排水及采暖工程施工现场质量管理记录SN1.2工程名称施工许可证号建设单位项目负责人设计单位项目负责人监理单位施工单位主要工种姓名工种持证名称证号发证部门现场管理制度质量检验制度施工图审查情况施工组织设计及方案审批人现场使用主要设备仪器、仪表名称型号规格单位数量说明专业施工负责人:年月日专业监理工程师:年月日建筑给水排水及采暖分部工程质量验收记录SN1.3工程名称结构类型层数施工单位技术部门负责人质量部门负责人分包单位分包单位负责人分包技术负责人序号分项工程名称检验批数施工单位检查评定验收意见1234567891011质量控制资料应查项数项核查结果安全和功能检验(检测报告)应查项数项核查结果观感质量验收应查项数项好:项一般:项差:项验分包单位项目经理:年月日收意施工单位见项目经理:年月日监理(建设)单位总监理工程师:(建设单位项目专业负责人)年月日建筑给水排水及采暖工程质量控制资料核查记录SN1.4工程名称施工单位序号资料名称份数检查意见检查人1图纸会审、设计变更、洽商记录2材料、配件出厂合格证及进场检(试)验报告3管道、设备强度试验、严密性试验记录4隐蔽工程验收记录5系统清洗、灌水、通水、通球试验记录6施工记录7分项分部工程质量验收记录核查意见:施工单位项目经理:年月日验收结论:总监理工程师:(建设单位项目负责人)年月日建筑给排水及采暖工程安全和功能检验资料核查及主要功能抽查记录SN1.5工程名称施工单位序号安全和功能检查项目份数核查意见抽查结果核(抽)查人1给水管道通水试验记录及冲洗、消毒检测记录2暖气管道、散热器压力试验记录3卫生器具通水试验,具有溢流功能的器具满水试验记录4消防管道、燃气(油)管道压力试验记录5排水管道通球试验记录6承压管道系统和设备及阀门水压试验记录7雨水管道灌水试验8地漏及地面清扫口排水试验9消火栓系统试射试验10采暖系统冲洗及调试记录11安全阀及报警联动系统动作测试记录12锅炉48h负荷试运行检验抽查和检验意见:施工单位项目经理:年月日验收结论:总监理工程师:(建设单位项目负责人)年月日建筑给排水及采暖观感质量检查记录SN1.6工程名称施工单位序号项目抽查情况质量评价好一般差1管道接口、伸缩节2管道坡度3管道支架4卫生器具、支架、阀门5检查口、扫除口6地漏7散热器及支架观感质量综合评价施工单位项目经理:年月日总监理工程师:(建设单位项目负责人)年月日设备进场验收记录SN2.1建设单位施工单位工程名称单位(分部)工程设备名称型号、规格系统编号装箱单号设备检查1、包装2、设备外观3、设备零部件4、其它技术文件检查1、装箱单份张2、合格证份张3、说明书份张4、设备图份张5、其它存在问题及处理意见检查人员:建设监理单位:年月日施工单位项目经理年月日材料(设备)合格证明文件汇总表SN2.2工程名称施工单位序号材料设备名称规格型号单位数量生产厂家使用部位系统备注监理工程师:技术负责人:质量检查员:管道工程隐蔽验收记录SN2.3工程名称建设单位分项工程名称系统名称/编号设计或规范要求:隐蔽内容及部位:检查结果:检查人:验收意见:验收人:专业施工负责人:施工单位项目经理:年月日专业监理工程师:(建设单位项目负责人)年月日管道支、吊架安装记录SN2.4工程名称建设单位监理单位施工单位分项工程名称部位一、支架安装:排水管道管径(mm)5075100150200250支架材料支架间距(mm)说明给水管道管径(mm)5075100150200250支架材料支架间距(mm)说明二、吊顶内支吊架给水管道管径(mm)1520253240507080100125150200250300吊架间距(m)吊架规格型号说明排水管道吊架间距(m)吊架元钢直径(mm)支架角钢规格(mm)说明检查意见:质量检查员:年月日验收结论:监理工程师:(建设单位项目专业负责人)年月日管道焊接检验记录SN2.5工程名称建设单位分项工程名称施工单位试验环境试验时间管道系统名称安装焊口数量(个)管材焊接方法焊接材料焊工合格证代号无损检查规格材质检查数量抽查比例检查结果检查意见:技术负责人:质量检查员:年月日验收结论:监理工程师:(建设单位项目专业负责人)年月日楼板(屋面)立管洞盛水试验记录SN2.6工程名称建设单位施工单位验收日期序号层次和部位孔洞数量(个)盛水时间(小时)检验结果验收日期日/月简图及说明试验方法处理意见检查意见:验收结论:技术负责人:质量检查员:年月日监理工程师:(建设单位项目专业负责人)年月日钢管伸缩器预拉伸安装记录SN2.7工程名称建设单位施工单位监理单位序号安装部位总伸缩量△L(mm)预担方法检查人设计值实测值检查意见:技术负责人:质量检查员:年月日验收结论:监理工程师:(建设单位项目专业负责人)年月日塑料排水管伸缩器安装预留伸缩量记录SN2.8检查结论:技术负责人:质量检查员:年月日验收结论:监理工程师:(建设单位项目专业负责人)年月日设备基础交接验收记录SN2.9工程名称建设单位分项工程名称施工单位设备型号图号项目名称设计、规范允许偏差实测数值基础坐标纵、横轴线基础不同点平面标高基础外形尺寸基础平面上不平度每米全长预留地脚螺栓孔中心位置深度孔垂直度基础外观检查情况基础砼强度等级检查结论土建技术负责人:质量检查员:年月日设备安装技术负责人:质量检查员:年月日土建监理理工程师:(建设单位项目专业负责人)年月日安装监理理工程师:(建设单位项目专业负责人)年月日管道保温记录SN2.10建设单位工程名称安装单位分项工程名称保温前的检查情况保温对象保温项目管径(mm)长度(m)第层第层第层伸缩宽度(mm)备注材质厚度(mm)材质厚度(mm)材质厚度(mm)施工要求及说明和简图:检查意见:技术负责人:质量检查员:年月日验收结论:监理工程师:(建设单位项目专业负责人)年月日设备单机试运转记录SN2.11工程名称建设单位系统部位施工单位系统名称试验时间系统编号设备名称及型号连续试运转时间(h)设备数量(台)设备转速(r/min)额定功率(KW)额定电流(A)额定值实测值铭牌实测额定值实测值实测值实测值试运行状况及意见调试人:检查意见:技术负责人:质量检查员:年月日验收结论:监理工程师:(建设单位项目专业负责人)年月日锅炉烘炉记录SN2.12工程名称锅炉编号烘炉时间起年月日分止有关情况记录:烘炉人:年月日质量检查员:监理工程师:锅炉煮炉记录SN2.13工程名称锅炉编号烘炉时间起年月日分止有关情况记录:烘炉人:年月日质量检查员:监理工程师:阀门、散热器安装前水压试验记录SN2.14工程名称施工单位产品品牌规格型号抽查数量公称压力试验依据试验方式试验项目强度试验严密性试验试验参数试验压力(Mpa)试验时间(min)试验压力(Mpa)试验时间(min)试验标准值试验实测值结论试验过程及存在问题和处理意见:试验人:试验结果:技术负责人:质量检查员:年月日验收结论:专业监理工程师(建设单位项目专业负责人):年月日承压管道系统(设备)强度和严密性水压试验记录SN2.15工程名称试验系统分项名称施工单位试验时间试验依据部位材质规格系统编号数量试验压力试验项目强度试验严密性试验试验参数试验压力(Mpa)试验时间(min)试验压力(Mpa)试验时间(min)试验标准值试验实测值结论试验过程及存在问题和处理意见:试验人:试验结果:技术负责人:质量检查员:年月日验收结论:专业监理工程师(建设单位项目专业负责人):年月日非承压管道灌水试验记录SN2.16工程名称建设单位分项名称施工单位试验时间起年月日分止编号系统部位材质规格单位数量备注试验标准及规定灌水标准灌水结果标准依据灌水试验过程:试验方法灌水高度持续时间(mm)下降数值试验结论:技术负责人:质量检查员:年月日验收结论:专业监理工程师(建设单位项目专业负责人):年月日给水、热水及采暖管道系统冲洗记录SN2.17工程名称建设单位管道类别施工单位系统部位试验时间年月日材质规格单位数量工作介质吹洗标准及规定冲洗方法冲洗标准冲洗结果标准依据试验情况:试验人:冲洗检查意见:技术负责人:质量检查员:年月日验收结论:专业监理工程师(建设单位项目专业负责人):年月日卫生器具满水试验记录SN2.18工程名称建设单位施工单位序号试验器具安装部位满水时间(小时)满水量数量溢流口通水状况试验时间试验状况1大便槽1/22小便槽1/23倒水池低池放满高池1/34水盘2/35拖布盘2/36马桶水箱放至溢流排水口7磁面盆放至溢流排水口8化验盆放至溢流排水口9浴缸放至溢流排水口10洗手槽放满试验检查意见:验收结论:技术负责人:质量检查员:年月日专业监理工程师:(建设单位项目专业负责人)年月日地漏排水试验记录SN2.19工程名称建设单位施工单位监理单位部位地漏地成排水情况检查人试验检查意见:技术负责人:质量检查员:试验人:年月日验收结果:专业监理工程师(建设单位项目专业负责人):年月日室内排水管道通球试验记录SN2.20工程名称建设单位结构层数分项工程名称竣工日期年月日立管根数合计管径(mm)试验日期年月日5075100150系统编号球径管径系统编号球径管径通球试验共根顺利通球共根通球率%试验检查意见:技术负责人:质量检查员:试验人:年月日验收结果:专业监理工程师(建设单位项目专业负责人):年月日给水、排水系统及卫生器具交付使用前通水试验记录SN2.21工程名称建设单位施工单位监理单位部位开启阀门、水嘴等放水水质状况检查人试验过程及存在问题和处理意见:试验人:年月日试验检查意见:技术负责人:质量检查员:年月日验收结论:专业监理工程师(建设单位项目专业负责人):年月日敞开水箱满水试验记录SN2.22工程名称建设单位监理单位施工单位序号部位设备名称盛水高度满水时间(h)试验状况试验人试验检查意见:质量检查员:年月日验收结论:专业监理工程师:(建设单位项目专业负责人)年月日消火栓系统试射试验记录SN2.23工程名称建设单位监理单位施工单位序号消火栓系统编号及部位试验情况管道及设备试验状况试验人试验检查意见:技术负责人:质量检查员:年月日验收结论:专业监理工程师:(建设单位项目专业负责人)年月日采暖系统试运行和调试SN2.24工程名称建设单位监理单位施工单位序部位试运行和试验情况试验人检查人号调试过程及检查意见:技术负责人:质量检查员:年月日验收结论:项目经理:年月日专业监理工程师:(建设单位项目专业负责人)年月日安全阀及报警联动系统动作测试记录SN2.25工程名称建设单位监理单位施工单位一、安全阀试验设备名称规格型号系统/管线编号公称压力试验介质试验人设计值(Mpa)试验结果(Mpa)开启压力开启压力回座压力回座压力二、报警系统动作测试设备名称台数(台)动作试验情况试验人试验检查意见:技术负责人:质量检查员:年月日验收结论:专业监理工程师:(建设单位项目专业负责人)年月日室内给水系统子分部工程质量验收记录SN3.1工程名称系统楼层数施工单位技术部门负责人质量部门负责人分包单位分包单位负责人分包技术负责人序号分项工程名称检验批数施工单位检查评定验收意见123456质量控制资料安全和功能检验(检测报告)观感质量验收验收意见分包施工单位项目经理人:年月日施工单位项目经理:年月日设计单位项目负责人:年月日监理(建设)专业监理工程师:单位总监理工程师:(建设单位项目专业负责人)年月日给水管道及配件安装分项工程质量验收记录SN3.1.1工程名称结构类型检验批数施工单位项目经理技术负责人分包单位分包单位负责人分包项目经理/证号序号检验批部位、区段施工单位评定结果监理(建设)单位验收12345678910111213检查结论项目专业技术负责人:年月日验收结论监理工程师:(建设单位项目专业技术负责人)年月日给水管道及配件安装工程检验批质量验收记录SN3.1.2工程名称检验批部位项目经理工程施工单位名称分包项目经理专业工长分包单位施工执行标准名称及编号施工班组长序号GB50242-2002的规定施工单位检查评定记录监理(建设)单位验收记录主控项目1室内给水管道的水压试验必须符合设计要求。
(建筑给排水工程)给排水资料表格管道工程隐蔽验收记录SN2.3建筑给水排水及采暖工程施工现场质量管理记录SN1.1建筑给水排水及采暖分部工程质量验收记录SN1.2建筑给水排水及采暖子分部质量管理记录SN1.3(统表1)建筑给水排水及采暖分项工程质量验收记录SN1.4(统表2)建筑给水排水及采暖工程质量控制资料核查记录SN1.5建筑给水排水及采暖工程安全和功能检查资料核查及主要功能抽查记录SN1.6建筑给排水及采暖工程观感质量检查记录SN1.7设备进厂开箱检查记录SN2.1建筑给水排水及采暖工程材料、设备器具合格证、质保书、进场检(试)验报告汇总表SN2.2技术负责人:质量检查员:2007年月日管道支、吊架安装记录SN2.4管道焊接检验记录SN2.5楼板(屋面)立管洞盛水实验记录SN2.6塑料排水管伸缩器安装预留伸缩量记录SN2.8设备基础验收记录SN2.9管道保温验收记录SN2.10设备单机试运转记录SN2.11阀门及散热器安装前水压试验记录SN2.14承压管道系统(设备)强度和严密水压试验记录SN2.15非承压管道灌水试验记录SN2.16给水、热水及采暖管道系统冲洗记录SN2.17卫生器具满水试验记录SN2.18地漏排水试验记录SN2.19排水系统及卫生器具通水试验记录SN2.21(室内排水系统安装子分部工程质量验收记录)(室内给水系统子分部工程质量验收记录)(室内热水供应系统安装子分部工程质量验收记)(卫生器具安装子分部工程质量验收记录)统表1(室外供热管网子分部工程质量验收记录)(建筑中水系统及游泳池水系统安装子分部工程质量验收记录)(室内消火栓系统安装分项工程质量验收记录)(给水设备安装分项工程质量验收记录)(室内排水管道及配件安装分项工程质量验收记录)(室内雨水管道及配件安装分项工程质量验收表)(室内热水管道及配件安装分项工程质量验收表)(室内热水系统辅助设备安装分项工程质量验收表)(卫生器具安装分项工程质量验收记录卫生器具给水配件安装分项工程质量验收记录)(卫生器具排水管道安装分项工程质量验收记录(室内采暖系统管道及配件安装分项工程质量验收表)(建筑中水系统管道及辅助设备安装分项工程质量验收记录)给水管道及配件安装分项工程质量验收记录统表2(系统水压试验及调试分项工程质量验收记录)(管道及配件安装分项工程质量验收记录)排水管沟与井池分项工程质量验收记录材料(构配件)、设备进场使用报验单A3.2工程名称:南京有线电厂整体搬迁工程江苏省建设厅监制工序质量报验单A3.2 工程名称:江苏省建设厅监制承压管道系统(设备)强度和严密性水压试验记录SN2.15非承压管道灌水试验记录SN2.16给水、热水及采暖管道系统冲洗记录SN2.17卫生器具满水试验记录SN2.18地漏排水试验记录SN2.19室内排水管道通球式样记录SN2.20排水系统及卫生器具通水试验记录SN2.21敞开水箱满水试验记录SN2.22消火栓系统试射试验记录SN2.23给水管道及配件安装工程检验批质量验记录SN3.1.1室内消火栓系统安装检验批质量验收记录SN3.1.2给水设备安装工程检验批质量验收记录SN3.1.3室内排水管道及配件安装工程检验批质量验收记录SN3.2.1室内雨水管道及配件安装检验批质量验收记录SN3.2.2续表。
建筑给排水、采暖、通风空调、消防水工程细则建筑给水排水及采暖工程监理实施细则编制:审批:第__项目监理部年月日目录一、工程概况和特点(1)二、监理工作流程(1)三、监理工作控制要点及目标值(1)㈠室内给水系统安装(1)㈡室内排水系统安装(6)㈢室内热水供应系统安装(7)㈣卫生器具安装(10)㈤室内采暖系统安装(12)㈥室外给水管网安装(15)㈦室外排水管网安装(18)㈧室外供热管网安装(21)㈨建筑中水系统及游泳池水系统安装(22) ㈩风管系统安装(25)(十一)通风与空调设备安装(28)(十二)空调制冷系统安装(31)(十三)空调水系统管道与设备安装(34) (十四)系统调试(38)(十五)自动喷水灭火系统(38)(十六)室内消火栓系统(42)(十七)气体灭火系统(43)(十八)泡沫灭火系统(47)(十九)工程竣工验收(52)(二十)施工阶段进度控制工作要点(54) (二十一)施工阶段投资控制工作要点(54) (二十二)施工阶段安全监理工作(54) 四、监理工作方法与措施(54)一、工程概况和特点(略)二、监理工作流程三、监理工作控制要点及目标值㈠室内给水系统安装1、材料(设备)质量监理2、施工监理巡视及控制要点?给水管道及配件安装1)室内给水管道安装见下表给水管道安装监理与巡视要点12钢管管道支架的最大间距塑料管及复合管管道支架的最大间距2)阀门安装见下表3?室内消火栓系统安装室内消火栓系统安装监理与巡视要点见下表?给水设备安装1)水箱安装水箱的安装高度与建筑物、配水管道长度、管径及设计流量有关。
水箱的安装高度应满足建筑物内最不利配水点所需的流出水头,并经管道的水力计算确定。
根据构造上要求,水箱顶距顶层板面的高度最小不得小于0.4m。
①安装水箱的支座已按设计图纸要求制作完成,支座的尺寸、位置和标高经检查符合要求。
当采用混凝土支座时,应检查其强度是否达到安装要求的60%以上,支座表面应平整、整洁;当采用型钢支座和方垫木时,按要求已做好刷漆和防腐处理。
建筑工程竣工验收表格大全(doc 209页)竣工验收表格大全(共98种表格)目录1.建筑给水排水及采暖工程概况表 (10)2.建筑给水排水及采暖工程施工现场质量管理记录 (11)3.建筑给水排水及采暖分部工程质量验收记录 (13)4.建筑给水排水及采暖工程质量控制资料核查记录 (15)5.建筑给排水及采暖工程安全和功能检验资料核查及主要功能抽查记录 (17)6.建筑给排水及采暖观感质量检查记录 (19)7.设备进场验收记录 (21)8.材料(设备)合格证明文件汇总表 (23)9.管道工程隐蔽验收记录 (25)10. ....................................................................................... 管道支、吊架安装记录 (27)11. ....................................................................................... 管道焊接检验记录 (29)12. ....................................................................................... 楼板(屋面)立管洞盛水试验记录 (31)13. ....................................................................................... 钢管伸缩器预拉伸安装记录 (33)14. ....................................................................................... 塑料排水管伸缩器安装预留伸缩量记录 (35)15. ....................................................................................... 设备基础交接验收记录 (37)18. ....................................................................................... 室内给水系统子分部工程质量验收记录 (70)19. ....................................................................................... 给水管道及配件安装分项工程质量验收记录 (73)20. ....................................................................................... 给水管道及配件安装工程检验批质量验收记录 (75)21. ....................................................................................... 室内消火栓系统安装分项工程质量验收记录 (77)22. ....................................................................................... 室内消火栓系统安装检验批质量验收记录 (79)23. ....................................................................................... 给水设备安装分项工程质量验收记录 (81)24. ....................................................................................... 给水设备安装分项工程质量验收记录 (83)25. ....................................................................................... 室内排水系统安装子分部工程质量验收记录 (85)26. ....................................................................................... 室内排水管道及配件安装分项工程质量验收记录 (88)27. ....................................................................................... 室内内排水管道及配件安装工程检验批质量验收记录 (90)28. ....................................................................................... 室内雨水管道及配件安装分项工程质量验收表 (93)29. ....................................................................................... 室内雨水管道及配件安装 (95)30. ....................................................................................... 室内热水供应系统安装子分部工程质量验收记录 (98)道及配件安装分项工程质量验收记录 (101)32. ....................................................................................... 室内热水管道及配件安装分项工程检验批质量验收记录103 33. ....................................................................................... 室内热水系统辅助设计安装分项工程质量验收表 (105)34. ....................................................................................... 室内热水辅助设备安装分项工程检验批质量验收记录 .. 107 35. ....................................................................................... 卫生器具安装子分部工程质量验收记录 (109)36. ....................................................................................... 卫生器具安装分项工程质量验收记录 (112)37. ....................................................................................... 卫生器具安装工程检验批质量验收记录 (114)38. ....................................................................................... 卫生器具给水配件安装分项工程质量验收记录 (116)39. ....................................................................................... 卫生器具给水配件安装工程检验批质量验收记录 (118)40. ....................................................................................... 卫生器具排水管道安装分项工程质量验收记录 (120)41. ....................................................................................... 卫生器具排水管道安装分项工程检验批质量验收记录 .. 122 42. ....................................................................................... 室内采暖系统子分部工程质量验收记录 (124)43. ....................................................................................... 室内采暖系统管道及配件安装分项工程质量验收记录 .. 127 44. ....................................................................................... 室内采暖系统管道及配件安装工程检验批质量验收记录129助设备及散热器安装分项工程质量验收记录 (132)46. ....................................................................................... 室内采暖系统辅助设备及散热器安装分项工程检验批质量验收记录 (134)47. ....................................................................................... 金属辐射板安装分项工程质量验收记录 (137)48. ....................................................................................... 室内采暖系统金属辐射板安装工程质量批质量验收记录139 49. ....................................................................................... 低温热水地板辐射采暖系统安装分项工程质量验收记录141 50. ....................................................................................... 低温水地板辐射采暖系统安装分项工程检验批质量验收记录 (143)51. ....................................................................................... 室内采暖系统水压试验及调试分项工程质量验收记录 .. 145 52. ....................................................................................... 室内采暖系统水压试验及调试安装分项工程检验批质量验收记录 (147)53. ....................................................................................... 室外给水管网系统子分部工程质量验收记录 (149)54. ....................................................................................... 给水管道安装分项工程质量验收记录 (152)55. ....................................................................................... 室外给水管道安装工程检验批质量验收记录 (154)56. ....................................................................................... 消防水泵接合器及室外消灭栓安装分项工程质量验收记录 (157)防水泵接合器及室外消灭栓安装工程检验批质量验收记录 (159)58. ....................................................................................... 管沟及井室分项工程质量验收记录 (161)59. ....................................................................................... 室外给水管沟及井室安装工程检验批质量验收记录 (163)60. ....................................................................................... 室外排水管网安装子分部工程质量验收记录 (165)61. ....................................................................................... 排水管道安装分项工程质量验收记录 (168)62. ....................................................................................... 室外排水管道安装工程检验批质量验收记录 (170)63. ....................................................................................... 排水管沟与井池分项工程质量验收记录 (172)64. ....................................................................................... 室外排水管沟及井池安装工程检验批质量验收记录 (174)65. ....................................................................................... 室外供热管网子分部工程质量验收记录 (176)66. ....................................................................................... 管道及配件安装分项工程质量验收记录 (179)67. ....................................................................................... 室外供热管网管道及配件安装分项工程检验批质量验收记录 (181)68. ....................................................................................... 系统水压试验及调试分项工程质量验收记录 (184)69. ....................................................................................... 室外供热管网管道系统水压试验及调试分项工程检验批70. ....................................................................................... 建筑中水系统及游泳池水系统安装子分部工程质量验收记录 (188)71. ....................................................................................... 建筑中水系统管道及辅助设备安装分项工程质量验收记录 (191)72. ....................................................................................... 建筑中水系统管道及辅助设备安装工程检验批质量验收记录 (193)73. ....................................................................................... 游泳池水系统安装分项工程质量验收记录 (195)74. ....................................................................................... 游泳池水系统安装工程检验批质量验收记录 (197)75. ....................................................................................... 供热锅炉及辅助设备安装子分部工程质量验收记录 (199)76. ....................................................................................... 锅炉安装分项工程质量验收记录 (202)77. ....................................................................................... 锅炉安装工程检验批质量验收记录 (204)78. ....................................................................................... 辅助设备及管道安装分项工程质量验收记录 (208)79. ....................................................................................... 锅炉辅助设备及管道安装分项工程检验批质量验收记录210 80. ....................................................................................... 安全附件安装分项工程质量验收表 (215)81. ....................................................................................... 锅炉安全附件安装工程检验批质量验收记录 (217)炉、煮炉和试运行分项工程质量验收记录 (219)83. ....................................................................................... 锅炉烘炉、煮炉和试运行检验批质量验收记录 (221)84. ....................................................................................... 热换站安装分项工程质量验收记录 (223)85. ....................................................................................... 换热站安装分项工程检验批质量验收记录 (225)建筑给水排水及采暖工程概况表SN1.1 工程名称建设单位分部工程1、2、3、4、子分部分项工程主要设备及材料型号规格单位数量安装地点室内给水给水管道消火栓系统防腐、绝热室内排水排水管道室内热水管道防腐、绝热室外给水管道消防室外排水管道室内采暖管道采暖设备室外供热管道配件防腐、绝热专业施工负责人(签字):专业监理工程师(签字):年月日年月日建筑给水排水及采暖工程施工现场质量管理记录SN1.2工程名称施工许可证号建设单位项目负责人设计单位项目负责人监理单位施工单位主要工种姓名工种持证名称证号发证部门现场管理制度质量检验制度施工图审查情况施工组织设计及方案审批人现场使用主要设备仪器、仪表名称型号规格单位数量说明专业施工负责人:年月日专业监理工程师:年月日建筑给水排水及采暖分部工程质量验收记录SN1.3工程名称结构类型层数施工单位技术部门负责人质量部门负责人分包单位分包单位负责人分包技术负责人序号分项工程名称检验批数施工单位检查评定验收意见1234567891011质量控制资料应查项数项核查结果安全和功能检验(检测报告)应查项数项核查结果观感质量验收应查项数项好:项一般:项差:项验收意见分包单位项目经理:年月日施工单位项目经理:年月日监理(建设)单位总监理工程师:(建设单位项目专业负责人)年月日建筑给水排水及采暖工程质量控制资料核查记录SN1.4工程名称施工单位序号资料名称份数检查意见检查人1 图纸会审、设计变更、洽商记录2 材料、配件出厂合格证及进场检(试)验报告3 管道、设备强度试验、严密性试验记录4 隐蔽工程验收记录5 系统清洗、灌水、通水、通球试验记录6 施工记录7 分项分部工程质量验收记录核查意见:验收结论:施工单位项目经理:年月日总监理工程师:(建设单位项目负责人)年月日建筑给排水及采暖工程安全和功能检验资料核查及主要功能抽查记录SN1.5工程名称施工单位序号安全和功能检查项目份数核查意见抽查结果核(抽)查人1 给水管道通水试验记录及冲洗、消毒检测记录2 暖气管道、散热器压力试验记录3 卫生器具通水试验,具有溢流功能的器具满水试验记录4 消防管道、燃气(油)管道压力试验记录5 排水管道通球试验记录6 承压管道系统和设备及阀门水压试验记录7 雨水管道灌水试验8 地漏及地面清扫口排水试验9 消火栓系统试射试验10 采暖系统冲洗及调试记录11 安全阀及报警联动系统动作测试记录12 锅炉48h负荷试运行检验抽查和检验意见:施工单位项目经理:验收结论:总监理工程师:(建设单位项目负责人)年月日年月日建筑给排水及采暖观感质量检查记录SN1.6 工程名称施工单位序号项目抽查情况质量评价好一般差1 管道接口、伸缩节2 管道坡度3 管道支架4 卫生器具、支架、阀门5 检查口、扫除口6 地漏7 散热器及支架观感质量综合评价施工单位项目经理:年月日总监理工程师:(建设单位项目负责人)年月日设备进场验收记录SN2.1建设单位施工单位工程名称单位(分部)工程设备名称型号、规格系统编号装箱单号设备检查1、包装2、设备外观3、设备零部件4、其它技术文件检查1、装箱单份张2、合格证份张3、说明书份张4、设备图份张5、其它存在问题及处理意见检查人员:建设监理单位:年月日施工单位项目经理年月日材料(设备)合格证明文件汇总表SN2.2工程名称施工单位序号材料设备名称规格型号单位数量生产厂家使用部位系统备注监理工程师:技术负责人:质量检查员:管道工程隐蔽验收记录SN2.3工程名称建设单位分项工程名称系统名称/编号设计或规范要求:隐蔽内容及部位:检查结果:检查人:验收意见:验收人:专业施工负责人:施工单位项目经理:年月日专业监理工程师:(建设单位项目负责人)年月日管道支、吊架安装记录SN2.4 工程名称建设单位监理单位施工单位分项工程名称部位一、支架安装:排水管道管径(mm)50 75 100 150 200 250 支架材料支架间距(mm)说明给水管道管径(mm)50 75 100 150 200 250 支架材料支架间距(mm)说明二、吊顶内支吊架给水管道管径(mm)15 20 25 32 40 50 70 80 100 125 150 200 250 300 吊架间距(m)吊架规格型号说明排水管道吊架间距(m)吊架元钢直径(mm)支架角钢规格(mm)说明检查意见:质量检查员:年月日验收结论:监理工程师:(建设单位项目专业负责人)年月日管道焊接检验记录SN2.5 工程名称建设单位分项工程名称施工单位试验环境试验时间管道系统名称安装焊口数量(个)管材焊接方法焊接材料焊工合格证代号无损检查规格材质检查数量抽查比例检查结果检查意见:技术负责人:质量检查员:验收结论:监理工程师:(建设单位项目专业负责人)年月日年月日楼板(屋面)立管洞盛水试验记录SN2.6 工程名称建设单位施工单位验收日期序号层次和部位孔洞数量(个)盛水时间(小时)检验结果验收日期日/月简图及说明试验方法处理意见检查意见:技术负责人:验收结论:监理工程师:质量检查员:年月日(建设单位项目专业负责人)年月日钢管伸缩器预拉伸安装记录SN2.7工程名称建设单位施工单位监理单位序号安装部位总伸缩量△L(mm)预担方法检查人设计值实测值检查意见:技术负责人:质量检查员:年月日验收结论:监理工程师:(建设单位项目专业负责人)年月日塑料排水管伸缩器安装预留伸缩量记录SN2.8工程名称建设单位施工单位安装日期系统编号伸缩量(mm)层数备注检查结论:验收结论:技术负责人:质量检查员:年月日监理工程师:(建设单位项目专业负责人)年月日设备基础交接验收记录SN2.9 工程名称建设单位分项工程名称施工单位设备型号图号项目名称设计、规范允许偏差实测数值基础坐标纵、横轴线基础不同点平面标高基础外形尺寸基础平面上不平度每米全长预留地脚螺栓孔中心位置深度孔垂直度基础外观检查情况基础砼强度等级检查结论土建技术负责人:质量检查员:年月日设备安装技术负责人:质量检查员:年月日土建监理理工程师:(建设单位项目专业负责人)安装监理理工程师:(建设单位项目专业负责人)年月日年月日管道保温记录SN2.10 建设单位工程名称安装单位分项工程名称保温前的检查情况保温对象保温项目管径(mm) 长度(m)第层第层第层伸缩宽度(mm)备注材质厚度(mm)材质厚度(mm)材质厚度(mm)施工要求及说明和简图:检查意见:技术负责人:质量检查员:年月日验收结论:监理工程师:(建设单位项目专业负责人)年月日设备单机试运转记录SN2.11锅炉烘炉记录SN2.12工程名称锅炉编号烘炉时间起年月日分止有关情况记录:烘炉人:年月日质量检查员:监理工程师:锅炉煮炉记录SN2.13工程名称锅炉编号烘炉时间起年月日分止有关情况记录:烘炉人:年月日质量检查员:监理工程师:阀门、散热器安装前水压试验记录SN2.14工程名称施工单位产品品牌规格型号抽查数量公称压力试验依据试验方式试验项目强度试验严密性试验试验参数试验压力(Mpa)试验时间(min) 试验压力(Mpa)试验时间(min) 试验标准值试验实测值结论试验过程及存在问题和处理意见:试验人:试验结果:技术负责人:质量检查员:年月日验收结论:专业监理工程师(建设单位项目专业负责人):年月日承压管道系统(设备)强度和严密性水压试验记录SN2.15工程名称试验系统分项名称施工单位试验时间试验依据部位材质规格系统编号数量试验压力试验项目强度试验严密性试验试验参数试验压力(Mpa)试验时间(min) 试验压力(Mpa)试验时间(min) 试验标准值试验实测值结论试验过程及存在问题和处理意见:试验人:试验结果:技术负责人:质量检查员:年月日验收结论:专业监理工程师(建设单位项目专业负责人):年月日非承压管道灌水试验记录SN2.16工程名称建设单位分项名称施工单位试验时间起年月日分止编号系统部位材质规格单位数量备注试验标准及规定灌水标准灌水结果标准依据灌水试验过程:试验方法灌水高度持续时间(mm) 下降数值试验结论:。