带立式座顶丝外球面轴承
- 格式:docx
- 大小:72.27 KB
- 文档页数:1
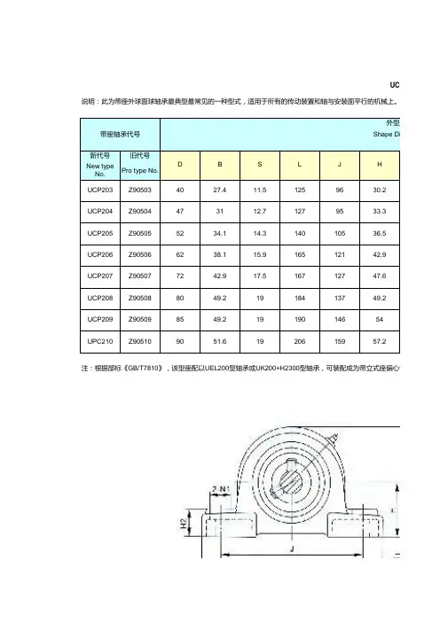
带座轴承参数表Z90500型(UCP200) 带立式座顶丝外球面球轴承参数表带座轴承型号外形尺寸带座轴承重量配用轴承代号配用轴承座代号螺栓尺寸配合轴径D B S L J H H1H2A N N1 KgZ90501 UCWP20140 27.4 11.5 125 96 30.2 57 14 36 13 19 0.6 90501 UC201 M10 17Z90502 UCWP20240 27.4 11.5 125 96 30.2 57 14 36 13 19 0.6 90502 UC202 M10 17Z90503 UCWP20340 27.4 11.5 125 96 30.2 57 14 36 13 19 0.6 90503 UC203 M10 17Z90504 UCP204 47 31 12.7 127 95 33.3 65 14 38 13 19 0.7 90504 UC204 M10 20 Z90505 UCP205 52 34.1 14.3 140 105 36.5 71 15 38 13 19 0.8 90505 UC205 M10 25 Z90506 UCP206 62 38.1 15.9 165 121 42.9 83 17 48 17 23 1.3 90506 UC206 M14 30 Z90507 UCP207 72 42.9 17.5 167 127 47.6 93 18 48 17 23 1.6 90507 UC207 M14 35 Z90508 UCP208 80 49.2 19 184 137 49.2 100 18 54 17 23 1.9 90508 UC208 M14 40 Z90509 UCP209 85 49.2 19 190 146 54 106 20 54 17 23 2.2 90509 UC209 M14 45 Z90510 UCP210 90 51.6 19 206 159 57.2 114 21 60 20 26 2.6 90510 UC210 M16 50 Z90511 UCP211 100 55.6 22.2 219 171 63.5 126 23 60 20 26 3.3 90511 UC211 M16 55 Z90512 UCP212 110 65.1 25.4 241 184 69.8 138 25 70 20 26 4.6 90512 UC212 M16 60 Z90513 UCP213 120 65.1 25.4 265 203 76.2 151 27 70 25 31 5.9 90513 UC213 M20 65 Z90514 UCP214 125 74.6 30.2 266 210 79.4 157 27 72 25 31 6.6 90514 UC214 M20 70 Z90515 UCP215 130 77.8 33.3 275 217 82.6 163 28 74 25 31 7.4 90515 UC215 M20 75 Z90516 UCP216 140 82.6 33.3 292 232 88.9 175 30 78 25 31 9 90516 UC216 M20 80 Z90517 UCP217 150 85.7 34.1 310 247 95.2 187 32 83 25 31 11 90517 UC217 M20 85 Z90518 UCP218 160 96 39.7 327 262 101.6 200 33 88 27 33 13 90518 UC218 M22 90UCP220 180 108 42 380 308 115 225 40 95 30 38 16 UC220 M24 Z90600型(UCP300) 带立式座顶丝外球面球轴承参数表带座轴承型号外形尺寸带座轴承重量配用轴承代号配用轴承座代号螺栓尺寸配合轴径D B S L J H H1H2A N N1 Kg mm mmZ90605 UCP30562 38 15 175 132 45 85 15 45 17 20 1.4 90605UC305Z605 P305 M14 25Z90606 UCP30672 43 17 180 140 50 95 18 50 17 20 1.8 90606UC306Z606 P306 M14 30Z90607 UCP30780 48 19 210 160 56 106 20 56 17 25 2.8 90607UC307Z607 P307 M14 35Z90608 UCP30890 52 19 220 170 60 116 22 60 17 27 3 90608UC308Z608 P308 M14 40Z90609 UCP309100 57 22 245 190 67 129 24 67 20 30 4.1 90609UC309Z609 P309 M16 45Z90610 UCP31110 61 22 275 212 75 143 27 75 20 35 5.8 90610UC31Z610 P310 M16 50Z90611 UCP311120 66 25 310 236 80 154 30 80 20 38 7.4 90611UC311Z611 P311 M16 55Z90612 UCP312130 71 26 330 250 85 165 32 85 25 38 9.4 90612UC312Z612 P312 M20 60Z90613 UCP313140 75 30 340 260 90 176 33 90 25 38 10 90613UC313Z613 P313 M20 65Z90614 UCP314150 78 33 360 280 95 187 35 90 27 40 12 90614UC314Z614 P314 M22 70Z90615 UCP315160 82 32 380 290 100 198 35 100 27 40 14 90615UC315Z615 P315 M22 75Z90616 UCP316170 86 34 400 300 106 210 40 110 27 40 18 90616UC316Z616 P316 M22 80Z90617 UCP317180 96 40 420 320 112 220 40 110 33 45 20 90617UC317Z617 P317 M27 85Z90618 UCP318190 96 40 430 330 118 235 45 110 33 45 24 90618UC318Z618 P318 M27 90Z90619 UCP319200 103 41 470 360 125 250 45 120 36 50 29 90619UC319Z619 P319 M30 95Z90620 UCP32215 108 42 490 380 140 275 50 120 36 50 35 90620UC32Z620 P320 M30 100Z90621 UCP321225 112 44 490 380 140 280 50 120 36 50 35 90621UC321Z621 P321 M30 105Z90622 UCP322240 117 46 520 400 150 300 55 140 40 55 45 90622UC322Z622 P322 M33 110Z90624 UCP324260 126 51 570 450 160 320 65 140 40 55 55 90624UC324Z624 P324 M33 120Z90626 UCP326280 135 54 600 480 180 355 75 140 40 55 72 90626UC326Z626 P326 M33 130Z90628 UCP328300 145 59 620 500 200 390 75 140 40 55 89 90628UC328Z628 P328 M33 140UCPH200(ZH90500)型带高中心立式座顶丝外球面球轴承参数表带座轴承型号外形尺寸带座轴承重量配用轴承代号配用轴承座代号螺栓尺寸配合轴径D B S L J H H1 H2 A N N1 KgZH90503 40 27.4 11.5 127 95 70 101 15 40 13 19 1 90503 ZH503 M10 17ZH90504 47 31 12.7 127 95 70 101 15 40 13 19 1 90504 ZH504 M10 20 ZH90505 52 34.1 14.3 140 105 80 114 16 50 13 19 1.2 90505 ZH505 M10 25 ZH90506 62 38.1 15.9 165 121 90 130 18 50 17 21 1.8 90506 ZH506 M14 30 ZH90507 72 42.9 17.5 167 127 95 140 19 60 17 21 2.4 90507 ZH507 M14 35 ZH90508 80 49.2 19 184 137 100 149 19 70 17 25 2.4 90508 ZH508 M14 40 ZH90509 85 49.2 19 190 146 105 157 20 70 17 25 3.7 90509 ZH509 M14 45 ZH90510 90 51.6 19 206 159 110 165 22 70 20 25 4.1 90510 ZH510 M16 50ZA90500(UCPA200)型带窄立式座顶丝外球面球轴承参数表带座轴承型号外形尺寸带座轴承重量配用轴承代号配用轴承座代号螺栓尺寸配合轴径D B S L J H H1H2H3A dN KgZA90503 40 27.4 11.5 76 52 30.2 62 11 12 40 M10.6 90503 ZA503M117ZA90504 47 31 12.7 76 52 30.2 62 11 12 40 M10.6 90504 ZA504M120ZA90505 52 34.1 14.3 84 56 36.5 72 12 15 45 M10.8 90505 ZA505M125ZA90506 62 38.1 15.9 94 66 42.9 84 12 18 50 M121.2 90506 ZA506M1230ZA90507 72 42.9 17.5 110 80 47.6 95 13 20 55 M121.7 90507 ZA507M1235ZA90508 80 49.2 19 116 84 49.2 100 13 20 58 M122 90508 ZA508M1240ZA90509 85 49.2 19 120 90 54.2 108 13 22 60 M122.2 90509 ZA509M1245ZA90510 90 51.6 19 130 94 57.2 116 14 25 64 M162.9 90510 ZA510M1650F90500型(UCFU200) 带方形座顶丝外球面球轴承参数表带座轴承型号外形尺寸带座轴承重量配用轴承代号配用轴承座代号螺栓尺寸配合轴径D B S L J A A1 A2 N KgF90503 UCFU203 40 27.4 11.5 76 54 27 11 17 12 0.6 90503 F503 M10 17 F90504 UCFU204 47 31 12.7 86 63.5 30 11 19 12 0.7 90504 UC204 F504 FU204 M10 20 F90505 UCFU205 52 34.1 14.3 95 70 30 13 19 12 0.9 90505 UC205 F505 FU205 M10 25 F90506 UCFU206 62 38.1 15.9 108 82.5 33 13 20 12 1.1 90506 UC206 F506 FU206 M10 30 F90507 UCFU207 72 42.9 17.5 117 92 36 15 21 14 1.5 90507 UC207 F507 FU207 M12 35 F90508 UCFU208 80 49.2 19 130 101.5 39 15 24 16 1.9 90508 UC208 F508 FU208 M14 40 F90509 UCFU209 85 49.2 19 137 105 40 16 24 16 2.3 90509 UC209 F509 FU209 M14 45 F90510 UCFU210 90 51.6 19 143 111 46 16 28 19 2.7 90510 UC210 F510 FU210 M16\M14 50 F90511 UCFU211 100 55.6 22.2 162 130 49 18 31 19 3.9 90511 UC211 F511 FU211 M16 55 F90512 UCFU212 110 65.1 25.4 175 143 53 18 34 19 4.7 90512 UC212 F512 FU212 M16 60 F90513 UCFU213 120 65.1 25.4 187 149.5 52 21 34 19 5.7 90513 UC213 F513 FU213 M16 65 F90514 UCFU214 125 74.6 30.2 193 152 54 22 35 19 6.1 90514 UC214 F514 FU214 M16 70 F90515 UCFU215 130 77.8 33.3 200 159 58 22 35 19 6.9 90515 UC215 F515 FU215 M16 75 F90516 UCFU216 140 82.6 33.3 208 165 58 22 35 23 8.1 90516 UC216 F516 FU216 M20 80 F90517 UCFU217 150 85.7 34.1 220 175 63 24 36 23 9.3 90517 UC217 F517 FU217 M20 85 F90518 UCFU218 160 96 39.7 235 187 68 24 42 23 11 90518 UC218 F518 FU218 M20 90UCFU220 180 108 42 265 210 74 28 44 27 12 UC220 FU220 M22 F90600型(UCF300) 带方形座顶丝外球面球轴承带座轴承型号外形尺寸带座轴承重量配用轴承代号配用轴承座代号螺栓尺寸配合轴径D B S L J A A1 A2 N KgF90605 UCF305 62 38 15 110 80 29 13 16 16 1.1 90605 UC305 F605 F305 M14 25 F90606 UCF306 72 43 17 125 95 32 15 18 16 1.6 90606 UC306 F606 F306 M14 30 F90607 UCF307 80 48 19 135 100 36 16 20 19 2 90607 UC307 F607 F307 M16 35 F90608 UCF308 90 52 19 150 112 40 17 23 19 2.7 90608 UC308 F608 F308 M16 40 F90609 UCF309 100 57 22 160 125 44 18 25 19 3.4 90609 UC309 F609 F309 M16 45 F90610 UCF310 110 61 22 175 132 48 19 28 23 4.5 90610 UC310 F610 F310 M20 50 F90611 UCF311 120 66 25 185 140 52 20 30 23 5.5 90611 UC311 F611 F311 M20 55 F90612 UCF312 130 71 26 195 150 56 22 33 23 6.5 90612 UC312 F612 F312 M20 60 F90613 UCF313 140 75 30 208 166 58 22 33 23 7.9 90613 UC313 F613 F313 M20 65 F90614 UCF314 150 78 33 226 178 61 25 36 25 9.5 90614 UC314 F614 F314 M22 70 F90615 UCF315 160 82 32 236 184 66 25 39 25 12 90615 UC315 F615 F315 M22 75 F90616 UCF316 170 86 34 250 196 68 27 38 31 14 90616 UC316 F616 F316 M27 80 F90617 UCF317 180 96 40 260 204 74 27 44 31 16 90617 UC317 F617 F317 M27 85 F90618 UCF318 190 96 40 280 216 76 30 44 35 19 90618 UC318 F618 F318 M30 90 F90619 UCF319 200 103 41 290 228 94 30 59 35 22 90619 UC319 F619 F319 M30 95 F90620 UCF320 215 108 42 310 242 94 32 59 38 26 90620 UC320 F620 F320 M33 100 F90621 UCF321 225 112 44 310 242 94 32 59 38 27 90621 UC321 F621 F321 M33 105 F90622 UCF322 240 117 46 340 266 96 35 60 41 38 90622 UC322 F622 F322 M36 110F90624 UCF324 260 126 51 370 290 110 40 65 41 50 90624 UC324 F624 F324 M36 120 F90626 UCF326 280 135 54 410 320 115 45 65 41 66 90626 UC326 F626 F326 M36 130 F90628 UCF328 300 145 59 450 350 125 55 75 41 90 90628 UC328 F628 F328 M36 140L90500型(UCFLU200) 带菱形座顶丝外球面球轴承参数表带座轴承型号外形尺寸带座轴承重量配用轴承代号配用轴承座代号螺栓尺寸配合轴径D B S L J H A A1 A2 N KgL90503 40 27.4 11.5 99 76.5 54 27 11 17 12 0.6 90503L503M117L90504 UCFLU20447 31 12.7 113 90 60 30 11 19 12 0.6 90504UC204L504FLU204M120L90505 UCFLU20552 34.1 14.3 125 99 68 30 13 19 12 0.7 90505UC205L505FLU205M125L90506 UCFLU20662 38.1 15.9 142 116.5 80 33 13 20 12 1 90506UC206L506FLU206M130L90507 UCFLU20772 42.9 17.5 156 130 90 36 15 21 14 1.3 90507UC207L507FLU207M1235L90508 UCFLU20880 49.2 19 172 143.5 100 39 15 24 14 1.7 90508UC208L508FLU208M1240L90509 UCFLU20985 49.2 19 180 148.5 108 40 16 24 16 2 90509UC209L509FLU209M1445L90510 UCFLU2190 51.6 19 190 157 115 46 16 28 18 2.5 90510UC21L51FLU21M1650L90511 UCFLU211100 55.6 22.2 217 184 130 49 18 31 18 3.4 90511UC211L511FLU211M1655L90512 UCFLU212110 65.1 25.4 235 202 140 53 18 34 18 4.3 90512UC212L512FLU212M1660L90513 UCFLU213120 65.1 25.4 248 210 155 59 22 38 20.5 5UC213FLU213M1865L90514 UCFLU214125 74.6 30.2 257 216 160 62 22 38 20.5 5.6UC214FLU214M1870L90515 UCFLU215130 77.8 33.3 266 225 165 65 22 41 20.5 6.2UC215FLU215M1875L90600型(UCFL300) 带菱形座顶丝外球面球轴承参数表带座轴承型号外形尺寸带座轴承重量配用轴承代号配用轴承座代号螺栓尺寸配合轴径D B S L J H A A1 A2 N KgL90605 UCFL305 62 38 15 150 113 80 29 13 16 19 1.1 90605 UC305 L605 FL305 M16 25 L90606 UCFL306 72 43 17 180 134 90 32 15 18 23 1.5 90606 UC306 L606 FL306 M20 30 L90607 UCFL307 80 48 19 185 141 100 36 16 20 23 1.9 90607 UC307 L607 FL307 M20 35 L90608 UCFL308 90 52 19 200 158 112 40 17 23 23 2.5 90608 UC308 L608 FL308 M20 40 L90609 UCFL309 100 57 22 230 177 125 44 18 25 25 3.4 90609 UC309 L609 FL309 M22 45 L90610 UCFL310 110 61 22 240 187 140 48 19 28 25 4.4 90610 UC310 L610 FL310 M22 50 L90611 UCFL311 120 66 25 250 198 150 52 20 30 25 5.1 90611 UC311 L611 FL311 M22 55 L90612 UCFL312 130 71 26 270 212 160 56 22 33 31 6.1 90612 UC312 L612 FL312 M27 60 L90613 UCFL313 140 75 30 295 240 175 58 25 33 31 7.8 90613 UC313 L613 FL313 M27 65 L90614 UCFL314 150 78 33 315 250 185 61 28 36 35 9 90614 UC314 L614 FL314 M30 70 L90615 UCFL315 160 82 32 320 260 195 66 30 39 35 10 90615 UC315 L615 FL315 M30 75 L90616 UCFL316 170 86 34 355 285 210 68 32 38 38 13 90616 UC316 L616 FL316 M33 80 L90617 UCFL317 180 96 40 370 300 220 74 32 44 38 15 90617 UC317 L617 FL317 M33 85 L90618 UCFL318 190 96 40 385 315 235 76 36 44 38 18 90618 UC318 L618 FL318 M33 90L90619 UCFL319 200 103 41 405 330 250 94 40 59 41 22 90619 UC319 L619 FL319 M36 95 L90620 UCFL320 215 108 42 440 360 270 94 40 59 44 27 90620 UC320 L620 FL320 M39 100 L90621 UCFL321 225 112 44 440 360 270 94 40 59 44 27 90621 UC321 L621 FL321 M39 105 L90622 UCFL322 240 117 46 470 390 300 96 42 60 44 33 90622 UC322 L622 FL322 M39 110 L90624 UCFL324 260 126 51 520 430 330 110 48 65 47 48 90624 UC324 L624 FL324 M42 120 L90626 UCFL326 280 135 54 550 460 360 115 50 65 47 58 90626 UC326 L626 FL326 M42 130 L90628 UCFL328 300 145 59 600 500 400 125 60 75 51 81 90628 UC328 L628 FL328 M45 140LA90500(UCFA200)型带可调菱形座顶丝外球面球轴承参数表带座轴承型号外形尺寸带座轴承重量配用轴承代号配用轴承座代号螺栓尺寸配合轴径D B S L J H H1H2A A1 A2 N N1 KgLA90500 40 27.4 11.5 102 78 60 54 40 25.5 12 15 10 10 0.7 90503 LA503 M8LA90504 47 31 12.7 102 78 60 54 40 25.5 12 15 10 10 0.6 90504 LA504 M8 20 LA90505 52 34.1 14.3 125 98 68 65 51 27 14 16 12 13 0.8 90505 LA505 M10 25 LA90506 62 38.1 15.9 144 117 80 72 58 31 14 18 12 13 1.2 90506 LA506 M10 30 LA90507 72 42.9 17.5 161 130 90 82 66 34 16 19 15 15 1.5 90507 LA507 M12 35 LA90508 80 49.2 19 175 144 100 87 71 36 16 21 15 15 1.8 90508 LA508 M12 40 LA90509 85 49.2 19 181 148 108 90 72 38 18 22 15 15 2.2 90509 LA509 M12 45 LA90510 90 51.6 19 190 157 115 94 76 40 18 22 15 15 2.6 90510 LA510 M12 50 LA90511 100 55.6 22.2 219 184 130 104 86 43 20 25 16 17 3.6 90511 LA511 M14 55LA90500(UCFA200)型带可调菱形座顶丝外球面球轴承参数表带座轴承型号外形尺寸带座轴承重量配用轴承代号配用轴承座代号螺栓尺寸配合轴径D B S L J H H1H2A A1 A2 N N1 KgLA90500 40 27.4 11.5 102 78 60 54 40 25.5 12 15 10 10 0.7 90503 LA503 M8LA90504 47 31 12.7 102 78 60 54 40 25.5 12 15 10 10 0.6 90504 LA504 M8 20 LA90505 52 34.1 14.3 125 98 68 65 51 27 14 16 12 13 0.8 90505 LA505 M10 25 LA90506 62 38.1 15.9 144 117 80 72 58 31 14 18 12 13 1.2 90506 LA506 M10 30 LA90507 72 42.9 17.5 161 130 90 82 66 34 16 19 15 15 1.5 90507 LA507 M12 35 LA90508 80 49.2 19 175 144 100 87 71 36 16 21 15 15 1.8 90508 LA508 M12 40 LA90509 85 49.2 19 181 148 108 90 72 38 18 22 15 15 2.2 90509 LA509 M12 45 LA90510 90 51.6 19 190 157 115 94 76 40 18 22 15 15 2.6 90510 LA510 M12 50 LA90511 100 55.6 22.2 219 184 130 104 86 43 20 25 16 17 3.6 90511 LA511 M14 55TY90500型(UCFC200) 带凸台圆形座顶丝外球面球轴承参数表带座轴承型号外形尺寸带座轴承重量配用轴承代号配用轴承座代号螺栓尺寸配合轴径D B S D1 D2 J P A A1 A2 A3 NKgTY90503 40 27.4 11.5 58 97 53 75 19 4 96 12 0.5 90503TY503M117TY90504 UCFC20447 31 12.7 62 100 55.1 78 20.5 5 10 7 12 0.7 90504UC204TY504FC204M120TY90505 UCFC20552 34.1 14.3 70 115 63.5 90 21 6 10 7 12 1 90505UC205TY505FC205M125TY90506 UCFC20662 38.1 15.9 80 125 70.7 100 23 8 10 8 12 1.3 90506UC206TY506FC206M130TY90507 UCFC20772 42.9 17.5 90 135 77.8 110 26 8 11 9 14 1.6 90507UC207TY507FC207M1235TY90508 UCFC20880 49.2 19 100 145 84.8 120 26 10 11 9 14 2.1 90508UC208TY508FC208M1240TY90509 UCFC20985 49.2 19 105 160 93.3 132 26 12 10 14 16 2.7 90509UC209TY509FC209M1445TY90510 UCFC2190 51.6 19 110 165 97.6 138 28 12 10 14 16 3.1 90510UC21TY51FC21M1450TY90511 UCFC211100 55.6 22.2 125 185 106.1 150 31 12 13 15 19 4.2 90511UC211TY511FC211M1655TY90512 UCFC212110 65.1 25.4 135 195 113.1 160 36 12 17 15 19 5.3 90512UC212TY512FC212M1660TY90513 UCFC213120 65.1 25.4 145 205 120.2 170 36 14 16 15 19 6 90513UC213TY513FC213M1665TY90514 UCFC214125 74.6 30.2 150 215 125.1 177 40 14 17 18 19 7 90514UC214TY514FC214M1670TY90515 UCFC215130 77.8 33.3 160 220 130.1 184 40 16 18 18 19 7.8 90515UC215TY515FC215M1675TY90516 UCFC216140 82.6 33.3 170 240 141.4 200 42 16 18 18 23 9.3 90516UC216TY516FC216M280TY90517 UCFC217150 85.7 34.1 180 250 147.1 208 45 18 18 20 23 11 90517UC217TY517FC217M285TY90518 UCFC218160 96 39.7 190 265 155.5 220 50 18 22 20 23 13 90518UC218TY518FC218M290K90500型(UCK200) 带滑块座顶丝外球面球轴承参数表带座轴承型号外形尺寸带座轴承重量配用轴承代号配用轴承座代号配合轴径D B S L L1L2H H1 A A1 A2 N N1 N2 KgK90503 UCT20347 31 12.7 94 61 10 89 76 32 12 21 19 16 32 0.8 90503UC203K503 T203 17K90504 UCT20447 31 12.7 94 61 10 89 76 32 12 21 19 16 32 0.8 90504UC204K504 T204 20K90505 UCT20552 34.1 14.3 97 62 10 89 76 32 12 24 19 16 32 0.9 90505UC205K505 T205 25K90506 UCT20662 38.1 15.9 113 70 10 102 89 32 12 28 22 16 37 1.3 90506UC206K506 T206 30K90507 UCT20772 42.9 17.5 129 78 13 102 89 37 12 30 22 16 37 1.7 90507UC207K507 T207 35K90508 UCT20880 49.2 19 144 88 16 114 102 49 16 33 29 19 49 2.3 90508UC208K508 T208 40K90509 UCT20985 49.2 19 144 87 16 117 102 49 16 35 29 19 49 2.4 90509UC209K509 T209 45K90510 UCT2190 51.6 19 149 90 16 117 102 49 16 37 29 19 49 2.5 90510UC21K510 T210 50K90511 UCT211100 55.6 22.2 171 106 19 146 130 64 22 38 35 25 64 3.8 90511UC211K511 T211 55K90512 UCT212110 65.1 25.4 194 119 19 146 130 64 22 42 35 32 64 4.7 90512UC212K512 T212 60 UCT213120 65.1 25.4 224 137 21 167 151 70 26 44 41 32 70 7UC213T213 65 UCT214125 74.6 30.2 224 137 21 167 151 70 26 46 41 32 70 7.3UC214T214 70 UCT215130 77.8 33.3 232 140 21 167 151 70 26 48 41 32 70 7.7UC215T215 75 UCT216140 82.6 33.3 235 140 21 184 165 70 26 51 41 32 70 8.4UC216T216 80 UCT217150 85.7 34.1 260 162 29 198 173 73 30 54 48 38 73 11UC217T217 85K90600型(UCT300) 带滑块座顶丝外球面球轴承参数表带座轴承型号外形尺寸带座轴承重量配用轴承代号配用轴承座代号配合轴径D B S L L1L2H H1 A A1 A2 N N1 N2 KgK90605 UCT30562 38 15 122 76 12 89 80 36 12 26 26 16 36 1.4 90605UC305K605 T305 25K9060UCT3072 43 17 137 85 14 100 90 41 16 28 28 18 41 1.8 90606 UC30K606 T306 306 6 6K90607 UCT30780 48 19 150 94 15 111 100 45 16 32 30 20 45 2.4 90607UC307K607 T307 35K90608 UCT30890 52 19 162 100 17 124 112 50 18 34 32 22 50 3 90608UC308K608 T308 40K90609 UCT309100 57 22 178 110 18 138 125 55 18 38 34 24 55 4 90609UC309K609 T309 45K90610 UCT31110 61 22 191 117 20 151 140 61 20 40 37 27 61 5 90610UC31K610 T310 50K90611 UCT311120 66 25 207 127 21 163 150 66 22 44 39 29 66 6.4 90611UC311K611 T311 55K90612 UCT312130 71 26 220 135 23 178 160 71 22 46 41 31 71 7.6 90612UC312K612 T312 60K90613 UCT313140 75 30 238 146 25 190 170 80 26 50 43 32 70 9.7 90613UC313K613 T313 65K90614 UCT314150 78 33 252 155 25 202 180 90 26 52 46 36 85 11 90614UC314K614 T314 70K90615 UCT315160 82 32 262 160 25 216 192 90 26 55 46 36 85 14 90615UC315K615 T315 75K90616 UCT316170 86 34 282 174 28 230 204 102 30 60 53 42 98 16 90616UC316K616 T316 80K90617 UCT317180 96 40 298 183 30 240 214 102 32 64 53 42 98 20 90617UC317K617 T317 85K90618 UCT318190 96 40 312 192 30 255 228 110 32 66 57 46 106 22 90618UC318K618 T318 90K90619 UCT319200 103 41 322 197 31 270 240 110 35 72 57 46 106 25 90619UC319K619 T319 95K90620 UCT32215 108 42 345 210 32 290 260 120 35 75 59 48 115 32 90620UC32K620 T320 100K90621 UCT321225 112 44 345 210 32 290 260 120 35 75 59 48 115 32 90621UC321K621 T321 105K90622 UCT322240 117 46 385 235 38 320 285 130 38 80 65 52 125 40 90622UC322K622 T322 110K90624 UCT324260 126 51 432 267 42 355 320 140 45 90 70 60 140 55 90624UC324K624 T324 120K90626 UCT326280 135 54 465 285 45 385 350 150 50 100 75 65 150 69 90626UC326K626 T326 130K90628 UCT328300 145 59 515 315 50 415 380 155 50 100 80 70 160 84 90628UC328K628 T328 140CL90500型(SAPFL200) 带冲压菱形座顶丝外球面球轴承参数表带座轴承型号外形尺寸带座轴承重量配用轴承代号配用轴承座代号螺栓尺寸配合轴径D B S L J H A A1 N KgCL90503 40 28.6 6.5 80 63.5 59 15 4 7.1 0.22 90503 CL203 M6 17 CL90504 47 31 7.5 90 71.5 66 17 4 9 0.22 90504 CL204 M8 20 CL90505 52 31 7.5 95 76 71 17 4 9 0.28 90505 CL205 M8 25 CL90506 62 35.7 9.0 112 90.5 84 19 5 11 0.48 90506 CL206 M10 30 CL90507 72 38.9 9.5 122 100 94 21 5 11 0.59 90507 CL207 M10 35H90500型(UCC200) 带环形座顶丝外球面球轴承参数表带座轴承型号外形尺寸带座轴承重量配用轴承代号配用轴承座代号配合轴径D B S D1 A A1 r KgY90503 UCWC203 40 27.4 11.5 67 20 10 1.1 0.5 90503 Y503 17 Y90504 UCC204 47 31 12.7 72 20 10 1.1 0.5 90504 UC204 Y504 C204 20 Y90505 UCC205 52 34.1 14.3 80 22 11 1.1 0.7 90505 UC205 Y505 C205 25 Y90506 UCC206 62 38.1 15.9 85 27 13.5 1.1 0.9 90506 UC206 Y506 C206 30 Y90507 UCC207 72 42.9 17.5 90 28 14 1.1 1 90507 UC207 Y507 C207 35 Y90508 UCC208 80 49.2 19 100 30 15 1.5 1.3 90508 UC208 Y508 C208 40 Y90509 UCC209 85 49.2 19 110 31 15.5 1.5 1.6 90509 UC209 Y509 C209 45 Y90510 UCC210 90 51.6 19 120 33 16.5 1.5 2 90510 UC210 Y510 C210 50 Y90511 UCC211 100 55.6 22.2 125 35 17.5 1.5 2.2 90511 UC211 Y511 C211 55 Y90512 UCC212 110 65.1 25.5 130 38 19 1.5 2.6 90512 UC212 Y512 C212 60 Y90513 UCC213 120 65.1 25.5 140 40 20 2 3.1 90513 UC213 Y513 C213 65H90600型(UCC300) 带环形座顶丝外球面球轴承参数表带座轴承型号外形尺寸带座轴承重量配用轴承代号配用轴承座代号配合轴径D B S D1 A A1 r KgY90605 UCC305 62 38 15 90 26 13 1.5 1.1 90605 UC305 Y605 C305 25 Y90606 UCC306 72 43 17 100 28 14 1.5 1.4 90606 UC306 Y606 C306 30 Y90607 UCC307 80 48 19 110 32 16 2 1.8 90607 UC307 Y607 C307 35 Y90608 UCC308 90 52 19 120 34 17 2 2.2 90608 UC308 Y608 C308 40 Y90609 UCC309 100 57 22 130 38 19 2.1 2.7 90609 UC309 Y609 C309 45 Y90610 UCC310 110 61 22 140 40 20 2.1 3.3 90610 UC310 Y610 C310 50 Y90611 UCC311 120 66 25 150 44 22 2.1 3.9 90611 UC311 Y611 C311 55 Y90612 UCC312 130 71 26 160 46 23 2.1 4.8 90612 UC312 Y612 C312 60 Y90613 UCC313 140 75 30 170 50 25 2.1 5.8 90613 UC313 Y613 C313 65 Y90614 UCC314 150 78 33 180 52 26 3 6.6 90614 UC314 Y614 C314 70 Y90615 UCC315 160 82 32 190 55 27.5 3 7.8 90615 UC315 Y615 C315 75 Y90616 UCC316 170 86 34 200 60 30 3 9 90616 UC316 Y616 C316 80 Y90617 UCC317 180 96 40 215 64 32 3 11 90617 UC317 Y617 C317 85 Y90618 UCC318 190 96 40 225 66 33 3 12 90618 UC318 Y618 C318 90 Y90619 UCC319 200 103 41 240 72 36 3 15 90619 UC319 Y619 C319 95 Y90620 UCC320 215 108 42 260 75 37.5 3 19 90620 UC320 Y620 C320 100 Y90621 UCC321 225 112 44 260 75 37.5 3 19 90621 UC321 Y621 C321 105 Y90622 UCC322 240 117 46 300 80 40 4 28 90622 UC322 Y622 C322 110 Y90624 UCC324 260 126 51 320 90 45 4 35 90624 UC324 Y624 C324 120 Y90626 UCC326 280 135 54 340 100 50 4 42 90626 UC326 Y626 C326 130 Y90628 UCC328 300 145 59 360 100 50 4 49 90628 UC328 Y628 C328 140。
带座轴承参数表
Company Document number:WTUT-WT88Y-W8BBGB-BWYTT-19998
Z90500型(UCP200) 带立式座顶丝外球面球轴承参数表
Z90600型(UCP300) 带立式座顶丝外球面球轴承参数表
UCPH200(ZH90500)型带高中心立式座顶丝外球面球轴承参数表
ZA90500(UCPA200)型带窄立式座顶丝外球面球轴承参数表
F90500型(UCFU200) 带方形座顶丝外球面球轴承参数表
F90600型(UCF300) 带方形座顶丝外球面球轴承
L90500型(UCFLU200) 带菱形座顶丝外球面球轴承参数表
L90600型(UCFL300) 带菱形座顶丝外球面球轴承参数表
LA90500(UCFA200)型带可调菱形座顶丝外球面球轴承参数表
LA90500(UCFA200)型带可调菱形座顶丝外球面球轴承参数表
TY90500型(UCFC200) 带凸台圆形座顶丝外球面球轴承参数表
K90500型(UCK200) 带滑块座顶丝外球面球轴承参数表
K90600型(UCT300) 带滑块座顶丝外球面球轴承参数表
CL90500型(SAPFL200) 带冲压菱形座顶丝外球面球轴承参数表
H90500型(UCC200) 带环形座顶丝外球面球轴承参数表
H90600型(UCC300) 带环形座顶丝外球面球轴承参数表。
UCP200带立式座顶丝外球面球轴承参数表
UCP300带立式座顶丝外球面球轴承参数表
UCPH200型带高中心立式座顶丝外球面球轴承参数表
UCPA200型带窄立式座顶丝外球面球轴承参数表
UCFU200 带方形座顶丝外球面球轴承参数表
UCF300 带方形座顶丝外球面球轴承
UCFLU200 带菱形座顶丝外球面球轴承参数表
UCFL300 带菱形座顶丝外球面球轴承参数表
UCFA200型带可调菱形座顶丝外球面球轴承参数表
UCFA200型带可调菱形座顶丝外球面球轴承参数表
UCFC200 带凸台圆形座顶丝外球面球轴承参数表
UCK200 带滑块座顶丝外球面球轴承参数表
UCT300 带滑块座顶丝外球面球轴承参数表
UCC200 带环形座顶丝外球面球轴承参数表
UCC300 带环形座顶丝外球面球轴承参数表。
Z90500型(UCP200) 带立式座顶丝外球面球轴承参数表带座轴承型号外形尺寸带座轴承重量配用轴承代号配用轴承座代号螺栓尺寸配合轴径D B S L J H H1 H2 A N N1 KgZ90501 UCWP201 40 27.4 11.5 125 96 30.2 57 14 36 13 19 0.6 90501 UC201 M10 17 Z90502 UCWP202 40 27.4 11.5 125 96 30.2 57 14 36 13 19 0.6 90502 UC202 M10 17 Z90503 UCWP203 40 27.4 11.5 125 96 30.2 57 14 36 13 19 0.6 90503 UC203 M10 17 Z90504 UCP204 47 31 12.7 127 95 33.3 65 14 38 13 19 0.7 90504 UC204 M10 20 Z90505 UCP205 52 34.1 14.3 140 105 36.5 71 15 38 13 19 0.8 90505 UC205 M10 25 Z90506 UCP206 62 38.1 15.9 165 121 42.9 83 17 48 17 23 1.3 90506 UC206 M14 30 Z90507 UCP207 72 42.9 17.5 167 127 47.6 93 18 48 17 23 1.6 90507 UC207 M14 35 Z90508 UCP208 80 49.2 19 184 137 49.2 100 18 54 17 23 1.9 90508 UC208 M14 40 Z90509 UCP209 85 49.2 19 190 146 54 106 20 54 17 23 2.2 90509 UC209 M14 45 Z90510 UCP210 90 51.6 19 206 159 57.2 114 21 60 20 26 2.6 90510 UC210 M16 50 Z90511 UCP211 100 55.6 22.2 219 171 63.5 126 23 60 20 26 3.3 90511 UC211 M16 55 Z90512 UCP212 110 65.1 25.4 241 184 69.8 138 25 70 20 26 4.6 90512 UC212 M16 60 Z90513 UCP213 120 65.1 25.4 265 203 76.2 151 27 70 25 31 5.9 90513 UC213 M20 65 Z90514 UCP214 125 74.6 30.2 266 210 79.4 157 27 72 25 31 6.6 90514 UC214 M20 70 Z90515 UCP215 130 77.8 33.3 275 217 82.6 163 28 74 25 31 7.4 90515 UC215 M20 75 Z90516 UCP216 140 82.6 33.3 292 232 88.9 175 30 78 25 31 9 90516 UC216 M20 80 Z90517 UCP217 150 85.7 34.1 310 247 95.2 187 32 83 25 31 11 90517 UC217 M20 85 Z90518 UCP218 160 96 39.7 327 262 101.6 200 33 88 27 33 13 90518 UC218 M22 90 UCP220 180 108 42 380 308 115 225 40 95 30 38 16 UC220 M24Z90600型(UCP300) 带立式座顶丝外球面球轴承参数表带座轴承型号外形尺寸带座轴承重量配用轴承代号配用轴承座代号螺栓尺寸配合轴径D B S L J H H1 H2 A N N1 Kg mm mmZ90605 UCP305 62 38 15 175 132 45 85 15 45 17 20 1.4 90605 UC305 Z605 P305 M14 25 Z90606 UCP306 72 43 17 180 140 50 95 18 50 17 20 1.8 90606 UC306 Z606 P306 M14 30 Z90607 UCP307 80 48 19 210 160 56 106 20 56 17 25 2.8 90607 UC307 Z607 P307 M14 35 Z90608 UCP308 90 52 19 220 170 60 116 22 60 17 27 3 90608 UC308 Z608 P308 M14 40 Z90609 UCP309 100 57 22 245 190 67 129 24 67 20 30 4.1 90609 UC309 Z609 P309 M16 45 Z90610 UCP310 110 61 22 275 212 75 143 27 75 20 35 5.8 90610 UC310 Z610 P310 M16 50 Z90611 UCP311 120 66 25 310 236 80 154 30 80 20 38 7.4 90611 UC311 Z611 P311 M16 55 Z90612 UCP312 130 71 26 330 250 85 165 32 85 25 38 9.4 90612 UC312 Z612 P312 M20 60 Z90613 UCP313 140 75 30 340 260 90 176 33 90 25 38 10 90613 UC313 Z613 P313 M20 65 Z90614 UCP314 150 78 33 360 280 95 187 35 90 27 40 12 90614 UC314 Z614 P314 M22 70 Z90615 UCP315 160 82 32 380 290 100 198 35 100 27 40 14 90615 UC315 Z615 P315 M22 75 Z90616 UCP316 170 86 34 400 300 106 210 40 110 27 40 18 90616 UC316 Z616 P316 M22 80 Z90617 UCP317 180 96 40 420 320 112 220 40 110 33 45 20 90617 UC317 Z617 P317 M27 85 Z90618 UCP318 190 96 40 430 330 118 235 45 110 33 45 24 90618 UC318 Z618 P318 M27 90 Z90619 UCP319 200 103 41 470 360 125 250 45 120 36 50 29 90619 UC319 Z619 P319 M30 95 Z90620 UCP320 215 108 42 490 380 140 275 50 120 36 50 35 90620 UC320 Z620 P320 M30 100 Z90621 UCP321 225 112 44 490 380 140 280 50 120 36 50 35 90621 UC321 Z621 P321 M30 105 Z90622 UCP322 240 117 46 520 400 150 300 55 140 40 55 45 90622 UC322 Z622 P322 M33 110 Z90624 UCP324 260 126 51 570 450 160 320 65 140 40 55 55 90624 UC324 Z624 P324 M33 120 Z90626 UCP326 280 135 54 600 480 180 355 75 140 40 55 72 90626 UC326 Z626 P326 M33 130 Z90628 UCP328 300 145 59 620 500 200 390 75 140 40 55 89 90628 UC328 Z628 P328 M33 140UCPH200(ZH90500)型带高中心立式座顶丝外球面球轴承参数表带座轴承型号外形尺寸带座轴承重量配用轴承代号配用轴承座代号螺栓尺寸配合轴径D B S L J H H1 H2 A N N1 KgZH90503 40 27.4 11.5 127 95 70 101 15 40 13 19 1 90503 ZH503 M10 17 ZH90504 47 31 12.7 127 95 70 101 15 40 13 19 1 90504 ZH504 M10 20 ZH90505 52 34.1 14.3 140 105 80 114 16 50 13 19 1.2 90505 ZH505 M10 25 ZH90506 62 38.1 15.9 165 121 90 130 18 50 17 21 1.8 90506 ZH506 M14 30 ZH90507 72 42.9 17.5 167 127 95 140 19 60 17 21 2.4 90507 ZH507 M14 35 ZH90508 80 49.2 19 184 137 100 149 19 70 17 25 2.4 90508 ZH508 M14 40 ZH90509 85 49.2 19 190 146 105 157 20 70 17 25 3.7 90509 ZH509 M14 45 ZH90510 90 51.6 19 206 159 110 165 22 70 20 25 4.1 90510 ZH510 M16 50ZA90500(UCPA200)型带窄立式座顶丝外球面球轴承参数表带座轴承型号外形尺寸带座轴承重量 配用轴承 代号配用轴承 座代号螺栓 尺寸配合 轴径D BSLJH H1 H2 H3 A dNKg ZA90503 40 27.4 11.5 76 52 30.2 62 11 12 40 M10 0.6 90503 ZA503 M10 17 ZA90504 47 31 12.7 76 52 30.2 62 11 12 40 M10 0.6 90504 ZA504 M10 20 ZA90505 52 34.1 14.3 84 56 36.5 72 12 15 45 M10 0.8 90505 ZA505 M10 25 ZA90506 62 38.1 15.9 94 66 42.9 84 12 18 50 M12 1.2 90506 ZA506 M12 30 ZA90507 72 42.9 17.5 110 80 47.6 95 13 20 55 M12 1.7 90507 ZA507 M12 35 ZA90508 80 49.2 19 116 84 49.2 100 13 20 58 M12 2 90508 ZA508 M12 40 ZA90509 85 49.2 19 120 90 54.2 108 13 22 60 M12 2.2 90509 ZA509 M12 45 ZA9051090 51.6 19 130 94 57.2 116 14 25 64 M162.990510 ZA510 M1650F90500型(UCFU200) 带方形座顶丝外球面球轴承参数表带座轴承型号外形尺寸带座轴承重量配用轴 承代号 配用轴承 座代号螺栓 尺寸 配合 轴径 DBSLJ A A1 A2 N Kg F90503 UCFU203 40 27.4 11.5 76 5427 11 17 120.6 90503F503M10 17 F90504 UCFU204 4731 12.7 8663.5 30 11 19 12 0.7 90504 UC204 F504 FU204 M10 20 F90505 UCFU205 52 34.1 14.3 957030 13 19 120.9 90505 UC205 F505 FU205 M10 25 F90506 UCFU206 62 38.1 15.9 108 82.5 33 13 20 12 1.1 90506 UC206 F506 FU206 M10 30 F90507 UCFU207 72 42.9 17.5 117 9236 15 21 141.5 90507 UC207 F507 FU207 M12 35 F90508 UCFU208 80 49.2 19 130 101.5 39 15 24 16 1.9 90508 UC208 F508 FU208 M14 40 F90509 UCFU209 85 49.2 19 137 105 40 16 24 162.3 90509 UC209 F509 FU209M1445 F90510 UCFU210 90 51.619 143 11146 16 28 19 2.7 90510 UC210 F510 FU210 M16\M14 50 F90511 UCFU211 100 55.6 22.2 162 130 49 18 31 19 3.9 90511 UC211 F511 FU211 M16 55 F90512 UCFU212 110 65.1 25.4 175 14353 18 34 194.7 90512 UC212 F512 FU212 M16 60 F90513 UCFU213 120 65.1 25.4 187 149.5 52 21 34 195.7 90513 UC213 F513 FU213M1665F90514 UCFU214 125 74.6 30.2 193 152 54 22 35 19 6.1 90514 UC214 F514 FU214 M16 70 F90515 UCFU215 130 77.8 33.3 200 159 58 22 35 19 6.9 90515 UC215 F515 FU215 M16 75 F90516 UCFU216 140 82.6 33.3 208 165 58 22 35 23 8.1 90516 UC216 F516 FU216 M20 80 F90517 UCFU217 150 85.7 34.1 220 175 63 24 36 23 9.3 90517 UC217 F517 FU217 M20 85 F90518 UCFU218 160 96 39.7 235 187 68 24 42 23 11 90518 UC218 F518 FU218 M20 90 UCFU220 180 108 42 265 210 74 28 44 27 12 UC220 FU220 M22F90600型(UCF300) 带方形座顶丝外球面球轴承带座轴承型号外形尺寸带座轴承重量配用轴承代号配用轴承座代号螺栓尺寸配合轴径D B S L J A A1 A2 N KgF90605 UCF305 62 38 15 110 80 29 13 16 16 1.1 90605 UC305 F605 F305 M14 25 F90606 UCF306 72 43 17 125 95 32 15 18 16 1.6 90606 UC306 F606 F306 M14 30 F90607 UCF307 80 48 19 135 100 36 16 20 19 2 90607 UC307 F607 F307 M16 35 F90608 UCF308 90 52 19 150 112 40 17 23 19 2.7 90608 UC308 F608 F308 M16 40 F90609 UCF309 100 57 22 160 125 44 18 25 19 3.4 90609 UC309 F609 F309 M16 45 F90610 UCF310 110 61 22 175 132 48 19 28 23 4.5 90610 UC310 F610 F310 M20 50 F90611 UCF311 120 66 25 185 140 52 20 30 23 5.5 90611 UC311 F611 F311 M20 55 F90612 UCF312 130 71 26 195 150 56 22 33 23 6.5 90612 UC312 F612 F312 M20 60 F90613 UCF313 140 75 30 208 166 58 22 33 23 7.9 90613 UC313 F613 F313 M20 65 F90614 UCF314 150 78 33 226 178 61 25 36 25 9.5 90614 UC314 F614 F314 M22 70 F90615 UCF315 160 82 32 236 184 66 25 39 25 12 90615 UC315 F615 F315 M22 75 F90616 UCF316 170 86 34 250 196 68 27 38 31 14 90616 UC316 F616 F316 M27 80 F90617 UCF317 180 96 40 260 204 74 27 44 31 16 90617 UC317 F617 F317 M27 85 F90618 UCF318 190 96 40 280 216 76 30 44 35 19 90618 UC318 F618 F318 M30 90 F90619 UCF319 200 103 41 290 228 94 30 59 35 22 90619 UC319 F619 F319 M30 95F90620 UCF320215 108 42 310 242 94 32 59 38 26 90620 UC320 F620 F320 M33 100 F90621 UCF321 225 112 44 310 242 94 32 59 38 27 90621 UC321 F621 F321 M33 105 F90622 UCF322 240 117 46 340 2669635 60 4138 90622 UC322 F622 F322 M36 110 F90624 UCF324 260 126 51 370 290 110 40 65 41 50 90624 UC324 F624 F324 M36 120 F90626 UCF326 280 135 54 410 320 115 45 65 41 66 90626 UC326 F626 F326 M36 130 F90628UCF328300 145 59 450 350 125 55 75 419090628UC328F628 F328M36140L90500型(UCFLU200) 带菱形座顶丝外球面球轴承参数表带座轴承型号外形尺寸带座轴承重量 配用轴 承代号配用轴承 座代号螺栓 尺寸配合 轴径DBSLJH A A1 A2 NKg L9050340 27.4 11.5 99 76.5 54 27 11 17 120.6 90503 L503M10 17 L90504 UCFLU204 47 31 12.7 113 90 60 30 11 19 12 0.6 90504 UC204 L504 FLU204 M10 20 L90505 UCFLU205 52 34.1 14.3 125 9968 30 13 19 120.7 90505 UC205 L505 FLU205 M10 25 L90506 UCFLU206 62 38.1 15.9 142 116.5 80 33 13 20 12 1 90506 UC206 L506 FLU206 M10 30 L90507 UCFLU207 72 42.9 17.5 156 13090 36 15 21 141.3 90507 UC207 L507 FLU207 M12 35 L90508 UCFLU208 80 49.2 19 172 143.5 100 39 15 24 14 1.7 90508 UC208 L508 FLU208 M12 40 L90509 UCFLU209 85 49.2 19 180 148.5 108 40 16 24 16 2 90509 UC209 L509 FLU209 M14 45 L90510 UCFLU210 90 51.6 19 190 157 115 46 16 28 182.5 90510 UC210 L510 FLU210 M16 50 L90511 UCFLU211 100 55.6 22.2 217 184 130 49 18 31 183.4 90511 UC211 L511 FLU211 M16 55 L90512 UCFLU212 110 65.1 25.4 235 202 140 53 18 34 184.3 90512 UC212 L512 FLU212 M16 60 L90513 UCFLU213 120 65.1 25.4 248 210 155 59 22 38 20.5 5 UC213 FLU213 M18 65 L90514 UCFLU214 125 74.6 30.2 257 216 160 62 22 38 20.5 5.6 UC214 FLU214 M18 70 L90515 UCFLU215 130 77.8 33.3 266 225 165 65 22 41 20.56.2UC215FLU215 M18 75L90600型(UCFL300) 带菱形座顶丝外球面球轴承参数表带座轴承型号外形尺寸带座轴承重量配用轴承代号配用轴承座代号螺栓尺寸配合轴径D B S L J H A A1 A2 N KgL90605 UCFL305 62 38 15 150 113 80 29 13 16 19 1.1 90605 UC305 L605 FL305 M16 25 L90606 UCFL306 72 43 17 180 134 90 32 15 18 23 1.5 90606 UC306 L606 FL306 M20 30 L90607 UCFL307 80 48 19 185 141 100 36 16 20 23 1.9 90607 UC307 L607 FL307 M20 35 L90608 UCFL308 90 52 19 200 158 112 40 17 23 23 2.5 90608 UC308 L608 FL308 M20 40 L90609 UCFL309 100 57 22 230 177 125 44 18 25 25 3.4 90609 UC309 L609 FL309 M22 45 L90610 UCFL310 110 61 22 240 187 140 48 19 28 25 4.4 90610 UC310 L610 FL310 M22 50 L90611 UCFL311 120 66 25 250 198 150 52 20 30 25 5.1 90611 UC311 L611 FL311 M22 55 L90612 UCFL312 130 71 26 270 212 160 56 22 33 31 6.1 90612 UC312 L612 FL312 M27 60 L90613 UCFL313 140 75 30 295 240 175 58 25 33 31 7.8 90613 UC313 L613 FL313 M27 65 L90614 UCFL314 150 78 33 315 250 185 61 28 36 35 9 90614 UC314 L614 FL314 M30 70 L90615 UCFL315 160 82 32 320 260 195 66 30 39 35 10 90615 UC315 L615 FL315 M30 75 L90616 UCFL316 170 86 34 355 285 210 68 32 38 38 13 90616 UC316 L616 FL316 M33 80 L90617 UCFL317 180 96 40 370 300 220 74 32 44 38 15 90617 UC317 L617 FL317 M33 85 L90618 UCFL318 190 96 40 385 315 235 76 36 44 38 18 90618 UC318 L618 FL318 M33 90 L90619 UCFL319 200 103 41 405 330 250 94 40 59 41 22 90619 UC319 L619 FL319 M36 95 L90620 UCFL320 215 108 42 440 360 270 94 40 59 44 27 90620 UC320 L620 FL320 M39 100 L90621 UCFL321 225 112 44 440 360 270 94 40 59 44 27 90621 UC321 L621 FL321 M39 105 L90622 UCFL322 240 117 46 470 390 300 96 42 60 44 33 90622 UC322 L622 FL322 M39 110 L90624 UCFL324 260 126 51 520 430 330 110 48 65 47 48 90624 UC324 L624 FL324 M42 120 L90626 UCFL326 280 135 54 550 460 360 115 50 65 47 58 90626 UC326 L626 FL326 M42 130 L90628 UCFL328 300 145 59 600 500 400 125 60 75 51 81 90628 UC328 L628 FL328 M45 140LA90500(UCFA200)型 带可调菱形座顶丝外球面球轴承参数表带座轴承型号外形尺寸带座轴承重量 配用轴承代号配用轴承座代号螺栓尺寸配合轴径DBSLJ H H1 H2 A A1 A2 N N1 KgLA90500 40 27.4 11.5 102 78 60 54 40 25.5 12 15 10 10 0.7 90503 LA503 M8 LA90504 47 31 12.7 102 78 60 54 40 25.5 12 15 10 10 0.6 90504 LA504 M8 20 LA90505 52 34.1 14.3 125 98 68 65 51 27 14 16 12 13 0.8 90505 LA505 M10 25 LA90506 62 38.1 15.9 144 117 80 72 58 31 14 18 12 13 1.2 90506 LA506 M10 30 LA90507 72 42.9 17.5 161 130 90 82 66 34 16 19 15 15 1.5 90507 LA507 M12 35 LA90508 80 49.2 19 175 144 100 87 71 36 16 21 15 15 1.8 90508 LA508 M12 40 LA90509 85 49.2 19 181 148 108 90 72 38 18 22 15 15 2.2 90509 LA509 M12 45 LA90510 90 51.6 19 190 157 115 94 76 40 18 22 15 15 2.6 90510 LA510 M12 50 LA90511 100 55.6 22.2 219 184 130 104 86 43 20 25 16 173.690511LA511M1455LA90500(UCFA200)型 带可调菱形座顶丝外球面球轴承参数表带座轴承型号外形尺寸带座轴承重量 配用轴承代号配用轴承座代号螺栓尺寸配合轴径DBSLJ H H1 H2 A A1 A2 N N1 KgLA90500 40 27.4 11.5 102 78 60 54 40 25.5 12 15 10 10 0.7 90503 LA503 M8 LA90504 47 31 12.7 102 78 60 54 40 25.5 12 15 10 10 0.6 90504 LA504 M8 20 LA90505 52 34.1 14.3 125 98 68 65 51 27 14 16 12 13 0.8 90505 LA505 M10 25 LA90506 62 38.1 15.9 144 117 80 72 58 31 14 18 12 13 1.2 90506 LA506 M10 30 LA90507 72 42.9 17.5 161 130 90 82 66 34 16 19 15 15 1.5 90507 LA507 M12 35 LA90508 80 49.2 19 175 144 100 87 71 36 16 21 15 15 1.8 90508 LA508 M12 40 LA90509 85 49.2 19 181 148 108 90 72 38 18 22 15 15 2.2 90509 LA509 M12 45 LA90510 90 51.6 19 190 157 115 94 76 40 18 22 15 15 2.6 90510 LA510 M12 50 LA90511 100 55.6 22.2 219 184 130 104 86 43 20 25 16 173.690511LA511M1455TY90500型(UCFC200) 带凸台圆形座顶丝外球面球轴承参数表带座轴承型号外形尺寸带座轴承重量配用轴承代号配用轴承座代号螺栓尺寸 配合轴径DBS D1 D2J PA A1 A2 A3 N KgTY9050340 27.4 11.5 58 97 5375 19496 12 0.5 90503TY503M10 17TY90504 UCFC204 47 31 12.7 62 100 55.1 78 20.5 5 10 7 12 0.7 90504 UC204 TY504 FC204 M10 20 TY90505 UCFC205 52 34.1 14.3 70 115 63.5 90 21 6 10 7 12 1 90505 UC205 TY505 FC205 M10 25 TY90506 UCFC206 62 38.1 15.9 80 125 70.7 100 23 8 10 8 12 1.3 90506 UC206 TY506 FC206 M10 30 TY90507 UCFC207 72 42.9 17.5 90 135 77.8 110 268 11 9 14 1.6 90507 UC207 TY507 FC207 M12 35TY90508 UCFC208 80 49.2 19 100 145 84.8 120 26 10 11 9 14 2.1 90508 UC208 TY508 FC208 M12 40TY90509 UCFC209 85 49.2 19 105 160 93.3 132 26 12 10 14 16 2.7 90509 UC209 TY509 FC209 M14 45 TY90510 UCFC210 90 51.6 19 110 165 97.6 138 28 12 10 14 16 3.1 90510 UC210 TY510 FC210 M14 50 TY90511 UCFC211 100 55.6 22.2 125 185 106.1 150 31 12 13 15 19 4.2 90511 UC211 TY511 FC211 M16 55 TY90512 UCFC212 110 65.1 25.4 135 195 113.1 160 36 12 17 15 19 5.3 90512 UC212 TY512 FC212 M16 60 TY90513 UCFC213 120 65.1 25.4 145 205 120.2 170 36 14 16 15 19 6 90513 UC213 TY513 FC213 M16 65 TY90514 UCFC214 125 74.6 30.2 150 215 125.1 177 40 14 17 18 19 7 90514 UC214 TY514 FC214 M16 70 TY90515 UCFC215 130 77.8 33.3 160 220 130.1 184 40 16 18 18 19 7.8 90515 UC215 TY515 FC215 M16 75 TY90516 UCFC216 140 82.6 33.3 170 240 141.4 200 42 16 18 18 23 9.3 90516 UC216 TY516 FC216 M20 80 TY90517 UCFC217 150 85.7 34.1 180 250 147.1 208 45 18 18 20 23 11 90517 UC217 TY517 FC217 M20 85 TY90518 UCFC218 160 96 39.7 190 265 155.5 220 50 18 22 20 23 13 90518 UC218 TY518 FC218 M20 90K90500型(UCK200) 带滑块座顶丝外球面球轴承参数表带座轴承型号外形尺寸带座轴承重量配用轴承代号配用轴承座代号配合轴径D B S L L1 L2 H H1 A A1 A2 N N1 N2 KgK90503 UCT203 47 31 12.7 94 61 10 89 76 32 12 21 19 16 32 0.8 90503 UC203 K503 T203 17 K90504 UCT204 47 31 12.7 94 61 10 89 76 32 12 21 19 16 32 0.8 90504 UC204 K504 T204 20 K90505 UCT205 52 34.1 14.3 97 62 10 89 76 32 12 24 19 16 32 0.9 90505 UC205 K505 T205 25 K90506 UCT206 62 38.1 15.9 113 70 10 102 89 32 12 28 22 16 37 1.3 90506 UC206 K506 T206 30 K90507 UCT207 72 42.9 17.5 129 78 13 102 89 37 12 30 22 16 37 1.7 90507 UC207 K507 T207 35 K90508 UCT208 80 49.2 19 144 88 16 114 102 49 16 33 29 19 49 2.3 90508 UC208 K508 T208 40 K90509 UCT209 85 49.2 19 144 87 16 117 102 49 16 35 29 19 49 2.4 90509 UC209 K509 T209 45 K90510 UCT210 90 51.6 19 149 90 16 117 102 49 16 37 29 19 49 2.5 90510 UC210 K510 T210 50 K90511 UCT211 100 55.6 22.2 171 106 19 146 130 64 22 38 35 25 64 3.8 90511 UC211 K511 T211 55 K90512 UCT212 110 65.1 25.4 194 119 19 146 130 64 22 42 35 32 64 4.7 90512 UC212 K512 T212 60 UCT213 120 65.1 25.4 224 137 21 167 151 70 26 44 41 32 70 7 UC213 T213 65UCT214 125 74.6 30.2 224 137 21 167 151 70 26 46 41 32 70 7.3 UC214 T214 70 UCT215 130 77.8 33.3 232 140 21 167 151 70 26 48 41 32 70 7.7 UC215 T215 75 UCT216 140 82.6 33.3 235 140 21 184 165 70 26 51 41 32 70 8.4 UC216 T216 80 UCT217 150 85.7 34.1 260 162 29 198 173 73 30 54 48 38 73 11 UC217 T217 85K90600型(UCT300) 带滑块座顶丝外球面球轴承参数表带座轴承型号外形尺寸带座轴承重量配用轴承代号配用轴承座代号配合轴径D B S L L1 L2 H H1 A A1 A2 N N1 N2 KgK90605 UCT305 62 38 15 122 76 12 89 80 36 12 26 26 16 36 1.4 90605 UC305 K605 T305 25 K90606 UCT306 72 43 17 137 85 14 100 90 41 16 28 28 18 41 1.8 90606 UC306 K606 T306 30 K90607 UCT307 80 48 19 150 94 15 111 100 45 16 32 30 20 45 2.4 90607 UC307 K607 T307 35 K90608 UCT308 90 52 19 162 100 17 124 112 50 18 34 32 22 50 3 90608 UC308 K608 T308 40 K90609 UCT309 100 57 22 178 110 18 138 125 55 18 38 34 24 55 4 90609 UC309 K609 T309 45 K90610 UCT310 110 61 22 191 117 20 151 140 61 20 40 37 27 61 5 90610 UC310 K610 T310 50 K90611 UCT311 120 66 25 207 127 21 163 150 66 22 44 39 29 66 6.4 90611 UC311 K611 T311 55 K90612 UCT312 130 71 26 220 135 23 178 160 71 22 46 41 31 71 7.6 90612 UC312 K612 T312 60 K90613 UCT313 140 75 30 238 146 25 190 170 80 26 50 43 32 70 9.7 90613 UC313 K613 T313 65 K90614 UCT314 150 78 33 252 155 25 202 180 90 26 52 46 36 85 11 90614 UC314 K614 T314 70 K90615 UCT315 160 82 32 262 160 25 216 192 90 26 55 46 36 85 14 90615 UC315 K615 T315 75 K90616 UCT316 170 86 34 282 174 28 230 204 102 30 60 53 42 98 16 90616 UC316 K616 T316 80 K90617 UCT317 180 96 40 298 183 30 240 214 102 32 64 53 42 98 20 90617 UC317 K617 T317 85 K90618 UCT318 190 96 40 312 192 30 255 228 110 32 66 57 46 106 22 90618 UC318 K618 T318 90 K90619 UCT319 200 103 41 322 197 31 270 240 110 35 72 57 46 106 25 90619 UC319 K619 T319 95 K90620 UCT320 215 108 42 345 210 32 290 260 120 35 75 59 48 115 32 90620 UC320 K620 T320 100 K90621 UCT321 225 112 44 345 210 32 290 260 120 35 75 59 48 115 32 90621 UC321 K621 T321 105 K90622 UCT322 240 117 46 385 235 38 320 285 130 38 80 65 52 125 40 90622 UC322 K622 T322 110K90624 UCT324 260 126 51 432 267 42 355 320 140 45 90 70 60 140 55 90624 UC324 K624 T324 120 K90626 UCT326 280 135 54 465 285 45 385 350 150 50 100 75 65 150 69 90626 UC326 K626 T326 130 K90628 UCT328 300 145 59 515 315 50 415 380 155 50 100 80 70 160 84 90628 UC328 K628 T328 140CL90500型(SAPFL200) 带冲压菱形座顶丝外球面球轴承参数表带座轴承型号外形尺寸带座轴承重量配用轴承代号配用轴承座代号螺栓尺寸配合轴径D B S L J H A A1 N KgCL90503 40 28.6 6.5 80 63.5 59 15 4 7.1 0.22 90503 CL203 M6 17 CL90504 47 31 7.5 90 71.5 66 17 4 9 0.22 90504 CL204 M8 20 CL90505 52 31 7.5 95 76 71 17 4 9 0.28 90505 CL205 M8 25 CL90506 62 35.7 9.0 112 90.5 84 19 5 11 0.48 90506 CL206 M10 30 CL90507 72 38.9 9.5 122 100 94 21 5 11 0.59 90507 CL207 M10 35H90500型(UCC200) 带环形座顶丝外球面球轴承参数表带座轴承型号外形尺寸带座轴承重量配用轴承代号配用轴承座代号配合轴径D B S D1 A A1 r KgY90503 UCWC203 40 27.4 11.5 67 20 10 1.1 0.5 90503 Y503 17 Y90504 UCC204 47 31 12.7 72 20 10 1.1 0.5 90504 UC204 Y504 C204 20 Y90505 UCC205 52 34.1 14.3 80 22 11 1.1 0.7 90505 UC205 Y505 C205 25 Y90506 UCC206 62 38.1 15.9 85 27 13.5 1.1 0.9 90506 UC206 Y506 C206 30 Y90507 UCC207 72 42.9 17.5 90 28 14 1.1 1 90507 UC207 Y507 C207 35 Y90508 UCC208 80 49.2 19 100 30 15 1.5 1.3 90508 UC208 Y508 C208 40 Y90509 UCC209 85 49.2 19 110 31 15.5 1.5 1.6 90509 UC209 Y509 C209 45 Y90510 UCC210 90 51.6 19 120 33 16.5 1.5 2 90510 UC210 Y510 C210 50 Y90511 UCC211 100 55.6 22.2 125 35 17.5 1.5 2.2 90511 UC211 Y511 C211 55 Y90512 UCC212 110 65.1 25.5 130 38 19 1.5 2.6 90512 UC212 Y512 C212 60 Y90513 UCC213 120 65.1 25.5 140 40 20 2 3.1 90513 UC213 Y513 C213 65H90600型(UCC300) 带环形座顶丝外球面球轴承参数表带座轴承型号外形尺寸带座轴承重量配用轴承代号配用轴承座代号配合轴径D B S D1 A A1 r KgY90605 UCC305 62 38 15 90 26 13 1.5 1.1 90605 UC305 Y605 C305 25 Y90606 UCC306 72 43 17 100 28 14 1.5 1.4 90606 UC306 Y606 C306 30 Y90607 UCC307 80 48 19 110 32 16 2 1.8 90607 UC307 Y607 C307 35 Y90608 UCC308 90 52 19 120 34 17 2 2.2 90608 UC308 Y608 C308 40 Y90609 UCC309 100 57 22 130 38 19 2.1 2.7 90609 UC309 Y609 C309 45 Y90610 UCC310 110 61 22 140 40 20 2.1 3.3 90610 UC310 Y610 C310 50 Y90611 UCC311 120 66 25 150 44 22 2.1 3.9 90611 UC311 Y611 C311 55 Y90612 UCC312 130 71 26 160 46 23 2.1 4.8 90612 UC312 Y612 C312 60 Y90613 UCC313 140 75 30 170 50 25 2.1 5.8 90613 UC313 Y613 C313 65 Y90614 UCC314 150 78 33 180 52 26 3 6.6 90614 UC314 Y614 C314 70 Y90615 UCC315 160 82 32 190 55 27.5 3 7.8 90615 UC315 Y615 C315 75 Y90616 UCC316 170 86 34 200 60 30 3 9 90616 UC316 Y616 C316 80 Y90617 UCC317 180 96 40 215 64 32 3 11 90617 UC317 Y617 C317 85 Y90618 UCC318 190 96 40 225 66 33 3 12 90618 UC318 Y618 C318 90 Y90619 UCC319 200 103 41 240 72 36 3 15 90619 UC319 Y619 C319 95 Y90620 UCC320 215 108 42 260 75 37.5 3 19 90620 UC320 Y620 C320 100 Y90621 UCC321 225 112 44 260 75 37.5 3 19 90621 UC321 Y621 C321 105 Y90622 UCC322 240 117 46 300 80 40 4 28 90622 UC322 Y622 C322 110 Y90624 UCC324 260 126 51 320 90 45 4 35 90624 UC324 Y624 C324 120 Y90626 UCC326 280 135 54 340 100 50 4 42 90626 UC326 Y626 C326 130 Y90628 UCC328 300 145 59 360 100 50 4 49 90628 UC328 Y628 C328 140。
Z90500型(UCP200) 带立式座顶丝外球面球轴承参数表带座轴承型号外形尺寸带座轴承重量配用轴承代号配用轴承座代号螺栓尺寸配合轴径D B S L J H H1 H2 A N N1 KgZ90501 UCWP201 40 27.4 11.5 125 96 30.2 57 14 36 13 19 0.6 90501 UC201 M10 17 Z90502 UCWP202 40 27.4 11.5 125 96 30.2 57 14 36 13 19 0.6 90502 UC202 M10 17 Z90503 UCWP203 40 27.4 11.5 125 96 30.2 57 14 36 13 19 0.6 90503 UC203 M10 17 Z90504 UCP204 47 31 12.7 127 95 33.3 65 14 38 13 19 0.7 90504 UC204 M10 20 Z90505 UCP205 52 34.1 14.3 140 105 36.5 71 15 38 13 19 0.8 90505 UC205 M10 25 Z90506 UCP206 62 38.1 15.9 165 121 42.9 83 17 48 17 23 1.3 90506 UC206 M14 30 Z90507 UCP207 72 42.9 17.5 167 127 47.6 93 18 48 17 23 1.6 90507 UC207 M14 35 Z90508 UCP208 80 49.2 19 184 137 49.2 100 18 54 17 23 1.9 90508 UC208 M14 40 Z90509 UCP209 85 49.2 19 190 146 54 106 20 54 17 23 2.2 90509 UC209 M14 45 Z90510 UCP210 90 51.6 19 206 159 57.2 114 21 60 20 26 2.6 90510 UC210 M16 50 Z90511 UCP211 100 55.6 22.2 219 171 63.5 126 23 60 20 26 3.3 90511 UC211 M16 55 Z90512 UCP212 110 65.1 25.4 241 184 69.8 138 25 70 20 26 4.6 90512 UC212 M16 60 Z90513 UCP213 120 65.1 25.4 265 203 76.2 151 27 70 25 31 5.9 90513 UC213 M20 65 Z90514 UCP214 125 74.6 30.2 266 210 79.4 157 27 72 25 31 6.6 90514 UC214 M20 70 Z90515 UCP215 130 77.8 33.3 275 217 82.6 163 28 74 25 31 7.4 90515 UC215 M20 75 Z90516 UCP216 140 82.6 33.3 292 232 88.9 175 30 78 25 31 9 90516 UC216 M20 80 Z90517 UCP217 150 85.7 34.1 310 247 95.2 187 32 83 25 31 11 90517 UC217 M20 85 Z90518 UCP218 160 96 39.7 327 262 101.6 200 33 88 27 33 13 90518 UC218 M22 90 Z90520 UCP220 180 108 42 380 308 115 225 40 95 30 38 16 UC220 M24Z90600型(UCP300) 带立式座顶丝外球面球轴承参数表带座轴承型号外形尺寸带座轴承重量配用轴承代号配用轴承座代号螺栓尺寸配合轴径D B S L J H H1 H2 A N N1 Kg mm mmZ90605 UCP305 62 38 15 175 132 45 85 15 45 17 20 1.4 90605 UC305 Z605 P305 M14 25 Z90606 UCP306 72 43 17 180 140 50 95 18 50 17 20 1.8 90606 UC306 Z606 P306 M14 30 Z90607 UCP307 80 48 19 210 160 56 106 20 56 17 25 2.8 90607 UC307 Z607 P307 M14 35 Z90608 UCP308 90 52 19 220 170 60 116 22 60 17 27 3 90608 UC308 Z608 P308 M14 40 Z90609 UCP309 100 57 22 245 190 67 129 24 67 20 30 4.1 90609 UC309 Z609 P309 M16 45 Z90610 UCP310 110 61 22 275 212 75 143 27 75 20 35 5.8 90610 UC310 Z610 P310 M16 50 Z90611 UCP311 120 66 25 310 236 80 154 30 80 20 38 7.4 90611 UC311 Z611 P311 M16 55 Z90612 UCP312 130 71 26 330 250 85 165 32 85 25 38 9.4 90612 UC312 Z612 P312 M20 60 Z90613 UCP313 140 75 30 340 260 90 176 33 90 25 38 10 90613 UC313 Z613 P313 M20 65 Z90614 UCP314 150 78 33 360 280 95 187 35 90 27 40 12 90614 UC314 Z614 P314 M22 70 Z90615 UCP315 160 82 32 380 290 100 198 35 100 27 40 14 90615 UC315 Z615 P315 M22 75 Z90616 UCP316 170 86 34 400 300 106 210 40 110 27 40 18 90616 UC316 Z616 P316 M22 80 Z90617 UCP317 180 96 40 420 320 112 220 40 110 33 45 20 90617 UC317 Z617 P317 M27 85 Z90618 UCP318 190 96 40 430 330 118 235 45 110 33 45 24 90618 UC318 Z618 P318 M27 90 Z90619 UCP319 200 103 41 470 360 125 250 45 120 36 50 29 90619 UC319 Z619 P319 M30 95 Z90620 UCP320 215 108 42 490 380 140 275 50 120 36 50 35 90620 UC320 Z620 P320 M30 100 Z90621 UCP321 225 112 44 490 380 140 280 50 120 36 50 35 90621 UC321 Z621 P321 M30 105 Z90622 UCP322 240 117 46 520 400 150 300 55 140 40 55 45 90622 UC322 Z622 P322 M33 110 Z90624 UCP324 260 126 51 570 450 160 320 65 140 40 55 55 90624 UC324 Z624 P324 M33 120 Z90626 UCP326 280 135 54 600 480 180 355 75 140 40 55 72 90626 UC326 Z626 P326 M33 130 Z90628 UCP328 300 145 59 620 500 200 390 75 140 40 55 89 90628 UC328 Z628 P328 M33 140UCPH200(ZH90500)型带高中心立式座顶丝外球面球轴承参数表带座轴承型号外形尺寸带座轴承重量配用轴承代号配用轴承座代号螺栓尺寸配合轴径D B S L J H H1 H2 A N N1 KgZH90503 40 27.4 11.5 127 95 70 101 15 40 13 19 1 90503 ZH503 M10 17 ZH90504 47 31 12.7 127 95 70 101 15 40 13 19 1 90504 ZH504 M10 20 ZH90505 52 34.1 14.3 140 105 80 114 16 50 13 19 1.2 90505 ZH505 M10 25 ZH90506 62 38.1 15.9 165 121 90 130 18 50 17 21 1.8 90506 ZH506 M14 30 ZH90507 72 42.9 17.5 167 127 95 140 19 60 17 21 2.4 90507 ZH507 M14 35 ZH90508 80 49.2 19 184 137 100 149 19 70 17 25 2.4 90508 ZH508 M14 40 ZH90509 85 49.2 19 190 146 105 157 20 70 17 25 3.7 90509 ZH509 M14 45 ZH90510 90 51.6 19 206 159 110 165 22 70 20 25 4.1 90510 ZH510 M16 50ZA90500(UCPA200)型带窄立式座顶丝外球面球轴承参数表带座轴承型号外形尺寸带座轴承重量配用轴承代号配用轴承座代号螺栓尺寸配合轴径D B S L J H H1 H2 H3 A dN KgZA90503 40 27.4 11.5 76 52 30.2 62 11 12 40 M10 0.6 90503 ZA503 M10 17 ZA90504 47 31 12.7 76 52 30.2 62 11 12 40 M10 0.6 90504 ZA504 M10 20 ZA90505 52 34.1 14.3 84 56 36.5 72 12 15 45 M10 0.8 90505 ZA505 M10 25 ZA90506 62 38.1 15.9 94 66 42.9 84 12 18 50 M12 1.2 90506 ZA506 M12 30 ZA90507 72 42.9 17.5 110 80 47.6 95 13 20 55 M12 1.7 90507 ZA507 M12 35 ZA90508 80 49.2 19 116 84 49.2 100 13 20 58 M12 2 90508 ZA508 M12 40 ZA90509 85 49.2 19 120 90 54.2 108 13 22 60 M12 2.2 90509 ZA509 M12 45 ZA90510 90 51.6 19 130 94 57.2 116 14 25 64 M16 2.9 90510 ZA510 M16 50F90500型(UCFU200) 带方形座顶丝外球面球轴承参数表带座轴承型号外形尺寸带座轴承重量配用轴承代号配用轴承座代号螺栓尺寸配合轴径D B S L J A A1 A2 N KgF90503 UCFU203 40 27.4 11.5 76 54 27 11 17 12 0.6 90503 F503 M10 17 F90504 UCFU204 47 31 12.7 86 63.5 30 11 19 12 0.7 90504 UC204 F504 FU204 M10 20 F90505 UCFU205 52 34.1 14.3 95 70 30 13 19 12 0.9 90505 UC205 F505 FU205 M10 25 F90506 UCFU206 62 38.1 15.9 108 82.5 33 13 20 12 1.1 90506 UC206 F506 FU206 M10 30 F90507 UCFU207 72 42.9 17.5 117 92 36 15 21 14 1.5 90507 UC207 F507 FU207 M12 35 F90508 UCFU208 80 49.2 19 130 101.5 39 15 24 16 1.9 90508 UC208 F508 FU208 M14 40 F90509 UCFU209 85 49.2 19 137 105 40 16 24 16 2.3 90509 UC209 F509 FU209 M14 45 F90510 UCFU210 90 51.6 19 143 111 46 16 28 19 2.7 90510 UC210 F510 FU210 M16\M14 50 F90511 UCFU211 100 55.6 22.2 162 130 49 18 31 19 3.9 90511 UC211 F511 FU211 M16 55 F90512 UCFU212 110 65.1 25.4 175 143 53 18 34 19 4.7 90512 UC212 F512 FU212 M16 60 F90513 UCFU213 120 65.1 25.4 187 149.5 52 21 34 19 5.7 90513 UC213 F513 FU213 M16 65 F90514 UCFU214 125 74.6 30.2 193 152 54 22 35 19 6.1 90514 UC214 F514 FU214 M16 70 F90515 UCFU215 130 77.8 33.3 200 159 58 22 35 19 6.9 90515 UC215 F515 FU215 M16 75 F90516 UCFU216 140 82.6 33.3 208 165 58 22 35 23 8.1 90516 UC216 F516 FU216 M20 80 F90517 UCFU217 150 85.7 34.1 220 175 63 24 36 23 9.3 90517 UC217 F517 FU217 M20 85 F90518 UCFU218 160 96 39.7 235 187 68 24 42 23 11 90518 UC218 F518 FU218 M20 90 UCFU220 180 108 42 265 210 74 28 44 27 12 UC220 FU220 M22F90600型(UCF300) 带方形座顶丝外球面球轴承带座轴承型号外形尺寸带座轴承重量配用轴承代号配用轴承座代号螺栓尺寸配合轴径D B S L J A A1 A2 N KgF90605 UCF305 62 38 15 110 80 29 13 16 16 1.1 90605 UC305 F605 F305 M14 25 F90606 UCF306 72 43 17 125 95 32 15 18 16 1.6 90606 UC306 F606 F306 M14 30 F90607 UCF307 80 48 19 135 100 36 16 20 19 2 90607 UC307 F607 F307 M16 35 F90608 UCF308 90 52 19 150 112 40 17 23 19 2.7 90608 UC308 F608 F308 M16 40 F90609 UCF309 100 57 22 160 125 44 18 25 19 3.4 90609 UC309 F609 F309 M16 45 F90610 UCF310 110 61 22 175 132 48 19 28 23 4.5 90610 UC310 F610 F310 M20 50 F90611 UCF311 120 66 25 185 140 52 20 30 23 5.5 90611 UC311 F611 F311 M20 55 F90612 UCF312 130 71 26 195 150 56 22 33 23 6.5 90612 UC312 F612 F312 M20 60 F90613 UCF313 140 75 30 208 166 58 22 33 23 7.9 90613 UC313 F613 F313 M20 65 F90614 UCF314 150 78 33 226 178 61 25 36 25 9.5 90614 UC314 F614 F314 M22 70 F90615 UCF315 160 82 32 236 184 66 25 39 25 12 90615 UC315 F615 F315 M22 75 F90616 UCF316 170 86 34 250 196 68 27 38 31 14 90616 UC316 F616 F316 M27 80 F90617 UCF317 180 96 40 260 204 74 27 44 31 16 90617 UC317 F617 F317 M27 85 F90618 UCF318 190 96 40 280 216 76 30 44 35 19 90618 UC318 F618 F318 M30 90 F90619 UCF319 200 103 41 290 228 94 30 59 35 22 90619 UC319 F619 F319 M30 95 F90620 UCF320 215 108 42 310 242 94 32 59 38 26 90620 UC320 F620 F320 M33 100 F90621 UCF321 225 112 44 310 242 94 32 59 38 27 90621 UC321 F621 F321 M33 105 F90622 UCF322 240 117 46 340 266 96 35 60 41 38 90622 UC322 F622 F322 M36 110 F90624 UCF324 260 126 51 370 290 110 40 65 41 50 90624 UC324 F624 F324 M36 120 F90626 UCF326 280 135 54 410 320 115 45 65 41 66 90626 UC326 F626 F326 M36 130 F90628 UCF328 300 145 59 450 350 125 55 75 41 90 90628 UC328 F628 F328 M36 140LA90500(UCFA200)型带可调菱形座顶丝外球面球轴承参数表带座轴承型号外形尺寸带座轴承重量配用轴承代号配用轴承座代号螺栓尺寸配合轴径D B S L J H H1 H2 A A1 A2 N N1 KgLA90500 40 27.4 11.5 102 78 60 54 40 25.5 12 15 10 10 0.7 90503 LA503 M8LA90504 47 31 12.7 102 78 60 54 40 25.5 12 15 10 10 0.6 90504 LA504 M8 20 LA90505 52 34.1 14.3 125 98 68 65 51 27 14 16 12 13 0.8 90505 LA505 M10 25 LA90506 62 38.1 15.9 144 117 80 72 58 31 14 18 12 13 1.2 90506 LA506 M10 30 LA90507 72 42.9 17.5 161 130 90 82 66 34 16 19 15 15 1.5 90507 LA507 M12 35 LA90508 80 49.2 19 175 144 100 87 71 36 16 21 15 15 1.8 90508 LA508 M12 40 LA90509 85 49.2 19 181 148 108 90 72 38 18 22 15 15 2.2 90509 LA509 M12 45 LA90510 90 51.6 19 190 157 115 94 76 40 18 22 15 15 2.6 90510 LA510 M12 50 LA90511 100 55.6 22.2 219 184 130 104 86 43 20 25 16 17 3.6 90511 LA511 M14 55L90600型(UCFL300) 带菱形座顶丝外球面球轴承参数表带座轴承型号外形尺寸带座轴承重量配用轴承代号配用轴承座代号螺栓尺寸配合轴径D B S L J H A A1 A2 N KgL90605 UCFL305 62 38 15 150 113 80 29 13 16 19 1.1 90605 UC305 L605 FL305 M16 25 L90606 UCFL306 72 43 17 180 134 90 32 15 18 23 1.5 90606 UC306 L606 FL306 M20 30 L90607 UCFL307 80 48 19 185 141 100 36 16 20 23 1.9 90607 UC307 L607 FL307 M20 35 L90608 UCFL308 90 52 19 200 158 112 40 17 23 23 2.5 90608 UC308 L608 FL308 M20 40 L90609 UCFL309 100 57 22 230 177 125 44 18 25 25 3.4 90609 UC309 L609 FL309 M22 45 L90610 UCFL310 110 61 22 240 187 140 48 19 28 25 4.4 90610 UC310 L610 FL310 M22 50 L90611 UCFL311 120 66 25 250 198 150 52 20 30 25 5.1 90611 UC311 L611 FL311 M22 55 L90612 UCFL312 130 71 26 270 212 160 56 22 33 31 6.1 90612 UC312 L612 FL312 M27 60 L90613 UCFL313 140 75 30 295 240 175 58 25 33 31 7.8 90613 UC313 L613 FL313 M27 65 L90614 UCFL314 150 78 33 315 250 185 61 28 36 35 9 90614 UC314 L614 FL314 M30 70 L90615 UCFL315 160 82 32 320 260 195 66 30 39 35 10 90615 UC315 L615 FL315 M30 75 L90616 UCFL316 170 86 34 355 285 210 68 32 38 38 13 90616 UC316 L616 FL316 M33 80 L90617 UCFL317 180 96 40 370 300 220 74 32 44 38 15 90617 UC317 L617 FL317 M33 85 L90618 UCFL318 190 96 40 385 315 235 76 36 44 38 18 90618 UC318 L618 FL318 M33 90 L90619 UCFL319 200 103 41 405 330 250 94 40 59 41 22 90619 UC319 L619 FL319 M36 95 L90620 UCFL320 215 108 42 440 360 270 94 40 59 44 27 90620 UC320 L620 FL320 M39 100 L90621 UCFL321 225 112 44 440 360 270 94 40 59 44 27 90621 UC321 L621 FL321 M39 105 L90622 UCFL322 240 117 46 470 390 300 96 42 60 44 33 90622 UC322 L622 FL322 M39 110 L90624 UCFL324 260 126 51 520 430 330 110 48 65 47 48 90624 UC324 L624 FL324 M42 120 L90626 UCFL326 280 135 54 550 460 360 115 50 65 47 58 90626 UC326 L626 FL326 M42 130 L90628 UCFL328 300 145 59 600 500 400 125 60 75 51 81 90628 UC328 L628 FL328 M45 140LA90500(UCFA200)型带可调菱形座顶丝外球面球轴承参数表带座轴承型号外形尺寸带座轴承重量配用轴承代号配用轴承座代号螺栓尺寸配合轴径D B S L J H H1 H2 A A1 A2 N N1 KgLA90500 40 27.4 11.5 102 78 60 54 40 25.5 12 15 10 10 0.7 90503 LA503 M8LA90504 47 31 12.7 102 78 60 54 40 25.5 12 15 10 10 0.6 90504 LA504 M8 20 LA90505 52 34.1 14.3 125 98 68 65 51 27 14 16 12 13 0.8 90505 LA505 M10 25 LA90506 62 38.1 15.9 144 117 80 72 58 31 14 18 12 13 1.2 90506 LA506 M10 30 LA90507 72 42.9 17.5 161 130 90 82 66 34 16 19 15 15 1.5 90507 LA507 M12 35 LA90508 80 49.2 19 175 144 100 87 71 36 16 21 15 15 1.8 90508 LA508 M12 40 LA90509 85 49.2 19 181 148 108 90 72 38 18 22 15 15 2.2 90509 LA509 M12 45 LA90510 90 51.6 19 190 157 115 94 76 40 18 22 15 15 2.6 90510 LA510 M12 50 LA90511 100 55.6 22.2 219 184 130 104 86 43 20 25 16 17 3.6 90511 LA511 M14 55TY90500型(UCFC200) 带凸台圆形座顶丝外球面球轴承参数表带座轴承型号外形尺寸带座轴承重量配用轴承代号配用轴承座代号螺栓尺寸配合轴径D B S D1 D2 J P A A1 A2 A3 N KgTY90503 40 27.4 11.5 58 97 53 75 19 4 9 6 12 0.5 90503 TY503 M10 17 TY90504 UCFC204 47 31 12.7 62 100 55.1 78 20.5 5 10 7 12 0.7 90504 UC204 TY504 FC204 M10 20 TY90505 UCFC205 52 34.1 14.3 70 115 63.5 90 21 6 10 7 12 1 90505 UC205 TY505 FC205 M10 25 TY90506 UCFC206 62 38.1 15.9 80 125 70.7 100 23 8 10 8 12 1.3 90506 UC206 TY506 FC206 M10 30 TY90507 UCFC207 72 42.9 17.5 90 135 77.8 110 26 8 11 9 14 1.6 90507 UC207 TY507 FC207 M12 35 TY90508 UCFC208 80 49.2 19 100 145 84.8 120 26 10 11 9 14 2.1 90508 UC208 TY508 FC208 M12 40 TY90509 UCFC209 85 49.2 19 105 160 93.3 132 26 12 10 14 16 2.7 90509 UC209 TY509 FC209 M14 45 TY90510 UCFC210 90 51.6 19 110 165 97.6 138 28 12 10 14 16 3.1 90510 UC210 TY510 FC210 M14 50 TY90511 UCFC211 100 55.6 22.2 125 185 106.1 150 31 12 13 15 19 4.2 90511 UC211 TY511 FC211 M16 55 TY90512 UCFC212 110 65.1 25.4 135 195 113.1 160 36 12 17 15 19 5.3 90512 UC212 TY512 FC212 M16 60 TY90513 UCFC213 120 65.1 25.4 145 205 120.2 170 36 14 16 15 19 6 90513 UC213 TY513 FC213 M16 65 TY90514 UCFC214 125 74.6 30.2 150 215 125.1 177 40 14 17 18 19 7 90514 UC214 TY514 FC214 M16 70 TY90515 UCFC215 130 77.8 33.3 160 220 130.1 184 40 16 18 18 19 7.8 90515 UC215 TY515 FC215 M16 75 TY90516 UCFC216 140 82.6 33.3 170 240 141.4 200 42 16 18 18 23 9.3 90516 UC216 TY516 FC216 M20 80 TY90517 UCFC217 150 85.7 34.1 180 250 147.1 208 45 18 18 20 23 11 90517 UC217 TY517 FC217 M20 85 TY90518 UCFC218 160 96 39.7 190 265 155.5 220 50 18 22 20 23 13 90518 UC218 TY518 FC218 M20 90K90500型(UCT200) 带滑块座顶丝外球面球轴承参数表带座轴承型号外形尺寸带座轴承重量配用轴承代号配用轴承座代号配合轴径D B S L L1 L2 H H1 A A1 A2 N N1 N2 KgK90503 UCT203 47 31 12.7 94 61 10 89 76 32 12 21 19 16 32 0.8 90503 UC203 K503 T203 17 K90504 UCT204 47 31 12.7 94 61 10 89 76 32 12 21 19 16 32 0.8 90504 UC204 K504 T204 20 K90505 UCT205 52 34.1 14.3 97 62 10 89 76 32 12 24 19 16 32 0.9 90505 UC205 K505 T205 25 K90506 UCT206 62 38.1 15.9 113 70 10 102 89 32 12 28 22 16 37 1.3 90506 UC206 K506 T206 30 K90507 UCT207 72 42.9 17.5 129 78 13 102 89 37 12 30 22 16 37 1.7 90507 UC207 K507 T207 35 K90508 UCT208 80 49.2 19 144 88 16 114 102 49 16 33 29 19 49 2.3 90508 UC208 K508 T208 40 K90509 UCT209 85 49.2 19 144 87 16 117 102 49 16 35 29 19 49 2.4 90509 UC209 K509 T209 45 K90510 UCT210 90 51.6 19 149 90 16 117 102 49 16 37 29 19 49 2.5 90510 UC210 K510 T210 50 K90511 UCT211 100 55.6 22.2 171 106 19 146 130 64 22 38 35 25 64 3.8 90511 UC211 K511 T211 55 K90512 UCT212 110 65.1 25.4 194 119 19 146 130 64 22 42 35 32 64 4.7 90512 UC212 K512 T212 60 UCT213 120 65.1 25.4 224 137 21 167 151 70 26 44 41 32 70 7 UC213 T213 65 UCT214 125 74.6 30.2 224 137 21 167 151 70 26 46 41 32 70 7.3 UC214 T214 70 UCT215 130 77.8 33.3 232 140 21 167 151 70 26 48 41 32 70 7.7 UC215 T215 75 UCT216 140 82.6 33.3 235 140 21 184 165 70 26 51 41 32 70 8.4 UC216 T216 80 UCT217 150 85.7 34.1 260 162 29 198 173 73 30 54 48 38 73 11 UC217 T217 85K90600型(UCT300) 带滑块座顶丝外球面球轴承参数表带座轴承型号外形尺寸带座轴承重量配用轴承代号配用轴承座代号配合轴径D B S L L1 L2 H H1 A A1 A2 N N1 N2 KgK90605 UCT305 62 38 15 122 76 12 89 80 36 12 26 26 16 36 1.4 90605 UC305 K605 T305 25 K90606 UCT306 72 43 17 137 85 14 100 90 41 16 28 28 18 41 1.8 90606 UC306 K606 T306 30 K90607 UCT307 80 48 19 150 94 15 111 100 45 16 32 30 20 45 2.4 90607 UC307 K607 T307 35 K90608 UCT308 90 52 19 162 100 17 124 112 50 18 34 32 22 50 3 90608 UC308 K608 T308 40 K90609 UCT309 100 57 22 178 110 18 138 125 55 18 38 34 24 55 4 90609 UC309 K609 T309 45 K90610 UCT310 110 61 22 191 117 20 151 140 61 20 40 37 27 61 5 90610 UC310 K610 T310 50 K90611 UCT311 120 66 25 207 127 21 163 150 66 22 44 39 29 66 6.4 90611 UC311 K611 T311 55 K90612 UCT312 130 71 26 220 135 23 178 160 71 22 46 41 31 71 7.6 90612 UC312 K612 T312 60 K90613 UCT313 140 75 30 238 146 25 190 170 80 26 50 43 32 70 9.7 90613 UC313 K613 T313 65 K90614 UCT314 150 78 33 252 155 25 202 180 90 26 52 46 36 85 11 90614 UC314 K614 T314 70 K90615 UCT315 160 82 32 262 160 25 216 192 90 26 55 46 36 85 14 90615 UC315 K615 T315 75 K90616 UCT316 170 86 34 282 174 28 230 204 102 30 60 53 42 98 16 90616 UC316 K616 T316 80 K90617 UCT317 180 96 40 298 183 30 240 214 102 32 64 53 42 98 20 90617 UC317 K617 T317 85 K90618 UCT318 190 96 40 312 192 30 255 228 110 32 66 57 46 106 22 90618 UC318 K618 T318 90 K90619 UCT319 200 103 41 322 197 31 270 240 110 35 72 57 46 106 25 90619 UC319 K619 T319 95 K90620 UCT320 215 108 42 345 210 32 290 260 120 35 75 59 48 115 32 90620 UC320 K620 T320 100 K90621 UCT321 225 112 44 345 210 32 290 260 120 35 75 59 48 115 32 90621 UC321 K621 T321 105 K90622 UCT322 240 117 46 385 235 38 320 285 130 38 80 65 52 125 40 90622 UC322 K622 T322 110 K90624 UCT324 260 126 51 432 267 42 355 320 140 45 90 70 60 140 55 90624 UC324 K624 T324 120 K90626 UCT326 280 135 54 465 285 45 385 350 150 50 100 75 65 150 69 90626 UC326 K626 T326 130 K90628 UCT328 300 145 59 515 315 50 415 380 155 50 100 80 70 160 84 90628 UC328 K628 T328 140LB90500(UCFB200)型带悬挂式座顶丝外球面球轴承参数表带座轴承型号外形尺寸带座轴承重量配用轴承代号配用轴承座代号螺栓尺寸配合轴径D B S L J J1 C f H H1 A A1 A2 N KgFB90503 40 27.4 11.5 62 32 27 52 52 110 42 25.5 13 15 10 0.7 90503 FB503 M8 17 FB90504 47 31 12.7 62 32 27 52 52 110 42 25.5 13 15 10 0.7 90504 FB504 M8 20 FB90505 52 34.1 14.3 68 34 27 52 56 116 45 27 13 16 10 0.8 90505 FB505 M8 25 FB90506 62 38.1 15.9 78 40 29 55 65 130 50 31 13 18 10 1 90506 FB506 M8 30 FB90507 72 42.9 17.5 90 46 32 62 70 144 55 34 15 19 10 1.3 90507 FB507 M8 35 FB90508 80 49.2 19 100 50 41 72 78 164 60 36 16 21 12 1.4 90508 FB508 M10 40 FB90509 85 49.2 19 106 54 43 76 80 174 65 38 18 22 12 2.2 90509 FB509 M10 45 FB90510 90 51.6 19 112 58 46 82 86 184 68 40 18 22 12 2.5 90510 FB510 M10 50HA90500(UCHA200)型带悬吊式座顶丝外球面球轴承参数表带座轴承型号外形尺寸带座轴承重量配用轴承代号配用轴承座代号配合轴径D B S L H H1 H2 A E Dn KgHA90505 52 34.1 14.3 70 64 99 19 40 0 G 3/4" 1 90505 HA505 25 HA90506 62 38.1 15.9 80 64 104 19 40 0 G 3/4" 1 90506 HA506 30 HA90507 72 42.9 17.5 92 70 116 19 40 0 G 3/4" 1.4 90507 HA507 35 HA90508 80 49.2 19 96 73 121 19 40 2 G 3/4" 1.5 90508 HA508 40 HA90509 85 49.2 19 108 82 136 21 48 4 G 1" 2.1 90509 HA509 45 HA90510 90 51.6 19 114 83 140 21 48 5 G1" 2.6 90510 HA510 50 HA90511 100 55.6 22.2 126 87 150 25 60 7 G1 1/4" 2.9 90511 HA511 55 HA90512 110 65.1 25.4 142 102 173 28 60 9 G1 1/4" 4.4 90512 HA512 60 HA90513 120 65.1 25.4 166 117 200 32 70 9.5 G1 1/2" 6.6 90513 HA513 65 HA90514 125 74.6 30.2 166 117 200 32 70 9.5 G1 1/2" 6.8 90514 HA514 70 HA90515 130 77.8 33.3 166 117 200 32 70 9.5 G1 1/2" 7 90515 HA515 75CS390200(SAPFT200)型带冲压三角形座顶丝外球面球轴承参数表带座轴承型号外形尺寸带座轴承重量配用轴承代号配用轴承座代号螺栓尺寸配合轴径D B1 S J H H1 A A1 N KgCS390203 40 28.6 6.5 63.5 80 29 15 4 7.1 0.28 390203 CS203 M6 17 CS390204 47 31 7.5 71.5 90 34 17 4 9 0.37 390204 CS204 M8 20 CS390205 52 31 7.5 76 95 35 17 4 9 0.42 390205 CS205 M8 25 CS390206 62 35.7 9.0 90.5 112 41 19 5 11 0.65 390206 CS206 M10 30 CS390207 72 38.9 9.5 100 122 45 21 5 11 0.80 390207 CS207 M10 35。
带座轴承参数表
公司内部编号:(GOOD-TMMT-MMUT-UUPTY-UUYY-DTTI-
Z90500型(UCP200) 带立式座顶丝外球面球轴承参数表
Z90600型(UCP3
00
) 带立式座顶丝外球面球轴承参数表
UCPH200(ZH90500)型带高中心立式座顶丝外球面球轴承参数表
ZA90500(UCPA200)型 带窄立式座顶丝外球面球轴承参数表
F90500型(UCFU200) 带方形座顶丝外球面球轴承参数表
F90600型(UCF300) 带方形座顶丝外球面球轴承
L90500型(UCFLU200) 带菱形座顶丝外球面球轴承参数表
L90600型(UCFL300) 带菱形座顶丝外球面球轴承参数表
LA90500(UCFA200)型带可调菱形座顶丝外球面球轴承参数表
LA90500(UCFA200)型带可调菱形座顶丝外球面球轴承参数表
TY90500型(UCFC200) 带凸台圆形座顶丝外球面球轴承参数表
K90500型(UCK200) 带滑块座顶丝外球面球轴承参数表
K90600型(UCT300) 带滑块座顶丝外球面球轴承参数表
CL90500型(SAPFL200) 带冲压菱形座顶丝外球面球轴承参数表
H90500型(UCC200) 带环形座顶丝外球面球轴承参数表
H90600型(UCC300) 带环形座顶丝外球面球轴承参数表。
Z90500型(UCP200) 带立式座顶丝外球面球轴承参数表带座轴承型号外形尺寸带座轴承重量配用轴承代号配用轴承座代号螺栓尺寸配合轴径D B S L J H H1 H2 A N N1 KgZ90501 UCWP201 40 27.4 11.5 125 96 30.2 57 14 36 13 19 0.6 90501 UC201 M10 17 Z90502 UCWP202 40 27.4 11.5 125 96 30.2 57 14 36 13 19 0.6 90502 UC202 M10 17 Z90503 UCWP203 40 27.4 11.5 125 96 30.2 57 14 36 13 19 0.6 90503 UC203 M10 17 Z90504 UCP204 47 31 12.7 127 95 33.3 65 14 38 13 19 0.7 90504 UC204 M10 20 Z90505 UCP205 52 34.1 14.3 140 105 36.5 71 15 38 13 19 0.8 90505 UC205 M10 25 Z90506 UCP206 62 38.1 15.9 165 121 42.9 83 17 48 17 23 1.3 90506 UC206 M14 30 Z90507 UCP207 72 42.9 17.5 167 127 47.6 93 18 48 17 23 1.6 90507 UC207 M14 35 Z90508 UCP208 80 49.2 19 184 137 49.2 100 18 54 17 23 1.9 90508 UC208 M14 40 Z90509 UCP209 85 49.2 19 190 146 54 106 20 54 17 23 2.2 90509 UC209 M14 45 Z90510 UCP210 90 51.6 19 206 159 57.2 114 21 60 20 26 2.6 90510 UC210 M16 50 Z90511 UCP211 100 55.6 22.2 219 171 63.5 126 23 60 20 26 3.3 90511 UC211 M16 55 Z90512 UCP212 110 65.1 25.4 241 184 69.8 138 25 70 20 26 4.6 90512 UC212 M16 60 Z90513 UCP213 120 65.1 25.4 265 203 76.2 151 27 70 25 31 5.9 90513 UC213 M20 65 Z90514 UCP214 125 74.6 30.2 266 210 79.4 157 27 72 25 31 6.6 90514 UC214 M20 70 Z90515 UCP215 130 77.8 33.3 275 217 82.6 163 28 74 25 31 7.4 90515 UC215 M20 75 Z90516 UCP216 140 82.6 33.3 292 232 88.9 175 30 78 25 31 9 90516 UC216 M20 80 Z90517 UCP217 150 85.7 34.1 310 247 95.2 187 32 83 25 31 11 90517 UC217 M20 85 Z90518 UCP218 160 96 39.7 327 262 101.6 200 33 88 27 33 13 90518 UC218 M22 90 UCP220 180 108 42 380 308 115 225 40 95 30 38 16 UC220 M24Z90600型(UCP300) 带立式座顶丝外球面球轴承参数表带座轴承型号外形尺寸带座轴承重量配用轴承代号配用轴承座代号螺栓尺寸配合轴径D B S L J H H1 H2 A N N1 Kg mm mmZ90605 UCP305 62 38 15 175 132 45 85 15 45 17 20 1.4 90605 UC305 Z605 P305 M14 25 Z90606 UCP306 72 43 17 180 140 50 95 18 50 17 20 1.8 90606 UC306 Z606 P306 M14 30 Z90607 UCP307 80 48 19 210 160 56 106 20 56 17 25 2.8 90607 UC307 Z607 P307 M14 35 Z90608 UCP308 90 52 19 220 170 60 116 22 60 17 27 3 90608 UC308 Z608 P308 M14 40 Z90609 UCP309 100 57 22 245 190 67 129 24 67 20 30 4.1 90609 UC309 Z609 P309 M16 45 Z90610 UCP310 110 61 22 275 212 75 143 27 75 20 35 5.8 90610 UC310 Z610 P310 M16 50 Z90611 UCP311 120 66 25 310 236 80 154 30 80 20 38 7.4 90611 UC311 Z611 P311 M16 55 Z90612 UCP312 130 71 26 330 250 85 165 32 85 25 38 9.4 90612 UC312 Z612 P312 M20 60 Z90613 UCP313 140 75 30 340 260 90 176 33 90 25 38 10 90613 UC313 Z613 P313 M20 65 Z90614 UCP314 150 78 33 360 280 95 187 35 90 27 40 12 90614 UC314 Z614 P314 M22 70 Z90615 UCP315 160 82 32 380 290 100 198 35 100 27 40 14 90615 UC315 Z615 P315 M22 75 Z90616 UCP316 170 86 34 400 300 106 210 40 110 27 40 18 90616 UC316 Z616 P316 M22 80 Z90617 UCP317 180 96 40 420 320 112 220 40 110 33 45 20 90617 UC317 Z617 P317 M27 85 Z90618 UCP318 190 96 40 430 330 118 235 45 110 33 45 24 90618 UC318 Z618 P318 M27 90 Z90619 UCP319 200 103 41 470 360 125 250 45 120 36 50 29 90619 UC319 Z619 P319 M30 95 Z90620 UCP320 215 108 42 490 380 140 275 50 120 36 50 35 90620 UC320 Z620 P320 M30 100 Z90621 UCP321 225 112 44 490 380 140 280 50 120 36 50 35 90621 UC321 Z621 P321 M30 105 Z90622 UCP322 240 117 46 520 400 150 300 55 140 40 55 45 90622 UC322 Z622 P322 M33 110 Z90624 UCP324 260 126 51 570 450 160 320 65 140 40 55 55 90624 UC324 Z624 P324 M33 120 Z90626 UCP326 280 135 54 600 480 180 355 75 140 40 55 72 90626 UC326 Z626 P326 M33 130 Z90628 UCP328 300 145 59 620 500 200 390 75 140 40 55 89 90628 UC328 Z628 P328 M33 140UCPH200(ZH90500)型带高中心立式座顶丝外球面球轴承参数表带座轴承型号外形尺寸带座轴承重量配用轴承代号配用轴承座代号螺栓尺寸配合轴径D B S L J H H1 H2 A N N1 KgZH90503 40 27.4 11.5 127 95 70 101 15 40 13 19 1 90503 ZH503 M10 17 ZH90504 47 31 12.7 127 95 70 101 15 40 13 19 1 90504 ZH504 M10 20 ZH90505 52 34.1 14.3 140 105 80 114 16 50 13 19 1.2 90505 ZH505 M10 25 ZH90506 62 38.1 15.9 165 121 90 130 18 50 17 21 1.8 90506 ZH506 M14 30 ZH90507 72 42.9 17.5 167 127 95 140 19 60 17 21 2.4 90507 ZH507 M14 35 ZH90508 80 49.2 19 184 137 100 149 19 70 17 25 2.4 90508 ZH508 M14 40 ZH90509 85 49.2 19 190 146 105 157 20 70 17 25 3.7 90509 ZH509 M14 45 ZH90510 90 51.6 19 206 159 110 165 22 70 20 25 4.1 90510 ZH510 M16 50ZA90500(UCPA200)型带窄立式座顶丝外球面球轴承参数表带座轴承型号外形尺寸带座轴承重量配用轴承代号配用轴承座代号螺栓尺寸配合轴径D B S L J H H1 H2 H3 A dN KgZA90503 40 27.4 11.5 76 52 30.2 62 11 12 40 M10 0.6 90503 ZA503 M10 17 ZA90504 47 31 12.7 76 52 30.2 62 11 12 40 M10 0.6 90504 ZA504 M10 20 ZA90505 52 34.1 14.3 84 56 36.5 72 12 15 45 M10 0.8 90505 ZA505 M10 25 ZA90506 62 38.1 15.9 94 66 42.9 84 12 18 50 M12 1.2 90506 ZA506 M12 30 ZA90507 72 42.9 17.5 110 80 47.6 95 13 20 55 M12 1.7 90507 ZA507 M12 35 ZA90508 80 49.2 19 116 84 49.2 100 13 20 58 M12 2 90508 ZA508 M12 40 ZA90509 85 49.2 19 120 90 54.2 108 13 22 60 M12 2.2 90509 ZA509 M12 45 ZA90510 90 51.6 19 130 94 57.2 116 14 25 64 M16 2.9 90510 ZA510 M16 50F90500型(UCFU200) 带方形座顶丝外球面球轴承参数表带座轴承型号外形尺寸带座轴承重量配用轴承代号配用轴承座代号螺栓尺寸配合轴径D B S L J A A1 A2 N KgF90503 UCFU203 40 27.4 11.5 76 54 27 11 17 12 0.6 90503 F503 M10 17 F90504 UCFU204 47 31 12.7 86 63.5 30 11 19 12 0.7 90504 UC204 F504 FU204 M10 20 F90505 UCFU205 52 34.1 14.3 95 70 30 13 19 12 0.9 90505 UC205 F505 FU205 M10 25 F90506 UCFU206 62 38.1 15.9 108 82.5 33 13 20 12 1.1 90506 UC206 F506 FU206 M10 30 F90507 UCFU207 72 42.9 17.5 117 92 36 15 21 14 1.5 90507 UC207 F507 FU207 M12 35 F90508 UCFU208 80 49.2 19 130 101.5 39 15 24 16 1.9 90508 UC208 F508 FU208 M14 40 F90509 UCFU209 85 49.2 19 137 105 40 16 24 16 2.3 90509 UC209 F509 FU209 M14 45 F90510 UCFU210 90 51.6 19 143 111 46 16 28 19 2.7 90510 UC210 F510 FU210 M16\M14 50 F90511 UCFU211 100 55.6 22.2 162 130 49 18 31 19 3.9 90511 UC211 F511 FU211 M16 55 F90512 UCFU212 110 65.1 25.4 175 143 53 18 34 19 4.7 90512 UC212 F512 FU212 M16 60 F90513 UCFU213 120 65.1 25.4 187 149.5 52 21 34 19 5.7 90513 UC213 F513 FU213 M16 65F90514 UCFU214 125 74.6 30.2 193 152 54 22 35 19 6.1 90514 UC214 F514 FU214 M16 70 F90515 UCFU215 130 77.8 33.3 200 159 58 22 35 19 6.9 90515 UC215 F515 FU215 M16 75 F90516 UCFU216 140 82.6 33.3 208 165 58 22 35 23 8.1 90516 UC216 F516 FU216 M20 80 F90517 UCFU217 150 85.7 34.1 220 175 63 24 36 23 9.3 90517 UC217 F517 FU217 M20 85 F90518 UCFU218 160 96 39.7 235 187 68 24 42 23 11 90518 UC218 F518 FU218 M20 90 UCFU220 180 108 42 265 210 74 28 44 27 12 UC220 FU220 M22F90600型(UCF300) 带方形座顶丝外球面球轴承带座轴承型号外形尺寸带座轴承重量配用轴承代号配用轴承座代号螺栓尺寸配合轴径D B S L J A A1 A2 N KgF90605 UCF305 62 38 15 110 80 29 13 16 16 1.1 90605 UC305 F605 F305 M14 25 F90606 UCF306 72 43 17 125 95 32 15 18 16 1.6 90606 UC306 F606 F306 M14 30 F90607 UCF307 80 48 19 135 100 36 16 20 19 2 90607 UC307 F607 F307 M16 35 F90608 UCF308 90 52 19 150 112 40 17 23 19 2.7 90608 UC308 F608 F308 M16 40 F90609 UCF309 100 57 22 160 125 44 18 25 19 3.4 90609 UC309 F609 F309 M16 45 F90610 UCF310 110 61 22 175 132 48 19 28 23 4.5 90610 UC310 F610 F310 M20 50 F90611 UCF311 120 66 25 185 140 52 20 30 23 5.5 90611 UC311 F611 F311 M20 55 F90612 UCF312 130 71 26 195 150 56 22 33 23 6.5 90612 UC312 F612 F312 M20 60 F90613 UCF313 140 75 30 208 166 58 22 33 23 7.9 90613 UC313 F613 F313 M20 65 F90614 UCF314 150 78 33 226 178 61 25 36 25 9.5 90614 UC314 F614 F314 M22 70 F90615 UCF315 160 82 32 236 184 66 25 39 25 12 90615 UC315 F615 F315 M22 75 F90616 UCF316 170 86 34 250 196 68 27 38 31 14 90616 UC316 F616 F316 M27 80 F90617 UCF317 180 96 40 260 204 74 27 44 31 16 90617 UC317 F617 F317 M27 85 F90618 UCF318 190 96 40 280 216 76 30 44 35 19 90618 UC318 F618 F318 M30 90 F90619 UCF319 200 103 41 290 228 94 30 59 35 22 90619 UC319 F619 F319 M30 95F90620 UCF320 215 108 42 310 242 94 32 59 38 26 90620 UC320 F620 F320 M33 100 F90621 UCF321 225 112 44 310 242 94 32 59 38 27 90621 UC321 F621 F321 M33 105 F90622 UCF322 240 117 46 340 266 96 35 60 41 38 90622 UC322 F622 F322 M36 110 F90624 UCF324 260 126 51 370 290 110 40 65 41 50 90624 UC324 F624 F324 M36 120 F90626 UCF326 280 135 54 410 320 115 45 65 41 66 90626 UC326 F626 F326 M36 130 F90628 UCF328 300 145 59 450 350 125 55 75 41 90 90628 UC328 F628 F328 M36 140L90500型(UCFLU200) 带菱形座顶丝外球面球轴承参数表带座轴承型号外形尺寸带座轴承重量配用轴承代号配用轴承座代号螺栓尺寸配合轴径D B S L J H A A1 A2 N KgL90503 40 27.4 11.5 99 76.5 54 27 11 17 12 0.6 90503 L503 M10 17 L90504 UCFLU204 47 31 12.7 113 90 60 30 11 19 12 0.6 90504 UC204 L504 FLU204 M10 20 L90505 UCFLU205 52 34.1 14.3 125 99 68 30 13 19 12 0.7 90505 UC205 L505 FLU205 M10 25 L90506 UCFLU206 62 38.1 15.9 142 116.5 80 33 13 20 12 1 90506 UC206 L506 FLU206 M10 30 L90507 UCFLU207 72 42.9 17.5 156 130 90 36 15 21 14 1.3 90507 UC207 L507 FLU207 M12 35 L90508 UCFLU208 80 49.2 19 172 143.5 100 39 15 24 14 1.7 90508 UC208 L508 FLU208 M12 40 L90509 UCFLU209 85 49.2 19 180 148.5 108 40 16 24 16 2 90509 UC209 L509 FLU209 M14 45 L90510 UCFLU210 90 51.6 19 190 157 115 46 16 28 18 2.5 90510 UC210 L510 FLU210 M16 50 L90511 UCFLU211 100 55.6 22.2 217 184 130 49 18 31 18 3.4 90511 UC211 L511 FLU211 M16 55 L90512 UCFLU212 110 65.1 25.4 235 202 140 53 18 34 18 4.3 90512 UC212 L512 FLU212 M16 60 L90513 UCFLU213 120 65.1 25.4 248 210 155 59 22 38 20.5 5 UC213 FLU213 M18 65 L90514 UCFLU214 125 74.6 30.2 257 216 160 62 22 38 20.5 5.6 UC214 FLU214 M18 70 L90515 UCFLU215 130 77.8 33.3 266 225 165 65 22 41 20.5 6.2 UC215 FLU215 M18 75L90600型(UCFL300) 带菱形座顶丝外球面球轴承参数表带座轴承型号外形尺寸带座轴承重量配用轴承代号配用轴承座代号螺栓尺寸配合轴径D B S L J H A A1 A2 N KgL90605 UCFL305 62 38 15 150 113 80 29 13 16 19 1.1 90605 UC305 L605 FL305 M16 25 L90606 UCFL306 72 43 17 180 134 90 32 15 18 23 1.5 90606 UC306 L606 FL306 M20 30 L90607 UCFL307 80 48 19 185 141 100 36 16 20 23 1.9 90607 UC307 L607 FL307 M20 35 L90608 UCFL308 90 52 19 200 158 112 40 17 23 23 2.5 90608 UC308 L608 FL308 M20 40 L90609 UCFL309 100 57 22 230 177 125 44 18 25 25 3.4 90609 UC309 L609 FL309 M22 45 L90610 UCFL310 110 61 22 240 187 140 48 19 28 25 4.4 90610 UC310 L610 FL310 M22 50 L90611 UCFL311 120 66 25 250 198 150 52 20 30 25 5.1 90611 UC311 L611 FL311 M22 55 L90612 UCFL312 130 71 26 270 212 160 56 22 33 31 6.1 90612 UC312 L612 FL312 M27 60 L90613 UCFL313 140 75 30 295 240 175 58 25 33 31 7.8 90613 UC313 L613 FL313 M27 65 L90614 UCFL314 150 78 33 315 250 185 61 28 36 35 9 90614 UC314 L614 FL314 M30 70 L90615 UCFL315 160 82 32 320 260 195 66 30 39 35 10 90615 UC315 L615 FL315 M30 75 L90616 UCFL316 170 86 34 355 285 210 68 32 38 38 13 90616 UC316 L616 FL316 M33 80 L90617 UCFL317 180 96 40 370 300 220 74 32 44 38 15 90617 UC317 L617 FL317 M33 85 L90618 UCFL318 190 96 40 385 315 235 76 36 44 38 18 90618 UC318 L618 FL318 M33 90 L90619 UCFL319 200 103 41 405 330 250 94 40 59 41 22 90619 UC319 L619 FL319 M36 95 L90620 UCFL320 215 108 42 440 360 270 94 40 59 44 27 90620 UC320 L620 FL320 M39 100 L90621 UCFL321 225 112 44 440 360 270 94 40 59 44 27 90621 UC321 L621 FL321 M39 105 L90622 UCFL322 240 117 46 470 390 300 96 42 60 44 33 90622 UC322 L622 FL322 M39 110 L90624 UCFL324 260 126 51 520 430 330 110 48 65 47 48 90624 UC324 L624 FL324 M42 120 L90626 UCFL326 280 135 54 550 460 360 115 50 65 47 58 90626 UC326 L626 FL326 M42 130 L90628 UCFL328 300 145 59 600 500 400 125 60 75 51 81 90628 UC328 L628 FL328 M45 140LA90500(UCFA200)型带可调菱形座顶丝外球面球轴承参数表带座轴承型号外形尺寸带座轴承重量配用轴承代号配用轴承座代号螺栓尺寸配合轴径D B S L J H H1 H2 A A1 A2 N N1 KgLA90500 40 27.4 11.5 102 78 60 54 40 25.5 12 15 10 10 0.7 90503 LA503 M8LA90504 47 31 12.7 102 78 60 54 40 25.5 12 15 10 10 0.6 90504 LA504 M8 20 LA90505 52 34.1 14.3 125 98 68 65 51 27 14 16 12 13 0.8 90505 LA505 M10 25 LA90506 62 38.1 15.9 144 117 80 72 58 31 14 18 12 13 1.2 90506 LA506 M10 30 LA90507 72 42.9 17.5 161 130 90 82 66 34 16 19 15 15 1.5 90507 LA507 M12 35 LA90508 80 49.2 19 175 144 100 87 71 36 16 21 15 15 1.8 90508 LA508 M12 40 LA90509 85 49.2 19 181 148 108 90 72 38 18 22 15 15 2.2 90509 LA509 M12 45 LA90510 90 51.6 19 190 157 115 94 76 40 18 22 15 15 2.6 90510 LA510 M12 50 LA90511 100 55.6 22.2 219 184 130 104 86 43 20 25 16 17 3.6 90511 LA511 M14 55LA90500(UCFA200)型带可调菱形座顶丝外球面球轴承参数表带座轴承型号外形尺寸带座轴承重量配用轴承代号配用轴承座代号螺栓尺寸配合轴径D B S L J H H1 H2 A A1 A2 N N1 KgLA90500 40 27.4 11.5 102 78 60 54 40 25.5 12 15 10 10 0.7 90503 LA503 M8LA90504 47 31 12.7 102 78 60 54 40 25.5 12 15 10 10 0.6 90504 LA504 M8 20 LA90505 52 34.1 14.3 125 98 68 65 51 27 14 16 12 13 0.8 90505 LA505 M10 25 LA90506 62 38.1 15.9 144 117 80 72 58 31 14 18 12 13 1.2 90506 LA506 M10 30 LA90507 72 42.9 17.5 161 130 90 82 66 34 16 19 15 15 1.5 90507 LA507 M12 35 LA90508 80 49.2 19 175 144 100 87 71 36 16 21 15 15 1.8 90508 LA508 M12 40 LA90509 85 49.2 19 181 148 108 90 72 38 18 22 15 15 2.2 90509 LA509 M12 45 LA90510 90 51.6 19 190 157 115 94 76 40 18 22 15 15 2.6 90510 LA510 M12 50 LA90511 100 55.6 22.2 219 184 130 104 86 43 20 25 16 17 3.6 90511 LA511 M14 55TY90500型(UCFC200) 带凸台圆形座顶丝外球面球轴承参数表带座轴承型号外形尺寸带座轴承重量配用轴承代号配用轴承座代号螺栓尺寸配合轴径D B S D1 D2 J P A A1 A2 A3 N KgTY90503 40 27.4 11.5 58 97 53 75 19 4 9 6 12 0.5 90503 TY503 M10 17 TY90504 UCFC204 47 31 12.7 62 100 55.1 78 20.5 5 10 7 12 0.7 90504 UC204 TY504 FC204 M10 20 TY90505 UCFC205 52 34.1 14.3 70 115 63.5 90 21 6 10 7 12 1 90505 UC205 TY505 FC205 M10 25 TY90506 UCFC206 62 38.1 15.9 80 125 70.7 100 23 8 10 8 12 1.3 90506 UC206 TY506 FC206 M10 30 TY90507 UCFC207 72 42.9 17.5 90 135 77.8 110 26 8 11 9 14 1.6 90507 UC207 TY507 FC207 M12 35 TY90508 UCFC208 80 49.2 19 100 145 84.8 120 26 10 11 9 14 2.1 90508 UC208 TY508 FC208 M12 40TY90509 UCFC209 85 49.2 19 105 160 93.3 132 26 12 10 14 16 2.7 90509 UC209 TY509 FC209 M14 45 TY90510 UCFC210 90 51.6 19 110 165 97.6 138 28 12 10 14 16 3.1 90510 UC210 TY510 FC210 M14 50 TY90511 UCFC211 100 55.6 22.2 125 185 106.1 150 31 12 13 15 19 4.2 90511 UC211 TY511 FC211 M16 55 TY90512 UCFC212 110 65.1 25.4 135 195 113.1 160 36 12 17 15 19 5.3 90512 UC212 TY512 FC212 M16 60 TY90513 UCFC213 120 65.1 25.4 145 205 120.2 170 36 14 16 15 19 6 90513 UC213 TY513 FC213 M16 65 TY90514 UCFC214 125 74.6 30.2 150 215 125.1 177 40 14 17 18 19 7 90514 UC214 TY514 FC214 M16 70 TY90515 UCFC215 130 77.8 33.3 160 220 130.1 184 40 16 18 18 19 7.8 90515 UC215 TY515 FC215 M16 75 TY90516 UCFC216 140 82.6 33.3 170 240 141.4 200 42 16 18 18 23 9.3 90516 UC216 TY516 FC216 M20 80 TY90517 UCFC217 150 85.7 34.1 180 250 147.1 208 45 18 18 20 23 11 90517 UC217 TY517 FC217 M20 85 TY90518 UCFC218 160 96 39.7 190 265 155.5 220 50 18 22 20 23 13 90518 UC218 TY518 FC218 M20 90K90500型(UCK200) 带滑块座顶丝外球面球轴承参数表带座轴承型号外形尺寸带座轴承重量配用轴承代号配用轴承座代号配合轴径D B S L L1 L2 H H1 A A1 A2 N N1 N2 KgK90503 UCT203 47 31 12.7 94 61 10 89 76 32 12 21 19 16 32 0.8 90503 UC203 K503 T203 17 K90504 UCT204 47 31 12.7 94 61 10 89 76 32 12 21 19 16 32 0.8 90504 UC204 K504 T204 20 K90505 UCT205 52 34.1 14.3 97 62 10 89 76 32 12 24 19 16 32 0.9 90505 UC205 K505 T205 25 K90506 UCT206 62 38.1 15.9 113 70 10 102 89 32 12 28 22 16 37 1.3 90506 UC206 K506 T206 30 K90507 UCT207 72 42.9 17.5 129 78 13 102 89 37 12 30 22 16 37 1.7 90507 UC207 K507 T207 35 K90508 UCT208 80 49.2 19 144 88 16 114 102 49 16 33 29 19 49 2.3 90508 UC208 K508 T208 40 K90509 UCT209 85 49.2 19 144 87 16 117 102 49 16 35 29 19 49 2.4 90509 UC209 K509 T209 45 K90510 UCT210 90 51.6 19 149 90 16 117 102 49 16 37 29 19 49 2.5 90510 UC210 K510 T210 50 K90511 UCT211 100 55.6 22.2 171 106 19 146 130 64 22 38 35 25 64 3.8 90511 UC211 K511 T211 55 K90512 UCT212 110 65.1 25.4 194 119 19 146 130 64 22 42 35 32 64 4.7 90512 UC212 K512 T212 60 UCT213 120 65.1 25.4 224 137 21 167 151 70 26 44 41 32 70 7 UC213 T213 65UCT214 125 74.6 30.2 224 137 21 167 151 70 26 46 41 32 70 7.3 UC214 T214 70 UCT215 130 77.8 33.3 232 140 21 167 151 70 26 48 41 32 70 7.7 UC215 T215 75 UCT216 140 82.6 33.3 235 140 21 184 165 70 26 51 41 32 70 8.4 UC216 T216 80 UCT217 150 85.7 34.1 260 162 29 198 173 73 30 54 48 38 73 11 UC217 T217 85K90600型(UCT300) 带滑块座顶丝外球面球轴承参数表带座轴承型号外形尺寸带座轴承重量配用轴承代号配用轴承座代号配合轴径D B S L L1 L2 H H1 A A1 A2 N N1 N2 KgK90605 UCT305 62 38 15 122 76 12 89 80 36 12 26 26 16 36 1.4 90605 UC305 K605 T305 25 K90606 UCT306 72 43 17 137 85 14 100 90 41 16 28 28 18 41 1.8 90606 UC306 K606 T306 30 K90607 UCT307 80 48 19 150 94 15 111 100 45 16 32 30 20 45 2.4 90607 UC307 K607 T307 35 K90608 UCT308 90 52 19 162 100 17 124 112 50 18 34 32 22 50 3 90608 UC308 K608 T308 40 K90609 UCT309 100 57 22 178 110 18 138 125 55 18 38 34 24 55 4 90609 UC309 K609 T309 45 K90610 UCT310 110 61 22 191 117 20 151 140 61 20 40 37 27 61 5 90610 UC310 K610 T310 50 K90611 UCT311 120 66 25 207 127 21 163 150 66 22 44 39 29 66 6.4 90611 UC311 K611 T311 55 K90612 UCT312 130 71 26 220 135 23 178 160 71 22 46 41 31 71 7.6 90612 UC312 K612 T312 60 K90613 UCT313 140 75 30 238 146 25 190 170 80 26 50 43 32 70 9.7 90613 UC313 K613 T313 65 K90614 UCT314 150 78 33 252 155 25 202 180 90 26 52 46 36 85 11 90614 UC314 K614 T314 70 K90615 UCT315 160 82 32 262 160 25 216 192 90 26 55 46 36 85 14 90615 UC315 K615 T315 75 K90616 UCT316 170 86 34 282 174 28 230 204 102 30 60 53 42 98 16 90616 UC316 K616 T316 80 K90617 UCT317 180 96 40 298 183 30 240 214 102 32 64 53 42 98 20 90617 UC317 K617 T317 85 K90618 UCT318 190 96 40 312 192 30 255 228 110 32 66 57 46 106 22 90618 UC318 K618 T318 90 K90619 UCT319 200 103 41 322 197 31 270 240 110 35 72 57 46 106 25 90619 UC319 K619 T319 95 K90620 UCT320 215 108 42 345 210 32 290 260 120 35 75 59 48 115 32 90620 UC320 K620 T320 100 K90621 UCT321 225 112 44 345 210 32 290 260 120 35 75 59 48 115 32 90621 UC321 K621 T321 105 K90622 UCT322 240 117 46 385 235 38 320 285 130 38 80 65 52 125 40 90622 UC322 K622 T322 110K90624 UCT324 260 126 51 432 267 42 355 320 140 45 90 70 60 140 55 90624 UC324 K624 T324 120 K90626 UCT326 280 135 54 465 285 45 385 350 150 50 100 75 65 150 69 90626 UC326 K626 T326 130 K90628 UCT328 300 145 59 515 315 50 415 380 155 50 100 80 70 160 84 90628 UC328 K628 T328 140CL90500型(SAPFL200) 带冲压菱形座顶丝外球面球轴承参数表带座轴承型号外形尺寸带座轴承重量配用轴承代号配用轴承座代号螺栓尺寸配合轴径D B S L J H A A1 N KgCL90503 40 28.6 6.5 80 63.5 59 15 4 7.1 0.22 90503 CL203 M6 17 CL90504 47 31 7.5 90 71.5 66 17 4 9 0.22 90504 CL204 M8 20 CL90505 52 31 7.5 95 76 71 17 4 9 0.28 90505 CL205 M8 25 CL90506 62 35.7 9.0 112 90.5 84 19 5 11 0.48 90506 CL206 M10 30 CL90507 72 38.9 9.5 122 100 94 21 5 11 0.59 90507 CL207 M10 35H90500型(UCC200) 带环形座顶丝外球面球轴承参数表带座轴承型号外形尺寸带座轴承重量配用轴承代号配用轴承座代号配合轴径D B S D1 A A1 r KgY90503 UCWC203 40 27.4 11.5 67 20 10 1.1 0.5 90503 Y503 17 Y90504 UCC204 47 31 12.7 72 20 10 1.1 0.5 90504 UC204 Y504 C204 20 Y90505 UCC205 52 34.1 14.3 80 22 11 1.1 0.7 90505 UC205 Y505 C205 25 Y90506 UCC206 62 38.1 15.9 85 27 13.5 1.1 0.9 90506 UC206 Y506 C206 30 Y90507 UCC207 72 42.9 17.5 90 28 14 1.1 1 90507 UC207 Y507 C207 35 Y90508 UCC208 80 49.2 19 100 30 15 1.5 1.3 90508 UC208 Y508 C208 40 Y90509 UCC209 85 49.2 19 110 31 15.5 1.5 1.6 90509 UC209 Y509 C209 45 Y90510 UCC210 90 51.6 19 120 33 16.5 1.5 2 90510 UC210 Y510 C210 50 Y90511 UCC211 100 55.6 22.2 125 35 17.5 1.5 2.2 90511 UC211 Y511 C211 55 Y90512 UCC212 110 65.1 25.5 130 38 19 1.5 2.6 90512 UC212 Y512 C212 60 Y90513 UCC213 120 65.1 25.5 140 40 20 2 3.1 90513 UC213 Y513 C213 65H90600型(UCC300) 带环形座顶丝外球面球轴承参数表带座轴承型号外形尺寸带座轴承重量配用轴承代号配用轴承座代号配合轴径D B S D1 A A1 r KgY90605 UCC305 62 38 15 90 26 13 1.5 1.1 90605 UC305 Y605 C305 25 Y90606 UCC306 72 43 17 100 28 14 1.5 1.4 90606 UC306 Y606 C306 30 Y90607 UCC307 80 48 19 110 32 16 2 1.8 90607 UC307 Y607 C307 35 Y90608 UCC308 90 52 19 120 34 17 2 2.2 90608 UC308 Y608 C308 40 Y90609 UCC309 100 57 22 130 38 19 2.1 2.7 90609 UC309 Y609 C309 45 Y90610 UCC310 110 61 22 140 40 20 2.1 3.3 90610 UC310 Y610 C310 50 Y90611 UCC311 120 66 25 150 44 22 2.1 3.9 90611 UC311 Y611 C311 55 Y90612 UCC312 130 71 26 160 46 23 2.1 4.8 90612 UC312 Y612 C312 60 Y90613 UCC313 140 75 30 170 50 25 2.1 5.8 90613 UC313 Y613 C313 65 Y90614 UCC314 150 78 33 180 52 26 3 6.6 90614 UC314 Y614 C314 70 Y90615 UCC315 160 82 32 190 55 27.5 3 7.8 90615 UC315 Y615 C315 75 Y90616 UCC316 170 86 34 200 60 30 3 9 90616 UC316 Y616 C316 80 Y90617 UCC317 180 96 40 215 64 32 3 11 90617 UC317 Y617 C317 85 Y90618 UCC318 190 96 40 225 66 33 3 12 90618 UC318 Y618 C318 90 Y90619 UCC319 200 103 41 240 72 36 3 15 90619 UC319 Y619 C319 95 Y90620 UCC320 215 108 42 260 75 37.5 3 19 90620 UC320 Y620 C320 100 Y90621 UCC321 225 112 44 260 75 37.5 3 19 90621 UC321 Y621 C321 105 Y90622 UCC322 240 117 46 300 80 40 4 28 90622 UC322 Y622 C322 110 Y90624 UCC324 260 126 51 320 90 45 4 35 90624 UC324 Y624 C324 120 Y90626 UCC326 280 135 54 340 100 50 4 42 90626 UC326 Y626 C326 130 Y90628 UCC328 300 145 59 360 100 50 4 49 90628 UC328 Y628 C328 140。
Z90500型(UCP200) 带立式座顶丝外球面球轴承参数表带座轴承型号外形尺寸带座轴承重量配用轴承代号配用轴承座代号螺栓尺寸配合轴径D B S L J H H1 H2 A N N1 KgZ90501 UCWP201 40 27.4 11.5 125 96 30.2 57 14 36 13 19 0.6 90501 UC201 M10 17 Z90502 UCWP202 40 27.4 11.5 125 96 30.2 57 14 36 13 19 0.6 90502 UC202 M10 17 Z90503 UCWP203 40 27.4 11.5 125 96 30.2 57 14 36 13 19 0.6 90503 UC203 M10 17 Z90504 UCP204 47 31 12.7 127 95 33.3 65 14 38 13 19 0.7 90504 UC204 M10 20 Z90505 UCP205 52 34.1 14.3 140 105 36.5 71 15 38 13 19 0.8 90505 UC205 M10 25 Z90506 UCP206 62 38.1 15.9 165 121 42.9 83 17 48 17 23 1.3 90506 UC206 M14 30 Z90507 UCP207 72 42.9 17.5 167 127 47.6 93 18 48 17 23 1.6 90507 UC207 M14 35 Z90508 UCP208 80 49.2 19 184 137 49.2 100 18 54 17 23 1.9 90508 UC208 M14 40 Z90509 UCP209 85 49.2 19 190 146 54 106 20 54 17 23 2.2 90509 UC209 M14 45 Z90510 UCP210 90 51.6 19 206 159 57.2 114 21 60 20 26 2.6 90510 UC210 M16 50 Z90511 UCP211 100 55.6 22.2 219 171 63.5 126 23 60 20 26 3.3 90511 UC211 M16 55 Z90512 UCP212 110 65.1 25.4 241 184 69.8 138 25 70 20 26 4.6 90512 UC212 M16 60 Z90513 UCP213 120 65.1 25.4 265 203 76.2 151 27 70 25 31 5.9 90513 UC213 M20 65 Z90514 UCP214 125 74.6 30.2 266 210 79.4 157 27 72 25 31 6.6 90514 UC214 M20 70 Z90515 UCP215 130 77.8 33.3 275 217 82.6 163 28 74 25 31 7.4 90515 UC215 M20 75 Z90516 UCP216 140 82.6 33.3 292 232 88.9 175 30 78 25 31 9 90516 UC216 M20 80 Z90517 UCP217 150 85.7 34.1 310 247 95.2 187 32 83 25 31 11 90517 UC217 M20 85 Z90518 UCP218 160 96 39.7 327 262 101.6 200 33 88 27 33 13 90518 UC218 M22 90 UCP220 180 108 42 380 308 115 225 40 95 30 38 16 UC220 M24Z90600型(UCP300) 带立式座顶丝外球面球轴承参数表带座轴承型号外形尺寸带座轴承重量配用轴承代号配用轴承座代号螺栓尺寸配合轴径D B S L J H H1 H2 A N N1 Kg mm mmZ90605 UCP305 62 38 15 175 132 45 85 15 45 17 20 1.4 90605 UC305 Z605 P305 M14 25 Z90606 UCP306 72 43 17 180 140 50 95 18 50 17 20 1.8 90606 UC306 Z606 P306 M14 30 Z90607 UCP307 80 48 19 210 160 56 106 20 56 17 25 2.8 90607 UC307 Z607 P307 M14 35 Z90608 UCP308 90 52 19 220 170 60 116 22 60 17 27 3 90608 UC308 Z608 P308 M14 40 Z90609 UCP309 100 57 22 245 190 67 129 24 67 20 30 4.1 90609 UC309 Z609 P309 M16 45 Z90610 UCP310 110 61 22 275 212 75 143 27 75 20 35 5.8 90610 UC310 Z610 P310 M16 50 Z90611 UCP311 120 66 25 310 236 80 154 30 80 20 38 7.4 90611 UC311 Z611 P311 M16 55 Z90612 UCP312 130 71 26 330 250 85 165 32 85 25 38 9.4 90612 UC312 Z612 P312 M20 60 Z90613 UCP313 140 75 30 340 260 90 176 33 90 25 38 10 90613 UC313 Z613 P313 M20 65 Z90614 UCP314 150 78 33 360 280 95 187 35 90 27 40 12 90614 UC314 Z614 P314 M22 70 Z90615 UCP315 160 82 32 380 290 100 198 35 100 27 40 14 90615 UC315 Z615 P315 M22 75 Z90616 UCP316 170 86 34 400 300 106 210 40 110 27 40 18 90616 UC316 Z616 P316 M22 80 Z90617 UCP317 180 96 40 420 320 112 220 40 110 33 45 20 90617 UC317 Z617 P317 M27 85 Z90618 UCP318 190 96 40 430 330 118 235 45 110 33 45 24 90618 UC318 Z618 P318 M27 90 Z90619 UCP319 200 103 41 470 360 125 250 45 120 36 50 29 90619 UC319 Z619 P319 M30 95 Z90620 UCP320 215 108 42 490 380 140 275 50 120 36 50 35 90620 UC320 Z620 P320 M30 100 Z90621 UCP321 225 112 44 490 380 140 280 50 120 36 50 35 90621 UC321 Z621 P321 M30 105 Z90622 UCP322 240 117 46 520 400 150 300 55 140 40 55 45 90622 UC322 Z622 P322 M33 110 Z90624 UCP324 260 126 51 570 450 160 320 65 140 40 55 55 90624 UC324 Z624 P324 M33 120Z90626 UCP326 280 135 54 600 480 180 355 75 140 40 55 72 90626 UC326 Z626 P326 M33 130 Z90628 UCP328 300 145 59 620 500 200 390 75 140 40 55 89 90628 UC328 Z628 P328 M33 140UCPH200(ZH90500)型带高中心立式座顶丝外球面球轴承参数表带座轴承型号外形尺寸带座轴承重量配用轴承代号配用轴承座代号螺栓尺寸配合轴径D B S L J H H1 H2 A N N1 KgZH90503 40 27.4 11.5 127 95 70 101 15 40 13 19 1 90503 ZH503 M10 17 ZH90504 47 31 12.7 127 95 70 101 15 40 13 19 1 90504 ZH504 M10 20 ZH90505 52 34.1 14.3 140 105 80 114 16 50 13 19 1.2 90505 ZH505 M10 25 ZH90506 62 38.1 15.9 165 121 90 130 18 50 17 21 1.8 90506 ZH506 M14 30 ZH90507 72 42.9 17.5 167 127 95 140 19 60 17 21 2.4 90507 ZH507 M14 35 ZH90508 80 49.2 19 184 137 100 149 19 70 17 25 2.4 90508 ZH508 M14 40 ZH90509 85 49.2 19 190 146 105 157 20 70 17 25 3.7 90509 ZH509 M14 45 ZH90510 90 51.6 19 206 159 110 165 22 70 20 25 4.1 90510 ZH510 M16 50ZA90500(UCPA200)型带窄立式座顶丝外球面球轴承参数表带座轴承型号外形尺寸带座轴承重量配用轴承代号配用轴承座代号螺栓尺寸配合轴径D B S L J H H1 H2 H3 A dN KgZA90503 40 27.4 11.5 76 52 30.2 62 11 12 40 M10 0.6 90503 ZA503 M10 17 ZA90504 47 31 12.7 76 52 30.2 62 11 12 40 M10 0.6 90504 ZA504 M10 20 ZA90505 52 34.1 14.3 84 56 36.5 72 12 15 45 M10 0.8 90505 ZA505 M10 25 ZA90506 62 38.1 15.9 94 66 42.9 84 12 18 50 M12 1.2 90506 ZA506 M12 30 ZA90507 72 42.9 17.5 110 80 47.6 95 13 20 55 M12 1.7 90507 ZA507 M12 35 ZA90508 80 49.2 19 116 84 49.2 100 13 20 58 M12 2 90508 ZA508 M12 40 ZA90509 85 49.2 19 120 90 54.2 108 13 22 60 M12 2.2 90509 ZA509 M12 45 ZA90510 90 51.6 19 130 94 57.2 116 14 25 64 M16 2.9 90510 ZA510 M16 50F90500型(UCFU200) 带方形座顶丝外球面球轴承参数表带座轴承型号外形尺寸带座轴承重量配用轴承代号配用轴承座代号螺栓尺寸配合轴径D B S L J A A1 A2 N KgF90503 UCFU203 40 27.4 11.5 76 54 27 11 17 12 0.6 90503 F503 M10 17 F90504 UCFU204 47 31 12.7 86 63.5 30 11 19 12 0.7 90504 UC204 F504 FU204 M10 20 F90505 UCFU205 52 34.1 14.3 95 70 30 13 19 12 0.9 90505 UC205 F505 FU205 M10 25 F90506 UCFU206 62 38.1 15.9 108 82.5 33 13 20 12 1.1 90506 UC206 F506 FU206 M10 30 F90507 UCFU207 72 42.9 17.5 117 92 36 15 21 14 1.5 90507 UC207 F507 FU207 M12 35 F90508 UCFU208 80 49.2 19 130 101.5 39 15 24 16 1.9 90508 UC208 F508 FU208 M14 40 F90509 UCFU209 85 49.2 19 137 105 40 16 24 16 2.3 90509 UC209 F509 FU209 M14 45 F90510 UCFU210 90 51.6 19 143 111 46 16 28 19 2.7 90510 UC210 F510 FU210 M16\M14 50 F90511 UCFU211 100 55.6 22.2 162 130 49 18 31 19 3.9 90511 UC211 F511 FU211 M16 55 F90512 UCFU212 110 65.1 25.4 175 143 53 18 34 19 4.7 90512 UC212 F512 FU212 M16 60 F90513 UCFU213 120 65.1 25.4 187 149.5 52 21 34 19 5.7 90513 UC213 F513 FU213 M16 65 F90514 UCFU214 125 74.6 30.2 193 152 54 22 35 19 6.1 90514 UC214 F514 FU214 M16 70 F90515 UCFU215 130 77.8 33.3 200 159 58 22 35 19 6.9 90515 UC215 F515 FU215 M16 75 F90516 UCFU216 140 82.6 33.3 208 165 58 22 35 23 8.1 90516 UC216 F516 FU216 M20 80 F90517 UCFU217 150 85.7 34.1 220 175 63 24 36 23 9.3 90517 UC217 F517 FU217 M20 85 F90518 UCFU218 160 96 39.7 235 187 68 24 42 23 11 90518 UC218 F518 FU218 M20 90 UCFU220 180 108 42 265 210 74 28 44 27 12 UC220 FU220 M22F90600型(UCF300) 带方形座顶丝外球面球轴承带座轴承型号外形尺寸带座轴承重量配用轴承代号配用轴承座代号螺栓尺寸配合轴径D B S L J A A1 A2 N KgF90605 UCF305 62 38 15 110 80 29 13 16 16 1.1 90605 UC305 F605 F305 M14 25 F90606 UCF306 72 43 17 125 95 32 15 18 16 1.6 90606 UC306 F606 F306 M14 30 F90607 UCF307 80 48 19 135 100 36 16 20 19 2 90607 UC307 F607 F307 M16 35 F90608 UCF308 90 52 19 150 112 40 17 23 19 2.7 90608 UC308 F608 F308 M16 40 F90609 UCF309 100 57 22 160 125 44 18 25 19 3.4 90609 UC309 F609 F309 M16 45 F90610 UCF310 110 61 22 175 132 48 19 28 23 4.5 90610 UC310 F610 F310 M20 50 F90611 UCF311 120 66 25 185 140 52 20 30 23 5.5 90611 UC311 F611 F311 M20 55 F90612 UCF312 130 71 26 195 150 56 22 33 23 6.5 90612 UC312 F612 F312 M20 60 F90613 UCF313 140 75 30 208 166 58 22 33 23 7.9 90613 UC313 F613 F313 M20 65 F90614 UCF314 150 78 33 226 178 61 25 36 25 9.5 90614 UC314 F614 F314 M22 70 F90615 UCF315 160 82 32 236 184 66 25 39 25 12 90615 UC315 F615 F315 M22 75 F90616 UCF316 170 86 34 250 196 68 27 38 31 14 90616 UC316 F616 F316 M27 80 F90617 UCF317 180 96 40 260 204 74 27 44 31 16 90617 UC317 F617 F317 M27 85 F90618 UCF318 190 96 40 280 216 76 30 44 35 19 90618 UC318 F618 F318 M30 90 F90619 UCF319 200 103 41 290 228 94 30 59 35 22 90619 UC319 F619 F319 M30 95 F90620 UCF320 215 108 42 310 242 94 32 59 38 26 90620 UC320 F620 F320 M33 100 F90621 UCF321 225 112 44 310 242 94 32 59 38 27 90621 UC321 F621 F321 M33 105 F90622 UCF322 240 117 46 340 266 96 35 60 41 38 90622 UC322 F622 F322 M36 110F90624 UCF324 260 126 51 370 290 110 40 65 41 50 90624 UC324 F624 F324 M36 120 F90626 UCF326 280 135 54 410 320 115 45 65 41 66 90626 UC326 F626 F326 M36 130 F90628 UCF328 300 145 59 450 350 125 55 75 41 90 90628 UC328 F628 F328 M36 140L90500型(UCFLU200) 带菱形座顶丝外球面球轴承参数表带座轴承型号外形尺寸带座轴承重量配用轴承代号配用轴承座代号螺栓尺寸配合轴径D B S L J H A A1 A2 N KgL90503 40 27.4 11.5 99 76.5 54 27 11 17 12 0.6 90503 L503 M10 17L90504 UCFLU204 47 31 12.7 113 90 60 30 11 19 12 0.6 90504 UC204 L504 FLU204 M10 20L90505 UCFLU205 52 34.1 14.3 125 99 68 30 13 19 12 0.7 90505 UC205 L505 FLU205 M10 25L90506 UCFLU206 62 38.1 15.9 142 116.5 80 33 13 20 12 1 90506 UC206 L506 FLU206 M10 30L90507 UCFLU207 72 42.9 17.5 156 130 90 36 15 21 14 1.3 90507 UC207 L507 FLU207 M12 35L90508 UCFLU208 80 49.2 19 172 143.5 100 39 15 24 14 1.7 90508 UC208 L508 FLU208 M12 40L90509 UCFLU209 85 49.2 19 180 148.5 108 40 16 24 16 2 90509 UC209 L509 FLU209 M14 45L90510 UCFLU210 90 51.6 19 190 157 115 46 16 28 18 2.5 90510 UC210 L510 FLU210 M16 50L90511 UCFLU211 100 55.6 22.2 217 184 130 49 18 31 18 3.4 90511 UC211 L511 FLU211 M16 55L90512 UCFLU212 110 65.1 25.4 235 202 140 53 18 34 18 4.3 90512 UC212 L512 FLU212 M16 60L90513 UCFLU213 120 65.1 25.4 248 210 155 59 22 38 20.5 5 UC213 FLU213 M18 65L90514 UCFLU214 125 74.6 30.2 257 216 160 62 22 38 20.5 5.6 UC214 FLU214 M18 70L90515 UCFLU215 130 77.8 33.3 266 225 165 65 22 41 20.5 6.2 UC215 FLU215 M18 75L90600型(UCFL300) 带菱形座顶丝外球面球轴承参数表带座轴承型号外形尺寸带座轴承重量配用轴承代号配用轴承座代号螺栓尺寸配合轴径D B S L J H A A1 A2 N KgL90605 UCFL305 62 38 15 150 113 80 29 13 16 19 1.1 90605 UC305 L605 FL305 M16 25 L90606 UCFL306 72 43 17 180 134 90 32 15 18 23 1.5 90606 UC306 L606 FL306 M20 30 L90607 UCFL307 80 48 19 185 141 100 36 16 20 23 1.9 90607 UC307 L607 FL307 M20 35 L90608 UCFL308 90 52 19 200 158 112 40 17 23 23 2.5 90608 UC308 L608 FL308 M20 40 L90609 UCFL309 100 57 22 230 177 125 44 18 25 25 3.4 90609 UC309 L609 FL309 M22 45 L90610 UCFL310 110 61 22 240 187 140 48 19 28 25 4.4 90610 UC310 L610 FL310 M22 50 L90611 UCFL311 120 66 25 250 198 150 52 20 30 25 5.1 90611 UC311 L611 FL311 M22 55 L90612 UCFL312 130 71 26 270 212 160 56 22 33 31 6.1 90612 UC312 L612 FL312 M27 60 L90613 UCFL313 140 75 30 295 240 175 58 25 33 31 7.8 90613 UC313 L613 FL313 M27 65 L90614 UCFL314 150 78 33 315 250 185 61 28 36 35 9 90614 UC314 L614 FL314 M30 70 L90615 UCFL315 160 82 32 320 260 195 66 30 39 35 10 90615 UC315 L615 FL315 M30 75 L90616 UCFL316 170 86 34 355 285 210 68 32 38 38 13 90616 UC316 L616 FL316 M33 80 L90617 UCFL317 180 96 40 370 300 220 74 32 44 38 15 90617 UC317 L617 FL317 M33 85 L90618 UCFL318 190 96 40 385 315 235 76 36 44 38 18 90618 UC318 L618 FL318 M33 90 L90619 UCFL319 200 103 41 405 330 250 94 40 59 41 22 90619 UC319 L619 FL319 M36 95 L90620 UCFL320 215 108 42 440 360 270 94 40 59 44 27 90620 UC320 L620 FL320 M39 100 L90621 UCFL321 225 112 44 440 360 270 94 40 59 44 27 90621 UC321 L621 FL321 M39 105 L90622 UCFL322 240 117 46 470 390 300 96 42 60 44 33 90622 UC322 L622 FL322 M39 110 L90624 UCFL324 260 126 51 520 430 330 110 48 65 47 48 90624 UC324 L624 FL324 M42 120L90626 UCFL326 280 135 54 550 460 360 115 50 65 47 58 90626 UC326 L626 FL326 M42 130 L90628 UCFL328 300 145 59 600 500 400 125 60 75 51 81 90628 UC328 L628 FL328 M45 140LA90500(UCFA200)型带可调菱形座顶丝外球面球轴承参数表带座轴承型号外形尺寸带座轴承重量配用轴承代号配用轴承座代号螺栓尺寸配合轴径D B S L J H H1 H2 A A1 A2 N N1 KgLA90500 40 27.4 11.5 102 78 60 54 40 25.5 12 15 10 10 0.7 90503 LA503 M8LA90504 47 31 12.7 102 78 60 54 40 25.5 12 15 10 10 0.6 90504 LA504 M8 20 LA90505 52 34.1 14.3 125 98 68 65 51 27 14 16 12 13 0.8 90505 LA505 M10 25 LA90506 62 38.1 15.9 144 117 80 72 58 31 14 18 12 13 1.2 90506 LA506 M10 30 LA90507 72 42.9 17.5 161 130 90 82 66 34 16 19 15 15 1.5 90507 LA507 M12 35 LA90508 80 49.2 19 175 144 100 87 71 36 16 21 15 15 1.8 90508 LA508 M12 40 LA90509 85 49.2 19 181 148 108 90 72 38 18 22 15 15 2.2 90509 LA509 M12 45 LA90510 90 51.6 19 190 157 115 94 76 40 18 22 15 15 2.6 90510 LA510 M12 50 LA90511 100 55.6 22.2 219 184 130 104 86 43 20 25 16 17 3.6 90511 LA511 M14 55LA90500(UCFA200)型带可调菱形座顶丝外球面球轴承参数表带座轴承型号外形尺寸带座轴承重量配用轴承代号配用轴承座代号螺栓尺寸配合轴径D B S L J H H1 H2 A A1 A2 N N1 KgLA90500 40 27.4 11.5 102 78 60 54 40 25.5 12 15 10 10 0.7 90503 LA503 M8LA90504 47 31 12.7 102 78 60 54 40 25.5 12 15 10 10 0.6 90504 LA504 M8 20 LA90505 52 34.1 14.3 125 98 68 65 51 27 14 16 12 13 0.8 90505 LA505 M10 25 LA90506 62 38.1 15.9 144 117 80 72 58 31 14 18 12 13 1.2 90506 LA506 M10 30 LA90507 72 42.9 17.5 161 130 90 82 66 34 16 19 15 15 1.5 90507 LA507 M12 35 LA90508 80 49.2 19 175 144 100 87 71 36 16 21 15 15 1.8 90508 LA508 M12 40 LA90509 85 49.2 19 181 148 108 90 72 38 18 22 15 15 2.2 90509 LA509 M12 45 LA90510 90 51.6 19 190 157 115 94 76 40 18 22 15 15 2.6 90510 LA510 M12 50 LA90511 100 55.6 22.2 219 184 130 104 86 43 20 25 16 17 3.6 90511 LA511 M14 55TY90500型(UCFC200) 带凸台圆形座顶丝外球面球轴承参数表带座轴承型号外形尺寸带座轴承重量配用轴承代号配用轴承座代号螺栓尺寸配合轴径D B S D1 D2 J P A A1 A2 A3 N KgTY90503 40 27.4 11.5 58 97 53 75 19 4 9 6 12 0.5 90503 TY503 M10 17 TY90504 UCFC204 47 31 12.7 62 100 55.1 78 20.5 5 10 7 12 0.7 90504 UC204 TY504 FC204 M10 20 TY90505 UCFC205 52 34.1 14.3 70 115 63.5 90 21 6 10 7 12 1 90505 UC205 TY505 FC205 M10 25 TY90506 UCFC206 62 38.1 15.9 80 125 70.7 100 23 8 10 8 12 1.3 90506 UC206 TY506 FC206 M10 30 TY90507 UCFC207 72 42.9 17.5 90 135 77.8 110 26 8 11 9 14 1.6 90507 UC207 TY507 FC207 M12 35 TY90508 UCFC208 80 49.2 19 100 145 84.8 120 26 10 11 9 14 2.1 90508 UC208 TY508 FC208 M12 40 TY90509 UCFC209 85 49.2 19 105 160 93.3 132 26 12 10 14 16 2.7 90509 UC209 TY509 FC209 M14 45 TY90510 UCFC210 90 51.6 19 110 165 97.6 138 28 12 10 14 16 3.1 90510 UC210 TY510 FC210 M14 50 TY90511 UCFC211 100 55.6 22.2 125 185 106.1 150 31 12 13 15 19 4.2 90511 UC211 TY511 FC211 M16 55 TY90512 UCFC212 110 65.1 25.4 135 195 113.1 160 36 12 17 15 19 5.3 90512 UC212 TY512 FC212 M16 60 TY90513 UCFC213 120 65.1 25.4 145 205 120.2 170 36 14 16 15 19 6 90513 UC213 TY513 FC213 M16 65 TY90514 UCFC214 125 74.6 30.2 150 215 125.1 177 40 14 17 18 19 7 90514 UC214 TY514 FC214 M16 70 TY90515 UCFC215 130 77.8 33.3 160 220 130.1 184 40 16 18 18 19 7.8 90515 UC215 TY515 FC215 M16 75 TY90516 UCFC216 140 82.6 33.3 170 240 141.4 200 42 16 18 18 23 9.3 90516 UC216 TY516 FC216 M20 80 TY90517 UCFC217 150 85.7 34.1 180 250 147.1 208 45 18 18 20 23 11 90517 UC217 TY517 FC217 M20 85 TY90518 UCFC218 160 96 39.7 190 265 155.5 220 50 18 22 20 23 13 90518 UC218 TY518 FC218 M20 90带座轴承型号外形尺寸带座轴承重量配用轴承代号配用轴承座代号配合轴径D B S L L1 L2 H H1 A A1 A2 N N1 N2 KgK90503 UCT203 47 31 12.7 94 61 10 89 76 32 12 21 19 16 32 0.8 90503 UC203 K503 T203 17 K90504 UCT204 47 31 12.7 94 61 10 89 76 32 12 21 19 16 32 0.8 90504 UC204 K504 T204 20 K90505 UCT205 52 34.1 14.3 97 62 10 89 76 32 12 24 19 16 32 0.9 90505 UC205 K505 T205 25 K90506 UCT206 62 38.1 15.9 113 70 10 102 89 32 12 28 22 16 37 1.3 90506 UC206 K506 T206 30 K90507 UCT207 72 42.9 17.5 129 78 13 102 89 37 12 30 22 16 37 1.7 90507 UC207 K507 T207 35 K90508 UCT208 80 49.2 19 144 88 16 114 102 49 16 33 29 19 49 2.3 90508 UC208 K508 T208 40 K90509 UCT209 85 49.2 19 144 87 16 117 102 49 16 35 29 19 49 2.4 90509 UC209 K509 T209 45 K90510 UCT210 90 51.6 19 149 90 16 117 102 49 16 37 29 19 49 2.5 90510 UC210 K510 T210 50 K90511 UCT211 100 55.6 22.2 171 106 19 146 130 64 22 38 35 25 64 3.8 90511 UC211 K511 T211 55 K90512 UCT212 110 65.1 25.4 194 119 19 146 130 64 22 42 35 32 64 4.7 90512 UC212 K512 T212 60 UCT213 120 65.1 25.4 224 137 21 167 151 70 26 44 41 32 70 7 UC213 T213 65 UCT214 125 74.6 30.2 224 137 21 167 151 70 26 46 41 32 70 7.3 UC214 T214 70 UCT215 130 77.8 33.3 232 140 21 167 151 70 26 48 41 32 70 7.7 UC215 T215 75 UCT216 140 82.6 33.3 235 140 21 184 165 70 26 51 41 32 70 8.4 UC216 T216 80 UCT217 150 85.7 34.1 260 162 29 198 173 73 30 54 48 38 73 11 UC217 T217 85带座轴承型号外形尺寸带座轴承重量配用轴承代号配用轴承座代号配合轴径D B S L L1 L2 H H1 A A1 A2 N N1 N2 KgK90605 UCT305 62 38 15 122 76 12 89 80 36 12 26 26 16 36 1.4 90605 UC305 K605 T305 25 K90606 UCT306 72 43 17 137 85 14 100 90 41 16 28 28 18 41 1.8 90606 UC306 K606 T306 30 K90607 UCT307 80 48 19 150 94 15 111 100 45 16 32 30 20 45 2.4 90607 UC307 K607 T307 35 K90608 UCT308 90 52 19 162 100 17 124 112 50 18 34 32 22 50 3 90608 UC308 K608 T308 40 K90609 UCT309 100 57 22 178 110 18 138 125 55 18 38 34 24 55 4 90609 UC309 K609 T309 45 K90610 UCT310 110 61 22 191 117 20 151 140 61 20 40 37 27 61 5 90610 UC310 K610 T310 50 K90611 UCT311 120 66 25 207 127 21 163 150 66 22 44 39 29 66 6.4 90611 UC311 K611 T311 55 K90612 UCT312 130 71 26 220 135 23 178 160 71 22 46 41 31 71 7.6 90612 UC312 K612 T312 60 K90613 UCT313 140 75 30 238 146 25 190 170 80 26 50 43 32 70 9.7 90613 UC313 K613 T313 65 K90614 UCT314 150 78 33 252 155 25 202 180 90 26 52 46 36 85 11 90614 UC314 K614 T314 70 K90615 UCT315 160 82 32 262 160 25 216 192 90 26 55 46 36 85 14 90615 UC315 K615 T315 75 K90616 UCT316 170 86 34 282 174 28 230 204 102 30 60 53 42 98 16 90616 UC316 K616 T316 80 K90617 UCT317 180 96 40 298 183 30 240 214 102 32 64 53 42 98 20 90617 UC317 K617 T317 85 K90618 UCT318 190 96 40 312 192 30 255 228 110 32 66 57 46 106 22 90618 UC318 K618 T318 90 K90619 UCT319 200 103 41 322 197 31 270 240 110 35 72 57 46 106 25 90619 UC319 K619 T319 95 K90620 UCT320 215 108 42 345 210 32 290 260 120 35 75 59 48 115 32 90620 UC320 K620 T320 100 K90621 UCT321 225 112 44 345 210 32 290 260 120 35 75 59 48 115 32 90621 UC321 K621 T321 105 K90622 UCT322 240 117 46 385 235 38 320 285 130 38 80 65 52 125 40 90622 UC322 K622 T322 110 K90624 UCT324 260 126 51 432 267 42 355 320 140 45 90 70 60 140 55 90624 UC324 K624 T324 120K90626 UCT326 280 135 54 465 285 45 385 350 150 50 100 75 65 150 69 90626 UC326 K626 T326 130 K90628 UCT328 300 145 59 515 315 50 415 380 155 50 100 80 70 160 84 90628 UC328 K628 T328 140CL90500型(SAPFL200) 带冲压菱形座顶丝外球面球轴承参数表带座轴承型号外形尺寸带座轴承重量配用轴承代号配用轴承座代号螺栓尺寸配合轴径D B S L J H A A1 N KgCL90503 40 28.6 6.5 80 63.5 59 15 4 7.1 0.22 90503 CL203 M6 17 CL90504 47 31 7.5 90 71.5 66 17 4 9 0.22 90504 CL204 M8 20 CL90505 52 31 7.5 95 76 71 17 4 9 0.28 90505 CL205 M8 25 CL90506 62 35.7 9.0 112 90.5 84 19 5 11 0.48 90506 CL206 M10 30 CL90507 72 38.9 9.5 122 100 94 21 5 11 0.59 90507 CL207 M10 35H90500型(UCC200) 带环形座顶丝外球面球轴承参数表带座轴承型号外形尺寸带座轴承重量配用轴承代号配用轴承座代号配合轴径D B S D1 A A1 r KgY90503 UCWC203 40 27.4 11.5 67 20 10 1.1 0.5 90503 Y503 17 Y90504 UCC204 47 31 12.7 72 20 10 1.1 0.5 90504 UC204 Y504 C204 20 Y90505 UCC205 52 34.1 14.3 80 22 11 1.1 0.7 90505 UC205 Y505 C205 25 Y90506 UCC206 62 38.1 15.9 85 27 13.5 1.1 0.9 90506 UC206 Y506 C206 30 Y90507 UCC207 72 42.9 17.5 90 28 14 1.1 1 90507 UC207 Y507 C207 35 Y90508 UCC208 80 49.2 19 100 30 15 1.5 1.3 90508 UC208 Y508 C208 40 Y90509 UCC209 85 49.2 19 110 31 15.5 1.5 1.6 90509 UC209 Y509 C209 45 Y90510 UCC210 90 51.6 19 120 33 16.5 1.5 2 90510 UC210 Y510 C210 50 Y90511 UCC211 100 55.6 22.2 125 35 17.5 1.5 2.2 90511 UC211 Y511 C211 55Y90512 UCC212 110 65.1 25.5 130 38 19 1.5 2.6 90512 UC212 Y512 C212 60 Y90513 UCC213 120 65.1 25.5 140 40 20 2 3.1 90513 UC213 Y513 C213 65H90600型(UCC300) 带环形座顶丝外球面球轴承参数表带座轴承型号外形尺寸带座轴承重量配用轴承代号配用轴承座代号配合轴径D B S D1 A A1 r KgY90605 UCC305 62 38 15 90 26 13 1.5 1.1 90605 UC305 Y605 C305 25 Y90606 UCC306 72 43 17 100 28 14 1.5 1.4 90606 UC306 Y606 C306 30 Y90607 UCC307 80 48 19 110 32 16 2 1.8 90607 UC307 Y607 C307 35 Y90608 UCC308 90 52 19 120 34 17 2 2.2 90608 UC308 Y608 C308 40 Y90609 UCC309 100 57 22 130 38 19 2.1 2.7 90609 UC309 Y609 C309 45 Y90610 UCC310 110 61 22 140 40 20 2.1 3.3 90610 UC310 Y610 C310 50 Y90611 UCC311 120 66 25 150 44 22 2.1 3.9 90611 UC311 Y611 C311 55 Y90612 UCC312 130 71 26 160 46 23 2.1 4.8 90612 UC312 Y612 C312 60 Y90613 UCC313 140 75 30 170 50 25 2.1 5.8 90613 UC313 Y613 C313 65 Y90614 UCC314 150 78 33 180 52 26 3 6.6 90614 UC314 Y614 C314 70 Y90615 UCC315 160 82 32 190 55 27.5 3 7.8 90615 UC315 Y615 C315 75 Y90616 UCC316 170 86 34 200 60 30 3 9 90616 UC316 Y616 C316 80 Y90617 UCC317 180 96 40 215 64 32 3 11 90617 UC317 Y617 C317 85 Y90618 UCC318 190 96 40 225 66 33 3 12 90618 UC318 Y618 C318 90 Y90619 UCC319 200 103 41 240 72 36 3 15 90619 UC319 Y619 C319 95 Y90620 UCC320 215 108 42 260 75 37.5 3 19 90620 UC320 Y620 C320 100 Y90621 UCC321 225 112 44 260 75 37.5 3 19 90621 UC321 Y621 C321 105Y90622 UCC322 240 117 46 300 80 40 4 28 90622 UC322 Y622 C322 110 Y90624 UCC324 260 126 51 320 90 45 4 35 90624 UC324 Y624 C324 120 Y90626 UCC326 280 135 54 340 100 50 4 42 90626 UC326 Y626 C326 130 Y90628 UCC328 300 145 59 360 100 50 4 49 90628 UC328 Y628 C328 140。
Z90500型(UCP200) 带立式座顶丝外球面球轴承参数表
????Z90600型(UCP300) 带立式座顶丝外球面球轴承参数表
????UCPH200(ZH90500)型带高中心立式座顶丝外球面球轴承参数表
ZA90500(UCPA200)型带窄立式座顶丝外球面球轴承参数表
F90500型(UCFU200) 带方形座顶丝外球面球轴承参数表
????F90600型(UCF300) 带方形座顶丝外球面球轴承
L90500型(UCFLU200) 带菱形座顶丝外球面球轴承参数表
????L90600型(UCFL300) 带菱形座顶丝外球面球轴承参数表
????LA90500(UCFA200)型带可调菱形座顶丝外球面球轴承参数表
LA90500(UCFA200)型带可调菱形座顶丝外球面球轴承参数表
TY90500型(UCFC200) 带凸台圆形座顶丝外球面球轴承参数表
????K90500型(UCK200) 带滑块座顶丝外球面球轴承参数表
????K90600型(UCT300) 带滑块座顶丝外球面球轴承参数表
CL90500型(SAPFL200) 带冲压菱形座顶丝外球面球轴承参数表
????H90500型(UCC200) 带环形座顶丝外球面球轴承参数表
????H90600型(UCC300) 带环形座顶丝外球面球轴承参数表。
Z90500型(UCP200) 带立式座顶丝外球面球轴承参数表带座轴承型号外形尺寸带座轴承重量配用轴承代号配用轴承座代号螺栓尺寸配合轴径D B S L J H H1 H2 A N N1 KgZ90501 UCWP201 40 27.4 11.5 125 96 30.2 57 14 36 13 19 0.6 90501 UC201 M10 17 Z90502 UCWP202 40 27.4 11.5 125 96 30.2 57 14 36 13 19 0.6 90502 UC202 M10 17 Z90503 UCWP203 40 27.4 11.5 125 96 30.2 57 14 36 13 19 0.6 90503 UC203 M10 17 Z90504 UCP204 47 31 12.7 127 95 33.3 65 14 38 13 19 0.7 90504 UC204 M10 20 Z90505 UCP205 52 34.1 14.3 140 105 36.5 71 15 38 13 19 0.8 90505 UC205 M10 25 Z90506 UCP206 62 38.1 15.9 165 121 42.9 83 17 48 17 23 1.3 90506 UC206 M14 30 Z90507 UCP207 72 42.9 17.5 167 127 47.6 93 18 48 17 23 1.6 90507 UC207 M14 35 Z90508 UCP208 80 49.2 19 184 137 49.2 100 18 54 17 23 1.9 90508 UC208 M14 40 Z90509 UCP209 85 49.2 19 190 146 54 106 20 54 17 23 2.2 90509 UC209 M14 45 Z90510 UCP210 90 51.6 19 206 159 57.2 114 21 60 20 26 2.6 90510 UC210 M16 50 Z90511 UCP211 100 55.6 22.2 219 171 63.5 126 23 60 20 26 3.3 90511 UC211 M16 55 Z90512 UCP212 110 65.1 25.4 241 184 69.8 138 25 70 20 26 4.6 90512 UC212 M16 60 Z90513 UCP213 120 65.1 25.4 265 203 76.2 151 27 70 25 31 5.9 90513 UC213 M20 65 Z90514 UCP214 125 74.6 30.2 266 210 79.4 157 27 72 25 31 6.6 90514 UC214 M20 70 Z90515 UCP215 130 77.8 33.3 275 217 82.6 163 28 74 25 31 7.4 90515 UC215 M20 75 Z90516 UCP216 140 82.6 33.3 292 232 88.9 175 30 78 25 31 9 90516 UC216 M20 80 Z90517 UCP217 150 85.7 34.1 310 247 95.2 187 32 83 25 31 11 90517 UC217 M20 85 Z90518 UCP218 160 96 39.7 327 262 101.6 200 33 88 27 33 13 90518 UC218 M22 90 UCP220 180 108 42 380 308 115 225 40 95 30 38 16 UC220 M24Z90600型(UCP300) 带立式座顶丝外球面球轴承参数表带座轴承型号外形尺寸带座轴承重量配用轴承代号配用轴承座代号螺栓尺寸配合轴径D B S L J H H1 H2 A N N1 Kg mm mmZ90605 UCP305 62 38 15 175 132 45 85 15 45 17 20 1.4 90605 UC305 Z605 P305 M14 25 Z90606 UCP306 72 43 17 180 140 50 95 18 50 17 20 1.8 90606 UC306 Z606 P306 M14 30 Z90607 UCP307 80 48 19 210 160 56 106 20 56 17 25 2.8 90607 UC307 Z607 P307 M14 35 Z90608 UCP308 90 52 19 220 170 60 116 22 60 17 27 3 90608 UC308 Z608 P308 M14 40 Z90609 UCP309 100 57 22 245 190 67 129 24 67 20 30 4.1 90609 UC309 Z609 P309 M16 45 Z90610 UCP310 110 61 22 275 212 75 143 27 75 20 35 5.8 90610 UC310 Z610 P310 M16 50 Z90611 UCP311 120 66 25 310 236 80 154 30 80 20 38 7.4 90611 UC311 Z611 P311 M16 55 Z90612 UCP312 130 71 26 330 250 85 165 32 85 25 38 9.4 90612 UC312 Z612 P312 M20 60 Z90613 UCP313 140 75 30 340 260 90 176 33 90 25 38 10 90613 UC313 Z613 P313 M20 65 Z90614 UCP314 150 78 33 360 280 95 187 35 90 27 40 12 90614 UC314 Z614 P314 M22 70 Z90615 UCP315 160 82 32 380 290 100 198 35 100 27 40 14 90615 UC315 Z615 P315 M22 75 Z90616 UCP316 170 86 34 400 300 106 210 40 110 27 40 18 90616 UC316 Z616 P316 M22 80 Z90617 UCP317 180 96 40 420 320 112 220 40 110 33 45 20 90617 UC317 Z617 P317 M27 85 Z90618 UCP318 190 96 40 430 330 118 235 45 110 33 45 24 90618 UC318 Z618 P318 M27 90 Z90619 UCP319 200 103 41 470 360 125 250 45 120 36 50 29 90619 UC319 Z619 P319 M30 95 Z90620 UCP320 215 108 42 490 380 140 275 50 120 36 50 35 90620 UC320 Z620 P320 M30 100 Z90621 UCP321 225 112 44 490 380 140 280 50 120 36 50 35 90621 UC321 Z621 P321 M30 105Z90622 UCP322 240 117 46 520 400 150 300 55 140 40 55 45 90622 UC322 Z622 P322 M33 110 Z90624 UCP324 260 126 51 570 450 160 320 65 140 40 55 55 90624 UC324 Z624 P324 M33 120 Z90626 UCP326 280 135 54 600 480 180 355 75 140 40 55 72 90626 UC326 Z626 P326 M33 130 Z90628 UCP328 300 145 59 620 500 200 390 75 140 40 55 89 90628 UC328 Z628 P328 M33 140UCPH200(ZH90500)型带高中心立式座顶丝外球面球轴承参数表带座轴承型号外形尺寸带座轴承重量配用轴承代号配用轴承座代号螺栓尺寸配合轴径D B S L J H H1 H2 A N N1 KgZH90503 40 27.4 11.5 127 95 70 101 15 40 13 19 1 90503 ZH503 M10 17 ZH90504 47 31 12.7 127 95 70 101 15 40 13 19 1 90504 ZH504 M10 20 ZH90505 52 34.1 14.3 140 105 80 114 16 50 13 19 1.2 90505 ZH505 M10 25 ZH90506 62 38.1 15.9 165 121 90 130 18 50 17 21 1.8 90506 ZH506 M14 30 ZH90507 72 42.9 17.5 167 127 95 140 19 60 17 21 2.4 90507 ZH507 M14 35 ZH90508 80 49.2 19 184 137 100 149 19 70 17 25 2.4 90508 ZH508 M14 40 ZH90509 85 49.2 19 190 146 105 157 20 70 17 25 3.7 90509 ZH509 M14 45 ZH90510 90 51.6 19 206 159 110 165 22 70 20 25 4.1 90510 ZH510 M16 50ZA90500(UCPA200)型带窄立式座顶丝外球面球轴承参数表带座轴承型号外形尺寸带座轴承重量配用轴承代号配用轴承座代号螺栓尺寸配合轴径D B S L J H H1 H2 H3 A dN KgZA90503 40 27.4 11.5 76 52 30.2 62 11 12 40 M10 0.6 90503 ZA503 M10 17 ZA90504 47 31 12.7 76 52 30.2 62 11 12 40 M10 0.6 90504 ZA504 M10 20 ZA90505 52 34.1 14.3 84 56 36.5 72 12 15 45 M10 0.8 90505 ZA505 M10 25 ZA90506 62 38.1 15.9 94 66 42.9 84 12 18 50 M12 1.2 90506 ZA506 M12 30 ZA90507 72 42.9 17.5 110 80 47.6 95 13 20 55 M12 1.7 90507 ZA507 M12 35 ZA90508 80 49.2 19 116 84 49.2 100 13 20 58 M12 2 90508 ZA508 M12 40 ZA90509 85 49.2 19 120 90 54.2 108 13 22 60 M12 2.2 90509 ZA509 M12 45 ZA90510 90 51.6 19 130 94 57.2 116 14 25 64 M16 2.9 90510 ZA510 M16 50F90500型(UCFU200) 带方形座顶丝外球面球轴承参数表带座轴承型号外形尺寸带座轴承重量配用轴承代号配用轴承座代号螺栓尺寸配合轴径D B S L J A A1 A2 N KgF90503 UCFU203 40 27.4 11.5 76 54 27 11 17 12 0.6 90503 F503 M10 17 F90504 UCFU204 47 31 12.7 86 63.5 30 11 19 12 0.7 90504 UC204 F504 FU204 M10 20 F90505 UCFU205 52 34.1 14.3 95 70 30 13 19 12 0.9 90505 UC205 F505 FU205 M10 25 F90506 UCFU206 62 38.1 15.9 108 82.5 33 13 20 12 1.1 90506 UC206 F506 FU206 M10 30 F90507 UCFU207 72 42.9 17.5 117 92 36 15 21 14 1.5 90507 UC207 F507 FU207 M12 35 F90508 UCFU208 80 49.2 19 130 101.5 39 15 24 16 1.9 90508 UC208 F508 FU208 M14 40 F90509 UCFU209 85 49.2 19 137 105 40 16 24 16 2.3 90509 UC209 F509 FU209 M14 45 F90510 UCFU210 90 51.6 19 143 111 46 16 28 19 2.7 90510 UC210 F510 FU210 M16\M14 50 F90511 UCFU211 100 55.6 22.2 162 130 49 18 31 19 3.9 90511 UC211 F511 FU211 M16 55 F90512 UCFU212 110 65.1 25.4 175 143 53 18 34 19 4.7 90512 UC212 F512 FU212 M16 60 F90513 UCFU213 120 65.1 25.4 187 149.5 52 21 34 19 5.7 90513 UC213 F513 FU213 M16 65 F90514 UCFU214 125 74.6 30.2 193 152 54 22 35 19 6.1 90514 UC214 F514 FU214 M16 70 F90515 UCFU215 130 77.8 33.3 200 159 58 22 35 19 6.9 90515 UC215 F515 FU215 M16 75 F90516 UCFU216 140 82.6 33.3 208 165 58 22 35 23 8.1 90516 UC216 F516 FU216 M20 80 F90517 UCFU217 150 85.7 34.1 220 175 63 24 36 23 9.3 90517 UC217 F517 FU217 M20 85 F90518 UCFU218 160 96 39.7 235 187 68 24 42 23 11 90518 UC218 F518 FU218 M20 90 UCFU220 180 108 42 265 210 74 28 44 27 12 UC220 FU220 M22F90600型(UCF300) 带方形座顶丝外球面球轴承带座轴承型号外形尺寸带座轴承重量配用轴承代号配用轴承座代号螺栓尺寸配合轴径D B S L J A A1 A2 N KgF90605 UCF305 62 38 15 110 80 29 13 16 16 1.1 90605 UC305 F605 F305 M14 25 F90606 UCF306 72 43 17 125 95 32 15 18 16 1.6 90606 UC306 F606 F306 M14 30 F90607 UCF307 80 48 19 135 100 36 16 20 19 2 90607 UC307 F607 F307 M16 35 F90608 UCF308 90 52 19 150 112 40 17 23 19 2.7 90608 UC308 F608 F308 M16 40 F90609 UCF309 100 57 22 160 125 44 18 25 19 3.4 90609 UC309 F609 F309 M16 45 F90610 UCF310 110 61 22 175 132 48 19 28 23 4.5 90610 UC310 F610 F310 M20 50 F90611 UCF311 120 66 25 185 140 52 20 30 23 5.5 90611 UC311 F611 F311 M20 55 F90612 UCF312 130 71 26 195 150 56 22 33 23 6.5 90612 UC312 F612 F312 M20 60 F90613 UCF313 140 75 30 208 166 58 22 33 23 7.9 90613 UC313 F613 F313 M20 65 F90614 UCF314 150 78 33 226 178 61 25 36 25 9.5 90614 UC314 F614 F314 M22 70 F90615 UCF315 160 82 32 236 184 66 25 39 25 12 90615 UC315 F615 F315 M22 75 F90616 UCF316 170 86 34 250 196 68 27 38 31 14 90616 UC316 F616 F316 M27 80 F90617 UCF317 180 96 40 260 204 74 27 44 31 16 90617 UC317 F617 F317 M27 85 F90618 UCF318 190 96 40 280 216 76 30 44 35 19 90618 UC318 F618 F318 M30 90 F90619 UCF319 200 103 41 290 228 94 30 59 35 22 90619 UC319 F619 F319 M30 95 F90620 UCF320 215 108 42 310 242 94 32 59 38 26 90620 UC320 F620 F320 M33 100 F90621 UCF321 225 112 44 310 242 94 32 59 38 27 90621 UC321 F621 F321 M33 105F90622 UCF322 240 117 46 340 266 96 35 60 41 38 90622 UC322 F622 F322 M36 110 F90624 UCF324 260 126 51 370 290 110 40 65 41 50 90624 UC324 F624 F324 M36 120 F90626 UCF326 280 135 54 410 320 115 45 65 41 66 90626 UC326 F626 F326 M36 130 F90628 UCF328 300 145 59 450 350 125 55 75 41 90 90628 UC328 F628 F328 M36 140L90500型(UCFLU200) 带菱形座顶丝外球面球轴承参数表带座轴承型号外形尺寸带座轴承重量配用轴承代号配用轴承座代号螺栓尺寸配合轴径D B S L J H A A1 A2 N KgL90503 40 27.4 11.5 99 76.5 54 27 11 17 12 0.6 90503 L503 M10 17L90504 UCFLU204 47 31 12.7 113 90 60 30 11 19 12 0.6 90504 UC204 L504 FLU204 M10 20L90505 UCFLU205 52 34.1 14.3 125 99 68 30 13 19 12 0.7 90505 UC205 L505 FLU205 M10 25L90506 UCFLU206 62 38.1 15.9 142 116.5 80 33 13 20 12 1 90506 UC206 L506 FLU206 M10 30L90507 UCFLU207 72 42.9 17.5 156 130 90 36 15 21 14 1.3 90507 UC207 L507 FLU207 M12 35L90508 UCFLU208 80 49.2 19 172 143.5 100 39 15 24 14 1.7 90508 UC208 L508 FLU208 M12 40L90509 UCFLU209 85 49.2 19 180 148.5 108 40 16 24 16 2 90509 UC209 L509 FLU209 M14 45L90510 UCFLU210 90 51.6 19 190 157 115 46 16 28 18 2.5 90510 UC210 L510 FLU210 M16 50L90511 UCFLU211 100 55.6 22.2 217 184 130 49 18 31 18 3.4 90511 UC211 L511 FLU211 M16 55L90512 UCFLU212 110 65.1 25.4 235 202 140 53 18 34 18 4.3 90512 UC212 L512 FLU212 M16 60L90513 UCFLU213 120 65.1 25.4 248 210 155 59 22 38 20.5 5 UC213 FLU213 M18 65 L90514 UCFLU214 125 74.6 30.2 257 216 160 62 22 38 20.5 5.6 UC214 FLU214 M18 70 L90515 UCFLU215 130 77.8 33.3 266 225 165 65 22 41 20.5 6.2 UC215 FLU215 M18 75L90600型(UCFL300) 带菱形座顶丝外球面球轴承参数表带座轴承型号外形尺寸带座轴承重量配用轴承代号配用轴承座代号螺栓尺寸配合轴径D B S L J H A A1 A2 N KgL90605 UCFL305 62 38 15 150 113 80 29 13 16 19 1.1 90605 UC305 L605 FL305 M16 25 L90606 UCFL306 72 43 17 180 134 90 32 15 18 23 1.5 90606 UC306 L606 FL306 M20 30 L90607 UCFL307 80 48 19 185 141 100 36 16 20 23 1.9 90607 UC307 L607 FL307 M20 35 L90608 UCFL308 90 52 19 200 158 112 40 17 23 23 2.5 90608 UC308 L608 FL308 M20 40 L90609 UCFL309 100 57 22 230 177 125 44 18 25 25 3.4 90609 UC309 L609 FL309 M22 45 L90610 UCFL310 110 61 22 240 187 140 48 19 28 25 4.4 90610 UC310 L610 FL310 M22 50 L90611 UCFL311 120 66 25 250 198 150 52 20 30 25 5.1 90611 UC311 L611 FL311 M22 55 L90612 UCFL312 130 71 26 270 212 160 56 22 33 31 6.1 90612 UC312 L612 FL312 M27 60 L90613 UCFL313 140 75 30 295 240 175 58 25 33 31 7.8 90613 UC313 L613 FL313 M27 65 L90614 UCFL314 150 78 33 315 250 185 61 28 36 35 9 90614 UC314 L614 FL314 M30 70 L90615 UCFL315 160 82 32 320 260 195 66 30 39 35 10 90615 UC315 L615 FL315 M30 75 L90616 UCFL316 170 86 34 355 285 210 68 32 38 38 13 90616 UC316 L616 FL316 M33 80 L90617 UCFL317 180 96 40 370 300 220 74 32 44 38 15 90617 UC317 L617 FL317 M33 85 L90618 UCFL318 190 96 40 385 315 235 76 36 44 38 18 90618 UC318 L618 FL318 M33 90 L90619 UCFL319 200 103 41 405 330 250 94 40 59 41 22 90619 UC319 L619 FL319 M36 95L90620 UCFL320 215 108 42 440 360 270 94 40 59 44 27 90620 UC320 L620 FL320 M39 100 L90621 UCFL321 225 112 44 440 360 270 94 40 59 44 27 90621 UC321 L621 FL321 M39 105 L90622 UCFL322 240 117 46 470 390 300 96 42 60 44 33 90622 UC322 L622 FL322 M39 110 L90624 UCFL324 260 126 51 520 430 330 110 48 65 47 48 90624 UC324 L624 FL324 M42 120 L90626 UCFL326 280 135 54 550 460 360 115 50 65 47 58 90626 UC326 L626 FL326 M42 130 L90628 UCFL328 300 145 59 600 500 400 125 60 75 51 81 90628 UC328 L628 FL328 M45 140LA90500(UCFA200)型带可调菱形座顶丝外球面球轴承参数表带座轴承型号外形尺寸带座轴承重量配用轴承代号配用轴承座代号螺栓尺寸配合轴径D B S L J H H1 H2 A A1 A2 N N1 KgLA90500 40 27.4 11.5 102 78 60 54 40 25.5 12 15 10 10 0.7 90503 LA503 M8LA90504 47 31 12.7 102 78 60 54 40 25.5 12 15 10 10 0.6 90504 LA504 M8 20LA90505 52 34.1 14.3 125 98 68 65 51 27 14 16 12 13 0.8 90505 LA505 M10 25LA90506 62 38.1 15.9 144 117 80 72 58 31 14 18 12 13 1.2 90506 LA506 M10 30LA90507 72 42.9 17.5 161 130 90 82 66 34 16 19 15 15 1.5 90507 LA507 M12 35LA90508 80 49.2 19 175 144 100 87 71 36 16 21 15 15 1.8 90508 LA508 M12 40LA90509 85 49.2 19 181 148 108 90 72 38 18 22 15 15 2.2 90509 LA509 M12 45LA90510 90 51.6 19 190 157 115 94 76 40 18 22 15 15 2.6 90510 LA510 M12 50LA90511 100 55.6 22.2 219 184 130 104 86 43 20 25 16 17 3.6 90511 LA511 M14 55LA90500(UCFA200)型带可调菱形座顶丝外球面球轴承参数表带座轴承型号外形尺寸带座轴承重量配用轴承代号配用轴承座代号螺栓尺寸配合轴径D B S L J H H1 H2 A A1 A2 N N1 KgLA90500 40 27.4 11.5 102 78 60 54 40 25.5 12 15 10 10 0.7 90503 LA503 M8LA90504 47 31 12.7 102 78 60 54 40 25.5 12 15 10 10 0.6 90504 LA504 M8 20 LA90505 52 34.1 14.3 125 98 68 65 51 27 14 16 12 13 0.8 90505 LA505 M10 25 LA90506 62 38.1 15.9 144 117 80 72 58 31 14 18 12 13 1.2 90506 LA506 M10 30 LA90507 72 42.9 17.5 161 130 90 82 66 34 16 19 15 15 1.5 90507 LA507 M12 35 LA90508 80 49.2 19 175 144 100 87 71 36 16 21 15 15 1.8 90508 LA508 M12 40 LA90509 85 49.2 19 181 148 108 90 72 38 18 22 15 15 2.2 90509 LA509 M12 45 LA90510 90 51.6 19 190 157 115 94 76 40 18 22 15 15 2.6 90510 LA510 M12 50 LA90511 100 55.6 22.2 219 184 130 104 86 43 20 25 16 17 3.6 90511 LA511 M14 55TY90500型(UCFC200) 带凸台圆形座顶丝外球面球轴承参数表带座轴承型号外形尺寸带座轴承重量配用轴承代号配用轴承座代号螺栓尺寸配合轴径D B S D1 D2 J P A A1 A2 A3 N KgTY90503 40 27.4 11.5 58 97 53 75 19 4 9 6 12 0.5 90503 TY503 M10 17 TY90504 UCFC204 47 31 12.7 62 100 55.1 78 20.5 5 10 7 12 0.7 90504 UC204 TY504 FC204 M10 20 TY90505 UCFC205 52 34.1 14.3 70 115 63.5 90 21 6 10 7 12 1 90505 UC205 TY505 FC205 M10 25 TY90506 UCFC206 62 38.1 15.9 80 125 70.7 100 23 8 10 8 12 1.3 90506 UC206 TY506 FC206 M10 30 TY90507 UCFC207 72 42.9 17.5 90 135 77.8 110 26 8 11 9 14 1.6 90507 UC207 TY507 FC207 M12 35 TY90508 UCFC208 80 49.2 19 100 145 84.8 120 26 10 11 9 14 2.1 90508 UC208 TY508 FC208 M12 40 TY90509 UCFC209 85 49.2 19 105 160 93.3 132 26 12 10 14 16 2.7 90509 UC209 TY509 FC209 M14 45 TY90510 UCFC210 90 51.6 19 110 165 97.6 138 28 12 10 14 16 3.1 90510 UC210 TY510 FC210 M14 50 TY90511 UCFC211 100 55.6 22.2 125 185 106.1 150 31 12 13 15 19 4.2 90511 UC211 TY511 FC211 M16 55 TY90512 UCFC212 110 65.1 25.4 135 195 113.1 160 36 12 17 15 19 5.3 90512 UC212 TY512 FC212 M16 60 TY90513 UCFC213 120 65.1 25.4 145 205 120.2 170 36 14 16 15 19 6 90513 UC213 TY513 FC213 M16 65 TY90514 UCFC214 125 74.6 30.2 150 215 125.1 177 40 14 17 18 19 7 90514 UC214 TY514 FC214 M16 70 TY90515 UCFC215 130 77.8 33.3 160 220 130.1 184 40 16 18 18 19 7.8 90515 UC215 TY515 FC215 M16 75 TY90516 UCFC216 140 82.6 33.3 170 240 141.4 200 42 16 18 18 23 9.3 90516 UC216 TY516 FC216 M20 80 TY90517 UCFC217 150 85.7 34.1 180 250 147.1 208 45 18 18 20 23 11 90517 UC217 TY517 FC217 M20 85 TY90518 UCFC218 160 96 39.7 190 265 155.5 220 50 18 22 20 23 13 90518 UC218 TY518 FC218 M20 90K90500型(UCK200) 带滑块座顶丝外球面球轴承参数表带座轴承型号外形尺寸带座轴承重量配用轴承代号配用轴承座代号配合轴径D B S L L1 L2 H H1 A A1 A2 N N1 N2 KgK90503 UCT203 47 31 12.7 94 61 10 89 76 32 12 21 19 16 32 0.8 90503 UC203 K503 T203 17 K90504 UCT204 47 31 12.7 94 61 10 89 76 32 12 21 19 16 32 0.8 90504 UC204 K504 T204 20 K90505 UCT205 52 34.1 14.3 97 62 10 89 76 32 12 24 19 16 32 0.9 90505 UC205 K505 T205 25 K90506 UCT206 62 38.1 15.9 113 70 10 102 89 32 12 28 22 16 37 1.3 90506 UC206 K506 T206 30 K90507 UCT207 72 42.9 17.5 129 78 13 102 89 37 12 30 22 16 37 1.7 90507 UC207 K507 T207 35 K90508 UCT208 80 49.2 19 144 88 16 114 102 49 16 33 29 19 49 2.3 90508 UC208 K508 T208 40 K90509 UCT209 85 49.2 19 144 87 16 117 102 49 16 35 29 19 49 2.4 90509 UC209 K509 T209 45 K90510 UCT210 90 51.6 19 149 90 16 117 102 49 16 37 29 19 49 2.5 90510 UC210 K510 T210 50 K90511 UCT211 100 55.6 22.2 171 106 19 146 130 64 22 38 35 25 64 3.8 90511 UC211 K511 T211 55 K90512 UCT212 110 65.1 25.4 194 119 19 146 130 64 22 42 35 32 64 4.7 90512 UC212 K512 T212 60 UCT213 120 65.1 25.4 224 137 21 167 151 70 26 44 41 32 70 7 UC213 T213 65 UCT214 125 74.6 30.2 224 137 21 167 151 70 26 46 41 32 70 7.3 UC214 T214 70 UCT215 130 77.8 33.3 232 140 21 167 151 70 26 48 41 32 70 7.7 UC215 T215 75 UCT216 140 82.6 33.3 235 140 21 184 165 70 26 51 41 32 70 8.4 UC216 T216 80 UCT217 150 85.7 34.1 260 162 29 198 173 73 30 54 48 38 73 11 UC217 T217 85K90600型(UCT300) 带滑块座顶丝外球面球轴承参数表带座轴承型号外形尺寸带座轴承重量配用轴承代号配用轴承座代号配合轴径D B S L L1 L2 H H1 A A1 A2 N N1 N2 KgK90605 UCT305 62 38 15 122 76 12 89 80 36 12 26 26 16 36 1.4 90605 UC305 K605 T305 25 K90606 UCT306 72 43 17 137 85 14 100 90 41 16 28 28 18 41 1.8 90606 UC306 K606 T306 30 K90607 UCT307 80 48 19 150 94 15 111 100 45 16 32 30 20 45 2.4 90607 UC307 K607 T307 35 K90608 UCT308 90 52 19 162 100 17 124 112 50 18 34 32 22 50 3 90608 UC308 K608 T308 40 K90609 UCT309 100 57 22 178 110 18 138 125 55 18 38 34 24 55 4 90609 UC309 K609 T309 45 K90610 UCT310 110 61 22 191 117 20 151 140 61 20 40 37 27 61 5 90610 UC310 K610 T310 50 K90611 UCT311 120 66 25 207 127 21 163 150 66 22 44 39 29 66 6.4 90611 UC311 K611 T311 55 K90612 UCT312 130 71 26 220 135 23 178 160 71 22 46 41 31 71 7.6 90612 UC312 K612 T312 60 K90613 UCT313 140 75 30 238 146 25 190 170 80 26 50 43 32 70 9.7 90613 UC313 K613 T313 65 K90614 UCT314 150 78 33 252 155 25 202 180 90 26 52 46 36 85 11 90614 UC314 K614 T314 70 K90615 UCT315 160 82 32 262 160 25 216 192 90 26 55 46 36 85 14 90615 UC315 K615 T315 75 K90616 UCT316 170 86 34 282 174 28 230 204 102 30 60 53 42 98 16 90616 UC316 K616 T316 80 K90617 UCT317 180 96 40 298 183 30 240 214 102 32 64 53 42 98 20 90617 UC317 K617 T317 85 K90618 UCT318 190 96 40 312 192 30 255 228 110 32 66 57 46 106 22 90618 UC318 K618 T318 90 K90619 UCT319 200 103 41 322 197 31 270 240 110 35 72 57 46 106 25 90619 UC319 K619 T319 95 K90620 UCT320 215 108 42 345 210 32 290 260 120 35 75 59 48 115 32 90620 UC320 K620 T320 100 K90621 UCT321 225 112 44 345 210 32 290 260 120 35 75 59 48 115 32 90621 UC321 K621 T321 105 K90622 UCT322 240 117 46 385 235 38 320 285 130 38 80 65 52 125 40 90622 UC322 K622 T322 110K90624 UCT324 260 126 51 432 267 42 355 320 140 45 90 70 60 140 55 90624 UC324 K624 T324 120 K90626 UCT326 280 135 54 465 285 45 385 350 150 50 100 75 65 150 69 90626 UC326 K626 T326 130 K90628 UCT328 300 145 59 515 315 50 415 380 155 50 100 80 70 160 84 90628 UC328 K628 T328 140CL90500型(SAPFL200) 带冲压菱形座顶丝外球面球轴承参数表带座轴承型号外形尺寸带座轴承重量配用轴承代号配用轴承座代号螺栓尺寸配合轴径D B S L J H A A1 N KgCL90503 40 28.6 6.5 80 63.5 59 15 4 7.1 0.22 90503 CL203 M6 17 CL90504 47 31 7.5 90 71.5 66 17 4 9 0.22 90504 CL204 M8 20 CL90505 52 31 7.5 95 76 71 17 4 9 0.28 90505 CL205 M8 25 CL90506 62 35.7 9.0 112 90.5 84 19 5 11 0.48 90506 CL206 M10 30 CL90507 72 38.9 9.5 122 100 94 21 5 11 0.59 90507 CL207 M10 35H90500型(UCC200) 带环形座顶丝外球面球轴承参数表带座轴承型号外形尺寸带座轴承重量配用轴承代号配用轴承座代号配合轴径D B S D1 A A1 r KgY90503 UCWC203 40 27.4 11.5 67 20 10 1.1 0.5 90503 Y503 17 Y90504 UCC204 47 31 12.7 72 20 10 1.1 0.5 90504 UC204 Y504 C204 20 Y90505 UCC205 52 34.1 14.3 80 22 11 1.1 0.7 90505 UC205 Y505 C205 25 Y90506 UCC206 62 38.1 15.9 85 27 13.5 1.1 0.9 90506 UC206 Y506 C206 30 Y90507 UCC207 72 42.9 17.5 90 28 14 1.1 1 90507 UC207 Y507 C207 35 Y90508 UCC208 80 49.2 19 100 30 15 1.5 1.3 90508 UC208 Y508 C208 40Y90509 UCC209 85 49.2 19 110 31 15.5 1.5 1.6 90509 UC209 Y509 C209 45 Y90510 UCC210 90 51.6 19 120 33 16.5 1.5 2 90510 UC210 Y510 C210 50 Y90511 UCC211 100 55.6 22.2 125 35 17.5 1.5 2.2 90511 UC211 Y511 C211 55 Y90512 UCC212 110 65.1 25.5 130 38 19 1.5 2.6 90512 UC212 Y512 C212 60 Y90513 UCC213 120 65.1 25.5 140 40 20 2 3.1 90513 UC213 Y513 C213 65H90600型(UCC300) 带环形座顶丝外球面球轴承参数表带座轴承型号外形尺寸带座轴承重量配用轴承代号配用轴承座代号配合轴径D B S D1 A A1 r KgY90605 UCC305 62 38 15 90 26 13 1.5 1.1 90605 UC305 Y605 C305 25 Y90606 UCC306 72 43 17 100 28 14 1.5 1.4 90606 UC306 Y606 C306 30 Y90607 UCC307 80 48 19 110 32 16 2 1.8 90607 UC307 Y607 C307 35 Y90608 UCC308 90 52 19 120 34 17 2 2.2 90608 UC308 Y608 C308 40 Y90609 UCC309 100 57 22 130 38 19 2.1 2.7 90609 UC309 Y609 C309 45 Y90610 UCC310 110 61 22 140 40 20 2.1 3.3 90610 UC310 Y610 C310 50 Y90611 UCC311 120 66 25 150 44 22 2.1 3.9 90611 UC311 Y611 C311 55 Y90612 UCC312 130 71 26 160 46 23 2.1 4.8 90612 UC312 Y612 C312 60 Y90613 UCC313 140 75 30 170 50 25 2.1 5.8 90613 UC313 Y613 C313 65 Y90614 UCC314 150 78 33 180 52 26 3 6.6 90614 UC314 Y614 C314 70 Y90615 UCC315 160 82 32 190 55 27.5 3 7.8 90615 UC315 Y615 C315 75 Y90616 UCC316 170 86 34 200 60 30 3 9 90616 UC316 Y616 C316 80 Y90617 UCC317 180 96 40 215 64 32 3 11 90617 UC317 Y617 C317 85Y90618 UCC318 190 96 40 225 66 33 3 12 90618 UC318 Y618 C318 90 Y90619 UCC319 200 103 41 240 72 36 3 15 90619 UC319 Y619 C319 95 Y90620 UCC320 215 108 42 260 75 37.5 3 19 90620 UC320 Y620 C320 100 Y90621 UCC321 225 112 44 260 75 37.5 3 19 90621 UC321 Y621 C321 105 Y90622 UCC322 240 117 46 300 80 40 4 28 90622 UC322 Y622 C322 110 Y90624 UCC324 260 126 51 320 90 45 4 35 90624 UC324 Y624 C324 120 Y90626 UCC326 280 135 54 340 100 50 4 42 90626 UC326 Y626 C326 130 Y90628 UCC328 300 145 59 360 100 50 4 49 90628 UC328 Y628 C328 140。
UCP200带立式座顶丝外球面球轴承参数表带座轴承型号外形尺寸带座轴承重量配用轴承代号配用轴承座代号螺栓尺寸配合轴径D B S L J H H1 H2 A N N1 KgZ90501 UCWP201 40 27.4 11.5 125 96 30.2 57 14 36 13 19 0.6 90501 UC201 M10 17 Z90502 UCWP202 40 27.4 11.5 125 96 30.2 57 14 36 13 19 0.6 90502 UC202 M10 17 Z90503 UCWP203 40 27.4 11.5 125 96 30.2 57 14 36 13 19 0.6 90503 UC203 M10 17 Z90504 UCP204 47 31 12.7 127 95 33.3 65 14 38 13 19 0.7 90504 UC204 M10 20 Z90505 UCP205 52 34.1 14.3 140 105 36.5 71 15 38 13 19 0.8 90505 UC205 M10 25 Z90506 UCP206 62 38.1 15.9 165 121 42.9 83 17 48 17 23 1.3 90506 UC206 M14 30 Z90507 UCP207 72 42.9 17.5 167 127 47.6 93 18 48 17 23 1.6 90507 UC207 M14 35 Z90508 UCP208 80 49.2 19 184 137 49.2 100 18 54 17 23 1.9 90508 UC208 M14 40 Z90509 UCP209 85 49.2 19 190 146 54 106 20 54 17 23 2.2 90509 UC209 M14 45 Z90510 UCP210 90 51.6 19 206 159 57.2 114 21 60 20 26 2.6 90510 UC210 M16 50 Z90511 UCP211 100 55.6 22.2 219 171 63.5 126 23 60 20 26 3.3 90511 UC211 M16 55 Z90512 UCP212 110 65.1 25.4 241 184 69.8 138 25 70 20 26 4.6 90512 UC212 M16 60 Z90513 UCP213 120 65.1 25.4 265 203 76.2 151 27 70 25 31 5.9 90513 UC213 M20 65 Z90514 UCP214 125 74.6 30.2 266 210 79.4 157 27 72 25 31 6.6 90514 UC214 M20 70Z90515UCP215 130 77.8 33.3 275 217 82.6 163 28 74 25 31 7.4 90515 UC215 M20 75 Z90516 UCP216 140 82.6 33.3 292 232 88.9 175 30 78 25 31 9 90516 UC216 M20 80 Z90517 UCP217 150 85.7 34.1 310 247 95.2187 32 83 25 3111 90517 UC217 M20 85 Z90518 UCP218 1609639.7 327 262 101.6 200 33 88 27 33 13 90518UC218 M22 90UCP220 180 10842380 308115225 40 95303816UC220M24UCP300带立式座顶丝外球面球轴承参数表带座轴承型号外形尺寸带座轴承重量 配用轴承代号配用轴承座代号螺栓尺寸配合轴径DB S LJH H1 H2 A N N1Kg mm mm Z90605 UCP305 62 38 15 175 132 45 85 15 45 17 20 1.4 90605 UC305 Z605 P305 M14 25 Z90606 UCP306 72 43 17 180 140 50 95 18 50 17 20 1.8 90606 UC306 Z606 P306 M14 30 Z90607 UCP307 80 48 19 210 160 56 106 20 56 17 25 2.8 90607 UC307 Z607 P307 M14 35 Z90608 UCP308 90 52 19 220 170 60 116 22 60 17 27 3 90608 UC308 Z608 P308 M14 40 Z90609 UCP309 100 57 22 245 190 67 129 24 67 20 30 4.1 90609 UC309 Z609 P309 M16 45 Z90610 UCP310 110 61 22 275 212 75 143 27 75 20 35 5.8 90610 UC310 Z610 P310 M16 50 Z90611 UCP311 120 66 25 310 236 80 154 30 80 20 387.490611 UC311 Z611P311M1655Z90612 UCP312 130 71 26 330 250 85 165 32 85 25 38 9.4 90612 UC312 Z612 P312 M20 60 Z90613 UCP313 140 75 30 340 260 90 176 33 90 25 38 10 90613 UC313 Z613 P313 M20 65 Z90614 UCP314 150 78 33 360 280 95 187 35 90 27 40 12 90614 UC314 Z614 P314 M22 70 Z90615 UCP315 160 82 32 380 290 100 198 35 100 27 40 14 90615 UC315 Z615 P315 M22 75 Z90616 UCP316 170 86 34 400 300 106 210 40 110 27 40 18 90616 UC316 Z616 P316 M22 80 Z90617 UCP317 180 96 40 420 320 112 220 40 110 33 45 20 90617 UC317 Z617 P317 M27 85 Z90618 UCP318 190 96 40 430 330 118 235 45 110 33 45 24 90618 UC318 Z618 P318 M27 90 Z90619 UCP319 200 103 41 470 360 125 250 45 120 36 50 29 90619 UC319 Z619 P319 M30 95 Z90620 UCP320 215 108 42 490 380 140 275 50 120 36 50 35 90620 UC320 Z620 P320 M30 100 Z90621 UCP321 225 112 44 490 380 140 280 50 120 36 50 35 90621 UC321 Z621 P321 M30 105 Z90622 UCP322 240 117 46 520 400 150 300 55 140 40 55 45 90622 UC322 Z622 P322 M33 110 Z90624 UCP324 260 126 51 570 450 160 320 65 140 40 55 55 90624 UC324 Z624 P324 M33 120 Z90626 UCP326 280 135 54 600 480 180 355 75 140 40 55 72 90626 UC326 Z626 P326 M33 130 Z90628 UCP328 300 145 59 620 500 200 390 75 140 40 55 89 90628 UC328 Z628 P328 M33 140????UCPH200型带高中心立式座顶丝外球面球轴承参数表带座轴承型号外形尺寸带座轴承重量配用轴配用轴承螺栓配合DB S L J H H1 H2 A N N1 Kg 承代号 座代号 尺寸 轴径 ZH90503 40 27.4 11.5 127 95 70 101 15 40 13 19 1 90503 ZH503 M10 17 ZH90504 473112.7 1279570 101 15 40 13 19 1 90504 ZH504 M10 20 ZH90505 52 34.1 14.3 140 105 80 114 16 50 13 19 1.2 90505 ZH505 M10 25 ZH90506 62 38.1 15.9 165 121 90 130 18 50 17 21 1.8 90506 ZH506 M14 30 ZH90507 72 42.9 17.5 167 127 95140 19 60 17 212.4 90507 ZH507 M14 35 ZH90508 80 49.2 19 184 137 100 149 19 70 17 25 2.4 90508 ZH508 M14 40 ZH90509 85 49.2 19 190 146 105 157 20 70 17 253.7 90509 ZH509 M14 45 ZH9051090 51.619206 159 110 165 22 70 20 254.190510ZH510M1650UCPA200型 带窄立式座顶丝外球面球轴承参数表带座轴承型号外形尺寸带座轴承重量配用轴承 代号配用轴承 座代号螺栓 尺寸配合 轴径DBSLJH H1 H2 H3 A dNKgZA90503 40 27.4 11.5 76 52 30.2 62 11 12 40 M10 0.6 90503 ZA503 M10 17 ZA90504 47 31 12.7 76 52 30.2 62 11 12 40 M10 0.6 90504 ZA504 M10 20 ZA90505 52 34.1 14.3 84 56 36.5 72 12 15 45 M10 0.8 90505 ZA505 M10 25 ZA9050662 38.1 15.9 94 66 42.9 84 12 18 50 M121.290506ZA506 M1230ZA9050772 42.9 17.5 110 80 47.6 95 13 20 55 M12 1.7 90507 ZA507 M12 35 ZA90508 80 49.2 19 116 84 49.2 100 13 20 58 M12 2 90508 ZA508 M12 40 ZA90509 85 49.2 19 120 90 54.2 108 13 22 60 M12 2.2 90509 ZA509 M12 45 ZA9051090 51.6 19 130 94 57.2 116 14 25 64 M162.990510ZA510 M1650UCFU200 带方形座顶丝外球面球轴承参数表带座轴承型号外形尺寸带座轴承重量配用轴承代号配用轴承座代号螺栓尺寸配合轴径DBSLJ A A1 A2 N Kg F90503 UCFU203 40 27.4 11.5 76 5427 11 17 120.6 90503 F503 M10 17 F90504 UCFU204 4731 12.7 8663.5 30 11 19 12 0.7 90504 UC204 F504 FU204 M10 20 F90505 UCFU205 52 34.1 14.3 957030 13 19 120.9 90505 UC205 F505 FU205 M10 25 F90506 UCFU206 62 38.1 15.9 108 82.5 33 13 20 12 1.1 90506 UC206 F506 FU206 M10 30 F90507 UCFU207 72 42.9 17.5 1179236 15 21 141.5 90507 UC207 F507 FU207 M12 35 F90508 UCFU208 80 49.2 19 130 101.5 39 15 24 16 1.9 90508 UC208 F508 FU208 M14 40 F90509 UCFU209 85 49.2 19 137 105 40 16 24 162.3 90509 UC209 F509 FU209M1445 F90510 UCFU210 90 51.6 19 143 111 46 16 28 19 2.7 90510 UC210 F510 FU210 M16\M14 50 F90511 UCFU211 100 55.6 22.2 162 130 49 18 31 19 3.9 90511 UC211 F511 FU211 M16 55 F90512 UCFU212 110 65.1 25.4 175 143 53 18 34 194.790512 UC212 F512 FU212M1660F90513UCFU213 120 65.1 25.4 187 149.5 52 21 34 19 5.7 90513 UC213 F513 FU213 M16 65 F90514 UCFU214 125 74.6 30.2 193 152 54 22 35 19 6.1 90514 UC214 F514 FU214 M16 70 F90515 UCFU215 130 77.8 33.3 200 159 58 22 35 19 6.9 90515 UC215 F515 FU215 M16 75 F90516 UCFU216 140 82.6 33.3 208 165 58 22 35 23 8.1 90516 UC216 F516 FU216 M20 80 F90517 UCFU217 150 85.7 34.1 220 175 63 24 36 23 9.3 90517 UC217 F517 FU217 M20 85 F90518 UCFU218 160 96 39.7 235 187 68 24 42 2311 90518 UC218 F518 FU218M20 90UCFU220 180 108 42 265 210 74 28 44 27 12UC220 FU220 M22?UCF300 带方形座顶丝外球面球轴承带座轴承型号外形尺寸带座轴承重量配用轴承代号配用轴承座代号螺栓 尺寸 配合轴径DBSLJ A A1 A2 N Kg F90605 UCF305 62 38 15 110 80 29 13 16 16 1.1 90605 UC305 F605 F305 M14 25 F90606 UCF306 72 43 17 1259532 15 18 16 1.6 90606 UC306 F606 F306 M14 30 F90607 UCF307 80 48 19 135 100 36 16 20 19 2 90607 UC307 F607 F307 M16 35 F90608 UCF3089052 19 150 112 40 17 23 19 2.7 90608 UC308 F608 F308 M16 40 F90609UCF309 10057 22 160 1254418 25 193.490609UC309 F609 F309 M1645F90610 UCF310 110 61 22 175 132 48 19 28 23 4.5 90610 UC310 F610 F310 M20 50 F90611 UCF311 120 66 25 185 140 52 20 30 23 5.5 90611 UC311 F611 F311 M20 55 F90612 UCF312 130 71 26 195 150 56 22 33 23 6.5 90612 UC312 F612 F312 M20 60 F90613 UCF313 140 75 30 208 166 58 22 33 23 7.9 90613 UC313 F613 F313 M20 65 F90614 UCF314 150 78 33 226 178 61 25 36 25 9.5 90614 UC314 F614 F314 M22 70 F90615 UCF315 160 82 32 236 184 66 25 39 25 12 90615 UC315 F615 F315 M22 75 F90616 UCF316 170 86 34 250 196 68 27 38 31 14 90616 UC316 F616 F316 M27 80 F90617 UCF317 180 96 40 260 204 74 27 44 31 16 90617 UC317 F617 F317 M27 85 F90618 UCF318 190 96 40 280 216 76 30 44 35 19 90618 UC318 F618 F318 M30 90 F90619 UCF319 200 103 41 290 228 94 30 59 35 22 90619 UC319 F619 F319 M30 95 F90620 UCF320 215 108 42 310 242 94 32 59 38 26 90620 UC320 F620 F320 M33 100 F90621 UCF321 225 112 44 310 242 94 32 59 38 27 90621 UC321 F621 F321 M33 105 F90622 UCF322 240 117 46 340 266 96 35 60 41 38 90622 UC322 F622 F322 M36 110 F90624 UCF324 260 126 51 370 290 110 40 65 41 50 90624 UC324 F624 F324 M36 120 F90626 UCF326 280 135 54 410 320 115 45 65 41 66 90626 UC326 F626 F326 M36 130 F90628 UCF328 300 145 59 450 350 125 55 75 41 90 90628 UC328 F628 F328 M36 140 UCFLU200 带菱形座顶丝外球面球轴承参数表带座轴承型号外形尺寸带座轴承重量配用轴 承代号配用轴承 座代号螺栓 尺寸 配合 轴径D B S L J H A A1 A2 N KgL90503 40 27.4 11.5 99 76.5 54 27 11 17 120.6 90503L503M10 17L90504 UCFLU204 47 31 12.7 113 90 60 30 11 19 12 0.6 90504 UC204 L504 FLU204 M10 20 L90505 UCFLU205 52 34.1 14.3 125 9968 30 13 19 120.7 90505 UC205 L505 FLU205 M10 25 L90506 UCFLU206 62 38.1 15.9 142 116.5 80 33 13 20 12 1 90506 UC206 L506 FLU206 M10 30 L90507 UCFLU207 72 42.9 17.5 156 130 90 36 15 21 14 1.3 90507 UC207 L507 FLU207 M12 35 L90508 UCFLU208 80 49.2 19 172 143.5 100 39 15 24 14 1.7 90508 UC208 L508 FLU208 M12 40 L90509 UCFLU209 85 49.2 19 180 148.5 108 40 16 24 16 2 90509 UC209 L509 FLU209 M14 45 L90510 UCFLU210 90 51.6 19 190 157 115 46 16 28 18 2.5 90510 UC210 L510 FLU210 M16 50 L90511 UCFLU211 100 55.6 22.2 217 184 130 49 18 31 18 3.4 90511 UC211 L511 FLU211 M16 55 L90512 UCFLU212 110 65.1 25.4 235 202 140 53 18 34 18 4.3 90512 UC212 L512 FLU212 M16 60L90513 UCFLU213 120 65.1 25.4 248 210 155 59 22 38 20.55UC213 FLU213 M18 65L90514 UCFLU214 125 74.6 30.2 257 216 160 62 22 38 20.5 5.6 UC214 FLU214 M18 70L90515 UCFLU215 130 77.8 33.3 266 225 165 65 22 41 20.5 6.2UC215FLU215 M18 75???UCFL300 带菱形座顶丝外球面球轴承参数表带座轴承型号外形尺寸带座轴承重量配用轴承代号配用轴承座代号螺栓尺寸配合轴径D B S L J H A A1 A2 N KgL90605 UCFL305 62 38 15 150 113 80 29 13 16 19 1.1 90605 UC305 L605 FL305 M16 25 L90606 UCFL306 72 43 17 180 134 90 32 15 18 23 1.5 90606 UC306 L606 FL306 M20 30 L90607 UCFL307 80 48 19 185 141 100 36 16 20 23 1.9 90607 UC307 L607 FL307 M20 35 L90608 UCFL308 90 52 19 200 158 112 40 17 23 23 2.5 90608 UC308 L608 FL308 M20 40 L90609 UCFL309 100 57 22 230 177 125 44 18 25 25 3.4 90609 UC309 L609 FL309 M22 45 L90610 UCFL310 110 61 22 240 187 140 48 19 28 25 4.4 90610 UC310 L610 FL310 M22 50 L90611 UCFL311 120 66 25 250 198 150 52 20 30 25 5.1 90611 UC311 L611 FL311 M22 55 L90612 UCFL312 130 71 26 270 212 160 56 22 33 31 6.1 90612 UC312 L612 FL312 M27 60 L90613 UCFL313 140 75 30 295 240 175 58 25 33 31 7.8 90613 UC313 L613 FL313 M27 65 L90614 UCFL314 150 78 33 315 250 185 61 28 36 35 9 90614 UC314 L614 FL314 M30 70 L90615 UCFL315 160 82 32 320 260 195 66 30 39 35 10 90615 UC315 L615 FL315 M30 75 L90616 UCFL316 170 86 34 355 285 210 68 32 38 38 13 90616 UC316 L616 FL316 M33 80 L90617 UCFL317 180 96 40 370 300 220 74 32 44 38 15 90617 UC317 L617 FL317 M33 85 L90618 UCFL318 190 96 40 385 315 235 76 36 44 38 18 90618 UC318 L618 FL318 M33 90 L90619 UCFL319 200 103 41 405 330 250 94 40 59 41 22 90619 UC319 L619 FL319 M36 95 L90620 UCFL320 215 108 42 440 360 270 94 40 59 44 27 90620 UC320 L620 FL320 M39 100 L90621 UCFL321 225 112 44 440 360 270 94 40 59 44 27 90621 UC321 L621 FL321 M39 105 L90622 UCFL322 240 117 46 470 390 300 96 42 60 44 33 90622 UC322 L622 FL322 M39 110 L90624 UCFL324 260 126 51 520 430 330 110 48 65 47 48 90624 UC324 L624 FL324 M42 120 L90626 UCFL326 280 135 54 550 460 360 115 50 65 47 58 90626 UC326 L626 FL326 M42 130 L90628 UCFL328 300 145 59 600 500 400 125 60 75 51 81 90628 UC328 L628 FL328 M45 140????UCFA200型带可调菱形座顶丝外球面球轴承参数表带座轴承型号外形尺寸带座轴承重量配用轴承代号配用轴承座代号螺栓尺寸配合轴径D B S L J H H1 H2 A A1 A2 N N1 KgLA90500 4027.411.5 102 78 60 54 40 25.5 12 15 10 10 0.7 90503 LA503 M8LA90504 47 31 12.7 102 78 60 54 40 25.5 12 15 10 10 0.6 90504 LA504 M8 20 LA90505 52 34.1 14.3 125 98 68 65 51 27 14 16 12 13 0.8 90505 LA505 M10 25 LA90506 62 38.1 15.9 144 117 80 72 58 31 14 18 12 13 1.2 90506 LA506 M10 30 LA90507 72 42.9 17.5 161 130 90 82 66 34 16 19 15 15 1.5 90507 LA507 M12 35 LA90508 80 49.2 19 175 144 100 87 71 36 16 21 15 15 1.8 90508 LA508 M12 40 LA90509 85 49.2 19 181 148 108 90 72 38 18 22 15 15 2.2 90509 LA509 M12 45 LA90510 90 51.6 19 190 157 115 94 76 40 18 22 15 15 2.6 90510 LA510 M12 50 LA90511 100 55.6 22.2 219 184 130 104 86 43 20 25 16 17 3.6 90511 LA511 M14 55 UCFA200型带可调菱形座顶丝外球面球轴承参数表带座轴承型号外形尺寸带座轴承重量配用轴承代号配用轴承座代号螺栓尺寸配合轴径D B S L J H H1 H2 A A1 A2 N N1 KgLA90500 4027.411.5 102 78 60 54 40 25.5 12 15 10 10 0.7 90503 LA503 M8LA90504 47 31 12.7 102 78 60 54 40 25.5 12 15 10 10 0.6 90504 LA504 M8 20 LA90505 52 34.1 14.3 125 98 68 65 51 27 14 16 12 13 0.8 90505 LA505 M10 25 LA90506 62 38.1 15.9 144 117 80 72 58 31 14 18 12 13 1.2 90506 LA506 M10 30 LA90507 72 42.9 17.5 161 130 90 82 66 34 16 19 15 15 1.5 90507 LA507 M12 35 LA90508 80 49.2 19 175 144 100 87 71 36 16 21 15 15 1.8 90508 LA508 M12 40 LA90509 85 49.2 19 181 148 108 90 72 38 18 22 15 15 2.2 90509 LA509 M12 45 LA90510 90 51.6 19 190 157 115 94 76 40 18 22 15 15 2.6 90510 LA510 M12 50 LA90511 100 55.6 22.2 219 184 130 104 86 43 20 25 16 17 3.6 90511 LA511 M14 55 UCFC200 带凸台圆形座顶丝外球面球轴承参数表带座轴承型号外形尺寸带座轴承重量配用轴承代号配用轴承座代号螺栓尺寸配合轴径D B S D1 D2 J P A A1 A2 A3 N KgTY90503 40 27.4 11.5 58 97 53 75 19 4 9 6 12 0.5 90503 TY503 M10 17 TY90504 UCFC204 47 31 12.7 62 100 55.1 78 20.5 5 10 7 12 0.7 90504 UC204 TY504 FC204 M10 20 TY90505 UCFC205 52 34.1 14.3 70 115 63.5 90 21 6 10 7 12 1 90505 UC205 TY505 FC205 M10 25 TY90506 UCFC206 62 38.1 15.9 80 125 70.7 100 23 8 10 8 12 1.3 90506 UC206 TY506 FC206 M10 30 TY90507 UCFC207 72 42.9 17.5 90 135 77.8 110 26 8 11 9 14 1.6 90507 UC207 TY507 FC207 M12 35 TY90508 UCFC208 80 49.2 19 100 145 84.8 120 26 10 11 9 14 2.1 90508 UC208 TY508 FC208 M12 40 TY90509 UCFC209 85 49.2 19 105 160 93.3 132 26 12 10 14 16 2.7 90509 UC209 TY509 FC209 M14 45 TY90510 UCFC210 90 51.6 19 110 165 97.6 138 28 12 10 14 16 3.1 90510 UC210 TY510 FC210 M14 50 TY90511 UCFC211 100 55.6 22.2 125 185 106.1 150 31 12 13 15 19 4.2 90511 UC211 TY511 FC211 M16 55 TY90512 UCFC212 110 65.1 25.4 135 195 113.1 160 36 12 17 15 19 5.3 90512 UC212 TY512 FC212 M16 60 TY90513 UCFC213 120 65.1 25.4 145 205 120.2 170 36 14 16 15 19 6 90513 UC213 TY513 FC213 M16 65 TY90514 UCFC214 125 74.6 30.2 150 215 125.1 177 40 14 17 18 19 7 90514 UC214 TY514 FC214 M16 70TY90515 UCFC215 130 77.8 33.3 160 220 130.1 184 40 16 18 18 19 7.8 90515 UC215 TY515 FC215 M16 75 TY90516 UCFC216 140 82.6 33.3 170 240 141.4 200 42 16 18 18 23 9.3 90516 UC216 TY516 FC216 M20 80 TY90517 UCFC217 150 85.7 34.1 180 250 147.1 208 45 18 18 20 23 11 90517 UC217 TY517 FC217 M20 85 TY90518 UCFC218 160 96 39.7 190 265 155.5 220 50 18 22 20 23 13 90518 UC218 TY518 FC218 M20 90???UCK200 带滑块座顶丝外球面球轴承参数表带座轴承型号外形尺寸带座轴承重量配用轴承代号配用轴承座代号配合轴径D B S L L1 L2 H H1 A A1 A2 N N1 N2 KgK90503 UCT203 47 31 12.7 94 61 10 89 76 32 12 21 19 16 32 0.8 90503 UC203 K503 T203 17 K90504 UCT204 47 31 12.7 94 61 10 89 76 32 12 21 19 16 32 0.8 90504 UC204 K504 T204 20 K90505 UCT205 52 34.1 14.3 97 62 10 89 76 32 12 24 19 16 32 0.9 90505 UC205 K505 T205 25 K90506 UCT206 62 38.1 15.9 113 70 10 102 89 32 12 28 22 16 37 1.3 90506 UC206 K506 T206 30 K90507 UCT207 72 42.9 17.5 129 78 13 102 89 37 12 30 22 16 37 1.7 90507 UC207 K507 T207 35 K90508 UCT208 80 49.2 19 144 88 16 114 102 49 16 33 29 19 49 2.3 90508 UC208 K508 T208 40 K90509 UCT209 85 49.2 19 144 87 16 117 102 49 16 35 29 19 49 2.4 90509 UC209 K509 T209 45 K90510 UCT210 90 51.6 19 149 90 16 117 102 49 16 37 29 19 49 2.5 90510 UC210 K510 T210 50 K90511 UCT211 100 55.6 22.2 171 106 19 146 130 64 22 38 35 25 64 3.8 90511 UC211 K511 T211 55K90512 UCT212 110 65.1 25.4 194 119 19 146 130 64 22 42 35 32 64 4.7 90512 UC212 K512 T212 60 UCT213 120 65.1 25.4 224 137 21 167 151 70 26 44 41 32 70 7 UC213 T213 65 UCT214 125 74.6 30.2 224 137 21 167 151 70 26 46 41 32 70 7.3 UC214 T214 70 UCT215 130 77.8 33.3 232 140 21 167 151 70 26 48 41 32 70 7.7 UC215 T215 75 UCT216 140 82.6 33.3 235 140 21 184 165 70 26 51 41 32 70 8.4 UC216 T216 80 UCT217 150 85.7 34.1 260 162 29 198 173 73 30 54 48 38 73 11 UC217 T217 85??UCT300 带滑块座顶丝外球面球轴承参数表带座轴承型号外形尺寸带座轴承重量配用轴承代号配用轴承座代号配合轴径D B S L L1 L2 H H1 A A1 A2 N N1 N2 KgK90605 UCT305 62 38 15 122 76 12 89 80 36 12 26 26 16 36 1.4 90605 UC305 K605 T305 25 K90606 UCT306 72 43 17 137 85 14 100 90 41 16 28 28 18 41 1.8 90606 UC306 K606 T306 30 K90607 UCT307 80 48 19 150 94 15 111 100 45 16 32 30 20 45 2.4 90607 UC307 K607 T307 35 K90608 UCT308 90 52 19 162 100 17 124 112 50 18 34 32 22 50 3 90608 UC308 K608 T308 40 K90609 UCT309 100 57 22 178 110 18 138 125 55 18 38 34 24 55 4 90609 UC309 K609 T309 45 K90610 UCT310 110 61 22 191 117 20 151 140 61 20 40 37 27 61 5 90610 UC310 K610 T310 50 K90611 UCT311 120 66 25 207 127 21 163 150 66 22 44 39 29 66 6.4 90611 UC311 K611 T311 55K90612 UCT312 130 71 26 220 135 23 178 160 71 22 46 41 31 71 7.6 90612 UC312 K612 T312 60 K90613 UCT313 140 75 30 238 146 25 190 170 80 26 50 43 32 70 9.7 90613 UC313 K613 T313 65 K90614 UCT314 150 78 33 252 155 25 202 180 90 26 52 46 36 85 11 90614 UC314 K614 T314 70 K90615 UCT315 160 82 32 262 160 25 216 192 90 26 55 46 36 85 14 90615 UC315 K615 T315 75 K90616 UCT316 170 86 34 282 174 28 230 204 102 30 60 53 42 98 16 90616 UC316 K616 T316 80 K90617 UCT317 180 96 40 298 183 30 240 214 102 32 64 53 42 98 20 90617 UC317 K617 T317 85 K90618 UCT318 190 96 40 312 192 30 255 228 110 32 66 57 46 106 22 90618 UC318 K618 T318 90 K90619 UCT319 200 103 41 322 197 31 270 240 110 35 72 57 46 106 25 90619 UC319 K619 T319 95 K90620 UCT320 215 108 42 345 210 32 290 260 120 35 75 59 48 115 32 90620 UC320 K620 T320 100 K90621 UCT321 225 112 44 345 210 32 290 260 120 35 75 59 48 115 32 90621 UC321 K621 T321 105 K90622 UCT322 240 117 46 385 235 38 320 285 130 38 80 65 52 125 40 90622 UC322 K622 T322 110 K90624 UCT324 260 126 51 432 267 42 355 320 140 45 90 70 60 140 55 90624 UC324 K624 T324 120 K90626 UCT326 280 135 54 465 285 45 385 350 150 50 100 75 65 150 69 90626 UC326 K626 T326 130 K90628 UCT328 300 145 59 515 315 50 415 380 155 50 100 80 70 160 84 90628 UC328 K628 T328 140 SAPFL200 带冲压菱形座顶丝外球面球轴承参数表带座轴承型号外形尺寸带座轴承重量配用轴承代号配用轴承座代号螺栓尺寸配合轴径D B S L J H A A1 N KgCL90503 40 28.6 6.5 80 63.5 59 15 4 7.1 0.22 90503 CL203 M6 17 CL90504 47 31 7.5 90 71.5 66 17 4 9 0.22 90504 CL204 M8 20 CL90505 52 31 7.5 95 76 71 17 4 9 0.28 90505 CL205 M8 25 CL90506 62 35.7 9.0 112 90.5 84 19 5 11 0.48 90506 CL206 M10 30 CL90507 72 38.9 9.5 122 100 94 21 5 11 0.59 90507 CL207 M10 35????UCC200 带环形座顶丝外球面球轴承参数表带座轴承型号外形尺寸带座轴承重量配用轴承代号配用轴承座代号配合轴径D B S D1 A A1 r KgY90503 UCWC203 40 27.4 11.5 67 20 10 1.1 0.5 90503 Y503 17 Y90504 UCC204 47 31 12.7 72 20 10 1.1 0.5 90504 UC204 Y504 C204 20 Y90505 UCC205 52 34.1 14.3 80 22 11 1.1 0.7 90505 UC205 Y505 C205 25 Y90506 UCC206 62 38.1 15.9 85 27 13.5 1.1 0.9 90506 UC206 Y506 C206 30 Y90507 UCC207 72 42.9 17.5 90 28 14 1.1 1 90507 UC207 Y507 C207 35 Y90508 UCC208 80 49.2 19 100 30 15 1.5 1.3 90508 UC208 Y508 C208 40 Y90509 UCC209 85 49.2 19 110 31 15.5 1.5 1.6 90509 UC209 Y509 C209 45 Y90510 UCC210 90 51.6 19 120 33 16.5 1.5 2 90510 UC210 Y510 C210 50 Y90511 UCC211 100 55.6 22.2 125 35 17.5 1.5 2.2 90511 UC211 Y511 C211 55 Y90512 UCC212 110 65.1 25.5 130 38 19 1.5 2.6 90512 UC212 Y512 C212 60 Y90513 UCC213 120 65.1 25.5 140 40 20 2 3.1 90513 UC213 Y513 C213 65???UCC300 带环形座顶丝外球面球轴承参数表带座轴承型号外形尺寸带座轴承重量配用轴承代号配用轴承座代号配合轴径D B S D1 A A1 r KgY90605 UCC305 62 38 15 90 26 13 1.5 1.1 90605 UC305 Y605 C305 25 Y90606 UCC306 72 43 17 100 28 14 1.5 1.4 90606 UC306 Y606 C306 30 Y90607 UCC307 80 48 19 110 32 16 2 1.8 90607 UC307 Y607 C307 35 Y90608 UCC308 90 52 19 120 34 17 2 2.2 90608 UC308 Y608 C308 40 Y90609 UCC309 100 57 22 130 38 19 2.1 2.7 90609 UC309 Y609 C309 45 Y90610 UCC310 110 61 22 140 40 20 2.1 3.3 90610 UC310 Y610 C310 50 Y90611 UCC311 120 66 25 150 44 22 2.1 3.9 90611 UC311 Y611 C311 55 Y90612 UCC312 130 71 26 160 46 23 2.1 4.8 90612 UC312 Y612 C312 60 Y90613 UCC313 140 75 30 170 50 25 2.1 5.8 90613 UC313 Y613 C313 65 Y90614 UCC314 150 78 33 180 52 26 3 6.6 90614 UC314 Y614 C314 70 Y90615 UCC315 160 82 32 190 55 27.5 3 7.8 90615 UC315 Y615 C315 75 Y90616 UCC316 170 86 34 200 60 30 3 9 90616 UC316 Y616 C316 80 Y90617 UCC317 180 96 40 215 64 32 3 11 90617 UC317 Y617 C317 85 Y90618 UCC318 190 96 40 225 66 33 3 12 90618 UC318 Y618 C318 90 Y90619 UCC319 200 103 41 240 72 36 3 15 90619 UC319 Y619 C319 95Y90620 UCC320 215 108 42 260 75 37.5 3 19 90620 UC320 Y620 C320 100 Y90621 UCC321 225 112 44 260 75 37.5 3 19 90621 UC321 Y621 C321 105 Y90622 UCC322 240 117 46 300 80 40 4 28 90622 UC322 Y622 C322 110 Y90624 UCC324 260 126 51 320 90 45 4 35 90624 UC324 Y624 C324 120 Y90626 UCC326 280 135 54 340 100 50 4 42 90626 UC326 Y626 C326 130 Y90628 UCC328 300 145 59 360 100 50 4 49 90628 UC328 Y628 C328 140。
Z90500型(UCP200) 带立式座顶丝外球面球轴承参数表带座轴承型号外形尺寸带座轴承重量配用轴承代号配用轴承座代号螺栓尺寸配合轴径D B S L J H H1 H2 A N N1 KgZ90501 UCWP201 40 27.4 11.5 125 96 30.2 57 14 36 13 19 0.6 90501 UC201 M10 17 Z90502 UCWP202 40 27.4 11.5 125 96 30.2 57 14 36 13 19 0.6 90502 UC202 M10 17 Z90503 UCWP203 40 27.4 11.5 125 96 30.2 57 14 36 13 19 0.6 90503 UC203 M10 17 Z90504 UCP204 47 31 12.7 127 95 33.3 65 14 38 13 19 0.7 90504 UC204 M10 20 Z90505 UCP205 52 34.1 14.3 140 105 36.5 71 15 38 13 19 0.8 90505 UC205 M10 25 Z90506 UCP206 62 38.1 15.9 165 121 42.9 83 17 48 17 23 1.3 90506 UC206 M14 30 Z90507 UCP207 72 42.9 17.5 167 127 47.6 93 18 48 17 23 1.6 90507 UC207 M14 35 Z90508 UCP208 80 49.2 19 184 137 49.2 100 18 54 17 23 1.9 90508 UC208 M14 40 Z90509 UCP209 85 49.2 19 190 146 54 106 20 54 17 23 2.2 90509 UC209 M14 45 Z90510 UCP210 90 51.6 19 206 159 57.2 114 21 60 20 26 2.6 90510 UC210 M16 50 Z90511 UCP211 100 55.6 22.2 219 171 63.5 126 23 60 20 26 3.3 90511 UC211 M16 55 Z90512 UCP212 110 65.1 25.4 241 184 69.8 138 25 70 20 26 4.6 90512 UC212 M16 60 Z90513 UCP213 120 65.1 25.4 265 203 76.2 151 27 70 25 31 5.9 90513 UC213 M20 65 Z90514 UCP214 125 74.6 30.2 266 210 79.4 157 27 72 25 31 6.6 90514 UC214 M20 70 Z90515 UCP215 130 77.8 33.3 275 217 82.6 163 28 74 25 31 7.4 90515 UC215 M20 75 Z90516 UCP216 140 82.6 33.3 292 232 88.9 175 30 78 25 31 9 90516 UC216 M20 80 Z90517 UCP217 150 85.7 34.1 310 247 95.2 187 32 83 25 31 11 90517 UC217 M20 85 Z90518 UCP218 160 96 39.7 327 262 101.6 200 33 88 27 33 13 90518 UC218 M22 90 UCP220 180 108 42 380 308 115 225 40 95 30 38 16 UC220 M24Z90600型(UCP300) 带立式座顶丝外球面球轴承参数表带座轴承型号外形尺寸带座轴承重量配用轴承代号配用轴承座代号螺栓尺寸配合轴径D B S L J H H1 H2 A N N1 Kg mm mmZ90605 UCP305 62 38 15 175 132 45 85 15 45 17 20 1.4 90605 UC305 Z605 P305 M14 25 Z90606 UCP306 72 43 17 180 140 50 95 18 50 17 20 1.8 90606 UC306 Z606 P306 M14 30 Z90607 UCP307 80 48 19 210 160 56 106 20 56 17 25 2.8 90607 UC307 Z607 P307 M14 35 Z90608 UCP308 90 52 19 220 170 60 116 22 60 17 27 3 90608 UC308 Z608 P308 M14 40 Z90609 UCP309 100 57 22 245 190 67 129 24 67 20 30 4.1 90609 UC309 Z609 P309 M16 45 Z90610 UCP310 110 61 22 275 212 75 143 27 75 20 35 5.8 90610 UC310 Z610 P310 M16 50 Z90611 UCP311 120 66 25 310 236 80 154 30 80 20 38 7.4 90611 UC311 Z611 P311 M16 55 Z90612 UCP312 130 71 26 330 250 85 165 32 85 25 38 9.4 90612 UC312 Z612 P312 M20 60 Z90613 UCP313 140 75 30 340 260 90 176 33 90 25 38 10 90613 UC313 Z613 P313 M20 65 Z90614 UCP314 150 78 33 360 280 95 187 35 90 27 40 12 90614 UC314 Z614 P314 M22 70 Z90615 UCP315 160 82 32 380 290 100 198 35 100 27 40 14 90615 UC315 Z615 P315 M22 75 Z90616 UCP316 170 86 34 400 300 106 210 40 110 27 40 18 90616 UC316 Z616 P316 M22 80 Z90617 UCP317 180 96 40 420 320 112 220 40 110 33 45 20 90617 UC317 Z617 P317 M27 85 Z90618 UCP318 190 96 40 430 330 118 235 45 110 33 45 24 90618 UC318 Z618 P318 M27 90 Z90619 UCP319 200 103 41 470 360 125 250 45 120 36 50 29 90619 UC319 Z619 P319 M30 95 Z90620 UCP320 215 108 42 490 380 140 275 50 120 36 50 35 90620 UC320 Z620 P320 M30 100 Z90621 UCP321 225 112 44 490 380 140 280 50 120 36 50 35 90621 UC321 Z621 P321 M30 105 Z90622 UCP322 240 117 46 520 400 150 300 55 140 40 55 45 90622 UC322 Z622 P322 M33 110Z90624 UCP324 260 126 51 570 450 160 320 65 140 40 55 55 90624 UC324 Z624 P324 M33 120 Z90626 UCP326 280 135 54 600 480 180 355 75 140 40 55 72 90626 UC326 Z626 P326 M33 130 Z90628 UCP328 300 145 59 620 500 200 390 75 140 40 55 89 90628 UC328 Z628 P328 M33 140UCPH200(ZH90500)型带高中心立式座顶丝外球面球轴承参数表带座轴承型号外形尺寸带座轴承重量配用轴承代号配用轴承座代号螺栓尺寸配合轴径D B S L J H H1 H2 A N N1 KgZH90503 40 27.4 11.5 127 95 70 101 15 40 13 19 1 90503 ZH503 M10 17 ZH90504 47 31 12.7 127 95 70 101 15 40 13 19 1 90504 ZH504 M10 20 ZH90505 52 34.1 14.3 140 105 80 114 16 50 13 19 1.2 90505 ZH505 M10 25 ZH90506 62 38.1 15.9 165 121 90 130 18 50 17 21 1.8 90506 ZH506 M14 30 ZH90507 72 42.9 17.5 167 127 95 140 19 60 17 21 2.4 90507 ZH507 M14 35 ZH90508 80 49.2 19 184 137 100 149 19 70 17 25 2.4 90508 ZH508 M14 40 ZH90509 85 49.2 19 190 146 105 157 20 70 17 25 3.7 90509 ZH509 M14 45 ZH90510 90 51.6 19 206 159 110 165 22 70 20 25 4.1 90510 ZH510 M16 50ZA90500(UCPA200)型带窄立式座顶丝外球面球轴承参数表带座轴承型号外形尺寸带座轴承重量配用轴承代号配用轴承座代号螺栓尺寸配合轴径D B S L J H H1 H2 H3 A dN KgZA90503 40 27.411.576 5230.262 11 12 40 M10 0.6 90503 ZA503 M10 17ZA90504 47 31 12.776 5230.262 11 12 40 M10 0.6 90504 ZA504 M10 20ZA90505 52 34.114.384 5636.572 12 15 45 M10 0.8 90505 ZA505 M10 25ZA90506 62 38.115.994 6642.984 12 18 50 M12 1.2 90506 ZA506 M12 30ZA90507 72 42.917.5110 8047.695 13 20 55 M12 1.7 90507 ZA507 M12 35ZA90508 80 49.219 116 8449.2100 13 20 58 M12 2 90508 ZA508 M12 40ZA90509 85 49.219 120 9054.2108 13 22 60 M12 2.2 90509 ZA509 M12 45ZA90510 90 51.619 130 9457.2116 14 25 64 M16 2.9 90510 ZA510 M16 50F90500型(UCFU200) 带方形座顶丝外球面球轴承参数表带座轴承型号外形尺寸带座轴承重量配用轴承代号配用轴承座代号螺栓尺寸配合轴径D B S L J A A1 A2 N KgF90503 UCFU203 40 27.4 11.5 76 54 27 11 17 12 0.6 90503 F503 M10 17 F90504 UCFU204 47 31 12.7 86 63.5 30 11 19 12 0.7 90504 UC204 F504 FU204 M10 20 F90505 UCFU205 52 34.1 14.3 95 70 30 13 19 12 0.9 90505 UC205 F505 FU205 M10 25 F90506 UCFU206 62 38.1 15.9 108 82.5 33 13 20 12 1.1 90506 UC206 F506 FU206 M10 30 F90507 UCFU207 72 42.9 17.5 117 92 36 15 21 14 1.5 90507 UC207 F507 FU207 M12 35 F90508 UCFU208 80 49.2 19 130 101.5 39 15 24 16 1.9 90508 UC208 F508 FU208 M14 40 F90509 UCFU209 85 49.2 19 137 105 40 16 24 16 2.3 90509 UC209 F509 FU209 M14 45 F90510 UCFU210 90 51.6 19 143 111 46 16 28 19 2.7 90510 UC210 F510 FU210 M16\M14 50 F90511 UCFU211 100 55.6 22.2 162 130 49 18 31 19 3.9 90511 UC211 F511 FU211 M16 55 F90512 UCFU212 110 65.1 25.4 175 143 53 18 34 19 4.7 90512 UC212 F512 FU212 M16 60 F90513 UCFU213 120 65.1 25.4 187 149.5 52 21 34 19 5.7 90513 UC213 F513 FU213 M16 65 F90514 UCFU214 125 74.6 30.2 193 152 54 22 35 19 6.1 90514 UC214 F514 FU214 M16 70 F90515 UCFU215 130 77.8 33.3 200 159 58 22 35 19 6.9 90515 UC215 F515 FU215 M16 75 F90516 UCFU216 140 82.6 33.3 208 165 58 22 35 23 8.1 90516 UC216 F516 FU216 M20 80 F90517 UCFU217 150 85.7 34.1 220 175 63 24 36 23 9.3 90517 UC217 F517 FU217 M20 85 F90518 UCFU218 160 96 39.7 235 187 68 24 42 23 11 90518 UC218 F518 FU218 M20 90 UCFU220 180 108 42 265 210 74 28 44 27 12 UC220 FU220 M22F90600型(UCF300) 带方形座顶丝外球面球轴承带座轴承型号外形尺寸带座轴承重量配用轴承代号配用轴承座代号螺栓尺寸配合轴径D B S L J A A1 A2 N KgF90605 UCF305 62 38 15 110 80 29 13 16 16 1.1 90605 UC305 F605 F305 M14 25 F90606 UCF306 72 43 17 125 95 32 15 18 16 1.6 90606 UC306 F606 F306 M14 30 F90607 UCF307 80 48 19 135 100 36 16 20 19 2 90607 UC307 F607 F307 M16 35 F90608 UCF308 90 52 19 150 112 40 17 23 19 2.7 90608 UC308 F608 F308 M16 40 F90609 UCF309 100 57 22 160 125 44 18 25 19 3.4 90609 UC309 F609 F309 M16 45 F90610 UCF310 110 61 22 175 132 48 19 28 23 4.5 90610 UC310 F610 F310 M20 50 F90611 UCF311 120 66 25 185 140 52 20 30 23 5.5 90611 UC311 F611 F311 M20 55 F90612 UCF312 130 71 26 195 150 56 22 33 23 6.5 90612 UC312 F612 F312 M20 60 F90613 UCF313 140 75 30 208 166 58 22 33 23 7.9 90613 UC313 F613 F313 M20 65 F90614 UCF314 150 78 33 226 178 61 25 36 25 9.5 90614 UC314 F614 F314 M22 70 F90615 UCF315 160 82 32 236 184 66 25 39 25 12 90615 UC315 F615 F315 M22 75 F90616 UCF316 170 86 34 250 196 68 27 38 31 14 90616 UC316 F616 F316 M27 80 F90617 UCF317 180 96 40 260 204 74 27 44 31 16 90617 UC317 F617 F317 M27 85 F90618 UCF318 190 96 40 280 216 76 30 44 35 19 90618 UC318 F618 F318 M30 90 F90619 UCF319 200 103 41 290 228 94 30 59 35 22 90619 UC319 F619 F319 M30 95 F90620 UCF320 215 108 42 310 242 94 32 59 38 26 90620 UC320 F620 F320 M33 100 F90621 UCF321 225 112 44 310 242 94 32 59 38 27 90621 UC321 F621 F321 M33 105 F90622 UCF322 240 117 46 340 266 96 35 60 41 38 90622 UC322 F622 F322 M36 110F90624 UCF324 260 126 51 370 290 110 40 65 41 50 90624 UC324 F624 F324 M36 120 F90626 UCF326 280 135 54 410 320 115 45 65 41 66 90626 UC326 F626 F326 M36 130 F90628UCF328 300 145 59 450 350 125 55 75 419090628 UC328 F628 F328 M36140L90500型(UCFLU200) 带菱形座顶丝外球面球轴承参数表带座轴承型号外形尺寸带座轴承重量 配用轴 承代号配用轴承 座代号螺栓 尺寸 配合 轴径DBSLJH A A1 A2 NKgL90503 4027.411.5 99 76.5 54 27 11 17 12 0.6 90503 L503 M10 17L90504 UCFLU204 47 31 12.7113 90 60 30 11 19 12 0.6 90504 UC204 L504 FLU204 M10 20L90505 UCFLU205 5234.114.3125 99 68 30 13 19 120.7 90505 UC205 L505 FLU205 M10 25L90506 UCFLU206 6238.115.9142 116.580 33 13 20 12 1 90506 UC206 L506 FLU206 M10 30L90507 UCFLU207 7242.9 17.5156 130 90 36 15 21 141.3 90507 UC207 L507 FLU207 M12 35L90508 UCFLU208 80 49.2 19 172 143.5 100 39 15 24 14 1.7 90508 UC208 L508 FLU208 M12 40L90509 UCFLU209 85 49.2 19 180 148.5108 40 16 24 16 2 90509 UC209 L509 FLU209 M14 45L90510 UCFLU210 90 51.619 190 157 115 46 16 28 18 2.5 90510 UC210 L510 FLU210 M16 50 L90511 UCFLU211 100 55.22.217 184 130 49 18 31 18 3.4 90511 UC211 L511 FLU211 M16 55L90600型(UCFL300) 带菱形座顶丝外球面球轴承参数表带座轴承型号外形尺寸带座轴承重量配用轴承代号配用轴承座代号螺栓尺寸配合轴径D B S L J H A A1 A2 N KgL90605 UCFL305 62 38 15 150 113 80 29 13 16 19 1.1 90605 UC305 L605 FL305 M16 25 L90606 UCFL306 72 43 17 180 134 90 32 15 18 23 1.5 90606 UC306 L606 FL306 M20 30 L90607 UCFL307 80 48 19 185 141 100 36 16 20 23 1.9 90607 UC307 L607 FL307 M20 35 L90608 UCFL308 90 52 19 200 158 112 40 17 23 23 2.5 90608 UC308 L608 FL308 M20 40 L90609 UCFL309 100 57 22 230 177 125 44 18 25 25 3.4 90609 UC309 L609 FL309 M22 45 L90610 UCFL310 110 61 22 240 187 140 48 19 28 25 4.4 90610 UC310 L610 FL310 M22 50 L90611 UCFL311 120 66 25 250 198 150 52 20 30 25 5.1 90611 UC311 L611 FL311 M22 55 L90612 UCFL312 130 71 26 270 212 160 56 22 33 31 6.1 90612 UC312 L612 FL312 M27 60 L90613 UCFL313 140 75 30 295 240 175 58 25 33 31 7.8 90613 UC313 L613 FL313 M27 65 L90614 UCFL314 150 78 33 315 250 185 61 28 36 35 9 90614 UC314 L614 FL314 M30 70 L90615 UCFL315 160 82 32 320 260 195 66 30 39 35 10 90615 UC315 L615 FL315 M30 75L90616 UCFL316 170 86 34 355 285 210 68 32 38 38 13 90616 UC316 L616 FL316 M33 80 L90617 UCFL317 180 96 40 370 300 220 74 32 44 38 15 90617 UC317 L617 FL317 M33 85 L90618 UCFL318 190 96 40 385 315 235 76 36 44 38 18 90618 UC318 L618 FL318 M33 90 L90619 UCFL319 200 103 41 405 330 250 94 40 59 41 22 90619 UC319 L619 FL319 M36 95 L90620 UCFL320 215 108 42 440 360 270 94 40 59 44 27 90620 UC320 L620 FL320 M39 100 L90621 UCFL321 225 112 44 440 360 270 94 40 59 44 27 90621 UC321 L621 FL321 M39 105 L90622 UCFL322 240 117 46 470 390 300 96 42 60 44 33 90622 UC322 L622 FL322 M39 110 L90624 UCFL324 260 126 51 520 430 330 110 48 65 47 48 90624 UC324 L624 FL324 M42 120 L90626 UCFL326 280 135 54 550 460 360 115 50 65 47 58 90626 UC326 L626 FL326 M42 130 L90628 UCFL328 300 145 59 600 500 400 125 60 75 518190628 UC328 L628 FL328 M45 140LA90500(UCFA200)型 带可调菱形座顶丝外球面球轴承参数表带座轴承型号外形尺寸带座轴承重量 配用轴承代号 配用轴承座代号 螺栓尺寸 配合轴径DBSLJH H1 H2 A A1 A2 N N1KgLA90500 4027.411.5 102 78 60 54 40 25.5 12 15 10 10 0.790503LA503M8LA90504 47 31 12.7102 78 60 54 40 25.512 15 10 10 0.6 90504 LA504 M8 20LA90505 5234.114.3125 98 68 65 51 27 14 16 12 13 0.8 90505 LA505 M10 25LA90506 6238.115.9144 117 80 72 58 31 14 18 12 13 1.2 90506 LA506 M10 30LA90507 72 42.917.5161 130 90 82 66 34 16 19 15 15 1.5 90507 LA507 M12 35LA90508 8049.2 19 175 144 100 87 71 36 16 21 15 15 1.890508LA508M1240LA90509 85 49.2 19 181 148 108 90 72 38 18 22 15 15 2.2 90509 LA509 M12 45LA90510 90 51.619 190 157 115 94 76 40 18 22 15 15 2.6 90510 LA510 M12 50LA90511 10055.622.2219 184 130 104 86 43 20 25 16 17 3.6 90511 LA511 M14 55LA90500(UCFA200)型 带可调菱形座顶丝外球面球轴承参数表带座轴承型号外形尺寸带座轴承重量 配用轴承代号 配用轴承座代号 螺栓尺寸 配合轴径DBSLJH H1 H2 A A1 A2 N N1KgLA90500 4027.411.5 102 78 60 54 40 25.5 12 15 10 10 0.790503LA503M8LA90504 47 31 12.7102 78 60 54 40 25.512 15 10 10 0.6 90504 LA504 M8 20LA90505 5234.114.3125 98 68 65 51 27 14 16 12 13 0.8 90505 LA505 M10 25LA90506 6238.115.9144 117 80 72 58 31 14 18 12 13 1.2 90506 LA506 M10 30LA90507 7242.9 17.5161 130 90 82 66 34 16 19 15 15 1.5 90507 LA507 M12 35LA90508 80 49.219 175 144 100 87 71 36 16 21 15 15 1.8 90508 LA508 M12 40 LA90509 85 49.19 181 148 108 90 72 38 18 22 15 15 2.290509LA509M1245TY90500型(UCFC200) 带凸台圆形座顶丝外球面球轴承参数表带座轴承型号外形尺寸带座轴承重量配用轴承代号配用轴承座代号螺栓尺寸配合轴径D B S D1 D2 J P A A1 A2 A3 N KgTY90503 40 27.411.558 97 53 75 19 4 9 6 120.590503 TY503 M10 17TY90504 UCFC204 47 31 12.762 100 55.1 7820.55 10 7 120.790504 UC204 TY504 FC204 M10 20TY90505 UCFC205 52 34.114.370 115 63.5 90 21 6 10 7 12 1 90505 UC205 TY505 FC205 M10 25TY90506 UCFC206 62 38.115.980 125 70.7 100 23 8 10 8 121.390506 UC206 TY506 FC206 M10 30TY90507 UCFC207 72 42.917.590 135 77.8 110 26 8 11 9 141.690507 UC207 TY507 FC207 M12 35TY90508 UCFC208 80 49.219 100 145 84.8 120 26 10 11 9 142.190508 UC208 TY508 FC208 M12 40TY90509 UCFC209 85 49.19 105 160 93.3 132 26 12 10 14 16 2.90509 UC209 TY509 FC209 M14 452 7TY90510 UCFC210 90 51.619 110 165 97.6 138 28 12 10 14 163.190510 UC210 TY510 FC210 M14 50TY90511 UCFC211 100 55.622.2125 185106.1150 31 12 13 15 194.290511 UC211 TY511 FC211 M16 55TY90512 UCFC212 110 65.125.4135 195113.1160 36 12 17 15 195.390512 UC212 TY512 FC212 M16 60TY90513 UCFC213 120 65.125.4145 205120.2170 36 14 16 15 19 6 90513 UC213 TY513 FC213 M16 65TY90514 UCFC214 125 74.630.2150 215125.1177 40 14 17 18 19 7 90514 UC214 TY514 FC214 M16 70TY90515 UCFC215 130 77.833.3160 220130.1184 40 16 18 18 197.890515 UC215 TY515 FC215 M16 75TY90516 UCFC216 140 82.633.3170 240141.4200 42 16 18 18 239.390516 UC216 TY516 FC216 M20 80TY90517 UCFC217 150 85.734.1180 250147.1208 45 18 18 20 23 11 90517 UC217 TY517 FC217 M20 85TY90518 UCFC218 160 96 39.7190 265155.5220 50 18 22 20 23 13 90518 UC218 TY518 FC218 M20 90K90500型(UCK200) 带滑块座顶丝外球面球轴承参数表带座轴承型号外形尺寸带座轴承重量配用轴承代号配用轴承座代号配合轴径D B S L L1 L2 H H1 A A1 A2 N N1 N2 KgK90503 UCT203 47 31 12.794 61 10 89 76 32 12 21 19 16 32 0.8 90503 UC203 K503 T203 17K90504 UCT204 47 31 12.794 61 10 89 76 32 12 21 19 16 32 0.8 90504 UC204 K504 T204 20K90505 UCT205 52 34.114.397 62 10 89 76 32 12 24 19 16 32 0.9 90505 UC205 K505 T205 25K90506 UCT206 62 38.115.9113 70 10 102 89 32 12 28 22 16 37 1.3 90506 UC206 K506 T206 30K90507 UCT207 72 42.917.5129 78 13 102 89 37 12 30 22 16 37 1.7 90507 UC207 K507 T207 35K90508 UCT208 80 49.219 144 88 16 114 102 49 16 33 29 19 49 2.3 90508 UC208 K508 T208 40K90509 UCT209 85 49.219 144 87 16 117 102 49 16 35 29 19 49 2.4 90509 UC209 K509 T209 45K90510 UCT210 90 51.619 149 90 16 117 102 49 16 37 29 19 49 2.5 90510 UC210 K510 T210 50K90511 UCT211 100 55.622.2171 106 19 146 130 64 22 38 35 25 64 3.8 90511 UC211 K511 T211 55K90512 UCT212 110 65.125.4194 119 19 146 130 64 22 42 35 32 64 4.7 90512 UC212 K512 T212 60UCT213 120 65.125.4224 137 21 167 151 70 26 44 41 32 70 7 UC213 T213 65UCT214 125 74.630.2224 137 21 167 151 70 26 46 41 32 70 7.3 UC214 T214 70UCT215 130 77.833.3232 140 21 167 151 70 26 48 41 32 70 7.7 UC215 T215 75UCT216 140 82.633.3235 140 21 184 165 70 26 51 41 32 70 8.4 UC216 T216 80UCT217 150 85.734.1260 162 29 198 173 73 30 54 48 38 73 11 UC217 T217 85K90600型(UCT300) 带滑块座顶丝外球面球轴承参数表带座轴承型号外形尺寸带座轴承重量配用轴承代号配用轴承座代号配合轴径D B S L L1 L2 H H1 A A1 A2 N N1 N2 KgK90605 UCT305 62 38 15 122 76 12 89 80 36 12 26 26 16 36 1.4 90605 UC305 K605 T305 25 K90606 UCT306 72 43 17 137 85 14 100 90 41 16 28 28 18 41 1.8 90606 UC306 K606 T306 30 K90607 UCT307 80 48 19 150 94 15 111 100 45 16 32 30 20 45 2.4 90607 UC307 K607 T307 35 K90608 UCT308 90 52 19 162 100 17 124 112 50 18 34 32 22 50 3 90608 UC308 K608 T308 40 K90609 UCT309 100 57 22 178 110 18 138 125 55 18 38 34 24 55 4 90609 UC309 K609 T309 45 K90610 UCT310 110 61 22 191 117 20 151 140 61 20 40 37 27 61 5 90610 UC310 K610 T310 50 K90611 UCT311 120 66 25 207 127 21 163 150 66 22 44 39 29 66 6.4 90611 UC311 K611 T311 55 K90612 UCT312 130 71 26 220 135 23 178 160 71 22 46 41 31 71 7.6 90612 UC312 K612 T312 60 K90613 UCT313 140 75 30 238 146 25 190 170 80 26 50 43 32 70 9.7 90613 UC313 K613 T313 65 K90614 UCT314 150 78 33 252 155 25 202 180 90 26 52 46 36 85 11 90614 UC314 K614 T314 70 K90615 UCT315 160 82 32 262 160 25 216 192 90 26 55 46 36 85 14 90615 UC315 K615 T315 75 K90616 UCT316 170 86 34 282 174 28 230 204 102 30 60 53 42 98 16 90616 UC316 K616 T316 80 K90617 UCT317 180 96 40 298 183 30 240 214 102 32 64 53 42 98 20 90617 UC317 K617 T317 85 K90618 UCT318 190 96 40 312 192 30 255 228 110 32 66 57 46 106 22 90618 UC318 K618 T318 90 K90619 UCT319 200 103 41 322 197 31 270 240 110 35 72 57 46 106 25 90619 UC319 K619 T319 95 K90620 UCT320 215 108 42 345 210 32 290 260 120 35 75 59 48 115 32 90620 UC320 K620 T320 100 K90621 UCT321 225 112 44 345 210 32 290 260 120 35 75 59 48 115 32 90621 UC321 K621 T321 105 K90622 UCT322 240 117 46 385 235 38 320 285 130 38 80 65 52 125 40 90622 UC322 K622 T322 110 K90624 UCT324 260 126 51 432 267 42 355 320 140 45 90 70 60 140 55 90624 UC324 K624 T324 120K90626 UCT326 280 135 54 465 285 45 385 350 150 50 100 75 65 150 69 90626 UC326 K626 T326 130 K90628 UCT328 300 145 59 515 315 50 415 380 155 50 100 80 70 160 84 90628 UC328 K628 T328 140CL90500型(SAPFL200) 带冲压菱形座顶丝外球面球轴承参数表带座轴承型号外形尺寸带座轴承重量配用轴承代号配用轴承座代号螺栓尺寸配合轴径D B S L J H A A1 N KgCL90503 40 28.6 6.5 80 63.5 59 15 4 7.1 0.22 90503 CL203 M6 17 CL90504 47 31 7.5 90 71.5 66 17 4 9 0.22 90504 CL204 M8 20 CL90505 52 31 7.5 95 76 71 17 4 9 0.28 90505 CL205 M8 25 CL90506 62 35.7 9.0 112 90.5 84 19 5 11 0.48 90506 CL206 M10 30 CL90507 72 38.9 9.5 122 100 94 21 5 11 0.59 90507 CL207 M10 35H90500型(UCC200) 带环形座顶丝外球面球轴承参数表带座轴承型号外形尺寸带座轴承重量配用轴承代号配用轴承座代号配合轴径D B S D1 A A1 r KgY90503 UCWC203 40 27.4 11.5 67 20 10 1.1 0.5 90503 Y503 17 Y90504 UCC204 47 31 12.7 72 20 10 1.1 0.5 90504 UC204 Y504 C204 20 Y90505 UCC205 52 34.1 14.3 80 22 11 1.1 0.7 90505 UC205 Y505 C205 25 Y90506 UCC206 62 38.1 15.9 85 27 13.5 1.1 0.9 90506 UC206 Y506 C206 30 Y90507 UCC207 72 42.9 17.5 90 28 14 1.1 1 90507 UC207 Y507 C207 35 Y90508 UCC208 80 49.2 19 100 30 15 1.5 1.3 90508 UC208 Y508 C208 40 Y90509 UCC209 85 49.2 19 110 31 15.5 1.5 1.6 90509 UC209 Y509 C209 45 Y90510 UCC210 90 51.6 19 120 33 16.5 1.5 2 90510 UC210 Y510 C210 50 Y90511 UCC211 100 55.6 22.2 125 35 17.5 1.5 2.2 90511 UC211 Y511 C211 55Y90512 UCC212 110 65.1 25.5 130 38 19 1.5 2.6 90512 UC212 Y512 C212 60 Y90513 UCC213 120 65.1 25.5 140 40 20 2 3.1 90513 UC213 Y513 C213 65H90600型(UCC300) 带环形座顶丝外球面球轴承参数表带座轴承型号外形尺寸带座轴承重量配用轴承代号配用轴承座代号配合轴径D B S D1 A A1 r KgY90605 UCC305 62 38 15 90 26 13 1.5 1.1 90605 UC305 Y605 C305 25 Y90606 UCC306 72 43 17 100 28 14 1.5 1.4 90606 UC306 Y606 C306 30 Y90607 UCC307 80 48 19 110 32 16 2 1.8 90607 UC307 Y607 C307 35 Y90608 UCC308 90 52 19 120 34 17 2 2.2 90608 UC308 Y608 C308 40 Y90609 UCC309 100 57 22 130 38 19 2.1 2.7 90609 UC309 Y609 C309 45 Y90610 UCC310 110 61 22 140 40 20 2.1 3.3 90610 UC310 Y610 C310 50 Y90611 UCC311 120 66 25 150 44 22 2.1 3.9 90611 UC311 Y611 C311 55 Y90612 UCC312 130 71 26 160 46 23 2.1 4.8 90612 UC312 Y612 C312 60 Y90613 UCC313 140 75 30 170 50 25 2.1 5.8 90613 UC313 Y613 C313 65 Y90614 UCC314 150 78 33 180 52 26 3 6.6 90614 UC314 Y614 C314 70 Y90615 UCC315 160 82 32 190 55 27.5 3 7.8 90615 UC315 Y615 C315 75 Y90616 UCC316 170 86 34 200 60 30 3 9 90616 UC316 Y616 C316 80 Y90617 UCC317 180 96 40 215 64 32 3 11 90617 UC317 Y617 C317 85 Y90618 UCC318 190 96 40 225 66 33 3 12 90618 UC318 Y618 C318 90 Y90619 UCC319 200 103 41 240 72 36 3 15 90619 UC319 Y619 C319 95 Y90620 UCC320 215 108 42 260 75 37.5 3 19 90620 UC320 Y620 C320 100 Y90621 UCC321 225 112 44 260 75 37.5 3 19 90621 UC321 Y621 C321 105Y90622 UCC322 240 117 46 300 80 40 4 28 90622 UC322 Y622 C322 110 Y90624 UCC324 260 126 51 320 90 45 4 35 90624 UC324 Y624 C324 120 Y90626 UCC326 280 135 54 340 100 50 4 42 90626 UC326 Y626 C326 130 Y90628 UCC328 300 145 59 360 100 50 4 49 90628 UC328 Y628 C328 140。
Z90500型(UCP200) 带立式座顶丝外球面球轴承参数表
Z90600型(UCP300) 带立式座顶丝外球面球轴承参数表
UCPH200(ZH90500)型带高中心立式座顶丝外球面球轴承参数表
ZA90500(UCPA200)型带窄立式座顶丝外球面球轴承参数表
F90500型(UCFU200) 带方形座顶丝外球面球轴承参数表
F90600型(UCF300) 带方形座顶丝外球面球轴承
L90500型(UCFLU200) 带菱形座顶丝外球面球轴承参数表
L90600型(UCFL300) 带菱形座顶丝外球面球轴承参数表
LA90500(UCFA200)型带可调菱形座顶丝外球面球轴承参数表
LA90500(UCFA200)型带可调菱形座顶丝外球面球轴承参数表
TY90500型(UCFC200) 带凸台圆形座顶丝外球面球轴承参数表
K90500型(UCK200) 带滑块座顶丝外球面球轴承参数表
K90600型(UCT300) 带滑块座顶丝外球面球轴承参数表
CL90500型(SAPFL200) 带冲压菱形座顶丝外球面球轴承参数表
H90500型(UCC200) 带环形座顶丝外球面球轴承参数表
H90600型(UCC300) 带环形座顶丝外球面球轴承参数表。