行政人事流程图
- 格式:xls
- 大小:984.00 KB
- 文档页数:14
行政及人事工作流程图办公设备购买管理工作流程
办公设备管理工作流程图
员工出差审批管理工作流程
员工出差管理工作流程图
会前准备工作管理流程图
会议管理工作流程
会议组织工作流程
技术资料保密管理工作流程图
参观接待管理工作流程图
客户接待管理工作流程图
客户就餐招待管理工作流程
提案管理工作流程
办公室发文管理工作流程图
办公室收文管理工作流程图
档案管理工作流程图
档案归档与维护管理工作流程图
档案借阅与归还管理工作流程
值班管理工作流程图。
行政人事部工作流程图(总图)公司发展战略行政人事部工作流程图(总图)组织结构图组织结构设置职位说明书工作分析年度编制计划定岗定编招聘……员工关系培训发展薪酬福利绩效管理岗位调整劳动合同薪酬考核福利评估入职人才储备试用转正培训考勤休假职业生涯档案奖惩离职员工活动招聘员工入职程序劳动合同入职入职培训试用享受公司支持转正培训奖惩福利薪酬正常工作执行公司制度……请假评估考核考勤接受岗位调整调薪待岗转岗降职晋升招聘用人部门人事行政部主管领导总经理关联流程人员空缺有无编制NY职位说明书确定招聘方式增补申请审批N审批Y取消或延期NY确定招聘渠道招聘会聘渠道媒体猎头校园发布招聘信息收集筛选简历初试/笔试复试复试特殊岗位人员复试通过通过通过简历存档未通过未通过确定录用人选录用通知书录用待遇谈判接受不接受外部内部发布招聘信息推荐自荐信工作分析薪酬入职资格验证通过档案绩效管理——考核被考核人考核人行政人事部总经理关联流程当月考核填写结束公司考核项目评分考核人评审当月考核评审结束考核记录发布/归档员工考核项目自评公司考核项目评分表考核评审确认考核表考核考勤表考核启动公司考核项目申请审批公司考核项目申请表员工考核项目指定员工考核项目自定员工考核项目确定考勤薪酬考核表反馈绩效评价公司考核项目申请结束当月考核评审启动绩效管理——评估被评估人评估人行政人事部公司领导关联规程辞退处罚培训待岗YN晋升培养奖励绩效考核绩效是否符合岗位要求个人报告书评价工作表现自评评价沟通评价结论备案确认一次申诉同意不同意受理调查维持原结论YN人才储备岗位调整奖惩离职奖惩岗位调整培训绩效评估表改进计划保持劳动合同不续签劳动合同档案薪酬外部信息员工行政人事部公司领导关联流程审批N统计局统计数据岗位评价薪酬调查岗位级别表月薪金表月工资明细地区差异系数表岗位津贴基数工作分析职位说明书绩效评估绩效评估表制定年度薪金调整方案薪金调整方案实施年度薪金调整方案Y制作通知发布文件岗位津贴基数调整通知人事通知单签字确认考勤考核表考核考勤审批NY计算制表财务部接收国家法律法规福利奖惩保险浮动工资调整方案销售人员奖金调整方案福利——社保参保人员行政人事部主管领导总经理关联规程个人自行缴费申请审批集体户参保/停缴/申请办理社保增员/减员/汇缴手续签署意见社保发票原件提供给公司人事部社保缴纳月报表社保个人扣缴/报销明细表档案薪酬福利国家政策制订年度社保基数调整方案审批审批年度社保基数调整方案执行和备案缴纳标准备案财务部转账奖惩员工部门经理行政人事部公司领导总经理关联流程发布文件取消或改变原决定维持原决定书面形式提交奖惩决定行为表现及结果部门经理或相关部门调查取证并作书面结论主管公司领导或相关部门调查取证并作书面结论总经理指派调查取证并作书面结论绩效评估相关部门规程行为表现及结果行为表现及结果审批YN终止并通知提名人一次申诉机会理由是否成立YN审批YN终止并通知提名人文件存档离职档案薪酬实施奖励处罚通报表扬专项奖励优秀员工通报批评罚款开除起诉法律程序薪酬……岗位调整员工部门/地区行政人事部主管领导/总经理关联流程固定时间的岗位调整部门经理会讨论,综合评价全体员工评价结果人事通知单(评价结果)告知相关人员签字确认存档非固定时间的岗位调整根据公司发展或规划需要,提出岗位调整议案经理例会讨论决定审批Y根据业务规划和工作计划,或员工不胜任岗位工作,提出岗位调整的书面报告因个人爱好特长等提出岗位调整的书面申请取消岗位调整N档案考核评估获知调薪晋升降职转岗待岗汇总并形成处理意见书面意见执行批示薪酬劳动合同劳动合同劳动合同劳动合同获知获知人才储备员工/主管部门经理行政人事部公司领导总经理关联流程审批Y考察报告绩效评估提名提名提名表现表现表现编入人才发展名单工作内容拓展计划素质测评考察审批N终止并通知提名人NY培训计划编制培养计划确认确认考察考察计划实施培训工作表现工作表现考察报告考察报告提交讨论审批NY储备人才库人才储备报告书反馈给各提名者提交总经理岗位调整条件突出但暂未加盟公司的求职者培训员工部门行政人事部公司领导关联流程人才储备绩效评估培训需求培训需求目的分析工作分析职位说明书满足必备知识技能满足发展知识技能入职培训在职培训制定培训计划审批YN实施培训计划选择培训方式选择培训课程制定培训场地确定预算参加培训总结批转培训效果评估培训评估表记录培训档案档案培训测试参加考试近期远期绩效评估劳动合同员工行政人事部总经理/代理人总办备注签名确认亲笔签名劳动合同解除/终止劳动合同续订劳动合同变更个人留存一式两份人事通知单劳动合同续订书制作变更协议存挡保密协议兼职人员销售人员后勤人员管理人员兼职劳务协议劳动合同书制作合同确定合同编号确定签署合同类别公司领导合同拟定和签署亲笔签名盖章岗位调整离职绩效评估岗位调整入职档案入职新员工用人部门行政人事部公司领导行政人事部关联流程总部员工身份证学历证学位证职称证……照片一寸两张存档新员工入职通知信息部开通公司邮箱财务部办理工资卡设置MIS权限新员工须知阅读并遵照执行入职培训/考核员工手册进入试用期培训试用收取资料签订劳动合同报到外埠员工提前一个工作日发布入职通知入职准备工作确认设施提供设置MIS权限熟悉工作环境录入劳动合同招聘档案试用转正▲返回顶部试用员工用人部门行政人事部主管公司领导关联流程转正申请书提交直接领导抄送人事部试用考核单直接领导对试用员工工作评价,签署意见人事部签署意见审批进入试用期人事通知单(转正)合格员工留存存档不合格终止合同离职入职档案绩效评估考核及反馈工作表现绩效考核转正薪酬试用期结束转为正式员工考勤员工直接领导行政人事部主管领导总经理关联流程员工刷卡记录计划总结表不计考勤员工考勤记录说明签署意见考勤统计休假考核考勤表考勤确认有无异常YN事实调查并提出处理意见审批YN执行批示薪酬薪酬离职休假员工直接领导行政人事部总经理关联流程请假申请请假申请单(总部)签署意见审批审批存档考勤统计考勤员工休假表反馈给员工个人请假主题的EMAIL(外阜)Y延迟或取消请假N请假3天(含)以上YN档案员工行政人事部主管领导存档机构关联流程建立公司内部员工档案身份证明学历学位证明各类证书招聘资料试用转正文件奖惩文件绩效评估报告劳动合同及附件离职文件离职绩效评估奖惩试用转正劳动合同招聘入职各类人事通知单个人认为有必要放入档案的资料公司内部员工档案整理保存2年销毁商调函档案自带公司指定人才机构存档定期核算存档费用审批人事档案Y 档案转入/转出申请关于调入/调出职工档案的申请试用转正入职档案转递商调函转递个人认为有必要放入档案的资料N保存回执费用结算财务部离职员工部门行政人事部职能部门总经理关联流程患病或非工伤医疗期满后,不能胜任工作的因公司机构调整无合适工作安排的经培训或岗位调整后仍不能适应工作要求的被依法追究刑事责任的严重违反公司规章制度的试用期间不符合录用条件的部门经理书面意见交接中断30日工作交接取消申请员工辞职辞退员工NY审批预估最后工作日指定工作接收人员工离职申请表员工离职期预告表书面意见邮箱取消终止并通知部门记入档案扣发薪金社保停缴员工离职通知发布开除文件并送达员工处理意见记入档案扣发薪金社保停缴结算薪金离职面谈档案调出社保停缴员工离职通知人事调出签署意见离职审批手续交接顺利可办理离职审批手续发布离职预告薪酬经理会讨论会签若有协办事宜书面通知获知薪酬报备取消MIS权限NY审批NY审批奖惩绩效评估档案社保薪酬社保档案社保。
劳动合同入职培训1-------- ►享受公司支持转正1i 薪福培奖: ,■1酬利训征丿接受岗位调整待冈晋升降职转冈调薪执行公司制度考勤请假考核评估行政人事部工作流程图(总图)1组织组织结构设置片今结构图公司发展战略工作分析亠职位说明书定岗定编年度编制计划招聘绩效管理考核薪酬福利薪酬培训发展员工关系员工入职程序招聘岗位厂调整人才一储备II职业生涯I-劳动合同入职—试用转正考勤-I档案I 一|奖惩|~|离职|员工活动考核 启动 当月考 核评审 启动 公司考核项目评 分表绩效管理 考核 被考核人 考核人 行政人事部 总经理 关联流程 员工考核项目 k. 当月考核 确定 P 1 填写结束 * 1考核表反馈当月考核评 审结束 匸二4绩效评价 考核考勤表 考核记录 发布/归档 考勤薪酬 公司考核项目申请 公司考核项 目申请表 员工考核项目自定员工考核项目指定 公司考核项目 申请结束 考核表 审批 考核人评审 公司考核项目 评分 ■考核评审确认■ raa ■ r ' ■ r cal ■ r ■■ ■ ■ ri员工考核项目自评福利 社保参保人员 行政人事部主管领导 总经理 关联规程 年度社保基数调整 方案执行和备案签署意见 个人自行 缴费申请 审批 缴纳标准备案疇 集体户参 保/停缴/ 申请 档案 .办理社保增员 /减 员/汇缴手续 社保缴纳月报表 社保发票 原件提供 给公司人 事部 财务部 转账 A ■ 薪酬社保个人扣缴/报 销明细表一 ------------------------ - 福利 制订年度社保基数 调整方案 ----------------------------------- 国家政策审批 审批奖惩员工部门经理 行政人事部 公司领导 总经理 关联流程 绩效评估 相关部门 规程 行为表现 及结果 总经理指派调 查取证并作书 面结论 行为表现及结果 行为表现及结果主管公司领导 或相关部门调 查取证并作书 面结论 須部门经理或相 关部门调查取 证并作书面结 论 奖惩决定 审批 Y N 一次申诉 机会 终止并通知 提名人 书面形式 提交 Y 理由是否 成立 N 维持原决定 取消或改变原决定 终止并通 知提名人 发布文件 奖励 通报表扬 专项奖励 优秀员工 处罚一 通报批评 罚款 开除 起诉 *文件存档 法律程序 档案根据业务规划和工作计划,或员工不胜任岗位工作,提出岗位调整的书面报告根据公司发展或规划需要,提出岗位调整议案调薪1薪酬1晋升« -------------------- i1劳动合同1降职!---------------------1劳动合同!1转岗 1 --------------------1劳动合同i ~待岗劳动合同|岗位调整员工部门/地区行政人事部主管领导/总经理关联流程考核固定时间的岗位调整部门经理会讨论,综合评价全体员工评估评价结果(告知相关人员1签字确认人事通知单(评价结果)存档非固定时间的岗位调整书面意见获知获知*汇总并形成处理意见执行批示审批经理例会讨论决定Y 取消岗位调整因个人爱好特长等提出岗位调整的书面申请。
综合管理部相关工作流程汇总(TPZH【1-11】)发文管理流程图(1.1) (1)收文管理流程图(1.2) (2)文件(信涵、快递)管理流程图(1.3) (3)档案管理流程图(1.4) (4)印章使用管理流程图(1.5) (5)招聘管理流程图(2.1) (6)招聘推荐流程图(2.2) (7)录用管理流程(2.3) (8)员工试用期管理流程(2.4) (9)员工转正管理流程(2.5) (10)员工离职流程(2.6.1) (11)辞退管理流程(2.6.2) (12)员工内部调动流程(2.7) (13)员工晋升和降级流程图(2.8) (14)培训管理体系流程图(2.9) (15)培训过程管理流程图(2.9.1) (16)培训过程管理流程图(2.9.2) (17)社保管理流程图(3.1) (18)商业险管理流程图(3.2) (19)医保卡管理流程(3.3) (20)出险办理流程(3.4) (21)薪酬管理流程图(4.1) (22)劳动合同管理流程(6.1) (23)稿件管理流程(7.1) (24)意见箱管理流程(7.2) (25)月考勤监督管理流程图(8.1) (26)请假、补休控制流程图(8.2) (27)办公物资管理流程图(9.1) (28)办公名片、印刷品、展会宣传用品管理流程图(9.2) (29)办公物品借用管理流程图(9.3) (30)工作服定制管理流程图(9.4.1) (31)工作服着装管理流程图(9.4.2) (32)公司手机卡管理流程图(9.5) (33)会议管理流程图(10.1) (34)会议用餐及住宿管理流程图(10.2) (35)前台接待来访人员管理流程图(10.3) (36)车辆档案管理流程(11.1) (37)车辆使用(公务用车、公车私用)(11.2) (38)车辆油料管理流程(11.3) (39)车辆维修流程图(11.4) (40)车辆卫生管理流程(11.5) (41)车辆保险及肇事处理流程图(11.6) (42)车辆违章管理流程(11.7) (43)车辆报废管理流程(11.8) (44)流程说明:一、按文件分类发起,属总经办发起,由综合管理部起草文件内容,各职能部门发起,由相关部门人员自行起草。
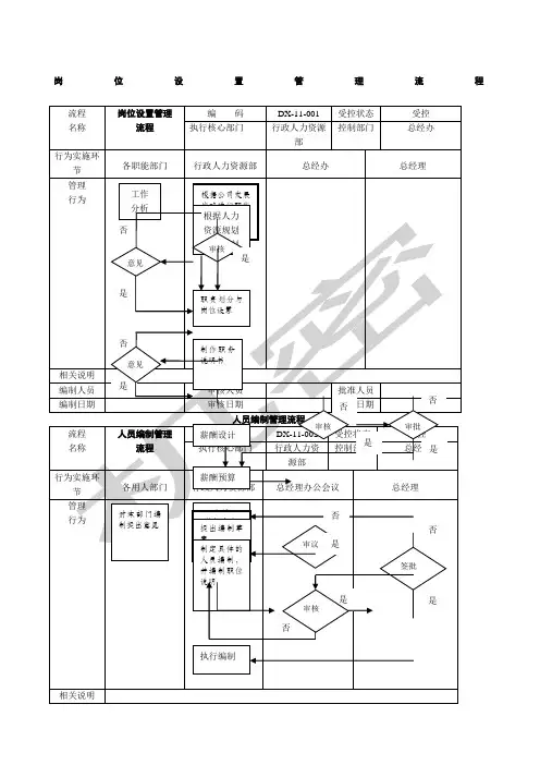
岗位设置管理流程流程岗位设置管理编码DX-11-001受控状态受控名称流程履行中心部门行政人力资控制部门总经办源部行为实行各职能部门行政人力资源部总经办总经理环节依据企业发展战略进行职能分解和机构设置工作剖析否管理行为建议是否建议是有关说明编制人员编制日期依据人力资源规划确立编制否审察是职责区分与岗位设置制作职务说明书薪酬设计薪酬估算实行审察人员审察日期否否审察审批是是赞同人员赞同日期流程名称行为实行环节人员编制管理流程各用人部门人员编制管理流程编码DX-11-002受控状态受控履行中心部门行政人力资控制部门总经办源部行政人力资源部总经理办公会议总经理进行各部门工作量剖析否对本部门编制提出建议提出编制草案拟订详细的人员编制,并编制职位说明审议是管理行为否是审察签批否是履行编制有关说明编制人员审察人员赞同人员编制日期审察日期赞同日期流程增添编制申请名称流程行为实行环节各用人部门提出增添编制的申请提出增编岗位人员素质要求管理行为增添编制申请流程编码DX-11-003受控状态受控履行中心部门各用人部门控制部门总经办行政人力资源部总经理办公会议总经理否否是是审察审议审批否是内部招聘流程内聘决议外聘外面招聘流程有关说明编制人员审察人员赞同人员编制日期审察日期赞同日期用人申请流程流程名称行为实行环节管理行为用人申请编码流程履行中心部门用人部门部门负责人保持现状不影因调换、流响失等原由出工现职位空缺作报告部门负责人判断影响工作填写用人申请表DX-11-004受控状态受控用人部门控制部门分管经理分管部门行政人力资源部否是审察核实否是实行招聘流程有关说明编制人员审察人员赞同人员编制日期审察日期赞同日期企业内部招聘流程流程企业内部招聘编码DX-11-005受控状态名称流程履行中心部门行政人力资控制部门源部行为实行环节用人部门行政人力资源部企业职工企业外面招聘用工申请程序流程决定外聘判断决定内聘对内公布招聘报名,填写应启事聘登记表管理行为用人部门面试,人力资源部供给有关支持面试人员挑选通知职员,并办理调换手续有关说明编制人员审察人员赞同人员编制日期审察日期赞同日期受控总经办职工原到任部门与职工沟通,必需时请人力资源部协调关键人员不能调离判断非关键人员企业外面招聘流程流程企业外面招聘编码DX-11-006受控状态受控名称流程履行中心部门行政人力资控制部门总经办源部行为实行分管经理环节用人部门行政人力资源部应聘人员总经办企业内部招聘程序用工申请流程决定内聘判断决定外聘对外公布招聘报名,填写应启事聘登记表管理行为用人部门面试,人力资源部供给有关支持面试否人员挑选审察是通知报到报到入职流程有关说明编制人员编制日期审察人员审察日期赞同人员赞同日期·新职工入职流程流程新职工入职编码DX-11-007受控状态受控名称流程履行中心部门行政人力资源控制部门总经办部行为实行环节行政人力资源部用人部门新职工建档工作证办理发放职工手册配合行政部办理后勤工作管理制度培训人力资源部和用人部门配合进行岗前培训行为签署试用合同工作关系介绍工作交接存档试用试用职工转正流程有关说明编制人员审察人员赞同人员编制日期审察日期赞同日期流程名称行为实行环节管理行为有关说明编制人员编制日期劳动合同管理流程有关职工新职工报到入职试用期满合同期满能否续签合同否劳动合同管理流程编码DX-11-008履行中心部门行政人力资源部部门负责人分管领导不合格查核合格是审察人员审察日期受控状态受控控制部门总经办行政人力资源部签署试用合同解雇流程签校正式合同劳动仲裁机构署名存案存档办理离职手续赞同人员赞同日期新职工试用期满转正流程流程新职工试用期满编码DX-11-009受控状态受控名称转正流程履行中心部门行政人力资源部控制部门总经办行为实行用人部门试用期满新职工行政人力资源部部门经理环节总经办填写转正申请转正查核评估是否是是管理能否行为合格否审察审批是能否留用否职工解雇流程有关说明编制人员审察人员编制日期审察日期否延伸试用期签校正式合同劳动仲裁机构署名存案存档赞同人员赞同日期流程名称行为实行环节管理行为职务委任流程职务委任编码DX-11-010流程履行中心部门行政人力资源部各职能部门行政人力资源部总经理办公会议否拟订荣膺制度及各审议级人员任是职资格提出任命名单(部门负责人否以下职观察审议位)是否是受控状态控制部门总经理否审批是提请任命财务负责人受控总经办董事会否签发是委任企业经理下发委任通知否审议否下发任是委任除财务命通知审议负责人以外的部门级管理人员存档存案有关说明编制人员审察人员赞同人员编制日期审察日期赞同日期·是流程考勤管理名称流程行为实行各部门环节考勤管理流程编码DX-11-011受控状态受控履行中心部门行政人力资源控制部门总经办部行政人力资源部行政人力资源部行政人力资源部经理否拟订考勤制度,装备审察考勤刷卡设施各部门员工刷卡接受考勤特别状况不能刷卡者由部门负责人管理核实确认行为月底汇总编制考勤表是否审察是依据考勤及其余依照编制薪资表薪资发放流程有关说明程序依照《企业考勤制度》履行编制人员审察人员赞同人员编制日期审察日期赞同日期流程职工加班申请名称流程行为实行加班职工环节职工加班申请流程编码DX-11-012受控状态受控履行中心部门各职能部门控制部门总经办部门负责人行政人力资源部财务部管理行为因工作需要加班填写加班申请表履行加班填写加班记录否审批是否是是审审加班薪资核核核算否归入综合考评有关说明编制人员审察人员赞同人员编制日期审察日期赞同日期流程名称行为实行环节管理行为有关说明编制人员编制日期职工告假管理编码DX-11-013受控状态受控流程履行中心部门各用人部门控制部门总经办人力告假人员部门负责人分管领导总经理资源部不同意填写告假审批条同意5天内审批超过同5意天审批不同意1 个月内审批赞同1 月以上审批不考勤管理流同程意各级负责人审批权限(准假时限)能够依据参照《考勤管理制度》审察人员赞同人员审察日期赞同日期流程职工出差管理编码DX-11-014受控状态受控名称流程履行中心部门各职能部门控制部门总经办行为实行人力环节出差人员部门负责人分管部门主管总经理资源部填写出差派遣单5 天内制定出差计划时间不超同过意5管理天审批不同行为意同意1 月以上审批1个月内审批赞同考勤存案出差有关说明编制人员编制日期审察人员审察日期赞同人员赞同日期流程名称行为实行环节管理行为绩效管理工作流程绩效管理工作编码DX-11-015受控状态受控流程履行中心部门行政人力资源部控制部门总经办有关部门分管主管行政人力资源部总经办总经理否拟订绩效是审审管理制度核批否查核指拟订查核标分解指标、方法是工作履行与绩效沟通月度工作检查绩效是是审审考评核核否否薪资发放流程有关说明编制人员审察人员赞同人员编制日期审察日期赞同日期流程名称行为实行环节职工绩效查核流程职工绩效查核编码DX-11-016受控状态受控流程履行中心部门行政人力资源控制部门总经办部各职能部门行政人力资源部总经理办公会议总经理否管理依据通知精神,填写查核表,进行部门内查核拟订查核制度审议(含原则、措施、指标、方法)是下达查核通知否审察核实行为有关说明编制人员编制日期是否汇总当期查核结是签批果,拟订报告审察否是履行奖赏档案记录审察人员赞同人员审察日期赞同日期薪酬方案审批流程流程薪酬方案审批编码DX-11-017受控状态受控名称流程履行中心部门行政人力资源控制部门总经办部行为实行环节有关部门行政人力资源部财务部总经理否依据估算编制薪酬草案测算是信息支持修正方案否审批管理是行为履行方案存档有关说明编制人员审察人员赞同人员编制日期审察日期赞同日期流程名称行为实行环节管理行为薪资发放流程流程用人部门部门月份考评薪资发放流程编码DX-11-018受控状态履行中心部门行政人力资源部控制部门行政人力资源部总经办总经理否审察否是是是编制薪资表审审核核否受控总经办财务部复核工资表发下班资否工资核复算核是存档有关说明编制人员审察人员赞同人员编制日期审察日期赞同日期流程名称行为实行环节管理行为职工奖赏(处分)流程职工奖赏(处分)编码DX-11-019流程履行中心部门各职能部门各职能部门行政人力资源部分管主管呈报奖赏(处分)名单和事赞同由,提出审察奖赏方案不同审察意或不调同整意或调整实行奖赏(处分)档案记录受控状态控制部门总经理赞同审察不一样意或调整受控总经办财务部赞同发放奖金(罚款)有关说明编制人员审察人员赞同人员编制日期审察日期赞同日期流程名称行为实行环节培训管理整体流程培训管理整体编码DX-11-020受控状态受控流程履行中心部门行政人力资源控制部门总经办部各有关部门行政人力资源部总经理办公会议总经理否拟订企业整体培训目标审议提出培训需求培训需求调研是管理行为有关说明编制人员编制日期否否拟订整体培训计划评审赞同是是教课研究设计实行培训培训成效评估否总结确认是存档审察人员赞同人员审察日期赞同日期流程名称行为实行环节岗前培训流程岗前培训编码DX-11-021受控状态受控流程履行中心部门行政人力资源控制部门总经办部行政人力资源部行政人力资源部受训部门受训职工经理否否提出新职工岗前培训需审是审求核核制定岗前培训方案否是否审察是管理行为提出确立培训方案建议是培训教材教具师资场所落实培训考试实行培训否成效评估审察是上岗修正方案再培训有关说明编制人员审察人员赞同人员编制日期审察日期赞同日期流程职工离职审批名称流程行为实行环节离职职工提早 30天提出申请再申请或申述或仲裁管理行为否能否接受是结束办理离职手续职工离职交接流程有关说明编制人员编制日期职工离职审批流程编码DX-11-022受控状态受控履行中心部门行政人力资源控制部门总经办部部门负责人行政人力资部分管主管总经理审赞同不不离职原由批检查同同意意不同意正常超越权限审判审批批断非正常同同意意做思想工作消除问题审察人员赞同人员审察日期赞同日期职工解雇审批流程流程职工解雇审批编码DX-11-023受控状态受控名称流程履行中心部门行政人力资源控制部门总经办部行为实行各用人部门分管主管行政人力资源部总经办总经理环节否是提出辞审原因调查退报告批否管理赞同解雇员工离行为职交接流程否否超越权限审审审核批批是是是决策内部调动职工工作调换流程有关说明编制人员审察人员赞同人员编制日期审察日期赞同日期流程名称行为实行环节管理行为有关说明职工离职交接流程离职人员职工辞职审批填写工作交接单实施工作交接职工离职交接流程编码DX-11-024受控状态受控履行中心部门各职能部门控制部门总经办部门负责人行政人力资源总经理财务部部否否是超越权限是审审审核核批是否审阅部门与员清退办公用工签署离具等,结算职协议薪资奖金是能否招聘增补流程否结束编制人员编制日期审察人员赞同人员审察日期赞同日期。
行政人事部职责及所属业务流程
二、各具体工作单位所涉及公司制度文件:
A业务单元所涉及制度:《办公用品采购管理制度》
B业务单元所涉及制度:《收发文管理制度》、《公章管理制度》
C业务单元所涉及制度:《会议室管理制度》
D业务单元所涉及制度: 无。
E业务单元所涉及制度:《招聘管理制度》
F业务单元所涉及制度:《培训管理制度》、《内部讲师管理制度》
G业务单元所涉及制度:《薪酬制度》、《社会保险制度》、《公积金管理制度》、《体检管理制度》 H业务单元所涉及制度:《绩效考核管理制度》
I业务单元所涉及制度:《劳动合同管理制度》
J业务单元所涉及制度:《车辆管理制度》
K业务单元所涉及制度:《人员、物资进出管理制度》
L业务单元所涉及制度:《保卫后勤管理制度》
A:办公用品采购
B:文件收发管理
一、具体工作流程:
(1)
C:日常行政事务
一、具体工作流程:
接待工作会议室管理
(6)
E:招聘与配置(人员招聘)
一、具体工作流程:
(11)
(12)
(3)
E:招聘与配置(人员调动)
一、具体工作流程:
部门内调动
跨部门人员调动
人员外调
E:招聘与配置(人员离职)
一、具体工作流程:
合同终止员工离职员工辞退 终止试用
其他业务单元F:培训与发展
一、具体工作流程:
ⅶ:薪酬福利管理(工资)一、具体工作流程:
ⅶ:薪酬福利管理(体检)一、具体工作流程:
ⅸ:劳动关系管理(劳动合同)一、具体工作流程:
上一业务单元
ⅸ:劳动关系管理(考勤管理)一、具体工作流程:
ⅹ:车辆管理一、具体工作流程:
Ⅰ:人员物资管理一、具体工作流程:
Ⅱ:保卫后勤管理一、具体工作流程:。