太阳能光伏发电系统设计报告
- 格式:doc
- 大小:2.53 MB
- 文档页数:17
光伏发电系统实验报告总结一、引言光伏发电系统是一种利用太阳能转化为电能的技术。
本次实验旨在探究光伏发电系统的工作原理、影响因素以及其在实际应用中的效果。
二、实验设计与方法1. 实验设备:光伏电池板、直流电源、电流表、电压表、电阻器等。
2. 实验步骤:2.1 设置光伏电池板与直流电源的连接;2.2 通过电流表和电压表实时监测电流和电压的变化;2.3 调节直流电源的输出电压,记录相应的电流值;2.4 改变光照强度,观察电流和电压的变化。
三、实验结果1. 工作原理:光伏电池板通过光照作用产生电流,光照强度越高,产生的电流越大。
2. 影响因素:2.1 光照强度:光照强度越高,光伏电池板产生的电流越大;2.2 温度:温度升高会导致光伏电池板的效率降低,因此要尽量保持较低的工作温度;2.3 阴影遮挡:光伏电池板表面的阴影会导致部分电池单元无法正常工作,影响整体发电效果。
四、实验讨论1. 光伏发电系统的优势:光伏发电系统具有清洁、可再生、无噪音等优势,对环境友好,并且具有潜力成为未来主要的能源来源之一。
2. 光伏发电系统的应用:光伏发电系统广泛应用于家庭、工业、农业等领域,可以为电力供应提供可靠的解决方案。
五、实验结论通过本次实验,我们深入了解了光伏发电系统的工作原理和影响因素。
光照强度是影响光伏发电效果的关键因素,而温度和阴影遮挡也会影响其发电效率。
光伏发电系统具有许多优势,并且在各个领域有着广泛的应用前景。
六、实验感想通过本次实验,我们更加深入地了解了光伏发电系统的原理和应用。
光伏发电作为一种清洁能源技术,对于解决能源问题和减少环境污染具有重要意义。
希望未来能够进一步研究和应用光伏发电技术,促进可持续发展。
太阳能光伏设计报告# 太阳能光伏设计报告## 1. 引言太阳能光伏系统是一种利用太阳能将光能转化为电能的装置,具有环保、可再生等优点。
本报告旨在设计一个高效可靠的太阳能光伏系统,为使用太阳能发电提供技术支持。
## 2. 设计目标本设计的目标是构建一个太阳能光伏系统,具备以下特点:- 高效能:充分利用太阳能资源,确保系统发电效率最大化。
- 可靠性:保证系统长期稳定运行,抵抗各种环境因素的影响。
- 经济性:在保证性能的前提下,尽量降低系统的成本。
## 3. 系统结构本设计采用分布式结构,包括太阳能电池板、充电控制器、电池组和逆变器。
### 3.1. 太阳能电池板太阳能电池板是太阳能光伏系统的核心组件,用于将太阳能转化为直流电能。
在选用太阳能电池板时,应考虑以下因素:- 光伏电池产生的电压和电流是否满足系统的需求;- 光伏电池板的转化效率,即光能转化为电能的比例;- 光伏电池板的尺寸、重量和安装方式,以便方便快捷地安装。
### 3.2. 充电控制器充电控制器用于管理光伏电池板输送的电能,以充电电池组,同时还负责保护电池组免受过充和过放的影响。
选用充电控制器时,需考虑以下因素:- 充电控制器是否支持所选用的太阳能电池板的最大电流;- 充电控制器的效率和稳定性,确保能够有效控制充电过程;- 充电控制器是否具备保护功能,以保护电池组的安全。
### 3.3. 电池组电池组用于储存通过光伏电池板充电获得的直流电能,并在需要时为负载供电。
选用电池组时,应考虑以下因素:- 电池组的容量和电压是否满足系统的需求;- 电池组的寿命和充放电效率;- 电池组的尺寸、重量和安装方式,以便方便快捷地安装。
### 3.4. 逆变器逆变器用于将电池组储存的直流电能转换为交流电能,以供给负载使用。
选用逆变器时,需考虑以下因素:- 逆变器的功率和输出电压是否满足系统的需求;- 逆变器的效率和稳定性;- 是否具备过载保护和短路保护功能,以保证系统的安全。
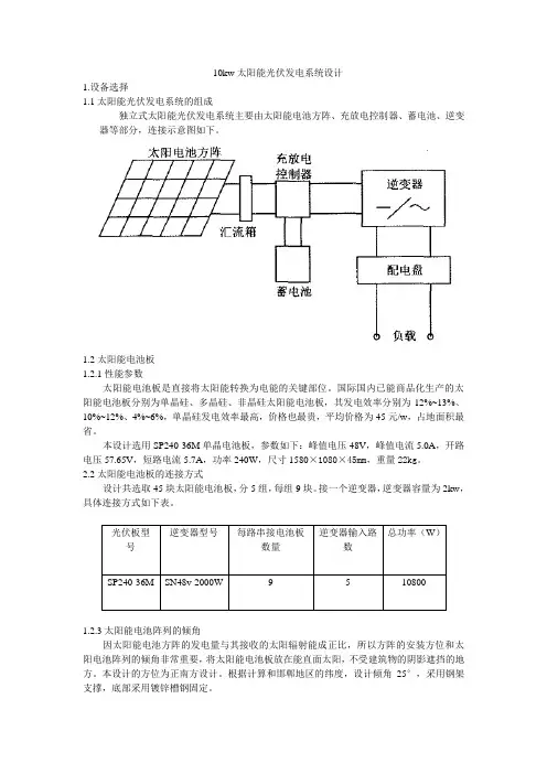
10kw太阳能光伏发电系统设计1.设备选择1.1太阳能光伏发电系统的组成独立式太阳能光伏发电系统主要由太阳能电池方阵、充放电控制器、蓄电池、逆变器等部分,连接示意图如下。
1.2太阳能电池板1.2.1性能参数太阳能电池板是直接将太阳能转换为电能的关键部位。
国际国内已能商品化生产的太阳能电池板分别为单晶硅、多晶硅、非晶硅太阳能电池板,其发电效率分别为12%~13%、10%~12%、4%~6%,单晶硅发电效率最高,价格也最贵,平均价格为45元/w,占地面积最省。
本设计选用SP240-36M单晶电池板,参数如下:峰值电压48V,峰值电流5.0A,开路电压57.65V,短路电流5.7A,功率240W,尺寸1580×1080×45mm,重量22kg。
2.2太阳能电池板的连接方式设计共选取45块太阳能电池板,分5组,每组9块。
接一个逆变器,逆变器容量为2kw,具体连接方式如下表。
1.2.3太阳能电池阵列的倾角因太阳能电池方阵的发电量与其接收的太阳辐射能成正比,所以方阵的安装方位和太阳电池阵列的倾角非常重要,将太阳能电池板放在能直面太阳,不受建筑物的阴影遮挡的地方。
本设计的方位为正南方设计。
根据计算和邯郸地区的纬度,设计倾角25°,采用钢架支撑,底部采用镀锌槽钢固定。
1.2.4光伏阵列设计需要考虑的问题光伏阵列的寿命几乎不取决于太阳能电池板本身,而是与组件的封装包括连接引线及接插件的质量等有极大关系。
所以设计中对以下各方面的情况都要加以考虑:a.各阵列的导线均由PVC导线管保护。
b.方阵的支架和基础设计牢固,能经受邯郸地区最大风力的考验。
C.考虑到季节和日夜温差变化,在电池组件安装时,要精心安装调整。
不让玻璃受过大的应力(例如安装时紧固螺钉,要加橡胶垫且松紧适度等),避免玻璃的损坏。
d.为便于分路控制,太阳电池方阵分为多个支路接入直流控制部分,同时各个支路分别接有断路器。
e.为防止人身误接触太阳能电池板方阵产生的高电压大电流。
太阳能光伏发电系统的研究报告太阳能光伏发电系统的研究报告太阳能光伏发电是一项可持续发展的绿色能源,其使用价值不断得到认可,并且在全球范围内得到了广泛的应用。
本报告旨在介绍太阳能光伏发电系统的组成、原理、优点和应用,并探讨其未来的发展方向。
一、太阳能光伏发电系统的组成太阳能光伏发电系统由太阳能电池板、组串控制器、逆变器、蓄电池组和负载设备组成。
其中,太阳能电池板是发电系统的核心,负责捕获太阳能并将其转换成电能。
组串控制器可以调节太阳能电池板的输出电压和电流,确保其与逆变器稳定匹配。
逆变器能将直流电能转换成交流电能,并提供适宜的电压和频率。
蓄电池组用于存储电能,以便在夜晚或阴天时提供电源。
负载设备可以是家庭、企业或工业用电设备,以满足各种需求。
二、太阳能光伏发电系统的原理太阳能光伏发电是利用光子进入半导体材料的光伏效应产生电能的过程。
当太阳光射入太阳能电池板时,光子将被吸收并导致电子与电子空穴的产生。
电子会在半导体材料中流动并形成电流,而电子空穴则被留下。
太阳能电池板通常由硅、镓和铜等材料制成。
三、太阳能光伏发电系统的优点太阳能光伏发电是一种无噪音、零污染、无需燃料的清洁能源,它的持续性和稳定性使其成为人们绿色生活的选择。
通过光伏发电,用户可以减少对油气燃料的需求,降低能源成本,并为环境保护做出贡献。
此外,太阳能光伏发电系统的安装、运行和维护成本相对较低,因此可以为用户节省大量的资金。
四、太阳能光伏发电系统的应用太阳能光伏发电可以应用于不同领域和场所,为工业、家庭、学校、公共和政府建筑等提供清洁、可持续的电力。
在某些地区或情况下,太阳能光伏发电系统甚至可以实现自给自足,满足家庭或企业的所有能源需求。
五、太阳能光伏发电系统的未来发展方向随着太阳能技术的不断发展和升级,太阳能光伏发电系统的未来将更加明亮。
研究人员正在致力于提高太阳能电池板的效率、减少制造成本,并探索新的太阳能材料和技术。
预计未来几年,太阳能光伏发电将得到更广泛的应用,为可持续能源的发展和环境保护做出更大的贡献。
太阳能光伏发电系统的设计与施工摘要:在自然环境和日常生活当中,太阳能是一种十分常见的可再生能源,该能源主要利用的是太阳热量辐射模式,在现代化社会发展过程中,太阳能通常都会应用在系统发电或为热水器提供基础能源等方面,同时,在太阳能日常应用和操作过程中,能源资源储存十分丰富,可以重复开采和使用,不会对自然环境造成污染与破坏。
对此,相关技术人员要充分研究太阳能在光伏发电系统中的应用,以此来提高供电效率和发电系统使用寿命。
对此本文针对太阳能光伏发电系统的工作原理和常见类型进行阐述,并提出该系统的具体设计与施工方案。
关键词:太阳能光伏发电系统;数据勘探;施工图;线缆连接在当前社会经济高速发展背景下,各个行业领域也在快速发展。
而长时间通过化石燃料提供电力资源,不仅无法实现持续发展,还会对环境造成严重污染。
而太阳能作为一种清洁无害型能源,应用光伏发电技术已经成为能源行业的重点发展方向,既可以实现安全发电,还可以避免环境污染问题。
现如今,光伏发电技术的应用价值已经得到了社会高度认可,为了能够推动光伏发电技术得到升级发展,则必须要对其进行系统性地剖析,确保其系统设计能够公开化。
透明化,将绿色能源应用在社会经济建设当中。
1.太阳能光伏发电系统工作原理太阳能发电技术是当前我国一种十分重要的新型可再生能源发展技术,我国相关技术人员也对其展开了不断的探索与研究。
在太阳光伏发电技术应用过程中,主要是利用聚光热系统来加热媒介物质,应用传统蒸汽发电设备来提供电力资源。
但是,近些年我国太阳能发电产业的应用范围在不断扩大,太阳能源也被广泛应用在了各个行业领域当中[1]。
在白天时间段内,太阳能光伏发电系统中的所有光伏电池组件都会吸收太阳能,能够是半导体形成具备相反极性的载流子,在静电场内完成分离,被正负极充分聚集在一起,在外电路区域形成维持驱动设备稳定运行的电流,完成太阳能向电能的转化。
并且生成电能的部分会被外部负载所消耗,驱动其运动。
太阳能光伏发电系统的分析与设计随着世界经济的不断发展,环境问题也越来越受到人们的重视。
环境污染和能源危机成为全球面临的共同挑战,而太阳能光伏发电系统作为一种绿色、清洁的新能源正在逐步被人们所认可和使用。
本文将对太阳能光伏发电系统进行分析和设计。
一、太阳能光伏发电系统的原理太阳能光伏发电利用光电效应,将太阳辐射能转化成直流电能。
光伏电池是太阳能光伏发电系统的核心部件,它的主要构成是P型半导体和N型半导体。
当太阳辐射照射到光伏电池上时,会产生正负电荷,形成电场。
电荷被电场分离,从而产生电流。
太阳能光伏发电系统除了光伏电池组成的发电系统外,还包括逆变器、蓄电池、电容器、电阻和电感等附属元件。
二、太阳能光伏发电系统的构成1.光伏电池板太阳能光伏发电系统的核心部件是光伏电池板,它是由多个光伏电池串联或并联组成的电池板。
光伏电池板能够将太阳能辐射转换为电能。
2.逆变器逆变器是太阳能光伏发电系统的一个重要部件,其主要功能是将直流电能转化为交流电能。
逆变器种类繁多,功能也不同,除了作为电能转换的转换器外,还有监测、控制、保护和显示等功能。
3.蓄电池太阳能光伏发电系统中蓄电池的作用是储存电能。
由于太阳能是不断变化的,需要借助储能设备来储存电能以备不时之需。
4.控制器控制器可监测太阳能光伏发电系统的电压、电流、电池电量和温度等参数。
通过控制器我们可以实现太阳能光伏发电系统的自动化运行。
三、太阳能光伏发电系统的设计1.电源规划和建设计划在设计太阳能光伏发电系统之前,必须进行电源规划。
电源规划包括电源选型、电源规格、电源接线和电源布线等。
在进行太阳能光伏发电系统的建设计划之前,要确定光伏电池板的面积、逆变器的功率和蓄电池的容量,这是设计的重要环节。
2.光伏电池板的选择光伏电池板的类型繁多,如硅太阳能、薄膜太阳能和钙钛矿太阳能等。
在选择光伏电池板时需要考虑价格、效率和可靠性等因素。
3.逆变器的选择逆变器的种类繁多,不同的逆变器功率和效率也不同。
太阳能光伏发电系统设计引言:一、组件选择在太阳能光伏发电系统中,组件是其中最关键的部分,因此在设计阶段需要仔细选择合适的组件。
首先,需要选择合适的太阳能电池板。
常见的太阳能电池板类型包括单晶硅、多晶硅和非晶硅。
其中,单晶硅太阳能电池板具有效率高、寿命长等优点,但价格相对较高;多晶硅太阳能电池板价格适中,效率较单晶硅稍低;非晶硅太阳能电池板价格最低,但效率较低。
根据实际需求和预算情况,可以选择合适的电池板。
二、电池板安装电池板安装是太阳能光伏发电系统中的一个重要环节。
在安装过程中,需要注意以下几点。
首先,安装位置选择。
电池板应该安装在可以充分受到太阳直射的地方,避免阴影和遮挡物。
其次,安装角度确定。
电池板角度应根据所在地纬度进行调整,以最大限度地接受太阳能。
最后,安装支架选择。
支架可以选择固定式或可调式,根据实际需求进行选择。
同时,还需要确保支架的稳固性和耐久性。
三、逆变器选择逆变器是将太阳能电池板产生的直流电转换为交流电的设备。
在选择逆变器时,需要考虑以下几个方面。
首先,逆变器的额定功率应与太阳能电池板的输出功率匹配,以保证系统正常运行。
其次,逆变器的效率越高,电能转换的损失越少,系统的性能越好。
最后,逆变器的质量和可靠性也是很重要的考虑因素。
四、并网和离网选择太阳能光伏发电系统可以选择并网或离网模式。
并网模式是将系统产生的电能通过电网输送出去,并可以从电网中获取电能。
离网模式则是将系统产生的电能储存在电池或其他负载设备中,不和电网相接。
在选择模式时,需要考虑实际情况和需求,如电网可靠性、经济性等因素。
结论:太阳能光伏发电系统的设计是一个复杂而严谨的过程。
通过合适的组件选择、电池板安装、逆变器选择和并网和离网模式选择,可以设计一个高效、可靠的太阳能光伏发电系统。
未来,随着技术的不断发展,太阳能光伏发电系统的性能还将进一步提升,为人类提供更多清洁、可持续的能源。
小型家庭独立太阳能光伏发电系统毕业设
计
研究目的
本毕业设计旨在研究并设计一套适用于小型家庭的独立太阳能
光伏发电系统,以实现对家庭用电的满足,同时减少对传统火力发
电的依赖,降低能源的消耗,达到环境保护的效果。
系统设计
该系统由太阳能光伏板、电池组、逆变器、控制器和负载组成。
在白天,太阳能光伏板会将阳光转化为电能储存在电池组中,夜晚
通过逆变器将电池组中的直流电转化为交流电以驱动负载。
系统优势
与传统的火力发电相比,独立太阳能光伏发电系统具有以下优势:
1. 环保节能:可减少传统能源的消耗,减少二氧化碳等有害气体的排放。
2. 经济实用:独立系统的价格较传统电网便宜,长期使用后可以降低家庭能源支出。
3. 稳定性高:在阳光充足的情况下,独立太阳能光伏发电系统可以长时间工作而不会间断。
结论
本文研究了一种适用于小型家庭的独立太阳能光伏发电系统,从系统设计、优势等方面进行了分析,并论证了这种系统在节能环保、经济实用和稳定性等方面皆有优势。
推广该系统的使用,可以在家庭生活中起到重要的作用。
太阳能光伏发电系统实验报告一.实训目的1、掌握太阳能发电并网原理2、了解太阳能电池串并联组合原理3、了解太阳能电池方阵的结构组成二。
实训要求及安排实训要求:(1)操作人员在进行任何有关设备的操作之前,需要仔细阅读所在地的安全规范和相关操作规程。
手册中提到的安全注意事项只作为当地安全规范的补充。
(2)操作人员进行设备安装、操作和维护时,必须充分领会该用户手册,系统掌握正确的操作方法及各种安全注意事项后方可进行设备的各项操作。
不正确的操作可能会导致设备损坏或人身伤害。
(3)操作时严禁佩戴手表、手链、手镯、戒指等易导电物体。
操作时必须使用绝缘工具。
(4)在进行直流带电作业时必须严格检查线缆和接口端子的极性。
(5)在连接电缆之前,必须先确认电缆、电缆标识与实际安装情况相符后再进行连接。
(6)新能源发电系统设备仅能由专业的维修人员予以维修。
(7)蓄电池可在环境温度-35,45℃范围内工作,但蓄电池的额定容量和使用寿命是在25℃左右下的设计值,环境温度每升高10℃,电池寿命将减少30%,所以蓄电池使用环境温度应保持在10℃,30℃之间。
蓄电池室应有必要的通风设施。
蓄电池应离开热源和易产生火花的地方,其安全距离应大于1米。
蓄电池应避免阳光直射,不能置于大量放射性、红外线辐射、紫外线辐射、有机溶剂气体腐蚀气体的环境中。
用四氯化碳之类的灭火器具。
电池在安装前可在0,35℃的环境下存放,储存期超过6个月的电池应进行充电维护,存放地点应干燥、清洁、通风。
(8)所有电气柜都安装风扇,散热口,但需室内温度不超过35℃并且保持良好的通风,以免其运作时温度过高,造成设备损坏。
(9)检查线路后,依次推开设备上的各个空气开关,将各路电源接入系统中。
(10)运行并网逆变器时需先启动交流电压,后启动直流电压。
(11)运行光伏控制器时,先接入光伏电压,再接入蓄电池电压。
(12)等待并网逆变器或光伏控制器运行稳定后,再打开电脑上位机软件,运行监控软件。
摘要摘要众做周知,追求低碳发展已经成为各国的一项重要的政策。
太阳能作为一种清洁的可再生能源越来越受到全世界各国的重视,在各国政府的大力支持下,全世界太阳能光伏产业得到了快速发展,因此本设计是基于太阳能独立发电系统进行了研究,主要研究的是光伏发电系统中的最大功率点跟踪(MPPT)技术,并且研究了基于MC9S12XS128为CPU的新型控制器,对电路参数进行了设计调试,完成了系统的硬件软件设计。
关键词:太阳能可再生能源最大功率点追踪 MC9S12XS128;AbstractAbstractAs you know ,the pursuit of low carbon development has become one of the important policies of every countries.Solar energy as a clean renewable energy has attracted world attention, in the strong support of governments, the world solar photovoltaic industry has developed rapidly, so the design is based on solar independent power system , the main research is the photovoltaic maximum power point tracking (MPPT) technology, and based on MC9S12XS128 is a new CPU controller, the circuit parameters are designed and debugging, completed the hardware and software design of the system.Keywords:Solar energy renewable energy maximum power point tracking MC9S12XS128;绪论第一章绪论1.1 太阳能光伏发电背景以及本设计的意义随着当今世界能源短缺以及化境污染问题的日益严重,可再生能源的发展引起了越来越高的重视,因此风能、核能、地热能、潮汐能以及太阳能等新能源的发展也成为了当今世界能源发展的重要利用对象。
太阳能光伏发电系统设计报告一、引言太阳能光伏发电系统是一种利用太阳辐射能将光能直接转化为电能的技术。
它具有环保、可再生等优点,因此被广泛应用于不同领域,如家庭供电、农业灌溉、航天航空等。
本报告将对太阳能光伏发电系统的设计进行详细介绍和分析。
二、系统组成太阳能光伏发电系统主要包括太阳能光伏电池板、电池组、逆变器和电网接口。
太阳能光伏电池板是系统的核心部件,主要用于将太阳辐射能转化为电能。
电池组用于储存发电系统输出的电能,保证能量的连续供应。
逆变器则是将直流电转化为交流电的装置,以满足各种家庭用电需求。
电网接口用于将系统产生的多余电能接入电网,实现向电网卖电。
三、系统设计1.光伏电池板选择在光伏电池板的选择中,需要考虑电池板的转化效率、耐用性和成本等因素。
常用的太阳能光伏电池板有单晶硅、多晶硅和薄膜电池等。
根据实际需要和预算,本系统选择了多晶硅太阳能光伏电池板,其具有较高的转化效率和较低的成本。
2.电池组选择电池组用于储存光伏发电系统产生的电能,以便在夜间或云雨天供电。
电池组的选择应根据负载功率需求和系统工作时间等因素进行。
本系统选择了铅酸蓄电池作为电池组,它具有较高的容量和较低的成本,能满足预期的负载需求。
3.逆变器选择逆变器是将光伏发电系统产生的直流电转化为交流电的核心设备。
在逆变器的选择中,需要考虑输入电压、输出波形、转换效率和稳定性等因素。
本系统选择了纯正弦波逆变器,以满足对电能质量的要求。
4.电网接口设计电网接口用于将太阳能光伏发电系统多余的电能接入电网。
它主要包括电能计量装置和反向传输保护装置。
电能计量装置用于测量系统产生的电能,以便向电网卖电。
反向传输保护装置则用于保护系统和电网免受电能倒送的影响。
四、系统效益分析太阳能光伏发电系统具有显著的环境和经济效益。
首先,它能大量减少对传统化石能源的依赖,有效降低二氧化碳等有害气体的排放,对环境具有显著的保护作用。
其次,太阳能光伏发电系统的运行成本相对较低,一次投资可以长期受益,逐渐实现自给自足。
太阳能光伏发电系统设计方案一、引言太阳能是一种洁净、可再生的能源,近年来受到了更多人的关注。
在能源转型和环保意识逐渐增强的背景下,太阳能光伏发电系统成为了可靠的替代能源之一。
本文将针对太阳能光伏发电系统的设计方案进行详细探讨,以期为相关领域的设计工作提供参考。
二、系统设计原则1. 全方位利用太阳能资源。
设计方案应充分考虑太阳能资源的地理分布、季节变化以及日照时间等因素,选择合适的光伏板布局方式和朝向,以实现最大的能源捕获。
2. 系统稳定性与可靠性。
设计方案应考虑设备的选型和布置,确保系统的稳定运行和长期可靠性。
3. 经济性。
设计方案应合理控制投资成本,在保证系统性能的前提下降低系统的运行和维护成本。
三、系统构成太阳能光伏发电系统通常由太阳能电池组件、逆变器、电网连接设备和支撑结构等组成。
1. 太阳能电池组件。
作为核心组件,太阳能电池组件将太阳能转化为直流电能。
根据实际需求和场地条件,可选择单晶硅、多晶硅或薄膜太阳能电池组件。
2. 逆变器。
逆变器将直流电能转化为交流电能,以供使用电器设备。
逆变器应具备高效率和稳定性,同时具备对电网连接的支持。
3. 电网连接设备。
太阳能光伏发电系统应与电网进行连接,以实现电能的双向流动。
为确保系统的安全性和稳定性,电网连接设备应满足相关的电气安全标准。
4. 支撑结构。
支撑结构用于固定和支持太阳能电池组件,应具备足够的稳定性和抗风能力。
根据实际需要,可选择固定式、倾斜式或跟踪式支撑结构。
四、系统设计流程1. 场地选择。
选取充足的太阳能资源区域,并考虑太阳能电池组件的布局方式和朝向。
2. 负荷需求分析。
根据用电设备和用电规模,确定系统的容量需求和功率需求。
3. 组件布局设计。
根据场地条件和容量需求,选择合适的光伏板布局方式,如水平布置或倾斜布置,以最大程度地捕获太阳能资源。
4. 设备选型。
根据场地条件、容量需求和电气参数等综合考虑,选择合适的太阳能电池组件、逆变器和电网连接设备等。
300kw离网太阳能发电系统设计方案一.光伏阵列容量设计1.1总负荷计算:100×5×60% =300kw 300÷3=100kw说明:已知100户,平均每户负荷5kw,同时率60%,故总负荷为三者之积。
得总负荷300kw由于容量比较大,器件选型带来难度,还需要变压器。
考虑到成本。
所以把300kw系统分成3个100kw子系统。
1.2 日耗电量:100×5=500kw·h说明:一般村落每户平均每天用电5h,而每户的平均功率为5kw。
相乘得平均每天的耗电量500kw·h。
1.3 系统直流电压:500V说明:一般国内的光伏系统直流电压等级有12V,24V,48V,110V,220V,500V。
首先,考虑到100kw的逆变器的直流输入一般都是450V~750V再者功率一定时电压高相应的电流就会小这样不仅可以减小无关压降减少能量损失,而且电流低对直流汇流箱,控制器等选型带来方便。
1.4 电池组件的选择:Pmax250W,Vmpp32.6V,Impp7.67,V oc37.5,Isc8.57说明:选用的电池组件是苏州华领太阳能电力有限公司的电池板其电池效17.93%,最大输出功率的最大误差值±3%。
1.5 系统电池组件串联数:500×1.25=625V 625÷32.6=19.2≈20说明:考虑到电池板串联电压要等于合适的浮充电压及其他因素引起的压降。
系统选用的蓄电池是JGFM一1200 通过该型号的单体蓄电池的浮充电压参数得2.3V即1.15倍以及其他因素引起的压降取1.25倍所以组件电压取500×1.25=625V 。
由每块组件工作电压32.6V,所以为19.2块,取20块。
1.6 系统电池组件并联数340.5A÷7.67A/块=44.4≈451.6.1 设该村落地处北京城郊某地,通过该地的经纬度查找数据库可得全年峰值日照时数为1520 h [1250kw·h/平方米·年],平均峰值日照时数为:1520÷365=4.16h/d。
西安思源学院能源学院课程设计题目:西安市发电系统设计课程:太阳能光伏发电系统设计专业:电力及其自动化班级:电力0902*名:**指导教师:完成日期: 2011年3月11日目录1光伏软件Meteonorm和PVsyst的介绍--------------------------------------------32中国北京市光照辐射气象资料-------------------------------------------------------93独立光伏系统设计--------------------------------------------------------------------113.1负载计算(功率1kw,2kw,3kw,4kw,5kw)---------------------------------11 3.2蓄电池容量设计(电压:24V,48V)--------------------------------------------11 3.3太阳能电池板容量设计,倾角设计-----------------------------------------------11 3.4太阳能电池板安装间隔计算及作图。
--------------------------------------------14 3.5逆变器选型-----------------------------------------------------------------------------15 3.6控制器选型-----------------------------------------------------------------------------15 3.7系统发电量预估------------------------------------------------------------------------17第一章光伏软件介绍Meteonorm软件是一款分析各地的气象资料软件,包括当地的经度,维度,海拔高度,以及太阳辐射度等重要资料,要想设计当地的光伏发电系统,当地的气象资料必须准确,且完整,Meteonorm软件比较好的提供了各地的气象资料。
PVsys是一款如何设计光伏发电系统的软件,他的设计流程如下:1、获得相关信息-从你的客户手中得到或自己去寻找A、系统安装位置-由此得到经纬度B、应用类型:离网/并网C、荷载情况:荷载的功率和使用时间D、环境条件:持续阴天数/遮阳情况E、输出类型:交流/直流,电压,频率2、打开PVSYST软件开始设计A、打开界面,界面左侧有功能选择,右侧为系统类型选择B、系统设计过程就是依次完成设计界面上面各项里面的参数的过程对各项内容进行设置,绿色部分在其他设置完成后会被激活C、选择project/variant输入相关信息D、选择系统安装地点的信息(如果软件有该地点信息,不需要进行以下步骤)如果PVSYST中没有安装地的信息,可采用以下方式:(一)利用Google earth 找到安装地点的经纬度(二)利用meteonorm6.0软件计算该地点十年的气象参数,并保存为*.dat文件。
(三)将该文件保存到PVSYST子目录的Meteo文件夹里面(四)点击PVSYST主界面的TOOLS然后按图示步骤导入数据(五)完成数据导入后,重新从步骤A开始进行设计E、选择好安装点信息后,对其他数据进行设定当地的太阳光漫反射数值一般选择0.2F、选择orientation确定倾斜角一般采用固定倾斜角度安装(Fixed tilted plane),倾斜角度可以根据设计要求选择或选择能量损失最小来确定倾斜角度G、需要考虑阴影时,选择near shading 来设定阴影情况点击Construction/Perspective进行阴影设置,对建立好的模型进行阴影分析(阴影分析图),保存后,点击table得到阴影分析表H、选择system进入荷载参数设置界面根据情况和软件建议对各项参数进行设置,并注意界面右下角出现的警报I、选择module layout 对组件进行布置J、选择simulation进行模拟计算进行模拟计算并通过点击report得到模拟计算报告,保存报告K、设计完成其他类型设计基本相同,在设计过程中注意软件界面中的提示。
说明:软件不同版本的界面可能有所不同。
第二章中国北京的气象资料本设计采用Meteonorm收集北京太阳辐射资料,采用PVsyst设计独立光伏发电系统的。
设计的地点是中国北京,当地的维度是北纬39.930,经度是东经116.400,海拔高度是30m地区名字=中国北京维度(度)=39.930,经度(度)=116.400,海拔高度(m)=30,气候区域=三,7辐射模式=默认(每小时);温度模式=默认(每小时)温度选择:老时间段=1961-1990辐射选择:新时间段=1981-2000只添加3个站的值最近的站:gh:北京(10km),ta:北京(10km)说明Ta:空气温度Ff:风速G-gh:水平线上总的平均幅射度G-dh:水平线上发散的平均幅射度第三章独立光伏系统设计3.1负载计算家庭每天的用电量,平均=4.8kwh/day数量功率使用时间能量灯12 18w/盏5h/小时1080wh/天电视机,电脑 2 120w/个3h/小时720 wh/天洗衣机 1 600wh/天600 wh/天吸尘器 2 1200wh/天2400 wh/天每天消耗的电量4800wh/day顾客的需要消费者家庭每天的用电量,全年的用电量平均 4.8kwh/天3.2蓄电池容量设计电池的型号为volta6sb100,制造商是volta公司,蓄电池组电压为24v,正常容量900Ah,是由2组串联,9组并联得来的,温度在固定的20℃下,电池门限:充电27.0v/26.2v 放电23.5/25.23.3太阳能电池板容量设计,倾角设计Pv阵列的参数:Pv组件的类型:si-poly 制造商SEDPv组件数量8组串联,18组并联Pv组件总数量144 每个单元峰值功率为11wp总的阵列功率 1.51kwp 实际 1.37kwp(50oC)总的面积56.4m2Pv阵列损失因数热损因数uc(常数)20w/m2k uv(风)0w/m2k m/s线上电阻损失总的阵列阻值9.3mΩ损失部分1.5% at STC组件质量损失损失部分 5.0%组件错配损失损失部分 4.0%(固定的电压)入射影响,灰的参数1am=1-bo(1/cos i-1)bo parameter 0.05倾角设计:水平方位:高度角55度,方位角0度主要仿真结果系统结果可使用能量1691kwh/year specific prod 1118kwh/year 使用的能量1752kwh/year 额外的(没有使用的)89kwh/yearPerformance ratio(pr)71.7% solar fraction(sf)88.3%Back up energy form generator Back up energy 204kwh/year燃料消费123/year标准的发电量:标准功率1.51kwp新的仿真变换平衡和结果说明:Globhor 水平总的辐射GlobeffE avail 可用的太阳能 E unused 能量损失E user 可用的太阳能 E load 负载所需的能量Solfrac 一部分太阳能独立系统:损耗图示项目:独立项目仿真转换:最新仿真主要的系统参数系统类型带发电机的独立系统Pv方向高度角55 方位角0Pv阵列组件数量144 总功率 1.51kwp电池类型volta 6sb100 技术密封,tubular电池包装每个单元数量18 电压/容量24v/900ah 消费者家庭每天的用电量,全年的用电量总的为1752kwh/year一年的损耗图示3.4太阳能电池板安装间隔计算及作图组件间距3m,线性损失19.6%3.5逆变器选型Model No. JN700-8A 持续功率: 2000W 峰值功率: 4000W 效率: ≥90%静态电流:≤1A 波形: 修正正弦波输入电压: 12 V or 24V 输出电压: 220-240V 过载保护,过压保护,短路保护,过温保护,低压关断3.6控制器选型产品简介太阳能发电控制器是专门为太阳能发电系统提供蓄电池充电、放电管理的电力电子装置。
太阳能光伏阵列发出的直流电力和风力发电机发出的交流电力,通过智能控制器对蓄电池充电,在蓄电池未充满前,控制器的作用是最大限度地对蓄电池充电,当蓄电池被充满时,控制器实现分段控制,并使蓄电池处于浮充状态。
当蓄电池放电至接近蓄电池过放点电压时,控制器将发出蓄电池电量不足告警并切断蓄电池的放电回路,以保护蓄电池(在与逆变器配合使用时,蓄电池欠压保护也可由逆变器来完成)。
该控制器经过多次完善和持续的改进,已经能够安全、可靠地工作,其采用16位微处理器对蓄电池充放电进行有效地管理,主电路的功率器件采用德国IXYS公司的大功率场效应管,具有很高的性价比。
产品特点:控制电路与主电路完全隔离;数码显示功能可显示出当前蓄电池电压、光伏阵列输出电流、负载电流、蓄电池充电电流;多路太阳能光伏阵列可以同时接入;充放电各参数点可通过编程任意设定,并可适应不同场合的特殊要求,而且可避免各路充电开关同时开启、关断时引起的振荡;各路充电电压检测具有“回差”控制功能,可防止静态开关进入振荡状态;具有过充、过放、过载、短路、反接、过热等一系列报警和保护功能;采用霍尔电流传感器检测电流。
技术指标:型号指标:KSC24-50额定电压(V):24额定充电电流(A):50(分6路输入)允许单路光伏阵列最大充电电流(A):10允许光伏阵列最大开路电压(V):50过充电压点(V):保护:30.0(为出厂设定值,可设定)恢复:29.2(为出厂设定值,可设定)过放电压点(V)断开:21.6(为出厂设定值,可设定)恢复:24.8(为出厂设定值,可设定)蓄电池过压点(V)切断:35.0(为出厂设定值,可设定)恢复:30.1(为出厂设定值,可设定)空载电流(mA):≤200电压降落(V)太阳能电池与蓄电池之间:≤0.7蓄电池与负载之间:≤0.03使用环境温度:-20℃~+50℃使用海拔(m):≦5000尺寸(mm)及重量长×宽×高:720×620×1100;150㎏太阳能光伏阵列反接保护:太阳能光伏阵列“+”“-”极性接反,不会损坏控制器,纠正后可继续使用蓄电池反接保护:蓄电池“+”“-”极性接反,纠正后可继续使用蓄电池开路保护:当蓄电池开路时,若太阳能光伏阵列正常充电,控制器将限制负载两端电压,以保证负载不被损伤蓄电池过充保护:蓄电池过充后,蜂鸣器报警,15分钟后关断负载蓄电池过放保护:蓄电池过放后,蜂鸣器报警,15分钟后关断负载负载过载及短路保护:负载电流超过50A或负载短路时,控制器将切断负载,待故障排除后重新接通负载可继续使用。