2017 海淀期末试题及答案
- 格式:docx
- 大小:1008.64 KB
- 文档页数:12
海淀区九年级第一学期期末练习语文2017.1学校班级姓名学号一、基础·运用(共19分)1.阅读下面的文字,完成(1)-(3)题。
(共6分)2016年10月17日,酒泉大漠,烈焰升腾,神舟.十一号飞船向着寥.廓苍穹再一次踏上了中国航天的飞翔之旅!11月18日,内蒙草场,天高云淡,顺利完成各项任务的飞船安全着.陆。
33天的历程展示了我国航天事业的辉煌成就,彰显出航天大国的实力。
中国航天的不断飞跃,源自每一代航天人。
60年前,钱学森、邓稼先、梁思礼等学界精英,历经艰难回到祖国。
在航天事业蹒跚起步时,他们面对既无基础也无外援的情形,以“敢为天下先”的精神攻克难关。
他们是奠基者、先行人,把智慧锻造成阶梯,留给王永志、戚发轫等后来的攀登者。
中国航天的不断飞跃,更源自每一代航天人。
从“两弹一星”到“一箭多星”再到“载人航天”,60年来自力更生、探索创新是航天事业不变的旋律。
而今的“嫦娥一号”研发团队不断开拓创新,仅用3年多时间就拿下了一大批具有自主知识产权的核心技术。
风雨一甲子,航天六十年。
在发展的道路上,中国航天人与创新为伴,砥砺前行,让民族的飞天梦不断成真!(1)对文中加点字的注音、笔顺判断全都正确的一项是(2分)A.寥.廓láo着.陆zhuó“舟”字的第四笔是:一B.寥.廓lào着.陆zháo “舟”字的第四笔是:丶C.寥.廓láo着.陆zhuó“舟”字的第四笔是:丶D.寥.廓lào着.陆zháo “舟”字的第四笔是:一(2)根据语意,将下面语句依次填入文中横线处,最恰当的一项是(2分)①攻坚克难的奋斗精神②同舟共济的协作精神③海纳百川的包容精神④锐意进取的创新精神A.①③B.①④C.②③D.②④(3)“中国航天之父”钱学森家中,悬挂着一幅郭沫若创作的书法作品《赠钱学森》,下面对其欣赏不恰当的一项是(2分)A.笔力爽劲洒脱,运转变通,韵味无穷。
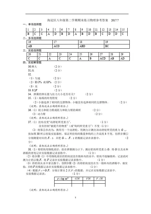
海淀区八年级第二学期期末练习物理参考答案2017.7一、单项选择题四、实验解答题30.增大(2分)31.高(2分)32.(1)匀速(2分)(2)83.3% 或83% (2分)(3)高(2分)33. 0.2F(2分)34.弹簧的伸长量与拉力大小是否有关?(2分)35.(1)海绵的形变程度(2分)(2)小强选择了相同的支撑物体,小敏没有选择相同的支撑物体。
(2分)(说明:其他说法正确同样得分。
)36.(1)阻力和阻力臂或阻力和阻力臂的乘积(2分)(2)动力臂(2分)(说明:其他说法正确同样得分。
)37.(1)没有改变“动滑轮所受重力”,(1分)没有控制“被提升的物重”(或“钩码所受重力”)不变(1分)(2)将第②步改为:换用另一个动滑轮,用测力计测出该动滑轮所受的重力G动,按如图30所示组装实验器材,保证所挂钩码数量和钩码上升高度h不变,仿照步骤①分别测量对应的F、s。
并把G动、F、s的数据记录在表格中。
(2分)(说明:其他说法正确同样得分。
)38.(1)将铝块用细线系好,挂在弹簧测力计下,测出铝块所受重力G。
将G以及水和酒精的密度记在实验数据记录表格中。
(1分)(2)将步骤(1)中用细线系好的铝块浸没在烧杯内的水中,铝块不接触烧杯,记录此时测力计的示数F,将F记录在实验数据记录表格中。
(1分)(3)将铝块从水中拿出擦干,仿照步骤(2)再将铝块浸没在另一烧杯内的酒精中,做实验,并将F的数据记录在实验数据记录表格中。
(1分)(4)根据F浮=G-F,分别计算出2次F浮的数据,并记在实验数据记录表中。
实验数据记录表:(1分)(说明:其他说法正确同样得分。
)五、科普阅读题39.(1)船舶漂浮(1分) (2)D (2分) 40.(1)非平衡态(2分)(2)点火反向喷气(其他答案合理即可,例如:减速伞等)(1分) (说明:其他说法正确同样得分。
) 六、计算题41.(1)p 1=ρgh =1×103kg/m 3×10N/kg×0.1m=1000Pa (1分) F 1=p 1S =1000Pa×0.002m 2=2N (1分) (2)F 2=G 总=3N+1N=4N p 2=F2S =4N 0.002m 2=2000Pa (1分)(说明:其他解法正确同样得分。
v1.0 可编写可改正海淀区八年级第二学期期末练习物理学校 _____________________ 班级 ____________ 姓名 ______________成绩 _______________一、单项选择题(以下各小题均有四个选项,此中只有一个选项切合题意。
共30 分,每题 2 分)1.在国际单位制中,力的单位是A.帕斯卡( Pa) B .牛顿( N) C .瓦特( W) D .焦耳( J)2.起重机的钢丝绳吊侧重物匀速上涨时,重物所受重力的方向是A.竖直向上B.水平向左 C .竖直向下D.水平向右3.学校旗杆顶部装有一个定滑轮,这样做A .既省力,又能改变施力方向B.虽省力,但不可以改变施力方向C .虽不省力,但能改变施力方向D.既不省力,也不可以改变施力方向4.如图 1 所示,运动鞋的鞋底上制有凹凸不平的花纹,其主要目的是A .增大摩擦B.轻巧省力 C .减小压强D.节俭资料图 15.以下装置在正常使用的过程中,利用大气压强工作的是A .弹簧测力计B .船闸C.密度计D.活塞式抽水机6.如图 2 所示的工具中,在正常使用时属于费劲杠杆的是7.图 3 所示是水电站的拦河大坝,决定大坝坝底所受水的压强盛小的是A .大坝的高度B.大坝的形状C .大坝的底面积D .水库中水的深度8.以下案例中,利用惯性的是A .跳远运动员起跳前要助跑B.守门员使劲抓住飞来的足球C .运动员撑杆跳高时把撑杆压弯 D .运动员游泳时向后划水9.以下情境中,物体的运动状态没有..发生改变的是A .正在弯道上速滑的运动员B.水平桌面上静止的物理书C .空中减速着落的下降伞D.沿滑梯加快下滑的儿童10.对于图 4 所示的四个情境,以下说法中正确的选项是A.甲图中手使劲推杯子,杯子没动,手的推力对杯子做功B.乙图中手托着杯子长时间不动,手向上托的力对杯子做功C.丙图中手托着杯子水平向右挪动,手向上托的力对杯子做功D.丁图中手托着杯子竖直向上挪动,手向上托的力对杯子做功v1.0可编写可改正图 311.图 5 所示的盲道是为盲人出行供给方便和安全的道路设备。
2017届海淀区初三第一学期期末语文试题及答案海淀区九年级语文第一学期期末练习2017. 1学校班级姓名学号考生须知1.本试卷共9页,共五道大题,23道小题。
满分120分。
考试时间150分钟。
2.在答题纸上准确填写学校名称、班级、姓名。
3.试题答案一律填涂或书写在答题纸上,在试卷上作答无效。
4.考试结束,请将本试卷和答题纸一并交回。
一、基础·运用(共19分)1.阅读下面的文字,完成(1)-(3)题。
(共6分)2016年10月17日,酒泉大漠,烈焰升腾,神舟十一号飞船向着寥廓苍穹再一次踏上了中国航天的飞翔之旅!11月18日,内蒙草场,天高云淡,顺利完成各项任务的飞船安全着陆。
33天的历程展示了我国航天事业的辉煌成就,彰显出航天大国的实力。
中国航天的不断飞跃,源自每一代航天人。
60年前,钱学森、邓稼先、梁思礼等学界精英,历经艰难回到祖国。
在航天事业蹒跚起步时,他们面对既无基础也无外援的情形,以敢为天下先的精神攻克难关。
他们是奠基者、先行人,把智慧锻造成阶梯,留给王永志、戚发轫等后来的攀登者。
中国航天的不断飞跃,更源自每一代航天人。
从两弹一星到一箭多星再到载人航天,60年力更生、探索创新是航天事业不变的旋律。
而今的嫦娥一号研发团队不断开拓创新,仅用3年多时间就拿下了一大批具有自主知识产权的核心技术。
风雨一甲子,航天六十年。
在发展的道路上,中国航天人与创新为伴,砥砺前行,让民族的飞天梦不断成真!(1)对文中加点字的注音、笔顺判断全都正确的一项是(2分)A.寥廓lo着陆zhu舟字的第四笔是:一B.寥廓lo着陆zho舟字的第四笔是:丶C.寥廓lo着陆zhu舟字的第四笔是:丶D.寥廓lo着陆zho舟字的第四笔是:一(2)根据语意,将下面语句依次填入文中横线处,最恰当的一项是(2分)攻坚克难的奋斗精神同舟共济的协作精神海纳百川的包容精神锐意进取的创新精神A.B.C.D.(3)中国航天之父钱学森家中,悬挂着一幅郭沫若创作的书法作品《赠钱学森》,下面对其欣赏不恰当的一项是(2分)A.笔力爽劲洒脱,运变通,韵味无穷。
北京市海淀区2016-2017学年八年级下学期期末考试语文试题(含答案)海淀区八年级第二学期期末练语文2017.7学校班级姓名成绩一、基础·运用(共12分)1.阅读下面文段,完成第(1)—(5)题。
(共10分)【甲】九曲风涛的黄河,由内蒙草原掉头向南,辟开黄土高原,直泻华夏腹地,浩浩荡荡的大河将这胜地分为河西与河东,成为秦地与晋域的天然分界。
【乙】黄河以她金色的乳、旋转的浆,溉泽着永济这片丰土吉壤。
位于河东的永济,南傍中条山。
名山藏古寺,胜地多道观。
中条山中那星罗棋布的名庵古刹分.XXX在告诉我,中条山和山中那造物主的杰作五老峰,是多么的(①雄奇秀丽②栩栩如生)。
【丙】晋代XXX《水经注》中对五老峰褒扬有加:“奇峰霞举,孤标秀出,罩络群峰之表。
”中条山中多清泉流溪,那清粼粼碧玉般的泉水,是大山梳(zhuāng)的明镜;那条条流溪里柔美舒展的涟漪叮咚作响,是奇峰怀抱里拨动的琴弦。
驻足其间,大自然的景色不禁令人(①叹为观止②流连忘返)。
.永济城西,有蒲津渡遗址。
就在这遗址旁,还深埋过连当今六岁稚童也知晓的名楼——鹳雀楼。
【丁】一代诗翁XXX 登临鹳雀楼,即兴吟诵的那首妇孺皆知的五言绝句,仍令今人怀着“欲穷千里目”的憧憬,去进行心灵的登高。
.......(取材于XXX《飘逝的绝唱》)(1)对文中加点字的注音、根据拼音所写的汉字、汉字笔顺的判断,下列全都精确的一项是(2分)A.古刹(shà)琴弦(xuán)梳装“仍”字的第3画是“丿”..B.古刹(chà)琴弦(xián)梳妆“仍”字的第3画是“ㄋ”..C.古刹(chà)琴弦(xuán)打扮“登”字的第5画是“乀”..D.古刹(shà)琴弦(xián)梳装“登”字的第5画是“丿”..(2)根据语境,文中两处括号内词语的使用,正确的一项是(2分)A.①②B.①①C.②①D.②②(3)下列对文中画线内容的分析,不精确的一项是(2分) ...A.【甲】句运用“辟开”“直泻”等词语,生动传神地写出了黄河一泻千里的气势。
海淀区八年级第一学期期末练习物理学校班级姓名成绩一、单项选择题(以下各小题均有四个选项,此中只有一个选项切合题意。
共30 分,每题 2 分)1.在国际单位制中,速度的单位是A .米( m)B .米 /秒( m/s) C.千米 / 小时( km/h ) D .千克 / 米3( kg/m 3)2.如图 1 所示,四种丈量水温的操作,此中正确的选项是A B C D图 13.如图 2 所示的现象中,属于凝华的是冰冻的衣服晾干铁丝网上结霜河水表面结冰草叶上结露水A B 图 2 C D4.如图 3 所示的现象中,属于光的折射现象的是沙岸上鸽子的影子汽车观后镜中的光景水面上“折断”的筷子镜子中的灯笼和灯A B C D图 315.以下实例中利用了融化吸热的是A.运输食品时利用干冰降温防备食品腐化B.天热时向地上洒水会感觉凉爽C.给发热的病人用酒精擦抹身体以进行物理降温D.向可乐饮猜中加冰块会使饮料变得更凉6.某同学在实验室经过对物体均匀的加热方式研究物体融化和凝结的特色,依照实验数据正确地画出了如图 4 所示的物体温度随时间变化的图像。
此中属于晶体融化图像的是温度温度温度温度O时间O时间O时间O时间A B C D图 47. 2016 年 10 月 19 日,“神舟十一号”飞船与“天宫二号”神舟十一号实行自动交会对接。
如图 5 所示为“神舟十一号”飞船天宫二号与“天宫二号”组合体飞翔模拟画面,“神舟十一号”内的航天员看到“天宫二号”岿然不动,地球在慢慢转动,则航天员选择的参照物可能是A .太阳图 5 B.地球C.“天宫二号” D .“神舟十一号”8.金帆乐队的队员在新年联欢会演出出。
演奏前,弦乐演奏员都要调理自己的乐器——拧紧或放松琴弦,这样做主假如改变乐器发出声音的A .振幅B.响度C.音调D.音色9.在空间站外,两个航天员一起工作时,需要借助通信设施谈话。
对于他们不可以直接对话的原由,以下说法中正确的选项是A.航天员之间距离太远B.空间站外是真空,声音不可以在真空中流传C.空间站外噪声太大D.声音只好在地面邻近的空间中流传10.两个物体的质量不一样,必定是因为它们A .形状不一样B .所处地理地点不一样C.所含物质的多少不一样 D .速度大小不一样11.为了减少高速行驶的车辆产生的噪声对公路双侧单位、居民的扰乱,常在公路的双侧架设拥有必定高度的屏障。
北京市海淀区2017年高三第一学期期末语文试题2017.01一、本大题共7小题,共22分。
阅读下面的材料,完成1—7题。
材料一:太空之家①我国成功发射入轨的天宫二号,是一个长10米、最大直径3米多、重约8吨的人造航天器。
天宫二号在离地球近400公里的近地轨道上运行,开展各种工作和实验;它既是一个真正的太空实验室,也是能供航天员居住的“太空之家”。
②高智能是天宫二号作为“太空之家”的一个突出特点。
天宫二号可以自主进行飞行轨道及姿态调整、运行状态的智能化诊断等工作。
科研人员整合了航天器十多个分系统的数据,把复杂、晦涩的专业数据浓缩成52组画面,为航天员执行任务提供了清晰、直观、舒适的显示界面。
③科幻电影中技术人员像插拔U盘一样快捷更换损坏部件的场景,将在天宫二号内真实上演。
天宫二号在供配电、热控、数据管理等系统方面采用了高集成化模块设计,打造出“插拔式”接口,航天员在几分钟内就能完成一次维修更换。
这是天宫二号作为“太空之家”的一个新亮点。
④两名航天员要在太空驻留..30天,为避免出现“粮草不足”问题,科研人员研制了在轨补给系统。
天宫二号在太空可以边飞行边“加油”,而不必像天宫一号那样,起飞前必须把“油箱”加满,携带一吨多的推进剂。
天宫二号起飞前只加了半箱“油”,节省的重量..产品和航天员的生活物资。
..用来携带更多的载荷⑤科研人员还对天宫二号的居住环境进行了精心设计,使其更宜居。
航天员生活在由神舟十一号和天宫二号组成的组合体中,吃饭、睡觉在神舟飞船内,工作、娱乐和锻炼..在天宫二号内,15立方米的空间被紧凑地隔成多个功能区。
工作区和生活区的噪音控制在50分贝以内:舱内空气温度控制在22—24摄氏度,相对湿度控制在45%—55%,这是人体感觉最舒适的温湿度。
⑥此外,科研人员在天宫一号基础上,对电子邮件传输、天地视频通话等系统进行了改进。
天宫二号增加了邮件下行能力;航天员能与地面视频互动,也能与家人私密通话。
海淀区九年级第一学期期末练习英语参考答案2017.1听力理解一、听对话,选图。
1.C2. B3.A4.C5.B二、听对话或独白,选择答案。
6.C7. C8.B9. A 10. B 11.A 12. C 13.B 14. A 15. A三、听对话,记录关键信息。
16. Smith 17. red 18. 20/Twenty 19. Birthday 20. Center/Centre评分标准:16、20题大小写错误每个扣0.5分;19题大小写错误不扣分18.英文或阿拉伯数字都正确; 20题两种拼写都正确知识运用四、单项填空21. A 22. C 23. A 24. C 25. D 26.B 27.B 28.A 29.D 30.C五、完形填空31. B 32. A 33. D 34. C 35. C 36. A 37. C 38.D 39. B 40. A阅读理解六、阅读短文,选择最佳选项。
41.C 42.A 43.B 44.A 45. B 46.D 47.D 48.B 49. A 50.C51.A 52.D 53. B 54. C 55. C七、阅读短文,还原信息。
56. D 57. E 58. B 59. A 60. C八、阅读短文,回答问题。
61. Ohio State University.62. 977.63. In order to/To have a clearer picture of the results.(能表达出相关的意思且语言无严重错误即可得分)64. When these children turned 15 years old.65. Getting a good night’s sleep could avoid putting on weight for children.(能表达出相关的意思且语言无严重错误即可得分)九、文段表达评分标准档次分数描述第一档15~13分完全符合题目要求,观点正确, 要点齐全。
海淀2017届高三上学期期末考语文试卷、答案及分析点评!海淀区高三年级第一学期期末考试语文参考答案及评分标准2017.1一、(本大题共7小题,共22分)1.(2分)D2.(2分)C3.(2分)B4.(5分)参考答案:伴随卫星是一种微小型航天器(1分),在太空中围绕主航天器不同角度地伴随飞行(1分),负责记录主航天器的工作情况(1分),随时对主航天器的表面状态进行监测,实施安全防卫(1分)。
评分标准:每点1分,共4分;语言表达,1分。
5.(2分)A 6.(3分)D7.(6分)参考答案:①在轨补给技术,能持续提供动力补给,可使天宫二号携带更多的生活物资。
②拥有伴随卫星,随时对天宫二号表面状态进行检查,保障航天器安全运行。
③再生生命保障系统,能使排出的体液循环再生,以维持航天员的生命健康。
评分标准:每点2分。
意思对即可。
二、(本大题共6小题,共21分)8.(3分)B9.(3分)C10.(3分)D11.(4分)参考答案:于是二年/定公以为司空/乃别五土之性/而物各得其所生之宜/咸得厥所/由司空为鲁大司寇/设法而不用/无奸民评分标准:断对两处得1分,断对四处得2分,断对六处得3分,全部断对得4分。
12.(4分)参考答案:儒者在做王公时,以仁义、礼法修朝施政,使君义达于百姓、通于四海,取得人心归服、天下一家的效果。
评分标准:答对一点得1分,答对两点得3分,答对三点得4分。
意思对即可。
13.(4分)答案示例:孔子制定了让百姓生有所养、死得安葬的制度,可证明荀子所说的“儒者法先王、隆礼义”;孔子做中都宰一年就使西方诸侯国向鲁国学习,证明儒者确为“社稷之臣、国君之宝”;孔子把土地按照性质分类,使各种作物都得到很好的生长,证明了“万物得宜乃君子(儒者)所长”的观点。
评分标准:《孔子家语》中的事例与《儒效》中的观点对应,每句2分,共4分。
三、(本大题共4小题,共17分)14.(3分)C15.(3分)D16.(5分)答案示例:本诗中,作者以酒为旗鼓,把笔当作刀槊和军队(2分),排兵布阵,纵横驰骋,最终扫尽逆虏、取得胜利(2分)。
海淀区九年级第一学期期末练习英语试题听力理解(共30分)2017.1一、听对话,从下面各题所给的A、B、C三幅图片中选择与对话内容相符的图片。
每段对话你将听两遍。
(共5分,每小题1分)()1.A. B. C.()2.A. B. C.()3.A. B. C.()4.A. B. C.()5.A.B. C.二、听对话或独白,根据对话或独白的内容,从下面各题所给的A、B、C三个选项中选择最佳选项。
每段对话或独白你将听两遍。
(共15分,每小题1.5分)请听一段对话,完成第6至第7小题。
()6. What kind of music does the boy like?A. Pop music.B. Folk music.C. Classical music.()7. Why does the girl like pop music?A. Because it is full of energy.B. Because she likes the lyrics.C. Because it makes her relaxed.请听一段对话,完成第8至第9小题。
()8. When will the two speakers have dinner together?A. On Monday.B. On Friday.C. On Sunday.()9. Who will make the new dish?A. Linda.B. Jack.C. Jack’s sister.请听一段对话,完成第10至第11小题。
()10. Where are the two speakers?A. In a park.B. In a shopping mall.C. In a restaurant.()11. What will the woman buy?A. A sweater.B. A pair of shoes.C. A Christmas tree.请听一段对话,完成第12至第13小题。
海淀区高三年级第一学期末练习物理 2017.1说明:本试卷共8页,共100分。
考试时长90分钟。
考生务必将答案写在答题纸上,在试卷上作答无效。
考试结束后,将本试卷和答题纸一并交回。
一、本题共10小题,每小题3分,共30分。
在每小题给出的四个选项中,有的小题只有一个选项是正确的,有的小题有多个选项是正确的。
全部选对的得3分,选不全的得2分,有选错或不答的得0分。
把你认为正确答案填涂在答题纸上。
1.真空中两相同的带等量异号电荷的金属小球A 和B (均可看做点电荷),分别固定在两处,它们之间的距离远远大于小球的直径,两球间静电力大小为 F 。
现用一个不带电的同样的绝缘金属小球C 与A 接触,然后移开C ,此时A 、B 球间的静电力大小为A .2FB .FC .32FD .2F 2.用绝缘柱支撑着贴有小金属箔的导体A 和B ,使它们彼此接触,起初它们不带电,贴在它们下部的并列平行双金属箔是闭合的。
现将带正电荷的物体C 移近导体A ,发现金属箔都X 开一定的角度,如图1所示,则A .导体B 下部的金属箔感应出负电荷B .导体B 下部的金属箔感应出正电荷C .导体 A 和B 下部的金属箔都感应出负电荷D .导体 A 感应出负电荷,导体B 感应出等量的正电荷3.如图2所示,M 、N 为两个带有等量异号电荷的点电荷,O 点是它们之间连线的中点,A 、B 是M 、N 连线中垂线上的两点,A 点距O 点较近。
用E O 、E A 、E B 和φO 、φA 、φB 分别表示O 、A 、B A .E O 等于0B .E A 一定大于E BC .φA 一定大于φBD .将一电子从O 点沿中垂线移动到A 点,电场力一定不做功4.在电子技术中,从某一装置输出的交流信号常常既含有高频成份,又含有低频成份。
为了在后面一级装置中得到高频成份或低频成份,我们可以在前面一级装置和后面一级装置之间设计如图3所示的电路。
关于这种电路,下列说法中正确的是A .要使“向后级输出〞端得到的主要是高频信号,应该选择图3甲所示电路B .要使“向后级输出〞端得到的主要是高频信号,应该选择图3乙所示电路C .要使“向后级输出〞端得到的主要是低频信号,应该选择图3甲所示电路D .要使“向后级输出〞端得到的主要是低频信号,应该选择图3乙所示电路5.如图4所示,一理想变压器的原、副线圈匝数分别为2200匝和110匝,将原线圈接在输出电压u =2202sin100πt 〔V 〕的交流电源两端。
海淀区八年级第一学期期末练习2021.1 学校班级姓名成绩、单项选择题〔以下各小题均有四个选项,其中只有一个选项符合题意.共30分, 每题2分〕1 .在国际单位制中,速度的单位是A.米〔m〕B.米/秒〔m/s〕C.千米/小时〔km/h 〕D.千克/米3〔 kg/m 3〕2 .如图1所示,四种测量水温的操作,其中正确的选项是4.如图3所示的现象中,属于光的折射现象的是图35 .以下实例中利用了熔化吸热的是温度温度A.运输食品时利用干冰降温预防食品腐烂B.天热时向地上洒水会感到凉快C.给发烧的病人用酒精擦拭身体以进行物理降温 化图像的是图48.金帆乐队的队员在新年联欢会上演出.演奏前,弦乐演奏员都要调节自己的乐器——拧紧或放松琴弦,这样做主要是改变乐器发出声音的A.振幅B.响度C.音调D.音色9.在空间站外,两个航天员一同工作时,需要借助通讯设备交谈.关于他们不能直 接对话的原因,以下说法中正确的选项是A .航天员之间距离太远B.空间站外是真空,声音不能在真空中传播C.空间站外噪声太大D.声音只能在地面附近的空间中传播 10.两个物体的质量不同,一定是由于它们A.形状不同B,所处地理位置不同 C.所含物质的多少不同D.速度大小不同11.为了减少高速行驶的车辆产生的噪声对公路两侧单位、居民的干扰,常在公路的 两侧架设具有一定高度的屏障.这种预防噪声的举措是而在文学作品中常常用一些成语来描述物体运动的快慢,A.在人耳处减弱噪声 C.在声源处减弱噪声 12.在物理学中我们是以B.在传播的途径减弱噪声 D.预防噪声产生回声 单位时间内物体通过路程的多少〞来描述物体运动快慢的, 下面的成语中与物理学D.向可乐饮料中加冰块会使饮料变得更凉6.某同学在实验室通过对物体均匀的加热方式研究物体熔化和凝固的特点,依据实验数据正确地画出了如图 4所示的物体温度随时间变化的图像. 其中属于晶体熔温度/ /温度\O时间A时间D7. 2021年10月19日,神舟十一号"飞船与 天宫二号〞 实施自动交会对接.如图 5所示为 神舟十一号〞飞船 与 天宫二号〞组合体飞行模拟画面,神舟十一号〞内图5BC的航天员看到天宫二号〞纹丝不动,地球在缓缓转 动,那么航天员选择的参照物可能是A.太阳 C.天宫二号B.地球 D.神舟H -一号描述运动快慢的方法最相近的是A.离弦之箭B. 一日千里C.风弛电擎D.姗姗来迟13 .在如图6所示的物理图像中,能正确反映物理量之间关系的是14 .小刚和小红一同完成了如下实验:把一枚硬币放在一个没有盛水的杯子底部,然 后把杯子放在水平桌面上,小刚注视着硬币保持眼睛的高度不变慢慢向远处移 动,到眼睛刚好看不到硬币时停止移动.小刚保持头部不动,此时小红缓缓地向 杯中倒水,随着水量的增加,小刚又重新看到杯底的硬币.用作图的方法来解释 这个实验现象,图7所示的光路图中,能对上述实验现象做出正确解释的是15 .汽车拉力赛是一项汽车道路比赛工程,赛段为临时封闭后的各种普通道路,包括 山区和丘陵的盘山公路、 沙石路、泥泞路等.假设某选手上午 7: 00从起点出发, 途径三个不同的路段,先是沙石路,然后是山坡路,最后一段是平直公路,三段路的长度之比为1:1:2,该选手的赛车在三个路段上行驶速度之比为 1: 2: 3,该选手上午11: 00正好到达终点.那么上午 9: 00时他行进在A.沙石路段B.山坡路段C.平直路段的前半段D.平直路段的后半段二、多项选择题 〔以下各小题均有四个选项,其中符合题意的选项均多于一个.共 8 分,每题2分.每题选项全选对的得 2分,选对但不全的得 1分,有错选的 不得分〕16 .关于光的现象,以下说法中正确的选项是A .光在真空中不能传播B .光从一种物质射入另一种物质传播方向可能改变C .光照到穿衣镜的镜面上和镜框上发生的反射都遵循光的反射定律做匀速直线运动物体的 路程与时间的关系一定温度下,同种材料的物 体密度与物体质量的关系做匀速直线运动物体 的速度与时间的关系体密度与物体体积的关系DABC D图7D.人直立站在竖直放置的平面镜前 1m 处,镜中人的像到平面镜的距离也是 1m17 .关于误差,以下说法中正确的选项是A.屡次测量取平均值可以减小误差B.误差就是测量中产生的错误C.只要认真测量,就可以预防误差D.选用精密的测量仪器可以减小误差18 .初中学生参加体育测试,你认为以下成绩记录符合实际的是A.立定跳远成绩为 8mB.男子1000m 跑成绩为250sC.女子800m 成绩为40sD.掷实心球成绩为 7.5m 19 .小红根据下表所提供的几种物质的密度〔常温常压下〕,得出以下四个结论,其中正确的选项是物质 密度/kg m -3物质 ——―-3号度/kg m水 1.0 ¥03 冰 0.9 103 酒精0.8 ¥03 铝 3 2.7 10 水银13.6 M03铜38.9 10A.固体的密度都大于液体的密度B.体积相同的实心铝块和实心冰块,铝块质量是冰块的3倍C.质量相等实心铝块和实心铜块,铝块的体积一定大于铜块的体积D.把200g 酒精作掉100g,剩下酒精的密度为 0.4 103 kg/m 3三、实验与探究题 〔共 48 分,20~22、24~25、27~32、34~35 题各 2 分,23、26、33、37题各3分,36题6分,38题4分〕 20 .如图8所示,物体 A 的长度是 cm . 21 .如图9所示,温度计的示数为 C .22 .如图10所示,MM '为平面镜,AO 为入射光线,ON 为法线,入射角/AON 等于60 口./NOB 等于30 : 2NOC 等于45 °, /NOD 等于60工那么入射光线 AO时间/min 0 1 2 3 4 5 6 7 8 9 10 11 12 温度/C—4 -3-2—11234请根据表中的实验23.下表是某小组在探究某种物质的熔化规律时记录的实验数据, 数据答复以下问题. OC 或 OD )O图10图1326 .小明有一枚防水印章,他想知道印章的密度,于是在实验室进行了以下操作: 用调节好的天平测印章的质量,平衡时祛码的质量和游码在标尺上的位置如图13甲所示,那么印章的质量为 g ;用量筒测量印章的体积情况如图 13乙所示,那么印章的体积为 cm 3;通过计算,得出印章的密度为 kg/m 3. 27 .在加热条件完全相同的情况下,甲、乙、丙三个物体的温度随加热时间变化的情况如图 14所示,从图中可以看出乙物体和 物体可能是同一种物质.(选填“甲〞或“丙〞)28 .如图15所示,敲鼓时洒在鼓 面上的纸屑会跳动,且鼓声 越响纸屑跳得越高;扬声器 发声时纸盆上的纸屑会跳 动,且声音越响纸屑跳得越(1)该物质的熔点是 C ;⑵ 该物质是(选填 晶体〞或 非晶体〞) (3)温度为3c 时,该物质处于 态(选 填固〞或液〞).24 .在 观察水的沸腾〞实验中,当水温升到 89 C 时,小刚开始计时,每隔 1min 记录一次水的 温度.然后,小刚根据实验数据绘制了如图 11所示的温度随加热时间变化的图像.(1)由图像可以看出,把水从 91c 加热到97C 所需时间为min ;(2)根据图像可以推断, 如果在其它条件不变的情况下,从第8min 之后继续对水加热1min,那么水的温度是 Co25 .中国科技馆里有一个 光线小岛〞,这个展品可以让参观者体验光射向平面镜、透镜、棱镜后的,f#况.如图 12所示,白光通过三棱镜后形成一条彩色光带,这种 现象叫做光的 散〞.现象,它说明白光是由色光组成的 (选填“分解〞或“色20g 20go5040 30 20 10ml 50 40 30 ml时间/min图1220 10高.根据上述现象可归纳出:〔1〕声音是由物体产生的;〔2〕同一发声物体振动的幅度越大, 它发出的声音的响度越 .〔选填“大〞或“小〞〕29 .如图16甲所示,在长约1m的一端封闭的玻璃管中注满清水,水中放一个适当的圆柱形的红蜡块,将玻璃管的开口端用胶塞塞紧,并迅速竖直倒置,红蜡块就沿玻璃管由管口上升到管底.某同学通过实验测量红蜡块沿玻璃管上升的速度, 利用测量的数据画出路程s随时间t变化的图像如图16乙所示,分析图像中的信息可以得出的结论:红蜡块做〔选填时,其速度大小为cm/so匀速〞或变速〞〕直线运动,第4s图17图1630 .小明利用如图17所示实验装置做测平均速度的实验,假设秒表每格为1s 〔实验中指针没有转过1圈〕,那么该实验中小车通过全程的平均速度大小为m/s;实验中小车通过上半程的平均速度〔选填大于"、小于〞或等于“〕小车通过下半程的平均速度.31 .如图18所示,取一支大注射器,拉动活塞使注射器里吸进一些液态乙醛,取下针头,用橡皮帽把注射器的小孔.七尸疑二--堵住.然后向外拉动活塞,拉到一定程度时,注射器里修舅7/的液态乙醛几乎全部〔填物态变化名称〕成为了图18乙醛蒸气;再向里推动活塞,可以观察到又有液态乙醛出现了,这说明:用的方法可以使气体液化.32 .小明在探究某个物体运动路程与时间关系时,通过测量得到如下表所示的实验数据,请根据表中数据归纳出路程s与时间t的关系:s =.t /s2*******s/m369121518在平面镜上放置一块硬纸板, 纸板由可以绕ON 直线转折的两局部组成.(1)采用可转折的两局部纸板是为了研究___________ 与入射光和法线是否在同一平面内;(2)实验中,从纸板前不同的方向都能看到纸板 上光的径迹,这是由于光在纸板上发生了 反射(选填镜面〞或漫〞);(3)小明让一束光沿 AO 贴着纸板射到平面镜上, 在纸板上会看到反射光 OB 的径迹.改变入射 角的大小,实验所测得数据如右表所示,他根 据表中数据得出的结论和其他同学的结论并不 一致.请你分析小明测量实验数据过程中出现 的问题可能是 .34 .图20是小明“探究平面镜成像特点〞实验中的情景,据图中的情景,提出一个可以探究的科学问题:35 .在学习二胡演奏过程中,小明发现琴弦发出的声音频率高 低受各种因素的影响,他决定对此进行研究,经过和同学 们讨论提出了以下 3个探究问题:⑷琴弦发出声音的频率上下与琴弦的横截面积是否有关 ②琴弦发出声音的频率上下与琴弦的长度是否有关③琴弦发出声音的频率上下与琴弦的材料是否有关 下表是他们根据探究问题将实验材料分组的情况.填G 、Q 或G ))(2)如果探究Q ,实验中应限制横截面积和 不变.(选填 材料"或 长度〞)36 .实验桌上有如图21所示的实验装置(其中的透明 玻璃为实验中的平面镜),还提供了一把刻度尺和相同大小的中国象棋棋子 18个,9个为红色,9个 为绿色.小军方案用这些器材探究 像的大小与物体到平面镜距离的关系 小军的主要实验步骤如下:33.如图19是小明探究光的反射规律的实验装置,实验次数入射角反射角1 20° 70 °2 30° 60 ° 350°40 °请根编p材料 长度/cm横截回积/mmA 尼龙 55 1B 尼龙 55 0.5 C尼龙 80 1 D银合金550.5圆柱 体\ X, \ \ \ t I tTTA图20(1)如果选择上表中 A 、B 两组材料进行实验,那么所探究的问题是 ;(选①将一个红棋子作为物体放在平面镜前面的白纸图21上,在平面镜后面改变一个绿棋子的位置,使得从不同角度观察,绿棋子与红棋子的像均完全重合,并记录实验数据.③ 不改变①中红棋子的位置,在其上叠放一个红棋子,在平面镜后面绿棋子上叠放一个绿棋子,使得从不同角度观察,两个绿棋子与两个红棋子的像均完全重合,并记录实验数据.③再改变四次物体的大小(改变叠放红棋子的个数) ,仿照步骤②,做四次实验.请根据以上表达答复以下问题:(1)小军方案探究的问题中的自变量是(2)根据以上实验步骤可知,小军实际探究的是物体在平面镜中所成像的大小与的关系;(3)针对小军方案探究的问题,在实验步骤②中,应改变37 .小明用如图22所示装置研究光的折射规律, 当激光笔射出的光从空气中斜射入半圆形玻璃砖时,他不断增大入射角,发现折射角始终小于入射角,于是小明得出光从一种物质斜射入另一种物质时入射角总是大于折射角的结论.请你只利用图中装置设计实验证实小明的结论是错误的.写出实验步骤和实验现象.38 .小明用如图23所示的实验装置研究小车的运动.小车从斜面顶端由静止释放,沿着斜面滑下直到撞上挡板立即停下.实验桌上还有祛码和秒表. 请你利用上述器材设计实验探究:小车沿斜面运动的平均速度大小与小图23车质量是否有关.(1)写出实验步骤;(2)请说明根据测量数据如何判断小车沿斜面运动的平均速度大小与小车质量是否有关.四、科普阅读题〔共8分,每题4分〕〔一〕阅读?加气混凝土砌块?,答复39题.加气混凝土砌块小明家在装修过程中,进行了户内隔断墙的改动,撤除了原来用烧结黏土砖垒砌的墙体后,改用新型的墙体建筑材料一一蒸压加气混凝土砌块进行垒砌.小明上网查询后发现:烧结黏土砖是用农田的黏土为原料, 经过高温烧制而成.每块砖的长、宽、高分别为:240mm、115mm、53mm.密度为1.7 x fkg/m3.属于传统的墙体材料.加气混凝土砌块是用加气混凝土和工业废料按一定比例制作完成的一种多孔的砖体.小明家采用砖体的长、宽、高分别为:600mm、75mm、200mm.密度为0.7 X 13ftg/m3.蒸压加气混凝土砌块是一种新型建筑材料,与烧结黏土砖相比, 具有密度小、隔热和隔音性能好以及环保等优点.小明家撤除的隔断墙体厚度为115mm,新建墙体厚度为75mm.39 .请根据上述材料,答复以下问题:〔1〕加气混凝土砌块比烧结黏土砖更环保的原因是: ;〔2〕加气混凝土砌块密度比烧结黏土砖密度小的原因是: ;〔3〕假设小明家撤除的墙体面积为10m2,假设不计砖缝体积,由于采用加气混凝土砌块替代烧结黏土砖,墙体的质量减小kg.〔二〕阅读?微波?,答复40题.微波微波是指频率为300MHz〜300GHz的电磁波,是无线电波中一个有限频带的简称,即波长在1毫米〜1米之间的电磁波,是分米波、厘米波、毫米波的统称.微波频率比一般的无线电波频率高,通常也称为“超高频电磁波〞.微波的根本性质通常呈现为穿透、反射、吸收三个特性.对于玻璃、塑料和瓷器,微波几乎是穿越而不被吸收.对于水和食物等就会吸收微波而使自身发热.而对金属类东西,那么会反射微波.微波有以下重要特性:〔1〕微波的传播速度等于光速,微波遇到金属物体,会像光遇到镜子一样地发生反射;〔2〕微波遇到绝缘材料,如玻璃、塑料等,会像光透过玻璃一样顺利通过;〔3摩波遇到含水的食品,能够被其大量吸收,引起食品内局部子发生剧烈的振动,到达加热食品的目的;〔4〕过量的微波照射对人体有害.微波的最重要应用是雷达和通信.雷达不仅用于国防,同时也用于导航、气象测量、大地测量、工业检测和交通治理等方面.微波炉是利用微波加热食品的新型灶具.为了避开对通信的于扰,微波炉使用频率为2450MHz的微波.微波炉接通电后,磁控管产生的超高频率的微波,微波在炉内壁往返反射,它穿透食物,使食物内外同时加热,只需很短的时间就能熟透,没有热量散失和环境污染,既快又清洁,人们称它为“烹调之神〞.40 .请根据上述材料,答复以下问题:(1)除了利用微波加热食物之外, 请你写出微波的另一种应用:;(2)微波的传播速度为m/s;(3)微波会对人体造成伤害,在炉门内侧装有的屏蔽网,其材料可为 (符合题意的选项多于一个).A.铝合金B,不锈钢C.玻璃D.耐热塑料五、计算题(共6分,每题3分)41 .科学工作者为了探测海底某处的深度,向海底垂直发射超声波,经过4s收到回波信号,海洋中该处的深度是多少?(声音在海水中传播的速度是1500m/s) 42,空气的密度为1.29kg/m3,求一间面积为40m2、高为4m的房屋内空气的质量.海淀区八年级第一学期期末练习物理参考答案三、实验与探究题20. 2.13 〔说明:2.11〜2.14均可得分〕〔2分〕21. . 39 〔2 分〕22. OD 〔2 分〕23. 〔1〕 0 〔1 分〕〔2〕晶体〔1 分〕〔3〕液〔1 分〕24. 〔1〕 3 〔1 分〕〔2〕 99 〔1 分〕25. 色散〔2分〕26. 43.6 〔1 分〕;20 〔1 分〕;2.18 103 〔1 分〕27. 甲〔2分〕28. 〔1〕振动〔1分〕〔2〕大〔1分〕29. 匀速〔1 分〕;2.5 〔1 分〕30. 0.2 〔1 分〕;小于〔1 分〕31. 汽化〔1分〕;压缩气体的体积〔1分〕32. 〔1.5m/s〕 t 〔2 分〕33. 〔1〕反射光〔1分〕〔2〕漫〔1分〕〔3〕入射角或反射角不是光线与法线的夹角〔说明:其他说法正确同样得分〕〔1分〕34. 例如:物体的像到平面镜的距离与物体到平面镜的距离有怎样的关系;或物体的像到平面镜的距离与物体到平面镜的距离是否有关;或物体的像的大小与物体到平面镜的距离是否有关. 〔2分〕说明:其他说法正确同样得分35. 〔1〕 O 〔1 分〕〔2〕长度〔1 分〕36. 〔1〕物体到平面镜的距离〔2分〕〔2〕物体的大小〔2分〕〔3〕红棋子到平面镜的距离或物体到平面镜的距离〔2分〕说明:其他说法正确同样得分37. 例如:实验步骤:用激光笔由下向上照射, 使激光笔发出的光照射到实验装置圆盘中央, 且使光从半圆形的玻璃砖斜射入空气中,读出入射角〞和折射角&将以上数据记录在表格中.〔2分〕实验现象:入射角“V折射角3,所以小明的观点是错误的. 〔1分〕38. 例如:〔1〕实验步骤:③斜面如图放置、挡板调至适当位置, 秒表归零;把小车放在斜面顶端, 由静止释放,同时开始计时,小车撞到挡板时,停止计时,测量小车通过此段路程所用的时间L ,将数据记录在表格中;〔1分〕⑶将祛码放入小车中, 仿照步骤O重复实验,测量小车通过相同路程所用的时间t2 ,将数据记录在表格中.〔1分〕〔2〕判断方法:如果t〔wt2,说明小车沿斜面运动的平均速度与质量有关;如果t1=t2,说明小车沿斜面运动的平均速度与质量无关. 〔2分〕四、科普阅读题39. 〔1〕使用了工业废料〔1分〕〔说明:其他说法正确同样得分〕〔2〕加气混凝土砌块是一种多孔的砖体〔1分〕〔说明:其他说法正确同样得分〕(3) 1.43 ¥03(2 分)40. 〔1〕雷达或通信〔1分〕〔说明:其他说法正确同样得分〕(2)3X108(1 分)(3)AB 〔2分〕〔说明:根据多项选择题方式给分,答全2分,漏选1分,错选不得分.〕五、计算题41 .解:设海洋中该处的深度为s,声波在海水中传播速度为v,超声波从发声器垂直传到海底的时间为t=4s/2=2s 根据s=vt=1500m/s x 2s=3000m说明:公式正确得1分;代入正确得1分;结果正确得1分. 其他解答方法正确同样得分.42 .解:教室的容积V= 40m2X4m =160m3, 根据m= p空气V=1.29 kg/m3M60 m3=206.4kg说明:公式正确得1分;代入正确得1分;结果正确得1分. 其他解答方法正确同样得分.。
海淀区高三年级第二学期期末练习数学(文科)2017.5本试卷共4页,150分。
考试时长120分钟。
考生务必将答案答在答题卡上,在试卷上 作答无效。
考试结束后,将本试卷和答题卡一并交回。
一、选择题共8小题,每小题5分,共40分。
在每小题列出的四个选项中,选出符合题目要求的一项。
1.若集合{2,0,1}A =-,{|1B x x =<-或0}x >,则A B =A. {2}-B. {1}C.{2,1}-D. {2,0,1}- 2. 在复平面内,复数2i1iz =-对应的点的坐标为 A. (1,1)- B. (1,1)C.(1,1)- D.(1,1)--3. 已知向量(,1),(3,2)x ==-a b ,若//a b ,则x = A. 3- B.32-C.23D.324. 执行如图所示的程序框图,若输入7,3a d =-=,则输出的S 为 A. 12S =- B .11S =- C. 10S =- D. 6S =-5.已知数列{}n a 是等比数列,则“21a a >”是“数列{}n a 为递增数列”的 A. 充分而不必要条件 B. 必要而不充分条件 C. 充分必要条件D. 既不充分也不必要条件6.北京市2016年12个月的PM2.5平均浓度指数如右图所示.由图判断,四个季度中PM2.5的平均浓度指数方差最小的是 A.第一季度B.第二季度 C.第三季度D.第四季度7.函数()y f x =的图象如图所示,则()f x 的解析式可以为 A.21()f x x x =- B.31()f x x x =- C.1()e x f x x =- D. 1()ln f x x x=- 第一季度 第二季度第三季度 第四季度 yOx8.一位手机用户前四次输入四位数字手机密码均不正确,第五次输入密码正确,手机解锁.事后发现前四次输入的密码中,每次都有两个数字正确,但它们各自的位置均不正确.已知前四次输入密码分别为3406,1630,7364,6173,则正确的密码中一定含有数字 A. 4,6 B. 3,6 C. 3,7 D.1,7 二、填空题共6小题,每小题5分,共30分。
1D 1A 1B 1C F北京市海淀区2016-2017学年度第一学期高三期末理科数学2017.1一、选择题共8小题,每小题5分,共40分.在每小题列出的四个选项中,选出符合题目要求的一项. 1.抛物线22y x =的焦点到准线的距离为( ) A .12B .1 C.2D .32.在极坐标系中,点14π⎛⎫⎪⎝⎭,与点314π⎛⎫⎪⎝⎭,的距离为( ) A .1 B C D 3.右侧程序框图所示的算法来自于《九章算术》.若输入a 的值为16,b 的值为24则执行该程序框图输出的结果为( ) A .6 B .7 C .8D .94.已知向量,a b 满足2+=0a b ,()2+⋅=a b a ,则⋅=a b ( ) A .12-B .12C .2-D .2 5.已知直线l 经过双曲线2214x y -=的一个焦点且与其一条渐近线平行,则直线l 的方程可能是( ) A.12y x =-B .12y x =C .2y x =-D .2y x =-6.设x y ,满足0202x y x y x -≤⎧⎪+-≥⎨⎪≤⎩,则()221x y ++的最小值为( )A .1B .92C .5D .5 7.在手绘涂色本的某页上画有排成一列的6条未涂色的鱼,小明用红、蓝两种颜色给这些鱼涂色,每条鱼只能涂一种颜色,两条相邻的鱼不.都.涂.成红色...,涂色后,既有红色鱼又有蓝色鱼的涂色方法种数为( ) A .14 B .16 C .18 D .208.如图,已知正方体1111ABCD A BC D -的棱长为1,E F ,分别是棱11ADB C ,上的动点,设俯视图主视图1AE x B F y ==,.若棱1DD 与平面BEF 有公共点,则x y +的取值范围是( )A .[]01,B .1322⎡⎤⎢⎥⎣⎦,C .[]12,D .322⎡⎤⎢⎥⎣⎦二、填空题共6小题,每小题5分,共30分.9.已知复数z 满足()12i z +=,则z =_________.10.在621x x ⎛⎫+ ⎪⎝⎭的展开式中,常数项为_________.(用数字作答)11.若一个几何体由正方体挖去一部分得到,其三视图如图所示,则该几何体的体积为_________. 12.已知圆22:20C x x y -+=,则圆心坐标为_________;若直线l 过点()10-, 且与圆C 相切,则直线l 的方程为_________.13.已知函数()2sin 02y x πωϕωϕ⎛⎫=+>< ⎪⎝⎭,. ①若()01f =,则ϕ=_________;②若x R ∃∈,使()()24f x f x +-=成立,则ω的最小值是_________. 14.已知函数()||cos x f x e x π-=+,给出下列命题: ①()f x 的最大值为2;②()f x 在()1010-,内的零点之和为0; ③()f x 的任何一个极大值都大于1. 其中所有正确命题的序号是_________.三、解答题共6小题,共80分.解答应写出文字说明、演算步骤或证明过程. 15.(本小题满分13分)在ABC ∆中,2c a =,120B =,且ABC ∆. (Ⅰ)求b 的值; (Ⅱ)求tan A 的值.16.(本小题满分13分)诚信是立身之本,道德之基. 某校学生会创设了“诚信水站”,既便于学生用水,又推进诚信教育,并用“周实际回收水费周投入成本”表示每周“水站诚信度”. 为了便于数据分析,以四周为一周期......,下表为该水站连续十二周(共三个周期)的诚信度数据统计:(Ⅰ)计算表中十二周“水站诚信度”的平均数x ;(Ⅱ)分别从上表每个周期的4个数据中随机抽取1个数据,设随机变量X 表示取出的3个数据中“水站诚信度”超过91%的数据的个数,求随机变量X 的分布列和期望;(Ⅲ)已知学生会分别在第一个周期的第四周末和第二个周期的第四周末各举行了一次“以诚信为本”的主题教育活动.根据已有数据,说明两次主题教育活动的宣传效果,并根据已有数据陈述理由.17.(本小题满分14分)如图1,在梯形ABCD 中,//AB CD ,90ABC ∠=,224AB CD BC ===,O 是边AB 的中点.将三角形AOD 绕边OD 所在直线旋转到1AOD 位置,使得1120AOB ∠=;如图2,设m 为平面1A DC 与平面1AOB 的交线. (Ⅰ)判断直线DC 与直线m 的位置关系并证明;(Ⅱ)若直线m 上的点G 满足1OG A D ⊥,求出1AG 的长; (Ⅲ)求直线1AO 与平面1A BD 所成角的正弦值.18.(本小题满分13分)已知()()0231A B , ,, 是椭圆()2222:10x y G a b a b+=>>上的两点.AOBCD1图ODCB2图1A(Ⅰ)求椭圆G 的离心率;(Ⅱ)已知直线l 过点B ,且与椭圆G 交于另一点C (不同于点A ),若以BC 为直径的圆经过点A ,求直线l 的方程.19.(本小题满分14分)已知函数()ln 1af x x x=--. (Ⅰ)若曲线()y f x =存在斜率为1-的切线,求实数a 的取值范围;(Ⅱ)求()f x 的单调区间; (Ⅲ)设函数()ln x ag x x+=,求证:当10a -<<时,()g x 在()1+∞,上存在极小值.20.(本小题满分13分)对于无穷数列{}n a 、{}n b ,若{}{}()1212max min k k k b a a a a a a k N *=-∈,,,,,,,则称{}n b 是{}n a 的“收缩数列”. 其中,{}12max k a a a ,,,,{}12min k a a a ,,,分别表示12k a a a ,,,中的最大数和最小数.已知{}n a 为无穷数列,其前n 项和为n S ,数列{}n b 是{}n a 的“收缩数列”. (Ⅰ)若21n a n =+,求{}n b 的前n 项和; (Ⅱ)证明:{}n b 的“收缩数列”仍是{}n b ; (Ⅲ)若()()1211122n n n n n n S S S a b +-+++=+()n N *∈,求所有满足该条件的{}n a .海淀区高三年级第一学期期末练习数学(文科)答案及评分标准 2017.1一、选择题共8小题,每小题5分,共40分。
海淀区高三年级第一学期期末练习参考答案及评分标准物 理 2017.1一、本题共10小题,每小题3分,共30分。
在每小题给出的四个选项中,有的小题只有一个选项是符合题意的,有的小题有多个选项是符合题意的。
全部选对的得3分,选不全的得二、本题共2小题,共15分。
11.(6分)(1)C ,E (各1分) (2)95,小于(各2分) 12.(9分)(1)甲 (2分)(2)串联(1分) 1000(2分) (3)AB (2分,有选错的不得分) (4)0. 36~0.42(2分)三、本题包括6小题,共55分。
解答应写出必要的文字说明、方程式和重要的演算步骤。
只写出最后答案的不能得分,有数值计算的题,答案中必须明确写出数值和单位。
说明:计算题提供的参考解答,不一定都是唯一正确的。
对于那些与此解答不同的正确解答,同样得分。
13.(8分)(1)对小球,由题意可得:Eq=mg …………………(1分)解得:E=mg/q ………………………………………………(1分)(2)对小球,设从C 到B 的加速度为a ,根据牛顿第二定律可得:Eq=ma ……………………………………………………(1分) 由运动学公式可得:212L at =…………………………(1分) 联立可解得: t =…………………………(1分) (3)设圆形轨道半径为R ,对小球从C 到D 的过程,根据动能定理有:qE (L+R )-mgR=21mv D 2-0 ………………………………(2分) 联立②⑥,可得:v D 2=gL 2 ………………………………(1分)14.(8分)(1)①设通过金属杆ab 的电流为I 1,根据闭合电路欧姆定律可知: I 1=E/(R 1+r ) ……………………(1分)设磁感应强度为B 1,由安培定则可知金属杆ab 受安培力沿水平方向,金属杆ab 受力如答图1。
对金属杆ab ,根据共点力平衡条件有:B 1I 1L=mg tan θ………(1分)答图1解得: 11tan mg B I Lθ==0.30T ……………………(1分) ②根据共点力平衡条件可知,最小的安培力方向应沿导轨平面向上,金属杆ab 受力如答图2所示。
海淀区九年级第一学期期末练习语文2017.1学校班级姓名学号一、基础·运用(共19分)1.阅读下面的文字,完成(1)-(3)题。
(共6分)2016年10月17日,酒泉大漠,烈焰升腾,神舟.十一号飞船向着寥.廓苍穹再一次踏上了中国航天的飞翔之旅!11月18日,内蒙草场,天高云淡,顺利完成各项任务的飞船安全着.陆。
33天的历程展示了我国航天事业的辉煌成就,彰显出航天大国的实力。
中国航天的不断飞跃,源自每一代航天人。
60年前,钱学森、邓稼先、梁思礼等学界精英,历经艰难回到祖国。
在航天事业蹒跚起步时,他们面对既无基础也无外援的情形,以“敢为天下先”的精神攻克难关。
他们是奠基者、先行人,把智慧锻造成阶梯,留给王永志、戚发轫等后来的攀登者。
中国航天的不断飞跃,更源自每一代航天人。
从“两弹一星”到“一箭多星”再到“载人航天”,60年来自力更生、探索创新是航天事业不变的旋律。
而今的“嫦娥一号”研发团队不断开拓创新,仅用3年多时间就拿下了一大批具有自主知识产权的核心技术。
风雨一甲子,航天六十年。
在发展的道路上,中国航天人与创新为伴,砥砺前行,让民族的飞天梦不断成真!(1)对文中加点字的注音、笔顺判断全都正确的一项是(2分)A.寥.廓láo着.陆zhuó“舟”字的第四笔是:一B.寥.廓lào着.陆zháo “舟”字的第四笔是:丶C.寥.廓láo着.陆zhuó“舟”字的第四笔是:丶D.寥.廓lào着.陆zháo “舟”字的第四笔是:一(2)根据语意,将下面语句依次填入文中横线处,最恰当的一项是(2分)①攻坚克难的奋斗精神②同舟共济的协作精神③海纳百川的包容精神④锐意进取的创新精神A.①③B.①④C.②③D.②④(3)“中国航天之父”钱学森家中,悬挂着一幅郭沫若创作的书法作品《赠钱学森》,下面对其欣赏不恰当的一项是(2分)A.笔力爽劲洒脱,运转变通,韵味无穷。
B.秀美而不失骨力,流畅而又疾徐有致。
C.采用楷书书体,中正平稳,浑厚大气。
D.气贯笔端,形神兼备,展现书者风范。
2.参观航空航天博物馆后,李立同学写下了一段观后感。
这段文字中字、词、句各有一处错误,请你找出来。
(3分)参观航空航天博物馆时,一件件展品带给我许多的思考。
千百年来,我们始终对那 星罗棋布的太空怀有浪漫的想象与探索的激情。
能否使梦想变为现实,关键在于要有勇 于创新的精神。
正所谓“云海飞舟越九天尽显民族豪迈,大鹏展翅冲宵汉皆缘科技创新”。
我愿在求知路上不断探索,将来也能为中国航天事业做出自己的贡献。
字: 词: 句:3.阅读下面的连环画,完成(1)-(2)题。
(共4分)(1)结合前5幅画的内容,为第6幅画补写一句话。
(2分)答:(2)结合连环画的内容,将下面的对联补全。
(2分),李冰开创千秋业;导流灌溉,江堰长留百代功。
4.默写(共6分)(1)不畏浮云遮望眼,。
(王安石《登飞来峰》)(1分)(2),似曾相识燕归来。
(晏殊《浣溪沙》)(1分)(3),,此事古难全。
(苏轼《水调歌头·明月几时有》)(2分)(4)当人们说到豁达地看待世事变迁、新旧更替时,你会想到的古诗是,。
(2分)二、文言文阅读(共11分)阅读《生于忧患,死于安乐》,完成5-8题。
生于忧患,死于安乐①舜发于畎亩之中,傅说举于版筑之间,胶鬲举于鱼盐之中,管夷吾举于士,孙叔敖举于海,百里奚举于市。
②故天将降大任于是人也,必先苦其心志,劳其筋骨,饿其体肤,空乏其身,行拂乱其所为,所以动心忍性,曾益其所不能。
③人恒过,然后能改;困于心,衡于虑,而后作;征于色,发于声,而后喻。
入则无法家拂士,出则无敌国外患者,国恒亡。
④然后知生于忧患,而死于安乐也。
5.解释下列语句中加点词的意思。
(2分)(1)管夷吾举于士.士:(2)入则无法家拂.士拂:6.用现代汉语翻译下面语句。
(2分)动心忍性,曾益其所不能翻译:7.孟子关于造就人才的论述是全面的。
第②段中,孟子强调,人担“大任”要经历①;第③段中,孟子强调,人只有经过主观努力,才可能带来“②”“③”“④”的结果。
(其中①用自己的话概括,②③④用原文回答)。
(4分)8.下面链接材料写的是春秋时期吴越争霸的一段史实。
请根据材料内容推测吴越争霸的结果,并简要说明这个结果使你对“入则无法家拂士,出则无敌国外患者,国恒亡”这句话有了怎样更深的理解。
(3分)【链接材料】夫差既立为王,以伯嚭为太宰,习战射。
二年后伐越,败越于夫湫。
越王勾践乃以余兵五千人栖于会稽之上,使大夫种①厚币②遗吴太宰嚭以请和,求委国为臣妾③。
吴王将许之。
伍子胥④谏曰:‚越王为人能辛苦。
今王不灭,后必悔之。
‛吴王不听,用太宰嚭计,与越平⑤。
(选自《史记·伍子胥列传》)注:①种:即文种,越国的重要谋臣。
②厚币:厚礼。
③委国为臣妾:把国政托付给吴国,甘心做吴国的奴仆。
④伍子胥:吴国重臣,因多次进谏,受谗被赐死。
⑤平:讲和。
结局:①理解:②三、名著阅读(共8分)9.吴承恩借助神奇的想象力,从不同的角度写出了孙悟空的神通变化。
下列表述有误的一项是()(2分)A.“反天宫诸神捉怪”中,孙大圣拔一把毫毛变成了千百个大圣,打退哪吒太子与五大天王,体现的是身外有身的变化。
B.“小圣施威降大圣”中,二郎真君本领高强,孙大圣与他大战三百回合未分胜负,于是大圣与他开始比试变化的本领,体现了金箍棒神奇的变化。
C.“孙行者一调芭蕉扇”中,孙悟空变成虫子钻进铁扇公主的肚子里,体现的是孙悟空由大而小的变化。
D.“悟空计盗紫金铃”中,朱紫国皇后被妖怪劫走,悟空变成小妖进山入洞,体现的是一种外形身份的变化。
10.金圣叹认为,《水浒传》单写人的粗鲁就有许多的不同:鲁达的粗鲁是性急,史进的粗鲁是少年任性,李逵的粗鲁是野蛮,武松的粗鲁是豪放不受拘束,阮小七的粗鲁是悲愤无处说,焦挺的粗鲁是气质不好。
请选择其中一个人物,写出一个能够表现其粗鲁的细节。
(2分)答:11.《海底两万里》一书包罗万象又神奇有趣,作品主题、人物形象、科学幻想等,都能激发读者探究的欲望。
请就你感兴趣的问题进行探究,完成阅读探究卡片。
(4分)《海底两万里》阅读探究卡片四、现代文阅读(共32分)(一)阅读《带上她的眼睛》,完成第12-15题。
(15分)带上她的眼睛①准备去度假,主任递给我一双眼睛,指指前面的大屏幕,把眼睛的主人介绍给我,一个好像刚毕业的小姑娘,呆呆地看着我。
在肥大的太空服中,她更显得娇小,一副可怜兮兮的样子。
她面前有一支失重的铅笔飘在空中。
②‚麻烦您了,真不好意思。
‛她说,这是我听到过的最轻柔的声音。
但我立刻感到两个异样的地方:其一,地面与外太空通讯都有延时,但她的回答几乎感觉不到延时,这就是说,她现在在近地轨道,实在没必要托别人带眼睛去度假。
其二是她身上的太空服,在服装上看不到防辐射系统,放在她旁边的头盔的面罩上也没有强光防护系统,而且这套服装的隔热和冷却系统异常发达。
③‚想去哪儿?‛我豪爽地问。
她犹豫了很久。
④这个决定对她似乎很难,她似乎认为地球在我们这次短暂的旅行后就要爆炸了。
我不由笑出声来。
最后,她决定了:‚那就去我们起航前去过的地方吧!‛⑤这是高山与草原的交接处,大草原从我面前一直延伸到天边,背后的天山覆盖着暗绿色的森林,几座山顶还有银色的雪冠。
⑥我掏出她的眼睛戴上。
所谓眼睛就是一副传感眼镜,当你戴上它时,你所看到的一切图象以及你的触觉和味觉由超高频信息波发射出去,可以被远方的另一个戴同样传感眼镜的人接收到。
‚上次离开后,我常梦到这里,现在回到梦里来了!‛她细细的声音从她的眼睛中传出来,‚我太怕封闭了。
‛⑦我说:‚可你现在并不封闭啊,同你周围的太空比起来,这草原太小了。
‛⑧她沉默了,似乎连呼吸都停止了。
几秒钟后,她突然惊叫起来:‚呀,花儿,有花啊!上次我来时没有的!‛是的,广阔的草原上到处点缀着星星点点的小花。
‚呀,真美耶!能闻闻她吗?‛,我只好半趴到地上,‚啊,我也闻到了,真像一首隐隐传来的小夜曲呢!‛⑨‚我们给这朵小花起个名字好吗?嗯……叫她梦梦吧。
我们再看看那一朵好吗?她该叫什么呢?嗯,叫小雨吧。
再到那一朵那儿去,看她的淡蓝色,她的名字应该是月光……‛○10我们就这样一朵朵地看花,闻花,然后再给她起名字。
她陶醉其中,到我坚持停止时,我们已给上百朵花起了名字。
○11我在草原上漫步,很快来到一条隐没在草丛中的小溪旁,她叫住了我,说:‚我真想把手伸到小溪里。
‛我蹲下来把手伸进溪水,一股清凉流遍全身,我又听到了她的感叹。
○12‚你那儿很热吧?‛我想起了她那窄小的控制舱和隔热系统异常发达的太空服。
○13‚热,热得像……地狱。
呀,天啊,这是什么?草原的风?!‛这时我刚把手从水中拿出来,微风吹在湿手上凉丝丝的。
‚不,别动,这真是天国的风呀!‛我把双手举在草原的微风中,直到手被吹干。
然后应她的要求,我又把手在溪水中打湿,再举到风中把天国的感觉传给她。
○14我带着她的眼睛在草原上转了一天,她渴望地看草原上的每一朵野花,每一棵小草,看草丛中跃动的每一缕阳光,渴望地听草原上的每一种声音。
草原上的每一处风景,都让她情感波动。
我感到,她对这个世界的情感已丰富到不正常的程度。
○15日落前,我走到了草原中一间为旅游者准备的白色小屋。
夜里,我刚睡着,她就通过眼睛叫醒我:‚请带我出去好吗?我们去看月亮,月亮该升起来了!‛○16我睡意朦胧,很不情愿地起了床。
到外面后发现月亮真的刚升起来,月光下的草原在沉睡。
○17她轻轻哼起了一首曲子,‚这是德彪西的《月光》。
‛她说,接着又陶醉地哼下去,完全忘记了我的存在。
直到一个小时后我回去躺到床上,她还在哼着音乐,那轻柔的乐声一直在我的梦中飘荡着。
○18第二日清晨,阴云布满了天空,草原笼罩在蒙蒙的小雨中。
我从眼睛中听到了她低低的叹息。
○19‚……呜呜,我好想看草原的日出啊……‛我的心像是被什么东西溶化了,脑海中出现她眼泪汪汪,小鼻子一抽一抽的样儿,眼睛竟有些湿润。
‚听,这是今天的第一声鸟叫,雨中也有鸟呢!‛她欣喜地说,那口气如同听到世纪钟声一样庄严。
○20旅行后又回到了忙碌的工作中,以上的经历很快就淡忘了。
但在我的意识深处,有一颗小小的种子留了下来,已长出了令人难以察觉的绿芽。
当一天的劳累结束后,我已能感觉到晚风吹到脸上时那淡淡的诗意,鸟儿的鸣叫已能引起我的注意,我甚至会在黄昏时站在天桥上,看着夜幕降临城市……○21无意识地,在闲暇时甚至睡梦中,她身处的环境常在我的脑海中出现。
那封闭窄小的控制舱,奇怪的隔热太空服,还有,那在她头顶上打转的失重的铅笔。
一闭上眼睛,这只铅笔总在我的眼前飘浮。
○22 ‚我怕封闭……‛一道闪电在我的脑海里出现,我悚然。
除了太空,还有一个地方会失重!○23 ‚她是‘落日六号’的领航员。