玻璃(明框)幕墙工程检验批质量验收记录表(一般项目)
- 格式:doc
- 大小:31.53 KB
- 文档页数:2
玻璃幕墙工程检验批质量验收记录表说明(一)主控项目1、玻璃幕墙工程所使用的各类材料、构件与组件的质量,应符合设计要求及国家现行产品标准与工程技术规范的规定。
检查材料、构件、组件的产品合格证书、进场验收记录、性能检测报告与材料的复验报告。
2、玻璃幕墙的造型与立面分格应符合设计要求。
观察与尺量检查。
3、玻璃幕墙使用的玻璃应符合下列规定。
(1)幕墙应使用安全玻璃,玻璃的品种、规格、颜色、光学性能及安装方向应符合设计要求。
(2)幕墙玻璃的厚度不应小于6.0mm。
全玻幕墙肋玻璃的厚度不应小于12mm。
(3)幕墙的中空玻璃应使用双道密封。
明框幕墙的中空玻璃应使用聚硫密封胶及丁基密封胶;隐框与半隐框幕墙的中空玻璃应使用硅酮结构密封胶及丁基密封胶;镀膜面应在中空玻璃的第2或者第3面上。
(4)幕墙的夹层玻璃应使用聚乙烯醇缩丁醛(PVB)胶片干法加工合成的夹层玻璃。
点支承玻璃幕墙夹层玻璃的夹层胶片(PVB)厚度不应小于0.76mm。
(5)钢化玻璃表面不得有损伤;8.0mm、下列的钢化玻璃应进行引爆处理。
(6)所有幕墙玻璃均应进行边缘处理。
观察与尺量检查;检查施工记录。
4、玻璃幕墙与主体结构连接的各类预埋件、连接件、紧固件务必安装牢固,其数量、规格,位置、连接方法与防腐处理应符合设计要求。
观察与检查隐蔽工程验收记录与施工记录。
5、各类连接件、紧固件的螺栓应有防松动措施;焊接连接应符合设计要求与焊按规范的规定。
观察与检查隐蔽工程验收记录与施工记录。
6、隐框或者半隐框玻璃幕墙,每块玻璃下端应设置两个铝合金或者不锈钢托条,其长度不应小于100,厚度不应小于2mm。
托条外端应低于玻璃外表面2mm。
观察与检查施工记录。
7、明框玻璃幕墙的玻璃安装应符合下列规定:(1)玻璃槽口与玻璃的配合尺寸应符合设计要求与技术标准的规定。
(2)玻璃与构件不得直接接触,玻璃四周与构件凹槽底部应保持一定的空隙,每块玻璃下部应至少放置两块宽度与槽口宽度相同、长度不小于l00mm的弹性定位垫块;玻璃两边嵌入量及空隙应符合设计要求。
明框玻璃幕墙分项工程检验批质量验收记录续表提示本表适用于玻璃幕墙(明框玻璃幕墙、全玻幕墙及点支承玻璃幕墙)分项工程。
检查数量:每个检验批每100㎡应至少抽查一处,每处不得小于10㎡;对于异型或有特殊要求的幕墙工程,应根据幕墙的结构和工艺特点,由监理单位(或建设单位)和施工单位协商确定。
主控项目1.材料、构件、组件进场检验方法:检查材料、构件、组件的产品合格证书、进专场验收记录、性能检测报告和材料的复验报告。
2.造型和立面分格检验方法:观察:尺量检查。
3.玻璃玻璃幕墙使用的玻璃应符合下列规定:a.幕墙应使用安全玻璃,玻璃的品种、规格、颜色、光学性能及安装方向应符合设计要求。
b.幕墙玻璃的厚度不应小于6.0mm。
全玻幕墙肋玻璃的厚度不应小于12mm。
c.幕墙的中空玻璃应采用双道密封。
明框幕墙的中空玻璃应采用聚硫密封胶及丁基密封胶。
镀膜面应在中空玻璃的第2或第3面上。
d.层玻璃应采用聚乙烯醇缩丁醛(PVB)胶片干法加工合成的夹层玻璃。
点支承玻璃幕墙夹层玻璃的夹层胶片(PVB)厚度不应小于0.76mm。
e.玻璃表面不得有损伤;8.0mm以下的钢化玻璃应进行引爆处理。
f.有幕墙玻璃均应进行边缘处理。
检验方法:观察;尺量检查;检查施工记录。
4.预埋件、连接件、紧固件检验方法:观察;检查隐蔽工程验收记录和施工记录。
5.螺栓与焊接连接检验方法:观察;检查隐蔽工程验收记录和施工记录。
6.明框玻璃幕墙的玻璃安装明框玻璃幕墙的玻璃安装应符合下列规定:a.玻璃槽口与玻璃的配合尺寸应符合设计要求和技术标准的规定。
b.玻璃与构件不得直接接触,玻璃四周与构件凹槽底部应保持一定的空隙,每块玻璃下部应至少放置两块宽度与槽口宽度相同、长度不小于100mm的弹性定位垫块;玻璃两边嵌入量及空隙应符合设计要求c.玻璃四周橡胶条的材质、型号应符合设计要求,镶嵌应平整,橡胶条长度应比边框内槽长1.5~2.0%,橡胶条在转角处应斜面断开,并应用粘结剂结牢固后嵌入槽内。
玻璃幕墙工程检验批质量验收记录表玻璃幕墙工程检验批质量验收记录表( 一)说明( 一)主控项目1、玻璃幕墙工程所使用的各种材料、构件和组件的质量, 应符合设计要求及国家现行产品标准和工程技术规范的规定。
检查材料、构件、组件的产品合格证书、进场验收记录、性能检测报告和材料的复验报告。
2、玻璃幕墙的造型和立面分格应符合设计要求。
观察和尺量检查。
3、玻璃幕墙使用的玻璃应符合下列规定。
( 1) 幕墙应使用安全玻璃, 玻璃的品种、规格、颜色、光学性能及安装方向应符合设计要求。
( 2) 幕墙玻璃的厚度不应小于 6.0mm。
全玻幕墙肋玻璃的厚度不应小于12mm。
( 3) 幕墙的中空玻璃应采用双道密封。
明框幕墙的中空玻璃应采用聚硫密封胶及丁基密封胶; 隐框和半隐框幕墙的中空玻璃应采用硅酮结构密封胶及丁基密封胶; 镀膜面应在中空玻璃的第2或第3面上。
( 4) 幕墙的夹层玻璃应采用聚乙烯醇缩丁醛( PVB) 胶片干法加工合成的夹层玻璃。
点支承玻璃幕墙夹层玻璃的夹层胶片( PVB) 厚度不应小于0.76mm。
( 5) 钢化玻璃表面不得有损伤; 8.0mm、以下的钢化玻璃应进行引爆处理。
( 6) 所有幕墙玻璃均应进行边缘处理。
观察和尺量检查; 检查施工记录。
4、玻璃幕墙与主体结构连接的各种预埋件、连接件、紧固件必须安装牢固, 其数量、规格, 位置、连接方法和防腐处理应符合设计要求。
观察和检查隐蔽工程验收记录和施工记录。
5、各种连接件、紧固件的螺栓应有防松动措施; 焊接连接应符合设计要求和焊按规范的规定。
观察和检查隐蔽工程验收记录和施工记录。
6、隐框或半隐框玻璃幕墙, 每块玻璃下端应设置两个铝合金或不锈钢托条, 其长度不应小于100, 厚度不应小于2mm。
托条外端应低于玻璃外表面2mm。
观察和检查施工记录。
7、明框玻璃幕墙的玻璃安装应符合下列规定:( 1) 玻璃槽口与玻璃的配合尺寸应符合设计要求和技术标准的规定。
( 2) 玻璃与构件不得直接接触, 玻璃四周与构件凹槽底部应保持一定的空隙, 每块玻璃下部应至少放置两块宽度与槽口宽度相同、长度不小于l00mm的弹性定位垫块; 玻璃两边嵌入量及空隙应符合设计要求。
玻璃幕墙安装工程检验批质量验收记录表(一般项目)GB501202001分部(子分部)工程名称 辅楼1~4层玻璃幕墙 施工单位上海豪华建筑装璜有限公司 分包单位施工执行标准名称及编号建筑装饰装修工程质量验收规范监理(建 施工质量验收规范的规定施工单位检查评定记录设)单位 验收记录1表面质量 第9. 2. 16条2玻璃表面质量第9. 2. 17条V3 铝合金型材表面质量第9. 2. 18条V4 明框外露或压条第9. 2. 19条V5密封胶缝 第9. 2. 20条V6防火保温材料 第9. 2. 21条V7隐蔽节点第9. 2. 22条V- • 尺寸范围允许实测结果般偏差项幕墙垂直幕墙咼度w 30m 104 6 7 88 5 6 7 8 1目度幕墙咼度>30m 15明框玻幕墙咼度>60m 20Hrxf 曰 J< 璃幕安幕墙咼度>90m 258 装允许幕墙水平幕墙幅度w 35m 54 3 3 51 2 1 1 2 1偏差 度幕墙幅度>35m 7(mm构件直线度2 1 110 1 2 1 1 0构件水平构件长度w 2m 2 1 1 2 11 0 1 0 1 0度构件长度>2m3相邻构件错位1 0 011 01 0 0分格框对对角线长度w 2m 32 23 11 2 2 1 1 2角线长对角线长度>2m4专业工长(施工员)伍合胜施工班组长张佑班施工单位检杳评定结果项目专业质量检查员:年 月 日专业监理工程师:(建设单位项目专业技术负责人)日0-307010口单位(子单位)工程名称 汇金大厦外幕墙工程 验收部位 项目经理 分包项目经理GB50210-2001一层 孙星玻璃幕墙安装工程检验批质量验收记录表(一般项目)GB501202001(H) 0-307010口施工执行标准名称及编号建筑装饰装修工程质量验收规范监理(建施工质量验收规范的规定施工单位检查评定记录设)单位验收记录1 表面质量第9. 2. 16条2 玻璃表面质量第9. 2. 17条V3 铝合金型材表面质量第9. 2. 18条V4 明框外露或压条第9. 2. 19条V5 密封胶缝第9. 2. 20条V6 防火保温材料第9. 2. 21条V7 隐蔽节点第9. 2. 22条V- 尺寸范围允许实测结果般偏差项幕墙垂直幕墙咼度w 30m 10 5 2 4 7 6 4 6 8 9 3目度幕墙咼度>30m 15明框玻幕墙咼度>60m 20Hrxf 曰J<璃幕安幕墙咼度>90m 258 装允许幕墙水平幕墙幅度w 35m 5 4 3 4 2 2 3 4 5 2 4偏差度幕墙幅度>35m 7(mm 构件直线度 2 1 0 1 1 0 1 1 1 2 0构件水平构件长度w 2m 2 1 1 2 2 1 1 2 1 1 2度构件长度>2m 3相邻构件错位 1 1 1 0 1 0 1 0 1 0 1分格框对对角线长度w 2m 3 2 2 3 2 3 2 1 2 2 1角线长对角线长度>2m 4专业工长(施工员)伍合胜施工班组长张佑班施工单位检杳评定结果项目专业质量检查员:年月日专业监理工程师:(建设单位项目专业技术负责人)玻璃幕墙安装工程检验批质量验收记录表(一般项目)GB501202001(H) 0-307010口施工执行标准名称及编号建筑装饰装修工程质量验收规范监理(建施工质量验收规范的规定施工单位检查评定记录设)单位验收记录1 表面质量第9. 2. 16条2 玻璃表面质量第9. 2. 17条V3 铝合金型材表面质量第9. 2. 18条V4 明框外露或压条第9. 2. 19条V5 密封胶缝第9. 2. 20条V6 防火保温材料第9. 2. 21条V7 隐蔽节点第9. 2. 22条V- 尺寸范围允许实测结果般偏差项幕墙垂直幕墙咼度w 30m 10 6 4 5 7 8 5 7 8 6 3目度幕墙咼度>30m 15明框玻幕墙咼度>60m 20Hrxf 曰J<璃幕安幕墙咼度>90m 258 装允许幕墙水平幕墙幅度w 35m 5 5 3 4 3 2 4 4 2 3 4偏差度幕墙幅度>35m 7(mm 构件直线度 2 1 0 1 0 1 1 0 1 2 1构件水平构件长度w 2m 2 2 1 0 1 2 1 1 2 1 2度构件长度>2m 3相邻构件错位 1 0 1 0 1 0 1 1 0分格框对对角线长度w 2m 3 2 1 1 2 1 3 2 1 2 0角线长对角线长度>2m 4专业工长(施工员)伍合胜施工班组长张佑班施工单位检杳评定结果项目专业质量检查员:年月日专业监理工程师:玻璃幕墙安装工程检验批质量验收记录表(一般项目)GB501202001(H) 0-307010口施工执行标准名称及编号建筑装饰装修工程质量验收规范监理(建施工质量验收规范的规定施工单位检查评定记录设)单位验收记录1 表面质量第9. 2. 16条2 玻璃表面质量第9. 2. 17条V3 铝合金型材表面质量第9. 2. 18条V4 明框外露或压条第9. 2. 19条V5 密封胶缝第9. 2. 20条V6 防火保温材料第9. 2. 21条V7 隐蔽节点第9. 2. 22条V*■尺寸范围允许实测结果般偏差项幕墙垂直幕墙咼度w 30m 10 7 3 6 8 7 5 9 7 9 9目度幕墙咼度>30m 15明框玻幕墙咼度>60m 20Hrxf 曰J<璃幕安幕墙咼度>90m 258 装允许幕墙水平幕墙幅度w 35m 5 2 4 3 2 2 3 4 2 1 3偏差度幕墙幅度>35m 7(mm 构件直线度 2 1 0 1 1 2 0构件水平构件长度w 2m 2 1 2 2 1 2 1 2度构件长度>2m 3相邻构件错位 1 1 1 1 0 0 1分格框对对角线长度w 2m 3 2 2 3 2 2 1 1 2 2 1角线长对角线长度>2m 4专业工长(施工员)伍合胜施工班组长张佑班施工单位检杳评定结果。
玻璃幕墙明框工程检验批质量验收记录集团标准化工作小组 [Q8QX9QT-X8QQB8Q8-NQ8QJ8-M8QMN]玻璃幕墙(明框)工程检验批质量验收记录(GB50210-2001)表编号:030701□□□(1)说明强制性条文9.1.13 主体结构与幕墙连接的各种预埋件,其数量、规格、位置和防腐处理必须符合设计要求。
9.1.14 幕墙的金属框架与主体结构预埋件的连接、立柱与横梁的连接及幕墙面板的安装必须符合设计要求,安装必须牢固。
主控项目9.2.2 玻璃幕墙工程所使用的各种材料、构件和组件的质量,应符合设计要求及国家现行产品标准和工程技术规范的规定。
检验方法:检查材料、构件、组件的产品合格证书、进场验收记录、性能检测报告和材料的复验报告。
9.2.3 玻璃幕墙的造型和立面分格应符合设计要求。
检验方法:观察;尺量检查。
9.2.4 玻璃幕墙使用的玻璃应符合下列规定:1、幕墙应使用安全玻璃,玻璃的品种、规格、颜色、光学性能及安装方向应符合设计要求。
2、幕墙玻璃的厚度不应小于6.0mm 。
全玻幕墙肋玻璃的厚度不应小于12mm。
3、幕墙的中空玻璃应采用双道密封。
明框幕墙的中空玻璃应采用聚硫密封胶及丁基密封胶;隐框和半隐框幕墙的中空玻璃应采用硅酮结构密封及丁基密封胶;镀膜面应在中空玻璃的第2或第3面上。
4、幕墙的夹层玻璃应采用聚乙烯醇缩丁醛(PVB)胶片干法加工合成的夹层玻璃。
点支承玻璃幕墙夹层玻璃的夹层胶片(PVB)厚度不应小于0.76mm。
5、钢化玻璃表面不得有损伤;8.0mm以下的钢化玻璃应进行引爆处理。
6、所有幕墙玻璃均应进行边缘处理。
检验方法:观察;尺量检查;检查施工记录。
9.2.5 玻璃幕墙与主体结构连接的各种预埋件、连接件、紧固件必须安装牢固,其数量、规格、位置、连接方法和防腐处理应符合设计要求。
检验方法:观察;检查隐蔽工程验收记录和施工记录。
9.2.6 各种连接件、紧固件的螺栓应有防松动措施;焊接连接应符合设计要求和焊接规范的规定。
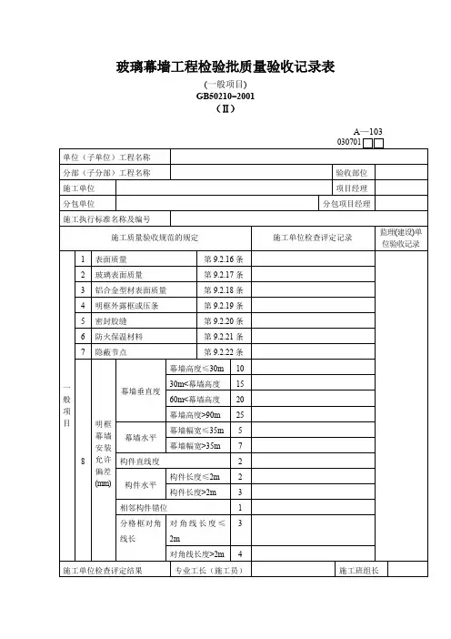
玻璃幕墙工程检验批质量验收记录表 单位 ( 子单位 ) 工程名称 分项工程名称 玻璃幕墙验收部位 总承包施工单位 专业承包施工单位施工执行的技术标准名称及 编号施工质量验收规范的规定1 各种材料、构件、组件 第9.2.2 条 2结构硅酮胶相容性试验第9.1.2 条 3 结构硅酮胶剥离粘结试 第9.1.2 条 验4拉抻粘结强度、相容性 第9.1.3 条试验复验5 后置构件的现场拉拔试 第9.1.2 条验6 四性试验 第9.1.2 条 7造型和立面分格第9.2.3 条;第 9.1.2条主 8玻璃第9.2.4 条 9 与主体结构连接件 第9.2.5 条控10 金属框架及面板的安装 第9.1.14 条项螺栓防松动措施及焊接11 第9.2.6 条 质量 目玻璃下端托条 第9.2.7 条 12 13 明框幕墙玻璃安装 第9.2.8 条 14 超过 4m 全玻璃幕墙安装 第9.2.9 条 15 点支承幕墙安装 第9.2.10 条 16 细部节点 第9.2.11 条 17 幕墙渗漏第9.2.12 条 18 结构胶、密封胶打注 第9.2.13 条 19 幕墙开启窗 第9.2.14 条 20 防雷装置 第9.2.15 条 1幕墙表面质量第9.2.16 条 一 2 玻璃表面质量 第9.2.17 条 般 3 铝合金型材表面质量 第9.2.18 条 项 4明框外露框或压条 第9.2.19 条 5 密封胶缝 第9.2.20 条 目第9.2.21 条6防水保温材料共2页 第1页GD24030701 01项目负责人 项目负责人监理 ( 建设) 施工单位检查评定记录单位验收记录目7 隐蔽节点第9.2.22条共2页第2页GD240307010 1 幕墙高度≤ 30m 1030m<幕墙高度≤ 60m ≤15幕墙垂直度60m<幕墙高度≤ 90m ≤20幕墙高度> 90m ≤25明框幕墙幅宽≤ 35m ≤5幕墙水平度幕墙幕墙幅宽> 35m ≤7安装8允许构件直线度≤2偏差(mm)构件长度≤ 2m ≤2构件水平度构件长度> 2m ≤3相邻构件错位≤1分格框对角对角线长度≤ 2m ≤3一线长度差对角线长度> 2m ≤4般幕墙高度≤ 30m ≤10项30m<幕墙高度≤ 60m ≤15幕墙垂直度目60m<幕墙高度≤ 90m ≤20幕墙高度> 90m ≤25层高≤ 3m ≤3幕墙水平度层高> 3m ≤5隐框、半隐框玻璃幕墙表面平整度≤29幕墙安装的允许偏板材立面垂直度≤2差(mm)板材上沿水平度≤2相邻板材板角错位≤1阳角方正≤2接缝直线度≤3接缝高低差≤1接缝宽度≤1专业工长 ( 施工员 ) 签名施工班组长签名专业承包施工单位检查评定结果项目专业质量检查员(签名): 年月日监理 ( 建设)单位验收结论监理 ( 建设)单位验收结论专业监理工程师 ( 签名 ):年月日( 建设单位项目专业技术负责人签名 ):。
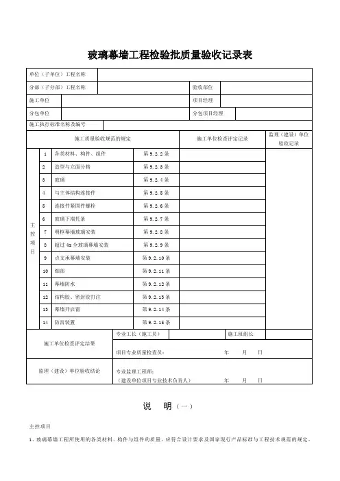
玻璃幕墙工程检验批质量验收记录表(doc 5页)玻璃幕墙工程检验批质量验收记录表(一)单位(子单位)工程名称分部(子分部)工程名称验收部位施工单位项目经理分包单位分包项目经理施工执行标准名称及编号施工质量验收规范的规定施工单位检查评定记录监理(建设)单位验收记录主控项目1 各种材料、构件、组件第9.2.2条2 造型和立面分格第9.2.3条3 玻璃第9.2.4条4 与主体结构连接件第9.2.5条5 连接件紧固件螺栓第9.2.6条6 玻璃下端托条第9.2.7条7 明框幕墙玻璃安装第9.2.8条8 超过4m全玻璃幕墙安装第9.2.9条9 点支承幕墙安装第9.2.10条10 细部第9.2.11条11 幕墙防水第9.2.12条12 结构胶、密封胶打注第9.2.13条13 幕墙开启窗第9.2.14条14 防雷装置第9.2.15条施工单位检查评定结果专业工长(施工员)施工班组长项目专业质量检查员:年月日监理(建设)单位验收结论专业监理工程师:(建设单位项目专业技术负责人)年月日说明(一)主控项目1、玻璃幕墙工程所使用的各种材料、构件和组件的质量,应符合设计要求及国家现行产品标准和工程技术规范的规定。
观察和检查施工记录及隐蔽工程验收记录。
9、点支承玻璃幕墙应采用带万向头的活动不锈钢爪,其钢爪间的中心距离应大于250mm。
观察和尺量检查。
10、玻璃幕墙四周、玻璃幕墙内表面与主体结构之间的连接节点,各种变形缝、墙角的连接节点应符合设计要求和技术标准的规定。
观察和检查隐蔽工程验收记录和施工记录。
11、玻璃幕墙应无渗漏。
在易渗漏部位进行淋水检查。
12、玻璃幕墙结构胶和密封胶的打注应饱满、密实、连续、均匀、无气泡,宽度和厚度应符合设计要求和技术标准的规定。
观察和尺量检查;检查施工记录。
13、玻璃幕墙开启窗的配件应齐全,安装应牢固,安装位置和开启方向、角度应正确:开启应灵活,关闭应严密。
观察和开闭检查。
14、玻璃幕墙的防雷装置必须与主体结构的防雷装置可靠连接。