(油毡瓦)平瓦屋面检验批质量验收记录表
- 格式:doc
- 大小:16.73 KB
- 文档页数:3
屋面分部检验批质量验收记录一、项目概况项目名称:xxx工程工程地址:xxx地区施工单位:xxx建筑公司监理单位:xxx监理公司验收时间:xxxx年xx月xx日二、检验内容本次验收主要针对xxx工程的屋面分部进行质量验收。
屋面分部包括屋面结构、防水层、保温层、排水系统等。
以下是具体的检验内容:1. 屋面结构- 钢结构:检查钢结构的安全性和稳定性,是否达到设计要求。
- 木结构:检查木结构的质量和安装是否符合规范要求。
2. 防水层- 检查防水材料的品质和施工质量,包括防水卷材、防水涂料等。
- 检查防水层的层压质量和接缝处理情况。
- 检查防水层的抗渗性能和耐候性能。
3. 保温层- 检查保温材料的种类和厚度,是否符合设计要求。
- 检查保温层的施工质量,包括保温材料的粘接和固定情况。
- 检查保温层的热阻性能和耐候性能。
4. 排水系统- 检查排水系统的设计方案和材料要求是否符合规范要求。
- 检查排水系统的施工质量,包括排水管道的连接情况和排水口的设置。
- 检查排水系统的排水性能,包括排水管道的通畅性和排水口的排水效果。
三、检验结果经过对屋面分部的细致检查,结合相关规范要求和设计要求,得出以下检验结果:1. 屋面结构:通过检验,结构安全可靠,符合设计要求。
2. 防水层:防水材料质量良好,施工质量优秀。
防水层经过水压试验,无渗漏现象。
3. 保温层:保温材料种类正确,厚度符合设计要求。
保温层施工质量优良,热阻性能良好。
4. 排水系统:排水系统设计合理,材料符合规范。
排水系统施工质量良好,排水性能满足要求。
综上所述,xxx工程的屋面分部经过质量验收,各项指标均符合设计要求和相关规范要求。
四、问题整改在本次验收过程中,未发现任何质量问题。
五、附录1. 屋面分部图纸2. 屋面分部施工规范3. 屋面材料合格证明六、总结本次屋面分部质量验收顺利完成,结果良好。
感谢施工单位和监理单位的配合与支持。
希望在后续工程中能够继续保持良好的施工质量和工程进度,确保工程的顺利进行。
油毡瓦屋面油毡瓦是一种新型屋面防水材料,除具有较好防水效果外,还对建筑物有很好的装饰效果,且施工简便、易于操作。
油毡瓦是以玻璃纤维毡为胎基,经浸涂石油沥青后,一面覆盖彩砂矿物粒料,另一面撒以隔离材料,并经切割所制成的瓦片状屋面防水材料。
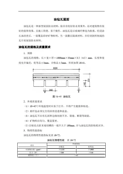
油毡瓦的规格及质量要求1.规格油毡瓦的规格:长×宽×厚=1000mm×33mm×3.5(4.5)mm,长度和宽度允许偏差:优等品±3mm,合格品±5mm。
形状如图16-41。
图16-41 油毡瓦2.外观质量要求(1)10~45℃环境温度时应易于打开,不得产生脆裂和粘连。
(2)玻纤毡必须完全用沥青浸透和涂盖。
(3)油毡瓦不应有孔洞和边缘切割不齐、裂缝、断裂等缺陷。
(4)矿物料应均匀、覆盖紧密。
(5)自粘结点距末端切槽的一端不大于190mm,并与油毡瓦的防粘纸对齐。
3.物理性能指标油毡瓦的物理性能指标见表16-72。
油毡瓦物理性能表16-72项目性能指标合格品优等品可溶物含量(g/m2)≥1450 ≥1900 拉力(N)≥300 ≥340 耐热度(℃)≥854.油毡瓦运输保管:油毡瓦的运输保管应符合如下要求:(1)不同撒布料颜色、不同等级分别堆放;(2)保管环境温度不应高于45℃;(3)储存运输时应平放,高度不得超过15捆,并应避免雨淋、日晒、受潮,注意通风和避免接近火源。
油毡瓦施工1.油毡瓦施工工艺(图16-42)图16-42 油毡瓦屋面施工工艺2.油毡瓦屋面坡度宜为20%~85%。
3.屋面基层应清除杂物、灰尘,基层应具有足够的强度、平整、干净,无起砂、起皮等缺陷。
4.细部节点处理和防水层施工:根据设计要求,对屋面与突出屋面结构的交接处、女儿墙泛水、檐沟等部位,用涂料或卷材进行防水处理。
验收合格后进行防水层施工,防水层的施工方法、要求及质量检验参见16-1 卷材防水屋面、16-2 涂膜防水屋面的有关内容。
5.油毡瓦应自檐口向上铺设;第一层瓦应与檐口平行;切槽应向上指向屋脊,用油毡钉固定。
屋面找平层检验(jiǎnyàn)批质量验收记录表GB50207-2002040102 040202单位(子单位)工程名称分部(子分部)工程名称验收部位施工单位项目经理分包单位分包项目经理施工执行标准名称及编号施工质量验收规范的规定施工单位检查评定记录监理(建设)单位验收记录主控项目1 材料质量及配合比设计要求2 排水坡度设计要求一般项目1 交接处和转角处细部处理第4.1.9条2 表面质量第4.1.10条3 分格缝位置和间距第4.1.11条4 表面平整度允许偏差5mm专业工长(施工员)施工班组长屋面保温层检验批质量(zhìliàng)验收记录表GB50207—2002卷材防水层检验(jiǎnyàn)批质量验收记录表GB50207-2002细部构造检验批质量(zh ìli àng)验收记录表GB50207-2002040104 040204 040303 040404GB50207—2002屋面找平层检验(jiǎnyàn)批质量验收记录表GB50207-2002涂膜防水层检验批质量(zhìliàng)验收记录表GB50207-2002细部构造检验(jiǎnyàn)批质量验收记录表GB50207-2002细石混凝土防水层检验批质量(zhìliàng)验收记录表GB50207-2002密封材料嵌缝检验(ji ǎny àn)批质量验收记录表GB50207-2002040302细部构造(gòuzào)检验批质量验收记录表GB50207-2002平瓦屋面检验批质量(zhìliàng)验收记录表GB50207-2002油毡瓦屋(wǎ wū)面检验批质量验收记录表GB50207-2002金属(jīnshǔ)板材屋面检验批质量验收记录表GB50207-2002细部(xìbù)构造检验批质量验收记录表GB50207-2002架空(jiàkōng)屋面检验批质量验收记录表GB50207—2002蓄水、种植屋面(wūmiàn)检验批质量验收记录表GB50207-2002蓄水、种植屋面检验(jiǎnyàn)批质量验收记录表GB50207-2002内容总结。
建筑工程质量验收标准及表格一、基本规定1.施工现场质量管理应有相应的施工技术标准,健全的质量管理体系、施工质量检验制度和综合施工质量水平评定考核制度。
施工现场质量管理可按表1的要求进行检查记录.施工现场质量管理检查记录开工日期:表 1检查结论:总监理工程师(建设单位项目负责人)年月日2.建筑工程应按下列规定进行施工质量控制(1)建筑工程采用的主要材料、半成品、成品、建筑构配件、器具和设备应进行现场验收。
凡涉及安全、功能的有关产品,应按各专业工程质量验收规范规定进行复检,并应经监理工程师(建设单位技术负责人)检查认可。
(2)各工序应按施工技术标准进行质量控制,每道工序完成后,应进行检查.(3)相关各专业工种之间,应进行交接检验,并形成记录.未经监理工程师(建设单位技术负责人)检查认可,不得进行下道工序施工.3.建筑工程施工质量应按下列要求进行验收:(1)建筑工程施工质量应符合建筑工程施工质量验收统一标准和相关专业验收规范的规定.(2)建筑工程施工质量应符合工程勘察、设计文件的要求。
(3)参加工程施工质量验收的各方人员应具备规定的资格。
(4)工程质量的验收均应在施工单位自行检查评定的基础上进行。
(5)隐蔽工程在隐蔽前应由施工单位通知有关单位进行验收,并应形成验收文件.(6)涉及结构安全的试块、试件以及有关材料,应按规定进行见证取样检测。
(7)检验批的质量应按主控项目和一般项目验收.(8)对涉及结构安全和使用功能的重要分部工程应进行抽样检测.(9)承担见证取样检测及有关结构安全检测的单位应具有相应资质。
(10)工程的观感质量应由验收人员通过现场检查,并应共同确认。
4。
检验批的质量检验,应根据检验项目的特点在下列抽样方案中进行选择:(1)计量、计数或计量-计数等抽样方案。
(2)一次、二次或多次抽样方案.(3)根据生产连续性和生产控制稳定性情况,尚可采用调整型抽样方案.(4)对重要的检验项目当可采用简易快速的检验方法时,可选用全数检验方案。
屋面找平层检验批质量验收记录表GB50207-2002
屋面保温层检验批质量验收记录表GB50207—2002
卷材防水层检验批质量验收记录表
GB50207-2002
细部构造检验批质量验收记录表GB50207-2002
GB50207-2002
屋面找平层检验批质量验收记录表
GB50207-2002
涂膜防水层检验批质量验收记录表
GB50207—2002
04003
细部构造检验批质量验收记录表GB50207—2002
细石混凝土防水层检验批质量验收记录表
GB50207—2002
密封材料嵌缝检验批质量验收记录表GB50207—2002
细部构造检验批质量验收记录表GB50207—2002
平瓦屋面检验批质量验收记录表GB50207—2002
油毡瓦屋面检验批质量验收记录表
GB50207-2002
金属板材屋面检验批质量验收记录表
GB50207-2002
细部构造检验批质量验收记录表GB50207—2002
架空屋面检验批质量验收记录表GB50207—2002
蓄水、种植屋面检验批质量验收记录表GB50207—2002
蓄水、种植屋面检验批质量验收记录表GB50207-2002。
屋面工程检验批表格屋面保温层工程检验批质量验收记录
屋面找平层工程检验批质量验收记录
卷材防水层工程检验批质量验收记录
涂膜防水层工程检验批质量验收记录
细石混凝土防水层工程检验批质量验收记录
密封材料嵌缝工程检验批质量验收记录
平瓦屋面工程检验批质验收记录
油毡瓦屋面工程检验批质量验收记录
金属板材屋面工程检验批质量验收记录
架空屋面工程检验批质量验收记录
蓄水、种植屋面工程检验批质量验收记录
细部构造检验批质量验收记录
040103□□
涂膜防水层工程检验批质量验收记录
040203□□
细石混凝土防水层工程检验批质量验收记录
040301□□
密封材料嵌缝工程检验批质量验收记录
040302□□
平瓦屋面工程检验批质验收记录
040401□□
油毡瓦屋面工程检验批质量验收记录
040402□□
金属板材屋面工程检验批质量验收记录
040403□□
架空屋面工程检验批质量验收记录
040501□□
蓄水、种植屋面工程检验批质量验收记录
细部构造检验批质量验收记录。