《中央空调工程设计常见问题汇编》2011第三期
- 格式:pdf
- 大小:137.26 KB
- 文档页数:3
中央空调暖通设计施工中的问题与解决方法目前,中央空调设计不仅系统复杂,且工程工作量巨大。
随着新技术的广泛应用和设计师能力的提高,暖通的设计工作在质量上得到了一定的保证。
但在施工期间,仍存在一系列问题。
因此,相关工作人员需要对暖通空调设计工作进行全面的研究,并保证在施工期间能够遵照有关的设计方案进行工作,从而保证暖通空调的设计工作能够顺利完成。
标签:中央空调;暖通设计施工;问题;解决方法随着现代城市建设速度的加快,人民生活水平不断提高,空调系统已成为人们生活中不可或缺的产品,相关设备的性能不断提升。
随着设计人员业务水平的不断提高,对标准建设的理解和掌握进一步加深,空调系统的设计和建设中存在的问题比以往明显减少。
然而,在中央空调设计和施工过程中,仍然经常会遇到施工图纸和实际施工条件相互吻合,却在布置过程中无法安装管道等实际问题,这给暖通的安装项目带来了很大的困难。
一、中央空调暖通设计施工中的常见问题(一)施工质量问题暖通空调施工中所出现的质量问题主要体现在以下方面:(1)施工材料。
一些施工方追求更大的经济利润,选用质量低下或不合格的材料,或者是材料选配人员在不了解工程所需材料的情况下进行采购工作,大大降低了材料的采购质量; (2)暖通空调管道堵塞问题。
暖通空调系统的管网一般存在气囊问题,若施工不当则会导致管道堵塞,不利于保证整个暖通空调的正常运行。
(二)施工图纸的设计问题暖通空调的图纸设计问题主要体现在以下方面:(1)图纸设计前对施工工程的材料采集不充分,未能为图纸设计提供科学可靠的参考依据; (2)图纸设计缺少说明内容或说明不详细,无法为安装施工起到应有的指导作用; (3)安装和施工的设计图纸深度不够,未考虑施工的全部内容。
一般的问题是设备的要求和实际的施工需要不一致; (4)暖通空调安装施工部门盲目跟从施工图纸进行安装施工,若图纸出现科学性和可行性问题时还需进行返工处理,从而对工程的施工效率和成本的有效控制产生严重影响。
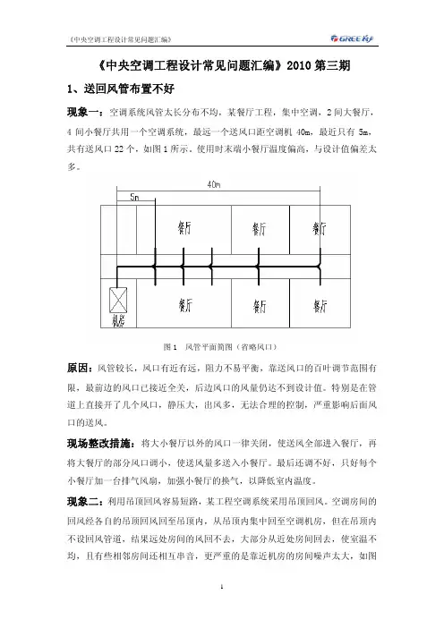
《中央空调工程设计常见问题汇编》2010第三期1、送回风管布置不好现象一:空调系统风管太长分布不均,某餐厅工程,集中空调,2间大餐厅,4间小餐厅共用一个空调系统,最远一个送风口距空调机40m,最近只有5m,共有送风口22个,如图1所示。
使用时末端小餐厅温度偏高,与设计值偏差太多。
图1 风管平面简图(省略风口)原因:风管较长,风口有近有远,阻力不易平衡,靠送风口的百叶调节范围有限,最前边的风口已接近全关,后边风口的风量仍达不到设计值。
特别是在管道上直接开了几个风口,静压大,出风多,无法合理的控制,严重影响后面风口的送风。
现场整改措施:将大小餐厅以外的风口一律关闭,使送风全部进入餐厅,再将大餐厅的部分风口调小,使送风量多送入小餐厅。
最后还调不好,只好每个小餐厅加一台排气风扇,加强小餐厅的换气,以降低室内温度。
现象二:利用吊顶回风容易短路,某工程空调系统采用吊顶回风。
空调房间的回风经各自的吊顶回风回至吊顶内,从吊顶内集中回至空调机房,但在吊顶内不设回风管道,结果远处房间的风回不去,大部分从近处房间回去,使室温不均,且有些相邻房间还相互串音,更严重的是靠近机房的房间噪声太大,如图2 所示。
图2 吊顶回风的弊病原因:无回风管,远近回风量不能调节,机房总回风口处未做消声措施。
现场整改措施:吊顶回风时,在总的回风口处(靠近空调机房),必须装消声器,以防机房噪声传出。
房间有相互隔声要求者,应采用消声回风口。
这里需要特别提醒的是,利用吊顶回风时,绝不能穿越防火区。
现象三:某变风量空调系统,采用吊顶回风方式,立面图如图3所示。
空调箱的回风道上回风口设于走廊内,各房间吊顶上的隔墙上回风口处均设了防火阀,结果走廊的温度比房间低3~4℃。
图2 吊顶回风立面图原因:为了满足防火要求,房间的隔墙都砌到楼板底,而为了要实现吊顶回风又必须在吊顶内的房间隔墙上开洞,并在开洞处装防火阀,而走廊内的回风却是直接通过走廊集中回风口回到空调机房。
中央空调工程常见故障解决方案中央空调作为大型公共建筑和商业空间的重要设施,其运行稳定性对整个建筑的舒适性和功能性有着举足轻重的影响。
下面我将结合自己十年来在中央空调工程领域的经验,为大家梳理一些常见故障以及对应的解决方案。
一、制冷效果不佳1.冷却剂泄露:冷却剂是中央空调系统中起到制冷作用的核心物质,如果发生泄露,必然会影响制冷效果。
解决方案是及时检查系统管道,找出泄露点并进行修补,然后补充足够的冷却剂。
2.压缩机故障:压缩机是中央空调系统的心脏,如果压缩机出现故障,整个系统的制冷效果都会受到影响。
解决方案是检查压缩机的工作状态,如果是由于电压不稳定等原因导致的故障,需要调整电源电压;如果是压缩机内部元件损坏,则需要及时更换。
3.室外机散热不良:室外机是中央空调系统中负责散热的部分,如果散热不良,会导致系统制冷效果下降。
解决方案是检查室外机周围是否有杂物遮挡,清理干净后,检查散热器是否堵塞,如有堵塞,可用高压水枪进行清洗。
二、噪音过大1.室外机安装不稳定:如果室外机安装不牢固,容易在运行过程中产生噪音。
解决方案是检查室外机的固定情况,确保其稳定。
2.系统管道振动:管道振动也是导致噪音过大的原因之一。
解决方案是检查管道固定是否牢固,对松动的管道进行加固。
3.压缩机故障:压缩机故障也会导致噪音过大。
解决方案是检查压缩机的工作状态,如果是由于内部元件损坏导致的噪音,需要及时更换。
三、电气故障1.电源电压不稳定:电源电压不稳定可能导致中央空调系统无法正常启动或运行。
解决方案是检查电源电压,调整到合适的范围。
2.电气元件损坏:电气元件损坏可能会导致中央空调系统无法正常运行。
解决方案是检查各个电气元件的工作状态,及时更换损坏的元件。
3.接触不良:接触不良会导致电气信号传输不稳定,从而影响中央空调系统的运行。
解决方案是检查各个接插件是否接触良好,对不良的接插件进行修复或更换。
中央空调工程中的常见故障需要我们认真对待,及时找出原因并采取相应的解决方案。
中央空调工程设计常见问题1、送回风管布置不好现象一:空调系统风管太长分布不均,某餐厅工程,集中空调,2间大餐厅,4间小餐厅共用一个空调系统,最远一个送风口距空调机40m,最近只有5m,共有送风口22个,如图1所示。
使用时末端小餐厅温度偏高,与设计值偏差太多。
原因:风管较长,风口有近有远,阻力不易平衡,靠送风口的百叶调节范围有限,最前边的风口已接近全关,后边风口的风量仍达不到设计值。
特别是在管道上直接开了几个风口,静压大,出风多,无法合理的控制,严重影响后面风口的送风。
现场整改措施:将大小餐厅以外的风口一律关闭,使送风全部进入餐厅,再将大餐厅的部分风口调小,使送风量多送入小餐厅。
最后还调不好,只好每个小餐厅加一台排气风扇,加强小餐厅的换气,以降低室内温度。
现象二:利用吊顶回风容易短路,某工程空调系统采用吊顶回风。
空调房间的回风经各自的吊顶回风回至吊顶内,从吊顶内集中回至空调机房,但在吊顶内不设回风管道,结果远处房间的风回不去,大部分从近处房间回去,使室温不均,且有些相邻房间还相互串音,更严重的是靠近机房的房间噪声太大,如图2所示。
原因:无回风管,远近回风量不能调节,机房总回风口处未做消声措施。
现场整改措施:吊顶回风时,在总的回风口处(靠近空调机房),必须装消声器,以防机房噪声传出。
房间有相互隔声要求者,应采用消声回风口。
这里需要特别提醒的是,利用吊顶回风时,绝不能穿越防火区。
现象三:某变风量空调系统,采用吊顶回风方式,立面图如图3所示。
空调箱的回风道上回风口设于走廊内,各房间吊顶上的隔墙上回风口处均设了防火阀,结果走廊的温度比房间低3~4℃。
原因:为了满足防火要求,房间的隔墙都砌到楼板底,而为了要实现吊顶回风又必须在吊顶内的房间隔墙上开洞,并在开洞处装防火阀,而走廊内的回风却是直接通过走廊集中回风口回到空调机房。
这样就会造成各房间与走廊的回风阻力相差较大,走廊回风的阻力小,回风量就大,所以走廊温度较低。
《中央空调工程设计常见问题汇编》2010第三期1、送回风管布置不好现象一:空调系统风管太长分布不均,某餐厅工程,集中空调,2间大餐厅,4间小餐厅共用一个空调系统,最远一个送风口距空调机40m,最近只有5m,共有送风口22个,如图1所示。
使用时末端小餐厅温度偏高,与设计值偏差太多。
图1 风管平面简图(省略风口)原因:风管较长,风口有近有远,阻力不易平衡,靠送风口的百叶调节范围有限,最前边的风口已接近全关,后边风口的风量仍达不到设计值。
特别是在管道上直接开了几个风口,静压大,出风多,无法合理的控制,严重影响后面风口的送风。
现场整改措施:将大小餐厅以外的风口一律关闭,使送风全部进入餐厅,再将大餐厅的部分风口调小,使送风量多送入小餐厅。
最后还调不好,只好每个小餐厅加一台排气风扇,加强小餐厅的换气,以降低室内温度。
现象二:利用吊顶回风容易短路,某工程空调系统采用吊顶回风。
空调房间的回风经各自的吊顶回风回至吊顶内,从吊顶内集中回至空调机房,但在吊顶内不设回风管道,结果远处房间的风回不去,大部分从近处房间回去,使室温不均,且有些相邻房间还相互串音,更严重的是靠近机房的房间噪声太大,如图2 所示。
图2 吊顶回风的弊病原因:无回风管,远近回风量不能调节,机房总回风口处未做消声措施。
现场整改措施:吊顶回风时,在总的回风口处(靠近空调机房),必须装消声器,以防机房噪声传出。
房间有相互隔声要求者,应采用消声回风口。
这里需要特别提醒的是,利用吊顶回风时,绝不能穿越防火区。
现象三:某变风量空调系统,采用吊顶回风方式,立面图如图3所示。
空调箱的回风道上回风口设于走廊内,各房间吊顶上的隔墙上回风口处均设了防火阀,结果走廊的温度比房间低3~4℃。
图2 吊顶回风立面图原因:为了满足防火要求,房间的隔墙都砌到楼板底,而为了要实现吊顶回风又必须在吊顶内的房间隔墙上开洞,并在开洞处装防火阀,而走廊内的回风却是直接通过走廊集中回风口回到空调机房。
暖通空调中存在的问题及解决办法、图纸要求一、贯彻执行暖通设计规范、标准方面存在的问题1.1 室内外空气计算参数不符合规范要求《设计规范》规定,冬季室内空气计算参数,盥洗室、厕所不应低于12 ℃,浴室不应低于25 ℃。
然而,有的公共建筑的厕所、盥洗间(设有外窗、外墙)、住宅建筑的卫生间(冬季有洗澡热水供应,应视作浴室)未设散热器,很难达到室温不低于12 ℃和25 ℃的要求。
还有的住宅建筑的厨房不设散热器,笔者以为不妥,住宅厨房室内温度亦应按不低于12 ℃的要求设置散热器。
《设计规范》规定,一些主要城市的室外气象参数应按该规范附录二采用。
按该附录二,北京地区冬季供暖室外计算温度除延庆、密云外应为-9 ℃。
而有的工程地处北京近郊区,却取用-12 ℃,显然是不妥当的。
1.2 供暖热负荷计算有漏项和错项《设计规范》规定,冬季供暖系统的热负荷应包括加热由门窗缝隙渗入室内的冷空气的耗热量。
但有的工程在计算供暖热负荷时却未计算这部分耗热量,致使供暖热负荷出入较大;《设计规范》对围护结构耗热量计算各朝向修正率做了明确规定,北0~10%,东、西-5%,南-15%~30%,而有的工程却将各朝向修正率变为北20%,东、西15%,南-5%,有悖于规范要求。
1.3 卫生间散热器型式选择不妥《设计规范》规定,相对湿度较大的房间宜采用铸铁散热器。
然而,不少工程的卫生间采用钢制散热器,亦未加强防腐措施,这是不妥当的。
笔者曾看到有些办公楼的厕所采用钢制闭式散热器,但没使用几年,散热器的串片就被腐蚀了,剩下的两根光管也锈蚀严重。
实践证明,此类场所最好采用铸铁散热器或铝制散热器。
1.4 楼梯间散热器立、支管未单独配臵《设计规范》规定,楼梯间或其它有冻结危险的场所,其散热器应由单独的立、支管供热,且不得装设调节阀。
然而,有的工程将楼梯间散热器与邻室供暖房间散热器共用一根立管,采用双侧连接,一侧连接楼梯间散热器,另一侧连接邻室房间散热器,而且散热器支管上设置了阀门。
《中央空调工程施工常见问题》2011第二期现象1:在某水冷柜工程中,冷凝水管采用PVC管,但管路未做保温,管壁外有明显的露珠产生。
原因:空气的凝露需要达到露点温度,由于冷凝水的温度较低,在达到露点温度时,管道表面会凝露。
后果:水管上的水珠会不时的滴下,导致吊顶受损,或滴到地面,影响正常的工作。
整改措施:所有的冷凝水管均应加装保温。
现象2:某多联工程中,出现部分内机无法通讯的现象(开机显示通讯故障)。
原因:经过现场的检查,发现本来是一拖32的多联机系统,接了34台内机,虽然内机的容量没有超出选型手册上要求的1.35倍,但是由于主机只带了两个转接板,故不能全部通讯上。
后果:拆除两个内机,另外增加两台空调。
整改措施:在设计时,一定要考虑主机的容量问题,一个是所能带的内机的数量,另一个是主机和内机的容量比,两个都要同时满足,才能保证空调效果。
现象3:某多联热水机工程中,主机可以正常开启,但热水就是不热,机组也不显示故障。
原因:经过反复沟通,启动时热水发生器的水泵也能正常工作(听见有水泵的启动声音),水箱内的水也是满的,打开水箱的供水管,能排出水,经过核实水箱的型号为SXD300LCJ/A,该带“J”的型号水箱为带内盘的水箱,热水发生器通过水管与水箱内的盘管相连,所以必须往盘管内注水才能循环。
后果:热水一直无法热起来。
整改措施:通过热水发生器与水箱之间的管路往盘管内注水,注满水后,重新开机调试。
现象4:某工厂工程中,风管较多,风管保温采用PEF板保温,经现场检查,发生保温厚度足够,保温效果较好,但没有发生有产品合格证;为了验证其防火性能,用火机试着烧此保温材料,发生燃烧非常充分(见下图),属于严重不符合保温要求的。
原因:由于该产品没有正规的合格证,无法从文件上查到其防火等级等性能,如果甲方有严格的监理措施时,此类材料是无法通过甲方验收的,即使甲方没有发现,这种将巨大安全隐患带入甲方的工程中,一旦发生火灾,施工安装单位也是要负法律责任的。
中央空调设计常见问题有些工程中央空调设计常见问题有哪些?一、冷热源关于冷源,《采暖通风与空气调节设计标准》GBJ1987第六章“制冷”中有“台数不宜过多”、“应与空气调节负荷变化情况及运行调节要求相适应”、“台数不宜少于两台”等规定,我们在考虑冷水机组配置时,应注意防止以下四种情况。
一要防止机组台数过少,台数过少存在的问题有:(1) 负荷可靠性下降,一旦负荷顶峰时机组出现故障,影响的比例就大;(2) 负荷适应性差。
因为综合性建筑中往往配置有娱乐场所等,其面积不大、冷负荷也不大,而娱乐场所又往往有提前和延长制冷要求,机组台数少,意味着单台制冷负荷大,一旦开启,负荷就不适应,对离心式机组,往往易发生喘振现象,所以选择离心机组,要满足20%~40%负荷时能适应最小冷负荷的需要。
(3) 机组台数过少,机组低负荷运行的概率高,由于机组在低负荷下运行的COP低,因而能耗会增高。
二要防止机组台数过多。
机组台数过多有如下缺点:(1) 单机容量下降,机组COP下降,能耗高;(2) 机组台数多,配置的循环水泵也多,水泵并联多,并联损失高;(3) 机组台数多,配置的循环水泵多,占用机房面积就大,还有一种情况就是设计者有时会将高区低区的冷水机组截然分开,其实这是没有必要的,因为高区可采用通过换热的方法,使上下区的冷水机组合为一个系统,这样就可减少机组台数。
(4) 机组台数过多,也意味着绝对故障点增多。
三要防止不恰当的使用多机头机组(包括多机头风冷热泵或模块化风冷热泵、模块化冷水机组)。
如3台30HT—280有24个机头,3台LSRF829M有36个机头,8台CXAH250,总冷量仅1224kW,却有32个机头,绝对故障点太多。
四要防止一味地采用等容量机组。
采用等容量机组,机房布置也许会划一整齐,备品备件会少,但工程中往往有小负荷的不同使用功能的场所,如采用等容量机组,就容易造成负荷适应性差的缺点。
其实《采暖通风与空气调节设计标准》中有“大型制冷机房,中选用制冷量大于或等于1160kW(100×104大卡/时)的一台或多台离心式制冷机时,宜同时设置一台或两台制冷量较小的离心式、活塞式或螺杆式等压缩式制冷机”大小容量搭配的规定。
《中央空调工程设计常见问题汇编》2010第五期 1、多联机室外机安装问题现象:某六层办公楼,采用12台数码多联机组,6台GMV-R300W2/B、5台GMV-R860W6/A和1台GMV-R900W6/A,机组均放置于室外阳台上,如图1所示。
一楼的主机出风口到楼板的距离约2m,二楼及其以上的主机出风口到楼板的距离约1.5m。
机器安装完毕后,在调试过程中发现室外机在运行时噪音很大,影响用户的正常工作环境,而且机组还出现高压保护停机。
图1原因:GMV-R860W6/A、GMV-R900W6/A等大模块的数码多联机组,由于风量等因素的关系,噪声比小数码多联大,并且安装在不同楼层阳台上的同一位置,机组全部开启时,噪音会叠加,增大噪音值。
另由于安装空间限制,夏季制冷时机组不能得到良好的散热,因此机组很容易出现保护停机,影响用户正常使用。
现场整改措施:(1)从噪声传播过程入手,在机组外围设置消音百叶,同时为保持流畅的通风,需在外机上加装一个导风罩;且机组运行时噪音很大,严重影响周围环境,引起公寓中用户的投诉。
图4 机组安装平面图原因:(1)空调室外机的布置不合理,为了简化系统或其它原因将室外机放置在空间狭窄、换气不好的空调机房中,由于空气的流通不畅,机组运行时散发出的热量不能及时排出,造成机组的温度不断上升,达到一定值后机组自动进入高温保护状态而停机;(2)将室外机布置在公寓旁的空调机房中,而没有对机房和机组采取任何消声降噪措施,机组运行时的噪音传到公寓中,而造成公寓中的噪音偏高。
现场整改措施:(1)加强机房的通风或采取降温措施,使机组得到良好的散热,以保证机组的正常运行;(2)对空调机房采取消声降噪措施,阻断噪音向周围环境传播。
预设防范措施:在工程设计时,要严格按照外机的安放空间、安放位置、季节风等因素的要求,尽量将多联室外机布置在空气流通良好的地方(如屋面等),应能满足机组散热的要求,防止机组出现保护,同时也做到了从设计源头降低机组噪音给环境带来的影响;如果因各种原因只能将机组放置在室内时,应做好空调机房的通风,以保证机组的正常运行,同时应做好降噪处理,将噪音降到允许的范围。
中央空调暖通设计施工中常见的问题分析中央暖通设计施工过程中常常出现许多不可避免的困扰,如策划图纸和实际工程操作不一致、管道数量超出等,这给施工过程带来了巨大的困难。
所以针对中央空调暖通设计施工过程中的系统操作的技术问题还是要采取相应的措施进行改进和完善。
设计者和管理者应该严格遵循设计过程中的操作问题和技术规定。
标签:中央空调;暖通;施工;问题;管道;噪音引言:随着现代电子科学技术的不断发展,各项设施也越来越现代化,中央空调逐渐成为人们生活不可或缺的电器设备。
新型材料的使用和现代工艺的快速发展使中央空调的操纵系统越发走向稳定状态。
如此高要求的系统设计操作技术需要大量的专业技术人员,对设计标准和规范有深刻的了解,从而避免空调运转过程中发生诸多故障。
当然中央空调这种多功能性的现代化设备在设计施工中通常存在许多很难避免的问题,对于这些诟病所造成的问题我们要加以分析来防止类似问题发生。
1、中央空调暖通设计中常见的问题1.1空调机身安装位置不合适安放空调机房时,除了考虑到冷凝、蒸发和表冷仪器设备的检查和维修等,还要考虑到主机操作人员能够观察检测到仪表上数据的变化波动和为运行者设立隔绝杂音的值班室等。
1.2忽略了噪音污染由于风机的运转和气流的流动空调系统产生一定的噪音,然而在设计时设计者对噪声的控制并不重视,在保证空调系统发出的噪声不超出范围的情况下,应该从多方面对噪音进行必要的控制。
在机房的安装位置上,要综合考虑一切存在的因素然后进行合理的定位设置,可采取吸音、隔音、消音和隔振等必要方式来进行噪音控制。
清除抑制机房和管道周边环境流通带来的困扰。
在确定空调的风量和风压时,首先要以低噪音为第一要求,选择噪音低的风机可以有效减少空调噪音。
其次要选择运转速度尽量达到最大工作点。
在施工时要将设备安装在弹性好震动较低的位置,有了好的基础性能,风机的进口和出口最好设置柔性较好的接头,同时使风机的进口和出口的对流风速均匀。
中央空调设计存在的问题及措施摘要:中央空调暖通设计在结构上比较复杂,而且工程量庞大。
而且近几年来,新技术新设备的广泛应用,在设计期间,因设计技术或其它因素的影响,导致图纸和施工不符、管道不能够有效安装等问题,给整个项目的暖通设计质量造成影响。
本文根据多年工作实践,对中央空调暖通设计的基本原则及存在的问题进行分析,并提出改善措施,供同行借鉴。
关键词:中央空调;暖通设计;问题;改善措施前言随着电子科学技术的发展,各项工程项目在设计或施工时不断渗入电子科学,提升项目的智能化及环保性,中央空调是其中的一项。
在新型材料及工艺的快速发展中,中央空调的操纵系统越发走向稳定及智能化状态。
在高要求的系统设计操作技术,需要大量的专业技术人员,对设计标准和规范有深刻的了解,从而避免空调运转过程中发生诸多故障。
当然,在设计时常遇到很多问题,对此,研究其问题,提出改善措施,具有重要意义。
一、中央空调暖通设计的基本原则(一)合理选择系统形式随着我国建筑物规模的不断加大,越来越多的建设方有着不同的需求,同时行业内也出现了多种暖通空调系统,如分散式供冷或供热、热泵系统、热回收系统和蓄冷、空气水系统、全空气系统、全水系统等。
尽管项目中常用的各种空调系统工作原理基本相通,但在实际使用中还是具有一定的差异性。
设计师在设计时需要充分考虑建筑的地理位置及周边的环境,根据不同的用途进行合理选择合适的设备。
(二)认真研读各专业图纸在对中央暖通工程进行设计的具体过程中,必须要依靠各专业图纸的相互配合才能够顺利完成。
所以,设计人员应对所有专业的图纸内容有一个全面的了解,并对技术要求进行全面的分析,这样才能保证工程顺利的进行。
比如,专业的暖通设计师应弄清建筑物内的人员数量、使用功能、有无废气要排等;掌握建筑物的防火能力,了解防火分区、防烟分区的划分和防火墙的位置及火灾疏散路线,以便更好地设计防烟排烟系统,合理设置防火阀门;考虑到楼层的承载力和建筑房间使用的时间,合理安排中央空调设备的布置等。
中央空调暖通设计施工中的常见问题分析摘要:随着我国经济的快速发展和城市化的不断推进,建设工程的不断增加。
在建筑工程中,中央空调系统的暖通设计尤为重要,它直接影响着建筑的舒适性和内部运行环境。
中央空调暖通系统的设计和施工中存在着许多技术上的缺陷,它直接关系到暖通系统的性能和品质,因此,要从暖通的实际出发,有效地解决这些问题,保证暖通系统的设计和施工质量。
文章对中央空调暖通系统的问题进行了分析和改进。
关键词:中央空调;暖通设计;设计施工引言:随着社会经济的发展,人们对生活品质的要求也在不断提高,特别是夏季的高温下,空调的需求量也随之增加。
通过对不同类型的空调产品的使用体验进行比较,发现中央空调能够为使用者带来更为舒适的感觉,因此其使用的范围也越来越广,因此,在建筑设计中,中央空调系统的设计就变得尤为重要。
暖通系统的设计质量直接影响到用户的使用体验,所以在设计和施工中应给予足够的重视。
目前暖通系统的大部分设计和建设都有缺陷,这将极大地影响到系统的工作效率,严重的话,还可能会影响到暖通系统的正常运行。
1.中央空调暖通设计施工的原则1.1设计准确性原则中央空调暖通系统的精确性是保证暖通系统的正常运行,保证暖通系统的正常运行,保证暖通系统的正常运行。
在设计完成后,应认真阅读,熟悉中央空调暖通系统的各项内容,并着重对其设计中的技术要点进行分析,以确保供暖系统的正常运行。
中央空调暖气图的设计要考虑到整个建筑的承载力,避免出现安全问题,暖气图的设计要与室内的消防设施相结合,在暖通设计的时候要做好消防工作,这样才能保证供暖系统的安全。
1.2认真研读各专业图纸在中央空调暖通系统的设计中,需要通过各个专业的图纸来实现。
因此,设计者必须对各专业的图纸内容有一个全面的认识,并对其技术需求作全面的分析,以便确保项目的顺利进行。
例如,专业的暖通设计师要了解大楼的人员数量、使用功能、是否有废气排放等,了解大楼的防火性能,了解防火分区、防烟分区的划分和防火墙的位置及火灾疏散路线,以便更好地设计防烟排烟系统,合理设置防火阀门。
中央空调暖通设计施工常见问题摘要:随着社会经济的不断进步,人们的经济水平也有了显著提高,暖通中央空调的应用越来越普及,尤其在民用建筑中,更要注重暖通中央空调的应用,暖通中央空调应用的好坏直接关系到人们的生活质量,所以在民用建筑过程中的中央空调合理应用至关重要。
关键词:中央空调;暖通设计;常见问题为了满足现代建筑中暖通空调的需求,我国暖通空调业面临着巨大的发展机遇。
针对暖通空调技术需求以及近年来新技术、新材料的不断推出,现代暖通空调正向着绿色环保节能的方向发展。
以绿色环保节能技术应用为我国可持续发展战略的实施奠定基础、为我国节约型社会构建奠定基础。
科学分析我国暖通空调技术发展现状、存在问题以及发展趋势有助于我国暖通空调业的健康发展,有助于我国暖通空调企业针对存在的问题进行对策制定与执行。
以现代社会节能建筑需求为中心、以我国空调产业发展为重点促进我国暖通空调产业的发展、促进我国节约型社会的构建。
一、暖通空调技术产业现状分析在现代经济发展过程中,经济水平的提高使得人们对居住环境、商业环境、工作环境的要求也不断提高。
为了满足人们对环境的需求,现代暖通空调行业必须针对绿色节能建筑需求进行新技术、新材料的研发与应用。
但是,受传统暖通空调企业技术研发力量薄弱、研发成本过高等因素影响,我国暖通空调企业的新技术研发速度极为缓慢。
即使市场销售宣传中所描述的节能技术也仅仅是通过变频技术实现空调运行能力的调节。
我国节能减排社会构建中,暖通空调技术必须加快自身技术的发展,以此适应现代社会节能需求。
二、中央空调暖通设计方面常见的一些问题(一)设备噪音不达标,监管体系有待提升保证机械设备的正常运行是暖通工程施工的基础,如果在安装的过程中发现设备存在噪音的情况,就会严重影响到暖通空调安装的质量以及工程施工的进度,给施工方以及人们的日常生活带来严重的影响。
其中,最主要的就是暖通工程在运行的过程中,终端设备存在噪音过大的情况,这是暖通空调施工过程中经常出现的问题。
中央空调设计中常见的问题分析摘要:随着人民生活水平的不断提高,中央空调在众多建筑物中的应用已经越来越普遍,但是中央空调的设计与安装过程中有些不该发生的失误常会给设计工作带来困扰。
本文主要阐述了中央空调工程设计中的常见问题,并对完善中央空调的设计和施工的对策进行了探讨。
关键词:中央空调;设计安装;问题;对策前言中央空调虽然给人们的生活带来了很多便利,但在现实中中央调并不是完美无缺的,偶尔也会给人们的生活制造一些麻烦,如空气质量不好,通风不畅,冷热不均等,有时候并没有达到优化空气质量、绿色环保、节能减排等理想目标,可见中央空调在最初的设计过程中是存在一些问题的,接下来本文将主要围绕家用中央空调分析讨论其设计中存在的问题,并讨论如何避免这些问题的发生。
提高空气品质,实现绿色环保和可持续发展。
1 中央空调设计中常见的问题1.1中央空调水系统设计存在的问题在实际空调设计过程中,水系统设计经常存在一些细枝末节的问题,往往有时候会被忽视,问题虽小,但却能影响整个空调系统的效果。
水系统设计中容易出现的问题有以下五个方面:第一,多台冷却塔并联时水流量平衡的问题。
当两台或两台以上的冷却塔并联接通的时候,设计人员大多会在每台冷却塔进水口处设置电动两通阀,这样做可以保证在其中某一台冷却塔停止使用时,通过关闭电动两通阀,停止进水,但此时设计人员却忽略了该塔出水并未关闭,最终使这台冷却塔的水流完,而其它的则出现溢流的现象。
第二,压差旁通电动两通阀口径选择的问题。
有些设计者在选择压差旁通电动两通阀的口径时往往选择过大,要么稍大,甚至更大,这样做会导致一系列不利的后果,过大的口径往往会使旁通流量过大,也会容易引起压差旁通装置的振荡,同时过大的口径也易损坏压差旁通电动两通阀,这是因为在口径过大的情况下,阀门开的很小也可以满足要求,这样的话会使阀锐和阀座长时间接触,从而会导致电动两通阀容易损坏。
第三,水流开关的位置问题。
如今,越来越多的设计人员使用水流开关来确保冷水机组和水泵能正常运转。
中央空调工程设计与安装常见问题探讨摘要:我国的城市化已经发展到了一个可以与发达国家差足继伍的程度,城市化的飞速发展,城市中的较大型建筑物也在不断增多,这些新增的较大型建筑中绝大多数需要安装中央空调,但是中央空调的设计与安装过程中有些不该发生的失误常会给设计与安装工作带来困扰。
关键词:中央空调;工程设计;工程安装在我国的辽阔广大的地域上,各区域的气候差异极大,同时,各区域的建筑风格及其内部结构与要求也不尽相同。
因此,要在这些巨大的差异中为不同习惯、不同区域、不同风格的建筑设计出能够满足不同用户需求的中央空调实属不易。
所以,中央空调的设计与安装不应该做到千楼一律,而应该因楼制宜、因地制宜、因人制宜。
在空调的设计过程中经常会遇到空调末端的选配过小的问题,由于空调末端的风机盘管决定了用户使用的舒适度与空调实现其温度调节的作用的时间长短,因此,过小的选配必然给用户造成不适之感。
因此,空调的设计过程中必须充分考虑到其能力系数与间歇使用系问题。
此外,对于中央空调工程设计人员必须充分了解并掌握空调设备的性能,目前,我国的所有空调设备生产厂商都会在标注其风量能力时按其最高档风量进行标注,因此,风机的盘管的选择必须与之相匹配,否则就会出现空调能力较差的严重问题。
下面就逐一阐述中央空调工程设计与安装中的诸般问题:一. 中央空调工程设计与安装过程中的常见问题1.1 合理负荷的确定由于建筑物的规模已经固定,未来建筑物的规模扩大的可能性较小因此,在设计与安装空调过程中必须以实际情况为主,对建筑物中的冷负荷进行细致与深入的逐项与逐时的重新计算,而绝对不能以同类建筑或是相似建筑中的冷负荷指标做为计算标准。
这样就容易使得所计算的数值要么偏大、要么偏小,其结果就会给建筑物要么带来能耗过高的损失要么给用户的使用带来较大的不适感。
因此,精准的设计来自于精准的计算。
1.2 空调机组的选择与选型随着商品经济与工程设备市场的日益繁荣,空调机组的选择也面临着较大的问题,目前市场上可以满足设计要求的空调机组较多,通常有多联式机组、水冷式热泵机组、风冷热泵机组、螺杆机或者是离心机加锅炉的溴化锂机组等。
《中央空调工程设计常见问题汇编》2011第三期 一、多联机门禁系统
现象:某综合性酒店使用格力模块化直流变频多联机,系统开始运行后客户反映空调效果不佳,远达不到设计要求。
原因:起初为方便管理空调开关机,客户使用房卡与空调联动控制(即照明和空调电源均由房卡控制),空调内机在未通过线控器关机的情况下直接拔卡断电属非正常关机,电子膨胀阀无法及时关闭,造成其它正常使用的内机冷量不足,而引起空调效果不佳。
现场整改措施:将酒店客房的空调与照明回路分开,空调主电源不受房卡控制,安装门禁系统,门禁控制板与房卡联动,拔卡后反馈信号给内机,内机关机并关闭电子膨胀阀。
门禁检测板通讯网络图
预设防范措施:在设计此类多联机中央空调工程时,要考虑甲方的实际需求,为了达到人走机关,门禁系统可以广泛应用于酒店中央空调工程中。
二、开关(熔断器)选择
现象:某宾馆使用格力C系列离心机组LSBLX1600G一台,额定电压为380V,功率为293kW,星三角启动柜至客户配电柜的电源线均为2×(YJV-1KV 3×120+2×70mm2),客户端配电柜的总熔断器为RM10-600,用户配电柜总开关在主机启动时经常跳闸。
原因:设计用户配电柜的总熔断器时,只考虑了机组设备的额定电流,并未考虑线路的尖峰电流。
现场整改措施:经计算,机组的额定电流为557A,总开关熔体的额定电流不能小于K(计算系数)与尖峰电流的乘积,380V离心机为轻载启动,所以K取值0.35,启动电流(尖峰电流)一般为额定电流的5倍,尖峰电流为557×5=2785A,熔体额定电流不小于0.35×2785=975A,由此可知,RM10-600熔断器不能满足需求,应该换为RM10-1000。
预设防范措施:
在我们设计电路的熔断器时,熔体电流必须满足下列条件:
①熔体额定电流不小于线路的计算电流,这样可保证熔体在线路正常运行时不致熔断(此案例中,设计人员只考虑了这条要求);
②熔体额定电流应躲过线路的尖峰电流,保证电机启动时熔体不会熔断;
③熔断器保护还要和被保护的线路相配合,使之不致发生因过负荷和短路引起绝缘导线或电缆过热起燃而熔体不熔断的事故(空调一般为长时间运行电器,所以电缆的允许载流量不能小于熔体额定电流)。
二、热水工程中的用水量不足
现象:某员工宿舍热水机工程,采用集中供热系统,共 1080个房间,每间6人(分白晚班),设计选用48台直热型机组KFRS-20ZM/AS(共4组,每组12台)、4台循环型空气源热水机 KFRS-18(M)/AS(共4组,每组1台),水箱共8个,尺寸为2500×2000×1000mm的补水箱4个,尺寸为4000×5500×1500mm、7000×5500×1500mm储热水箱各2个,有效的可用深度按1.2 m,实际运行后热水用量不足。
原因:根据已有的相关信息,进行热水量的计算,详细数据如下: 单班用水量:1080×6/2×50=162000L=162m³
水箱容积:(4.0×5.5×1.2+7.0×5.5×1.2) ×2=145.2m³
2小时产热水量:0.435×48×2=41.76m³(集中用水时间为2h)
合计热水量:145.2+41.76=186.96 m³>162 m³
从计算可知,热水量是能满足实际用水需求的,但实际情况并非如此,
白班人数占总人数的70%以上,此外,水箱有效的可用深度很难达到1.2m,根据以往水箱使用经验,以及施工单位的安装调试经验可知,水箱底部一般要留150mm深不用(定期排污),顶部一般要留300mm高净空(浮球阀补水、溢流),实际有效深度仅1.05m。
现按总人数的70%来计算热水量,详细数据如下:
单班用水量:1080×6×0.7×50=226800L=226.8m³
水箱容积:(4.0×5.5×1.05+7.0×5.5×1.05) ×2=127.05m³
2小时产生热水量:0.435×48×2=41.76m³
合计热水量:127.05+41.76=168.81m³<226.8m³,
容积差:226.8-168.81= 57.99m³,即使加上4个2.5×2.0×1.0m的补水箱的有效容积2.5×2.0×0.6×4=12m³,也还差46m³。
现场整改措施:根据计算,以及工程实际情况,整改措施如下:
①增加储热水箱,可增加容积为4000×5500×1500mm的水箱2~3个,单个水箱有效容积为23.1m³,本工程推荐增加3个,以避免特殊情况的出现(部分机组不能正常使用、下班人员在短时间内集中使用等),造成用水不足或断水;
②增加机组的数量或加大单机的容量,这种做法的初投资要比增加水箱的初投资大。
除采用以上两种措施外,也可采取同时增加机组和水箱的措施,不论采用哪种措施,都需考虑机组和水箱的承重问题。
预设防范措施:在我们进行热水项目设计时,要根据实际情况进行用水量的计算,同时还要充分考虑各种因素,在机组和水箱的选型时要留有一定的余量,特别要注意水箱容积和水箱有效容积的区别。