广州日立GVF-III规格表参数说明
- 格式:pdf
- 大小:454.01 KB
- 文档页数:20
日立GVF3电梯调试资料(小键盘功能列表)状态号功能MODE 0 SET 缺省模式,显示楼层,设为此模式可以清除其他模式的设定MODE 1 SET 电梯状态显示模式,在此状态下可以按INC键进入I/O口查看模式,该状态下可显示19组电梯状态MODE 2 SET 层高测定模式MODE 3 SET 机房检修模式MODE 4 SET 清除当前显示故障记录, 此模式在1.5秒后会自动清除MODE 5 SET 禁止超载检测模式MODE 6 SET 查看主微机故障列表,同时可在此操作清除内部所有故障记录表2.3 各状态解释1)MODE 0 SET电梯正常运行时(无故障),3个LED显示运行方向和层楼位置,其中LED0显示的是电梯的运行方向(表示方式与FMT板一致),LED1和LED2显示电梯层楼位置。
当系统只有变频器类故障时,变频器类故障码(E101~E140)与层楼位置交替显示;当系统只有控制系统类故障时,控制系统类故障码(E010~E094)与层楼位置交替显示;当系统既有变频器类故障又有控制系统类故障时,变频器类故障码(E101~E140)、控制系统类故障码(E010~E094)与层楼位置交替显示。
当同一类故障(变频器类、控制系统类)有几个故障同时存在时,只显示故障码排在前面的一个故障,当最前面的故障消除后,再显示排在下面的故障。
2)MODE 1 SET该状态下可显示电梯的19个基本状态,并且可以查看18组I/O信号子状态。
进入该状态后(MODE 1 SET),三个LED显示的是电梯的基本状态,其具体意义请参看下表(电梯运行基本状态显示定义表)。
在基本状态下按INC/ST键,则进入查看18组I/O信号子状态。
此时LED0显示的是子状态的组号,共有18组,可按INC/ST键调组号,组号按照0、1、2、3、4、5、6、7、8、9、A、B、C、D、E、F、G、H、基本状态、0、1、2、3…依次循环变化显示。
其中B~E组还分别有6个子组,序号是0~5,当进入B~E组的显示后,LED0就会交替显示组号和子组号,如B_0组,则LED0交替显示B和0,在有子组号显示的情况下每按一次SET键,子组号就会加1,到子组号5以后回循环回0。
日立GVF3电梯部分资料1、状态号和功能MODE 0 SET 缺省模式,显示楼层,设为此模式可以清除其他模式的设定MODE 1 SET 电梯状态显示模式,在此状态下可以按 INC 键进入I/O 口查看模式,该状态下可显示 19 组电梯状态MODE 2 SET 层高测定模式MODE 3 SET 机房检修模式MODE 4 SET 清除当前显示故障记录, 此模式在 1.5 秒后会自动清除MODE 5 SET 禁止超载检测模式MODE 6 SET 查看主微机故障列表,同时可在此操作清除内部所有故障记录表2、各状态解释1)MODE 0 SET电梯正常运行时(无故障),3 个 LED 显示运行方向和层楼位置,其中LED0 显示的是电梯的运行方向(表示方式与FMT 板一致),LED1 和 LED2 显示电梯层楼位置。
当系统只有变频器类故障时,变频器类故障码(E101~E140)与层楼位置交替显示;当系统只有控制系统类故障时,控制系统类故障码(E010~E094)与层楼位置交替显示;当系统既有变频器类故障又有控制系统类故障时,变频器类故障码(E101~E140)、控制系统类故障码(E010~E094)与层楼位置交替显示。
当同一类故障(变频器类、控制系统类)有几个故障同时存在时,只显示故障码排在前面的一个故障,当最前面的故障消除后,再显示排在下面的故障。
2)MODE 1 SET该状态下可显示电梯的 19 个基本状态,并且可以查看 18 组 I/O 信号子状态。
进入该状态后(MODE 1 SET),三个 LED 显示的是电梯的基本状态,其具体意义请参看下表(电梯运行基本状态显示定义表)。
在基本状态下按 INC/ST 键,则进入查看 18 组 I/O 信号子状态。
此时 LED0 显示的是子状态的组号,共有 18 组,可按 INC/ST 键调组号,组号按照0、1、2、3、4、5、6、7、8、9、A、B、C、D、E、F、G、H、基本状态、0、1、2、3…依次循环变化显示。
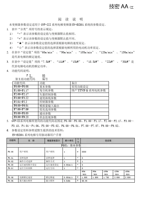
技密AA (工
阅读说明
本变频器参数设定适用于GVF-III系列电梯变频器EV-ECD01系统的参数设定。
1.表中“分类”项符号的表示规定:
1)“-”表示该参数的设定值与变频器默认值相同。
2)“*”表示该参数的设定值与变频器默认值不同。
3)“★”表示该参数设定值的选择需根据电梯的速度而定。
4)“☆”表示该参数设定值的选择需根据电梯所用的电动机功率而定。
2.在表中“设定值”项的“60m/min”、“90m/min”、“105m/min”、“120m/min”、“150m/min”
是代表电梯的额定速度。
3.在表中“设定值”项的“7.5kW”、“11kW”、“15kW”、“18.5kW”、“22kW”、“30kW”是
代表电梯电动机的额定功率。
4.功能代码说明:
F X 00
5.~F2.17、F3.00~
F3.18、F4.01~F4.06、F5.00~F5.02、F6.00~F6.01、F7.00~F7.07、F9.00~F9.02。
6.参数设定资料参照爱默生提供的技术资料:
EV-ECD01系列电梯专用驱动器用户手册。
MCUB板使用说明1 MCUB板简介微机MCUB是一块具有高集成度的微机板,集成了电梯中的变频控制,逻辑控制,串行通讯等3大功能,完全替代了GVF-Ⅱ电梯中FMT、TD3100、SCL-A这三个模块。
MCUB板由32位逻辑控制CPU、8位串行通讯CPU、16位变频核心控制和变频管理控制CPU、程序存储器、输入输出、串行通讯口、CAN控制口、PC通讯口和小键盘及数码显示等模块组成。
其外观图及各部分名称如下所示:(1)(2)(4)(5)(6)(7)(8)(9) (10) (11) (12) (13) (14) (16) (15)(17)(18)(19)(20)(21)(22)(23)(25)(26)(24) (3)(1)功率模块插接口:CN1(2)功率模块插接口:CN2(3)同步电机编码器扩展接口:CN9(4)变频控制CPU在线升级接口:CN5 (5) INV键盘插口:CN3(6) RS232接口:CN12(7)异步电机旋转编码器接口:CN11 (8)并联、群控TCAN/RS485接口:FR (9)板载+48V继电器:15BX(MY4 (10)板载+48V继电器:50B(MY4)(11)运行接触器驱动端子:Z10(12)板载+48V继电器:40D (MY4)(13)抱闸接触器驱动端子:Z15B(14)板载+48V继电器:100R(MY4)(15)+48V信号输出接口:FE(16)+24V信号输出接口:FD(17)上行强迫减速开关输入接口:SDSU (18)下行强迫减速开关输入接口:SDSD (19)+48V信号输入接口:FC (20)+24V信号输入接口: FB(21)+24V信号输入接口:FA (22)串行通讯接口:SCL(23)小键盘(3键) (24)七段LED显示(3位)(25)串行程序在线升级接口:CN302 (26)变频控制CPU在线升级接口:CN42.小键盘介绍2.1硬件介绍在MCUB 的右上角有三个小按钮和三个7段数 码显示,称之为小键盘。
日立GVF-3常用短接点总安全回路:(11L11~11L24)。
1、上极限:XL-1~XL-2。
下极限:XL-11~XL-12。
(11L11~11L12)2、底坑安全回路:XR1-1~XR1-2。
(11L12~11L13)3、机房急停:U1-3~U1-4。
限速器:U1-1~U1-2。
(11L25~11L26)4、轿厢侧:Y2-19~Y2-20。
(11L24~11L25)轿门锁:Y3-20~Y2-9。
厅门锁:XI1-1~XI1-2(16 层站),XI3-1~XI3-2(17 至32 层站)XI5-1~XI5-2(33 至48 层站),XI7-1~XI7-2(贯通门侧16 层站)抱闸:V1-1~V1-2。
微动平层感应器:RS21(Y1-10~Y2-7),RS22(Y1-10~Y2-8)上限位:XL-4~XL-3,(11L21~11L22)下限位:XL-14~XL-13,(11L21~11L23)一级上减速:XL-6~XL-5。
一级下减速:XL-16~XL-15。
二级上减速:XL-8~XL-7。
二级下减速:XL-18~XL-17。
三级上减速:XL-10~XL-9。
三级下减速:XL-20~XL-19。
220V:11L29~11L30日立电梯HGP故障代码10 主微机故障11 副微机故障12 运行接触器短接故障1314 安全继电器短接故障15 安全回路断开故障16 软件WDT动作17 连续3次开门锁死181920 抱闸制动器短接故障21 抱闸制动器断开故障22 运行速度偏差故障23 40D继电器故障2425 40G继电器故障26 程序和数故障27 重复故障282930 旋转编码器断线故障3132 空转保护3334 厅门锁短接故障35 轿门锁短接故障3637 反转故障38 运行接触器断开故障394041 低速运行超速42 50B继电器断开故障4344454647484950 高速运行超速51 起动速度异常525354 微动平层逆转超距离55 强迫减速开关故障56 微动平层超速故障57 微动平层运行超距离58 速度低故障5960 层高测定出错61 运行中DC48V断电62 电梯层楼位置出错6364 端站减速曲线异常656667686970 变频器预报警71 变频门机故障7273 门区运行故障7475 SCLB板通讯故障7677 自救运行过多78 SLCC板通讯故障7980 运行中厅门锁断开检出81 检修状态异常82 微动平层超时故障838485 微动平层感应器故障86 电梯开门超时故障87 电梯关门超时故障88 运行中轿门锁断开检出89 变频微机设置为键盘控制模式90 群控/并联通讯异常91 电源瞬时停电检出92 停电自救运行93 电梯自救运行94 称重传感器故障变频器故障代码表故障代码故障名称故障说明E101 加速运行过电流硬件过流:大于额定电流2.5倍软件过流:大于额定电流2.4倍误差±5%E102 减速运行过电流E103 恒速运行过电流E104 加速运行过电压软件:母线:厂家参数0~999V可调,出厂值760V硬件母线滞环,范围780V~820V误差±5% 直流母线电压检测误差±3%E105 减速运行过电压E106 恒速运行过电压E107 控制电源过电压软件:厂家参数:120.0~130.0% ,出厂值130%注:控制电源电压检测误差:±5%E108 输入侧缺相输入缺相,相应检测信号为脉冲序列E109 输出侧缺相输出缺相在运行时检测,输出电流大于33.3%额定时才检测E110 功率模块故障功率模块过流、过热、欠压E111 功率模块散热器过热模块检测点温度:83℃(含)以上;温度检测误差:±5摄氏度E112 未使用E113 驱动器过载电流超过保护起始点E114 电机过载电流超过保护起始点E115 未使用E116 E2PROM读写故障读写过程中出现校验错误E117 未使用E118 接触器未吸合在控制和主回路电源上电后,在正常的工作的电压下,存在接触器吸合指令时,未检测到接触器辅助触点吸合信号E119 电流检测电路故障电流检测电路异常E120 CPU错误双DSP之间spi通讯异常E121 未使用E122 未使用E123 键盘E2PROM读写错误键盘读写EEPROM出错或DSP要求读取的数据不符E124 调谐错误参数调谐过程出现异常E125 编码器故障编码器断线检测保护E126 未使用E127 制动单元故障制动单元故障E128 参数设定出错电机额定参数设置不当,与变频器额定参数相差很大E129 未使用E130 电梯超速运行速度大于电梯额定速度1.2倍E131 输入输出故障输入输出故障1. 距离控制运行过程中有检修命令输入2. 距离控制运行过程中有微动平层命令输入,报此故障3. 检修状态下有自学习输入4. 检修状态下有微动平层命令输入E132 不满足最低层运行条件曲线最短减速距离大于最小楼层高度E133 自学习出错层高测定模式出错E134 速度偏差故障运行速度>预定速度7%,持续时间1SE135 未使用E136E137E138E139 双口RAM故障变频副微机对DPRAM中数据读写过程中判断,有异常则报故障;主微机在双口RAM中的正常标志超过80毫秒没有刷新E140 主微机68376故障硬件反馈主微机68376有故障信号。
广日电梯G3参数设置说明F0 : 基本参数F1 : 曳引机参数F2 : 矢量控制参数F3 : 速度曲线参数F4 : 距离控制参数F5 : 控制器参数F6 : 保留功能F7 : 优化选项参数F8 : 通讯参数F9 : 状态监视参数FE : 厂家参数FF : 通讯参数F0-00 : 用户密码: 1 : ○F0-01 : 语种选择: 1 : ○F0-02 : 操作方式: 1 : ×F0-03 : 运行速度设定: 0.001m/s : ○F0-04 : 运行方向: 1 : ×F0-05 : 额定梯速: 0.001m/s : ×F0-06 : 最大频率: 0.01Hz : *F0-07 : 载波频率: 0.1KHz : ×F0-08 : 参数更新: 1 : ×F1-00 : PG脉冲数: 1 : ×F1-01 : 电机类型选择: 1 : ×F1-02 : 额定功率: 0.1KW : ×F1-03 : 额定电压: 1V : ×F1-04 : 额定电流: 0.1A : ×F1-05 : 额定频率: 0.01Hz : ×F1-06 : 额定转速: 1r/min : ×F1-07 : 曳引机参数: 0.1 : ×F1-08 : 过载保护: 1 : ○F1-09 : 电子热继电器: 0.1% : ○F1-10 : 自动调谐保护: 1 : ×F1-11 : 自动调谐进行: 1 : ×F1-12 : 定子电阻: 0.001欧: ×F1-13 : 定子电感: 0.1mH : ×F1-14 : 转子电阻: 0.001欧: ×F1-15 : 转子电感: 0.1mH : ×F1-16 : 互感: 0.1mH : ×F1-17 : 空载激磁电流: 0.1A : ×F2-00 : ASR1-P : 0.001 : ×F2-01 : ASR1-I : 0.001s : ×F2-02 : ASR2-P : 0.001 : ×F2-03 : ASR2-I : 0.001s : ×F2-04 : 低速切换频率: 0.01Hz : ×F2-05 : 高速切换频率: 0.01Hz : ×F2-06 : 内环KP : 1 : ×F2-07 : 内环KI : 1 : ×F2-08 : 转差补偿增益: 0.1% : ×F2-09 : 电动转矩限定: 0.1% : ×F2-10 : 制动转矩限定: 0.1% : ×F2-11 : 预转矩选择: 1 : ×F2-12 : 上行转矩偏移: 0.1% : ×F2-13 : 上行驱动增益: 0.001 : ×F2-14 : 上行制动增益: 0.001 : ×F2-15 : 下行转矩偏移: 0.1% : ×F2-16 : 下行驱动增益: 0.001 : ×F2-17 : 下行制动增益: 0.001 : ×F1-12 : 定子电阻: 0.001欧: ×F1-13 : 定子电感: 0.1mH : ×F1-14 : 转子电阻: 0.001欧: ×F1-15 : 转子电感: 0.1mH : ×F1-16 : 互感: 0.1mH : ×F1-17 : 空载激磁电流: 0.1A : ×F2-00 : ASR1-P : 0.001 : ×F2-01 : ASR1-I : 0.001s : ×F2-02 : ASR2-P : 0.001 : ×F2-03 : ASR2-I : 0.001s : ×F2-04 : 低速切换频率: 0.01Hz : ×F2-05 : 高速切换频率: 0.01Hz : ×F2-06 : 内环KP : 1 : ×F2-07 : 内环KI : 1 : ×F2-08 : 转差补偿增益: 0.1% : ×F2-09 : 电动转矩限定: 0.1% : ×F2-10 : 制动转矩限定: 0.1% : ×F2-11 : 预转矩选择: 1 : ×F2-12 : 上行转矩偏移: 0.1% : ×F2-13 : 上行驱动增益: 0.001 : ×F2-14 : 上行制动增益: 0.001 : ×F2-15 : 下行转矩偏移: 0.1% : ×F2-16 : 下行驱动增益: 0.001 : ×F2-17 : 下行制动增益: 0.001 : ×F3-00 : 启动速度: 0.001m/s : ×F3-01 : 保持时间: 0.001s : ×F3-02 : 斜坡时间: 0.001s : ×F3-03 : 停车急减速: 0.001m/s3 : ×F3-04 : 加速度: 0.001m/s2 : ×F3-05 : 开始段急加速: 0.001m/s3 : ×F3-06 : 结束段急加速: 0.001m/s3 : ×F3-07 : 减速度: 0.001m/s2 : ×F3-08 : 开始段急减速: 0.001m/s3 : ×F3-09 : 结束段急减速: 0.001m/s3 : ×F3-10 : 爬行速度: 0.001m/s : ×F3-11 : LS速度设定1 : 0.1% : ×F3-12 : 强迫减速度1 : 0.001m/s2 : ×F3-13 : LS速度设定2 : 0.1% : ×F3-14 : 强迫减速度2 : 0.001m/s2 : ×F3-15 : LS速度设定3 : 0.1% : ×F3-16 : 强迫减速度3 : 0.001m/s2 : ×F3-17 : 减速点输出: 0.001s : ×F3-18 : 微动平层速度: 0.001m/s : ×F3-19 : 应急速度: 0.001m/s : ×F3-20 : 检修速度: 0.001m/s : ×F3-21 : 误差设定范围: 0.1% : ×F3-22 : 误差检测时间: 0.001s : ×F4-00 : 总楼层数: 1 : ×F4-01 : 最大楼层高度: 0.01m : ×F4-02 : VMAX1 : 0.1m/min : ×F4-03 : VMAX2 : 0.1m/min : ×F4-04 : VMAX3 : 0.1m/min : ×F4-05 : VMAX4 : 0.1m/min : ×F4-06 : VMAX5 : 0.1m/min : ×F4-07 : 平层距离调整: 1mm : ×F4-08 : 层高分频系数: 1 : *F4-09 : 层高1 : 1 : ×F4-10 : 层高2 : 1 : ×F4-11 : 层高3 : 1 : ×F4-12 : 层高4 : 1 : ×F4-13 : 层高5 : 1 : ×F4-14 : 层高6 : 1 : ×F4-15 : 层高7 : 1 : ×F4-16 : 层高8 : 1 : ×F4-17 : 层高9 : 1 : ×F4-18 : 层高10 : 1 : ×F4-19 : 层高11 : 1 : ×F4-20 : 层高12 : 1 : ×F4-21 : 层高13 : 1 : ×F4-22 : 层高14 : 1 : ×F4-23 : 层高15 : 1 : ×F4-24 : 层高16 : 1 : ×F4-25 : 层高17 : 1 : ×F4-26 : 层高18 : 1 : ×F4-27 : 层高19 : 1 : ×F4-28 : 层高20 : 1 : ×F4-29 : 层高21 : 1 : ×F4-30 : 层高22 : 1 : ×F4-31 : 层高23 : 1 : ×F4-32 : 层高24 : 1 : ×F4-33 : 层高25 : 1 : ×F4-34 : 层高26 : 1 : ×F4-35 : 层高27 : 1 : ×F4-36 : 层高28 : 1 : ×F4-37 : 层高29 : 1 : ×F4-38 : 层高30 : 1 : ×F4-39 : 层高31 : 1 : ×F4-40 : 层高32 : 1 : ×F4-41 : 层高33 : 1 : ×F4-42 : 层高34 : 1 : ×F4-43 : 层高35 : 1 : ×F4-44 : 层高36 : 1 : ×F4-45 : 层高37 : 1 : ×F4-46 : 层高38 : 1 : ×F4-47 : 层高39 : 1 : ×F4-48 : 层高40 : 1 : ×F4-49 : 层高41 : 1 : ×F4-50 : 层高42 : 1 : ×F4-51 : 层高43 : 1 : ×F4-52 : 层高44 : 1 : ×F4-53 : 层高45 : 1 : ×F4-54 : 层高46 : 1 : ×F4-55 : 层高47 : 1 : ×F4-56 : 校验高位: 1 : ×F4-57 : 校验低位: 1 : ×F5-00 : 轿内重量: 1 : *F5-01 : 负荷零点设置: 1 : ×F5-02 : 负荷满载设置: 1 : ×F6-01 : 保留单元: *F7-00 : 单位切换: 1 : ×F7-01 : 码盘方向: 1 : ×F7-02 : PG检测时间: 0.1s : ×F7-03 : 制动使用率: 1 : ×F7-04 : 开始零速时间: 0.001s : ×F7-05 : 结束零速时间: 0.001s : ×F7-06 : 空载电流提升: 1% : ×F7-07 : 空载电流切换: 0.1 : ×F7-08 : 滤波系数: 1 : ×F7-09 : 磁极初始角: 0.1 : ×F8-00 : 波特率选择: 1 : ×F8-01 : 数据格式: 1 : ×F8-02 : 本机号码: 1 : ×F9-00 : 运行显示1 : 1 : ×F9-01 : 运行显示2 : 1 : ×F9-02 : 停机显示: 1 : ×F9-03 : 当前层楼: 1 : ×F9-04 : 运行次数高位: 1 : ×F9-05 : 运行次数低位: 1 : ×F9-06 : 当前位置H : 1 : *F9-07 : 当前位置L : 1 : *F9-08 : 工作时间(小时) : 1h : *F9-09 : 工作时间(分) : 1min : *F9-10 : 工作时间(秒) : 0.1s : *F9-11 : 保留: *F9-12 : 保留: *F9-13 : 第1次故障: 1 : *F9-14 : 第2次故障: 1 : *F9-15 : 第3次故障: 1 : *F9-16 : 故障时速度: 0.001m/s : * F9-17 : 故障时电流: 0.1A : *F9-18 : 故障母线电压: 1V : *F9-19 : 故障时输入1 : 1 : *F9-20 : 故障时输入2 : 1 : *F9-21 : 故障时输入3 : 1 : *F9-22 : 故障时输出1 : 1 : *F9-23 : 故障时输出2 : 1 : *FE-00 : 厂家密码: 1 : -FE-01 : 优化选择: 1 : - FE-02 : 软件版本号: 0.01 : * FE-03 : 出厂编号H : 1 : -FE-04 : 出厂编号L : 1 : -FE-05 : 机型设定: 1 : ×FE-06 : 额定容量: 0.1KV A : - FE-07 : 额定电压: 1V : -FE-08 : 额定电流: 0.1A : -FE-09 : 死区时间: 1 : -FE-10 : 电压校正: 0.1% : -FE-11 : 电流校正: 0.1% : -FE-12 : 直流过压点: 1V : -FE-13 : 直流欠压点: 1V : -FE-14 : 过流保护: 0.1A : -FE-15 : 控制电源过压: 0.1% : - FE-16 : 厂家功能1 : 1 : -FE-17 : 厂家功能2 : 1 : -FE-18 : 厂家功能3 : 1 : -FE-19 : 厂家功能4 : 1 : -FE-20 : 厂家功能5 : 1 : -FE-21 : 厂家功能7 : 1 : -FF-00 : 运行速度: 0.001m/s : * FF-01 : 输出电压: 1V : *FF-02 : 输出电流: 0.1A : *FF-03 : 输出功率: 0.1% : *FF-04 : 运行转速: 1rpm : *FF-05 : 输出频率: 0.01Hz : *FF-06 : 当前位置: 0.1m : *FF-07 : 直流母线电压: 1V : *FF-08 : 输入端子组1状态: 1 : * FF-09 : 输入端子组2状态: 1 : * FF-10 : 输入端子组3状态: 1 : * FF-11 : 输出端子组1状态: 1 : * FF-12 : 输出端子组2状态: 1 : * FF-13 : 功率模块温度: 0.1 : * FF-14 : 减速距离: 0.01m : *FF-15 : 强迫减速开关距离: 0.01m : * FF-16 : 曲线最短运行距离: 0.01m : *。
MCUB板使用说明1 MCUB板简介微机MCUB是一块具有高集成度的微机板,集成了电梯中的变频控制,逻辑控制,串行通讯等3大功能,完全替代了GVF-Ⅱ电梯中FMT、TD3100、SCL-A这三个模块。
MCUB板由32位逻辑控制CPU、8位串行通讯CPU、16位变频核心控制和变频管理控制CPU、程序存储器、输入输出、串行通讯口、CAN控制口、PC通讯口和小键盘及数码显示等模块组成。
其外观图及各部分名称如下所示:(1)(2)(4)(5)(6)(7)(8)(9) (10) (11) (12) (13) (14) (16) (15)(17)(18)(19)(20)(21)(22)(23)(25)(26)(24) (3)(1)功率模块插接口:CN1(2)功率模块插接口:CN2(3)同步电机编码器扩展接口:CN9(4)变频控制CPU在线升级接口:CN5 (5) INV键盘插口:CN3(6) RS232接口:CN12(7)异步电机旋转编码器接口:CN11 (8)并联、群控TCAN/RS485接口:FR (9)板载+48V继电器:15BX(MY4 (10)板载+48V继电器:50B(MY4)(11)运行接触器驱动端子:Z10(12)板载+48V继电器:40D (MY4)(13)抱闸接触器驱动端子:Z15B(14)板载+48V继电器:100R(MY4)(15)+48V信号输出接口:FE(16)+24V信号输出接口:FD(17)上行强迫减速开关输入接口:SDSU (18)下行强迫减速开关输入接口:SDSD (19)+48V信号输入接口:FC (20)+24V信号输入接口: FB(21)+24V信号输入接口:FA (22)串行通讯接口:SCL(23)小键盘(3键) (24)七段LED显示(3位)(25)串行程序在线升级接口:CN302 (26)变频控制CPU在线升级接口:CN42.小键盘介绍2.1硬件介绍在MCUB 的右上角有三个小按钮和三个7段数 码显示,称之为小键盘。
日立GVF电梯设定数据表分析说明D200 D201 服务层数减“1”最下层减“1”电梯楼层设圧(如10楼设圧为9)最下层设泄(如1楼设定为0)-D202 5/13/21/26D203 8/24/40/46/52电梯外部接线规格设龙:D204 bo ............................... b is电梯规格(功能)设立bo 光电bi 消防b2微动b3 无差动变压器b4 保密层bs 110%切除b6数显b7LEDbs 故障切除b<;保密层预设bio 并联bji 并联1号梯bi2 并联2号梯D205 D206 D207 D208 D209 D210 D211 D212 D213 D214 D215 D216 D217 D218 D219 D220 D221 D222 D223 D224 D225 D226 D227 D228 D229 D23O D231 速度指令延时0 25m/minX 12ni/min X 1最底层设置8m/min X 1抱闸动作延时30m/minX 1150minX2KO135minX2KO并联中间层1--1617-3233-48基站设定基站设定内指服务层设左1 — 1617—3233-48卜.召服务层1 — 16 1617-3233—48F召服务层1-16F召服务层17-3233-48最高层及以上置1-1617—32设定控制变频器的多段速延时输岀(10ms单位)判定零速用判泄2m/min速度用判立8m/min速度用抱闸动作延时设左判左30m/min速度用32位数据32位数据相应为置1相应位宜1(***"H****3FL2FL1FL)16进制基站内指令有效位置1,关闭位置0上招呼有效位置1,关闭位置0下招呼有效位置1,关闭位宜0内指令有效位宜0,关闭位置1 (最髙位宜1及以上均置1,用于逻辑判断)说明:1.以上参数为控制设定用,根据程序分析得到,可能存在不足或错误!请谨慎使用!2.D200到D311全部参数均被自动校正保护中(防止非法修改),如果修改后,必须进行总和校正,否则,电梯会出现总和错误。
技密AA (工场) MCUB板使用说明书第1页, 共21页MCUB板使用说明书目录一.MCUB板硬件介绍‥‥‥‥‥‥‥‥‥‥‥‥‥‥‥(2)1、系统组成‥‥‥‥‥‥‥‥‥‥‥‥‥‥‥‥‥‥(2)2、串行通讯模块‥‥‥‥‥‥‥‥‥‥‥‥‥‥‥‥(3)3、小键盘‥‥‥‥‥‥‥‥‥‥‥‥‥‥‥‥‥‥‥(3)二、MCUB板外围设备的组成‥‥‥‥‥‥‥‥‥‥‥‥(12)三、MCUB板的性能规格‥‥‥‥‥‥‥‥‥‥‥‥‥‥(12)四、MCUB板输入电源规格‥‥‥‥‥‥‥‥‥‥‥‥‥(13)五、MCUB板的环境规格‥‥‥‥‥‥‥‥‥‥‥‥‥‥(13)六、MCUB板I/O输入规格‥‥‥‥‥‥‥‥‥‥‥‥‥(13)七、MCUB板I/O输出规格‥‥‥‥‥‥‥‥‥‥‥‥‥‥(14)八、MCUB板的外部配线及连接座规格‥‥‥‥‥‥‥‥‥(14)一、MCUB 板硬件介绍1、 系统组成。
微机MCUB 是一块具有高集成度的微机板,集成了电梯中的变频控制,逻辑控制,串行通讯等3大功能,完全替代了GVF-Ⅲ电梯中VG7S 、FMT 、SCL-A 这三个模块。
MCUB 板由32位逻辑控制CPU 、8位串行通讯CPU 、16位变频核心控制和变频管理控制CPU 、程序存储器、输入输出、串行通讯口、CAN 控制口、PC 通讯口和小键盘及数码显示等模块组成。
其外观图(图一)及各部分名称如下所示:(3) (2) (1) (29)(28)(27)(4)(5) (26)(6) (25)(7)(24)(8) 3) (13) (23) (9) (22)(10)(21)(11) (20) (19)(12) (13) (14) (15) (16)(17)(18)图一(1)主微机68376(2)串行程序在线升级接口:CN302(3)管理DSP在线升级接口:CN4(4)功率模块插接口:CN2(5)功率模块插接口:CN1(6)同步电机编码器扩展接口:CN9(7)核心DSP在线升级接口:CN5(8)变频器操作面板键盘插口:CN3(9)RS232接口:CN12(10)异步电机旋转编码器接口:CN11(11)并联、群控和小区遥监RS485通讯接口:FR(12)板载+24V继电器:10TZ(13)板载+48V继电器:15BX(型号:MY4)(14)板载+48V继电器:50B(型号:MY4)(15)运行接触器驱动端子:Z10(16)抱闸接触器驱动端子:Z15B(17)板载+48V继电器:40D (型号:MY4)(18)板载+48V继电器:100R(型号:MY4)(19)板载+24V继电器:Z100R(20)+48V信号输出接口:FE(21)+24V信号输出接口:FD(22)上行强迫减速开关输入接口:SDSU(23)下行强迫减速开关输入接口:SDSD(24)+48V信号输入接口:FC(25)+48V信号输入接口:FB(26)+48V信号输入接口:FA(27)串行通讯接口:SCL(28)小键盘(3键)(29)七段LED显示(3位)2、通讯模块。
阅 读 说 明GVF-III电梯EVECD微机所用的规格表参数ROM地址的范围为40018-41134,其中40018-40517为定时器设定区,40720-40899为IO变量设定区;RAM地址为118008—119124,其中118008—118507为定时器设定区,118710—1188ef为IO变量设定区。
参数说明中代号说明:“k**”表示其对应数据寄存器的数据是以十进制方式表示,具体数值根据不 同的设定而不同。
“有功能”是指电梯具有某特定功能时数据寄存器的设定值。
“无功能”是指电梯不设定某特定功能时数据寄存器的设定值。
“------”是指设定数据寄存器参数时不需要考虑电梯是否具有某特定功能。
计算公式中符号说明:I为曳引比。
D为绳轮直径(mm)。
R为减速比。
N为旋转编码器脉冲数。
z97t 40018 118008------K75 上电3秒延时确认z102ft 40020 118010------K15 平层区确认延时630ms才输出ZOZ平层可开门信号 zdt 40028 118018K5 双开门使用,A门关好后200msB门再开门z100at 40030 118020------K25 出发准备,运行准备完了,关门请求Z100=-1后,延时1S再输出关门出发zhsdst 40038 118028------K375 日立原装超声波门机使用,类似光电开关ZPHBAT作用zphbat 40040 118030------K25 门光电开门动作时间,光电开门动作后门开好,延时1S后再调用Z48AT,开门延时5S后才关门,延长开门保持时间z102t 40048 118038------K375 开门过程最长时间zdst 40050 118040------K12 电梯停在当前层,按下当前层的轿内或者厅外召唤时延时500ms才响应内外召唤,用于计算z63cf,z63cr,z63hf,z63hrz101nt 40058 118048------K375 关门相关,日立门机特殊运行模式使用,关门15s未关好,即使长按轿内关门按钮或者厅外上下召唤有输入,电梯强制关门,触板动作有效,光电有效,开门按钮无效z101ct 40060 118050------K750 关门相关,日立门机特殊运行模式使用或者C故障时蜂鸣器响30sz101wt 40068 118058K4500 日立门机特殊运行模式使用时3分钟后照明灯熄灯zx40gt 40070 118060------K755 轿门锁并且强制关门关好3s后,该计数器计数值=-1,用于计算Z101A关门指令,保证在关门极限失效的情况下电梯开门放人出去z10xt 40078 118068------K75 对应盲人规格的电梯自救运行时蜂鸣器鸣响的持续时间z10t 40080 118070------K50 X40D输入2s后驱动10T接触器,门锁动作2s后才确认电梯进入运行状态z10at40088 118078------K25 再启动准备,行走要求后1s检出 z10qt 40090 118080------K75 停止后3s检出z90ct40098 118088------K3 有减速要求的一次延时120msz90cmt 400a0 118090------K2 有减速要求的一次延时80msz90clt 400a8 118098------K25 有减速要求的一次延时1sz97lnt 400b0 1180a0------K25 备用z9at 400b8 1180a8------K16 与开关门有关的定时器,抱闸断电630ms后电机抱紧允许关门按钮输入z9ct 400c0 1180b0------K16 特定继电器释放630ms(未使用) zsupt 400c8 1180b8------K5 该定时器实际没有使用z50bkt 400d0 1180c0------K25 安全回路50BC输入持续1s,确认Z50B有输入,安全回路正常z60qat 400d8 1180c8------K4500 无召唤3分钟后轿厢照明熄灭zk74t 400e0 1180d0------K75 备用z44rt 400e8 1180d8------K4500 空调排水运行最下层不在时间z99pt 400f0 1180e0------K250 门区外停止10s检出(未使用) z49ht 400f8 1180e8------K50 中间层出发时的呼叫响应延时时间 z44eqt 40100 1180f0------K1500 地震相关计数器z44eqvt 40108 1180f8------K1500 地震相关计数器(未使用)z44fat 40110 118100------K5 一次消防开关投入延时(未使用)z30gt 40118 118108------K100 管制运行完成,平层后4秒后才能推出管制运行状态进入正常状态相关计数器t48at 40120 118110------K37 强制关门,群控专用t101ct 40128 118118------K30000关门超时未关好门然后反开,允许开门最大时限1200s z43vpzt 40130 118120------K125 VIP模式下强制关门t50mt 40138 118128------K750 30s有召唤但电梯启动不能t97cdt 40140 118130------K250 群控故障检出计时器,共通回路断开检出t50ckt 40148 118138------K125 50B继电器自检时间计数器5s,包括断开1s,接通1s,共2s多,加上副微机的2s,共5stx50bnt 40150 118140------K7 安全继电器短接故障300msz18at 40158 118148------K1 日立电阻式电机启动时限定时器,实际没有使用 tx10tnt 40160 118150------K25 10T运行接触器短接故障1stx10tft 40168 118158------K25 10T运行接触器断开故障1st47ret 40170 118160------K40 旋转编码器反转故障,故障持续时间160mstmtlt 40178 118168------K40 旋转编码器断线故障持续1.6stmtlxt 40180 118170------K4 没有使用tgrslt 40188 118178------K4 低速超速4stgrsht 40190 118180------K4 副微机电气限制计数器(未使用)tx97nt 40198 118188------K250 备用txdint 401a0 118190------K25 备用t50bqt 401a8 118198------K75 故障时电梯停止3s后50B安全回路继电器接通,电梯可以运行z99st 401b0 1181a0------K50 备用tx40et 401b8 1181a8------K25 轿门和厅门同时故障ON故障1stx60ant 401c0 1181b0------K12 备用tx60aft 401c8 1181b8------K12 备用z18axt 401d0 1181c0K3 日立电阻式电机启动时限定时器,实际没有使用 z92kt 401d8 1181c8------K125 备用z30galt 401e0 1181d0------K3000 因为蓄电池容量有限,停电自救运行最长时间120s计数器,载重50%以下上方向运行平层,载重50以上下方向运行平层talmlt 401e8 1181d8------K25 备用talpet 401f0 1181e0------K100 停电自救异常计数器(未使用)zalpqt 401f8 1181e8------K1500 停电自救异常计数器,安全回路60s内不能恢复正常,退出停电自救状态z43vpit 40200 1181f0------K375 VIP功能时开门延时时间z44pkt 40208 1181f8------K75 泊梯完成后3秒钟无召唤延时断开照明和风扇 tmgbrt 40210 118200K75 BCS动作ON故障(未使用)tmgbrlt 40218 118208------K1500 BCS动作ON故障(未使用)tbcst 40220 118210------K4 日本原装电机抱闸计数器,检查抱闸,补偿启动力矩(未使用)zozt 40228 118218------K7 正门或者背门在平层区状态300ms后才允许开门 zxclst 40230 118220------K25 关门相关计数器,实际没有使用zhvsrt 40238 118228------K4500 备用z10klt 40240 118230------K12000备用z102fqt 40248 118238------K750 备用tx100rt 40250 118240------K5 安全继电器短接故障200mstx43ert 40258 118248------K12 备用tx94bt 40260 118250------K12 门机超负荷计数器,电机过热,实际没有使用 z97drt 40268 118258------K5 备用zx103vt 40270 118260------K50 日立原装大功率门机通电2s后才可以动作,32位控制板输入端子增加输入口X103Vzxint 40278 118268------K75 专用模式下按开门关门按钮3s后,所有厅外报站钟亮txvchg 40280 118270------K125 备用txvchp 40288 118278------K3000 备用tgrs2ht 40290 118280------K4 高速第二速度检出(未使用)tgrs2lt 40298 118288------K4 低速第二速度检出(未使用)re2ett 402a0 118290------K25 备用zgt 402a8 118298------K1500 备用z30gret 402b0 1182a0------K4500 紧急呼叫运行3分钟z48at 402b8 1182a8------K125 TFDC回路,开关门控制电路(开门延时时间),开门后默认延时5s后自动关门,程序中追加选择模块,根据不同的召唤响应不同的延时时间z100t 402c0 1182b0------K25 出发准备,运行准备完了,关门请求Z100=-1后,延时1s再输出关门出发t48ast 402c8 1182b8------K32767强制关门,群控专用,关门15s未关好,即使长按轿内开门按钮或者厅外有上下召唤输入,电梯强制关门,触板动作有效,光电开门有效,开门按钮无效t101t 402d0 1182c0------K300 关门超时未关好门最大时限12s,关门过程中最大时间t102t 402d8 1182c8------K375 开门超时未开好门最大时限15s,开门过程中最大时间z100pt 402e0 1182d0------K4 低速超速故障持续时间160mz60qt 402e8 1182d8------K32767井道照明灯灭灯用计数器z60t 402f0 1182e0------K32767日立电阻式电机起动延时,ZIB ()中修改时间160ms,实际没有使用z100pht 402f8 1182e8------K375 开门延时灯用计数器15s,群控用z45rt 40300 1182f0------K25 内召取消定时器,轿内误指令取消时,按下召唤后,再按下该召唤,保持时间1s,电梯召唤消号,并且3s内禁止该楼层再次登记内召z45rct 40308 1182f8------K75 内召取消定时器,轿内误指令取消时,3s内禁止该楼层再次登记内召t94t 40310 118300------K4500 日本原装电机热敏电阻动作计数器3min,现不用 z44ct 40318 118308------K30000空调排水运行最下层不在时间20minz30gct 40320 118310------K250 空调排水运行10sz44ynt 40328 118318------K500 空调排水运行最下层不在检出20szxcd1t 40330 118320------K0 备用zcd1t 40338 118328------K0 备用zxcd2t 40340 118330------K0 备用zcd2t 40348 118338------K0 备用zblt 40350 118340------K0 备用zxefst 40358 118348------K0 备用zgxt 40360 118350------K0 备用z60qbgct 40368 118358------K0 备用zbzt 40370 118360------K1500 蜂鸣器延时60szxclt 40378 118368------K0 按下关门按钮后,延时关门,现在取消定时器,不需延时z50bt 40380 118370------K0 备用zxopt 40388 118378------K0 按下开门按钮后,延时开门,现在取消定时器,不需延时z100pt 40390 118380------K0 开门延时时限用计数器tx15bft 40398 118388------K25 抱闸接触器断开故障1stx15bnt 403a0 118390------K12 15b短接故障480mstx50bft 403a8 118398------K7 50b断开故障280msv15bt 403b0 1183a0------K37 15B抱闸接触器断开后延时1.5s(未使用)v15btb 403b8 1183a8------K25 15B抱闸接触器断开后延时1sv15btc 403c0 1183b0------K15 15B抱闸接触器断开后延时600ms(未使用)z49fmt 403c8 1183b8------K25 层高测定延时1s等待DSP确认可进行层高测定 invstopt 403d0 1183c0------K25 DSP停机信号故障延时1szdrft 403d8 1183c8------K250 门微机故障持续时间10sz10lwt 403e0 1183d0------K25 自救运行模式(同检修速度)许可需延时1s后运行 tbcom_errt 403e8 1183d8------K25 厅外召唤通讯错误1stccom_errt 403f0 1183e0------K128 厅外召唤通讯错误5stcpu08errt 403f8 1183e8------K18 轿厢通讯错误720msx10tt 40400 1183f0------K5 10T运行接触器反馈持续200s,确认10T有反馈输入 v16nert 40408 1183f8------K25 微动平层指令发出,DSP没有发出速度指令1stcpu08errt140410 118400------K7 轿厢通讯错误280mstcpu08errt240418 118408------K25 轿厢通讯错误1szx43ct 40420 118410------K75 检修状态变化后3秒钟禁止运行tx40d 40428 118418------K20 厅门锁继电器反馈触点与厅门锁接触器反馈触点不一致故障800mstx40g 40430 118420------K20 轿门锁继电器反馈触点与轿门锁接触器反馈触点不一致故障800mstx50bcnt 40438 118428------K12 备用tx50bcft 40440 118430------K12 备用csjnt 40448 118438------K7 微动平层csj继电器短接故障持续时间(未使用) csjft 40450 118440------K7 微动平层csj继电器短接故障持续时间(未使用) v16errt 40458 118448------K250 电梯微动平层超时持续1sz43cerr 40460 118450------K25 电梯检修状态异常保持1sinvwarnt 40468 118458------K75 变频器预报警持续3sz10err2 40470 118460------K250 0t故障持续时间10s,爬行速度异常z10err1 40478 118468------K250 10t故障持续时间10s,起动速度控制异常 kpcnt 40480 118470------K7 微动平层kpc继电器短接故障(未使用) z97mt 40488 118478------K75 停电柜上电延时3秒确认(未使用) zhot 40490 118480------K225 电机过热9stx15bbnt 40498 118488------K37 电机抱闸短接故障1.5stx15bbft 404a0 118490------K50 电机抱闸断开故障2sHtdsp 404a8 118498------K12 DSP安全输入校验出错480msT imera[147] 404b0 1184a0------K0 备用T imera[148] 404b8 1184a8------K0 备用T imera[149] 404c0 1184b0------K0 备用T imera[150] 404c8 1184b8------K0 备用T imera[151] 404d0 1184c0------K0 备用T imera[152] 404d8 1184c8------K0 备用T imera[153] 404e0 1184d0------K0 备用T imera[154] 404e8 1184d8------K0 备用T imera[155] 404f0 1184e0------K0 备用T imera[156] 404f8 1184e8------K0 备用T imera[157] 40500 1184f0------K0 备用T imera[158] 40508 1184f8------K0 备用T imera[159] 40510 118500------K0 备用hxspeed 40518 118508------K** 运行速度计算常数计算公式:D/I/R*298577ispeed 4051c 11850c------K** 最大速度设置(米/分)hxop 4051e 11850e------K0 开门按钮有效hchr 40520 118510------K0 残疾人功能有效hstpop 40522 118512------K65535运行后停止开门h44t 40524 118514K65535K0 自发电继续运行有效,-1有效,0无效h45cl 40526 118516------K65535恶作剧呼叫取消h500cl 40528 118518------K0 不停止开关ON时已登记的轿箱呼叫马上取消ht48aq 4052a 11851a K65535K0 开门限制取消,群控时为-1,单控或并联时为0 hrdtc 4052c 11851c------K0 按下开门按钮或碰触板时开门延时重新计算 hnan 4052e 11851e K65535K0 语音报站,-1有效,0无效hx97n 40530 118520------K0 自发电管制运行禁止h45clc 40532 118522------K6 恶作剧呼叫确认时的最少登记的指令数h60qt0 40534 118524------K4500 3分钟无呼叫检出用的延时h60qt1 40536 118526------K3000030分钟无呼叫检出用的延时hw48ast 40538 118528------K375 15秒强制关门的延时helno 4053a 11852a------K0 并联群控梯号规格表层楼修改项 计算公式:梯号+(255-梯号)*256Hz48at[0] 4053c 11852c------K0 默认开门延时用规格,根据不同的运行模式,共10种Hz48at[1] 4053e 11852e------K0 备用Hz48at[2] 40540 118530------K62.5 轿厢指令延时开门时间Hz48at[3] 40542 118532------K87.5 厅外指令延时开门时间Hz48at[4] 40544 118534------K125 基站指令延时开门时间Hz48at[5] 40546 118536------K250 备用Hz48at[6] 40548 118538------K375 备用Hz48at[7] 4054a 11853a------K750 备用Hz48at[8] 4054c 11853c------K1500 备用Hz48at[9] 4054e 11853e------K62.5 备用Hn30fn[0] 40550 118540------K0 基站规格,根据不同的运行模式,共10种Hn30fn[1] 40552 118542------K** 最底层Hn30fn[2] 40554 118544------K** 最高站Hn30fn[3] 40556 118546------K** 消防避难层Hn30fn[4] 40558 118548------K** 泊梯层Hn30fn[5] 4055a 11854a------K** 自发电的避难层Hn30fn[6] 4055c 11854c------K0 备用Hn30fn[7] 4055e 11854e------K0 备用Hn30fn[8] 40560 118550------K0 备用Hn30fn[9] 40562 118552------K0 备用hshoec 40564 118554K65535K0 安全触板短接开关有效,0有效,-1无效,没有使用 hphbac 40566 118556K65535K0 光电保护短接开门有效,0有效,-1无效,没有使用 h44eqc 40568 118558K65535K0 地震运行无效,-1有效,0无效h44f 4056a 11855a------K0 日立消防运行hkfsd 4056c 11855c------K65535香港消防运行规格hnudg 4056e 11855e------K0 日立门机特殊运行模式使能hors 40570 118560------K65535门过力矩反转有效hthr 40572 118562K65535K0 双开门,-1有效,0无效hcshoe 40574 118564------K0 日立双触板(中分门)hmcip 40576 118566K65535K0 群控,-1有效,0无效h43w 40578 118568------K0 观光梯hmsk 4057a 11856a K65535K0 单梯,-1有效,0无效hn500m 4057c 11856c------K0 备用hudq 4057e 11856e------K0 备用h45r 40580 118570------K65535电梯运行方向反转时,取消所有轿箱内指令h65 40582 118572------K65535满载直驶功能h49h 40584 118574------K0 高速自救允许h10kl 40586 118576------K0 备用hc74 40588 118578K65535K0 轿内报站钟允许,-1有效,0无效hh74cm 4058a 11857a------K0 厅外报站钟允许,没有使用hh74 4058c 11857c------K0 厅外报站灯允许,没有使用h44c 4058e 11857e------K0 备用h30eop 40590 118580------K0 备用hcpm 40592 118582------K0 日立监视屏,没有使用hdind 40594 118584------K0 备用hvcht 40596 118586------K0 备用hnstqtm 40598 118588------K0 备用hnstq1 4059a 11858a------K0 备用hnstq2 4059c 11858c------K0 备用hnstq3 4059e 11858e------K0 备用hpksw1 405a0 118590------K0 备用hxsped2 405a2 118592------K0 备用hpksw2 405a4 118594------K0 备用h60la 405a6 118596------K15 备用hindf 405a8 118598------K0 备用hcagef 405aa 11859a------K0 备用hsupf 405ac 11859c------K0 备用hteiin 405ae 11859e------K** 载人数 计算公式:载重/75 hdcccd 405b0 1185a0------K800 备用hnanf 405b2 1185a2------K0 备用hchrm 405b4 1185a4------K0 备用hthrm 405b6 1185a6------K0 允许外召类型h900plc 405b8 1185a8------K19216备用hxsped 405ba 1185aa------K873 备用hbz 406bc 1186ac K** K0 蜂鸣器响设定,01允许地震管制运行中,02火灾管制中,03自发电管制运行中,04停电自救状态中hbl 405be 1185ae------K0 备用hn65c 405c0 1185b0------K0 特殊直驶模式的特定层设定h30frt 405c2 1185b2------K0 备用h65c 405c4 1185b4------K0 特殊直驶模式有效,-1有效,0无效h711h0 405c6 1185b6------K0 备用h711h1 405c8 1185b8------K0 备用h711h2 405ca 1185ba------K0 备用h711h3 405cc 1185bc------K0 备用hw48at0 405ce 1185be------K62.5 轿内指令到达开门延时设置,以40毫秒为单位 hw48at1 405d0 1185c0------K87.5 厅外指令到达开门延时设置hw48at2 405d2 1185c2------K250 残疾人召唤检出开门延时设置hw48at3 405d4 1185c4------K375 备用hw100pt 405d6 1185c6------K4500 延长开门时间(3分钟)h45ra 405d8 1185c8K65535K0 轿内误指令取消,-1有效,0无效hpkfn 405da 1185ca------K** 泊梯层设置标记处数hdlmg 405dc1185cc------K0 重型连杆门机有效,-1有效,0无效hlink 405de1185ce K65535K0 变频门机有效,-1有效,0无效hin30 405e01185d0K65535K0 轿内检修开关,-1=保留轿内检修,0=没有轿内检修 hvcnt 405e21185d2------K65535电压型变频电梯,现在标准使用的电机hemfn 405e41185d4------K** 管制运行避难层hguid 405e61185d6------K0 备用hbcs 405e81185d8------K0 备用hn65rg2 405ea1185da K65535K0 模拟量称重有效,-1有效,0无效h16a 405ec1185dc K65535K0 微动平层有效,-1有效,0无效h90a 405ee1185de K65535K0 备用hcal1 405f01185e0------K0 备用hcal2 405f21185e2------K0 备用hcal3 405f41185e4------K0 备用hcdrg1 405f61185e6------K0 备用hcdrg2 405f81185e8------K0 备用hcdrg3 405fa1185ea------K0 备用hxcdrg 405fc1185ec------K0 备用hcdmd 405fe1185ee------K0 备用hdtm 406001185f0------K0 备用hcdrg 406021185f2------K0 密码层设定有效,-1有效,0无效hrunovert 406041185f4------K1125 层间运行超时时间设置(40毫秒单位)h211hu 406081185f8K** K0 上召服务层,除顶楼外可停靠楼层(33~64层)h211hu 4060c1185fc K** K0 上召服务层,除顶楼外可停靠楼层(1~32层) h211hd 40610118600K** K0 下召服务层,除底楼外可停靠楼层(33~64层)h211hd 40614118604K** K0 下召服务层,除底楼外可停靠楼层(1~32层) h211c1 40618118608K** K0 a门内召服务层,所有可停靠楼层(33~64层)h211c1 4061c11860c K** K0 a门内召服务层,所有可停靠楼层(1~32层)h211c2 40620118610K** K0 a门内召服务层,所有不可停靠楼层(33~64层)h211c2 40624118614K** K0 a门内召服务层,所有不可停靠楼层(1~32层) h211cb1 40628118618K** K0 b门内召服务层,所有可停靠楼层(33~64层)h211cb1 4062c11861c K** K0 b门内召服务层,所有可停靠楼层(1~32层)h211cb2 40630118620K** K0 b门内召服务层,所有不可停靠楼层(33~64层)h211cb2 40634118624K** K0 b门内召服务层,所有不可停靠楼层(1~32层)h411ud 40638118628------K0 备用 h411ud 4063c11862c------K0 备用 h211cd 40640118630------K0 备用 h211cd 40644118634------K0 备用hp900f 40648118638K** K0 并联底层不同时无地下层的电梯设置为底层相差的层数,规格表层楼修改项hbiao 4064a11863a65535 K0 备用h12a 4064c11863c65535 K0 双开门=-1,单开门=0h97mgr 4064e11863e65535 K0 停电柜运行,-1有效,0无效 h101a 40650118640K** K0 主门开关门服务层(33~64层)h101a 40654118644K** K0 主门开关门服务层(1~32层) h101b 40658118648K** K0 副门开关门服务层(33~64层)h101b 4065c11864c K** K0 副门开关门服务层(1~32层)iflsp 40660118650------K** 楼层规格设置:第7位为1表示该层有平层隔磁板,第6位为1表示该层可开门,0~5位为楼层序号,不存在的楼层设为0,1楼(1~64层)iflpt 406a0118690------K** 楼层规格设置(1~64层) vinp1[0] 40720118710------H1203BA 开门极限输入vinp1[1] 40724118714------H1203B2 轿顶上行vinp1[2] 40728118718------H1203B4 轿顶下行vinp1[3] 4072c11871c------H0备用vinp1[4] 40730118720------H1202BE 安全触板输入vinp1[5] 40734118724------H1202C8 电机过热输入vinp1[6] 40738118728------H12040A 110%负载输入vinp1[7] 4073c11872c------H120400 开门按钮输入vinp2[0] 40740118730------H120422 平层感应器输入vinp2[1] 40744118734------H1217B4 双开门主门平层感应器输入 vinp2[2] 40748118738------H120420 厅门锁安全继电器触点输入 vinp2[3] 4074c11873c------H120ACC 强地震输入状态vinp2[4] 40750118740------H12042C轿厢门锁安全继电器触点输入 vinp2[5] 40754118744------H1202BA 轿内检修输入vinp2[6] 40758118748------H1202BC 轿顶检修输入vinp2[7] 4075c11874c------H1203B8 关门极限输入vinp3[0] 40760118750------H1217B8 自发电返基站避难层vinp3[1] 40764118754------H120AE4 自发电继续运行vinp3[2] 40768118758------H1217B8 双开门副门触板输入vinp3[3] 4076c11875c------H1217BA 双开门副门关门极限输入 vinp3[4] 40770118760------H1217BC 双开门副门开门极限输入 vinp3[5] 40774118764------H1217BE 双开门副门光电保护输入 vinp3[6] 40778118768------H1217C4 停电自救输入vinp3[7] 4077c11876c------H1217B6 双开门副门平层感应器输入 vinp4[0] 40780118770------H1217C0 抱闸制动器反馈1vinp4[1] 40784118774------H120386 微动上行感应器vinp4[2] 40788118778------H120388 微动下行感应器vinp4[3] 4078c11877c------H1217C2 抱闸制动器反馈2vinp4[4] 40790118780------H0备用vinp4[5] 40794118784------H120B0E 消防开关输入vinp4[6] 40798118788------H120408 光电保护输入vinp4[7] 4079c11878c------H1202C0 自发电状态输入vinp5[0] 407a0118790------H12042E 上行一级减速开门vinp5[1] 407a4118794------H120430 上行二级减速开门vinp5[2] 407a8118798------H120432 上行三级减速开门vinp5[3] 407ac11879c------H120424 上极限输入vinp5[4] 407b01187a0------H12041A 安全继电器输入vinp5[5] 407b41187a4------H1217CA 厅门锁输入vinp5[6] 407b81187a8------H120440微动平层继电器vinp5[7] 407bc1187ac------H12041E 安全回路状态输入vinp6[0] 407c01187b0------H1217C6 主控板48V电压输入确认 vinp6[1] 407c41187b4------H120414 抱闸接触器反馈输入vinp6[2] 407c81187b8------H1202CC 10T反馈触点vinp6[3] 407cc1187bc------H1217C8 轿门锁输入vinp6[4] 407d01187c0------H120434 下行一级减速开门vinp6[5] 407d41187c4------H120436 下行二级减速开门vinp6[6] 407d81187c8------H120438 下行三级减速开门vinp6[7] 407dc1187cc------H120426 下极限输入vinp9[0] 407e01187d0------H1203B0 轿顶关门vinp9[1] 407e41187d4------H120402关门按钮输入vinp9[2] 407e8 1187d8------H0备用vinp9[3] 407ec 1187dc------H0备用vinp9[4] 407f0 1187e0------H1203D8 专用状态vinp9[5] 407f4 1187e4------H1203F0 司机状态输入vinp9[6] 407f8 1187e8------H1203E2 司机出发按钮vinp9[7] 407fc 1187ec------H1203DE 司机上行vinp10[0] 40800 1187f0------H1203E0 司机下行vinp10[1] 40804 1187f4------H1203E6 司机通过vinp10[2] 40808 1187f8------H1203EE 门过力矩反转开关vinp10[3] 4080c 1187fc------H12086C 轿内不停层开关1vinp10[4] 40810 118800------H1203AA 门机故障vinp10[5] 40814 118804------H120ABE 门宽自检输入vinp10[6] 40818 118808------H120404 延长开门vinp10[7] 4081c 11880c------H0备用vinp11[0] 40820 118810------H120AFA A板键盘进入MOD1状态vinp11[1] 40824 118814------H12089A A板键盘进入层高测定状态vinp11[2] 40828 118818------H120AEC A板键盘进入机房检修状态vinp11[3] 4082c 11881c------H120246 A板键盘清除故障标志vinp11[4] 40830 118820------H120B14 A板键盘进入110%负载取消状态 vinp11[5] 40834 118824------H120AF2 A板键盘长按INC键vinp11[6] 40838 118828------H120AF6 A板键盘长按SET键vinp11[7] 4083c 11882c------H120B00 A板键盘进入MOD6状态voup8[0] 40840 118830------H1204A2 满载直驶标志voup8[1] 40844 118834------H12044C 检修状态(轿顶+轿内)voup8[2] 40848 118838------H1204A2 满载直驶标志voup8[3] 4084c 11883c------H0备用voup8[4] 40850 118840------H0备用voup8[5] 40854 118844------H0备用voup8[6] 40858 118848------H0备用voup8[7] 4085c 11884c------H0备用voup5[0] 40860 118850------H120714 轿顶蜂鸣器输出voup5[1] 40864 118854------H120D6E 本地响应有效标志voup5[2] 40868 118858------H0备用voup5[3] 4086c 11885c------H0备用voup5[4] 40870 118860------H120D66 上行报站钟voup5[5] 40874 118864------H120D68 下行报站钟voup5[6] 40878 118868------H0备用voup5[7] 4087c 11886c------H0备用voup4[0] 40880 118870------H12049A 超载灯voup4[1] 40884 118874------H12083C 消防灯voup4[2] 40888 118878------H12070E 轿内延时开门按钮灯voup4[3] 4088c 11887c------H120710 轿内开门灯输出voup4[4] 40890 118880------H0备用voup4[5] 40894 118884------H0备用voup4[6] 40898 118888------H120D6C 语音报站方向voup4[7] 4089c 11888c------H120D6A 语音报站voup3[0] 408a0 118890------H120286 10T实际输出(延时断开)voup3[1] 408a4 118894------H120354 安全回路继电器输出voup3[2] 408a8 118898------H1201FE 微动平层继电器延时断开voup3[3] 408ac 11889c------H1202D0 抱闸接触器输出voup3[4] 408b0 1188a0------H0备用voup3[5] 408b4 1188a4------H0备用voup3[6] 408b8 1188a8------H0备用voup3[7] 408bc 1188ac------H0备用voup2[0] 408c0 1188b0------H1201EC 变频器上行指令voup2[1] 408c4 1188b4------H1201EE 变频器下行指令voup2[2] 408c8 1188b8------H12049E 超前层减速条件检出voup2[3] 408cc 1188bc------H0备用voup2[4] 408d0 1188c0------H12023E 关门输出voup2[5] 408d4 1188c4------H120240 开门输出voup2[6] 408d8 1188c8------H120462 轿厢照明电源切断输出voup2[7] 408dc 1188cc------H12021C 门机电源输出voup1[0] 408e0 1188d0------H1205C0 开门区输出voup1[1] 408e4 1188d4------H1203A8 消防员呼回运行结束,到达消防基站至少一次 voup1[2] 408e8 1188d8------H120284 变频器允许运行指令voup1[3] 408ec 1188dc------H1200BE 允许高速运行voup1[4] 408f0 1188e0------H1200C0 允许低速运行voup1[5] 408f4 1188e4------H1200C2 允许微动运行voup1[6] 408f8 1188e8------H1200B2 管理DSP给出的停梯信号voup1[7] 408fc 1188ec------H1201FE 微动平层继电器延时断开vitbl 40900 1188f0------K** C板、B板输入信号处理vincnt 40ab8 118aa8------K** 假想输入项数votbl 40abc 118aac------K** C板、B板输出信号处理voutcnt 40c8c 118c7c------K** 假想输出项数cdisp_tbl40c90 118c80------K** 厅外C板显示代码(1~64层)bdisp_tbl40d10 118d00------K** 轿厢B板显示代码(1~64层)ia43c40d90 118d80K65535K0 有轿厢检修开关:-1,无轿厢检修开关:0ispcode 40d92 118d82------K** 速度代码imctype 40d94 118d84------K** 曳引机类型iretype 40d96 118d86------K** 旋转编码器类型iroll 40d98 118d88------K** 1->1比1吊挂;2->2比1吊挂hspd 40d9a 118d8a------K** 速度代码对应的速度值hsdsl1 40db2 118da2------K** SDS开关实际安装距离hsdsl2 40dca 118dba------K** SDS开关实际安装距离hsdsl3 40de2 118dd2------K** SDS开关实际安装距离hmci 40dfa 118dea------K** 曳引机减速比hmcd 40e2a 118e1a------K** 绳轮直径hrepulse 40e5a 118e4a------K1024 普通RE旋转编码器脉冲数hrepulse 40e5c 118e4c------K1500 6极电机RE旋转编码器脉冲数hrepulse 40e5e 118e4e------K1 备用hrepulse 40e60 118e50------K1 备用ispc1 40e64 118e54K509571346 π*65536*25*99/100*100,用于计算速度(mm/s) ispc2 40e68 118e58K305742807 π*65536*25*60*99/100, 用于计算速度(m/min) ipi 40e6c 118e5c K205887 π*65536im30fn[0] 40e70 118e60------K0 无基站和分散层,实际没有使用 (群控基站设置,规格表层楼修改项)im30fn[1] 40e71 118e61------K** 基站1,bit8=到达基站后上箭头显示,bit7=到达基站后下箭头显示,bit6~bit0基站设置,如果取消30秒自返基站功能=0x00im30fn[2] 40e72 118e62------K0 基站2,与基站1定义相同,可以通过外部输入切换基站1和2im30fn[3] 40e73 118e63------K** 分散层1、中间层1,(站数+隔磁板数)/2取整 im30fn[4] 40e74 118e64------K0 分散层2、中间层2im30fn[5] 40e75 118e65------K0 下班时的上升层1im30fn[6] 40e76 118e66------K0 下班时的上升层2im30fn[7] 40e77 118e67------K0 备用gk48at 40e78 118e68------K29 群控故障定时器5s(170ms为单位)gk48bt 40e88 118e78------K88 群控故障定时器15s(170ms为单位)gk48ct 40e98 118e88------K1059 群控故障定时器180s(170ms为单位)gk500qt 40ea8 118e98------K29 群控故障定时器5s(170ms为单位)gtk50mt 40eb8 118ea8------K324 群控故障定时器55s(170ms为单位)ix30k 40ec8 118eb8------------选择变量hm600i 40ecc 118ebc------K65535外招分配许可,-1有效,0无效ix7000n 40ece 118ebe------K6 最大同时处理的外召按钮数im68gm 40ed0 118ec0------------强制返回基站层,-1有效,0无效im65wb 40ed2 118ec2------K80 满载直驶的检测值im68z 40ed4 118ec4------K25 区域分散的区域优先值,2.5si76spt 40ed6 118ec6------K** 群控分配常数imtelvip 40ef6 118ee6------K0 备用i43pr 40ef8 118ee8------K0 备用im43lv 40efa 118eea------K0 备用ichraon 40efc 118eec------K0 备用imchr 40efe 118eee------K0 备用imvip 40f00 118ef0------K0 备用i73 40f02 118ef2------K0 备用iaxdopq 40f04 118ef4------K0 备用ia50rq 40f06 118ef6------K0 备用i36gs 40f08 118ef8------K0 备用i36gu 40f0a 118efa------K0 备用iysno2 40f0c 118efc------K0 备用i74lbq 40f0e 118efe------K0 备用im30p 40f10 118f00------K0 备用标记处数im200 40f12 118f02------K0 备用h211hur 40f18 118f08------K0 所有指令失效后的停止层(33~64)h211hur 40f1c 118f0c------K1 所有指令失效后的停止层(1~32)hx211 40f20 118f10K** K0 不停层设置(33~64层)hx211 40f24 118f14K** K0 不停层设置(1~32层)hx211 40f28 118f18------K0 备用hx211 40f2c 118f1c------K0 备用hx211 40f30 118f20------K0 备用hx211 40f34 118f24------K0 备用hx211 40f38 118f28------K0 备用hx211 40f3c 118f2c------K0 备用i200r 40f40 118f30------K0 备用ixnst0 40f50 118f40------K0 电梯电源上电正常,并且延时3s已通过 ixnst1 40f5c 118f4c------K0 电梯电源上电正常,并且延时3s已通过 ixnst2 40f68 118f58------K0 备用ixnst3 40f74 118f64------K0 备用ixnst440f80 118f70------K** 不停层开关ixnst540f8c 118f7c------K** 不停层开关ixnst640f98 118f88------K0 备用ixnst7 40fa4 118f94------K0 备用ik211c 40fb0 118fa0K** K0 一号梯梯服务楼层(33~64层)ik211c 40fb4 118fa4K** K0 一号梯梯服务楼层(1~32层)ik211c 40fb8 118fa8K** K0 二号梯梯服务楼层(33~64层)ik211c 40fbc 118fac K** K0 二号梯梯服务楼层(1~32层)ik211c 40fc0 118fb0K** K0 三号梯梯服务楼层(33~64层)ik211c 40fc4 118fb4K** K0 三号梯梯服务楼层(1~32层)ik211c 40fc8 118fb8K** K0 四号梯梯服务楼层(33~64层)ik211c 40fcc 118fbc K** K0 四号梯梯服务楼层(1~32层)im700cl 40fd0 118fc0------K0 备用im68zq 40fd2 118fc2------K0 备用ik68t 40fd4 118fc4------K176 分散等待时间(30秒*1000/170)ik63l 40fd6 118fc6------K0 备用gvin0 40fd8 118fc8------------通讯数据包解码设定1gvin1 40ff8 118fe8------------通讯数据包解码设定2 gvin2 41018 119008------------通讯数据包解码设定3 gvin3 41038 119028------------通讯数据包解码设定4 gvintbl 41058 119048------------通讯输入数据表h16acnt 41118 119108------K** 微动平层运行距离最大保护值 计算公式:150/3.14/D*I*R*Nhgcom 4111c 11910c------K** 日立新增群控并联梯数hmcdec 41120 119110------K** 制动器动作的减速度计算公式:625*3.14*D*65536/3000/N/I/Rhsds1pls 41124 119114------K** 一级强迫减速距离对应的脉冲数计算公式:(1级强迫减速开关距离平层的距离-50)毫米/3.14/D*I*R*Nhsds2pls 41128 119118------K** 二级强迫减速距离对应的脉冲数计算公式:(2级强迫减速开关距离平层的距离-50)毫米/3.14/D*I*R*Nhsds3pls 4112c 11911c------K** 三级强迫减速距离对应的脉冲数计算公式:(3级强迫减速开关距离平层的距离-50)毫米/3.14/D*I*R*Nh16revlim 41130 119120------K** 微动平层反转脉冲数限制计算公式:100/3.14/D*I*R*Nendofsp 41134 1191241520824046 规格表结束标志GVF-III规格表参数说明修改记录表版本号修改原因修改内容摘要修改人修改日期备注。
阅读说明 GVF-III电梯EVECD微机所用的规格表参数ROM地址的范围为40018-41134,其中40018-40517为定时器设定区,40720-40899为IO变量设定区;RAM地址为118008—119124,其中118008—118507为定时器设定区,118710—1188ef为IO变量设定区。
参数说明中代号说明: “k**”表示其对应数据寄存器的数据是以十进制方式表示,具体数值根据不 同的设定而不同。
“有功能”是指电梯具有某特定功能时数据寄存器的设定值。
“无功能”是指电梯不设定某特定功能时数据寄存器的设定值。
“------”是指设定数据寄存器参数时不需要考虑电梯是否具有某特定功能。
计算公式中符号说明: I为曳引比。
D为绳轮直径(mm)。
R为减速比。
N为旋转编码器脉冲数。
z97t 40018 118008------K75 上电3秒延时确认 z102ft 40020 118010------K15 平层区确认延时630ms才输出ZOZ平层可开门信号 zdt 40028 118018K5 双开门使用,A门关好后200msB门再开门 z100at 40030 118020------K25 出发准备,运行准备完了,关门请求Z100=-1后,延时1S再输出关门出发 zhsdst 40038 118028------K375 日立原装超声波门机使用,类似光电开关ZPHBAT作用zphbat 40040 118030------K25 门光电开门动作时间,光电开门动作后门开好,延时1S后再调用Z48AT,开门延时5S后才关门,延长开门保持时间 z102t 40048 118038------K375 开门过程最长时间 zdst 40050 118040------K12 电梯停在当前层,按下当前层的轿内或者厅外召唤时延时500ms才响应内外召唤,用于计算z63cf,z63cr,z63hf,z63hrz101nt 40058 118048------K375 关门相关,日立门机特殊运行模式使用,关门15s未关好,即使长按轿内关门按钮或者厅外上下召唤有输入,电梯强制关门,触板动作有效,光电有效,开门按钮无效 z101ct 40060 118050------K750 关门相关,日立门机特殊运行模式使用或者C故障时蜂鸣器响30sz101wt 40068 118058K4500 日立门机特殊运行模式使用时3分钟后照明灯熄灯 zx40gt 40070 118060------K755 轿门锁并且强制关门关好3s后,该计数器计数值=-1,用于计算Z101A关门指令,保证在关门极限失效的情况下电梯开门放人出去 z10xt 40078 118068------K75 对应盲人规格的电梯自救运行时蜂鸣器鸣响的持续时间 z10t 40080 118070------K50 X40D输入2s后驱动10T接触器,门锁动作2s后才确认电梯进入运行状态 z10at40088 118078------K25 再启动准备,行走要求后1s检出 z10qt 40090 118080------K75 停止后3s检出 z90ct40098 118088------K3 有减速要求的一次延时120msz90cmt 400a0 118090------K2 有减速要求的一次延时80msz90clt 400a8 118098------K25 有减速要求的一次延时1sz97lnt 400b0 1180a0------K25 备用 z9at 400b8 1180a8------K16 与开关门有关的定时器,抱闸断电630ms后电机抱紧允许关门按钮输入 z9ct 400c0 1180b0------K16 特定继电器释放630ms(未使用) zsupt 400c8 1180b8------K5 该定时器实际没有使用 z50bkt 400d0 1180c0------K25 安全回路50BC输入持续1s,确认Z50B有输入,安全回路正常 z60qat 400d8 1180c8------K4500 无召唤3分钟后轿厢照明熄灭 zk74t 400e0 1180d0------K75 备用 z44rt 400e8 1180d8------K4500 空调排水运行最下层不在时间 z99pt 400f0 1180e0------K250 门区外停止10s检出(未使用) z49ht 400f8 1180e8------K50 中间层出发时的呼叫响应延时时间 z44eqt 40100 1180f0------K1500 地震相关计数器 z44eqvt 40108 1180f8------K1500 地震相关计数器(未使用) z44fat 40110 118100------K5 一次消防开关投入延时(未使用) z30gt 40118 118108------K100 管制运行完成,平层后4秒后才能推出管制运行状态进入正常状态相关计数器 t48at 40120 118110------K37 强制关门,群控专用 t101ct 40128 118118------K30000关门超时未关好门然后反开,允许开门最大时限1200s z43vpzt 40130 118120------K125 VIP模式下强制关门 t50mt 40138 118128------K750 30s有召唤但电梯启动不能 t97cdt 40140 118130------K250 群控故障检出计时器,共通回路断开检出 t50ckt 40148 118138------K125 50B继电器自检时间计数器5s,包括断开1s,接通1s,共2s多,加上副微机的2s,共5stx50bnt 40150 118140------K7 安全继电器短接故障300msz18at 40158 118148------K1 日立电阻式电机启动时限定时器,实际没有使用 tx10tnt 40160 118150------K25 10T运行接触器短接故障1stx10tft 40168 118158------K25 10T运行接触器断开故障1st47ret 40170 118160------K40 旋转编码器反转故障,故障持续时间160ms tmtlt 40178 118168------K40 旋转编码器断线故障持续 1.6stmtlxt 40180 118170------K4 没有使用 tgrslt 40188 118178------K4 低速超速4stgrsht 40190 118180------K4 副微机电气限制计数器(未使用) tx97nt 40198 118188------K250 备用 txdint 401a0 118190------K25 备用 t50bqt 401a8 118198------K75 故障时电梯停止3s后50B安全回路继电器接通,电梯可以运行 z99st 401b0 1181a0------K50 备用 tx40et 401b8 1181a8------K25 轿门和厅门同时故障ON故障1stx60ant 401c0 1181b0------K12 备用 tx60aft 401c8 1181b8------K12 备用 z18axt 401d0 1181c0K3 日立电阻式电机启动时限定时器,实际没有使用 z92kt 401d8 1181c8------K125 备用 z30galt 401e0 1181d0------K3000 因为蓄电池容量有限,停电自救运行最长时间120s计数器,载重50%以下上方向运行平层,载重50以上下方向运行平层 talmlt 401e8 1181d8------K25 备用 talpet 401f0 1181e0------K100 停电自救异常计数器(未使用) zalpqt 401f8 1181e8------K1500 停电自救异常计数器,安全回路60s内不能恢复正常,退出停电自救状态 z43vpit 40200 1181f0------K375 VIP功能时开门延时时间z44pkt 40208 1181f8------K75 泊梯完成后3秒钟无召唤延时断开照明和风扇 tmgbrt 40210 118200K75 BCS动作ON故障(未使用) tmgbrlt 40218 118208------K1500 BCS动作ON故障(未使用) tbcst 40220 118210------K4 日本原装电机抱闸计数器,检查抱闸,补偿启动力矩(未使用) zozt 40228 118218------K7 正门或者背门在平层区状态300ms后才允许开门 zxclst 40230 118220------K25 关门相关计数器,实际没有使用 zhvsrt 40238 118228------K4500 备用 z10klt 40240 118230------K12000备用 z102fqt 40248 118238------K750 备用 tx100rt 40250 118240------K5 安全继电器短接故障200mstx43ert 40258 118248------K12 备用 tx94bt 40260 118250------K12 门机超负荷计数器,电机过热,实际没有使用 z97drt 40268 118258------K5 备用 zx103vt 40270 118260------K50 日立原装大功率门机通电2s后才可以动作,32位控制板输入端子增加输入口X103Vzxint 40278 118268------K75 专用模式下按开门关门按钮3s后,所有厅外报站钟亮txvchg 40280 118270------K125 备用 txvchp 40288 118278------K3000 备用 tgrs2ht 40290 118280------K4 高速第二速度检出(未使用) tgrs2lt 40298 118288------K4 低速第二速度检出(未使用) re2ett 402a0 118290------K25 备用 zgt 402a8 118298------K1500 备用 z30gret 402b0 1182a0------K4500 紧急呼叫运行3分钟 z48at 402b8 1182a8------K125 TFDC回路,开关门控制电路(开门延时时间),开门后默认延时5s后自动关门,程序中追加选择模块,根据不同的召唤响应不同的延时时间 z100t 402c0 1182b0------K25 出发准备,运行准备完了,关门请求Z100=-1后,延时1s再输出关门出发 t48ast 402c8 1182b8------K32767强制关门,群控专用,关门15s未关好,即使长按轿内开门按钮或者厅外有上下召唤输入,电梯强制关门,触板动作有效,光电开门有效,开门按钮无效 t101t 402d0 1182c0------K300 关门超时未关好门最大时限12s,关门过程中最大时间t102t 402d8 1182c8------K375 开门超时未开好门最大时限15s,开门过程中最大时间z100pt 402e0 1182d0------K4 低速超速故障持续时间160mz60qt 402e8 1182d8------K32767井道照明灯灭灯用计数器 z60t 402f0 1182e0------K32767日立电阻式电机起动延时,ZIB ()中修改时间160ms,实际没有使用 z100pht 402f8 1182e8------K375 开门延时灯用计数器15s,群控用 z45rt 40300 1182f0------K25 内召取消定时器,轿内误指令取消时,按下召唤后,再按下该召唤,保持时间1s,电梯召唤消号,并且3s内禁止该楼层再次登记内召 z45rct 40308 1182f8------K75 内召取消定时器,轿内误指令取消时,3s内禁止该楼层再次登记内召 t94t 40310 118300------K4500 日本原装电机热敏电阻动作计数器3min,现不用 z44ct 40318 118308------K30000空调排水运行最下层不在时间20minz30gct 40320 118310------K250 空调排水运行10sz44ynt 40328 118318------K500 空调排水运行最下层不在检出20szxcd1t 40330 118320------K0 备用 zcd1t 40338 118328------K0 备用zxcd2t 40340 118330------K0 备用zcd2t 40348 118338------K0 备用zblt 40350 118340------K0 备用zxefst 40358 118348------K0 备用zgxt 40360 118350------K0 备用z60qbgct 40368 118358------K0 备用zbzt 40370 118360------K1500 蜂鸣器延时60szxclt 40378 118368------K0 按下关门按钮后,延时关门,现在取消定时器,不需延时 z50bt 40380 118370------K0 备用 zxopt 40388 118378------K0 按下开门按钮后,延时开门,现在取消定时器,不需延时 z100pt 40390 118380------K0 开门延时时限用计数器 tx15bft 40398 118388------K25 抱闸接触器断开故障1stx15bnt 403a0 118390------K12 15b短接故障480mstx50bft 403a8 118398------K7 50b断开故障280msv15bt 403b0 1183a0------K37 15B抱闸接触器断开后延时 1.5s(未使用) v15btb 403b8 1183a8------K25 15B抱闸接触器断开后延时1sv15btc 403c0 1183b0------K15 15B抱闸接触器断开后延时600ms(未使用) z49fmt 403c8 1183b8------K25 层高测定延时1s等待DSP确认可进行层高测定 invstopt 403d0 1183c0------K25 DSP停机信号故障延时1szdrft 403d8 1183c8------K250 门微机故障持续时间10sz10lwt 403e0 1183d0------K25 自救运行模式(同检修速度)许可需延时1s后运行 tbcom_errt 403e8 1183d8------K25 厅外召唤通讯错误1stccom_errt 403f0 1183e0------K128 厅外召唤通讯错误5stcpu08errt 403f8 1183e8------K18 轿厢通讯错误720msx10tt 40400 1183f0------K5 10T运行接触器反馈持续200s,确认10T有反馈输入 v16nert 40408 1183f8------K25 微动平层指令发出,DSP没有发出速度指令1stcpu08errt140410 118400------K7 轿厢通讯错误280mstcpu08errt240418 118408------K25 轿厢通讯错误1szx43ct 40420 118410------K75 检修状态变化后3秒钟禁止运行 tx40d 40428 118418------K20 厅门锁继电器反馈触点与厅门锁接触器反馈触点不一致故障800mstx40g 40430 118420------K20 轿门锁继电器反馈触点与轿门锁接触器反馈触点不一致故障800mstx50bcnt 40438 118428------K12 备用tx50bcft 40440 118430------K12 备用csjnt 40448 118438------K7 微动平层csj继电器短接故障持续时间(未使用) csjft 40450 118440------K7 微动平层csj继电器短接故障持续时间(未使用) v16errt 40458 118448------K250 电梯微动平层超时持续1sz43cerr 40460 118450------K25 电梯检修状态异常保持1sinvwarnt 40468 118458------K75 变频器预报警持续3sz10err2 40470 118460------K250 0t故障持续时间10s,爬行速度异常 z10err1 40478 118468------K250 10t故障持续时间10s,起动速度控制异常 kpcnt 40480 118470------K7 微动平层kpc继电器短接故障(未使用) z97mt 40488 118478------K75 停电柜上电延时3秒确认(未使用) zhot 40490 118480------K225 电机过热9stx15bbnt 40498 118488------K37 电机抱闸短接故障 1.5stx15bbft 404a0 118490------K50 电机抱闸断开故障2sHtdsp 404a8 118498------K12 DSP安全输入校验出错480msTimera[147] 404b0 1184a0------K0 备用 Timera[148] 404b8 1184a8------K0 备用 Timera[149] 404c0 1184b0------K0 备用 Timera[150] 404c8 1184b8------K0 备用 Timera[151] 404d0 1184c0------K0 备用 Timera[152] 404d8 1184c8------K0 备用 Timera[153] 404e0 1184d0------K0 备用 Timera[154] 404e8 1184d8------K0 备用 Timera[155] 404f0 1184e0------K0 备用 Timera[156] 404f8 1184e8------K0 备用 Timera[157] 40500 1184f0------K0 备用 Timera[158] 40508 1184f8------K0 备用 Timera[159] 40510 118500------K0 备用 hxspeed 40518 118508------K** 运行速度计算常数 计算公式:D/I/R*298577ispeed 4051c 11850c------K** 最大速度设置(米/分) hxop 4051e 11850e------K0 开门按钮有效 hchr 40520 118510------K0 残疾人功能有效 hstpop 40522 118512------K65535运行后停止开门 h44t 40524 118514K65535K0 自发电继续运行有效,-1有效,0无效 h45cl 40526 118516------K65535恶作剧呼叫取消 h500cl 40528 118518------K0 不停止开关ON时已登记的轿箱呼叫马上取消 ht48aq 4052a 11851a K65535K0 开门限制取消,群控时为-1,单控或并联时为0 hrdtc 4052c 11851c------K0 按下开门按钮或碰触板时开门延时重新计算 hnan 4052e 11851e K65535K0 语音报站,-1有效,0无效 hx97n 40530 118520------K0 自发电管制运行禁止 h45clc 40532 118522------K6 恶作剧呼叫确认时的最少登记的指令数 h60qt0 40534 118524------K4500 3分钟无呼叫检出用的延时 h60qt1 40536 118526------K3000030分钟无呼叫检出用的延时 hw48ast 40538 118528------K375 15秒强制关门的延时 helno 4053a 11852a------K0 并联群控梯号规格表层楼修改项 计算公式:梯号+(255-梯号)*256Hz48at[0] 4053c 11852c------K0 默认开门延时用规格,根据不同的运行模式,共10种Hz48at[1] 4053e 11852e------K0 备用 Hz48at[2] 40540 118530------K62.5 轿厢指令延时开门时间 Hz48at[3] 40542 118532------K87.5 厅外指令延时开门时间 Hz48at[4] 40544 118534------K125 基站指令延时开门时间 Hz48at[5] 40546 118536------K250 备用 Hz48at[6] 40548 118538------K375 备用 Hz48at[7] 4054a 11853a------K750 备用 Hz48at[8] 4054c 11853c------K1500 备用 Hz48at[9] 4054e 11853e------K62.5 备用 Hn30fn[0] 40550 118540------K0 基站规格,根据不同的运行模式,共10种 Hn30fn[1] 40552 118542------K** 最底层 Hn30fn[2] 40554 118544------K** 最高站 Hn30fn[3] 40556 118546------K** 消防避难层 Hn30fn[4] 40558 118548------K** 泊梯层 Hn30fn[5] 4055a 11854a------K** 自发电的避难层 Hn30fn[6] 4055c 11854c------K0 备用 Hn30fn[7] 4055e 11854e------K0 备用 Hn30fn[8] 40560 118550------K0 备用 Hn30fn[9] 40562 118552------K0 备用 hshoec 40564 118554K65535K0 安全触板短接开关有效,0有效,-1无效,没有使用 hphbac 40566 118556K65535K0 光电保护短接开门有效,0有效,-1无效,没有使用 h44eqc 40568 118558K65535K0 地震运行无效,-1有效,0无效 h44f 4056a 11855a------K0 日立消防运行 hkfsd 4056c 11855c------K65535香港消防运行规格 hnudg 4056e 11855e------K0 日立门机特殊运行模式使能 hors 40570 118560------K65535门过力矩反转有效 hthr 40572 118562K65535K0 双开门,-1有效,0无效 hcshoe 40574 118564------K0 日立双触板(中分门) hmcip 40576 118566K65535K0 群控,-1有效,0无效 h43w 40578 118568------K0 观光梯 hmsk 4057a 11856a K65535K0 单梯,-1有效,0无效hn500m 4057c 11856c------K0 备用 hudq 4057e 11856e------K0 备用 h45r 40580 118570------K65535电梯运行方向反转时,取消所有轿箱内指令 h65 40582 118572------K65535满载直驶功能 h49h 40584 118574------K0 高速自救允许 h10kl 40586 118576------K0 备用 hc74 40588 118578K65535K0 轿内报站钟允许,-1有效,0无效 hh74cm 4058a 11857a------K0 厅外报站钟允许,没有使用 hh74 4058c 11857c------K0 厅外报站灯允许,没有使用 h44c 4058e 11857e------K0 备用 h30eop 40590 118580------K0 备用 hcpm 40592 118582------K0 日立监视屏,没有使用 hdind 40594 118584------K0 备用 hvcht 40596 118586------K0 备用 hnstqtm 40598 118588------K0 备用 hnstq1 4059a 11858a------K0 备用 hnstq2 4059c 11858c------K0 备用 hnstq3 4059e 11858e------K0 备用 hpksw1 405a0 118590------K0 备用 hxsped2 405a2 118592------K0 备用 hpksw2 405a4 118594------K0 备用 h60la 405a6 118596------K15 备用 hindf 405a8 118598------K0 备用 hcagef 405aa 11859a------K0 备用 hsupf 405ac 11859c------K0 备用 hteiin 405ae 11859e------K** 载人数计算公式:载重/75 hdcccd 405b0 1185a0------K800 备用 hnanf 405b2 1185a2------K0 备用 hchrm 405b4 1185a4------K0 备用 hthrm 405b6 1185a6------K0 允许外召类型 h900plc 405b8 1185a8------K19216备用 hxsped 405ba 1185aa------K873 备用 hbz 406bc 1186ac K** K0 蜂鸣器响设定,01允许地震管制运行中,02火灾管制中,03自发电管制运行中,04停电自救状态中 hbl 405be 1185ae------K0 备用 hn65c 405c0 1185b0------K0 特殊直驶模式的特定层设定 h30frt 405c2 1185b2------K0 备用 h65c 405c4 1185b4------K0 特殊直驶模式有效,-1有效,0无效 h711h0 405c6 1185b6------K0 备用 h711h1 405c8 1185b8------K0 备用 h711h2 405ca 1185ba------K0 备用 h711h3 405cc 1185bc------K0 备用 hw48at0 405ce 1185be------K62.5 轿内指令到达开门延时设置,以40毫秒为单位 hw48at1 405d0 1185c0------K87.5 厅外指令到达开门延时设置 hw48at2 405d2 1185c2------K250 残疾人召唤检出开门延时设置 hw48at3 405d4 1185c4------K375 备用 hw100pt 405d6 1185c6------K4500 延长开门时间(3分钟) h45ra 405d8 1185c8K65535K0 轿内误指令取消,-1有效,0无效 hpkfn 405da 1185ca------K** 泊梯层设置 hdlmg 405dc1185cc------K0 重型连杆门机有效,-1有效,0无效 hlink 405de1185ce K65535K0 变频门机有效,-1有效,0无效 hin30 405e01185d0K65535K0 轿内检修开关,-1=保留轿内检修,0=没有轿内检修 hvcnt 405e21185d2------K65535电压型变频电梯,现在标准使用的电机 hemfn 405e41185d4------K** 管制运行避难层 hguid 405e61185d6------K0 备用 hbcs 405e81185d8------K0 备用 hn65rg2 405ea1185da K65535K0 模拟量称重有效,-1有效,0无效 h16a 405ec1185dc K65535K0 微动平层有效,-1有效,0无效 h90a 405ee1185de K65535K0 备用 hcal1 405f01185e0------K0 备用 hcal2 405f21185e2------K0 备用 hcal3 405f41185e4------K0 备用 hcdrg1 405f61185e6------K0 备用 hcdrg2 405f81185e8------K0 备用 hcdrg3 405fa1185ea------K0 备用 hxcdrg 405fc1185ec------K0 备用 hcdmd 405fe1185ee------K0 备用 hdtm 406001185f0------K0 备用 hcdrg 406021185f2------K0 密码层设定有效,-1有效,0无效 hrunovert 406041185f4------K1125 层间运行超时时间设置(40毫秒单位) h211hu 406081185f8K** K0 上召服务层,除顶楼外可停靠楼层(33~64层)h211hu 4060c1185fc K** K0 上召服务层,除顶楼外可停靠楼层(1~32层) h211hd 40610118600K** K0 下召服务层,除底楼外可停靠楼层(33~64层)h211hd 40614118604K** K0 下召服务层,除底楼外可停靠楼层(1~32层) h211c1 40618118608K** K0 a门内召服务层,所有可停靠楼层(33~64层)h211c1 4061c11860c K** K0 a门内召服务层,所有可停靠楼层(1~32层) h211c2 40620118610K** K0 a门内召服务层,所有不可停靠楼层(33~64层)h211c2 40624118614K** K0 a门内召服务层,所有不可停靠楼层(1~32层) h211cb1 40628118618K** K0 b门内召服务层,所有可停靠楼层(33~64层)h211cb1 4062c11861c K** K0 b门内召服务层,所有可停靠楼层(1~32层) h211cb2 40630118620K** K0 b门内召服务层,所有不可停靠楼层(33~64层)h211cb2 40634118624K** K0 b门内召服务层,所有不可停靠楼层(1~32层) h411ud 40638118628------K0 备用 h411ud 4063c11862c------K0 备用 h211cd 40640118630------K0 备用 h211cd 40644118634------K0 备用 hp900f 40648118638K** K0 并联底层不同时无地下层的电梯设置为底层相差的层数,规格表层楼修改项 hbiao 4064a11863a65535 K0 备用 h12a 4064c11863c65535 K0 双开门=-1,单开门=0h97mgr 4064e11863e65535 K0 停电柜运行,-1有效,0无效 h101a 40650118640K** K0 主门开关门服务层(33~64层)h101a 40654118644K** K0 主门开关门服务层(1~32层) h101b 40658118648K** K0 副门开关门服务层(33~64层)h101b 4065c11864c K** K0 副门开关门服务层(1~32层) iflsp 40660118650------K** 楼层规格设置:第7位为1表示该层有平层隔磁板,第6位为1表示该层可开门,0~5位为楼层序号,不存在的楼层设为0,1楼(1~64层)iflpt 406a0118690------K** 楼层规格设置(1~64层) vinp1[0] 40720118710------H1203BA 开门极限输入 vinp1[1] 40724118714------H1203B2 轿顶上行 vinp1[2] 40728118718------H1203B4 轿顶下行 vinp1[3] 4072c11871c------H0备用 vinp1[4] 40730118720------H1202BE 安全触板输入 vinp1[5] 40734118724------H1202C8 电机过热输入 vinp1[6] 40738118728------H12040A 110%负载输入 vinp1[7] 4073c11872c------H120400 开门按钮输入 vinp2[0] 40740118730------H120422 平层感应器输入 vinp2[1] 40744118734------H1217B4 双开门主门平层感应器输入 vinp2[2] 40748118738------H120420 厅门锁安全继电器触点输入 vinp2[3] 4074c11873c------H120ACC 强地震输入状态 vinp2[4] 40750118740------H12042C轿厢门锁安全继电器触点输入 vinp2[5] 40754118744------H1202BA 轿内检修输入 vinp2[6] 40758118748------H1202BC 轿顶检修输入 vinp2[7] 4075c11874c------H1203B8 关门极限输入 vinp3[0] 40760118750------H1217B8 自发电返基站避难层 vinp3[1] 40764118754------H120AE4 自发电继续运行 vinp3[2] 40768118758------H1217B8 双开门副门触板输入 vinp3[3] 4076c11875c------H1217BA 双开门副门关门极限输入 vinp3[4] 40770118760------H1217BC 双开门副门开门极限输入 vinp3[5] 40774118764------H1217BE 双开门副门光电保护输入 vinp3[6] 40778118768------H1217C4 停电自救输入 vinp3[7] 4077c11876c------H1217B6 双开门副门平层感应器输入 vinp4[0] 40780118770------H1217C0 抱闸制动器反馈 1vinp4[1] 40784118774------H120386 微动上行感应器 vinp4[2] 40788118778------H120388 微动下行感应器 vinp4[3] 4078c11877c------H1217C2 抱闸制动器反馈2vinp4[4] 40790118780------H0备用vinp4[5] 40794118784------H120B0E 消防开关输入 vinp4[6] 40798118788------H120408 光电保护输入 vinp4[7] 4079c11878c------H1202C0 自发电状态输入 vinp5[0] 407a0118790------H12042E 上行一级减速开门 vinp5[1] 407a4118794------H120430 上行二级减速开门 vinp5[2] 407a8118798------H120432 上行三级减速开门 vinp5[3] 407ac11879c------H120424 上极限输入 vinp5[4] 407b01187a0------H12041A 安全继电器输入 vinp5[5] 407b41187a4------H1217CA 厅门锁输入 vinp5[6] 407b81187a8------H120440微动平层继电器 vinp5[7] 407bc1187ac------H12041E 安全回路状态输入 vinp6[0] 407c01187b0------H1217C6 主控板48V电压输入确认 vinp6[1] 407c41187b4------H120414 抱闸接触器反馈输入 vinp6[2] 407c81187b8------H1202CC 10T反馈触点 vinp6[3] 407cc1187bc------H1217C8 轿门锁输入 vinp6[4] 407d01187c0------H120434 下行一级减速开门 vinp6[5] 407d41187c4------H120436 下行二级减速开门 vinp6[6] 407d81187c8------H120438 下行三级减速开门 vinp6[7] 407dc1187cc------H120426 下极限输入 vinp9[0] 407e01187d0------H1203B0 轿顶关门 vinp9[1] 407e41187d4------H120402关门按钮输入 vinp9[2] 407e8 1187d8------H0备用 vinp9[3] 407ec 1187dc------H0备用 vinp9[4] 407f0 1187e0------H1203D8 专用状态 vinp9[5] 407f4 1187e4------H1203F0 司机状态输入 vinp9[6] 407f8 1187e8------H1203E2 司机出发按钮 vinp9[7] 407fc 1187ec------H1203DE 司机上行 vinp10[0] 40800 1187f0------H1203E0 司机下行 vinp10[1] 40804 1187f4------H1203E6 司机通过 vinp10[2] 40808 1187f8------H1203EE 门过力矩反转开关 vinp10[3] 4080c 1187fc------H12086C 轿内不停层开关 1vinp10[4] 40810 118800------H1203AA 门机故障vinp10[5] 40814 118804------H120ABE 门宽自检输入vinp10[6] 40818 118808------H120404 延长开门 vinp10[7] 4081c 11880c------H0备用 vinp11[0] 40820 118810------H120AFA A板键盘进入MOD1状态 vinp11[1] 40824 118814------H12089A A板键盘进入层高测定状态 vinp11[2] 40828 118818------H120AEC A板键盘进入机房检修状态 vinp11[3] 4082c 11881c------H120246 A板键盘清除故障标志 vinp11[4] 40830 118820------H120B14 A板键盘进入110%负载取消状态 vinp11[5] 40834 118824------H120AF2 A板键盘长按INC键 vinp11[6] 40838 118828------H120AF6 A板键盘长按SET键 vinp11[7] 4083c 11882c------H120B00 A板键盘进入MOD6状态 voup8[0] 40840 118830------H1204A2 满载直驶标志 voup8[1] 40844 118834------H12044C 检修状态(轿顶+轿内) voup8[2] 40848 118838------H1204A2 满载直驶标志 voup8[3] 4084c 11883c------H0备用 voup8[4] 40850 118840------H0备用 voup8[5] 40854 118844------H0备用 voup8[6] 40858 118848------H0备用 voup8[7] 4085c 11884c------H0备用 voup5[0] 40860 118850------H120714 轿顶蜂鸣器输出 voup5[1] 40864 118854------H120D6E 本地响应有效标志 voup5[2] 40868 118858------H0备用 voup5[3] 4086c 11885c------H0备用 voup5[4] 40870 118860------H120D66 上行报站钟 voup5[5] 40874 118864------H120D68 下行报站钟 voup5[6] 40878 118868------H0备用 voup5[7] 4087c 11886c------H0备用 voup4[0] 40880 118870------H12049A 超载灯 voup4[1] 40884 118874------H12083C 消防灯 voup4[2] 40888 118878------H12070E 轿内延时开门按钮灯 voup4[3] 4088c 11887c------H120710 轿内开门灯输出 voup4[4] 40890 118880------H0备用 voup4[5] 40894 118884------H0备用voup4[6] 40898 118888------H120D6C 语音报站方向voup4[7] 4089c 11888c------H120D6A 语音报站 voup3[0] 408a0 118890------H120286 10T实际输出(延时断开)voup3[1] 408a4 118894------H120354 安全回路继电器输出 voup3[2] 408a8 118898------H1201FE 微动平层继电器延时断开 voup3[3] 408ac 11889c------H1202D0 抱闸接触器输出 voup3[4] 408b0 1188a0------H0备用 voup3[5] 408b4 1188a4------H0备用 voup3[6] 408b8 1188a8------H0备用 voup3[7] 408bc 1188ac------H0备用 voup2[0] 408c0 1188b0------H1201EC 变频器上行指令 voup2[1] 408c4 1188b4------H1201EE 变频器下行指令 voup2[2] 408c8 1188b8------H12049E 超前层减速条件检出 voup2[3] 408cc 1188bc------H0备用 voup2[4] 408d0 1188c0------H12023E 关门输出 voup2[5] 408d4 1188c4------H120240 开门输出 voup2[6] 408d8 1188c8------H120462 轿厢照明电源切断输出 voup2[7] 408dc 1188cc------H12021C 门机电源输出 voup1[0] 408e0 1188d0------H1205C0 开门区输出 voup1[1] 408e4 1188d4------H1203A8 消防员呼回运行结束,到达消防基站至少一次 voup1[2] 408e8 1188d8------H120284 变频器允许运行指令 voup1[3] 408ec 1188dc------H1200BE 允许高速运行 voup1[4] 408f0 1188e0------H1200C0 允许低速运行 voup1[5] 408f4 1188e4------H1200C2 允许微动运行 voup1[6] 408f8 1188e8------H1200B2 管理DSP给出的停梯信号 voup1[7] 408fc 1188ec------H1201FE 微动平层继电器延时断开 vitbl 40900 1188f0------K** C板、B板输入信号处理 vincnt 40ab8 118aa8------K** 假想输入项数 votbl 40abc 118aac------K** C板、B板输出信号处理 voutcnt 40c8c 118c7c------K** 假想输出项数 cdisp_tbl40c90 118c80------K** 厅外C板显示代码(1~64层)bdisp_tbl40d10 118d00------K** 轿厢B板显示代码(1~64层) ia43c40d90 118d80K65535K0 有轿厢检修开关:-1,无轿厢检修开关:0ispcode 40d92 118d82------K** 速度代码imctype 40d94 118d84------K** 曳引机类型 iretype 40d96 118d86------K** 旋转编码器类型 iroll 40d98 118d88------K** 1->1比1吊挂;2->2比1吊挂 hspd 40d9a 118d8a------K** 速度代码对应的速度值 hsdsl1 40db2 118da2------K** SDS开关实际安装距离 hsdsl2 40dca 118dba------K** SDS开关实际安装距离 hsdsl3 40de2 118dd2------K** SDS开关实际安装距离 hmci 40dfa 118dea------K** 曳引机减速比 hmcd 40e2a 118e1a------K** 绳轮直径 hrepulse 40e5a 118e4a------K1024 普通RE旋转编码器脉冲数 hrepulse 40e5c 118e4c------K1500 6极电机RE旋转编码器脉冲数 hrepulse 40e5e 118e4e------K1 备用 hrepulse 40e60 118e50------K1 备用 ispc1 40e64 118e54K509571346 π*65536*25*99/100*100,用于计算速度(mm/s) ispc2 40e68 118e58K305742807 π*65536*25*60*99/100, 用于计算速度(m/min) ipi 40e6c 118e5c K205887 π*65536im30fn[0] 40e70 118e60------K0 无基站和分散层,实际没有使用 (群控基站设置,规格表层楼修改项)im30fn[1] 40e71 118e61------K** 基站1,bit8=到达基站后上箭头显示,bit7=到达基站后下箭头显示,bit6~bit0基站设置,如果取消30秒自返基站功能=0x00im30fn[2] 40e72 118e62------K0 基站2,与基站1定义相同,可以通过外部输入切换基站1和2im30fn[3] 40e73 118e63------K** 分散层1、中间层1,(站数+隔磁板数)/2取整 im30fn[4] 40e74 118e64------K0 分散层2、中间层 2im30fn[5] 40e75 118e65------K0 下班时的上升层 1im30fn[6] 40e76 118e66------K0 下班时的上升层 2im30fn[7] 40e77 118e67------K0 备用 gk48at 40e78 118e68------K29 群控故障定时器5s(170ms为单位)gk48bt 40e88 118e78------K88 群控故障定时器15s(170ms为单位)gk48ct 40e98 118e88------K1059 群控故障定时器180s(170ms为单位)gk500qt 40ea8 118e98------K29 群控故障定时器5s(170ms为单位)gtk50mt 40eb8 118ea8------K324 群控故障定时器55s(170ms为单位)ix30k 40ec8 118eb8------------选择变量 hm600i 40ecc 118ebc------K65535外招分配许可,-1有效,0无效 ix7000n 40ece 118ebe------K6 最大同时处理的外召按钮数 im68gm 40ed0 118ec0------------强制返回基站层,-1有效,0无效 im65wb 40ed2 118ec2------K80 满载直驶的检测值 im68z 40ed4 118ec4------K25 区域分散的区域优先值, 2.5si76spt 40ed6 118ec6------K** 群控分配常数 imtelvip 40ef6 118ee6------K0 备用 i43pr 40ef8 118ee8------K0 备用 im43lv 40efa 118eea------K0 备用 ichraon 40efc 118eec------K0 备用 imchr 40efe 118eee------K0 备用 imvip 40f00 118ef0------K0 备用 i73 40f02 118ef2------K0 备用 iaxdopq 40f04 118ef4------K0 备用 ia50rq 40f06 118ef6------K0 备用 i36gs 40f08 118ef8------K0 备用 i36gu 40f0a 118efa------K0 备用 iysno2 40f0c 118efc------K0 备用 i74lbq 40f0e 118efe------K0 备用 im30p 40f10 118f00------K0 备用 im200 40f12 118f02------K0 备用 h211hur 40f18 118f08------K0 所有指令失效后的停止层(33~64) h211hur 40f1c 118f0c------K1 所有指令失效后的停止层(1~32) hx211 40f20 118f10K** K0 不停层设置(33~64层)hx211 40f24 118f14K** K0 不停层设置(1~32层)hx211 40f28 118f18------K0 备用 hx211 40f2c 118f1c------K0 备用 hx211 40f30 118f20------K0 备用 hx211 40f34 118f24------K0 备用 hx211 40f38 118f28------K0 备用 hx211 40f3c 118f2c------K0 备用 i200r 40f40 118f30------K0 备用 ixnst0 40f50 118f40------K0 电梯电源上电正常,并且延时3s已通过 ixnst1 40f5c 118f4c------K0 电梯电源上电正常,并且延时3s已通过 ixnst2 40f68 118f58------K0 备用 ixnst3 40f74 118f64------K0 备用 ixnst440f80 118f70------K** 不停层开关 ixnst540f8c 118f7c------K** 不停层开关 ixnst640f98 118f88------K0 备用 ixnst7 40fa4 118f94------K0 备用ik211c 40fb0 118fa0K** K0 一号梯梯服务楼层(33~64层)ik211c 40fb4 118fa4K** K0 一号梯梯服务楼层(1~32层)ik211c 40fb8 118fa8K** K0 二号梯梯服务楼层(33~64层)ik211c 40fbc 118fac K** K0 二号梯梯服务楼层(1~32层)ik211c 40fc0 118fb0K** K0 三号梯梯服务楼层(33~64层)ik211c 40fc4 118fb4K** K0 三号梯梯服务楼层(1~32层)ik211c 40fc8 118fb8K** K0 四号梯梯服务楼层(33~64层)ik211c 40fcc 118fbc K** K0 四号梯梯服务楼层(1~32层)im700cl 40fd0 118fc0------K0 备用 im68zq 40fd2 118fc2------K0 备用 ik68t 40fd4 118fc4------K176 分散等待时间(30秒*1000/170) ik63l 40fd6 118fc6------K0 备用 gvin0 40fd8 118fc8------------通讯数据包解码设定 1gvin1 40ff8 118fe8------------通讯数据包解码设定 2 gvin2 41018 119008------------通讯数据包解码设定 3 gvin3 41038 119028------------通讯数据包解码设定 4 gvintbl 41058 119048------------通讯输入数据表 h16acnt 41118 119108------K** 微动平层运行距离最大保护值 计算公式:150/3.14/D*I*R*Nhgcom 4111c 11910c------K** 日立新增群控并联梯数 hmcdec 41120 119110------K** 制动器动作的减速度 计算公式:625*3.14*D*65536/3000/N/I/Rhsds1pls 41124 119114------K** 一级强迫减速距离对应的脉冲数 计算公式:(1级强迫减速开关距离平层的距离-50)毫米/3.14/D*I*R*Nhsds2pls 41128 119118------K** 二级强迫减速距离对应的脉冲数 计算公式:(2级强迫减速开关距离平层的距离-50)毫米/3.14/D*I*R*Nhsds3pls 4112c 11911c------K** 三级强迫减速距离对应的脉冲数 计算公式:(3级强迫减速开关距离平层的距离-50)毫米/3.14/D*I*R*Nh16revlim 41130 119120------K**微动平层反转脉冲数限制计算公式:100/3.14/D*I*R*N endofsp 41134 1191241520824046 规格表结束标志 GVF-III规格表参数说明修改记录表版本号修改原因修改内容摘要修改人修改日期备注。