公路工程项目实体质量检查记录表
- 格式:docx
- 大小:52.77 KB
- 文档页数:16
质量安全监督检查情况现场记录表(三)公路工程实体工程质量抽检情况记录表(3-1)注:1、表中所列项带“*”的均为必查项.2、检查人员可根据工程进度和特点增加抽查指标项.3、表中除特别注明外,每合同段至少抽查1段(最短200米),检查人可选其倍数作为检查长度. 检查人签字: 受检人签字:质量安全监督检查情况现场记录表(三)公路工程实体工程质量抽检情况记录表(3-2)注:1、表中所列项带“*”的均为必查项.2、检查人员可根据工程进度和特点增加抽查指标项.3、表中除特别注明外,每合同段至少抽查1段(最短200米),检查人可选其倍数作为检查长度. 检查人签字: 受检人签字:质量安全监督检查情况现场记录表(三)公路工程实体工程质量抽检情况记录表(3-3)注:1、表中所列项带“*”的均为必查项.2、检查人员可根据工程进度和特点增加抽查指标项.3、表中除特别注明外,每合同段至少抽查1段(最短200米),检查人可选其倍数作为检查长度. 检查人签字: 受检人签字:质量安全监督检查情况现场记录表(三)公路工程实体工程质量抽检情况记录表(3-4)注:1、表中所列项带“*”的均为必查项.2、检查人员可根据工程进度和特点增加抽查指标项.3、表中除特别注明外,每合同段至少抽查1段(最短200米),检查人可选其倍数作为检查长度. 检查人签字: 受检人签字:质量安全监督检查情况现场记录表(三)公路工程实体工程质量抽检情况记录表(3-5)注:1、表中所列项带“*”的均为必查项.2、检查人员可根据工程进度和特点增加抽查指标项.3、表中除特别注明外,每合同段至少抽查1段(最短200米),检查人可选其倍数作为检查长度. 检查人签字: 受检人签字:质量安全监督检查情况现场记录表(三)公路工程实体工程质量抽检情况记录表(3-6)注:1、表中所列项带“*”的均为必查项.2、检查人员可根据工程进度和特点增加抽查指标项.3、表中除特别注明外,每合同段至少抽查1段(最短200米),检查人可选其倍数作为检查长度. 检查人签字: 受检人签字:质量安全监督检查情况现场记录表(三)公路工程实体工程质量抽检情况记录表(3-7)注:1、表中所列项带“*”的均为必查项.2、检查人员可根据工程进度和特点增加抽查指标项.3、表中除特别注明外,每合同段至少抽查1段(最短200米),检查人可选其倍数作为检查长度. 检查人签字: 受检人签字:质量安全监督检查情况现场记录表(三)公路工程实体工程质量抽检情况记录表(3-8)注:1、表中所列项带“*”的均为必查项.2、检查人员可根据工程进度和特点增加抽查指标项.3、表中除特别注明外,每合同段至少抽查1段(最短200米),检查人可选其倍数作为检查长度. 检查人签字: 受检人签字:质量安全监督检查情况现场记录表(三)公路工程实体工程质量抽检情况记录表(3-9)注:1、表中所列项带“*”的均为必查项.2、检查人员可根据工程进度和特点增加抽查指标项.3、表中除特别注明外,每合同段至少抽查1段(最短200米),检查人可选其倍数作为检查长度. 检查人签字: 受检人签字:质量安全监督检查情况现场记录表(三)公路工程实体工程质量抽检情况记录表(3-10)注:1、表中所列项带“*”的均为必查项.2、检查人员可根据工程进度和特点增加抽查指标项.3、表中除特别注明外,每合同段至少抽查1段(最短200米),检查人可选其倍数作为检查长度.检查人签字: 受检人签字:质量安全监督检查情况现场记录表(三) 公路工程实体工程质量抽检情况记录表(3-11)注:1、表中所列项带“*”的均为必查项.2、检查人员可根据工程进度和特点增加抽查指标项.3、表中除特别注明外,每合同段至少抽查1段(最短200米),检查人可选其倍数作为检查长度. 检查人签字: 受检人签字:质量安全监督检查情况现场记录表(三)公路工程实体工程质量抽检情况记录表(3-12)注:1、表中所列项带“*”的均为必查项.2、检查人员可根据工程进度和特点增加抽查指标项.3、表中除特别注明外,每合同段至少抽查1段(最短200米),检查人可选其倍数作为检查长度. 检查人签字: 受检人签字:质量安全监督检查情况现场记录表(三)公路工程实体工程质量抽检情况记录表(3-13)注:1、表中所列项带“*”的均为必查项.2、检查人员可根据工程进度和特点增加抽查指标项.3、表中除特别注明外,每合同段至少抽查1段(最短200米),检查人可选其倍数作为检查长度. 检查人签字: 受检人签字:质量安全监督检查情况现场记录表(三)公路工程实体工程质量抽检情况记录表(3-14)注:1、表中所列项带“*”的均为必查项.2、检查人员可根据工程进度和特点增加抽查指标项.3、表中除特别注明外,每合同段至少抽查1段(最短200米),检查人可选其倍数作为检查长度. 检查人签字: 受检人签字:质量安全监督检查情况现场记录表(三)公路工程实体工程质量抽检情况记录表(3-15)注:1、表中所列项带“*”的均为必查项.2、检查人员可根据工程进度和特点增加抽查指标项.3、表中除特别注明外,每合同段至少抽查1段(最短200米),检查人可选其倍数作为检查长度. 检查人签字: 受检人签字:质量安全监督检查情况现场记录表(三)公路工程实体工程质量抽检情况记录表(3-16)注:1、表中所列项带“*”的均为必查项.2、检查人员可根据工程进度和特点增加抽查指标项.3、表中除特别注明外,每合同段至少抽查1段(最短200米),检查人可选其倍数作为检查长度. 检查人签字: 受检人签字:。
质量安全监督检查情况现场记录表三公路工程实体工程质量抽检情况记录表3-1项目名称:标段施工单位:检查时间:年月日注:1、表中所列项带“”的均为必查项.2、检查人员可根据工程进度和特点增加抽查指标项.3、表中除特别注明外,每合同段至少抽查1段最短200m,检查人可选其倍数作为检查长度.检查人签字:受检人签字:质量安全监督检查情况现场记录表三公路工程实体工程质量抽检情况记录表3-2项目名称:标段施工单位:检查时间:年月日注:1、表中所列项带“”的均为必查项.2、检查人员可根据工程进度和特点增加抽查指标项.3、表中除特别注明外,每合同段至少抽查1段最短200m,检查人可选其倍数作为检查长度.检查人签字:受检人签字:质量安全监督检查情况现场记录表三公路工程实体工程质量抽检情况记录表3-3项目名称:标段施工单位:检查时间:年月日注:1、表中所列项带“”的均为必查项.2、检查人员可根据工程进度和特点增加抽查指标项.3、表中除特别注明外,每合同段至少抽查1段最短200m,检查人可选其倍数作为检查长度.检查人签字:受检人签字:质量安全监督检查情况现场记录表三公路工程实体工程质量抽检情况记录表3-4项目名称:标段施工单位:检查时间:年月日注:1、表中所列项带“”的均为必查项.2、检查人员可根据工程进度和特点增加抽查指标项.3、表中除特别注明外,每合同段至少抽查1段最短200m,检查人可选其倍数作为检查长度.检查人签字:受检人签字:质量安全监督检查情况现场记录表三公路工程实体工程质量抽检情况记录表3-5项目名称:标段施工单位:检查时间:年月日注:1、表中所列项带“”的均为必查项.2、检查人员可根据工程进度和特点增加抽查指标项.3、表中除特别注明外,每合同段至少抽查1段最短200m,检查人可选其倍数作为检查长度.检查人签字:受检人签字:质量安全监督检查情况现场记录表三公路工程实体工程质量抽检情况记录表3-6项目名称:标段施工单位:检查时间:年月日注:1、表中所列项带“”的均为必查项.2、检查人员可根据工程进度和特点增加抽查指标项.3、表中除特别注明外,每合同段至少抽查1段最短200m,检查人可选其倍数作为检查长度.检查人签字:受检人签字:质量安全监督检查情况现场记录表三公路工程实体工程质量抽检情况记录表3-7项目名称:标段施工单位:检查时间:年月日注:1、表中所列项带“”的均为必查项.2、检查人员可根据工程进度和特点增加抽查指标项.3、表中除特别注明外,每合同段至少抽查1段最短200m,检查人可选其倍数作为检查长度.检查人签字:受检人签字:质量安全监督检查情况现场记录表三公路工程实体工程质量抽检情况记录表3-8项目名称:标段施工单位:检查时间:年月日注:1、表中所列项带“”的均为必查项.2、检查人员可根据工程进度和特点增加抽查指标项.3、表中除特别注明外,每合同段至少抽查1段最短200m,检查人可选其倍数作为检查长度.检查人签字:受检人签字:质量安全监督检查情况现场记录表三公路工程实体工程质量抽检情况记录表3-9项目名称:标段施工单位:检查时间:年月日注:1、表中所列项带“”的均为必查项.2、检查人员可根据工程进度和特点增加抽查指标项.3、表中除特别注明外,每合同段至少抽查1段最短200m,检查人可选其倍数作为检查长度.检查人签字:受检人签字:质量安全监督检查情况现场记录表三公路工程实体工程质量抽检情况记录表3-10项目名称:标段施工单位:检查时间:年月日注:1、表中所列项带“”的均为必查项.2、检查人员可根据工程进度和特点增加抽查指标项.3、表中除特别注明外,每合同段至少抽查1段最短200m,检查人可选其倍数作为检查长度.检查人签字:受检人签字:质量安全监督检查情况现场记录表三公路工程实体工程质量抽检情况记录表3-11项目名称:标段施工单位:检查时间:年月日注:1、表中所列项带“”的均为必查项.2、检查人员可根据工程进度和特点增加抽查指标项.3、表中除特别注明外,每合同段至少抽查1段最短200m,检查人可选其倍数作为检查长度.检查人签字:受检人签字:质量安全监督检查情况现场记录表三公路工程实体工程质量抽检情况记录表3-12项目名称:标段施工单位:检查时间:年月日注:1、表中所列项带“”的均为必查项.2、检查人员可根据工程进度和特点增加抽查指标项.3、表中除特别注明外,每合同段至少抽查1段最短200m,检查人可选其倍数作为检查长度.检查人签字:受检人签字:质量安全监督检查情况现场记录表三公路工程实体工程质量抽检情况记录表3-13项目名称:标段施工单位:检查时间:年月日注:1、表中所列项带“”的均为必查项.2、检查人员可根据工程进度和特点增加抽查指标项.3、表中除特别注明外,每合同段至少抽查1段最短200m,检查人可选其倍数作为检查长度.检查人签字:受检人签字:质量安全监督检查情况现场记录表三公路工程实体工程质量抽检情况记录表3-14项目名称:标段施工单位:检查时间:年月日注:1、表中所列项带“”的均为必查项.2、检查人员可根据工程进度和特点增加抽查指标项.3、表中除特别注明外,每合同段至少抽查1段最短200m,检查人可选其倍数作为检查长度.检查人签字:受检人签字:质量安全监督检查情况现场记录表三公路工程实体工程质量抽检情况记录表3-15项目名称:标段施工单位:检查时间:年月日注:1、表中所列项带“”的均为必查项.2、检查人员可根据工程进度和特点增加抽查指标项.3、表中除特别注明外,每合同段至少抽查1段最短200m,检查人可选其倍数作为检查长度.检查人签字:受检人签字:质量安全监督检查情况现场记录表三公路工程实体工程质量抽检情况记录表3-16项目名称:标段施工单位:检查时间:年月日注:1、表中所列项带“”的均为必查项.2、检查人员可根据工程进度和特点增加抽查指标项.3、表中除特别注明外,每合同段至少抽查1段最短200m,检查人可选其倍数作为检查长度.检查人签字:受检人签字:。
质量安全监督检查情况现场记录表(三)公路工程实体工程质量抽检情况记录表(3-1 )工程名称:标段施工单位:检查时间:年月日检查人签字:受检人签字:质量安全监督检查情况现场记录表(三)公路工程实体工程质量抽检情况记录表(3-2 )工程名称:标段施工单位:检查时间:年月日检查人签字: 受检人签字:质量安全监督检查情况现场记录表(三)公路工程实体工程质量抽检情况记录表(3-3 )工程名称:标段施工单位:检查时间:年月日质量安全监督检查情况现场记录表(三)公路工程实体工程质量抽检情况记录表(3-4)工程名称:标段施工单位:检查时间:年月日度。
检查人签字:受检人签字:质量安全监督检查情况现场记录表(三)公路工程实体工程质量抽检情况记录表(3-5)工程名称:标段施工单位:检查时间:年月日度。
检查人签字:受检人签字:质量安全监督检查情况现场记录表(三)公路工程实体工程质量抽检情况记录表(3-6)工程名称:标段施工单位:检查时间:年月日度。
检查人签字:受检人签字:质量安全监督检查情况现场记录表(三)公路工程实体工程质量抽检情况记录表(3-7)工程名称:标段施工单位:检查时间:年月日度。
检查人签字:受检人签字:质量安全监督检查情况现场记录表(三)公路工程实体工程质量抽检情况记录表(3-8)工程名称:标段施工单位:检查时间:年月日度。
检查人签字:受检人签字:质量安全监督检查情况现场记录表(三)公路工程实体工程质量抽检情况记录表(3-9)工程名称:标段施工单位:检查时间:年月日度。
检查人签字:受检人签字:质量安全监督检查情况现场记录表(三)公路工程实体工程质量抽检情况记录表(3-10)工程名称:标段施工单位:检查时间:年月日度。
检查人签字:受检人签字:质量安全监督检查情况现场记录表(三)公路工程实体工程质量抽检情况记录表(3-11)工程名称:标段施工单位:检查时间:年月日度。
检查人签字:受检人签字:质量安全监督检查情况现场记录表(三)公路工程实体工程质量抽检情况记录表(3-12)工程名称:标段施工单位:检查时间:年月日度。
质量安全监督检查情况现场记录表(三)公路工程实体工程质量抽检情况记录表(3-1)注:1、表中所列项带“*”的均为必查项。
2、检查人员可根据工程进度和特点增加抽查指标项。
3、表中除特别注明外,每合同段至少抽查1段(最短200m),检查人可选其倍数作为检查长度。
检查人签字:受检人签字:质量安全监督检查情况现场记录表(三).公路工程实体工程质量抽检情况记录表(3-2)工程名称:标段施工单位:检查时间:年月日注:1、表中所列项带“*”的均为必查项。
2、检查人员可根据工程进度和特点增加抽查指标项。
3、表中除特别注明外,每合同段至少抽查1段(最短200m),检查人可选其倍数作为检查长度。
受检人签字:检查人签字:质量安全监督检查情况现场记录表(三)公路工程实体工程质量抽检情况记录表(3-3)注:1、表中所列项带“*”的均为必查项。
2、检查人员可根据工程进度和特点增加抽查指标项。
3、表中除特别注明外,每合同段至少抽查1段(最短200m),检查人可选其倍数作为检查长度。
.检查人签字:受检人签字:质量安全监督检查情况现场记录表(三)公路工程实体工程质量抽检情况记录表(3-4)),检查人可选其倍数作为检查长200m段(最短1、表中除特别注明外,每合同段至少抽查3、检查人员可根据工程进度和特点增加抽查指标项。
2”的均为必查项。
*、表中所列项带“1注:度。
检查人签字:受检人签字:质量安全监督检查情况现场记录表(三)公路工程实体工程质量抽检情况记录表(3-5)),检查人可选其倍数作为检查长200m段(最短1、表中除特别注明外,每合同段至少抽查3、检查人员可根据工程进度和特点增加抽查指标项。
2”的均为必查项。
*、表中所列项带“1注:度。
检查人签字:受检人签字:质量安全监督检查情况现场记录表(三)公路工程实体工程质量抽检情况记录表(3-6)注:1、表中所列项带“*”的均为必查项。
2、检查人员可根据工程进度和特点增加抽查指标项。
公司预算超支情况说明表质量安全监督检查情况现场记录表(三)公路工程实体工程质量抽检情况记录表(3-1)项目名称:标段施工单位:检查时间:年月日公司预算超支情况说明表注:1、表中所列项带“*”的均为必查项。
2、检查人员可根据工程进度和特点增加抽查指标项。
3、表中除特别注明外,每合同段至少抽查1段(最短200m),检查人可选其倍数作为检查长度。
检查人签字:受检人签字:质量安全监督检查情况现场记录表(三)公路工程实体工程质量抽检情况记录表(3-2)项目名称:标段施工单位:月日检查时间:年公司预算超支情况说明表注:1、表中所列项带“*”的均为必查项。
2、检查人员可根据工程进度和特点增加抽查指标项。
3、表中除特别注明外,每合同段至少抽查1段(最短200m),检查人可选其倍数作为检查长度。
检查人签字:受检人签字:质量安全监督检查情况现场记录表(三)公司预算超支情况说明表公路工程实体工程质量抽检情况记录表(3-3)项目名称:标段施工单位:检查时间:年月日公司预算超支情况说明表注:1、表中所列项带“*”的均为必查项。
2、检查人员可根据工程进度和特点增加抽查指标项。
3、表中除特别注明外,每合同段至少抽查1段(最短200m),检查人可选其倍数作为检查长度。
检查人签字:受检人签字:质量安全监督检查情况现场记录表(三)公路工程实体工程质量抽检情况记录表(3-4)项目名称:标段施工单位:检查时间:年月日公司预算超支情况说明表公司预算超支情况说明表注:1、表中所列项带“*”的均为必查项。
2、检查人员可根据工程进度和特点增加抽查指标项。
3、表中除特别注明外,每合同段至少抽查1段(最短200m),检查人可选其倍数作为检查长度。
检查人签字:受检人签字:质量安全监督检查情况现场记录表(三)公路工程实体工程质量抽检情况记录表(3-5)项目名称:标段施工单位:检查时间:年月日公司预算超支情况说明表注:1、表中所列项带“*”的均为必查项。
质量安全监督检查情况现场记录表(三)公路工程实体工程质量抽检情况记录表(3-1)项目名称:标段施工单位:检查时间:年月日注:1、表中所列项带“*”的均为必查项。
2、检查人员可根据工程进度和特点增加抽查指标项。
3、表中除特别注明外,每合同段至少抽查1段(最短200m),检查人可选其倍数作为检查长度。
检查人签字:受检人签字:质量安全监督检查情况现场记录表(三)公路工程实体工程质量抽检情况记录表(3-2)项目名称:标段施工单位:检查时间:年月日注:1、表中所列项带“*”的均为必查项。
2、检查人员可根据工程进度和特点增加抽查指标项。
3、表中除特别注明外,每合同段至少抽查1段(最短200m),检查人可选其倍数作为检查长度。
检查人签字:受检人签字:质量安全监督检查情况现场记录表(三)公路工程实体工程质量抽检情况记录表(3-3)项目名称:标段施工单位:检查时间:年月日注:1、表中所列项带“*”的均为必查项。
2、检查人员可根据工程进度和特点增加抽查指标项。
3、表中除特别注明外,每合同段至少抽查1段(最短200m),检查人可选其倍数作为检查长度。
检查人签字:受检人签字:质量安全监督检查情况现场记录表(三)公路工程实体工程质量抽检情况记录表(3-4)项目名称:标段施工单位:检查时间:年月日注:1、表中所列项带“*”的均为必查项。
2、检查人员可根据工程进度和特点增加抽查指标项。
3、表中除特别注明外,每合同段至少抽查1段(最短200m),检查人可选其倍数作为检查长度。
检查人签字:受检人签字:质量安全监督检查情况现场记录表(三)公路工程实体工程质量抽检情况记录表(3-5)项目名称:标段施工单位:检查时间:年月日注:1、表中所列项带“*”的均为必查项。
2、检查人员可根据工程进度和特点增加抽查指标项。
3、表中除特别注明外,每合同段至少抽查1段(最短200m),检查人可选其倍数作为检查长度。
检查人签字:受检人签字:质量安全监督检查情况现场记录表(三)公路工程实体工程质量抽检情况记录表(3-6)项目名称:标段施工单位:检查时间:年月日注:1、表中所列项带“*”的均为必查项。
质量安全监督检查情况现场记录表(三)公路工程实体工程质量抽检情况记录表(3-1)项目名称:标段施工单位:检查时间:年月日注:1、表中所列项带“*”的均为必查项。
2、检查人员可根据工程进度和特点增加抽查指标项。
3、表中除特别注明外,每合同段至少抽查1段(最短200m),检查人可选其倍数作为检查长度。
检查人签字:受检人签字:质量安全监督检查情况现场记录表(三)公路工程实体工程质量抽检情况记录表(3-2)项目名称:标段施工单位:检查时间:年月日注:1、表中所列项带“*”的均为必查项。
2、检查人员可根据工程进度和特点增加抽查指标项。
3、表中除特别注明外,每合同段至少抽查1段(最短200m),检查人可选其倍数作为检查长度。
检查人签字:受检人签字:质量安全监督检查情况现场记录表(三)公路工程实体工程质量抽检情况记录表(3-3)项目名称:标段施工单位:检查时间:年月日注:1、表中所列项带“*”的均为必查项。
2、检查人员可根据工程进度和特点增加抽查指标项。
3、表中除特别注明外,每合同段至少抽查1段(最短200m),检查人可选其倍数作为检查长度。
检查人签字:受检人签字:质量安全监督检查情况现场记录表(三)公路工程实体工程质量抽检情况记录表(3-4)年月日项目名称:标段施工单位:检查时间:注:1、表中所列项带“*”的均为必查项。
2、检查人员可根据工程进度和特点增加抽查指标项。
3、表中除特别注明外,每合同段至少抽查1段(最短200m),检查人可选其倍数作为检查长度。
检查人签字:受检人签字:质量安全监督检查情况现场记录表(三)公路工程实体工程质量抽检情况记录表(3-5)项目名称:标段施工单位:检查时间:年月日注:1、表中所列项带“*”的均为必查项。
2、检查人员可根据工程进度和特点增加抽查指标项。
3、表中除特别注明外,每合同段至少抽查1段(最短200m ),检查人可选其倍数作为检查长度。
检查人签字: 受检人签字:质量安全监督检查情况现场记录表(三) 公路工程实体工程质量抽检情况记录表(3-6)项目名称: 标段 施工单位: 检查时间: 年 月 日注:1、表中所列项带“*”的均为必查项。
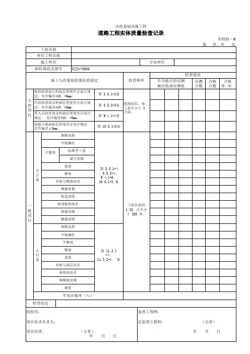
道路工程施工现场质量检查表工程项目实体质量检查表序号检查内容检查项指标项检测方法和频率检查标准检查结果1 路面压实度压实度采用灌砂法,每个标段随机选取3个薄弱测点。
采用落锤式弯沉仪或自动化检测设备检测,每个标段随机抽查1公里,检测不少于50个测点;随机检测时测点数不少于50.按检评标准规定值计算合格率。
2 路面渗水系数路面工程面层采用路面渗水仪检测,每个标段随机测试4个点。
按检评标准规定值计算合格率。
3 水泥混凝土路面强度路面工程面层采用取芯方法,每个标段随机取芯3个。
强度推定值大于设计强度为合格,计算合格率。
也可利用标养试件统计评价。
4 沥青层压实度路面工程面层采用表干密度法检测,每个标段随机取芯3个。
按单点值大于等于最大理论密度的92%(SMA为94%)或试验室标准密度的96%(SMA为98%)为合格,计算合格率。
5 基层厚度基层采用雷达随机抽查500米,每20米一个测点。
按单点厚度大(等)于设计值-15mm为合格,计算合格率。
6 整体性基层采用取芯方法,每个标段随机取芯3个。
芯样完整为合格,计算合格率。
按统计方法评定合格率。
7 基层裂缝基层按统计方法评定合格率。
8 底基层基层每个标段随机抽查100m。
按统计方法评定合格率。
9 混凝土强度上、下部结构采用回弹法,每个标段抽查墩柱及梁板等主要构件3个,每个构件3个测区。
强度推定值大于设计强度为合格,计算合格率。
也可利用标养试件统计评价。
10 硬化混凝土氯含量上、下部结构采用滴定法,抽查3~5个构件,每构件1测区,每测区3测点。
按统计方法评定合格率。
11 混凝土添加剂工程土采用添加剂对混凝土工作性能检测的方法,每个标段抽检3组。
按统计方法评定合格率。
12 硬化混凝土碱含量桥梁工程采用电极法,抽查3~5个构件,每构件1测区,每测区3测点。
按统计方法评定合格率。
13 桥梁混凝土强度桥梁工程采用取芯方法,每个标段随机取芯3个。
强度推定值大于设计强度为合格,计算合格率。
公路工程监理质量检验表格1. 项目基本信息
•项目名称:
•建设单位:
•监理单位:
•施工单位:
•工程地点:
•工程规模:
•工程开工日期:
•工程竣工日期:
2. 工程质量检验内容
2.1 水平标示检验
•标志牌设置是否符合要求:
•标志牌内容是否正确清晰:
•标志牌布设位置是否合理:
•标志牌材质是否耐用:
•标志牌是否有损坏现象:
2.2 路面平整度检验
•路面平整度是否符合设计要求:
•是否存在明显凹凸不平情况:
•路面坡度是否符合标准要求:
•路面平整度测量数据是否可靠:
•路面变形情况是否影响使用:
2.3 路面材料检验
•路面材料是否符合设计要求:
•路面材料质量如何:
•路面材料施工厚度是否均匀:
•路面材料是否达到强度标准:
•路面材料运输存储条件是否合格:
3. 工程质量验收标准
•标志设置合格标准:
•路面平整度合格标准:
•路面材料合格标准:
•整体工程质量验收标准:
•异常情况处理标准:
4. 检验结果及处理意见
•符合要求的检验项:
•不符合要求的检验项:
•处理意见及整改要求:
•备注:
5. 检验人员
•检验人员1:
•检验人员2:
•检验日期:
以上为公路工程监理质量检验表格,供相关人员查阅。
公路工程项目实体质量检查记录表背景公路建设对于发展国家经济、改善社会交通等方面有着不可替代的作用。
在建设过程中,实体质量检查是保证公路工程质量的重要环节。
实体质量检查记录表是建设单位对公路工程质量管理的重要工具之一,有助于全面、准确地记录实体质量检查情况,及时发现和纠正工程质量问题,为保证公路的安全、畅通和可持续性发展奠定基础。
内容项目基本信息此部分主要包括公路工程项目的基本信息,包括项目名称、建设单位、工程地址、工程规模等。
通过此部分可以迅速了解这项工程的基本情况。
实体质量检查概述此部分主要介绍公路工程实体质量检查的概况,包括检查时间段、检查人员、检查内容等。
通过此部分可以了解实体质量检查的全貌。
专项检查此部分主要是对公路工程实体质量进行针对性检查,包括但不限于路基、路面、桥梁、隧道、交通设施等方面。
每个专项都应列清楚检查内容、检查结果和处理情况,有助于标记实体质量问题及时定位和解决。
汇总表格此部分是所有质量检查结果的汇总表格,除了各项检查结果之外,还要包括工程质量不合格的具体情况、对此问题的处理措施、处理结果和防范措施等。
此部分的结果要真实全面反映公路工程实体质量现状,配有具体数据和分析。
使用场景此文档适用于公路工程建设过程中的实体质量检查,可以在监理、施工、质检等不同角色的使用中,起到整理和协调各方面检查成果的作用。
此文档可以记录公路工程实体质量的状况,发现和纠正工程质量问题,同时也可以作为重要的参考资料,为后续的公路工程建设提供经验和借鉴。
公路工程项目实体质量检查记录表是公路工程质量管理的重要工具之一,可以全面、准确、详细地记录实体质量检查情况,并及时发现和纠正工程质量问题,为保证公路的安全、畅通和可持续性发展奠定基础。
公路工程项目实体质量检查记录表LG GROUP system office room 【LGA16H-LGYY-LGUA8Q8-LGA162】质量安全监督检查情况现场记录表(三)公路工程实体工程质量抽检情况记录表(3-1)项目名称:标段施工单位:注:1、表中所列项带“*”的均为必查项。
2、检查人员可根据工程进度和特点增加抽查指标项。
3、表中除特别注明外,每合同段至少抽查1段(最短200m),检查人可选其倍数作为检查长度。
检查人签字:受检人签字:质量安全监督检查情况现场记录表(三)公路工程实体工程质量抽检情况记录表(3-2)项目名称:标段施工单位:注:1、表中所列项带“*”的均为必查项。
2、检查人员可根据工程进度和特点增加抽查指标项。
3、表中除特别注明外,每合同段至少抽查1段(最短200m),检查人可选其倍数作为检查长度。
检查人签字:受检人签字:质量安全监督检查情况现场记录表(三)公路工程实体工程质量抽检情况记录表(3-3)项目名称:标段施工单位:注:1、表中所列项带“*”的均为必查项。
2、检查人员可根据工程进度和特点增加抽查指标项。
3、表中除特别注明外,每合同段至少抽查1段(最短200m),检查人可选其倍数作为检查长度。
检查人签字:受检人签字:质量安全监督检查情况现场记录表(三)公路工程实体工程质量抽检情况记录表(3-4)项目名称:标段施工单位:注:1、表中所列项带“*”的均为必查项。
2、检查人员可根据工程进度和特点增加抽查指标项。
3、表中除特别注明外,每合同段至少抽查1段(最短200m),检查人可选其倍数作为检查长度。
检查人签字:受检人签字:质量安全监督检查情况现场记录表(三)公路工程实体工程质量抽检情况记录表(3-5)项目名称:标段施工单位:注:1、表中所列项带“*”的均为必查项。
2、检查人员可根据工程进度和特点增加抽查指标项。
3、表中除特别注明外,每合同段至少抽查1段(最短200m),检查人可选其倍数作为检查长度。
.质量安全监督检查情况现场记录表(三)公路工程实体工程质量抽检情况记录表(3-1)注:1、表中所列项带“*”的均为必查项。
2、检查人员可根据工程进度和特点增加抽查指标项。
3、表中除特别注明外,每合同段至少抽查1段(最短200m),检查人可选其倍数作为检查长度。
.检查人签字:受检人签字:质量安全监督检查情况现场记录表(三)公路工程实体工程质量抽检情况记录表(3-2)注:1、表中所列项带“*”的均为必查项。
2、检查人员可根据工程进度和特点增加抽查指标项。
3、表中除特别注明外,每合同段至少抽查1段(最短200m),检查人可选其倍数作为检查长度。
检查人签字:受检人签字:质量安全监督检查情况现场记录表(三)公路工程实体工程质量抽检情况记录表(3-3)注:1、表中所列项带“*”的均为必查项。
2、检查人员可根据工程进度和特点增加抽查指标项。
3、表中除特别注明外,每合同段至少抽查1段(最短200m),检查人可选其倍数作为检查长度。
检查人签字:受检人签字:质量安全监督检查情况现场记录表(三)公路工程实体工程质量抽检情况记录表(3-4)注:1、表中所列项带“*”的均为必查项。
2、检查人员可根据工程进度和特点增加抽查指标项。
3、表中除特别注明外,每合同段至少抽查1段(最短200m),检查人可选其倍数作为检查长度。
检查人签字:受检人签字:质量安全监督检查情况现场记录表(三)公路工程实体工程质量抽检情况记录表(3-5)注:1、表中所列项带“*”的均为必查项。
2、检查人员可根据工程进度和特点增加抽查指标项。
3、表中除特别注明外,每合同段至少抽查1段(最短200m),检查人可选其倍数作为检查长度。
检查人签字:受检人签字:质量安全监督检查情况现场记录表(三)公路工程实体工程质量抽检情况记录表(3-6)注:1、表中所列项带“*”的均为必查项。
2、检查人员可根据工程进度和特点增加抽查指标项。
3、表中除特别注明外,每合同段至少抽查1段(最短200m),检查人可选其倍数作为检查长度。
公路工程项目实体质量
检查记录表
标准化管理部编码-[99968T-6889628-J68568-1689N]
质量安全监督检查情况现场记录表(三)
公路工程实体工程质量抽检情况记录表(3-1)项目名称:标段施工单位:
注:1、表中所列项带“*”的均为必查项。
2、检查人员可根据工程进度和特点增加抽查指标项。
3、表中除特别注明外,每合同段至少抽查1段(最短200m),检查人可选其倍数作为检查长度。
检查人签字:
受检人签字:
质量安全监督检查情况现场记录表(三)
公路工程实体工程质量抽检情况记录表(3-2)
项目名称:标段施工单位:
注:1、表中所列项带“*”的均为必查项。
2、检查人员可根据工程进度和特点增加抽查指标项。
3、表中除特别注明外,每合同段至少抽查1段(最短200m),检查人可选其倍数作为检查长度。
检查人签字:
受检人签字:
质量安全监督检查情况现场记录表(三)
公路工程实体工程质量抽检情况记录表(3-3)项目名称:标段施工单位:
注:1、表中所列项带“*”的均为必查项。
2、检查人员可根据工程进度和特点增加抽查指标项。
3、表中除特别注明外,每合同段至少抽查1段(最短200m),检查人可选其倍数作为检查长度。
检查人签字:
受检人签字:
质量安全监督检查情况现场记录表(三)
公路工程实体工程质量抽检情况记录表(3-4)项目名称:标段施工单位:
注:1、表中所列项带“*”的均为必查项。
2、检查人员可根据工程进度和特点增加抽查指标项。
3、表中除特别注明外,每合同段至少抽查1段(最短200m),检查人可选其倍数作为检查长度。
检查人签字:
受检人签字:
质量安全监督检查情况现场记录表(三)
公路工程实体工程质量抽检情况记录表(3-5)项目名称:标段施工单位:
注:1、表中所列项带“*”的均为必查项。
2、检查人员可根据工程进度和特点增加抽查指标项。
3、表中除特别注明外,每合同段至少抽查1段(最短200m),检查人可选其倍数作为检查长度。
检查人签字:
受检人签字:
质量安全监督检查情况现场记录表(三)
公路工程实体工程质量抽检情况记录表(3-6)项目名称:标段施工单位:
注:1、表中所列项带“*”的均为必查项。
2、检查人员可根据工程进度和特点增加抽查指标项。
3、表中除特别注明外,每合同段至少抽查1段(最短200m),检查人可选其倍数作为检查长度。
检查人签字:
受检人签字:
质量安全监督检查情况现场记录表(三)
公路工程实体工程质量抽检情况记录表(3-7)项目名称:标段施工单位:
注:1、表中所列项带“*”的均为必查项。
2、检查人员可根据工程进度和特点增加抽查指标项。
3、表中除特别注明外,每合同段至少抽查1段(最短200m),检查人可选其倍数作为检查长度。
检查人签字:
受检人签字:
质量安全监督检查情况现场记录表(三)
公路工程实体工程质量抽检情况记录表(3-8)项目名称:标段施工单位:
注:1、表中所列项带“*”的均为必查项。
2、检查人员可根据工程进度和特点增加抽查指标项。
3、表中除特别注明外,每合同段至少抽查1段(最短200m
),检查人可选其倍数作为检查长度。
检查人签字: 受检人签字:
质量安全监督检查情况现场记录表(三) 公路工程实体工程质量抽检情况记录表(3-9)
项目名称: 标段 施工单位:
注:1、表中所列项带“*”的均为必查项。
2、检查人员可根据工程进度和特点增加抽查指标项。
3、表中除特别注明外,每合同段至少抽查1段(最短200m),检查人可选其倍数作为检查长度。
检查人签字:
受检人签字:
质量安全监督检查情况现场记录表(三)
公路工程实体工程质量抽检情况记录表(3-10)项目名称:标段施工单位:
注:1、表中所列项带“*”的均为必查项。
2、检查人员可根据工程进度和特点增加抽查指标项。
3、表中除特别注明外,每合同段至少抽查1段(最短200m),检查人可选其倍数作为检查长度。
检查人签字:
受检人签字:
质量安全监督检查情况现场记录表(三)
公路工程实体工程质量抽检情况记录表(3-11)项目名称:标段施工单位:
注:1、表中所列项带“*”的均为必查项。
2、检查人员可根据工程进度和特点增加抽查指标项。
3、表中除特别注明外,每合同段至少抽查1段(最短200m),检查人可选其倍数作为检查长度。
检查人签字:
受检人签字:
质量安全监督检查情况现场记录表(三)
公路工程实体工程质量抽检情况记录表(3-12)项目名称:标段施工单位:
注:1、表中所列项带“*”的均为必查项。
2、检查人员可根据工程进度和特点增加抽查指标项。
3、表中除特别注明外,每合同段至少抽查1段(最短200m),检查人可选其倍数作为检查长度。
检查人签字:
受检人签字:
质量安全监督检查情况现场记录表(三)
公路工程实体工程质量抽检情况记录表(3-13)项目名称:标段施工单位:
注:1、表中所列项带“*”的均为必查项。
2、检查人员可根据工程进度和特点增加抽查指标项。
3、表中除特别注明外,每合同段至少抽查1段(最短200m),检查人可选其倍数作为检查长度。
检查人签字:
受检人签字:
质量安全监督检查情况现场记录表(三)
公路工程实体工程质量抽检情况记录表(3-14)项目名称:标段施工单位:
注:1、表中所列项带“*”的均为必查项。
2、检查人员可根据工程进度和特点增加抽查指标项。
3、表中除特别注明外,每合同段至少抽查1段(最短200m),检查人可选其倍数作为检查长度。
检查人签字:
受检人签字:
质量安全监督检查情况现场记录表(三)
公路工程实体工程质量抽检情况记录表(3-15)项目名称:标段施工单位:
注:1、表中所列项带“*”的均为必查项。
2、检查人员可根据工程进度和特点增加抽查指标项。
3、表中除特别注明外,每合同段至少抽查1段(最短200m),检查人可选其倍数作为检查长度。
检查人签字:
受检人签字:
质量安全监督检查情况现场记录表(三)
公路工程实体工程质量抽检情况记录表(3-16)项目名称:标段施工单位:
注:1、表中所列项带“*”的均为必查项。
2、检查人员可根据工程进度和特点增加抽查指标项。
3、表中除特别注明外,每合同段至少抽查1段(最短200m),检查人可选其倍数作为检查长度。
检查人签字:
受检人签字:。