最新电力系统自动化毕业设计开题报告
- 格式:doc
- 大小:51.00 KB
- 文档页数:10
电气自动化专业毕业设计开题报告1000字感谢评阅老师审阅我的毕业设计开题报告。
一、选题背景及意义随着电气自动化技术的不断发展,工业自动化程度越来越高,越来越多的企业开始采用机器人等自动化设备,以提高生产效率、降低人工成本和提高产品质量,成为未来产业发展的趋势。
本课题将在这个背景下,以自动化控制为主要研究方向,探究电气自动化系统在生产过程中的应用,提高企业的运作效率,降低生产成本,增强市场竞争力。
二、研究内容和方法1.研究内容本文的研究内容主要包括以下几个方面:(1)电气自动化系统的工作原理、特点及其在工业生产中的应用。
(2)控制理论基础知识介绍。
(3)自动控制系统的组成、分类、特点及应用。
(4)应用PLC自动控制技术实现钢琴生产线控制系统的设计。
2.研究方法(1)资料法:通过查阅大量的文献资料,了解电气自动化技术的相关知识。
(2)实验法:基于工程实例,利用PLC编程软件编写程序,进行实验验证其实用性。
(3)问卷法:对于设计的钢琴生产线控制系统,在企业中开展问卷调查,收集生产操作员对于该系统的使用感受及意见反馈。
三、预期成果1.对电气自动化系统的应用做出深入剖析,掌握电气自动化技术的基本知识。
2.深度掌握控制理论基础知识,了解自动控制系统的基本组成及分类,为进一步提高生产自动化水平提供基础。
3.独立完成PLC编程实验,掌握PLC编程技术,了解其在电气自动化系统中的应用。
4.设计具有实际使用价值的钢琴生产线控制系统,进一步提高生产效率,降低生产成本,增强市场竞争力。
四、可行性分析1.资料和资源充足:针对本课题,相关实验设备和技术材料已经全部准备好,在进行研究时不会有任何物质上的障碍。
2.研究方法完备:综合运用了文献法、实验法、问卷法等多种研究手段,取长补短,将有利于研究课题的深入,有足够的可行性。
3.目标实现有关性:通过本项目的设计,可以促进电气自动化技术在实际应用中的发展,提高企业智能化水平,有明显的应用价值。
自动化专业毕业论文开题报告自动化专业毕业论文开题报告题目:某综合楼电气工程设计一、选题背景及依据(简述国内外研究现状、生产需求状况,说明选题目的、意义,列出主要参考文献)1.1背景医院电气设计是医院建筑设计中的一个重要组成部分,其供电的质量和可靠性直接关系到医务工作的疗效。
医院建筑由于其医疗科目繁多、功能复杂、医疗流程及使用对象特殊、设备多而分散、工艺及安全防护要求高、电气系统种类多、对供电可靠性要求高,其作为民用建筑中的一个重要分支已经受到越来越多建筑设计人员的重视。
随着我国经济发展,医院建筑发生显著的变化,如病房楼不在是以前规模偏小、布局陈旧、功能不全、设备简陋的落后状况,以家庭化、全空调病房为代表的新型病房楼正在普及;医院手术区针对手术区流程、手术室材料结构、手术器具配置、净化标准等方面与国外的差别、以国际标准的先进净化手术室为样板进行设计和改造,或一些二级、三级医院直接引进大刀国际先进水平的整体净化手术室;门诊急诊楼则把挂号、付费、化验、配药等窗口集中在一起引入建筑中庭的形式,使医院人流密集的中枢部位宽敞及明亮,减少病人和家属在等候时的沉闷感;医院的医疗设备更新速度快,大型X线机、CT、加速器、核磁共振、超声诊断、电生理诊等先进的医疗设备日新月异,且发展迅速;许多三级医院根据其发展要求,有针对性地建设一些灵活建筑空间来配合医疗设备的调整,近10年是我国医院改造、新建的高峰期。
对此我国十分关注国外医院的建设及相应的标准,国外的医院建设标准是基于自身国情和对医疗环境控制的认识与实践,大多是以专业学(协)会标准、行业标准为标准,遵循法规和条列。
而我国则是以国家标准为准。
国外医院建设大体呈现以下情况:公立医院与私立医院差别较大;注重医院工艺平面布局,人流与物流流线设置,比较注重通风情况,常采用机械通风;节能的重点放在改善玻璃的性能上;采用“能源站”系统节能的方式有效节能减排;加大医院设施的使用率;综合手术室发展迅速。
电气自动化毕业设计开题报告电气自动化毕业设计开题报告一、引言电气自动化是现代工业领域中不可或缺的一部分,它涉及到自动控制、电力系统、电子技术等多个学科的知识。
本次毕业设计旨在通过实际项目的设计和实施,提高我对电气自动化的理解和应用能力。
本文将介绍设计的背景和目的,并详细阐述设计方案和预期成果。
二、设计背景随着科技的不断发展,传统的手动操作已经无法满足工业生产的需求。
电气自动化技术的应用可以提高生产效率、降低人力成本,并且提高产品质量和安全性。
因此,电气自动化在工业领域中得到了广泛的应用。
三、设计目的本次毕业设计的目的是设计和实施一个基于PLC(可编程逻辑控制器)的自动化控制系统。
通过此项目,我将深入了解PLC的工作原理和编程方法,并学习如何将PLC与其他设备(如传感器、执行器等)进行集成。
此外,通过实际的设计和实施过程,我将提高自己的问题解决能力和团队合作能力。
四、设计方案1. 系统架构本次设计的自动化控制系统将采用三层架构,包括传感器层、控制层和执行层。
传感器层负责采集各种信号,如温度、压力、湿度等。
控制层通过PLC对传感器信号进行处理,并根据设定的逻辑进行控制。
执行层包括各种执行器,如电机、阀门等,负责根据控制层的指令执行相应的动作。
2. PLC编程本次设计将使用西门子S7-1200系列PLC进行编程。
PLC编程语言采用国际标准的IEC 61131-3,包括梯形图、功能块图等多种编程方式。
通过PLC编程,可以实现对传感器信号的采集和处理,以及对执行器的控制。
3. 设备集成除了PLC,本次设计还需要将其他设备集成到自动化控制系统中。
例如,通过与温度传感器的连接,可以实现对温度的监测和控制;通过与电机的连接,可以实现对电机的启停和转速控制。
设备集成需要进行硬件和软件方面的配置和调试,以确保各个设备之间的正常通信和协作。
五、预期成果通过本次毕业设计,我希望能够达到以下几个预期成果:1. 深入理解电气自动化的原理和应用。
电力开题报告范文_电力系统规划开题报告范文电力开题报告范文篇11.1研究背景和意义本文主要对我国风能发电行业的可选政策进行研究,根据我国现有的风电发展状态以及国情,在招标制、购电法和配额制这三种主要的政策工具中进行抉择。
本节将介绍这篇文章的研究背景、问题以及研究意义。
1.1.1研究背景在人类文明的进程中,人们一直以来都是依赖不可再生的化石能源。
随着经济的发展,越来越多的需求和依赖导致了化石燃料的急剧减少,化石能源的浪费以及造成的环境污染是导致目前全球气候变暖的主要原因。
而中国作为一个正在蓬勃发展的国家,对能源的需求更是可观。
可以想象,在未来的发展中,随着化石燃料的逐年减少,中国的发展将会陷入瓶颈。
可再生能源是指在自然界中可以不断的再生,并且可以永远进行利用的资源,它具有取之不尽、用之不竭的主要特点。
可再生能源的利用主要有太阳能、水能、风能、地热能、生物质能以及潮汝能等类型。
这些可再生能源对环境造成的危害很小甚至为零,而且它们的资源分布十分广泛,相对于化石能源来说,具有很多优势。
这使得可再生能源的利用正渐渐的被人们所关注和推崇。
在本文中,主要以风能这种可再生能源为例进行我国可再生能源发电项目的政策选择研究。
自上个世纪90年代以来,可再生能源发电项目发展的促进政策在全世界范围内出现了多样化的发展局面。
具体表现在不同国家有着不同的发展政策,甚至一个国家的不同地区也有着不同的发电行业支持政策。
这使得那些目前正处于选择和调整发展政策的国家和地区陷入了选择困境。
其次,近年来我国的风电发展行业所选择的政策也出现了混乱和争议,并且还引发了风电投资过热等一系列的问题,这种困境亟待解决。
以国家为单位的多样化的可再生能源的发电政策体现为:购电法、净计量电价、招投标过程、固定配额、绿色证书交易、绿色电力交换、绿色定价。
这些政策工具的选择侧重于各种降低生产成本的诱因,如成本竞争力被考虑在内的对于可再生能源包含的放松管制、市场竞争力的主要推动力。
电力系统开题报告电力系统开题报告摘要:本文旨在对电力系统进行深入研究和分析,探讨其在现代社会中的重要性和挑战。
首先,文章将介绍电力系统的定义和基本组成部分,包括发电、输电和配电。
接着,将分析电力系统的发展历程和现状,并探讨其所面临的挑战,如能源短缺、环境污染和供电安全等。
最后,将提出一些解决方案和未来发展趋势的展望。
1. 介绍电力系统是指由发电、输电和配电组成的一套设备和网络,用于将电能从发电厂输送到用户终端。
它是现代社会不可或缺的基础设施,为工业生产、居民生活和公共服务提供了稳定可靠的电力供应。
2. 发电发电是电力系统的核心环节,通过将各种能源转化为电能来满足社会需求。
常见的发电方式包括火力发电、水力发电、核能发电和风能发电等。
随着科技的进步和环保意识的增强,可再生能源发电的比重不断提高,如太阳能和地热能等。
3. 输电输电是将发电厂产生的电能通过高压输电线路输送到各地的过程。
为了减少能量损耗和提高输电效率,通常采用高压直流输电技术。
此外,输电线路的建设和维护也是电力系统中的重要环节,需要考虑地形、气候和环境等因素。
4. 配电配电是将输送到各地的电能分配给用户终端的过程。
传统的配电系统采用辐射状结构,即从变电站向周围辐射出去。
但随着城市化进程的加快和用电需求的增长,需要建设更加智能化和可靠的配电网络,以满足不同用户的需求。
5. 发展历程和现状电力系统的发展经历了多个阶段。
从最初的小规模发电厂到现代化的大型发电站,电力系统的规模和复杂性不断增加。
目前,电力系统已经实现了全球范围内的互联互通,形成了庞大的国际电力交流网络。
然而,电力系统也面临着一些挑战。
首先,能源短缺是一个严峻的问题,传统能源资源的枯竭和能源供需不平衡使得电力供应不稳定。
其次,环境污染也是电力系统发展的障碍,传统的火力发电和核能发电会产生大量的二氧化碳和放射性废物。
此外,供电安全和电网稳定性也是电力系统面临的重要问题,如天气灾害、设备故障和恶意攻击等。
电气自动化开题报告范文模板以及概述1. 引言1.1 概述本篇文章是关于电气自动化开题报告的撰写,旨在介绍该课题的背景、目标和研究方法等内容。
电气自动化作为现代工程领域的重要分支,已经得到广泛应用,并在生产制造、能源管理、交通运输等领域取得了显著成果。
本文将以一个全面深入的方式来介绍该课题,并通过相关工作的调研与问题陈述来阐明研究目标。
1.2 文章结构本文将按以下结构组织:引言部分概述了文章内容;正文部分包括研究背景、相关工作以及问题陈述与目标;方法与实验设计部分介绍了研究所采用的方法,实验设计和数据采集过程;结果与讨论部分对实验结果进行分析与解读,并提出讨论与对比分析;结论与展望总结主要结论,提出不足之处以及后续研究展望。
1.3 目的本文的主要目的是对电气自动化领域中特定课题进行深入探索。
通过调查并总结相关工作,可以了解当前该课题的研究状态,有助于确定进一步研究的方向和目标。
同时,通过详细介绍方法与实验设计部分的内容,读者可以了解该课题所使用的研究方法和具体实施过程。
最后,在结果与讨论以及结论与展望部分,将对实验结果进行解读并评估其对目标的达成程度,并提出改进方向和后续研究展望。
通过本文的撰写,旨在为电气自动化领域的相关研究人员提供一个全面系统的了解该课题的基础和参考。
希望本文能够为读者提供一定的理论指导和实践经验,以推动该领域进一步发展和应用。
2. 正文:2.1 研究背景在当今社会,电气自动化技术在各个领域中扮演着重要的角色。
随着科学技术的不断进步和人们对生产效率和质量的不断追求,电气自动化技术得到了广泛应用。
它涉及到机械、电子、计算机等多个学科,将它们有机地结合在一起,使得生产过程更加高效、智能化,并提高产品的品质。
2.2 相关工作过去几十年中,许多研究者都对电气自动化领域进行了深入研究。
他们致力于开发新的技术和方法来解决生产过程中遇到的问题,并提出了许多创新性的解决方案。
例如,在工业控制系统中,PLC(Programmable Logic Controller)被广泛使用以实现对设备和流程的自动控制;而基于传感器网络的智能监测系统则可以实时监测设备运行情况并及时进行故障预警。
电气工程及其自动化专业毕业设计开题报告一、选题背景随着全球经济快速发展和科技进步,电气技术在各行各业中发挥着越来越重要的作用。
近年来,智能化、自动化、节能环保等技术在电气领域得到了广泛的应用。
电气工程及其自动化专业是工科类专业的重要学科之一,在工业生产、公共设施、家庭用电等方面都有广泛的应用。
因此,电气工程及其自动化专业毕业设计是学生在校期间最后一次综合运用所学知识的机会,也是检验本专业学生综合素质和专业技能的重要手段。
二、选题目的本人选择的毕业设计题目为《基于DSP的数字化温度控制系统设计》。
该选题旨在通过设计与实现一个数字化温度控制系统,提高本人在电气工程及其自动化方面的实践能力。
同时,该选题与当前社会的应用环境紧密相关,可培养本人对新兴技术应用的敏锐观察力和市场分析能力,加强对数模转换、分析控制算法、系统调试等方面的学习和掌握,为今后的工作和学习奠定坚实基础。
三、设计内容和技术路线3.1 设计内容本毕业设计是基于DSP的数字化温度控制系统。
主要包括系统硬件部分和软件部分,硬件部分包括传感器、信号调理电路、AD转换电路、控制器、执行机构等组成,软件部分包括数据采集、处理、控制算法设计、系统调试等方面的内容。
通过对传感器测量到的温度信号进行信号调理和AD转换后,送入控制器进行算法处理,再将处理结果作为控制量控制执行机构,达到对温度的精确控制。
同时,本设计还要求具有实时监测、数据存储以及数据分析、处理功能。
最终,采用合适的界面设计,将软件部分的控制、调试和监测界面直观地呈现出来。
3.2 技术路线本设计的技术路线主要包括以下几个步骤:(1) 系统需求分析首先需要根据实际需求,确定系统的技术指标,如控制温度精度、控制范围、系统稳定性要求等。
根据这些需求,设计出整个系统的框架。
(2) 硬件设计系统硬件设计主要包括传感器选择、信号处理电路、AD转换电路、控制器、执行机构等的选择和设计。
传感器可选用热敏电阻、热电偶等,信号处理电路主要包括滤波电路、放大电路等,AD转换电路选用高精度的模数转换芯片,控制器可选用DSP 等,执行机构根据实际需求选择。
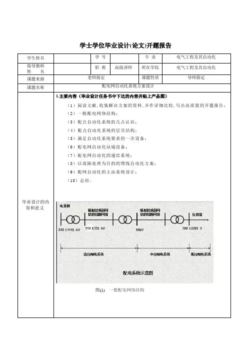
学士学位毕业设计(论文)开题报告学生姓名学号专业电气工程及其自动化指导教师姓名职称高级讲师所在学院电气工程及其自动化课题来源老师指定课题性质导师指定课题名称配电网自动化系统方案设计毕业设计的内容和意义1.主要内容(毕业设计任务书中下达的内容并贴上产品图)(1)阅读文献,收集解决方案的资料,并作详细比较,写出高质量的开题报告;(2)一般配电网络结构;(3)配点自动化系统的几点认识;(4)配点自动化系统的层次结构;(5)满足自动化系统要求的一次设备;(6)配电网自动化站端设备;(7)配电网自动化的通信系统;(8)以故障处理为目的的馈线自动化方案;(9)配网自动化的主站系统设计;(10)总结。
图(1) 一般配电网络结构图(2) 配网自动化的主站系统设计图(3) 配电网自动化的通信系统图(4)配点自动化系统的层次结构2.意义(1) 毕业设计在四年中的意义毕业设计是教学计划中最后一个综合性实践教学环节,是学生在教师的指导下,独立从事设计工作的初步尝试,是对即将步入社会的毕业设计能力的一次全面考核,其基本目的是培养学生综合运用所学的基础理论、专业知识、基本技能研究和处理问题的能力。
是学生对前三年所学知识和技能进行系统化、综合化运用、总结和深化的过程。
通过考察、立题、收集素材、设计方案、工艺制作等过程,检查学生的思维能力、动手能力和掌握技艺的深度,并通过毕业答辩、毕业设计和实习工作,来考核教学水平,对深化教学改革,提高教学质量具有重要的意义。
(2)本课题的意义配电网自动化系统在电力系统中的地位非常重要,本课题适应了电力系统当今发展趋势。
实现配电系统自动化有利于配电网正常运行时,通过监视配网运行工况,优化配网运行方式;有利于在保证供电可靠性的前提下,确保电力用户的实效性,满足电力用户的供电需求;有利于满足和确保供电的质量,符合高新技术装备和居民家用电器的要求,避免高峰低谷,电压幅值和频率以及谐波对用户所产生的不良影响;有利于降低电网的损耗,提高网络的供电能力,减少用户的停电几率;有利于提高配电。
目录1.选题的背景以及研究的意义 (1)1.1选题的背景 (1)1.2研究的意义 (2)2本课题研究领域国内外动态及发展趋势 (3)2.1调匝式消弧线圈 (5)2.2调气隙式消弧线圈 (5)2.3直流偏磁式消弧线圈 (5)2.4磁阀式消弧线圈 (5)2.5高短路阻抗变压器式可控消弧线圈 (5)2.6 调容式消弧线圈研究选题的提出 (6)3本课题拟采取的研究方案 (6)3.1消弧线圈的整定原则 (6)3.2电容电流的测量 (7)3.2.1最大位移电压法 (7)3.2.2两点法 (7)3.2.3改进的方法 (8)3.3电网脱谐度的计算 (9)3.4消弧线圈的选择 (10)4论文完成的任务 (10)5本设计预期达到的目标 (11)6 论文的工作量 (11)7 经费的来源 (11)8 时间安排 (11)9参考文献 (12)调容式自动调谐消弧装置与研究1.选题的背景以及研究的意义1.1选题的背景电力系统中性点运行方式的确定涉及到供电可靠性、过电压与绝缘配合、继电保护和自动装置的正确动作、通讯干扰、系统稳定等许多问题, 因此近几十年来, 电力系统中性点运行方式的研究和应用, 一直是国内外研究者关注的问题。
中性点不接地系统因在发生单相接地时, 线电压不变, 对接于电网中的三相用电设备的正常运行没有影响, 在3~66Kv系统得到广泛运用。
但随着电网的发展, 变配电网中电缆增多及加长, 发生单相接地时, 电容电流增大, 由此引起的弧光过电压问题也日益严重, 直接威胁着电力系统的安全可靠运行。
德国工程师彼得生(W.Petersen)1916年首次提出并应用消弧线圈接地又称谐振接地来解决上述问题[1]。
此后, 消弧线圈的研究和应用得到广泛的重视和加强。
二十世纪八十年代末, 法国电力公司从安全效果和供电质量两个方面经过周密考虑后将中压电网的中性点全部改用谐振接地方式。
德国是消弧线圈的故乡, 起初, 包括220Kv的高压电网在内, 中性点一律采用消弧线圈接地方式。
电气自动化毕业设计开题报告电气自动化毕业设计开题报告摘要:本文旨在介绍电气自动化毕业设计的开题报告。
首先,我们将简要介绍电气自动化领域的背景和重要性。
接着,我们将提出本次毕业设计的目标和意义,并详细阐述设计的内容和方法。
最后,我们将讨论预期的结果和计划的实施。
一、引言电气自动化是现代工业领域中的重要技术。
它利用电气和电子设备来实现自动化控制和监测。
随着科技的发展,电气自动化在工业生产中扮演着越来越重要的角色。
因此,毕业设计的开题报告旨在研究电气自动化领域的一个具体问题,并提出解决方案。
二、目标和意义本次毕业设计的目标是设计一个基于PLC(可编程逻辑控制器)的自动化控制系统。
该系统将用于控制一个工业过程,以提高生产效率和质量。
通过该设计,我们将深入理解PLC的工作原理和应用。
此外,我们还将掌握自动化控制系统的设计和实施方法。
这对于我们未来从事电气自动化相关工作具有重要意义。
三、设计内容和方法本次毕业设计的设计内容包括以下几个方面:1. 系统需求分析:我们将首先对工业过程进行需求分析,确定系统的功能和性能要求。
2. PLC选型和编程:根据系统需求,我们将选择合适的PLC,并进行编程,实现对工业过程的控制。
3. 传感器和执行器选择:我们将选择适当的传感器和执行器,用于监测和控制工业过程。
4. 人机界面设计:我们将设计一个直观友好的人机界面,方便操作和监测系统的运行状态。
5. 系统测试和调试:完成系统设计后,我们将进行系统测试和调试,确保系统的正常运行。
设计方法将采用以下步骤:1. 文献调研:我们将通过查阅相关文献,了解PLC的原理和应用,以及自动化控制系统的设计方法。
2. 系统建模:我们将对工业过程进行建模,以便更好地理解系统的运行原理。
3. 硬件搭建:根据系统需求,我们将选择合适的PLC和其他设备,并进行硬件的搭建和连接。
4. 软件编程:我们将使用PLC编程软件,编写控制程序,并进行调试和优化。
5. 系统测试:完成系统搭建和编程后,我们将进行系统测试,验证系统的功能和性能。
电力系统开题报告完整版昆明学院201x 届毕业设计(论文)开题报告就具有较高的运行稳定度。
从这些概念出发, 可以得出提高电力系统稳定性和输送能力的一般原则: 尽可能地提高电力系统的功率极限; 抑制自发振荡的发生; 尽可能减少发电机相对运行的振荡幅度。
从简单电力系统极限的表达式Pm = EU/ X 中可以看出, 要提高电力系统的功率极限, 应从提高发电机的电势E、减少系统电抗X 、提高和稳定系统电压U 等方面着手。
抑制自发振荡, 主要是根据系统情况, 恰当地选择励磁调节系统的类型和整定其参数。
根据上述一般原则, 可以采取以下几个方面的措施提高电力系统的静态稳定性: ( 1) 改善电力系统基本元件的特性和参数; ( 2) 采用附加装置提高电力系统静态稳定性。
应该着重指出, 无论采用哪种措施来提高电力系统静态稳定性, 除了考虑技术上实现的可能性之外, 还必须考虑是否经济合理。
有的措施对静态稳定和输送能力均有良好的作用, 如提高系统功率极限的各种措施。
4. 主要关键技术、工艺参数和理论依据用小干扰法分析电力系统时要求:(1)列出系统状态变量偏移量的线性状态方程;(2)根据特征值判断系统的稳定性;(3)两机及多机系统的静态稳定近似分析;首先是:1)两机系统的静态稳定分析:(比如对图中所示系统进行分析)这样的两机系统其状态方程就是两台发电机的转子运动方程。
现在的问题是如何求得每台机的电磁功率偏移量 P E。
由于负荷是恒定阻抗,可看作是网络中的阻抗。
2)多机系统的静态稳定分析根据两机系统静态稳定的近似工程分析发法,可以很方便地推广到更复杂的多机系统中。
可见,讨论多机电力系统的静态稳定性,仍是以小干扰法为理论基础,首先列出各元件的微分方程,然后将它们综合起来得全系统的微分方程组,最后根据全系统微分方程组的特征方程,求特征值判别系统是否为静态稳定。
利用MATLAB应用软件中的Command Windows窗口输入由多机电力系统中计算出来的系数矩阵,完成电力系统静态稳定特性的计算判稳过程程序或软件。
电气自动化论文开题报告电气自动化论文开题报告引言:电气自动化作为现代工业领域的重要技术,已经在各个行业中得到广泛应用。
本文将围绕电气自动化的相关研究展开,旨在探讨其在工业生产中的优势和应用前景。
通过深入研究,我们希望能够为电气自动化的发展提供有益的思考和建议。
一、电气自动化的背景与意义电气自动化是通过电气控制技术实现对工业生产过程的自动化控制。
它的出现和发展,极大地提高了生产效率,降低了生产成本,同时也减少了人力资源的需求。
随着科技的不断进步,电气自动化的应用范围也越来越广泛,已经成为现代化工业发展的重要支撑。
二、电气自动化的技术与方法1. 传感器技术传感器是电气自动化的核心技术之一。
它能够将物理量转化为电信号,并将其传递给控制系统。
通过传感器的应用,我们可以实时监测生产过程中的各种参数,如温度、压力、流量等,从而实现对生产过程的精确控制。
2. 控制系统控制系统是电气自动化的另一个重要组成部分。
它通过对传感器采集到的数据进行处理和分析,进而控制各种执行器的运动。
控制系统的设计和优化,直接影响到生产过程的稳定性和效率。
3. 通信技术在现代工业中,各个设备之间需要进行信息传递和数据交换。
因此,通信技术在电气自动化中具有重要作用。
通过网络技术和协议,不同设备之间可以实现高效的数据传输和共享,从而提高生产过程的整体效率。
三、电气自动化的应用领域1. 制造业电气自动化在制造业中的应用非常广泛。
通过自动化控制,可以实现生产线的高效运行和产品质量的稳定控制。
同时,电气自动化还可以提供灵活的生产方式,满足市场需求的快速变化。
2. 能源领域电气自动化在能源领域的应用也非常重要。
通过对能源系统的自动化控制,可以提高能源的利用效率,减少能源浪费。
例如,在电力系统中,电气自动化可以实现对电网的智能监控和调度,从而提高电力系统的稳定性和可靠性。
3. 交通运输电气自动化在交通运输领域的应用也越来越广泛。
例如,自动驾驶技术的发展,使得汽车在行驶过程中可以实现自主导航和智能控制。
自动化本科毕业论文开题报告在平时的学习、工作中,大家都写过论文吧,论文是进行各个学术领域研究和描述学术研究成果的一种说理文章。
一篇什么样的论文才能称为优秀论文呢?以下是小编收集整理的自动化本科毕业论文开题报告,仅供参考,欢迎大家阅读。
一、本课题的研究目的和意义(一)目的系统是国民经济建设的重要基础,强大的监控系统对于保证整个的稳定运行意义重大、在电网监控系统中图形工具的使用已经很普遍、但大多数系统图形工具设计构架陈旧、操作复杂,不利于用户二次开发。
组态是一种成熟的软件产品,主要用于现场的检测,数据采集等。
它的优点是功能强大,易于二次组态开发,性能稳定。
组态图形工具大大提高了电网监控系统图形工具的适应性和二次开发能力。
(二)意义保障安全、清洁、高效、可持续的能源和电力供应,积极发展智能电网已成为世界电力发展的新趋势。
对变电站安全设施设备运行安全和电力公司内部治安管理日益收到重视,从而对电力公司安全技术防范的要求也越来越高。
二、本课题的主要研究内容(提纲)检测软件系统主要设计了以下几部分:1、电网主接线画面2、曲线系统:由实时曲线、历史曲线、榜图表示3、报警系统4、报表系统三、文献综述(国内外研究情况及其发展)随着我国店里系统网络大规模改造,电网的规范飞速发展,为了满足店里网的安全性、稳定性、高效性,对电力监控系统要求其监测软件能够综合监控整个电网的运行情况,监控一次设备的工作状况,实现报表自动生成,以及实时数据显示、历史数据查询、事故分析、报表打印功能等。
电力调动系统逐渐发展到有计算机技术加入后,监测系统也逐渐结构化,出现了与之相适应的电力监测软件。
四、拟解决的关键问题(1)根据店里系统相关知识了解电网的配置以及接线方法。
(2)熟悉组态软件的相关应用以及通信协议。
(3)按照相关协议将组态软件恰当的运用到电网监控系统中。
(4)查阅资料详细了解系统软硬件结合的事先方法。
(5)具体理清监控的实现方法。
五、研究思路和方法(1)分析电网监控的'特定需求,给出软件的总体结构方案。
电力系统开题报告电力系统开题报告一、引言电力系统作为现代社会不可或缺的重要基础设施,承担着供应电力、保障能源安全和推动经济发展的重要角色。
本文将对电力系统的概念、发展历程以及存在的问题进行探讨,并提出研究的目的和意义。
二、电力系统的概念和发展历程电力系统是由发电、输电、配电和用电四个环节组成的能源供应系统。
其发展历程可以追溯到19世纪末的工业革命时期。
随着电力工业的兴起,电力系统逐渐形成,并经历了从直流到交流、从集中式到分布式的演进过程。
如今,电力系统已经成为国民经济的重要支撑,为各行各业提供稳定可靠的电力供应。
三、电力系统存在的问题然而,随着社会经济的不断发展,电力系统也面临着一系列问题。
首先,电力需求的快速增长使得电力系统容量不足,供需矛盾日益突出。
其次,传统的电力系统结构存在单一故障点,一旦发生故障,将导致大面积停电。
此外,电力系统的能源结构也亟待优化,以减少对传统化石能源的依赖,提高能源利用效率。
四、研究目的和意义本研究旨在探索电力系统的优化方法,以提高电力供应的可靠性和稳定性。
具体目标包括:提高电力系统的供电能力,解决供需矛盾问题;设计分布式电源系统,减少对传统能源的依赖;建立智能电网,提高电力系统的自动化程度和智能化水平。
五、研究方法本研究将采用综合分析法和数学模型等方法,对电力系统进行全面的分析和评估。
首先,通过对现有电力系统的调研和数据收集,了解电力系统的运行情况和存在的问题。
其次,运用数学模型对电力系统进行建模和仿真,以评估系统的性能和稳定性。
最后,根据评估结果,提出相应的优化方案和措施。
六、预期成果本研究的预期成果包括:优化电力系统的供电能力,提高供电可靠性和稳定性;设计分布式电源系统,减少对传统能源的依赖;建立智能电网,提高电力系统的自动化程度和智能化水平。
同时,本研究的成果将为电力系统的改进和发展提供参考和指导。
七、研究计划本研究计划将分为以下几个阶段进行:1. 阶段一:调研和数据收集,了解电力系统的运行情况和存在的问题;2. 阶段二:建立电力系统的数学模型,进行仿真和评估;3. 阶段三:根据评估结果,提出优化方案和措施;4. 阶段四:实施优化方案,并进行实地测试和验证;5. 阶段五:总结研究成果,撰写研究报告。
毕业设计(论文)开题报告
学生姓名:李海升学号:0605170231 专业:电气工程及其自动化
设计(论文)题目:电力系统规划及发电厂电气部分设计指导教师:马文琪
2010年月日
开题报告填写要求
1.开题报告(含“文献综述”)作为毕业设计(论文)答辩委员会对学生答辩资格审查的依据材料之一。
此报告应在指导教师指导下,由学生在毕业设计(论文)工作前期内完成,经指导教师签署意见及所在系审查后生效;
2.开题报告内容必须用黑墨水笔工整书写或按教务处统一设计的电子文档标准格式打印,禁止打印在其它纸上后剪贴,完成后应及时交给指导教师签署意见;
3.“文献综述”应按论文的格式成文,并直接书写(或打印)在本开题报告第一栏目内,学生写文献综述的参考文献应不少于10篇(不包括辞典、手册);
4.有关年月日等日期的填写,应当按照国标GB/T 7408—94《数据元和交换格式、信息交换、日期和时间表示法》规定的要求,一律用阿拉伯数字书写。
如“2002年4月26日”或“2002-04-26”。
毕业设计(论文)开题报告
1.结合毕业设计(论文)课题情况,根据所查阅的文献资料,每人撰写2000字左右的文献综述:
文献综述
一电力系统规划
1. 电力系统概述
电力系统由发电、变电、输电、配电和用电等环节组成的电能生产与消费系统。
它的功能是将自然界的一次能源通过发电动力装置(主要包括锅炉、汽轮机、发电机及电厂辅助生产系统等)转化成电能,再经输、变电系统及配电系统将电能供应到各负荷中心,通过各种设备再转换成动力、热、光等不同形式的能量,为地区经济和人民生活服务。
[1]电源点与负荷中心多数处于不同地区,也无法大量储存,故其生产、输送、分配和消费都在同一时间内完成,并在同一地域内有机地组成一个整体,电能生产必须时刻保持与消费平衡。
因此,电能的集中开发与分散使用,以及电能的连续供应与负荷的随机变化,就制约了电力系统的结构和运行。
据此,电力系统要实现其功能,就需在各个环节和不同层次设置相应的信息与控制系统,以便对电能的生产和输运过程进行测量、调节、控制、保护、通信和调度,确保用户安全、经济、优质的电能。
[2]
2. 电力系统规划设计的重要性
电能是当今社会应用最广泛的二次能源。
国民经济的建设与发展,人民物质文化生活的保障与提高,都离不开电能。
电能供应的中断或减少将影响国民经济的各个部门。
“科技要发展,电力要先行”,因此,做好电力工程建设的前期工作,落实发、送、变电本体工程的建设条件,协调其建设进度,优化其设计方案,最大限度地节约国家基建投资,意义尤为重大。
而电力系统规划设计正是电力工程前期工作的重要组成部分,它是关于单项本体工程设计的总体规划,是具体建设项目的方针和原则,是一项具有战略意义的工作。
[3]
3. 电力系统规划设计的任务
其任务是根据规划地区的国民经济和长期社会发展目标、经济布局和能源资源开发与分布情况,宏观分析电力市场需求,进行煤、水、电、运和环境等综合分析,提出电力可持续发展的基本原则和方向,电源的总体规模。
设计电网布局、结构和建设项目。
2.本课题要研究或解决的问题和拟采用的研究手段(途径):本次设计的题目是电力系统规划及发电厂电气部分设计。
本次毕业设计的是通过学习电力系统规划设计的方法,然后再根据具体方向,拟定设计思路即:电源规划——确定接线方案——确定主接线——确定主变——短路、潮流计算——厂用电设计——继保、防雷规划——书写论文并绘制图纸。
查阅文献,搜集资料,调查研究,综合分析,设计制图和编写说明等多方面的训练,巩固和提高以往学习的理论和知识,从而获得综合应用各种知识解决实际问题的锻炼,提高理论联系实际的能力。
具体设计步骤如下:
基本设计内容:
1.根据给定的负荷资料确定备用容量及需要的装机容量。
2.选择电力系统的导线截面,回路数,电压等级及系统接线图。
3.方案的技术经济指标比较。
4.选择各发电厂及变电所的主接线。
5.选择各发电厂及变电所的主变压器。
6.进行各点的短路计算。
7.选择主要电气设备(变电所的高压断路器)。
8.各种运行方式的潮流计算:最大负荷、最小负荷及故障运行方式。
9.无功功率的平衡及调压计算。
10.火电厂厂用电规划设计及配电装置规划设计。
11.火电厂防雷保护设计及继电保护规划设计。
其中专题设计内容(发电厂):
1.选择厂用电的主接线。
2.选择厂用变压器。
3.选择断路器、隔离开关。
4.选择电压、电流互感器和电抗器。
指导教师意见:
1.对“文献综述”的评语:
2.对本课题的深度、广度及工作量的意见和对设计(论文)结果的预测:
指导教师:
年月日所在系审查意见:
负责人:
年月日。