支架受力分析、阵列间距计算及发电量
- 格式:xls
- 大小:150.50 KB
- 文档页数:21
支架竖向承载力计算:按每平方米计算承载力,中板恒载标准值:f=2.5*0.4*1*1*10=10KN ;活荷载标准值N Q = (2.5+2 )*1*1=4.5KN ;则:均布荷载标准值为:P1=1.2*10+1.4*4.5=18.3KN ;根据脚手架设计方案,每平方米由2根立杆支撑,单根承载力标准值为100.3KN ,故:P1=18.3/2=9.15KN<489.3*205=100.3KN 。
满足要求。
或根据中板总重量(按长20m 计算)与该节立杆总数做除法,中板恒载标准值:f=2.5*0.4*10*20*19.6=3920KN ;活荷载标准值NQ = (2.5+2 )*20*19.6=1764KN ;则:均布荷载标准值为:P1=1.2*3920+1.4*1764=7173KN ;得P1=7173KN<100.3*506=50750KN 。
满足要求。
支架整体稳定性计算:根据公式: []N f Aσϕ≤=式中:N -立杆的轴向力设计值,本工程取15.8kN ;-轴心受压构件的稳定系数,由长细比λ决定,本工程λ=136,故=0.367; λ-长细比,λ=l 0 /i =2.15/1.58*100=136;l 0-计算长度,l 0=kμh =1.155*1.5*1.2=2.15m ;k-计算长度附加系数,取 1.155;μ-单杆计算长度系数 1.55;h-立杆步距0.75m。
i-截面回转半径,本工程取1.58cm;A-立杆的截面面积,4.89cm2;f-钢材的抗压强度设计值,205N/mm2。
σ=15.8/(0.367*4.89)=88.04N/mm2<[f]=205N/mm。
满足要求.支架水平力计算支架即作为竖向承力支架,也作为侧墙内撑支架,因此需计算支架水平支撑力,即侧墙施工时产生的侧压力。
混凝土作用于模板的侧压力,根据测定,随混凝土的浇筑高度而增加,当浇筑高度达到某一临界时,侧压力就不再增加,此时的侧压力即为新浇筑混凝土的最大侧压力。
支架强度计算支架是安装从下端到上端高度为4m以下的太阳能电池阵列时使用。
计算因从支架前面吹来(顺风)的风压及从支架后面吹来(逆风)的风压引起的材料的弯曲强度和弯曲量,支撑臂的压曲(压缩)以及拉伸强度,安装螺栓的强度等,并确认强度。
(1)结构材料选取支架材料,确定截面二次力矩IM和截面系数Z。
(2)假象载荷1)固定荷重(G)组件质量(包括边框)GM +框架自重GK1+其他GK2固定载荷G=GM+ GK1+ GK22)风压荷重(W)(加在组件上的风压力(WM)和加在支撑物上的风压力(WK)的总和)。
W=1/2×(CW×σ×V02×S)×a×I×J3)积雪载荷(S)。
与组件面垂直的积雪荷重。
4)地震载荷(K)。
加在支撑物上的水平地震力5)总荷重(W)正压:5)=1)+2)+3)+4)负压:5)=1)-2)+3)+4)载荷的条件和组合载荷条件一般地方多雪区域长期平时G G+0.7S短期积雪时G+S G+S暴风时G+W G+0.35S+W地震时G+K G+0.35S+K (3)悬空横梁模型(4) A-B间的弯曲应力顺风时A-B点上发生的弯曲力矩:M1=WL2/8 应力σ1=M1/Z(5) A-B间的弯曲(6) B-C间的弯曲应力和弯曲形变(7) C-D间的弯曲应力和弯曲形变(8)支撑臂的压曲(9)支撑臂的拉伸强度(10)安装螺栓的强度基础稳定性计算1、风压载荷的计算2、作用于基础的反作用力的计算3、基础稳定性计算当受到强风时,对于构造物基础要考虑以下问题:①受横向风的影响,基础滑动或者跌倒②地基下沉(垂直力超过垂直支撑力)③基础本身被破坏④吹进电池板背面的风使构造物浮起⑤吹过电池板下侧的风产生旋涡,引起气压变化,使电池板向地面吸引对于③~⑤须采用流体解析等方法才能详细研究。
研究风向只考虑危险侧的逆风状态以下所示为各种稳定条件:a.对滑动的稳定平时:安全率Fs≥1.5;地震及暴风时:安全率Fs≥1.2 b.对跌倒的稳定平时:合力作用位置在底盘的中央1/3以内时地震及暴风时:合力作用位置在底盘的中央2/3以内时c.对垂直支撑力的稳定平时:安全率Fs≥3;地震及暴风时:安全率Fs≥2附件1:△风荷载计算△(1)设计时的风压载荷W=Cw×q×Aw(作用于阵列的风压载荷公式)式中 W——风压荷重Cw——风力系数q ——设计用速度压(N/m2)Aw——受风面积(m2)(2)设计时的速度压q=q0×a×I×J式中 q——设计时的速度压(N/m2)q0——基准速度压(N/m2)a——高度补偿系数I——用途系数J——环境系数1)基准速度压。
光伏支架阵列间距光伏支架阵列间距是影响光伏发电效率的一个重要参数,不同的间距设置会影响光伏组件的光利用率及阴影覆盖率。
那么,怎样设置光伏支架阵列间距才能使光伏发电效率最大化呢?下面,笔者将从以下几个方面介绍光伏支架阵列间距的设置:一、间距的定义光伏支架阵列间距是指光伏阵列中,相邻两行光伏组件之间的距离,也就是光伏组件等间距排列的中心间距。
二、间距的影响因素1. 光照条件不同的地域、不同的季节光照条件不同,光伏组件的最佳排列方式也不同。
在光照充足的情况下,较小的间距可以使光伏组件之间的相互遮挡减少,提高光利用率。
但是,较大的间距可以降低组件之间的阴影覆盖率,提高整个光伏阵列的发电效率。
2. 模块类型不同类型的光伏组件由于尺寸、重量等方面的差异,对间距的要求也不同。
比如,大型光伏组件的间距应该设得更大,这样就可以减少组件的框架数量,提高建设效率,同时还能减少投资成本。
3. 底部地形底部地形的高差和不规则程度对光伏组件的放置有一定的影响。
对于凸起的地块,可以设置较大的间距,减少阴影覆盖,而对于下凹的地块,则应该设置较小的间距,这样能更好地利用光照。
三、间距的最佳设置由于影响因素的影响,不同的光伏阵列对间距有不同的要求。
但一般的原则是,在受光条件下,光伏组件之间的阴影互相遮挡不应超过10%。
1. 建议较小的间距当地光照条件较差时建议较小的间距。
在中国南方的雨季里,云层浓厚,光照条件较差,而且气温较低、湿度较大,这种情况下建议采用较小的间距。
因为这样可以使光伏阵列中处于阴影范围内的组件减少,提高整个光伏阵列的发电效率。
2. 建议较大的间距当地光照条件较好时建议较大的间距。
在阴影覆盖率较小时,建议采用较大的间距,这样可以减少支架、闪避器等配件的使用,提高安装效率和减少投资成本。
在南方少有的良好光照条件下,比如在广东地区,建议采用较大的间距,以提高光伏电站的发电效率。
综上所述,光伏组件间距的设置需要考虑多个因素,如光照条件、模块类型和底部地形等,以便使光伏电站的发电效率最大化。
太 阳 能第11期 总第355期2023年11月No.11 Total No.355 Nov., 2023SOLAR ENERGY0 引言光伏电站的投资建设成本包含用地成本和机电建设成本,用地成本又分为征地成本和租地成本两种,其成本大小与建设所需用地面积息息相关;机电建设成本又包括箱变成本、逆变器成本、光伏支架成本、管桩及其基础成本、光伏组件成本、集电线路成本及相关维护费。
光伏支架类型需要的不同,其成本往往也不同,针对光伏支架选型及成本分析的研究也有许多,如根据倾角是否可调,固定式光伏支架可分为最佳倾角固定式光伏支架、倾角可调式固定光伏支架两大类[1];毛文旭[2]对集中式光伏电站光伏支架经济性比对及选型进行研究,研究结果表明:最佳倾角固定式光伏支架在支架成本、土地成本、后期运营费用方面的节约程度远超过倾角可调式固定光伏支架带来的发电量增益;徐彩芝等[3]也对光伏支架选型进行了探讨,得到固定式光伏支架投资回收期最短,上网电价竞争力大于斜单轴跟踪式光伏支架系统和双轴跟踪式光伏支架系统;唐勇等[4]对光伏电站固定式光伏支架、固定可调式光伏支架、跟踪式光伏支架方案进行了经济分析,提出了项目可采用固定式光伏支架的建议;储红霞等[5]研究了在同荷载工况下采用铝合金支架或钢支架对工程造价的影响。
上述文献未细致对比支不同光伏架结构的成本差异。
本文以广东省湛江市徐闻县某光伏电站项目为背景,对11°倾角的固定式光伏支架的细分领域进行研究。
首先计算3×28光伏阵列和2×26光伏阵列的光伏支架材料差异,同时考虑建设面积差异;然后套入材料费用及对应的安装和维护费,最终形成两种光伏阵列方式下的建设投资成本差异。
以期该研究可为类似光伏电站支架选型及投资建设提供借鉴。
DOI: 10.19911/j.1003-0417.tyn20230112.02 文章编号:1003-0417(2023)11-18-07固定式光伏支架选型经济性对比分析曾智钦1,张元海1*,杨铭俊2,黄丽琴3(1.广东水电二局股份有限公司,广州 510410;2. 暨南大学,广州 510632;3.东南粤水电投资有限公司,广州 511300)摘 要:光伏发电系统中固定式光伏支架的结构形式差异较大,即使同种光伏支架结构形式也存在有不同的光伏阵列布置方式,不同布置方式的光伏阵列对应的光伏支架、管桩和土地成本也有较大差异。
光伏阵列间距和单位面积发电量计算表光伏发电是利用太阳能转化为电能的一种清洁能源。
在光伏发电系统中,光伏阵列是最核心的组成部分,而光伏阵列间距和单位面积发电量之间存在着一定的关系。
本文将从光伏阵列间距的选择角度出发,探讨光伏阵列间距对单位面积发电量的影响。
在光伏发电系统中,单位面积发电量是衡量光伏阵列发电效率的重要指标。
一般来说,单位面积发电量越高,说明光伏阵列的发电效率越高,也就意味着单位面积上能够收集到更多的太阳能并转化为电能。
光伏阵列间距是指光伏组件之间的距离,通常以米为单位。
光伏阵列间距的选择需要考虑到多个因素,包括太阳辐射强度、光伏组件的尺寸、阴影遮挡等。
在确定光伏阵列间距时,需要在最大程度上提高单位面积发电量,同时避免阴影遮挡导致发电量的降低。
以太阳辐射强度为例,太阳辐射强度是指单位面积上所接收到的太阳能的能量。
当光伏阵列间距较小时,太阳辐射能够充分地覆盖到每个光伏组件上,从而提高了单位面积的发电量。
然而,当光伏阵列间距过大时,太阳辐射无法充分覆盖到每个光伏组件上,导致单位面积的发电量降低。
除了太阳辐射强度,光伏组件的尺寸也会对光伏阵列间距的选择产生影响。
光伏组件的尺寸较大时,需要相应增加光伏阵列间距,以免光伏组件之间产生阴影遮挡。
阴影遮挡会导致光伏组件的发电效率降低甚至完全失效,从而降低了单位面积的发电量。
在实际应用中,根据不同的光伏组件特性和光照条件,可以通过实验和经验进行光伏阵列间距的选择。
一般来说,对于普通的光伏组件,光伏阵列间距可以在0.5米到1米之间。
当光照条件较好、太阳辐射强度较高时,可以适当缩小光伏阵列间距,以提高单位面积的发电量。
而在光照条件较差、太阳辐射较弱时,可以适当增大光伏阵列间距,避免阴影遮挡对发电效率的影响。
光伏阵列间距和单位面积发电量之间存在一定的关系。
通过合理选择光伏阵列间距,可以在最大程度上提高单位面积的发电量。
在实际应用中,需要考虑太阳辐射强度、光伏组件的尺寸、阴影遮挡等因素,并结合实验和经验进行合理的光伏阵列间距选择。
,男,本科,主要从事光伏系统集成设计及研究。
maifajun3410@图1 单组支架布置图(单位:mm)30003000300023502350101542699223502350393221956桩基础光伏组件2 固定可调支架受力分析图2 固定可调支架结构简图组合荷载计算。
组合荷载的公式可表示为:图3 单跨单坡积雪分布系数60°μrθ从图5有限元分析结果中可以得到,主立柱的最大位移产生在上端,数值为8.214 mm 36 mm(L /60);最大应力为187.93 MPa 215 MPa ,满足强度要求。
3.3 斜梁强度计算每组固定可调支架包括5根斜梁,材质为,用于支撑檩条,受力模型如图63.2 主立柱强度计算每组固定可调支架包括4根主立柱,材质为,用于支撑主梁,受力模型如图固定可调支架结构图(单位:mm)主立柱(φ114×3.5)(U 45×35×25×2)(U 41×41×2)矩形管80×80×2.5)千斤顶 b. 位移图图5 主立柱受力模型a. 应力图b. 位移图图6 斜梁受力模型a. 应力图应力值/N •m -2187925856.000172265376.000156604880.000140944384.000125283912.000109623424.00093962936.00078302448.00062641956.00046981468.00031320982.00015660494.0005.883屈服力:220594000.000位移值/mm 8.214×1007.529×1006.845×1006.160×1005.476×1004.791×1004.107×1003.422×1002.738×1002.053×1001.369×1006.845×10-101.000×10-30应力值/N •m -2129520376.000118730512.000107940648.00097150776.00086360912.00075571048.00064781176.00053991312.00043201444.00032411576.00021621710.00010831844.00041976.9733.560×1003.263×1002.967×1002.670×1002.373×1002.077×1001.780×1001.483×1001.187×1008.900×10-15.933×10-12.967×10-11.000×10-30屈服力:220594000.000位移值/mm 矩形管40×30×1.5)矩形管50×50×3)b. 位移图图7 檩条受力模型a. 应力图 3.6 结论根据GB 50797-2012《光伏发电站设计规范》表2“受弯构件挠度容许值”的规定,主梁挠度容许值为L /250;材料Q235B 对应的最大应力为215 MPa 。
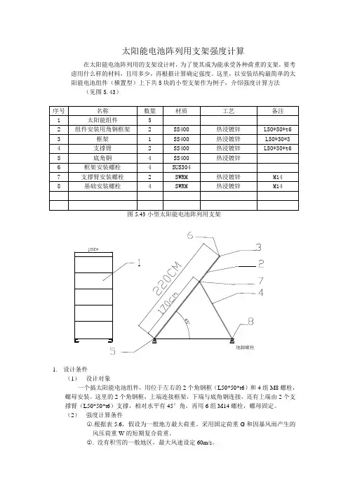
太阳能电池阵列用支架强度计算在太阳能电池阵列用的支架设计时,为了使其成为能承受各种荷重的支架,要考虑用什么样的材料,且用多少,再根据计算确定强度。
这里,以安装结构最简单的太阳能电池组件(横置型)上下共5块的小型支架作为例子,介绍强度计算方法(见图5.43)图5.43小型太阳能电池阵列用支架1.设计条件(1)设计对象一个搞太阳能电池组件,用位于左右的2个角钢框(L50*50*t6)和4组M8螺栓,螺母安装。
这里的2个角钢框,上端连接框架,下端与底角钢连接,还有上端由2个支撑臂(L50*50*t6)支撑,相对水平有45°角,再用6组M14螺栓,螺母固定。
(2)强度计算条件○1.根据表5.6,假设为一般地方最大荷重。
采用固定荷重G和因暴风雨产生的风压荷重W的短期复合荷重。
○2. 没有积雪的一般地区,最大风速设定60m/s。
2. 强度计算计算因从支架前面吹来(顺风)的风压及从支架后面吹来(逆风)的风压引起的材料的弯曲强度和弯曲量,支撑臂的压曲(压缩)以及拉伸强度,安装螺栓的强度等,并确认强度。
(1).结构材料角钢框及支撑臂采用L50*50*t6,因此截面二次力矩I M 和截面系数Z 由热轧成型钢的截面特性表(JIS G 3192)得到下面数值。
因为是等边直角型钢,取X 轴,Y 轴向的任何以方向都是同样的数值 I M =12.6cm4Z=3.55cm 3 (2).假想荷重○1.固定荷重(G ) 组件质量G M =5.5KG*5=27.5KG=269N角钢框自重G K1=4.43KG/m*2.2m*2=19.5kg=191N 框架自重G K2=1.36kg/m*1.0m=1.36kg=13N 其他架构材料,防水接线箱,驱鸟棒等(G K3)=3kg=29N固定荷重G=269+191+13+29=502(N )○2风压荷重(W )。
假设从阵列前面吹来的风(顺风)的风压荷重为W (N ),从式(5.5)式(5.8)导出W=21*(C W *p*V 02*S)*a*I*J (5.24)式中 C W ——风力系数=1.06(见图5.40)P ——空气密度=1.27N ·S 2/m 4 V 0——风速=60m/sS ——面积=2.2*1.0=2.2(m ²)a ——高度补正系数=(104)51=0.833 (51上是角标)I ——用途系数=假设为通常的太阳能光伏发电系统,系数为1J ——环境系数=假设为像海上那样没有障碍物的平坦地,系数为1.151*1.06*1.274*602*2.2*0.833*1*1.15=5123(N)W=2从阵列后面吹来的风(逆风)的风压荷重为Wˊ(N),风力系数变更为C W——风力系数=1.43(见图5.40)1*1.43*1.274*602*2.2*0.833*1*1.15=6911(N)Wˊ=2该风压荷重Wˊ对太阳能电池阵列作为上吹荷重(扬力)起作用。
斜单轴跟踪支架方阵排布间距计算作者:何银涛张梅黄华来源:《科技与创新》2015年第17期摘要:以特变电工哈密863光伏实验电站为平台,根据电站中斜单轴跟踪支架的运动规律和遮挡物与其阴影的几何关系,通过建立坐标系、进行坐标变换等方法建立斜单轴跟踪支架位置数学模型和阴影数学模型,进而提出一种科学、合理地设置斜单轴跟踪支架方阵排布间距的计算方法。
关键词:斜单轴跟踪支架;太阳角;数学模型;排布间距中图分类号:TM615 文献标识码:A DOI:10.15913/ki.kjycx.2015.17.010相比于固定式光伏支架,斜单轴跟踪支架的发电量明显提高,且方阵排布间距更大。
目前,对于跟踪系统的控制系统精度和效率方面的研究较多,而对于跟踪支架运行过程中阴影的变化情况及设置合理的方阵排布间距方面的研究较少。
阴影遮挡现象是影响光伏发电的最主要的因素之一,因此,在光伏发电工程设计时,要充分考虑阴影遮挡的问题。
《光伏发电站设计规范》(GB 50797—2012)要求,光伏方阵间距设置要保证在全年每天09:00—15:00(当地真太阳时)时段内相邻(东、西、南、北)支架互不遮挡。
因此,研究斜单轴跟踪支架的运动规律和阴影变化情况,提出一种科学、合理地设置斜单轴跟踪支架方阵排布间距的方法,对设计斜单轴跟踪系统时,充分利用稀缺的土地资源具有重要意义。
1 斜单轴跟踪支架位置数学模型图1所示为斜单轴跟踪支架的结构简图,组串平面用矩形ABCD表示。
组串长度为L,组串转动半径为R,组串宽度为2R. 建立坐标系o-x1y1z1,其中,oy1轴垂直于水平面向上,oz1轴平行于水平面指向正东方向,ox1轴垂直于y1oz1平面指向正南方向。
组串平面ABCD转轴与水平面的夹角为α,且转动轴南北向布置,东西向转动。
转动轴低端距地面的高度为H1,高端距地面的高度为H2.建立坐标系o-xyz,它可以通过坐标系o-x1y1z1变换而来,坐标系o-x1y1z1绕x1轴逆时针转动角度α,即得到坐标系o-xyz,x1轴与x轴重合。
光伏电站支架系统的优化设计研究涉及到结构设计、材料选择、安装方案、地形适应性等多个方面。
以下是一些可能涉及到的优化设计研究内容:
1. 结构设计优化:
-支架类型:研究不同类型的支架结构,如固定支架、单轴/双轴追踪支架等,通过比较分析不同类型支架的稳定性、成本和适应性,选择最优设计方案。
-材料选择:研究支架所采用的材料,包括金属材料(如镀锌钢、铝合金)和复合材料,考虑其耐候性、承载能力和成本等因素,以实现材料的优化选择。
2. 基础设计优化:
-地基适应性:研究不同地形条件下的基础设计,包括土壤条件、地质特点等,优化基础类型和尺寸,确保支架系统在各种地形条件下都能稳定安装。
3. 光伏阵列布局优化:
-阵列间距设计:研究光伏板的布局方式,包括阵列间距、朝向角度等,以最大限度地提高光伏组件之间的太阳能利用率。
-阴影效应研究:通过模拟、实验等手段研究阴影对光伏板的影响,优化布局设计,减少阴影效应对发电量的影响。
4. 系统性能优化:
-风载荷和抗震设计:研究支架系统的抗风能力和抗震能力,优化结构设计,确保在恶劣气候条件下系统的稳定性和安全性。
-清洁维护考虑:研究支架系统的清洁和维护便捷性,优化设计以降低清洁维护成本和难度。
5. 成本与效益分析:
-成本优化:综合考虑材料成本、施工成本和运维成本等,进行成本效益分析,优化设计以降低总体投资成本。
-发电效率:通过优化设计提高光伏组件的发电效率,从而提高光伏电站的整体收益。
以上是光伏电站支架系统优化设计研究可能涉及到的一些建议内容,希望对您有所帮助。
优化设计研究需要综合考虑结构、材料、地形等多个因素,以实现光伏电站支架系统的高效、稳定和经济运行。
光伏阵列之间合理的距离
屋顶安装固定式光伏阵列,太阳能光伏阵列的安装支架必须考虑前后排间距,以防止在日出日落的时候前排光伏组件产生的阴影遮挡住后排的光伏组件而影响光伏方阵的输出功率,根据建设光伏发电系统的地区的地理位置、太阳运动情况、安装支架的高度等因素可以由下列公式计算出固定式支架前后排之间的距离:
上式中为安装光伏发电系统所在地区的纬度,H为前排最高点与后排组件最低点的高度差。
如下图所示:
太阳能高度角和方位角的计算公式
•对于某一倾角固定安装的光伏阵列,所接受的太阳辐射能与倾角有关,较简便的辐射量计算经验公式为:
•Rβ=S×[sin(α+β)/sinα]+D
式中:Rβ——倾斜光伏阵列面上的太阳能总辐射量
S ——水平面上太阳直接辐射量
D ——散射辐射量
α——中午时分的太阳高度角
β——光伏阵列倾角。
组件支架前后间距计算方法
一、前期条件:
1)组件支架在同一高度,不在同一高度可算成等效高度差;
2)完全按照前后排列,如果是错开排列,按照方位角及投影找到最佳距离;
3)前后阵列相同, 如果前后阵列不同,可根据方位角、投影及后面阵列宽度找到最佳距离。
二、计算方法:
1、根据以下公式计算太阳高度角h
Sin h =Sin φ Sin δ +Cos φ Cos δ Cos A
方位角A =(T -12)×15+(当地经度-116)
T: 一天中负荷时刻(24小时制) (北京标准时间)
116: 代表北京标准时间所在经度
2、根据组件支架倾斜角γ、太阳高度角h 、安装角钢长度L 计算投影D
D=L* sin γ*ctg h
则:333D K ctgh K K =*=K1= Sin φ Sin δ , K2= Cos (φ+δ) +K1 ,K3= L* sin γ
3、根据投影D、方位角A,计算前后组件支架的距离S
S1=L Cos (γ) S2=D Cos (A)
S=S1+S2
三、举例说明:
四川某地经度:108,纬度:34 太阳赤纬23.5,
组件支架安装角钢L=3.6米,组件支架角度:35度
则:K1=0.22 K2=0.76 K3=2.06
一般确定的原则是,冬至日上午9:00至下午3:00之间,后排的太阳能光伏电池方阵不应被遮挡。
因此,用冬至日的赤纬角δ=-23.45º则计算出来如下表:
从而可以看出,光伏组件支架前后距离只要超出5m足够了。
组件规格1650*992.0000每跨阵列面积S 安装角度
38.0000度跨距
2.8300米阵风系数βgz 整列面板宽度
3.0000米风荷载体型系数μS1整列面板长度
3.3000米μS2组件面积
1.6368㎡风压高度变化系数μz 基本风压W 0风压荷载顺风水平面垂直高度
1.8470米逆风太阳高度角
22.0000度方位角
45.0000度屋面积雪分布系数μr 影子倍率 1.7502 基本雪压S 0
雪压荷载
阴影长度 3.2325米
组件自重每块阵列组件个数阵列组件总重支架框架自重单阵列总重量风速
32.0000米/秒单阵列总重
风压0.6400KN/㎡极限载荷组合顺风+雪
顺风1.2
逆风
125.4000毫米雪
0.25 6.3500毫米顺风1.0
29.1840极限载荷组合顺风+雪
1.232144.1600顺风1.2
7260.0000逆风
64367.3469
雪
顺风1.0风力等级12345
V R S 英寸英寸8.33W0支架受力分析单位整列基本信息(必须)
阴影长度计算
LS a h 风速转风压
英寸和毫米的换算0
力分析负重重量计算
9.9000㎡
1.6000
1.3000
0.7000
1.2800
0.5500KN/㎡
1.4643KN/㎡
0.7885KN/㎡逆风载荷F(逆风)(12.4907)KN/跨
防平移
0.5500摩擦系数组件于地面0.6500
0.4000KN/㎡每跨负重G>=(21.6736)KN/跨
0.2200KN/㎡G>=(2167.3606)KG/跨
20.0000KG防翻转Lh900.0000mm
6个L1900.0000mm 120.0000KG L2850.0000mm
39.5860KG L33400.0000mm
159.5860KG/跨G0>=(3.5552)KN
1.5623KN/跨G0>=(355.5209)KG
G=2G0》=(711.0418)KG
16.1865KN/跨
22.1703KN/跨综上所述G>=(711.0418)KG
12.4907KN/跨
4.6115KN/跨
21.8578KN/跨
1.5923KN/㎡每跨15.76333802KN/跨
2.2394KN/㎡每跨22.17029153KN/跨
1.2261KN/㎡每跨1
2.13801022KN/跨
0.4546KN/㎡每跨 4.500812903KN/跨
2.2079KN/㎡每跨21.85782214KN/跨
6789101112
固定支架
组件规格
长1650
宽992
厚50
安装角度30
纬度31
前后间距
竖装D=3015.9415
横装D=1813.2
1.9236
0.9618
1.8278
组件间距竖装1586.9996
组件间距横装962.9106413061.22
H 1.6625
D 5.67773441865.62711.590622852
平单轴
组件规格
长a1650
514.8宽b990
组件间距c216
最大跟踪角度60
排间距
两块横装D=7032
两块竖装D=4392
其他安装形式
组件最大跨度L3516
排间距D=7032
32.7~36.9斜单轴
2229.399
长a
2000最大跟踪角度
45倾斜角度
20安装纬度30左右间距D=2828.4271前后跨距S=
组件最大跨度L11949左右间距D=2756.3022其他安装形式
组件规格
一块横装
11520 576 5.284404
年份发电量(万K Wh)年份
10.67114
20.66515757615
30.65983631516
40.65455762517
50.64932116418
60.64412659519
70.63897358220
80.63386179321
90.62879089922
100.62376057223
110.61877048724
120.61382032325
130.608909761
25年发电量总和15.248年平均发电量
293.3333
5.625。