供应商认证管理规程
- 格式:docx
- 大小:11.97 KB
- 文档页数:6
精心整理供应商评二、使用范围1、为本公司提供产品和服务的所有供应商,特别是包含预付款的供应商;2、特殊的供应商可免于评审(国家法定部门或机构等,如海关和商检)。
三、评审原则1)供应商开发准入要求进行初次考核评选。
2)批准列为合格供应商的要继续不定期对其业绩进行跟踪评价,将日常评价和评审意见作为供应商评审的重要依据。
3)采购活动相关的供应商都必须进行准入选择、评审和再评审管理。
四、评审部门及职责1)需求部门:1.1负责收集提供供应商开发需求及制定年度供应商开发计划。
1.2负责对供应商信息的寻找、基本资料收集、调查,并汇总对供应商做经营方针、原材料来源、材料成本、交期方式、服务作初步评审。
1.3负责供应商开发进度推进。
33.1致。
3.43.54.14.24.34.4负责采购计划的制定、实施;采购订单货物交期的跟进、回仓。
4.5负责对采购计划实施过程中异常情况的处理及纠正预防措施的收集落实。
4.6负责供应商货款的对账及货款申请。
4.7负责退货回供应商的办理及对账。
5)财务/法务:5.1负责对供应商资质、商务条款及合法性资料等评审。
5.2负责对供应商所供应产品价格的适宜性、合同合作条件进行监督与评判。
5.3负责供应商物料采购系统价格的审核和管控,以及采购货款的核对与结算。
6)总经理:合格供应商的开发批准、供应商合作合同、采购价格、采购订单的审批。
五、审查内容1)供应商资质:营业执照、税务记证、专业资质、特种行业许可等企业经常限于商业纠纷,势必会影响该公司的正常经营活动。
怎样对供应商进行资信评估1)要求供应商提供权威的证明。
包括其资本、负债、经营情况以及纳税守法方面的资料。
一般主要有:法定注册机构等级的资本数额:经国家注册会计司审核的企业资产负债表、损益表以及其他有用的财务资料:供应商相关的融资能力及资金转换能力:近年来的经营项目、合同价款等:税务部门、社会保障部门提供的缴纳税收和资金的证明2)申请国内往来银行函,调查供应商交易信用。
供应商产品质量管理办法一、供应商评定办法1、目的为了保证供应商能够保证如期、如质、如价提供交付产品,减少供货风险,特制定本办法;2、范围本办法适用于所有供应商和新开发的供应商;3、职责技质部负责供应商评审组织和管理工作;采购物流部、制造部、财务部参与供应商评审,并对各自分管的工作,提出评定意见;4、供应商评选原则经长期检验、考核,证明其产品交付质量稳定、交付绩效保持在一、二级供应商范围的,在新项目时,同等条件下可以优先考虑;已获得质量管理体系认证的,在同等条件下可以优先考虑;已经取消供应商资格,没有验证其已经纠正之前,不得考虑重新评定供应商资格;在评定得分相同条件下,厂址就近的优先;5、供应商评定方法评定小组由技质部、采购物流部、财务部、制造部组成供应商评定小组,负责对供应商的质量管理、技术开发能力、供货能力、价格等进行全面评定,作出评定结论;评定方法5.2.1新开发的供应商应首先提供供应商基本情况调查表和企业法人营业执照、税务登记证、已通过质量管理体系审核的单位还应提供质量体系认证证书;没有提供基本情况调查资质文件的供方不得参与评定;5.2.2供应商质量管理、技术开发能力和供货能力实行供方现场评定;评定内容见供应商评审报告书,评审报告书经管理者代表签署同意后,列入合格供应商目录;6、没有经过评定合格的供应商,不得进入天人公司供货系统;二、供应商评审1、供应商评审频次:供应商评审原则上一年一次;当发生下列情况时应增加评审频次:1.1.1产品交付不合格率超标,没有提交整改报告的;次月评审1.1.2连续两个月交付不合格率超标;次月评审1.1.3供应商等级为改进供应商或连续两年为一般供应商的;6个月评审一次1.1.4停供整改恢复供货资格后;6个月评审一次有下列情况之一的供应商可以两年评审一次:1.2.1当年被评为优秀供应商的;1.2.2连续两年没有质量索赔、交付中断的;1.2.3原材料经销商;不包括坯料、管料供应商2、评审程序、内容评审程序2.2.1技质部每年的12月30日前编制下发供应商评审计划;2.2.2在评审5个工作日前通知被评审供应商;评审内容见供应商评审表3、改善计划及验证供应商评审后发给评审报告;供应商在收到评审报告后的10日内提交整改报告,30日内完成问题关闭,提交整改证据;供应商问题整改原则上不实行现场关闭,但对不能按时关闭或未提交整改证据的供应商,将实行现场验证关闭;三、供应商质量管理体系开发1、按照TS16949:2009标准要求,供应商应进行质量管理体系开发,原则上在签订供货协议一年内应取得质量管理体系三方审核的证书;有下列情况的供应商可以不取得质量管理体系证书,但必须接收二方审核:原材料经销商;生产规模在员工人数50人以下含50人提供C0乙炔、氧气、拉延油、防锈油、表面处理的;2、没有取得质量管理体系证书的供应商,应当建立健全质量管理制度,逐步完善质量管理不断提供质量管理能力,保证产品质量稳定;2、质量管理体系开发计划与实施未取得质量管理体系三方审核证的供应商属于、、、情况除外在签订质量协议后的60日内提交质量管理体系开发计划,开发计划包括认证审核单位、资格、审核时间;天人公司技质部有义务协助供应商开展质量管理体系建设工作;3、二方质量管理体系审核内容包括:二方审核主要包括:质量管理制度是否完善和健全,并贯彻执行;质量保障能力、方法、制造过程控制和产品质量控制;持续改进是否有效进行;供货能力和技术能力、生产能力是否有所提高;贮存与库房管理、产品防护;4、审核方法与频次审核方法采取现场抽样审核;审核中发现的问题开出严重不符合项,轻微不符合项;审核中如果发现严重不符合项时,认定本次审核不合格,责成供应商立即整改;整改期间交付的产品实行全检,所交付产品实行降价20%采购;轻微不符合项≦6项为合格;轻微不符合项在30日内完成整改;审核发生的不符合项由被审核供应商提交整改报告和整改证据;没有按时提交整改报告和关闭问题的,按供应商产品质量经济索赔管理办法的规定给予考核;审核频次:二方审核原则上一年一次,可以与供应商产品评审同时进行;如果没有按期关闭整改问题,在审核后的6个月内再审核一次;如果发生供货质量不稳定和批量退货、顾客投诉、顾客中断问题时,增加审核频次;5、质量管理体系审核由技质部、制造部、采购部有关技术、质量管理人员组成审核小组,审核时间不得少于一天;6、质量管理体系审核和供应商产品评审可以同时进行,但必须包括产品评审和质量管理体系审核两个方面的内容;四、样件、生产件批准1、样件试制供应商的选定承接样件试制的供应商应在合格供应商中选定,如果是新开发的供应商应按供应商评定要求进行评定,评定合格后才能承接样件试制;被选定的供应商应提供设计技术能力、生产能力、质量保障能力的分析报告交技质部;2、样件试制与品质评价5件、60、300件的生产样件试制供应商根据试制协议编制样件试制生产计划,提交PPAP文件,报天人公司技质部审核;天人公司技质部项目负责人负责供应商PPAP文件的批准;供应商PPAP文件批准后,作为供应商供货的依据;供应商在提交样件时同时提交样件检查成绩表、原材料材质报告和理化试验报告,自检合格证;样件检查必须是100%的全检;天人公司项目组组织项目组人员对样件的原材料、品质的符合性进行评价,填写样件试制质量评价表;超差件按以下方式处理:2.4.1一般尺寸超差由天人公司项目组技术主管人员处理;2.4.2关重特性超差由技质部经理处理;3、天人公司项目组在认为提交样件合格后,签订正式技术协议、质量保证协议;4、当发生以下情况时,要求供应商向天人公司重新提交生产件所需的PPAP文件,经天人公司项目组批准后,进行产品的批量供货;产品设计更改;对以前提交的产品的不合格处进行校正;5、发生下列情况时,供应商应主动通知天人公司,并由天人公司决定是否提交PPAP:经批准的零件或产品,使用了其他不同的材料或加工方法;更换或改进了工装、模具;包括附加的或替换使用的工装对现有工装或设备进行了更新或重新布置调整之后进行生产;工装、设备转移到不同的工厂或新增厂址时;试验/检验方法更改、新技术应用;天人公司认为必要时;6、天人公司采购物流部根据试制协议、技术协议、质保协议与供应商签订供货合同;五、进货产品品质控制1、交付计划供应商交付的原材料、零件、配件、外协加工以下统称产品的计划由天人公司采购物流部下发;交付计划应注明交付产品名称、数量、时间、地点;供应商按交付计划要求供货,交付时应在产品或包装上注明:产品名称、件号、数量重量、批次、炉号、生产日期、产品检验合格证等;2、进货检验外协件包括表面处理零件原材料、配件、标准件由采购物流部负责检验;检验依据:产品检验规程/检验作业指导书、产品图纸、技术资料、标准样件、检验规范、材质报告/理化试验报告、样件;交付产品检验的必备条件:产品合格证、外观和尺寸的自检报告或检查成绩表、材料试验报告包括材质报告和理化试验报告、热处理后的各种试验报告、参数等、试片;抽样检验:抽样检验的抽样数量、频次按检验作业指导书、检验规范执行;检验人员在抽样检验后必须按作业指导书的要求、内容作好检验记录;抽样方法:·标准件以包装包为一批,抽样比例不得低于3‰;如果抽样产品不合格则该批产品不合格;·配件、外协件以供应商当日交付的同类产品为一批,抽样产品不合格则该批产品不合格;·原材料、坯料、管件以当日送交同一规格材料为一批,材质报告中C、S、P、R eLN/mm2、R mN/mm2其中一项不合格则该批材料不合格;Sì、Mn、C%不合格时填写信息反馈单,由天人公司技质部签署处理意见;材料、坯料、管件表面有划伤、锈蚀、油污或入库材料牌号与入库单牌号不相符或不全或开卷料没有原标签的不能办理入库;交付不合格率计算:交付不合格率=抽样不合格数/该批交付总数×100%PPM原材料包括管材、坯料按%计算、外协件、外购件、标准件按PPM计算;天人公司对供应商交付产品的检验不替代供应商产品质量的责任和使用过程中出现的产品质量缺陷及天人公司顾客发现的产品缺陷的质量责任,即在天人公司及天人公司顾客中发现的供应商产品质量问题,仍由提供产品的供应商负责;3、不合格品的处置在交付产品中至使用包括天人公司顾客使用过程中发现的不合格品,其处理方式有:·让步接收-由供应商向天人公司技质部提出让步接收申请,经技质部批准后执行;如果是批量让步接收,应由技质部报分管副总经理审批;让步接收产品将实行特采,即降价5%~10%;·返工/返修-产品要经过返工/返修后才能满足交付要求的产品;原则上由供应商负责返修;若由天人公司返工/返修,其返工费用按供应商产品质量问题经济索赔管理办法执行;返工/返修后的产品必须经过全检合格后,才能重新办理入库手续;返工/返修费用由供应商承担;·退货-供应商交付或使用过程中发现的不合格品作退货处理;退货产品没有经过返工/返修合格不得再交付,若发现退货产品没有返工/返修合格混入其他合格品交付时,将按交付产品金额的10-20倍给予经济处罚,情节严重的停供1-3个月,至取消供货资格;六、供应商品质评价1、评价内容供应商品质评价包括:交付不合格率、现场实物不良率包括天人公司客户现场、不良件总数不良件总数=入厂不良数+现场不良数、顾客中断;现场不良率不包括试制样件2、评价办法供应商品质评价是对供应商一年内的品质状况进行综合性评价,评价计算方法是:评价分数=100-现场不良实物评价分值供应商品质评价等级4、供应商品质等级确认天人公司技质部根据当年考核资料进行评价打分,评价结果经采购部、制造部确认,报分管副总经理审批后,于次年的3月10日前公布;七、纠正预防措施1、在天人公司现场供应商交付产品入库后及天人公司顾客处发现的不良品,技质部将向供应商发出供应商产品质量问题处理通知和不良对策书要求供应商按时整改;供应商在接到供应商产品质量问题处理通知和不良对策书后的10日内将不良对策书交天人公司技质部;2、供应商应建立并保持实施纠正预防措施程序,为消除实际和潜在的不合格品采取有效的纠正和预防措施,并与问题的严重性及所承担的风险相适应; 3、供应商发现产品质量问题或工艺、工装不能保证产品质量时应及时与天人公司技质部联系,启动应急计划,确保不影响客户中断;八、供应商综合能力评价1、评价内容与分级评价内容分为:品质评价、索赔、投诉、品质评价等项目进行评分;评价等级分为A、B、C、D、E五个等级;若为E级,天人公司将给予该供应商三个月的整改时间;整改后天人公司将进行重新评定,如重新评定仍达不到天人公司品质要求,将考虑该供应商退出供应体系;1、分数的计算评价分数由实物质量和质量管理两部分构成,其计算公式:评价得分={100—一年内综合评分值×20%-一年内索赔金额分值×50%-一年内投诉数值×15%}注:一年内综合评分值、一年内索赔进入分值、一年内投诉数值见附表;一年内综合评分值=品质评价得分+退货率+一年内监审评分一年内索赔分值:索赔次数=口头投诉+书面投诉供应商品质评价分类2、天人公司技质部依据全年统计结果对供应商等级进行评分,评分结果应当采购物流部确认,报分管副总经理评审后,于每年的3月底公布;3、考核结果为E级的供应商,在两个月内办理完移交手续;在办理移交过程中,天人公司对其产品、半成品进行全检;经检验合格的成品、半成品,天人公司给予办理入库手续;重庆天人汽车车身制造有限公司供应商产品质量问题经济索赔管理办法1、目的为了保证重庆天人汽车车身制造有限公司产品质量,促进天人公司和供应商产品质量的提高,根据双方签订的技术协议和质量保证协议,特制定本办法;2、责任因供应商产品质量问题给天人公司及天人公司客户造成的损失,由供应商全部承担经济赔偿;供应商不能因为天人公司进行了入厂检验而减轻承担的经济赔偿责任;3、赔偿范围供应商交付的所有产品因质量问题造成天人公司或天人公司客户产品报废的;供应商没有按时交付,造成天人公司生产中断或天人公司客户中断的;供应商交付的产品需要经过返工/返修才能合格的;供应商交付的产品需要让步接收的;因供应商交付产品质量问题造成天人公司客户要求限期整改、产品销毁、翻库的;供应商没有经过天人公司同意擅自更改技术文件、产品状态的;供应商擅自调换材料规格、型号、材质的;4、供应商产品质量问题的确认供应商交付的产品发现质量问题后,天人公司在当天通知供应商到现场确认;如果供应商没有在指定时间到现场确认,视为默认质量问题的存在;在天人公司客户发现的供应商产品质量问题由天人公司负责确认、处理;在可能情况下天人公司可以采取保留原件、拍摄照片或通知供应商到现场等方式确认;5、索赔范围交付延迟:·由于供应商原因没有按时交付,但没有造成天人公司生产中断的,延迟4小时给予50元索赔;延迟﹥4小时≦8小时给予100元的索赔;﹥8小时,每超过1小时按50元累计计算;·供应商交付延迟造成天人公司生产中断的,延迟1小时给予500元的索赔,延迟时间﹥2小时≦3小时检验1000元的索赔;﹥3小时≦4小时的给予2000元的索赔;﹥4小时≦5小时给予3000元的经济处罚;﹥5小时≦8小时的给予8000-10000元的经济处罚;8小时以上经济15000-50000元的经济处罚;·由于供应商延迟交付造成天人公司客户中断的,天人公司客户对天人公司的索赔由供应商全额承担外,天人公司按客户索赔额的20%-100%向供应商索赔;产品质量问题的索赔·供应商产品交付不合格率超过考核指标给予200元的罚款;每超过1%按50元计算罚款,以此累推;配件、外协、标准件、材料考核指标为1%·交付不合格品经处理后让步接收的按当批产品交付总额的1-5%给予索赔;·因质量问题限期整改,在整改期内交付的产品按货价的5%-8%给予索赔;·因质量问题造成翻库、重新全检的按该产品当批货价的5%-10%给予索赔;如造成天人客户翻库的按当批货价的20%-50%给予索赔;不含客户索赔·因供应商质量问题造成天人公司客户索赔的,其索赔金额由供应商全额承担,并按索赔额的20%-50%向供应商索赔;·在天人公司客户审核时发现的供应商产品质量问题,按当批交付货价的20%给予索赔;·因供应商产品质量问题造成天人公司产品报废的,除按产品销售价格给予索赔外,并给予产品销售价格的10%-30%给予索赔;如造成天人公司客户产品报废,除承担客户索赔外,并按索赔金额的50%给予索赔;·原因供应商产品质量问题,造成天人公司客户产品招回、或被媒体曝光的,按损失的200%-300%给予索赔;包括有形损失和无形损失·供应商没有经过天人公司同意擅自更改技术文件、产品状态、材质的一次索赔1000元-10000元;更改产品作为报废品就地销毁,并按产品销售价的30%-50%予以赔偿;如流入天人公司现场造成产品报废,其报废损失全部按销售价予以索赔,并按损失的30%予以索赔;·供应商擅自更改材料更改、型号和材质的,其材料全部拒收,并给予2000元-5000元的索赔;如材料流入生产现场造成产品报废,其报废损失全部由供应商承担,并按损失金额的30%予以索赔;·在供应商进行考核中排名倒数1-3名的按800、500、300一次性索赔;·没有按时提交整改报告的每延迟一天按100元累计索赔;索赔工时费用翻库、返工/返修按30元/人×小时计算;返工/返修后重新检验的按当批货价的5%索赔;质量管理供应商没有按时提交二方审核不符合项整改、整改计划、不良品对策书的,按200元-500元索赔,并责成重新提交;没有按时完成整改,延迟一天按100元累计计算;6、索赔执行供应商索赔由天人公司技质部下发供应商索赔通知书,索赔通知书发出的7日内供应商如有异议可书面提出申诉,如申诉没有获准,仍按索赔通知索赔;若供应商没有提出申诉则视为默认;供应商索赔由天人公司技质部通知财务部从供应商当月货款中扣除;不良对策书天人公司发出时间:年月日编号:天人公司质量问题索赔通知单编号:时间:年月日说明:1、供应商在接到本通知后,如有异议在7日内返回意见,如没有返回意见,则视为同意;2、索赔款在货款中扣除;若当月货款不够扣时,则在次月货款中扣除;3、索赔款不再会发票;附录二重庆天人汽车车身制造有限公司供应商基本情况调查表填表时间:附录三重庆天人汽车车身制造有限公司供应商评审报告供方单位:地址:邮编:联系电话:评审时间:供应商现场评审检查表评审综合评价:附录五评审问题清单说明:1、若对以上问题没有异议,请贵方管理者代表或质量负责人签字确认;2、请贵方在200 年月日前将以上问题的整改计划报我公司技质部;3、30日内关闭整改问题;问题关闭的证据请在30日后的10日报我公司技质部;4、若对评审的问题有意见请及时与审核员联系,并在5日内提出;供方管理者代表质量负责人天人公司审核员:附录六供应商质量管理体系检查表供应商: 时间:附录七重庆天人汽车车身制造有限公司供应商质量管理体系审核不符合项报告附录八样件生产试制质量评价书试制单位:编号:共页第页重庆天人汽车车身制造有限公司供应商产品质量管理办法编制: 日期:审核:日期:批准:日期:二00七年十月八日分布二00七年十月十日起实施。
食堂供应商的评定与淘汰管理规程
一、评定标准
1. 供应商必须具备合法的营业资质和食品经营许可证。
2. 供应商的食品安全管理制度必须符合国家相关法律法规,并通过食品安全认证。
3. 供应商的食品质量必须符合食堂的餐饮标准,包括新鲜度、卫生安全等方面。
4. 供应商的价格合理公正,不能存在价格欺诈行为。
二、评定流程
1. 食堂管理部门将定期对供应商进行评定,评定内容包括食品安全、食品质量、价格公正等方面。
2. 评定结果将以评分形式进行记录,供应商需达到一定评分才能继续供应。
三、淘汰管理
1. 如果供应商连续两次评定结果不合格,将被取消供应资格。
2. 对发现的供应商存在违法违规行为的,将立即取消其供应资格并追究法律责任。
3. 食堂管理部门有权对供应商进行不定期的抽查,发现问题即可取消其供应资格。
四、其他规定
1. 供应商必须配合食堂管理部门的抽查工作,提供相关证明材料。
2. 供应商如有变更经营范围或证件到期等情况,需及时通知食堂管理部门并重新进行评定。
3. 供应商需签订供应合同,明确双方的权利和义务。
以上规程由食堂管理部门制定并执行,如有变更将提前通知供应商并重新签订合同。
采购供应商管理规程一、概述采购供应商管理是指对公司采购活动中涉及到的供应商进行全面管理和监督,确保供应商的合规性、可靠性和稳定性,以保证采购活动的顺利进行。
本规程旨在规范和标准化供应商的管理,确保采购过程的高效性和质量。
二、供应商认证1. 供应商认证的目的是为了筛选出符合公司采购要求的优质供应商。
2. 供应商应提交相关资质证明文件,并提供真实、准确的信息。
3. 公司采购部门将根据供应商的资质、经验、信誉等方面进行综合评估,并决定是否对其进行认证。
4. 经认证的供应商将获得公司的授权,在一定期限内可参与公司的采购活动。
三、供应商管理1. 供应商绩效评估(1)公司采购部门将定期对供应商进行绩效评估,评估内容包括交货准时率、产品质量、售后服务等方面。
(2)供应商绩效评估结果将作为与供应商续约、更换或终止合作的重要依据。
2. 供应商合作协议(1)与供应商合作前,双方应签订供应商合作协议。
(2)供应商合作协议包括双方的权利义务、合作期限、产品质量要求、价格及支付方式等方面的内容。
(3)合作协议应具备法律效力,双方严格履行合同约定。
3. 供应商信息管理(1)公司采购部门应建立供应商信息数据库,详细记录供应商的基本信息、资质认证、合作协议等内容。
(2)供应商信息应定期更新,确保信息的准确性和及时性。
四、供应商监督1. 定期巡查(1)公司采购部门应定期派员对供应商的生产、质量管理等进行实地巡查。
(2)巡查内容包括现场设施、工艺流程、原材料采购等,以确保供应商的生产经营符合要求。
2. 风险评估(1)公司采购部门应对供应商进行风险评估,并制定相应应对措施。
(2)风险评估包括供应商的经营状况、财务状况、竞争力等方面的评估。
五、供应商奖惩制度1. 供应商奖励(1)公司将根据供应商的绩效评估结果,对表现突出的供应商进行奖励。
(2)奖励形式可以包括优先采购、商业合作推广、财务补贴等。
2. 供应商惩罚(1)对于供应商在交货期延误、产品质量问题等方面表现不佳的情况,公司将依照合同约定进行相应的惩罚。
食堂供应商的评定与淘汰管理规程
目的
为了保证食堂供应商的质量和安全,本规程旨在对食堂供应商
进行评定和淘汰管理。
评定管理
1. 评定对象:在供应商名单中的所有供应商
2. 评定标准:供应商应符合以下标准:
- 已获得食品安全生产许可证
- 供应的食品符合国家和地方的相关标准
- 供应商的管理制度和流程能够确保食品的质量和安全
- 对供应商的食品进行抽检,合格率应达到90%以上
3. 评定周期:每年评定一次
4. 评定结果:评定结果分为三类,分别是优秀、合格和不合格。
评定结果将在食堂公告栏上公布。
淘汰管理
1. 淘汰对象:被评定为不合格的供应商
2. 淘汰标准:
- 发现重大质量安全问题的
- 未能按照规定提供食品的
- 多次被评定为不合格的
3. 淘汰程序:
- 通知:食堂将通知不合格供应商,告知淘汰原因和淘汰时间。
- 整改:不合格供应商应在通知时间内进行整改。
- 复评:食堂将在整改期满之后进行复评。
- 淘汰:如果复评结果仍为不合格,食堂将淘汰该供应商,并
将其从供应商名单中删除。
4. 淘汰结果:淘汰结果将在食堂公告栏上公布。
总则
1. 本规程的解释权归食堂所有。
2. 食堂有权根据实际情况对本规程进行修改和完善。
3. 本规程自发布之日起生效。
1、目的对原辅料、外购件的供应商进行审核,并对其进行评价,确保所采购物品满足其产品生产的质量和相关法规要求。
2、适用范围本规程适用于本公司提供原辅料、零部件、包装材料、设备以及配套服务的所有供应商。
3、职责3.1采购部负责供应商的调查和资格预审,以及物料采购的主导工作。
3.2质量部负责对供应商质量管理体系进行评估,建立合格供应商名单。
3.3检验员负责采购产品的抽样检验工作。
3.4管理者代表负责批准供应商的选用、续用。
4、工作程序4.1供应商选择的标准4.1.1供应商必须具有合法的资质,能够提供有效证件证明其生产的合法性。
4.1.2具有较完善的质量保证体系及相应的技术力量和管理,能从物料进厂到成品出厂的全过程进行质量控制。
4.1.3市场信誉好,物料的质量稳定,能按照合同条款合作,按时交货,价格合理。
4.2主要物料的确定4.2.1综合考虑所生产产品的质量风险、物料用量、物料对产品质量的影响程度及日常检测使用情况等对生产物料进行评估,确定主要物料。
4.2.2质量部每年年底负责组织生产部、采购部等相关部门对物料进行评估,确保主要物料。
4.2.3主要物料确定的意义在于对该物料供应商的评估采用不同的评估方式,确定主要物料。
4.3供应商的初选及评估4.3.1采购部负责供应商的初选。
根据生产经营计划和要求,采购人员与原料、辅料、包装材料供应商进行沟通,了解供应商基本情况,填写《供方调查表》,并向质量部提出申请,并附供应商的资质证明材料;①企业营业执照正副本复印件;②所执行的质量标准(国家或行业标准,若无国家或行业标准的应提供企业标准或合同标准),检验报告书或上级部门抽检报告书,将其与本公司质量标准进行对比确认其符合性,同时将本公司的质量标准一并放入档案。
③属于医疗器械的物料应增加以下内容:生产许可证、产品注册证(备案凭证)等。
④包装材料则应视种类增加以下内容:特种行业许可证、条形码承印资格认可证、印刷业经营许可证、印刷品印制许可证、印制商标单位证书等。
供应商管理操作规程1. 概述供应商管理操作规程旨在确保公司与供应商之间的合作顺利进行,保障供应链的高效运转。
本规程适用于所有与公司签订合作协议的供应商,涵盖了供应商的甄选、评估、合同管理、履约跟踪等方面。
2. 供应商甄选为了确保公司能够选择到合适的供应商,供应商甄选应按照以下步骤进行:2.1 需求确认:明确采购部门对于供应商的技术能力、交货期要求、质量控制等方面的需求。
2.2 供应商搜索:通过市场调研、招标等方式,筛选出符合需求的供应商。
2.3 供应商评估:对潜在供应商进行评估,包括对其资质、信用状况、生产能力、质量控制体系等进行审核。
2.4 选定供应商:根据评估结果,选择合适的供应商,并与其签订合作协议。
3. 合作协议管理签订合作协议是确立公司与供应商关系的重要步骤,以下是合作协议管理的要点:3.1 协议起草:采购部门根据采购需求和公司政策,起草合作协议,明确双方责任和权益。
3.2 合同审批:合作协议需经有关部门(如法务、财务等)审批通过,并保留相应的审批文件。
3.3 合同签订:经双方协商一致后,签署合作协议,并保留合同原件。
4. 履约跟踪为确保供应商按照合作协议履约,需要进行履约跟踪:4.1 交货期跟踪:及时与供应商核对交货期,并在交货前进行确认,确保供应商按时交货。
4.2 质量把控:对供应商提供的产品进行质量检验和抽样检测,确保产品质量符合公司标准。
4.3 履约评估:对供应商的履约情况进行评估,包括交货准时率、质量合格率等指标,及时采取相应措施,如奖励或惩罚措施。
5. 变更管理在合作过程中,可能会出现合同变更的情况。
为确保变更能够合理有效地进行,需注意以下要点:5.1 变更申请:供应商或公司需提出变更申请,并明确变更内容和原因。
5.2 变更审核:由相关部门审核变更申请的合理性和可行性,包括对变更可能带来的影响进行评估。
5.3 变更批准:经审核通过后,由合同管理部门批准合同变更,并及时通知供应商进行执行。
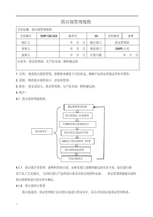
供应商管理规程文件标题:供应商管理规程文件编号SMP-QA-004版本号04 文件级别2级制订人年月日制订部门质量管理部审核人年月日颁发部门GMP 办公室批准人年月日生效日期年月日分发至:质量管理部、生产技术部、物料储运部1.目的:规范供应商的管理,使物料来源处于可控状态,确保产品质量的稳定性和可靠性。
2.范围:物料供应商的审计、评估和管理。
3.职责:质量受权人、质量管理部、生产技术部、物料储运部。
4.程序:4.1 供应商管理流程图:4.1.1 供应商开发管理:新物料的供应商,由研发部门或物料储运部负责开发。
如在进行研发产品工艺交接时,应同时进行产品的供应商及其供应商资料交接。
质量管理部根据交接的供应商资料进行质量审计确认。
4.1.2 供应商审计管理供应商选用:质量管理部门应对供应商进行质量审计,综合评估供应商质量管理体系、供应商审计确定物料质量标准供应商筛选/问卷调查关键物料供应商现场审计检验/验证/稳定性考察QA 协议/供应商清单/档案供应商的动态管理年度回顾审计物料的质量情况等,并经质量受权人批准确认,才能成为合格供应商。
对达不到要求的供应商由质量受权人进行否决,只能在经质量受权人批准的供应商中选购物料,其他人员不得干扰。
4.1.2.1 供应商审计方式供应商审计前,应根据物料对产品质量的风险程度,将物料的安全级别分级。
物料的安全级别表:物料的安全级别风险程度对产品质量的影响方式涉及的物料范围A级风险较高的物料直接影响药品内在质量的物料原料药、注射剂直接接触药品的包装材料等。
B级风险中等的物料对药品质量有一定影响的物料辅料、API生产用起始物、溶剂、过滤器、消毒剂外包装印刷材料如小盒、说明书等。
C级风险较低的物料对药品质量没有直接影响的物料如纸箱、热收缩膜及检验用试剂等。
4.1.2.1.1 资质审计:由物料储运部向供应商索取各种资质材料并提供给质量保证部,质量保证部根据提供的资料审核,对供应商进行质量评估。
新版GMP--供应商材料管理规程介绍本文档旨在介绍新版GMP中的供应商材料管理规程。
这些规程是为了确保在生产过程中使用的材料符合一定的质量要求,从而保障产品的安全性和有效性。
目标新版GMP的供应商材料管理规程的目标是:1. 确保所有供应商材料的质量符合相关法规和标准。
2. 搭建一个透明、可靠的供应商评估和选择系统。
3. 建立有效的供应商材料的接收、储存、使用和追踪机制。
规程概述供应商材料管理规程包括以下方面的内容:1. 供应商评估- 确定供应商的基本信息,如注册证、资质证明等。
- 评估供应商的质量管理体系,包括GMP认证和其他质量认证。
- 评估供应商的生产工艺和质量控制流程。
- 评估供应商的质量跟踪和投诉处理机制。
2. 供应商选择- 基于供应商评估结果,制定供应商选择的标准和程序。
- 建立供应商名录,并定期更新和审查。
- 与供应商签订合同,明确责任和义务。
3. 材料接收和检查- 制定材料接收标准和程序,包括对材料质量的要求。
- 对每一批材料进行检查和测试,确保符合规定的质量标准。
- 记录并保留材料接收和检查的记录。
4. 材料存储和保管- 确定材料的存储条件和要求,包括温度、湿度等要素。
- 制定材料的存储管理程序,包括标识、分区、保质期控制等。
- 定期检查材料的存储情况,确保符合要求。
5. 材料使用和追踪- 制定材料使用程序,明确使用流程和要求。
- 追踪材料的使用情况,包括批号、数量等信息。
- 根据需要对材料进行追溯,确保材料的合规性和安全性。
总结供应商材料管理规程是新版GMP中的重要组成部分,通过对供应商的评估、选择,以及对材料的接收、存储、使用和追踪等环节的规范管理,保障产品的质量和安全性。
本文档提供了对新版GMP--供应商材料管理规程的概述和要点说明,供相关人员参考和遵循。
供应商评定控制程序第一条目的对供应商进行评定和选择,确保供应商能够提供满足本企业规定要求的产品/服务。
第二条范围本程序对向本企业提供产品及服务的供应商的评定及选择作出了明确规定。
第三条职责1.采购部门负责组织评定工作。
2.质量管理部门负责组织对供应商现场的评定。
3.合格供应商名单由企业最高管理者批准。
4.质量管理部门负责跟踪合格供应商质量情况。
第四条运作流程1.供应商评定时机(1)应评定的供应商包括以下三类。
①产品供应商。
②运输服务供应商。
③报关服务供应商。
(2)如下情形之一者,可将供应商直接登录为合格供应商。
①通过IS09000质量管理体系认证者。
②在本企业推行IS09000质量管理体系之前,已往来的供应商,且产品/服务无重大不良者。
③由客户指定的供应商(其供应原材料只可用于该客户产品)。
④卖方独占市场时。
⑤世界500强或中国500强提供的产品/服务。
2.产品供应商评定流程(1)如下时机,应进行供应商评定。
①增加新的产品供应商。
②原有产品供应商出现重大质量问题。
(2)供应商市场初选。
相关职能部门依据客户需求、市场有关信息,收集目标产品提供应商有关详细资料,填制《供应商质量评价表》。
(3)供应商产品检测。
采购部门向供应商提供采购物资有效技术资料(至少包括技术部门的技术图纸、质量管理部门的《进料检验控制标准》),要求供应商提供样品,送质量管理部门进抖检验员依据《原材料检验规程》进行检验,质量管理部门进料检验员将检验结果填制相应的《供应商质量评价表》,并将评审表返回采购部门。
(4)供应商产品试用。
采购部门向检验合格的供应商,试订小批量样品送生产部门试用,生产部门将试用结果填制相应的《供应商质量评价表》,并将统计表返回采购部门。
(5)供应商现场评定。
检验及试用合格后,企业最高管理者或其授权人员(一般为质量管理部门经理或采购部门经理)组织企业内审员和相关部门人员参加的考察小组,对候选供应商进行现场考察并评审,考察结束,企业最高管理者或其授权人员(一般为质量管理部门经理或采购部门经理)将现场综合评定结果进行汇总。
目的:制定明确的物料供应商审计、评估和批准管理规程,明确供应商资质的选择原则评估方式、评估标准和物料供应商批准的程序。
范围:适用于本公司物料供应商的评估和批准的管理。
职责:质量受权人、质量管理部、物资保障部对本规程的实施负责。
规程:1、质量部门每年应对物料供应商审计一次,所以物资保障部每年应向企业质量管理部提出物料采购供应商的申请,见物料采购供应商的申请单。
2、物料的分类:2.1质量管理部门组织企业风险评估小组对所要采购的原料、辅料、包装材料根据其对产品的质量的风险程度,确定物料的安全等级,通常情况下依次可定为A、B、C级。
2.2按其对药品质量及安全性的影响程度,可将物料分为A、B、C三类。
2.3 物料分类审计流程图3、物料分类的原则:3.1 A类是指对药品质量及用药安全有重要影响的物料,如药品组成成分(原料药,部分辅料)、对药品质量有直接影响的工艺辅助剂、直接接触药品的包材。
3.1.1 对于A级物料(影响产品内在质量的物料)的供货生产企业,除了必须符合法定的资质外,还要进行现场审计。
3.1.2 现场审计内容包括:该企业的生产厂房、设施设备、生产能力、卫生条件、质量管理、售后服务以及原料等是否符合国家标准和本企业的要求。
3.1.3 经过资质及现场审计,首次选用的供应商还需对样品检验,质量管理部门出具书面意见向受权人汇报,对达不到要求的供应商由受权人进行否决,物料供应部门只能在经受权人同意的供应商中选购该类物料。
3.1.4 A级物料若需变更供应商,必须重新对拟选定的物料供应商进行上述审计和批准。
还需要对产品进行相关的验证及稳定性考察,主要的物料供应商变更需要及时上报省食品药品监督管理局进行备案。
3.2 B类是对药品质量及安全用药有影响但程度非常有限的物料,如辅料、内包材等。
3.2.1对提供B级物料(对产品内在质量有一定影响的物料)的生产商,企业首先要对该种物料进行风险分析,视物料对产品质量的风险程度决定是否进行现场审计。
供应商管理规程最新版
本文旨在规范公司供应商的选择、审批、管理、评估和退出等方面的工作流程,保障公司采购实践的公平性、透明度、责任性、安全性和高效性。
选择供应商
选择供应商应该以公司采购需求为导向,采取公开、公平、公正的原则,实现最大化的采购利益。
具体流程如下:
- 确定需求范围和标准
- 寻找潜在供应商
- 拉开对比窗口
- 最终选择供应商
审批新供应商
审批新供应商是确保新合作伙伴符合公司规定和质量标准的重要程序。
具体步骤如下:
- 申请信息审核
- 现场考察评估
- 合同条款的商务谈判
- 部门或领导的审批(如有必要)
管理供应商
供应商管理是采购活动中最为关键的技能之一。
管理好自己的供应商意味着获得更好的质量控制,更及时的交货期限,以及更好的前期代价管理。
具体要点如下:
- 签订合同
- 确定供应商管理制度
- 进行定期评价和监察
- 处理投诉和问题
供应商评估
供应商评估是公司建立完备、健康的供应商库的重要手段。
通过及时、充分的供应商评估,公司能更好的管理供应链,并为采购活动提供保证。
具体流程如下:
- 建立供应商档案
- 设立评估指标和标准
- 进行定期评估
- 根据评估结果进行管理
退出供应商
退出供应商是管理系统里极度重要的环节,因为该环节必须遵循国家相关的法律法规,请务必注意以下要点:
- 确定退出原因
- 确定退出期限
- 管理知识转移
本管理规程将遵循所在法域的法律法规进行修改和完善,欢迎广大员工积极参与。
供应商管理规程一、背景介绍在现代企业管理中,供应商是企业能够正常运营的重要支撑力量。
有效管理供应商能够保证企业采购的质量和效率,帮助企业降低成本,提升竞争力。
因此,建立一套科学、系统的供应商管理规程对企业的长久发展至关重要。
二、供应商准入1.评估准入标准为确保供应商的能力和信誉,我们将制定一套评估准入标准,包括供应商的资质证书、质量管理体系认证、财务状况等方面的要求。
只有符合这些准入标准的供应商,方可成为我们的合作对象。
2.供应商评估流程评估供应商需要有严格的流程。
我们将组织相关部门进行供应商现场考察,评估其设备、生产能力、人员素质以及对环境保护的重视程度等方面。
同时,还将结合供应商的历史业绩进行综合评价。
三、供应商管理1.合同管理与供应商正式合作前,我们将签订明确的合同,明确双方权责,并约定产品质量、交货期限、价格等具体细节。
同时,我们还将制定合同履行考核机制,以确保供应商按照合同要求履行义务。
2.供货质量管理为保证我们采购的产品质量,我们将建立严格的供货质量管理体系。
其中包括:(1)制定供货质量标准,明确产品的技术要求、检验方法和合格标准。
(2)建立供应商的质量评估机制,对供应商进行定期考核,并根据考核结果调整合作关系。
(3)建立不合格品管理制度,对供应商提供的不合格品及时追责,并要求其采取纠正措施。
(4)建立投诉处理机制,及时处理供应商提供的产品引起的质量问题,并向供应商提出整改要求。
3.价格与交货期管理我们将与供应商签订明确的价格合同,确保供应商按照合同约定的价格履行义务。
同时,还将建立交货期管理机制,监督供应商按时交货。
4.供应商协同发展我们将积极与供应商合作,共同促进双方的协同发展。
通过与供应商的技术交流和合作研发,不断提升产品质量和技术水平。
同时,我们将为优秀的供应商提供培训机会,帮助其提升管理水平和创新能力。
四、供应商退出当供应商严重违反合同约定,无法满足我们的要求时,我们将采取相应的退出措施。
供应商管理规程1. 背景和目的本供应商管理规程旨在确保公司与供应商之间的良好合作关系,提高供应链的效率和质量,降低供应风险,并促进公司的持续发展。
2. 供应商评选和审核2.1 供应商评选标准- 实力和信誉:供应商应具备良好的口碑和声誉,工厂设备和技术能力应符合公司的要求。
- 产品质量:供应商提供的产品应符合公司的质量标准,具备稳定的性能和符合相关法律法规要求的认证。
- 交货能力:供应商应具备稳定的供货能力,能够按时交付所需货物。
- 价格竞争力:供应商提供的产品价格应合理且具有竞争力。
2.2 供应商审核程序- 供应商资格初审:初步筛选供应商,进行资格审核,主要包括企业资质、产品质量和实力等方面的评估。
- 现场审核:对通过初审的供应商进行现场审核,查看供应商的生产设备、管理体系和原材料等情况。
- 样品测试:对供应商提供的样品进行全面测试,验证其质量和性能是否满足公司的需求。
- 综合评估:根据资料审核、现场审核和样品测试的结果,综合评估供应商的能力和合作价值。
3. 供应商绩效评估3.1 绩效评估指标- 产品质量:供应商提供的产品是否符合公司的质量标准,客户对产品的反馈等。
- 交货能力:供应商的交货准时率、延迟情况等。
- 供应商服务:供应商的售后服务、响应速度和问题解决能力。
- 成本效益:供应商提供的产品价格是否合理,与公司的合作是否能够获得成本效益。
3.2 绩效评估周期公司将按照规定的时间周期对供应商的绩效进行评估,通常为每年一次。
3.3 绩效评估结果的影响根据供应商的绩效评估结果,公司将采取相应的措施。
对于表现优秀的供应商,将给予奖励和优先承揽业务的机会;对于表现不佳的供应商,将进行整改指导,并有可能终止合作关系。
4. 供应商合作协议和契约管理4.1 合作协议的签订在与供应商确定合作意向后,公司将制定供应商合作协议,明确合作的准则、要求和责任。
4.2 契约管理公司将建立契约管理制度,对供应商合作协议进行有效管理和执行,包括合同订立、履行、变更和终止等方面的管理。
食堂供应商的评定与淘汰管理规程1. 目的为了确保食堂供应食品安全、健康、营养、美味,满足员工的就餐需求,提高食堂服务质量,特制定本规程。
本规程主要对食堂供应商的评定标准、淘汰机制进行规定。
2. 适用范围本规程适用于公司内部食堂供应商的评定与淘汰管理。
3. 评定与淘汰管理规程3.1 供应商评定1. 初步筛选:根据供应商的资质、口碑、地域等因素进行初步筛选。
2. 实地考察:对初步筛选出的供应商进行实地考察,了解其经营状况、卫生环境、食品安全管理等。
3. 样品试吃:邀请供应商提供样品,组织员工试吃,收集员工反馈意见。
4. 综合评估:根据实地考察、样品试吃及员工反馈,对供应商进行综合评估。
5. 签订合同:与综合评估得分最高的供应商签订合同,确保食堂供应的正常进行。
3.2 供应商淘汰1. 定期评估:每季度对供应商进行一次综合评估,包括食品安全、服务质量、价格等方面。
2. 设立淘汰标准:设定明确的淘汰标准,如评分低于一定分值、发生食品安全事故、员工满意度低等。
3. 淘汰机制:根据评估结果,对不符合要求的供应商进行淘汰,并重新进行供应商评定。
4. 通知与整改:对淘汰的供应商发出通知,告知其原因,并要求其在规定时间内进行整改。
5. 整改后重新评定:供应商完成整改后,可申请重新评定,通过评定后可重新恢复供应资格。
4. 管理与监督1. 设立食堂管理小组:负责食堂供应商的评定、管理、监督工作。
2. 定期检查:食堂管理小组定期对供应商进行现场检查,确保其遵守规程。
3. 员工反馈:鼓励员工积极反馈食堂供应问题,提供改进建议。
4. 应急预案:针对食品安全事故等突发事件,制定应急预案,确保迅速应对。
5. 培训与指导1. 供应商培训:定期对供应商进行食品安全、卫生、服务等方面的培训。
2. 技术指导:为供应商提供技术指导,帮助其提高食品质量、降低成本。
3. 信息交流:建立供应商信息交流平台,分享优秀经验,促进共同进步。
6. 保密与信息安全1. 签订保密协议:与供应商签订保密协议,确保双方商业秘密不被泄露。
供应商管理程序(IATF16949-2016/ISO9001-2015)1.0目的对供应商进行合理的选择和评价、监控和重新评价,确保供方的综合能力能满足本公司的要求;2.0范围凡本公司委托加工制造,供应生产及买卖有关的物料,工装,零组件,半成品,委外供应商的管理;3.0定义无;4.0权责4.1 供销部采购负责供应商的开发与管理、建立供方档案,以及各部门与供方的接口、联络工作;4.2 总经理负责新开发供应商的最终批准;4.3 仓库负责物料、供方样件的收货、清点及送检;4.4 质保部负责对新产品开发的原辅材料、零配件、外协件验证;4.5以及检验规程的制定及相应配件检具的落实及量产后供方品质确认和评价;4.6 生产技术部负责技术主导,与供销部、生产部参与候选/合格供方提供的PPAP文件及现场审核;4.7 生产技术部负责新产品和量产产品开发技术图纸、样件及技术规范的提供以及样品的认可;4.8 总经理批准“合格供应商目录”。
5.0作业流程或说明:见附件6.0参考文件6.1采购管理程序6.2控制计划程序6.3 生产件批准管理程序7.0使用表单供应商能力调查表供应商质量评审报告供方质量业绩台帐合格供应商目录No. 输入运作流程作业说明接口部门输出传递部门1 23 4 业务信息信息收集过程审核产品审核NG5.1供销部根据市场信息,提出开发需求;5.2 潜在供方:5.2.1 供销部采购员利用各种渠道寻找,收集,储备供方信息,各相关部门均可向供销部提供潜在供方信息;5.2.2 采购员应对信息进行分类整理并进行初步筛选,对于可能成为本公司的供方进一步调查了解;5.2.3 所有供方应建立相应质量体系并得到公司认可,通过ISO9001:2008系列质量体系认证,并以通过ISO/TS16949质量体系发展的目标;5.2.4采购/外包过程控制的类型:基于所提供的产品、材料、服务的风险确定外部提供产品、过程和服务控制的类别及行动升级措施的级别,风险的大小可以通过FMEA中的严重度确定;并规定每个类别的控制准则基于供应商的绩效结合所供产品、过程、服务的类别确定控制的类型和程度。
供应商鉴定及其管理规程1. 引言本文档旨在制定供应商鉴定及其管理规程,以确保公司与供应商之间的合作稳定、高效,并提供最佳的产品和服务。
本规程适用于所有与公司合作的供应商。
2. 供应商鉴定程序2.1 供应商申请- 供应商应向公司提出申请,包括提供相关资料和证明文件。
- 公司将评估供应商的资质、经验、信誉等情况,并决定是否进一步进行鉴定。
2.2 供应商鉴定- 公司将进行供应商现场考察,包括对供应商的生产设施、质量管理体系、生产能力等方面进行评估。
- 公司可邀请相关专家参与鉴定过程,以确保评估的客观性和准确性。
- 供应商需提供必要的合作文件,如合同、保险证明等,以满足公司的要求。
2.3 供应商评估- 公司将综合考虑供应商的鉴定结果、价格、交货能力、售后服务等因素,对供应商进行评估。
- 公司将根据评估结果决定是否与供应商建立合作关系。
3. 供应商管理3.1 合作协议- 公司与供应商之间应签订合作协议,明确双方的权责和合作细节。
- 合作协议中应包括产品质量要求、交货期限、价格、付款方式、违约责任等条款。
3.2 供应商绩效评估- 公司将定期对供应商进行绩效评估,包括产品质量、交货准时性、售后服务等方面。
- 绩效评估结果将作为继续合作或终止合作的依据。
3.3 变更管理- 供应商如有任何变更,应及时通知公司,并提供相关证明文件。
- 公司将评估变更对合作关系的影响,并根据情况决定是否接受变更。
4. 风险管理4.1 供应商风险评估- 公司将定期对供应商进行风险评估,包括供应商的财务状况、信誉、可靠性等方面。
- 风险评估结果将用于制定相应的风险应对措施。
4.2 应急预案- 公司将与供应商共同制定应急预案,以应对突发事件对供应链的影响。
- 应急预案应包括供应商的紧急联系方式、备用供应商的选择等内容。
5. 信息保密- 公司与供应商之间应签署保密协议,确保双方交流的信息得到保护。
- 双方应妥善保管对方提供的商业机密和技术资料,不得泄露或非法使用。
供应商认证管理规程
1目的明确对供应商进行评价、选择和审计的管理程序,以保证供应商能长期、稳定地提供质优价廉的物料。
2范围适用于本公司所有物料供应商评价、选择、审计和批准。
3责任质量部负责本程序的制定,质量审计小组负责本程序的实施。
4供应商的分类根据材料类别及对产品的影响,将本公司的供应商分为三类:A类:提供关键物料的供应商,包括:原料、用量大的辅料、直接接触药品的内包材。
B类:提供次要物料的供应商,包括:用量少的辅料。
C类:提供辅助物料的供应商,包括:外包材(含标签、说明书)、消毒剂、清洁剂、杀虫剂。
5内容
5.1质量审计小组
5.1.1为保证所采购物料的质量,公司应组织专门人员对物料供应商进行审计。
审计人员由总经理、质量审计小组(保障部授权负责人生产部授权负责人质量部授权负责人)组成。
保障部负责所需物料的采购、负责组织和协调供应商的评审工作。
部负责采购物料的质量标准的制定及物料的取样与检验,负责建立供应商档案负责领导质量审计小组的工作和批准供应商。
5.2供应商评价和选择流程图
新增供应商→资质审核→样品检验、试制→现场审核
次年1月,重新资质审核、现场审计(或书面审计)〕
备用供应商、认可供应商、已有业务往来供应商、整改、淘汰年度考核(每
年12),定点供应商审计(次年1月)
〔对往年度考核的审计,重新资质审核、现场审计(或书面审计)〕注:有
采购业务往来的认可供应商称为已有业务往来供应商;没有采购业务往来的认可
供应商称为备用供应商;已有业务往来的供应商经供应商审计合格后方能成为定
点供应商。
5.3供应商评价方法
5.3.1资质审核采购前,由保障部发出《供应商基本情况调查表》收集供应商相关
资料,交由质量部判定其资质是否符合要求。
对物料供应商资质要求如下:
1、“二证一照”及“ GMP证书”(最好能提供组织机构代码证、税务登记证等
其他相关资料)医药原料药品生产单位必须具有药品生产企业许可证及该物料生
产批准文号、营业执照、GMP证书等。
直接接触药物的药用包装材料生产单位,
必须领有药包材料生产许可证、产品药材注册证、营业执照,印刷包装材料厂家
须领有特种印刷许可证或包装装潢印刷许可证等。
医药原料药经营单位,必须具
有药品经营许可证、营业执照等。
2、企业简介
3、组织机构图
4、企业主要负责人和部门负责人基本情况表
5、
工艺流程简图6、质量管理机构图7、检测仪器清单8、生产设备清单9、产品
及规格表。
以上有关资料均需加盖供应商企业公章。
若资质符合要求,则保障部联系供应商提供样品,样品量应是全检量的2 倍,质
量部
按企业内控标准对样品进行检验并出具检验报告。
若检验合格,保障部采购3 批物料进行试生产,填写《物料试生产单》一式三
份,交生产部按照生产工艺要求进行样品试生产,生产工艺记录应完整,附有工
艺参数、中间产品检验结果及试制产品检验结果,并形成完整的批生产记录及批
检验记录,应有试生产的结论。
试生产的成品由质量部检验并出具检验报告,并
制定留样检测计划, 以考察产品稳定性。
生产部、质量部、保障部各存档一份保障部组织质量部、生产部等质量审计小组有关人员到供应商的生产或经营现场,对其质量管理现状、生产设备、检验手段、生产现场管理、人员结构等情况进行现场审计,并如实填写《现场审计项目表》,该表经双方相关负责人确认后, 签字盖章。
质量审计小组根据供应商的资质审核、样品评价及现场审计等情况,给出综合分析意见, 由质量部整理《供应商质量审计审核报告》一式三份,经QA主管、质量部长审
核后,报总经理批准,质量部、物料保障部、生产部各存档一份。
考核考核由总经理领导,保障部主持,质量审计小组协助。
考核主要由四方面构成:质量、交期﹙交货时间﹚、价格、配合度。
考核时间:以一年为单位作考核,在每年12 月份进行。
考核项目及比重:
考核项目考核比重考核单位
质量40% 质量部、生产部
交期15% 保障部
价格30% 保障部
配合度15% 保障部、质量部
5.3.5.5 考核成绩
①质量得分X =〔1-﹙进料不合格批数/ 总进料批数﹚〕× 40
②交期得分Y =〔1-﹙逾期批数/ 总进料批数﹚〕× 15
③价格得分Z:比目标价格低:30 分;
与目标价格相同:20 分;
比目标价格高:10 分;
价格经常上调,大大超过目标价格:0 分
④ 配合度得分 W : 态度积极,能及时解决问题: 15 分;
配合不太到位: 7.5 分; 不配合: 0 分。
等
总得分 级 ﹙ S ﹚ 可作为定点供应商,供优先采购。
可作为定点供应商,供正常采购。
可作为辅助供应商,供应急采购或暂停采购 为不合格供应商,予以淘汰。
注意:质量得分 X <32 分者,仍视为 D 级不合格供应商 5.3.5.7 考核登记 保障部将考核成绩登记在《供应商年度考核表》上,交质量部纳入供应商档案
5.4 认可供应商的评价与审批
)→年度考核。
由于各种原因造成无法对物料供应商进行现场审计的或已有业务往来的物料供应
商在生产质量管理体系未发生重大变化及所供物料未发生异常质量问题的,每年一月 份由物料保障部应发出《供应商基本情况调查表》、《现场审计项目表》对其进行书 面评审, 书面评审合格者列入《认可供应商名册》 ,但须注明“非现场评审”字样 本公司可根据《供应商年度考核表》上产品质量变化情况随时对已有业务往来的奖惩
A 85 分以上 B
70-84 分 C
60-69 分 D <60 分
物料供应商进行现场审计。
考核。
质量审计小组依据供应商资质情况、样品情况、现场审计情况进行分析、比较,选择出合格的供应商,物料保障部将其纳入《认可供应商名册》。
《认可供应商名册》经质量部批准后,下发到质量部、生产部、物料保障部等部门。
5.5对已有业务往来供应商的审计
质量审计小组应定期对已有业务往来的供应商进行审计,一般情况下每年一次, 在一月份进行,内容包括对往年度考核的审计,重新进行资质审核和现场审计(或书面审计)等。
审计情况及结果以《主要物料供应商审计报告》(作为定点供应商选择的依据)形式一式三份,经审计小组、质量部长审核后,报总经理批准,质量部、物料保障部、生产部各存档一份。
5.6对备用供应商的审计
质量审计小组应在次年1月份重新对其进行资质审核和现场审计(或书面审计), 如备用供应商在生产质量管理体系未发生重大变化,则将其还原为认可供应商,供采购。
5.7对定点供应商的管理质量部以《供货质量反馈单》形式要求其改进。
未积极配合改进者,应与其联系,办理退货手续。
如已付出货款则应及时追回。
如果对方认为质量无问题,须向对方解释,并出示本公司质量部所提供的质量标准及检验报告。
①供应商产品出现较严重的质量问题;
②供应商的质量体系发生变动;
③我公司对产品的质量有更严格的要求。
保障部编制的《淘汰供应商名册》, 从《定点供应商名册》中删除。
此类供应商需彻底整改后,由物料保障部提出恢复供应厂商合格资格申请,并按5.3 方法规定重新审核合格后,方可重新列入《定点供应商名册》。
两名册各一式三份,分别保存于物料保障部部、质量部、生产部。
物料保障部应根据供应商动态及时更新《认可供应商名册》和《定点供应商名册》。
保障部或质量部
5.7.5 质量部负责建立并保存供应商档案,其中包括现场审计项目表、供应商相关资质证明材料、供应商年度考核表、样品报告、物料质量标准、供货合同、产品检验报告等相关资料。