储罐油量计算方法
- 格式:doc
- 大小:224.63 KB
- 文档页数:11
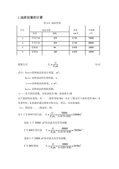
1.油库容量的计算表1-1 油品性质根据公式 S GV K ρη=(1-1) 式中:Vs ——某种油品的设计容量,3m ; G —— 该种油品的年周转量,t ; ρ——该种油品的密度,t/3m ; k —— 该种油品的周转系数;η——有关利用系数,对轻油取0.95,粘油取0.85由于我国商业系统,对一,二级库采取K=1~3;S 三级及以下油库采用K=4~8.有条件时,K 值最好通过调查分析决定。
所以,在此取K=3, (1)、假设是一,二级油库,则: 对于1号97#车用汽油: 3700003364630.730.95s G V m K ρη===⨯⨯ 选取 2个20000 3m 的双盘式内浮顶油罐2号93#车用汽油 3600002883930.730.95s G V m K ρη===⨯⨯ 选取2个15000 3m 的双盘式内浮顶油罐。
3号0#轻柴油 320000845630.830.95s G V m K ρη===⨯⨯选取2个50003m 的拱顶罐 4号10#轻柴油 310000422730.830.95s G V m K ρη===⨯⨯ 选取2个20003m 的拱顶罐油库的总容量为:33646288398456422775168V ∑=+++=3m表1-2 石油库的等级划分所以根据表1-2的石油库的分级方法,由于石油库的总容量TV=751683m ,在30000~1000003m 之间,本油库可以确定为二级油库,假设正确。
1.1 油罐的种类及数量油罐的选用一般要求对于车用汽油这些蒸发损耗较大的油品一般选用内浮顶油罐,轻柴油选用拱顶罐。
表1-3 油罐的种类及个数1.2库内运送方式油库内管道布置形势有单管系统、双管系统和独立管道系统三种。
一般以双管系统为主,单管系统和独立管道系统为辅。
本油库选用双管系统运送。
2、铁路油品装卸方式及专运线的长度计算铁路装卸油品的方法一般可分为上部卸油和下部卸油。
上部卸油又包括泵卸法、自流卸油、浸没泵卸油和压力卸油,此油库中采用泵卸油法。
倾斜卧式储油罐油量标定的实用方法摘要储油罐长期使用会产生变位,从而使罐容表的标定值与理论值存在误差。
因此,需要进行识别变位并对罐容表进行重新标定。
首先,对小椭圆形储油罐进行研究:利用微积分知识建立了平头罐无变位情况下罐内油量和油位高度关系的数学模型,并在此基础上建立了纵向倾角时罐内油量和油位高度关系的 理论模型,利用用龙贝格积分公式求解不同油位高度时储油量的数值解,进而进行罐容表的标定。
4.1α= 其次,对实际储油罐进行研究:将油位高度分成三种情况,在每种情况下,对球冠、筒身的油量与油位高度的函数关系进行了分别推导。
在计算球冠内油量与油位高度的关系时采用了拆补法,边缘情况使用了近似计算。
对于最终建立的储油量和油位高度关系理论模型,利用最小二乘法和单目标优化的的方法进行参数估计,求得:α=2.14°β=4.6°得到α和β后,对罐容量进行重新标定。
检验模型时利用相对标准偏差的思想,构造评价函数δ,得到结果δ= 0.0055%,误差极其微小,说明了所建模型的正确性和可靠性。
所建模型充分利用了附表中的数据,并合理地筛选了有效数据,适于推广到运输,化工,储藏行业。
关键词:龙贝格积分法,最小二乘法,单目标优化,误差分析^_^---目录1.问题重述---------------------------------------------------------22.问题分析---------------------------------------------------------23.模型假设---------------------------------------------------------24.符号说明---------------------------------------------------------35.模型建立与求解---------------------------------------------------45.1小椭圆型储油罐的罐容表标定----------------------------------45.1.1罐体无变位时的罐容表标定-----------------------------45.1.2纵向变位倾斜角α=4.1°时的罐容表标定-----------------55.2实际储油罐的罐容表标定-------------------------------------105.2.1油罐内油料体积的计算--------------------------------105.2.2利用最小二乘法对α、β进行估计----------------------145.2.3误差分析及模型检验----------------------------------156.模型分析---------------------------------------------------------167.参考文献---------------------------------------------------------178.附录-------------------------------------------------------------178.1 附录一 龙贝格积分matlab程序-------------------------------178.2 附录二 参数估计的C++程序---------------------------------- 18^_^1.问题重述通常加油站都有若干地下储油罐,许多储油罐在使用一段时间后,罐体的位置会发生纵向倾斜和横向偏转等变化,需要定期对罐容表重新标定。
储油罐计量实际操作流程
1、检查计量器具是否齐全及完好情况:量油尺、2个温度计、密度计1套、检水尺、试水膏、滤纸、采样桶、保温盒、量杯、记录笔和本,手套,棉纱;
2、消除人体静电,摆放消防器材,核对油罐参照高度、罐号及油品;
3、站在操作井上风口,检查尺铊与尺带连接牢固,并擦拭量油尺。
轻轻打开罐盖,沿导尺槽下尺,尺铊接近液面,放慢下尺速度稳尺;尺铊距罐底20公分卡尺,轻轻触底,迅速提尺(视线与尺带垂直,先读小数,后读大数),记录第一次数据,进行第二次测量,两次测量结果不能超过1毫米,取第一次测量结果有效;
4、测量水高,试水膏均匀涂抹,沿导尺槽下尺,触底停留3-5秒,读取水高并记录测量结果;
5、测量油温,正确安装保温盒,沿导尺槽缓缓放入,保温盒底接近液面,放置油液面下1/2处,上下提拉,固定保温盒,停留5分钟;
6、采取油样测量试温视密,正确连接采样器,沿导尺槽放置油液面下1/2处采样,等液泡完全冒出提取,沿杯壁倒入量杯,用玻璃棒均匀搅拌,滤纸消除气泡。
先放温度计,后密度计,密度计上下浮动不能超过2个刻度,待稳定后读取数据。
先读密度、后读温度(先读小数,后读大数),准确记录数据。
7、提取罐内保温盒,正确读取油温,时间不能超过10秒,记录数据。
(试温与油温不能超过正负3℃)
8、清理、擦拭操作现场
9、正确计算罐内油品数量(Kg)。
储油罐参数的确定
通常加油站都有若干个储存燃油的地下储油罐,并且一般都有与之配套的“油位计量管理系统”,采用流量计和油位计来测量进/出油量与罐内油位高度等数据,通过预先标定的罐容表(即罐内油位高度与储油量的对应关系)进行实时计算,以得到罐内油位高度和储油量的变化情况。
表一二给出了小椭圆型储油罐(两端平头的椭圆柱体,如图所示)进出油数据,请根据这些数据确定油罐的参数(a, b以及油罐的长度l)。
表一:进油数据
表二:出油数据
如何将e xcel中的数据导入到MA TLAB中
1. 复制方法
在matlab中定义变量,例如:A=zeros(100,100) 双击变量名,打开一个表格,粘贴。
2. 使用命令:xlsread,例如
A=xlsread('a.xls')。
加油站标准罐计算公式(二)加油站标准罐计算公式在加油站管理中,标准罐的计算是至关重要的一环。
下面将列举一些相关的计算公式,并对其进行详细的解释说明。
1. 标准罐容积计算公式标准罐容积是指在标准温度和压力条件下,储罐能够容纳的液体体积。
其计算公式如下:V = π * D^2 * H *其中, - V为标准罐容积,单位为立方米。
- π为圆周率,约等于。
- D为储罐直径,单位为米。
- H为储罐高度,单位为米。
例如,若储罐直径为10米,高度为20米,则标准罐容积为:V = * 10^2 * 20 * = 立方米2. 标准罐体积计算公式标准罐体积是指实际储罐中液体的体积。
其计算公式如下:V = V1 - V2 - V3其中, - V为标准罐体积,单位为立方米。
- V1为实际储罐容积,单位为立方米。
- V2为储罐顶部凹陷部分的容积,单位为立方米。
- V3为储罐底部凸起部分的容积,单位为立方米。
例如,若实际储罐容积为15000立方米,储罐顶部凹陷部分容积为100立方米,储罐底部凸起部分容积为50立方米,则标准罐体积为:V = 15000 - 100 - 50 = 14850 立方米3. 标准罐重量计算公式标准罐重量是指标准罐内所储液体的重量,其计算公式如下:W = V * ρ * g其中, - W为标准罐重量,单位为千克。
- V为标准罐体积,单位为立方米。
- ρ为液体的密度,单位为千克/立方米。
- g为重力加速度,约等于米/秒²。
例如,若标准罐体积为10000立方米,液体密度为800千克/立方米,则标准罐重量为:W = 10000 * 800 * = 千克4. 标准罐装满率计算公式标准罐装满率是指实际液体体积与标准罐容积之间的比值,用来衡量储罐的使用程度。
其计算公式如下:F = V1 / V其中, - F为标准罐装满率,为无单位的比值。
- V1为实际储罐容积,单位为立方米。
- V为标准罐容积,单位为立方米。
各种常见油罐储油量的计算方法常见油罐的储油量是指油罐内能够容纳的最大油量。
为了保证油罐的储油安全,必须准确计算和掌握油罐的储油量。
下面将介绍几种常见油罐储油量的计算方法。
1.圆筒形储油罐的储油量计算方法:圆筒形储油罐是最常见的一种油罐类型。
储油量的计算可以通过圆筒的容积公式来求解。
圆筒的容积公式为:V=πr²h,其中V为圆筒的容积,r为圆筒的底面半径,h为圆筒的高度。
储油量的计算方法是:V=πr²h+0.5πd²H,其中d为圆筒的直径,H为圆盖的高度。
2.椭圆形储油罐的储油量计算方法:椭圆形储油罐由两个椭圆和一个长方形组成,储油量的计算可以通过椭圆和长方形的容积公式来求解。
椭圆的容积公式为:V=πa²b,其中a为椭圆的长半轴,b为椭圆的短半轴。
长方形的容积公式为:V=B×H,其中B为长方形的底面积,H为长方形的高度。
储油量的计算方法是:V=πa²b+B×H。
3.球形储油罐的储油量计算方法:球形储油罐的储油量的计算可以通过球的体积公式来求解。
球体积的计算公式为:V=(4/3)πr³,其中V为球的体积,r为球的半径。
4.定型油罐的储油量计算方法:定型油罐属于非常规形状的油罐,其储油量的计算需要根据实际情况进行估算。
常见的计算方法有使用建模软件进行三维建模,根据模型计算储油量;或者通过实际测量油罐容积进行估算。
需要注意的是,以上计算方法都是基于理想情况下的容积计算,实际油罐的储油量可能会受到一些因素的影响,如油罐内的浮标或其他装置,油罐的形状和尺寸测量误差等。
因此,在实际工程设计或操作中,应综合考虑这些因素进行精确计算或设置相应的安全裕量。
油罐油的重量计算公式在石油化工行业中,油罐是用来存储原油、燃料油、柴油等石油制品的重要设备。
对于石油化工企业来说,准确计算油罐中石油制品的重量是非常重要的,这不仅关系到企业的生产成本,还关系到产品的质量和安全。
因此,了解油罐油的重量计算公式是非常必要的。
油罐油的重量计算公式可以通过以下步骤来进行计算:第一步,测量油罐的容积。
首先,需要测量油罐的容积。
油罐的容积通常使用立方米(m³)或者立方英尺(ft³)来表示。
测量油罐容积的方法有多种,常用的方法包括使用测量尺、激光测量仪或者超声波测量仪来进行测量。
在测量油罐容积时,需要考虑到油罐的形状和尺寸,以确保测量结果的准确性。
第二步,确定石油制品的密度。
在计算油罐油的重量时,需要确定石油制品的密度。
石油制品的密度是指单位体积内石油制品的质量,通常使用千克/立方米(kg/m³)或者磅/立方英尺(lb/ft³)来表示。
石油制品的密度是根据具体的石油制品种类和成分来确定的,可以通过实验室测试或者查阅相关资料来获取。
第三步,计算油罐油的重量。
一旦确定了油罐的容积和石油制品的密度,就可以使用以下公式来计算油罐油的重量:油罐油的重量 = 油罐容积×石油制品密度。
在计算油罐油的重量时,需要注意单位的统一。
如果油罐容积使用的是立方米,石油制品密度使用的是千克/立方米,则计算结果为千克;如果油罐容积使用的是立方英尺,石油制品密度使用的是磅/立方英尺,则计算结果为磅。
除了上述的基本计算公式外,还需要考虑到油罐内部的温度和压力对石油制品密度的影响。
石油制品的密度会随着温度和压力的变化而发生变化,因此在实际计算中需要对这些因素进行修正。
此外,对于储存不同种类石油制品的油罐,其密度和重量计算公式也会有所不同。
因此,在实际应用中需要根据具体情况进行调整和修正,以确保计算结果的准确性。
总之,油罐油的重量计算公式是石油化工企业生产管理中的重要工具,通过准确计算油罐油的重量,可以帮助企业合理安排生产计划、控制生产成本,确保产品质量和安全生产。
原油储存原油储罐的总容量计算公式7原油及天然气凝液储运7.1原油储存7.1.1油田的原油罐应采用立式钢制油罐,油田内部未稳定原油罐应选用固定顶油罐,单罐容量为10000m3及以上的稳定原油储罐宜采用浮顶油罐。
7.1.2油田原油储罐宜设在油田矿场油库,也可设在距离油田矿场油库或外输首站较远的集中处理站。
7.1.3原油储罐的总容量应按下式计算确定:式中:V——原油储罐的总容量(m3);m——油田原油储运设施的设计能力(t/a),取油田原油生产能力的1.2倍;ρ——储存温度下的原油密度(t/m3);ε——原油储罐储存系数,应按本规范第7.1.4条的规定确定;T——油田原油储存天数,应按本规范第7.1.5条的规定确定。
7.1.4原油储罐储存系数可根据原油储罐类型和结构尺寸通过计算确定。
固定顶油罐宜取0.85,浮顶油罐宜取0.90。
当油罐中储存起泡原油时,固定顶油罐可取0.75。
7.1.5油田原油储存天数应根据原油运输方式,通过技术经济评价确定,并应符合下列规定:1原油以管道外输的油田,储存天数不应少于3d;2原油以铁路或公路外运的油田,应根据运输距离、原油产量及其在铁路运输中所处的地位等因素综合确定,储存天数不宜少于5d;3原油以轮船外运的油田,储存天数应至少为来船周期再增加3d。
7.1.6原油脱水站的事故油罐可设1座,容积应按该站1d的设计油量计算。
7.1.7接转站、放水站不宜设事故油罐。
当生产确实需要时可设事故油罐,容积可按该站4h~24h设计液量计算。
7.1.8需要加热或维持温度的原油储罐的罐壁宜采取保温措施,事故油罐的罐壁可不设保温措施。
7.1.9油罐内原油的加热保温可采用掺热油方式、盘管加热方式或电加热方式,热负荷宜按油罐对外散热流量确定。
7.1.10油罐散热流量可按下式计算:式中:——油罐散热流量(W);A1、A2、A3——罐壁、罐底、罐顶的表面积(m2);K1、K2、K3——罐壁、罐底、罐顶的总传热系数[W/(m2·℃)];t av——罐内原油平均温度(℃);t amb——罐外环境温度(取最冷月平均温度)(℃)。
【下载本文档,可以自由复制内容或自由编辑修改内容,更多精彩文章,期待你的好评和关注,我将一如既往为您服务】储罐工艺指标参数制定规范一、常压储罐工艺指标参数(一)液位1、基本要求1)常压储罐操作液位上限应小于设计储存液位;固定顶罐操作液位下限不得低于进油线顶部610mm浮顶罐和内浮顶罐操作液位下限应高于浮船支撑高度200mm 以上。
2)操作液位应在高报和低报液位之间。
2、储罐液位计算方法1)固定顶罐设计储存液位(高液位报警)按下式(1)计算:h 设=H-(h 1+ h2+ h3) (1)式中:h 设——固定顶罐设计储存液位,mH——罐壁高度,mh i――泡沫管开孔下缘至罐顶端的高度,mh2 ---------- 10min〜15min储罐最大进液量的折算高度,mh3――安全裕量,可取0.3m (包括泡沫混合厚度和液体的膨胀高度),m2)固定顶罐高高液位报警设定按下式(2)计算:h 高=h 设+ h 2 (2)式中:h 设――固定顶罐设计储存液位,mh2 ---------- 10min〜15min储罐最大进液量的折算高度,m3)浮顶罐(内、外)设计储存液位(高液位报警)按下式(3)计算:h浮=h4 —( h 2+ h3) (3)式中:h4――浮盘设计最大高度(浮盘底面),mh3――安全裕量,可取0.3m (包括液体的膨胀高度保护浮盘所需余量),m4)浮顶罐(内、外)高高液位报警设定按下式(4)计算:h 高=h 浮+ h2 (4)式中:h高高高液位报警设置高度,m5)相关参数:(1)浮顶罐(即外浮顶罐)浮盘设计最大高度(浮盘底面)参考值:罐壁顶以下1.5〜1.6m。
(2)内浮顶罐:钢制浮盘,罐壁顶以下0.9〜1.0m;铝制浮盘,罐壁顶以下0.5 〜0.6m。
3、高低液位报警设置规范常压储罐高低液位报警设定取值表(二)进料输入和储存温度常压储罐物料的进料(输入)和储存温度应按下表取值,其他物料进料(输入)和储存温度应按照低于物料闪点5C确定,有特殊要求的物料应按设计或相关规范确定。
各种常见油罐储油量的计算方法摘要:本文介绍了一些常见形状的储油罐油量的计算方法,并给出了每种形状的储油罐容积的计算公式和整个推导过程,供各位同仁共同探讨和分享。
现实生活中,尽管储油罐的形状各式各样,仔细分析无非存在以下两种结构:卧式结构和立式结构。
无论是卧式结构还是立式结构,都有可能存在半椭圆形封头、平面封头、半圆形封头、圆锥形封头等。
笔者在计算储油罐的过程中,积累了大量的经验,现简要做一介绍。
一、椭圆封头卧式椭圆形油罐这种油罐的形状一般是两端封头为半椭球形,中间为截面积是椭圆形的椭圆柱体,如图1-1、图1-2所示。
计算时,可以把这种油罐的容积看成两部分,一部分为椭球体(把两端的封头看作是一个椭球),另一部分为平面封头中间截面为椭圆形的椭圆柱体,见图1-3、图1-4所示,然后,采用微积分计算任一液面高度时油罐内的容积。
我们建立如图1-3、图1-4所示的坐标系,设油罐除封头以外的长度为L ,其截面长半轴为A ,短半轴为B 。
椭球部分的长半轴为B ,短半轴为C ,则在图1-3、图1-4所示的坐标系中,分别得到椭圆的方程为: 在某一液面高度H 时,油罐内油的容积为:由(1)得: L C BA y图1-2:椭圆封头卧式椭圆形油罐结构图 图1-1:椭圆封头卧式椭圆形油罐实体图 H(0,2b)a Δy - a (0,b) 0x y 图1-3:椭圆柱体剖面图 L H(0,2b)CΔy- C (0,b) 0 z 图1-4:封头椭球体剖面图 dyxz xL 2V H⎰π+=)(2y By 2BAx -=C(3) (4)⎰⎰π+=H 0Hxzdyxdy L 21B B y A x 2222=-+)((1) (2) 1C z B B y 2222=+-)(由(2)得: 将(4)、(5)代入(3)得:公式(6)即为任意截面高度时油罐中油的容积。
若用余旋计算,还可以得到如下的公式:二、平面封头卧式椭圆形油罐这种油罐的形状一般两端为平面封头,中间截面积为椭圆形的椭圆柱体,如图2-1、图2-2所示。
储罐油量计算方法1 油品算量操作1.1 术语和定义(国标GB/T 19779-2005) 1.1.1 游离水(FW )在油品中独立分层并主要存在于油品下面的水。
FW V 表示游离水的扣除量,其中包括底部沉淀物。
1.1.2 沉淀物和水(SW )油品中的悬浮沉淀物、溶解水和悬浮水总称为沉淀物和水。
其质量分数或体积分数、体积和质量分别用SW %、SW V 和SW m 表示。
1.1.3 沉淀物和水的修正系数(CSW )为扣除油品中的沉淀物和水(SW )将毛标准体积修正到净标准体积或将毛质量修正到净质量的修正系数。
1.1.4 体积修正系数(VCF )将油品从计量温度下的体积修正到标准体积的修正系数。
用标准温度下的体积与其在非标准温度下的体积之比表示。
等同于液体温度修正系数(CTL ) 1.1.5 罐壁温度修正系数(CTSh )将油罐从标准温度下的标定容积(即油罐容积表示值)修正到使用温度下实际容积的修正系数。
1.1.6 总计量体积(to V )在计量温度下,所有油品、沉淀物和水以及游离水的总测量体积。
1.1.7 毛计量体积(go V )在计量温度下,已扣除游离水的所有油品以及沉淀物和水的总测量体积。
1.1.8 毛标准体积(gs V )在标准温度下,已扣除游离水的所有油品及沉淀物和水的总体积。
通过计量温度和标准密度所对应的体积修正系数修正毛计量体积可得到毛标准体积。
1.1.9 净标准体积(ns V )在标准温度下,已扣除游离水及沉淀物和水的所有油品的总体积。
从毛标准体积中扣除沉淀物和水可得到净标准体积。
1.1.10 表观质量(m )有别于未进行空气浮力影响修正的真空中的质量,表观质量是油品在空气中称重所获得的数值,也习惯称为商业质量或重量。
通过空气浮力影响的修正也可以由油品体积计算出油品在空气中的表观质量。
1.1.11 表观质量换算系数(WCF )将油品从标准体积换算为空气中的表观质量的系数。
该系数等于标准密度减去空气浮力修正值。
取空气浮力修正值为1.1kg/m3或0.0011g/cm3。
m)1.1.12毛表观质量(gV)对应的表观质量。
与毛标准体积(gsm)1.1.13净表观质量(nV)对应的表观质量。
与净标准体积(nsV)1.1.14总计算体积(tc标准温度下的所有油品及沉淀物和水与计量温度下的游离水的总体积。
即毛标准体积与游离水体积之和。
1.1.15液位高度(H)H)1.1.16底水高度(wT)1.1.17油品温度(oT)1.1.18大气温度(a1.1.19API1.2数值修约数值修约方法应符合GB/T 8170。
在没有其他限制因素的情况下,应依照下表规定的小数位数进行修约。
在检验计算方法与GB/T 19779的一致性时,显示和打印硬件应具有至1.3基础数据的准备和获取为获得油罐内油品库存及输转量的准确结果,应首先保证计算油量的基础数据(如液位、油温、密度和水分等)是按规定标准方法同时获得的。
1.3.1容积表油罐已按相应标准标定,并具备符合标准要求的容积表。
1.3.2油品高度按GB/T 13894或其他满足精度要求的自动测量方法准确测量和记录油品的实高或空高,同时也应根据实际需要对使用状态下的检尺口总高和容积表上注明的检尺口总高进行测量和记录。
如果容器底部存在游离水和沉淀物,则应测量和记录游离水和底部沉淀物的高度。
1.3.3计量温度油品计量温度按GB/T 8927或其他满足精度要求的自动测量方法测量和记录,并最终取得罐内油品的平均计量温度。
1.3.4取样为确定罐内或输转油品的密度以及沉淀物和水的质量分数或体积分数,应根据实际计量需要,按GB/T 4756或ISO 3171的要求取样,以进行实验分析。
1.3.5标准密度按GB/T 1884、GB/T 13377或SH/T 0604测定1.7.3.4款采集样品的标准密度,以最终获得能代表罐内油品的标准密度。
1.3.6沉淀物和水的质量分数或体积分数(SW%)根据油品类别和贸易协议,按GB/T 260或GB/T 8929测定水的质量分数或体积分数,按GB/T 6521测定沉淀物的质量分数或体积分数,将二者相加作为沉淀物和水的质量分数和体积分数;此外按照GB/T 6533也可一次测出原油中水和沉淀物的质量分数或体积分数。
1.3.7环境空气温度对于非保温罐,罐壁温度受外界环境的影响很大,当计算温度对罐壁影响的修正系数时,除了液体温度以外,还必须考虑环境气体温度。
油罐周围的环境气体温度总是一个随机且广泛变动的量,尤其应注意选择最佳的测量位置。
建议采用如下方法测量环境气体温度:1.3.7.1用移动式测温装置在油罐区的背光位置测量一次或多次温度,取平均值作为环境气体温度;1.3.7.2 永久安装在油罐区背光位置的表面温度计; 1.3.7.3 采用本地气象站提供的数据。
注:目前我们采用百叶箱的温度计测量环境空气温度。
1.4 总计量体积用测量的油品高度查油罐容积表得到对应高度下的标定容积,即油品的总计量体积。
当油罐容积表按空罐容积和液体静压膨胀容积分别编制时,总计量体积(to V )应按下式计算: c wc c to V V V ρρ⨯∆+=式中:c V ——由油品高度查油罐容积表得到的对应高度下的空罐容积;c V ∆——由油品高度查液体静压力容积修正表得到的油罐在标定液静压力作用下的容积膨胀值;c ρ——编制油罐静压力容积修正表时采用的标定液密度,通常为水的密度; w ρ——油罐运行时工作液体的计量密度,可用标准密度(20ρ)乘以计量温度下的体积修正系数(VCF )求得。
注:用量油尺测量液位高度时,如果测量时量油尺的温度不同于其检定温度(我国通常为标准温度20℃),量油尺发生膨胀或收缩,则应将量油尺的观察读数修正到其检定温度,以计算出实际液位高度。
其修正系数F 按下式计算: ()201-+=d t F α式中:α——量油尺材质的线膨胀系数(低碳钢取000012.0=α),℃-1;d t ——测量时量油尺的温度,℃。
用量油尺直接测量油品实高时,将量油尺测量的油品实高的观察读数乘以修正系数F ,计算出实际的油品实高。
用量油尺测量油品空高时,用检尺口总高减去观测空高,再乘以修正系数F ,计算出实际的油品实高。
1.5 扣除游离水(FW )和罐底沉淀物在油品转移前后,应测定游离水和罐底沉淀物的数量,以对毛计量体积作出适当修正。
用游离水和沉淀物的深度查油罐容积表可确定它们应扣除的体积(fw V )。
1.6 罐壁温度对标定容积的影响(CTSh )油罐在温度发生变化时,其体积也要发生相应的变化。
油罐容积表给出的通常是在标准温度下的容积,实际计量时的罐壁温度通常不同于标准温度,对此应对标定容积作出相应修正。
对于立式圆筒油罐,罐壁温度对体积影响的修正系数可以用对横截面积影响的修正系数表示,因此罐壁温度修正系数(CTSh )可以按下式计算:()2021-+=s T CTSh α 非保温罐()2031-+=s T CTSh α 保温罐式中:α——罐壁材质的线膨胀系数(低碳钢取000012.0=α),℃-1;s T ——油罐计量时的罐壁温度,℃罐壁温度通常受罐内油品温度和罐外环境温度的影响,因此在计算罐壁温度对标定容积的影响时,均应给予考虑。
对于保温罐,可以将罐内油品的平均温度近似作为罐壁温度,即0T T s =。
对于非保温罐,罐壁温度按下式计算:()[]870a s T T T +⨯= 式中:0T ——罐内油品的平均温度,℃ a T ——油罐周围的环境空气温度,℃。
1.7 计算毛计量体积(go V )(){}frd fw to go V CTSh V V V -⨯-=从总计量体积(to V )中减去所有游离水(fw V ),再将结果乘以罐壁温度修正系数(CTSh ),得到毛计量体积(go V )。
对于浮顶罐,应从中扣除浮顶的排液体积(frd V )。
注:我国通常以质量作为散装油品的结算依据,因此也按质量扣除浮顶排液量,即省略上式中的最后减项,但此时的go V 中包含浮顶的排液体积,不具有油品体积的实际意义,仅作为油量计算的中间变量。
1.8 浮顶修正由于罐内油品密度会经常发生变化,与油品密度有关的浮顶的排液体积也随之变化,因此通常不把浮顶修正直接编入油罐容积表中,而是在油量计算中再扣除。
1.8.1 按体积扣除在油量计算时,如果浮顶排液量在计算毛计量体积时扣除,则浮顶的排液体积(frd V )按下式计算:()VCF WCF m V fr frd ⨯= 式中:fr m ——浮顶的表观质量。
注:WCF 的单位应与浮顶表观质量的单位相互对应。
1.8.2 按质量扣除由于我国散装油品主要按油品的质量结算,因此在计算带有浮顶的立式圆筒形油罐内的毛计量体积时,可以不扣除浮顶排液体积,而是在计算油品毛表观质量时再扣除浮顶的表观质量。
注:如果液位降落在浮顶最低点至起浮点区间时,浮顶修正不准确,对应数据不适合作计量交接使用。
此外,上述浮顶修正不适用于浮顶最低点以下的油量计算。
1.9 计算毛标准体积 1.9.1 体积修正系数根据GB/T 1885,由油品的计量温度和标准密度查对应油品的体积修正系数表得到将毛计量体积修正到毛标准体积的体积修正系数(VCF )油品体积修正系数表共有三个:原油体积修正系数表、产品体积修正系数表、润滑油体积修正系数表。
其中我部有用的有二个:原油体积修正系数表、产品体积修正系数表。
具体查表方法如下:1.9.1.1 根据油品类别选择相应油品的体积修正系数表(原油或产品)•; 1.9.1.2 确定标准密度在体积修正系数表中的密度区间;•1.9.1.3 在标准密度栏中找到已知的标准密度值,在温度栏中找到油品的计量温度值,二者的交叉数即为该油品由计量温度修正到标准温度的体积修正系数。
如果标准密度介于标准密度行中两相邻标准密度之间,则采用内插法计算体积修正系数;温度不用内插,仅以较接近的温度值查表(VCF 计算结果保留五位小数,第六位四舍五入)。
1.9.1.4 二甲苯VCF 按下述方法计算: ()2000099.01--=t VCF 式中:t 为油罐内实测的油品温度 1.9.2 毛标准体积将毛计量体积(go V )乘以体积修正系数(VCF ),就得到毛标准体积(gs V )。
VCF V V go gs ⨯= 1.10 沉淀物和水原油和某些石油产品中含有沉淀物和水(SW ),其修正值(CSW )按下式计算: %1SW CSW -=除非是贸易需要或有其他特殊要求,石油产品通常不进行沉淀物和水的修正,此时的净标准体积等于毛标准体积。
注:沉淀物和水(SW )的含量(%SW )有体积分数和质量分数两种确定方式,应根据油量计算是基于体积还是基于质量来选择使用。