最新土力学与地基基础设计实例
- 格式:doc
- 大小:679.00 KB
- 文档页数:19
第1篇一、工程概况本工程位于我国某城市,占地面积约30万平方米,是一处集住宅、商业、教育于一体的综合性大型住宅区。
由于该区域地质条件复杂,地基土质松散,承载能力不足,为确保建筑物的安全稳定,需要对地基进行加固处理。
二、地质条件该区域地层主要为第四纪沉积物,主要由粉土、砂土和淤泥质土组成。
土层厚度不等,最大厚度约为15米。
地下水位较浅,约为1.5米。
地基土质松散,压缩性高,抗剪强度低,不能满足建筑物的承载要求。
三、地基处理方案针对该区域地质条件,结合工程要求,经综合分析,确定采用强夯法进行地基加固处理。
1. 强夯法原理强夯法是一种利用重锤从一定高度自由落下,对地基土进行冲击、振动和压缩,使土体密实、提高地基承载能力的一种地基加固方法。
2. 施工工艺(1)施工准备:根据工程规模和地质条件,选用CGE1800型强夯机,并配备相应数量的辅助设备。
(2)施工步骤:a. 根据设计要求,绘制强夯施工平面图,确定夯点位置。
b. 在夯点位置挖设夯坑,深度约为1.5米。
c. 将强夯机放置在夯坑内,调整好锤重和落距。
d. 启动强夯机,将重锤从预定高度落下,冲击地基土。
e. 重复以上步骤,直至满足设计要求。
(3)施工质量控制:a. 施工过程中,对夯击次数、落距、夯击能等进行实时监控,确保施工质量。
b. 施工完成后,对地基土进行取样,进行室内试验,检验地基加固效果。
四、施工效果经强夯法处理后,地基土的密实度、抗剪强度和承载能力均得到显著提高,满足建筑物承载要求。
施工过程中,未出现安全事故和质量问题。
五、结论本工程采用强夯法进行地基加固处理,取得了良好的效果,为类似工程提供了参考。
在今后的工程实践中,应充分考虑地质条件和工程要求,选择合适的地基处理方法,确保工程质量和安全。
第2篇一、工程概况本工程位于某城市住宅区,占地面积约10万平方米,总建筑面积约20万平方米。
该住宅区由多层住宅、商业设施和地下车库组成。
由于地基土质为软土,地基承载力较低,为确保住宅区的安全稳定,对地基进行了加固处理。
设计题目某教学楼为两层钢筋混凝土框架结构,采用柱下独立基础,柱网布置如图4-7所示,在基础顶面处的相应于荷载效应标准组合,由上部结构传来的轴心荷载为680kN,弯矩值为80kN·m,水平荷载为10kN。
柱永久荷载效应起控制作用,柱截面尺寸为350mm ×500mm,试设计该基础。
2.工程地质情况该地区地势平坦,无相邻建筑物,经地质勘察:持力层为粘性土(ηb=0、ηd=1.0),土的天然重度为18 kN/m3,f ak=230kN/m2,地下水位在-7.5m处,无侵蚀性,标准冻深为1.0m(根据地区而定)。
3.基础设计⑴确定基础的埋置深度dd=Z0+200 =(1000 +200)mm=1200 mm根据GB50007-2002规定,将该独立基础设计成阶梯形,取基础高度为650 mm,基础分二级,室内外高差300mm,如图4-8所示。
2⑵确定地基承载特征值f a假设b <3m,因d =1.2m >0.5m 故只需对地基承载力特征值进行深度修正, ()[]22m d ak a m /kN 6.242m /kN 5.02.1180.1230)5.0(=-⨯⨯+=-+=d f f γη⑶确定基础的底面面积m 35.1m 21.52.1=+=h A ≥22a km 11.3m 35.1186.242680=⨯-=⨯-+h f P F k γ 考虑偏心荷载影响,基础底面积初步扩大12%,于是 22m 73.3m 11.32.12.1=⨯=='A A取矩形基础长短边之比l/b =1.5,即l =1.5bm 58.15.173.35.1===A b 取b=1.6 m 则l =1.5b =2.4 mA = l ×b =2.4×1.6 m=3.84 m 2⑷持力层强度验算作用在基底形心的竖向力值、力矩值分别为kN 68.783kN )35.184.320680(kN 680K K =⨯⨯+=+=+h A G F γ m kN 5.86m )kN 65.01080(k ⋅=⋅⨯+=+=Vh M Mm 11.0m 68.7835.86k k 0==+=k G F M e <m 4.06m 4.26==l 符合要求。
第1篇一、项目背景某高层住宅项目位于我国某大城市,总建筑面积约为10万平方米,建筑高度为100米,共30层。
该项目地基基础设计采用桩基础,主要地质条件为粘性土和砂土。
为确保建筑物的稳定性和安全性,施工单位在施工过程中严格遵循相关规范和标准,确保工程质量。
二、施工难点1. 地质条件复杂:该项目地质条件复杂,粘性土和砂土层厚度不均,给桩基础施工带来了较大难度。
2. 施工周期紧张:该项目工期紧,施工进度要求高,对施工组织和管理提出了较高要求。
3. 施工安全风险大:桩基础施工过程中,存在桩身倾斜、断桩、地面塌陷等安全风险。
三、施工方案1. 地质勘察:在施工前,对场地进行详细的地质勘察,了解地层分布、土层性质、地下水情况等,为桩基础设计提供依据。
2. 施工组织设计:制定详细的施工组织设计,明确施工流程、施工方法、施工顺序、施工资源配置等。
3. 施工技术措施:(1)桩基础施工:采用旋挖钻机成孔,然后进行钢筋笼制作、混凝土灌注等工序。
为确保桩身质量,采用低应变法检测桩身完整性,检测数量不宜少于总桩数的20%。
(2)地基处理:针对粘性土和砂土层,采用强夯法进行地基处理,提高地基承载力。
(3)基坑支护:采用钢板桩围护结构,确保基坑开挖过程中的安全。
4. 施工质量控制:(1)材料检验:对桩基础施工所需原材料进行严格检验,确保材料质量符合要求。
(2)施工过程控制:对成孔、钢筋笼制作与安装、混凝土灌注等工序进行严格控制,确保施工质量。
(3)质量验收:按照相关规范和标准,对桩基础、地基处理、基坑支护等工序进行质量验收。
四、施工效果1. 施工进度:通过优化施工方案,合理安排施工资源,确保了施工进度按计划进行。
2. 施工质量:严格遵循施工规范和标准,确保了桩基础、地基处理、基坑支护等工序的质量。
3. 安全生产:通过加强安全管理,确保了施工过程中的安全生产。
4. 社会效益:该项目的顺利实施,为我国高层住宅建设积累了宝贵经验,提高了我国建筑行业的技术水平。
与土有关的典型工程案例一、与土或土体有关的强度问题1.加拿大特朗斯康谷仓加拿大特朗斯康谷仓,由于地基强度破坏发生整体滑动,是建筑物失稳的典型例子。
(1)概况加拿大特朗斯康谷仓平面呈矩形,长59.44 m,宽23.47 m。
高31.0m。
容积36368 m3。
谷仓为圆筒仓,每排13个圆筒仓,共5排65个圆筒仓组成。
谷仓的基础为钢筋混凝土筏基,厚61cm,基础埋深3.66m。
谷仓于1911年开始施工,1913年秋完工。
谷仓自重20000t,相当于装满谷物后满载总重量的42 5% 。
1913年9月起往谷仓装谷物,仔细地装载,使谷物均匀分布、10月当谷仓装了31822m3谷物时,发现1小时内垂直沉降达30.5cm。
结构物向西倾斜,并在24小时间谷仓倾倒,倾斜度离垂线达26o53ˊ。
谷仓西端下沉7.32m,东端上抬加拿大谷仓地基滑动而倾倒端下沉7 32m,东端上抬1.52m。
1913年10月18日谷仓倾倒后,上部钢筋混凝土筒仓艰如盘石,仅有极少的表面裂缝。
(2)事故原因1913年春事故发生的预兆:当冬季大雪融化,附近由石碴组成高为9 14m的铁路路堤面的粘土下沉1m左右迫使路堤两边的地面成波浪形。
处理这事故,通过打几百根长为18.3m的木桩,穿过石碴,形成一个台面,用以铺设铁轨。
谷仓的地基土事先未进行调查研究。
根据邻近结构物基槽开挖试验结果,计算承载力为352kPa,应用到这个仓库。
谷仓的场地位于冰川湖的盆地中,地基中存在冰河沉积的粘土层,厚12.2m.粘土层上面是更近代沉积层,厚3.0m。
粘土层下面为固结良好的冰川下冰碛层,厚3.0 m.。
这层土支承了这地区很多更重的结构物。
1952年从不扰动的粘土试样测得:粘土层的平均含水量随深度而增加从40%到约60%;无侧限抗压强度qu从118.4kPa减少至70.0kPa平均为100.0kPa;平均液限wl =105%,塑限wp=35%,塑性指数Ip=70。
试验表明这层粘土是高胶体高塑性的。
基础设计计算案例题2. 某沉箱码头为一条形基础,在抛石基床底面处的有效受压宽度Be ˊ =12m,墙前基础底面以上边载的标准值为q k =18kPa,抛石基床底面以下地基土的指标标准值为:内摩擦角k ϕ=30º,粘聚力c k =0,天然重度γ=19kN/m 3·抛石基床底面合力与垂线间夹角δˊ=11.3º。
不考虑波浪力的作用,按《港口工程地基规范》(1T7250-98 )算得的地基极限承载力的竖向分力标准值最接近下列哪一个数值?(k ϕ=30º时,承载力系数N γB =8.862, N qB =12.245)(A) 7560.5kN/m ; (B) 7850.4kN/m ;(C) 8387.5kN/m ;(D) 8523.7kN/m 。
1. 某建筑物基础底面尺寸为3m×4m ,基础理深d =1.5m ,拟建场地地下水位距地表1.0m ,地基土分布:第一层为填土,层厚为1米,γ=18.0kN/m 3;第二层为粉质粘土,层厚为5米,γ=19.0kN/m 3,φk =22º,C k =16kPa ;第三层为淤泥质粘土,层厚为6米,γ=17.0kN/m 3,φk =11º,C k =10kPa ;。
按《地基基础设计规范》(GB50007-2002)的理论公式计算基础持力层地基承载力特征值f a ,其值最接近下列哪一个数值?(A) 184kPa ; (B) 191kPa ;(C) 199 kPa ;(D) 223kPa 。
3. 某建筑物的箱形基础宽9m ,长20m ,埋深d =5m ,地下水位距地表2.0m ,地基土分布:第一层为填土,层厚为1.5米,γ=18.0kN/m 3;第二层为粘土,层厚为10米,水位以上γ=18.5kN/m 3、水位以下γ=19.5kN/m 3,L I =0.73,e =0.83由载荷试验确定的粘土持力层承载力特征值f ak =190kPa 。
《土力学与地基基础》课程设计任务书一、挡土墙的设计(最多10人可选)1、挡土墙高5m背直立,光滑,墙后填土面水平,用毛石和M5水泥砂浆砌筑。
砌体抗压强度fk =1.07MPa ,砌体重度γk=22KN/m3,砌体的摩擦系数μ1=0.5。
填土为中砂,重度γ=18.5KN/m3,内摩擦角ψ=300,基底摩擦系数为值0.5,地基承载力设计值为160KPa.设计此挡土墙。
要求:绘出相应图形,列出具体计算过程(手算),并进行挡土墙尺寸及构造设计并绘图。
(最多4人可选)2、已知某挡土墙高8m,墙背倾斜ε=10°,填土表面倾斜β=10°,用混凝土砌筑,重度γk=4KN/m3.墙与填土摩擦角δ=20°,填土内摩擦角ψ=40°,c=0,γ=19KN/m3,基底摩擦系数μ=0.4,地基承载力设计值为200kpa.设计此挡土墙。
要求:绘出相应图形,列出具体计算过程(手算),并进行挡土墙尺寸及构造设计并绘图。
(最多4人可选)二、浅基础(最多36人可选)1.某厂房柱截面为600mm×400mm。
基础受竖向荷载Fk=1100KN,水平荷载Qk=68KN,弯矩M=120kN·m。
地基土层剖面如图所示.基础埋深2.0m,基础材料选用C15混凝土,试设计该柱下刚性基础。
(注:最多5人可选)设计地面粉质粘土,γ=19.2kN/m3,f ak=212KPae=0.78, I L=0.45, E S1=9.6MPa-5.00m 淤泥质粘土,γ=16.5kN/m3,f ak=80KPaE S2=3.2MPa2.某住宅外承重墙厚370mm,基础受到上部结构传来的竖向荷载标准值为280KN/m,弯矩标准值为60KN.m/m.土层分布如图所示,基础采用条形基础。
试分别设计砖基础、素混凝土基础。
(砖基础最多3人可选,混凝土基础最多3人可选)3.某工厂职工6层住宅楼,基础埋深d=1.10m。
《土力学与地基基础》课程设计第一部分墙下条形基础课程设计一、墙下条形基础课程设计任务书(一)设计题目某教学楼采用毛石条形基础,教学楼建筑平面如图4-1所示,试设计该基础。
图4-1平面图(二)设计资料所示。
⑴工程地质条件如图4-2图4-2工程地质剖面图⑵室外设计地面-0.6m,室外设计地面标高同天然地面标高。
⑶由上部结构传至基础顶面的竖向力值分别为外纵墙∑F1K=558.57kN,山墙∑F2K=168.61kN,内横墙∑F3K=162.68kN,内纵墙∑F4K=1533.15kN。
⑷基础采用M5水泥砂浆砌毛石,标准冻深为1.2m。
(三)设计内容⑴荷载计算(包括选计算单元、确定其宽度)。
⑵确定基础埋置深度。
⑶确定地基承载力特征值。
⑷确定基础的宽度和剖面尺寸。
⑸软弱下卧层强度验算。
⑹绘制施工图(平面图、详图)。
(四)设计要求⑴计算书要求书写工整、数字准确、图文并茂。
⑵制图要求所有图线、图例尺寸和标注方法均应符合新的制图标准,图纸上所有汉字和数字均应书写端正、排列整齐、笔画清晰,中文书写为仿宋字。
⑶设计时间三天。
二、墙下条形基础课程设计指导书(一)荷载计算1.选定计算单元对有门窗洞口的墙体,取洞口间墙体为计算单元;对无门窗洞口的墙体,则可取1m为计算单元(在计算书上应表示出来)。
2.荷载计算计算每个计算单元上的竖向力值(已知竖向力值除以计算单元宽度)。
(二)确定基础埋置深度dGB50007-2002规定d min =Z d -h max 或经验确定d min =Z 0+(100~200)mm 。
式中 Z d ——设计冻深,Z d = Z 0·ψzs ·ψzw ·ψze ; Z 0——标准冻深;ψzs ——土的类别对冻深的影响系数,按规范中表5.1.7-1; ψzw ——土的冻胀性对冻深的影响系数,按规范中表5.1.7-2; ψze ——环境对冻深的影响系数,按规范中表5.1.7-3; (三)确定地基承载力特征值fa)5.0()3(m d b ak a -+-+=d b f f γηγη式中 f a ——修正后的地基承载力特征值(kPa ); f ak ——地基承载力特征值(已知)(kPa );ηb 、ηb ——基础宽度和埋深的地基承载力修正系数(已知);γ——基础底面以下土的重度,地下水位以下取浮重度(kN/m 3);γm ——基础底面以上土的加权平均重度,地下水位以下取浮重度(kN/m 3); b ——基础底面宽度(m ),当小于3m 按3m 取值,大于6m 按6m 取值; d ——基础埋置深度(m )。
土壤力学工程案例分析土壤力学工程是土木工程中一个重要的分支,研究土壤的力学性质及其在地基工程中的应用。
本文将通过具体的案例分析,深入探讨土壤力学工程在实际工程中的重要性和应用。
案例一:地基处理工程某工程项目需要建设一个高层建筑,但工程地基土壤较为松软,无法满足建筑的承载要求。
土壤力学工程师在进行现场勘察后,提出了一种地基处理方案:采用振动加固法进行地基处理。
通过在土壤中注入水泥搅拌桩,利用振动后的土壤凝固性能,增加了地基土壤的承载能力,从而确保了高层建筑的安全性。
案例二:边坡稳定工程某山区道路边坡出现了严重的滑坡现象,威胁到了路旁居民的生命财产安全。
土壤力学工程师对该边坡进行了详细的勘察和分析,确定了边坡的稳定性问题主要是由于土壤的抗剪强度不足所致。
针对这一问题,土壤力学工程师采用了加固边坡的方式,通过在边坡上设置抗滑桩及加固网格,有效提高了土壤的抗剪强度,避免了进一步的滑坡发生。
案例三:基坑支护工程某大型地下停车场工程需要在繁华商业区建设,但周围建筑密集,基坑支护难度较大。
土壤力学工程师结合现场实际情况,设计了一套有效的基坑支护方案:采用悬臂式支撑结构,通过设置加固梁和支撑墙,增加了基坑周围土壤的稳定性,有效保证了施工过程中周围建筑物和道路的安全。
结语通过以上案例分析可见,土壤力学工程在地基工程中的应用是至关重要的。
只有深入了解土壤的性质和特点,并根据实际工程情况进行科学合理的设计和施工,才能有效确保工程的安全性和永久性。
因此,在土木工程实践中,土壤力学工程师的作用不可忽视,他们的专业知识和技术将为工程的成功实施提供有力支撑。
土壤力学工程领域还有许多待挖掘的潜力和发展空间,相信在未来的发展中会有更多更好的实践经验值得我们学习和借鉴。
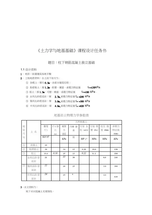
《土力学与地基基础》课程设计任务书题目:柱下钢筋混凝土独立基础1.1设计资料1、 地形:拟建建筑场地平整2、 工程地质资料:自上而下依次为:① 杂填土:厚约0.5m ,含部分建筑垃圾;② 粉质粘土:厚1.2m ,软塑,潮湿,承载力特征值 f ak =130kPa ;③ 粘土:厚1.5m ,可塑,稍湿,承载力特征值f ak =180 kPa ;2.7m,承载力特征值f ak =240 kPa3.0m,承载力特征值f ak =300 kPa4.0m,承载力特征值f ak =620 kPa地基岩土物理力学参数表3、水文资料为:地下水对混凝土无侵蚀性。
④ 全风化砂质泥岩:厚 ⑤ 强风化砂质泥岩:厚 ⑥ 中风化砂质泥岩:厚地下水位深度:位于地表下 1.5m。
上部结构作用在柱底的荷载效应基本组合设计值见表 3:4、上部结构资料:上部结构为多层全现浇框架结构,室外地坪标高同自然地面,室内外高差上部结构作用在柱底的荷载标准值见表 2 :题号Fk 阿 Mk CKN-m)Vk 阿 A 轴 B 轴 C 轴 A 轴 B 轴 C 轴 負轴 B 轴1?751548 1187 140 100 说4648 44 21032 161?1 1257 164 1云221 55 ~052 3 1050 1730 1312 190150 242 62 66 574 1150 18151370 210 175 27171 736751218 1873 1433 235 193 257 30 83 74 61282 188311496 257218 325 86 30837133? 1970 1560 234 242 3559695391402 2057 ie ii 231266 37? 102 1049891534 2140 1677 335 288 402 10? 113 1加 10 1558 2205 1727 365 309 428120 11? 114柱底荷载标准值表2450mm 柱网布置见下图:HUE-3d柱底荷載效应基本组合设计值*35、材料:混凝土等级C 25~C30,钢筋I、n级。
土壤力学工程设计案例设计背景土壤力学工程设计是土木工程中的重要领域之一,涉及到土壤力学性质、地基工程、基础设计等方面。
本文章将以一个土壤力学工程设计案例为例,详细介绍设计过程和方法。
设计案例简介本案例是一座多层住宅建筑的基础设计。
该建筑位于一个低洼地带,地质条件复杂,其中包括各种类型的土壤。
设计的目标是确保建筑物的稳定和安全,同时最大限度地减小地基工程所需的成本。
一、场地勘察与土壤性质分析在设计之前,我们首先进行了详细的场地勘察和土壤性质分析。
通过采集样品并进行室内试验,我们确定了场地的地质特征和土壤力学参数。
根据勘察结果,我们将场地土壤分为三个类型:粘性土、砂性土和岩石。
二、基准承载力计算根据土壤性质分析结果,我们可以计算出不同类型土壤的基准承载力。
基准承载力是指在不考虑建筑物自重的情况下,土壤能够承受的最大荷载。
通过使用适当的计算方法和公式,我们确定了各种类型土壤的基准承载力,并将其用于后续的设计中。
三、基础类型选择根据场地勘察和土壤性质分析的结果,我们选择了适合该场地的基础类型。
考虑到多层住宅建筑的重量和场地土壤的特性,我们决定采用扩展基础作为建筑的基础类型。
扩展基础能有效分散建筑物的荷载,并提供稳定的承载能力,适应场地的条件。
四、基础尺寸设计在选择了基础类型之后,我们进行了基础尺寸的设计。
这涉及到对基础的宽度、长度和深度等参数进行合理的确定。
根据建筑物的荷载和土壤的承载能力,我们采用了合适的设计方法来计算基础的尺寸,并确保基础能够稳定地支撑建筑物。
五、基础施工方案在进行基础设计的同时,我们也制定了基础施工方案。
这包括基础的施工工艺、施工顺序和材料选择等方面。
考虑到场地土壤的特性,我们采用了适当的施工方法来确保基础的质量和稳定性。
六、基础处理措施根据土壤性质和场地条件,我们还采取了一些特殊的基础处理措施。
例如,在粘性土地层中,我们采用了加固桩的方法来增加基础的稳定性。
在砂性土地层中,我们采用了土工合成材料来提高土壤的承载能力。
目录一、设计资料二、独立基础设计1、选择基础材料 (1)2、确定基础埋置深度 (2)3、计算地基承载力特征值 (3)4、初步选择基底尺寸 (4)5、验算持力层的地基承载力 (5)6、软弱下卧层的验算 (6)7、地基变形验算 (7)8、计算基底净反力 (8)9、验算基础高度 (9)10、基础高度(采用阶梯形基础) (10)11、变阶处抗冲切验算 (11)12、配筋计算 (12)13、确定A、B两轴柱子基础底面尺寸 (13)15、 B、C两轴持力层地基承载力验算 (14)16、设计图纸 (15)17、设计资料及设计任务进度...............................16-19柱下独立基础课程设计二、独立基础设计1.选择基础材料基础采用C25混凝土,HRB335级钢筋,预估基础高度0.75m。
2.选择基础埋置深度根据柱下独立基础课程设计任务书要求和工程地质资料选取。
①号土层:杂填土,层厚约0.5m,含部分建筑垃圾。
②号土层:粉质粘土,层厚1.2m,软塑,潮湿,承载力特征值f ak=130kPa。
③号土层:粘土,层厚1.5m,稍湿,承载力特征值f ak=180kPa。
④号土层:细砂,层厚3.0m,中密,承载力特征值f ak=240kPa。
⑤号土层:强风化砂质泥岩,很厚,中密,承载力特征值f ak=300kPa。
-0.45 +0.00Vk=96kNFk=1339KN 3.7m Mk=284KN.m基础剖面简图1、确定基础的埋置深度:由于该框架结构处于青海,则必须考虑土的冻账都基础的影响,则有: :根据设计设计资料易知以上设计地面基础的顶面应低于设计遭受外界的破坏,所以同时为了避免基础外露不易浅于)规范规定基础的埋深(的控制:同时基础还受以下条件地基冻结条件所控制,故基础的埋置深度收到采用条形基础。
即有:得出查表为:基底平均压力测资料可知西宁地区的根据西宁地区的地质勘)(即:城市近郊,不冻胀图得出:粘性土依次和,教材查表《土力学与基础工程》三个参数依次参考最大冻结深度为西宁地区标准冻深为mm 100,m 5.01 1.098m,2.200021.1,2.2h 5-7,k 11002m,1.195.00.10.116.1-95.0,0.10.14-73-72-7,,-1.34m; 1.34m-1.16m,-;,max min max 000max min =+-=-==-=⨯⨯⨯=ψψψ==ψ=ψ=ψψψψ=ψψψ=-=h z d m pa z z z z z h z d d ze zw zs d ze zw zs ze zw zs ze zw zs d d① 号土层:染填土,层厚约0.5m ,含部分建筑垃圾② 号土层:粉质黏土,层厚1.2m 软塑,潮湿,承载力特征值f ak =130KPa 。
《地基基础》课程设计墙下条形基础课程设计一、墙下条形基础课程设计任务书(一)设计题目某教学楼采用毛石条形基础,教学楼建筑平面如图4-1所示,试设计该基础。
(二)设计资料⑴工程地质条件如图4-2所示。
杂填土 3KN/m 16=γ粉质粘土 3KN/m 18=γ淤泥质土a 2MP =s E ⑵室外设计地面-0.6m ,室外设计地面标高同天然地面标高。
⑶由上部结构传至基础顶面的竖向力值分别为外纵墙∑F 1K =558.57kN ,山墙∑F 2K =168.61kN ,内横墙∑F 3K =162.68kN ,内纵墙∑F 4K =1533.15kN 。
⑷基础采用两种方案:(1) 采用M5水泥砂浆砌毛石;(2) 采用水泥砂浆M5, 砌 MU10砖基础。
标准冻深为1.20m 。
(三)设计内容⑴荷载计算 (包括选计算单元、确定其宽度)。
⑵确定基础埋置深度。
⑶确定地基承载力特征值。
⑷确定基础的宽度和剖面尺寸。
图4-1平面图图4-2工程地质剖面图⑸软弱下卧层强度验算。
(四)设计要求⑴计算书要求书写工整、数字准确、图文并茂。
(2)绘制施工图(两种方案的基础平面图和基础剖面图)(3)制图要求所有图线、图例尺寸和标注方法均应符合新的制图标准,图纸上所有汉字和数字均应书写端正、排列整齐、笔画清晰,中文书写为仿宋字。
二、墙下条形基础课程设计指导书(一)荷载计算1.选定计算单元 对有门窗洞口的墙体,取洞口间墙体为计算单元;对无门窗洞口的墙体,则可取1m 为计算单元(在计算书上应表示出来)。
2.荷载计算 计算每个计算单元上的竖向力值(已知竖向力值除以计算单元宽度)。
(二)确定基础埋置深度dGB50007-2019规定d min =Z d -h max 或经验确定d min =Z 0+(100~200)mm 。
式中 Z d ——设计冻深,Z d = Z 0·ψzs ·ψzw ·ψze ;Z 0——标准冻深;ψzs ——土的类别对冻深的影响系数,按规范中表5.1.7-1;ψzw ——土的冻胀性对冻深的影响系数,按规范中表5.1.7-2;ψze ——环境对冻深的影响系数,按规范中表5.1.7-3;(三)确定地基承载力特征值f a 式中 f a ——修正后的地基承载力特征值(kPa );f ak ——地基承载力特征值(已知)(kPa);ηb 、ηb ——基础宽度和埋深的地基承载力修正系数(已知);γ——基础底面以下土的重度,地下水位以下取浮重度(kN/m 3);γm ——基础底面以上土的加权平均重度,地下水位以下取浮重度(kN/m 3); b ——基础底面宽度(m ),当小于3m 按3m 取值,大于6m 按6m 取值;d ——基础埋置深度(m )。
土力学与地基基础课程设计计算书一、柱下独立基础设计1.边柱设计(400mm×500mm)(1)初步确定基础埋深H=1.6m已知设计组合值:M=130.0KN∙m,N=890.0KN,V=25。
0KN,按《建筑地基规范》得,由荷载标准值计算荷载设计值取荷载综合分项系数1.35。
则标准值为:M k=96.30KN∙m,N k=659。
26KN,V k=18.52KN设计参数及相关数据见下图基础放置在粉土上,f ak=160KP a,粘粒含量ρc≥10%,查表得ηb=0。
3,ηd=1.5,先假设基底宽度不大于3m,则粉土修正后的地基承载力特征值:f a=f ak+ηbγ(b—3)+ ηdγm(d—0.5)=160.0+1.5×(1。
1×17+0.5×16.5)×(1。
6-0.5)/1.6=187。
786KPa>1.1f ak=176kp a初步设计基底尺寸:A0=F k/(f a—γG d)=659.26/(187。
786—20×1.6)=4。
23m2由于偏心不大,按20%增大即A=1.2A0=5.076m2初步选择基础底面积A=L×b=2.9×1。
8=5。
22m2(≈5.076 m2)b=1。
8m<3.0m,不再对f a进行修正2、持力层承载力验算G k=r G×d×A=20×1.6×5。
22=167。
04KNe k=M k/(F k+G k)=(96。
30+18。
52×0。
6)/(659.26+167。
04)=0。
130mP k=(F k+G k)/A=(659。
26+167。
04)/5.22=158.30 KP a〈f a=187.786,满足P k,max=P k(1+6e k/L)=158。
30×(1+6×0。
130/2。
9)=160。
《土力学与地基基础》课程设计参考一、墙下条形基础课程设计任务书(一)设计题目某教学楼采用毛石条形基础,教学楼建筑平面如图4-1所示,试设计该基础。
(二)设计资料⑴工程地质条件如图4-2所示。
杂填土 3KN/m16=γ 粉质粘土 3KN/m18=γ3.0=b η a MP 10=s E 6.1=d η 2KN/m196=k f淤泥质土a2MP=sE2KN/m88=k f⑵室外设计地面-0.6m ,室外设计地面标高同天然地面标高。
图4-1平面图图4-2工程地质剖面图二、墙下条形基础课程设计指导书(一)荷载计算 1.选定计算单元 对有门窗洞口的墙体,取洞口间墙体为计算单元;对无 门窗洞口的墙体,则可取1m 为计算单元(在计算书上应表示出来)。
2.荷载计算 计算每个计算单元上的竖向力值(已知竖向力值除以计算单元宽度)。
(二)确定基础埋置深度dGB50007-2002规定d min =Z d -h max 或经验确定d min =Z 0+(100~200)mm 。
式中 Z d ——设计冻深,Z d = Z 0·ψzs ·ψzw ·ψze ; Z 0——标准冻深;ψzs ——土的类别对冻深的影响系数,按规范中表5.1.7-1;ψzw ——土的冻胀性对冻深的影响系数,按规范中表5.1.7-2;ψze ——环境对冻深的影响系数,按规范中表5.1.7-3;(三)确定地基承载力特征值f a)5.0()3(m d b ak a -+-+=d b f f γηγη式中 f a ——修正后的地基承载力特征值(kPa ); f ak ——地基承载力特征值(已知)(kPa);ηb 、ηb ——基础宽度和埋深的地基承载力修正系数(已知);γ——基础底面以下土的重度,地下水位以下取浮重度(kN/m 3);γm ——基础底面以上土的加权平均重度,地下水位以下取浮重度(kN/m 3); b ——基础底面宽度(m ),当小于3m 按3m 取值,大于6m 按6m 取值;d ——基础埋置深度(m )。
地基基础施工技术实例
嘿,朋友们!今天咱就来讲讲地基基础施工技术实例,这可真是超级重要的事儿啊!
你想想,要是房子的地基没打好,那会咋样?那不就跟那根基不牢的大树一样,风一吹说不定就倒啦!这可不是开玩笑的。
我给你们说个例子啊,就有那么一个建筑工程,一开始地基施工的时候就没太当回事儿。
结果呢,房子盖起来后,没多久就开始出现各种问题,墙壁裂缝啊,地面下陷啊,哎呀,那叫一个惨!这就好比你盖房子是要住一辈子的,结果地基没弄好,就像给自己挖了个大坑啊!
再看看那些成功的例子,人家在地基基础施工上那可是下足了功夫。
从选址到各种技术的运用,每一步都精心策划。
就好像一个大厨在准备一道超级大餐,每一种调料、每一个步骤都不能马虎。
他们会用先进的设备去探测地质情况,会根据不同的土壤条件选择合适的施工方法。
这多重要啊!就跟你选衣服得选适合自己的尺码一样。
咱普通人可能不太懂这些专业的技术,但咱得知道这地基基础施工真的是关乎房子的生死存亡啊!你难道不想自己住的房子稳稳当当的吗?所以说啊,可别小瞧了这地基基础施工技术,它真的能决定一切啊!
总之,地基基础施工技术就是建筑的根基,只有根基扎实了,建筑才能屹立不倒,我们的生活才能安稳无忧。
土壤力学工程案例研究在土木工程领域中,土壤力学是一个重要的分支,它研究土地的力学性质以及土壤与结构物之间的相互作用。
本文将通过几个案例研究,介绍土壤力学在工程实践中的应用。
案例一:基础设计和沉降分析某地发生地震后,一座建筑物出现了严重的沉降问题。
工程师们进行了现场勘察和土壤力学测试,发现该地区的土壤是黏性土。
根据试验结果,工程师们设计了适当的基础结构,采用了承载力较高的桩基础,并进行了沉降分析。
通过数值模拟和实测数据对比,工程师们验证了基础设计的有效性,并成功地解决了沉降问题。
案例二:边坡稳定性分析在山区公路修建过程中,一处边坡发生了滑坡事故。
工程师们使用土壤力学的方法对该边坡进行了稳定性分析。
通过采集土壤样本进行室内试验,并结合现场地质勘测数据,工程师们计算出边坡的抗剪强度和安全系数。
根据分析结果,工程师们采取了合理的加固措施,包括增加排水系统和加固土体。
这些措施成功地提高了边坡的稳定性,确保了公路的安全运行。
案例三:地基处理和沉降控制在一个大型工业项目的场地上,存在着土壤承载力不足和大量沉降的问题。
工程师们进行了土壤力学测试,并采取了相应的地基处理措施。
他们选择了加固地基和采用沉降控制技术。
通过合理地选择加固材料、优化施工工艺以及进行严密的监测,工程师们成功地解决了土壤承载力和沉降问题,确保了工业项目的可持续发展。
案例四:地震响应分析当地发生了一次大地震后,某座桥梁的结构安全性备受关注。
工程师们进行了地震响应分析,运用土壤动力学理论来研究土壤与结构物之间的相互作用。
通过数值模拟和实测振动数据对比,工程师们评估了桥梁结构的抗震性能,并提出了相应的加固建议。
这些建议帮助工程师们改善了桥梁的抗震能力,提高了公众的安全感。
结论通过以上案例研究,我们可以看到土壤力学在工程实践中的重要作用。
从基础设计到边坡稳定性分析,再到地基处理和地震响应分析,土壤力学为工程师们提供了科学的依据和方法。
它不仅保障了工程的安全性和可靠性,也使我们能够更好地理解土地与结构物之间的相互作用。
土力学与地基基础课程设计学院:专业班级:题目:刚性扩大基础姓名:学号:本课程设计取材于广东省龙川县东江大桥实例工程。
#1、#6墩要求采用明挖扩大基础,#3、#4墩采用钻孔桩基础。
两种基础类型各自验算一种类型(各自选定一个有控制的墩进行计算),其他墩基础可参照计算结果按构造尺寸要求绘图即可,不作具体计算。
设计资料1.上部构造:16m跨为钢筋混凝土T型梁,25m为装配式预应力钢筋混凝土T型梁标准跨径:16m与25m(相邻墩台中线间距)大梁全长:15.96m与24.96m(梁伸缩缝宽4cm)计算跨径:15.40m与24.30m(支座中心距)桥南宽度:行车道9m,人行道2 1.5m2.支座:活动支座采用四氟滑橡胶支座,摩阻系数μ=0.15,支座布置见附图3.设计荷载:公路Ⅱ级,人群3.5KN/m4.桥墩形式:均采用双柱式加悬挑臂盖梁墩帽(墩帽见附图)5.桥墩材料:盖梁C25钢筋混凝土,容重γ=25KN/2m,墩身C20钢筋混凝土,容重γ=25KN/2m6.水文地质资料见附图7.风压:基本风压W3=0.6Kpa8.其它:本桥基本上为跨线桥,广岸跨越小铁路,梅岸跨越定南至老隆公路,二都河为季节性河流,不通航,不考虑漂浮物9.有关设计参考图两张1号墩明挖刚性扩大基础一、 基础尺寸的拟定 1.最大刚性角确定桥墩及基础和拟定的尺寸如图,基础分三层,每层厚度为0.50m ,襟边和台阶宽度相等,为0.4m 。
基础用C25混凝土,混凝土的刚性角max 40α=。
现基础扩散角为 α=1tan -120150=38.66<max 40α=满足要求。
2.确定埋置深度#1号墩所处位置河流最大冲刷深度为0m ,故基底埋深安全值为min h =1.5m 。
此处为了保护基础不受人为活动等原因而破坏,可取h=2.5m 。
3.拟定平面尺寸长度(横桥向) 2tan 7802150tan38.661020a l H cm α=+=+⨯⨯= 宽度(顺桥向)2tan 1802150tan38.66420b d H cm α=+=+⨯⨯=二、作用效应计算 1.永久作用上部构造恒载反力及桥墩墩身、基础上土重计算。
土力学与地基基础设计实例《土力学与地基基础》课程设计第一部分墙下条形基础课程设计一、墙下条形基础课程设计任务书(一)设计题目某教学楼采用毛石条形基础,教学楼建筑平面如图4-1所示,试设计该基础。
(二)设计资料⑴工程地质条件如图4-2所示。
2KN/m 88=k f⑵室外设计地面-0.6m⑶由上部结构传至基础顶面的竖向力值分别为外纵墙∑F 1K =558.57kN ,山墙∑F 2K =168.61kN ,内横墙∑F 3K =162.68kN ,内纵墙∑F 4K =1533.15kN 。
⑷基础采用M5水泥砂浆砌毛石,标准冻深为1.2m 。
(三)设计内容⑴荷载计算 (包括选计算单元、确定其宽度)。
⑵确定基础埋置深度。
⑶确定地基承载力特征值。
⑷确定基础的宽度和剖面尺寸。
⑸软弱下卧层强度验算。
⑹绘制施工图(平面图、详图)。
(四)设计要求⑴计算书要求 书写工整、数字准确、图文并茂。
⑵制图要求 所有图线、图例尺寸和标注方法均应符合新的制图标准,图纸上所有汉字和数字均应书写端正、排列整齐、笔画清晰,中文书写为仿宋字。
⑶设计时间 三天。
二、墙下条形基础课程设计指导书(一)荷载计算1.选定计算单元 对有门窗洞口的墙体,取洞口间墙体为计算单元;对无门窗洞口的墙体,则可取1m 为计算单元(在计算书上应表示出来)。
2.荷载计算 计算每个计算单元上的竖向力值(已知竖向力值除以计算单元宽度)。
(二)确定基础埋置深度dGB50007-2002规定d min =Z d -h max 或经验确定d min =Z 0+(100~200)mm 。
式中 Z d ——设计冻深,Z d = Z 0·ψzs ·ψzw ·ψze ;Z 0——标准冻深;ψzs ——土的类别对冻深的影响系数,按规范中表5.1.7-1;ψzw ——土的冻胀性对冻深的影响系数,按规范中表5.1.7-2;ψze ——环境对冻深的影响系数,按规范中表5.1.7-3;(三)确定地基承载力特征值f a)5.0()3(m d b ak a -+-+=d b f f γηγη式中 f a ——修正后的地基承载力特征值(kPa );f ak ——地基承载力特征值(已知)(kPa);ηb 、ηb ——基础宽度和埋深的地基承载力修正系数(已知);γ——基础底面以下土的重度,地下水位以下取浮重度(kN/m 3);γm ——基础底面以上土的加权平均重度,地下水位以下取浮重度(kN/m 3);b ——基础底面宽度(m ),当小于3m 按3m 取值,大于6m 按6m 取值;d ——基础埋置深度(m )。
(四)确定基础的宽度、高度b ≥hf F ⨯-γa k H 0≥[]0220/tan 2H b b b b =-α 式中 F k ——相应于荷载效应标准组合时,上部结构传至基础顶面的竖向力值(kN )。
当为柱下独立基础时,轴向力算至基础顶面,当为墙下条形基础时,取1m 长度内的轴向力(kN/m )算至室内地面标高处;γ——基础及基础上的土重的平均重度,取γ=20 kN/m 3;当有地下水时, 取γ'=20-9.8=10.2 kN/m 3; h ——计算基础自重及基础上的土自重G K 时的平均高度(m )。
b 2——基础台阶宽度(m);H 0——基础高度(m)。
(五)软弱下卧层强度验算如果在地基土持力层以下的压缩层范围内存在软弱下卧层,则需按下式验算下卧层顶面的地基强度,即cz z p p + ≤az f式中 p z ——相应于荷载效应标准组合时,软弱下卧层顶面处的附加应力值(kP a );p cz ——软弱下卧层顶面处土的自重压力标准值(kP a );f az ——软弱下卧层顶面处经深度修正后的地基承载力特征值(kP a )。
(六)绘制施工图(2号图纸一张)合理确定绘图比例(平面图1:100、详图1:20~1:30)、图幅布置;符合《建筑制图标准》。
三、参考文献1.中华人民共和国国家标准.建筑地基基础设计规范(GB 50007-2002). 北京:中国建筑工业出版社,20022.孙维东主编. 土力学与地基基础. 北京:机械工业出版社,20033.中华人民共和国国家标准. 砌体结构设计规范(GB50003-2001). 北京:中国建筑工业出版社,20024.沈克仁主编. 地基与基础. 中国建筑工业出版社,1993四、设计实例1.设计题目某四层教学楼,平面布置图如图4-1所示。
梁L-1截面尺寸为200mm×500mm,伸入墙内240 mm,梁间距为3.3 m,外墙及山墙的厚度为370 mm,双面粉刷,本教学楼的基础采用毛石条形基础,标准冻深为1.2m。
由上部结构传至基础顶面的竖向力值分别为外纵墙∑F1K=558.57kN,山墙∑F2K=168.61kN,内横墙∑F3K=162.68kN,内纵墙∑F4K=1533.15kN。
2.工程地质情况该地区地形平坦,经地质勘察工程地质情况如图4-2所示,地下水位在天然地表下8.5m,水质良好,无侵蚀性。
3.基础设计⑴荷载计算1)选定计算单元取房屋中有代表性的一段作为计算单元。
如图4-3所示。
外纵墙:取两窗中心间的墙体。
内纵墙:取①—②轴线之间两门中心间的墙体。
山墙、横墙:分别取1 m宽墙体。
2)荷载计算 外纵墙:取两窗中心线间的距离3.3 m 为计算单元宽度则m /kN 26.169kN/m 3.357.5583.31k 1k ==∑=F F 山墙:取1 m 为计算单元宽度则m /kN 61.168m /kN 161.16812k 2k ==∑=F F 内横墙:取1 m 为计算单元宽度则m /kN 68.162m /kN 168.16213k 3k ==∑=F F 内纵墙:取两门中心线间的距离8.26m 为计算单元宽度则m /kN 61.185m /kN .26815.1533.2684k 4k ==∑=F F ⑵确定基础的埋置深度dd =Z 0+200 =(1200 +200)mm=1400 mm⑶确定地基承载特征值f a假设b <3m ,因d =1.4m >0.5m 故只需对地基承载力特征值进行深度修正 33m m /kN 29.17m /kN 0.90.59.0185.016=+⨯+⨯=γ()[]22m d ak a m /kN 89.220m /kN 5.04.129.176.1196)5.0(=-⨯⨯+=-+=d f f γη⑷确定基础的宽度、高度1)基础宽度外纵墙:b 1≥m 877.0m 4.12089.22026.169a 1k =⨯-=⨯-h f F γ 山墙:b 2≥m 874.0m 4.12089.22061.168a 2k =⨯-=⨯-h f F γ 内横墙:b 3≥m 843.0m 4.12089.22068.162a 3k =⨯-=⨯-h f F γ 内纵墙:b 4≥m 962.0m 4.12089.22061.185a 4k =⨯-=⨯-h f F γ 故取b =1.2m <3m ,符合假设条件。
2)基础高度基础采用毛石,M5水泥砂浆砌筑。
内横墙和内纵墙基础采用三层毛石,则每层台阶的宽度为 0.16m m 31224.022.12=⨯⎪⎭⎫ ⎝⎛-=b (符合构造要求) 查GB50007-2002允许台阶宽高比[b 2/H 0=1/1.5],则每层台阶的高度为H 0≥[]m 24.0m 5.1/116.0/022==H b b 综合构造要求,取H 0=0. 4m 。
最上一层台阶顶面距室外设计地坪为(1. 4-0. 4×3)m = 0.2m >0.1m故符合构造要求。
(如图4-4所示)外纵墙和山墙基础仍采用三层毛石,每层台阶高0. 4m ,则每层台阶的允许宽度为b ≤[][]0.267m m 4.05.1/1/002==H H b又因单侧三层台阶的总宽度为(1.2-0.37)m /2=0.415 m 故取三层台阶的宽度分别为0.115 m 、0.15 m 、0.15 m ,均小于0.2m (符合构造要求)最上一层台阶顶面距室外设计地坪为(1.4-0.4×3)m = 0.2m >0.1m 符合构造要求。
(如图4-5所示)⑸软弱下卧层强度验算1)基底处附加压力 取内纵墙的竖向压力计算22m k k c k 0158.47kN/m m /kN )4.129.1712.14.112.12061.185(=⨯-⨯⨯⨯⨯+=-+=-=d AG F p p p γ 2)下卧层顶面处附加压力因Z /b =4.1/1.2=3.4>0.5,E s1/E s2=10/2=5 故由GB50007-2002中表5.2.7查得θ=25°则220z m /kN 85.37m /kN tan254.121.2158.472.1tan 2=⨯⨯+⨯=+= θz b bp p 3)下卧层顶面处自重压力22cz 98kN/m 5)kN/m 185.016(=⨯+⨯=p4)下卧层顶面处修正后的地基承载力特征值 33m m /kN 82.17m /kN 50.55185.016=+⨯+⨯=γ()()[]22m d ak az kN/m 1.177m /kN 5.055.082.170.1885.0=-+⨯⨯+=-++=z d f f γη5)验算下卧层的强度22kN/m 85.135kN/m )9885.37(=+=+cz z p p <az f =177.1kN/m 2 符合要求。
⑹绘制施工图 如图4-6所示。
第二部分柱下钢筋混凝土独立基础设计一、柱下钢筋混凝土独立基础设计任务书(一)设计题目某教学楼为四层钢筋混凝土框架结构,采用柱下独立基础,柱网布置如图4-7所示,试设计该基础。
(二)设计资料⑴工程地质条件该地区地势平坦,无相邻建筑物,经地质勘察:持力层为粘性土,土的天然重度为18 kN/m3,地基承载力特征值f ak=230kN/m2,地下水位在-7.5m处,无侵蚀性,标准冻深为1.0m(根据地区而定)。
⑵给定参数柱截面尺寸为350mm×500mm,在基础顶面处的相应于荷载效应标准组合,由上部结构传来轴心荷载为680kN,弯矩值为80kN·m,水平荷载为10kN。
⑶材料选用混凝土:采用C20(可以调整)(f t=1.1N/mm2)钢筋:采用HPB235(可以调整)(f y=210 N/mm2)(三)设计内容⑴确定基础埋置深度⑵确定地基承载力特征值⑶确定基础的底面尺寸⑷确定基础的高度⑸基础底板配筋计算⑹绘制施工图(平面图、详图)(四)设计要求⑴计算书要求书写工整、数字准确、图文并茂。
⑵制图要求所有图线、图例尺寸和标注方法均应符合新的制图标准,图纸上所有汉字和数字均应书写端正、排列整齐、笔画清晰,中文书写为仿宋字。