抗风倾覆稳定性计算书(幕墙和广告牌立柱、地脚螺栓、地基等抗倾覆稳定性计算大全)
- 格式:pdf
- 大小:481.50 KB
- 文档页数:13
抗风倾覆稳定性计算书(幕墙和广告牌立柱、地脚螺栓、地基等抗倾覆稳定性计算大全)抗风倾覆稳定性计算书案例一:广告牌计算书SAP2000案例二:广告牌计算书PKPM-STS案例三:单柱或多柱广告塔主要结构造型计算附件一:螺栓强度核算表附件二:基础抗风稳定性简易计算附件三:广告牌地脚螺栓强度简易核算广告牌计算书SAP2000一、工程概况本工程为一广告牌,该广告牌为立体桁架组成的结构体系,桁架采用角钢连接。
二、设计所依据的规范1、户外广告设施钢结构技术规程(CECS148-2003)2、建筑结构荷载规范(GB50009-2001)3、钢结构设计规范(GB50017-2003)4、钢结构高强度螺栓连接的设计、施工及验收规程(JGJ82-91)三、荷载情况1、恒载:结构自重程序自动计入2、活载:0.35kN/m23、基本雪压:0.3kN/m24、基本风压:Wo=0.35kN/m,地面粗糙度:C类。
5、抗震设防烈度:8度,设计基本地震加速度:0.20g,设计地震分组:第三组6、水平地震影响系数最大值:0.167、建筑物场地类别:Ⅱ类,特征周期值:0.35s,结构阻尼比:0.058、抗震等级:三级。
四、总体结构布置形式1、喷绘图案广告位高度h=4.68m2、广告牌高H=5m3、广告牌全长L=30m五、风荷载计算1、基本风压ω0=0.35KN/m22、标准风压ω=β×K×Kz×ω0=0.77KN/m2其中:风振系数β=2.3;体型系数K=1.3;风压高度变化系数Kz=0.74六、计算过程1、SAP2000整体模型:2、SAP2000计算喷绘广告位每个柱脚迎风面一根(即轴2处,其他轴线处均等于或小于该轴线)方钢管最大弯矩、剪力、挠度:由分析可得:最大剪力为32.362KN;最大弯矩为M J=14.9655KN·M;最大挠度为7.86mm由于喷绘广告位每个柱脚背风面方钢管弯矩、剪力、挠度均小于每个柱脚迎风面方钢管弯矩、剪力、挠度,所以此处不再示明。
抗滑稳定和抗倾覆稳定验算
抗滑稳定验算公式:
Ks=抗滑力/滑动力=(W+Pay)μ/Pa x≥1.3
Ks---抗滑稳定安全系数
Pax---主动土压力的水平分力,KN/m;
Pay---主动土压力的竖向分力,KN/m;
μ---基地摩擦系数,有试验测定或参考下表
土的类别摩擦系数μ
可塑 0.25~0.30
粘性土硬塑 0.30~0.35
坚塑 0.35~0.45
粉土 Sr≤0.5 0.30~0.40
中砂、粗砂、砾砂 0.40~0.50
碎石土 0.40~0.60
软质岩石 0.40~0.60
表面粗糙的硬质岩石 0.65~0.75
对于易风化的软质岩石,Ip>22的粘性土,μ值应通过试验确定。
抗倾覆稳定验算公式
Kt=抗倾覆力矩/倾覆力矩=(W*a+Pay*b)/Pax*h≥1.5
Kt---抗倾覆稳定安全系数;
a、b、h---分别为W、Pax、Pay对O点的力臂,单位m.
简单土坡稳定计算
1、无粘性土简单土坡
稳定安全系数
K=抗滑力/滑动力=tgф/tgθ
ф—为内摩擦角;θ—土坡坡角。
说明无粘性土简单土坡稳定安全系数K,只与内摩擦角ф和土坡坡角θ有关,与坡高H无关。
同一种土,坡高H大时,坡度允许值要小,即坡度平缓,坡度允许值中已包含安全系数在内。
2、粘性土简单土坡
粘性土简单土坡较复杂,其稳定坡角θ,是粘性土的性质指标c、γ、ф与土坡高度H的函数,通常根据计算结果制成图表,便于应用。
通常以土坡坡角θ为横坐标,以稳定数N=c/(γ*H)为纵坐标,并以常用内摩擦角ф值系列曲线,组合成粘性土简单土坡计算图。
挡土墙抗倾覆稳定性验算例题假设挡土墙的高度为6米,墙后填土的重度为18kN/m³,填土面与墙面摩擦角为30度,水平地震分析加速度为0.15g,垂直地震分析加速度为0.1g。
现在来计算挡土墙的抗倾覆稳定性。
步骤如下:1.计算填土的横向作用力填土的横向作用力 = 填土重度 x 墙高 x 墙宽= 18 kN/m³ x 6m x 1m= 108 kN/m2.计算填土与墙面之间的摩擦力填土与墙面之间的摩擦力 = 填土的横向作用力 x 摩擦系数= 108kN/m x tan(30度)= 62.4 kN/m3.计算水平方向的地震作用力水平方向的地震作用力 = 0.15g x 1g x 填土重度 x 墙高 x 墙宽= 0.15 x 1 x 18 kN/m³ x 6m x 1m= 16.2 kN/m4.计算垂直方向的地震作用力垂直方向的地震作用力 = 0.1g x 1g x 填土重度 x 墙高 x 墙宽= 0.1 x 1 x 18 kN/m³ x 6m x 1m= 10.8 kN/m5.计算倾覆力矩倾覆力矩 = 填土的横向作用力 x 墙高/2 + 填土与墙面之间的摩擦力 x 墙高/3+ 水平方向的地震作用力 x 墙高/3 + 垂直方向的地震作用力 x 墙高/3 = 108 kN/m × 6m/2 + 62.4 kN/m × 6m/3 + 16.2 kN/m × 6m/3 + 10.8 kN/m × 6m/3= 876.6 kN·m6.计算抗倾覆稳定系数抗倾覆稳定系数 = 倾覆力矩 / 抵抗倾覆力矩= 倾覆力矩 / (填土的横向作用力 x 墙高/2)= 876.6 kN·m / (108 kN/m × 6m/2)= 2.04因此,挡土墙的抗倾覆稳定系数为2.04,满足抗倾覆的要求。
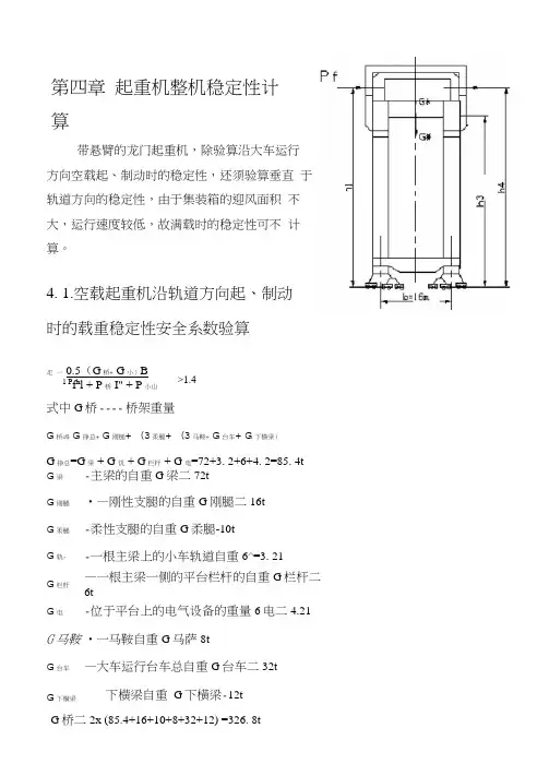
带悬臂的龙门起重机,除验算沿大车运行 方向空载起、制动时的稳定性,还须验算垂直 于轨道方向的稳定性,由于集装箱的迎风面积 不大,运行速度较低,故满载时的稳定性可不 计算。
4. 1.空载起重机沿轨道方向起、制动 时的载重稳定性安全系数验算疋 一0.5(G 桥+ G 小)B 1 P f hl + P 桥 I" + P 小山式中G 桥 ---- 桥架重量G 桥=% G 挣总+ G 刚槌+ (3柔腿+ (3马鞍+ G 台车+ G 下橫梁)G 挣总=G 梁 + G 饥 + G 栏杆 + G 电=72+3. 2+6+4. 2=85. 4tG 梁-主梁的自重G 梁二72t G 刚腿 •—刚性支腿的自重G 刚腿二16t G 柔腿 -柔性支腿的自重G 柔腿-10tG 轨- -一根主梁上的小车轨道自重6^=3. 21 G 栏杆 —一根主梁一侧的平台栏杆的自重G 栏杆二6tG 电-位于平台上的电气设备的重量6电二4.21G 马鞍 •一马鞍自重G 马萨8tG 台车 —大车运行台车总自重G 台车二32tG 下横梁下横梁自重 G 下橫梁-12tG 桥二2x (85.4+16+10+8+32+12) =326. 8t第四章 起重机整机稳定性计 算>1.4P f一一作用在桥架和小车上的工作状态最大风力。
计算风力时,前面一排的主梁,马鞍、支腿、下横梁及大车轮组遮挡后面一排主梁、马鞍、支腿、下横梁及大车轮组。
故后面一排受风面积应减小,减小程度用折算系数〃表示。
风力计算公式分别为:PfiM = LCK h q n FP f^ = ZCK h q n/7F P^^XCK^nF Pf •后=SCK h q ir/7F 式中p,一一作用在桥架与小车上的非工作状态的最大风力; C 风力系数c=l. 6K h一一风压高度变化系数K h=l计算非工作风压时,K h=l. 13 q n一一第II类载荷的风压值q n =250Pa q m一一第II【类载荷的风压值q m=250Pa n-一折算系数,根据b/h值查<起重机金属结构〉hl一一桥架与小车挡风面积形心高度工作状态最大风力P f及非工作状态最大风力P' f和其相应的迎风面和形心至大车运行轨顶的高度h,计算如表:下横梁12.8 3.6 0. 48 1. 80 1. 73 6.48 小车 16 21 0. 64 2. 31 13. 44 48.51 司机室 1 17 0. 16 0. 58 2. 72 9.86 大车车轮组20. 50. 080. 290. 040. 145求各部件迎风面积及形心至大车运行轨顶的高度时,分别参照符图从表1-1的值 如下:LP f h 1 = 105. 84+7. 61+11. 12+2. 50+1. 73+13. 44+2. 72+0. 04=145t/m ZP f h ;=382. 60+27. 45+40+8. 92+6. 48+48. 51+9. 86+0. 145=523. 965t/m P 桥一一起重机运行起、制动时引起桥架水平惯性力式中t 制一一起重机制动时间,t 制二7秒 在计算稳定性时,取紧急制动时间,t ih =3. 5秒h3一一桥架重心高度由于G 桥=2(务总+ G 刚腿+ G 柔腿4- G 马鞍+ G 台车+ G 下横梁)故P 桥xh3值列表中名称重量G (t)重心高 度 h3 (m)惯性力P 桥(t) 力矩P 桥xh3(t/m) 2G 静总 170.8 21 4. 15 87. 15 2G 刚 32 15 0. 78 11.7 2G 柔 20 16 0. 19 7. 84 2G 马鞍 16 23 0. 39 8. 97 2G 台车 64 1.6 1. 56 2.5 2G 下横梁243.60. 582. 09P xl“ P xhs =87. 15+11. 7+7. 84 +8. 97+2. 5+2. 09=120. 25t/mP 小一一起重机运行启动,制动时引起的小车水平惯性力=0.0243G 侨9.81 60x3.5卩厂趕“。
目录计算依据:................................................................................................................................................ - 1 -1、工程概况.............................................................................................................................................. - 1 -2、2.5m围挡设计计算书......................................................................................................................... - 1 -2.1荷载计算..................................................................................................................................... - 2 -2.2建立模型..................................................................................................................................... - 3 -2.3稳定性计算................................................................................................................................. - 3 -2.3.1立柱抗弯压强度计算..................................................................................................... - 4 -2.3.2立柱抗剪强度计算......................................................................................................... - 4 -2.3.3嵌固端抵抗弯矩计算..................................................................................................... - 4 -3、6m围挡设计计算书............................................................................................................................. - 4 -3.1荷载计算..................................................................................................................................... - 5 -3.2建立模型..................................................................................................................................... - 6 -3.3稳定性计算................................................................................................................................. - 7 -3.3.1A114×3钢管受力验算 .................................................................................................. - 7 -3.3.2角钢强度计算................................................................................................................. - 8 -3.3.3基础抗倾覆计算............................................................................................................. - 8 -3.3.3焊缝验算....................................................................................................................... - 10 -3.3.4基础验算....................................................................................................................... - 10 -4、8m围挡设计计算书........................................................................................................................... - 13 -4.1荷载计算................................................................................................................................... - 13 -4.2建立模型................................................................................................................................... - 14 -4.3稳定性计算............................................................................................................................... - 16 -4.3.1A114×3钢管强度验算 ................................................................................................ - 16 -4.3.2A48×3钢管验算 .......................................................................................................... - 17 -4.3.3L40×3角钢验算........................................................................................................... - 17 -4.3.4焊缝验算....................................................................................................................... - 18 -4.3.5基础抗倾翻验算........................................................................................................... - 20 -4.3.6基础验算....................................................................................................................... - 21 -5、12m围挡设计计算书......................................................................................................................... - 23 -5.1荷载计算................................................................................................................................... - 24 -5.2建立模型................................................................................................................................... - 25 -5.3稳定性计算............................................................................................................................... - 26 -5.3.1A114×3钢管验算 ........................................................................................................ - 26 -5.3.2A80×3钢管验算 .......................................................................................................... - 27 -5.3.3L63×5角钢验算........................................................................................................... - 27 -5.3.4焊缝计算....................................................................................................................... - 28 -5.3.5基础抗倾翻计算........................................................................................................... - 30 -5.3.6基础计算....................................................................................................................... - 31 -围挡稳定性计算书计算依据:(1)建筑结构设计统一标准 GB20068-2011(2)建筑结构荷载规范 GB50009-2012(3)建筑抗震设计规范 GB50011-2010(4)钢结构设计规范 GB50017-2017(5)冷弯薄壁型钢结构设计规范 GB50018-2002(6)钢结构工程施工质量验收规范 GB50205-2001(7)建筑钢结构焊接与验收规程 JGJ81-2002(8)混凝土结构设计规范 GB50010-2010(9)建筑地基基础设计规范 GB50007-2011(10)户外广告设施钢结构技术规程CECS148:20031、工程概况本工程为浙江省台州市玉环市,地处中国东南,距离东海海岸线直线最近距离为25km,查荷载规范知玉环市10年和50年遇基本风压分别为0.7kN/㎡、1.2kN/㎡,故本工程取1.0kN/㎡。
板式基础计算倾覆稳定(上图为软件界面)计算倾覆稳定时,在上图红色图框部分,勾选“计算倾覆稳定”。
以下为勾选“计算倾覆稳定”后的计算书。
送电线路杆塔基础设计计算书项目名称:B_(1)基础类型:1.板式台阶计算时间:2014-09-24 09:06:08软件版本:2015计算标准:《架空送电线路基础设计技术规定》DL/T 5219-2005---------------------------------------------------------------------一、设计条件1.地质参数:土层数量: 3 土壤基面: 0.00 m1 层厚度: 2.00 m; 土壤重度: 16.000 kN/m^3; 土壤浮重度: 10.000 kN/m^3宽度修正参数:0.500 深度修正参数:1.200 临界深度:2.00地基承载力: 150 kPa; 计算上拔角: 20 °2 层厚度: 1.60 m; 土壤重度: 16.000 kN/m^3; 土壤浮重度: 10.000 kN/m^3宽度修正参数:2.000 深度修正参数:3.000 临界深度:3.00地基承载力: 160 kPa; 计算上拔角: 26 °3 层厚度: 5.00 m; 土壤重度: 16.000 kN/m^3; 土壤浮重度: 10.000 kN/m^3宽度修正参数:0.500 深度修正参数:1.200 临界深度:2.00地基承载力: 150 kPa; 计算上拔角: 20 °2.地下水,用于重度和浮重度取值:无地下水或不考虑地下水影响3.基本参数:主柱混凝土等级: C20 底板混凝土等级: C20主柱钢筋等级: HRB335 底板钢筋等级: HRB335混凝土重度: 22.0 kN/m^3 钢筋混凝土重度: 24.0 kN/m^3混凝土浮重度: 12.0 kN/m^3 钢筋混凝土浮重度: 14.0 kN/m^3杆塔正面基础根开: 5703 mm 杆塔侧面基础根开: 5703 mm基础附加分项系数:基础上拔稳定系数K2 = 1.60 倾覆稳定K3 = 1.60---------------------------------------------------------------------二、A;D腿(基础类型:1.板式台阶)1.基础作用力(力单位:kN 力矩单位:kN.m)(1) 下压力基础作用力: Fz = 1152.000; Fx = 151.720; Fy = 131.550; Mx = 0.000; My = 0.000(2) 上拔力基础作用力: Fz = -691.200; Fx = 91.032; Fy = 78.930; Mx = 0.000; My = 0.0002、基础尺寸设计基础埋深: 3.400 m 底板宽度: 3.200 m 混凝土体积= 5.124 m^3 台阶数: 2主柱宽度= 0.60 m 主柱高度= 3.00 m 露头高度= 0.20 m 露头体积= 0.072 m^3第1 阶: 上端宽度= 1.80 m 台阶高度= 0.30 m 下端宽度= 1.80 m第2 阶: 上端宽度= 3.20 m 台阶高度= 0.30 m 下端宽度= 3.20 m主柱配筋: 数量= 20 直径= 28 mm基础底板配筋:第1 阶:上端数量= 24 上端直径= 12 mm 下端数量= 0 下端直径= 0 mm第2 阶:上端数量= 24 上端直径= 12 mm 下端数量= 24 下端直径= 12 mm3、基础构造校核:基础构造校核--------------------通过4、基础稳定计算4.1 上拔稳定计算按土重法计算: [T] = 0.99 * 16.000 * 1.0 *(71.19 - 0.42 -1.98 ) + 122.976 = 1212.908 kN其中:ht = 3.100 m hc = 7.718 mTe ×γf = 691.200 ×1.600 = 1105.920 小于[T] = 1212.908 kN--------------------通过(91.18%)上拔倾覆稳定计算:基础自重和基础上方土重: 1212.908 kN倾覆力矩Mx: 2224.109 kN.m 倾覆力矩My: 2293.816 kN.m极限倾覆力矩: 2328.782 kN.m极限倾覆力矩大于倾覆力矩,倾覆稳定计算校核--------------------通过4.2 下压稳定计算基础上方土重量Wt = 16.0 * (3.40 * 3.20 * 3.20 - 5.052) = 476.224 kN [按无地下水考虑]fa/γrf = [160.0 + 2.00 * 16.00 * (3.20-3) + 3.00 * 16.00 * (3.40-0.5)]/0.75 = 407.467 kPaP = [F + γG * (Qf + Wt)]/A = [1152.000 + 1.2 * (122.976 + 476.224)]/10.240 = 182.719 kPaP <= fa/ γrf 基础下压计算校核--------------------通过(44.84%)Pmin = P - (Mx/Wy + My/Wx) = 182.719 - ( 473.580/5.461 + 546.192/5.461)= -4.007 kPaPmax = 0.35 * (F + G) / (Cx * Cy) = 371.693 kPa 1.2 x fa / γrf = 488.960 kPaPmax <= 1.2 * fa/ γrf 基础下压计算校核--------------------通过(76.02%)4.3 下压倾覆稳定计算:基础上方土重量Wt = 16.0 * (3.40 * 3.20 * 3.20 - 5.052) = 476.224 kN [按有地下水考虑]外力:MX= 0.00 kN.m MY= 0.00 kN.m Fx = 151.72kN Fy = 131.55kN 倾覆稳定系数:K3 = 1.60 基础自重Qf: 122.976 kN 永久荷载分项系数drG: 1.20 底板宽度b = 3.20m 基础全高h = 3.60m 基础总重dG = (Qf + G0) * drG = 719.04kN 极限抗倾覆力矩= dG * (b / 2) = 719.04 * 1.60 = 1150.464 kN.m绕x轴倾覆力矩Mx = (Fy * h + MX - Fz * b/2)*K3 = -2191.392 kN.m绕y轴倾覆力矩My = (Fx * h + MY - Fz * b/2)*K3 = -2075.213 kN.m极限抗倾覆力矩(1150.464 kN.m) > Mx(-2191.392 kN.m),计算校核--------------------通过(-190.48%)极限抗倾覆力矩(1150.464 kN.m) > My(-2075.213 kN.m),计算校核--------------------通过(-190.48%)4.4 基础底板正截面承载力计算基础下压力: Fz = 1152.000 kN, Fx = 151.720 kN, Fy = 131.550 kN4.4.1 主柱与底板交接处冲切承载力计算Fx = 151.720 Fy = 131.550 Fz = 1152.000 Mx = 473.580 kN.m My = 546.192 kN.mPmax = 215.042kPa Pmin = 15.021kPa Pc = 198.374kPaPmin = 15.021 kPa h0 = 0.53 mF1 = 0.5 × (Pmax + Pc ) * Ac = 0.5 × (215.042 + 198.374)×1.8711 = 386.771 kN[F]= 0.7 × 0.9 × 1.130 × 0.530 × 1100.000 = 415.038 kNF1 <= [F] --------------------通过4.4.2 第1阶台阶变阶处冲切承载力计算Fx = 151.720 Fy = 131.550 Fz = 1152.000 Mx = 473.580 kN.m My = 546.192 kN.mPmax = 217.320kPa Pmin = 17.299kPa Pc = 208.986kPaPmin = 17.299 kPa h0 = 0.23 mF1 = 0.5 × (Pmax + Pc ) * Ac = 0.5 × (217.320 + 208.986)×1.2831 = 273.497 kN[F]= 0.7 × 0.9 × 2.030 × 0.230 × 1100.000 = 323.562 kNF1 <= [F] --------------------通过基础上拔力: Fz = -691.200 kN, Fx = 91.032 kN, Fy = 78.930 kN4.4.3 主柱剪切承载力计算Fx = 91.032 Fy = 78.930 Fz = 691.200 Mx = 284.148 kN.m My = 327.715 kN.mPmax = 130.040kPa Pmin = 9.879kPa Pc = 81.225kPaPmin = 9.879 kPa h0 = 0.530 m b0 = 1.800 mV = 0.5 × (Pmax + Pc ) * Ac = 0.5 × (130.040 + 81.225)×2.4700 = 260.912 kN[V]= 0.6 × 1.800 × 0.530 × 1100 = 629.640 kNV < [V]--------------------通过4.4.4 第1阶台阶剪切承载力计算Fx = 91.032 Fy = 78.930 Fz = 691.200 Mx = 284.148 kN.m My = 327.715 kN.mPmax = 165.425kPa Pmin = 32.061kPa Pc = 136.252kPaPmin = 32.061 kPa h0 = 0.230 m b0 = 3.200 mV = 0.5 × (Pmax + Pc ) * Ac = 0.5 × (165.425 + 136.252)×1.7500 = 263.967 kN[V]= 0.6 × 3.200 × 0.230 × 1100 = 485.760 kNV < [V]--------------------通过5、基柱计算5.1 矩形主柱正截面承载力轴力Fz = 1152.000 kN, 弯矩Mx = 394.650 kN.m 弯矩My = 455.160 kN.m轴力Fz = -691.200 kN, 弯矩Mx = 236.790 kN.m 弯矩My = 273.096 kN.m计算配筋总面积= 108.01 cm^2平行X两侧计算配筋面积= 63.29 cm^2 配筋率= 1.758 %平行Y两侧计算配筋面积= 69.36 cm^2 配筋率= 1.927 %配筋率要求配筋面积= 11.88 cm^2平行X两侧计算配筋面积= 5.94 cm^2 配筋率= 0.165 %平行Y两侧计算配筋面积= 5.94 cm^2 配筋率= 0.165 %实际配筋总面积= 123.15 cm^2 实际配筋率= 3.421 %平行X两侧实际配筋面积= 73.89 cm^2 实际配筋率= 2.053%平行Y两侧实际配筋面积= 73.89 cm^2 实际配筋率= 2.053%正截面承载力校核--------------------通过5.2 主柱斜截面承载力计算双肢箍筋截面面积Asv = 2 * (M_PI * (d * d)/ 4 ) = 100.53 mm^2 h0 = 0.550 mV = 220.890 kN 小于Vcs = 357.773 kN--------------------通过V = 132.534 kN 小于Vcs = 357.773 kN--------------------通过6、台阶和底板配筋计算6.1 校核1阶台阶配筋面积单侧实际配筋面积: 27.14 cm^2 > 单侧所需最小配筋面积: 26.81 cm^2 ----------通过实际配筋面积: 27.14 cm^2 > 配筋率要求配筋面积: 10.80 cm^2----------通过6.2 校核底板配筋面积单侧实际配筋面积: 27.14 cm^2 > 单侧所需最小配筋面积: 26.27 cm^2 ----------通过实际配筋面积: 27.14 cm^2 > 配筋率要求配筋面积: 19.20 cm^2----------通过7、地脚螺栓计算标准[DL/T5219-2005 9.8.1]地脚螺栓直径地脚螺栓的间距地脚螺栓个数强度设计值箍筋直径锚固长度M56 320 4 160 14 1400最大上拔力691.20 kN < 1299.21 kN(净截面积2030.02 * 强度设计值160 * 根数4 * 1e-3) ------ 满足要求!-----------------计算完成-------------------后的计算书。
结构抗倾覆验算及稳定系数计算【摘要】结构的整体倾覆验算直接关系到结构的整体安全,是结构设计中一个重要的整体指标,本文就结构抗倾覆验算、抗倾覆稳定系数以及工程中应注意的事项进行阐述。
【关键词】整体倾覆验算;抗倾覆稳定系数一、当高层、超高层建筑高宽比较大,水平风、地震作用较大,地基刚度较弱时,结构整体倾覆验算很重要,它直接关系到结构安全度的控制。
2009年6月27日发生在上海闵行区的13层在建楼房整体倒塌事件就是一个典型的事故案例。
《高层建筑混凝土结构技术规程》JGJ3-2010(以下简称《高规》),《建筑抗震设计规范》GB50011-2010(以下简称《抗规》),《建筑地基基础设计规范》GB50007-2011(以下简称《地基规范》),《高层建筑筏形与箱形基础技术规范》JGJ6-2011(以下简称《箱基规范》)均对抗倾覆验算有规定。
对单幢建筑物,在均匀地基的条件下,基础底面的压力和基础的整体倾斜主要取决于作用的准永久组合下产生的偏心距大小。
对基底平面为矩形的筏基,在偏心荷载作用下,结构抗倾覆稳定系数KF可用下式表示:其中:MR—抗倾覆力矩值,MR = GB/2;MOV—倾覆力矩值,MOV = V0(2H2/3+H1)=Ge;图2基地反力计算示意图中,B—基础底面宽度,e—偏心距,a—合力作用点至基础底面最大压力边缘的距离。
偏心距e、a、基础底面宽度B、结构抗倾覆稳定系数KF推导关系如下:a+e=B/2 (1)3a+c=B (2)有(1)式、(2)式可推出:从式中可以看出,偏心距e直接影响着抗倾覆稳定系数KF, KF随着e/B的增大而减小,因此容易引起较大的倾斜。
典型工程的实测证实了在地基条件相同时,e/B越大,则倾斜越大。
高层建筑由于楼身质心高,荷载重,当筏形基础开始产生倾斜后,建筑物总重对基础底面形心将产生新的倾覆力矩增量,而倾覆力矩的增量又产生新的倾斜增量,倾斜可能随时间而增长,直至地基变形稳定为止。
2、农田护墙(挡土墙)稳定性计算书(1):墙身尺寸:墙身高: 1.500(m)墙顶宽: 0.500(m)面坡倾斜坡度: 1:0.250背坡倾斜坡度: 1:0.200采用1个扩展墙址台阶:墙趾台阶b1: 0.300(m)墙趾台阶h1: 0.400(m)墙趾台阶与墙面坡坡度相同墙底倾斜坡率: 0.200:1(2):物理参数:圬工砌体容重: 23.000(kN/m3)圬工之间摩擦系数: 0.400地基土摩擦系数: 0.500墙身砌体容许压应力: 2100.000(kPa)墙身砌体容许剪应力: 110.000(kPa)墙身砌体容许拉应力: 150.000(kPa)墙身砌体容许弯曲拉应力: 280.000(kPa) (3):挡土墙类型: 一般挡土墙墙后填土内摩擦角: 35.000(度)墙后填土粘聚力: 0.000(kPa)墙后填土容重: 19.000(kN/m3)墙背与墙后填土摩擦角: 17.500(度)地基土容重: 18.000(kN/m3)修正后地基土容许承载力: 500.000(kPa) 地基土容许承载力提高系数:墙趾值提高系数: 1.200墙踵值提高系数: 1.300平均值提高系数: 1.000墙底摩擦系数: 0.500地基土类型: 土质地基地基土内摩擦角: 30.000(度)土压力计算方法: 库仑(4):坡线土柱:坡面线段数: 2折线序号水平投影长(m) 竖向投影长(m) 换算土柱数1 3.000 2.000 02 5.000 0.000 0坡面起始距离: 0.000(m)地面横坡角度: 20.000(度)墙顶标高: 0.000(m)(5):稳定性计算书:第1 种情况: 一般情况[土压力计算] 计算高度为1.807(m)处的库仑主动土压力按实际墙背计算得到:第1破裂角:38.300(度)Ea=21.071 Ex=18.463 Ey=10.154(kN) 作用点高度Zy=0.615(m) 因为俯斜墙背,需判断第二破裂面是否存在,计算后发现第二破裂面存在:第2破裂角=10.021(度) 第1破裂角=39.550(度)Ea=23.256 Ex=16.438 Ey=16.450(kN) 作用点高度Zy=0.632(m) 墙身截面积= 1.603(m2) 重量= 36.866 kN墙背与第二破裂面之间土楔重= 0.733(kN) 重心坐标(0.633,-0.594)(相对于墙面坡上角点)(一) 滑动稳定性验算基底摩擦系数= 0.500采用倾斜基底增强抗滑动稳定性,计算过程如下:基底倾斜角度= 11.310 (度)Wn = 36.869(kN) En = 19.355(kN) Wt = 7.374(kN) Et = 12.893(kN) 滑移力= 5.519(kN) 抗滑力= 28.112(kN)滑移验算满足: Kc = 5.093 > 1.300地基土摩擦系数= 0.500地基土层水平向: 滑移力= 16.438(kN) 抗滑力= 29.149(kN)地基土层水平向: 滑移验算满足: Kc2 = 1.773 > 1.300(二) 倾覆稳定性验算相对于墙趾点,墙身重力的力臂Zw = 0.865 (m)相对于墙趾点,Ey的力臂Zx = 1.425 (m)相对于墙趾点,Ex的力臂Zy = 0.325 (m)验算挡土墙绕墙趾的倾覆稳定性倾覆力矩= 5.334(kN-m) 抗倾覆力矩= 56.294(kN-m)倾覆验算满足: K0 = 10.553 > 1.500(三) 地基应力及偏心距验算基础为天然地基,验算墙底偏心距及压应力取倾斜基底的倾斜宽度验算地基承载力和偏心距作用于基础底的总竖向力= 56.224(kN) 作用于墙趾下点的总弯矩=50.960(kN-m)基础底面宽度 B = 1.567 (m) 偏心距e = -0.123(m)基础底面合力作用点距离基础趾点的距离Zn = 0.906(m)基底压应力: 趾部=18.992 踵部=52.774(kPa)最大应力与最小应力之比= 52.774 / 18.992 = 2.779作用于基底的合力偏心距验算满足: e=-0.123 <= 0.250*1.567 = 0.392(m)墙趾处地基承载力验算满足: 压应力=18.992 <= 600.000(kPa)墙踵处地基承载力验算满足: 压应力=52.774 <= 650.000(kPa)地基平均承载力验算满足: 压应力=35.883 <= 500.000(kPa) (四) 基础强度验算基础为天然地基,不作强度验算(五) 墙底截面强度验算验算截面以上,墙身截面积= 1.376(m2) 重量= 31.654 kN相对于验算截面外边缘,墙身重力的力臂Zw = 0.842 (m)相对于验算截面外边缘,Ey的力臂Zx = 1.410 (m)相对于验算截面外边缘,Ex的力臂Zy = 0.325 (m)[容许应力法]:法向应力检算:作用于验算截面的总竖向力= 48.837(kN) 作用于墙趾下点的总弯矩=44.716(kN-m)相对于验算截面外边缘,合力作用力臂Zn = 0.916(m)截面宽度 B = 1.475 (m) 偏心距e1 = -0.178(m)截面上偏心距验算满足: e1= -0.178 <= 0.300*1.475 = 0.443(m)截面上压应力: 面坡=9.120 背坡=57.100(kPa)压应力验算满足: 计算值= 57.100 <= 2100.000(kPa)切向应力检算:剪应力验算满足: 计算值= -2.099 <= 110.000(kPa)(六) 台顶截面强度验算[土压力计算] 计算高度为1.100(m)处的库仑主动土压力按实际墙背计算得到:第1破裂角:43.000(度)Ea=8.426 Ex=7.383 Ey=4.060(kN) 作用点高度Zy=0.368(m) 因为俯斜墙背,需判断第二破裂面是否存在,计算后发现第二破裂面存在:第2破裂角=7.885(度) 第1破裂角=43.640(度)Ea=9.240 Ex=6.770 Ey=6.288(kN) 作用点高度Zy=0.385(m) 墙身截面积= 0.822(m2) 重量= 18.912 kN墙背与第二破裂面之间土楔重= 0.733(kN) 重心坐标(0.594,-0.353)(相对于墙面坡上角点)[强度验算]验算截面以上,墙身截面积= 0.822(m2) 重量= 18.912 kN相对于验算截面外边缘,墙身重力的力臂Zw = 0.510 (m)相对于验算截面外边缘,Ey的力臂Zx = 0.918 (m)相对于验算截面外边缘,Ex的力臂Zy = 0.385 (m)[容许应力法]:法向应力检算:作用于验算截面的总竖向力= 25.933(kN) 作用于墙趾下点的总弯矩=13.593(kN-m)相对于验算截面外边缘,合力作用力臂Zn = 0.524(m)截面宽度 B = 0.995 (m) 偏心距e1 = -0.027(m)截面上偏心距验算满足: e1= -0.027 <= 0.300*0.995 = 0.299(m)截面上压应力: 面坡=21.873 背坡=30.254(kPa)压应力验算满足: 计算值= 30.254 <= 2100.000(kPa)切向应力检算:剪应力验算满足: 计算值= -3.621 <= 110.000(kPa)============================================== ===各组合最不利结果============================================== ===(一) 滑移验算安全系数最不利为:组合1(一般情况)抗滑力= 28.112(kN),滑移力= 5.519(kN)。
基础抗风稳定性简易计算公式: Vρ½b/µγfβzµzµs W0HA f>1式中:V—混凝土基础体积 m3ρ—钢筋混凝土比重 KN/m3b—基础底面宽度 mµ—地基摩擦系数,取1.12γf—倾覆稳定系数,根据具体情况取1.5-2.0βz—风振系数,取1.2µz—风压高度变化系数,取1.25µs—风载体型系数,取1.3W0—基本风压 KN/m2H—迎风体中心距地高度 mA f—迎风面积 m2地脚螺栓强度核算以单柱承受整屏风荷载计算1、地脚螺栓采用Φ34的Q235A圆钢制作,每个柱脚迎风面地脚螺栓总数5棵。
螺栓截面积S=9.08cm2,顺风向前后地脚螺栓之间的间距d=1.33m。
2、Q235A钢的抗拉强度标准值δ=235Mpa=23.5KN/cm2。
b3、每根螺栓可承受的最大拉力F=δ*S=41.8*9.08=379.54KNb4、最大抗倾覆力矩Mmax=5*F *d=2523.96KNm5、风荷载最大倾覆力矩M=W K*H*A f=1.16*108.9*8.4=1018.06KNm计算结果最大抗倾覆力矩Mmax远大于最大倾覆力矩M,地脚螺栓完全能满足使用要求。
主立柱强度核算以单柱承受整屏风荷载计算主立柱采用两根300*150*10的矩管制作,材质为Q235钢,中心间距d=0.8m,矩管截面积S=86 cm2Q235钢的抗拉强度标准值δb=410Mpa=41.8KN/cm2。
矩管可承受的最大拉力F max=δ*S=41.8*86=3594.8KNb最大倾覆力矩M=W K*H*A f=1.16*108.9*8.4=1018.06KNm矩管所承受的最大拉力F=M/d=1018.06/0.8=1272.575KN。
计算结果F max远大于F,立柱完全能满足只用要求。
螺栓强度核算直径 10 12 14 16 18 20 22 24 30抗拉强度标准值23.5 23.5 23.5 23.5 23.5 23.5 23.5 23.5 23.5 KN/cm2δb=235Mpa截面积 0.79 1.13 1.54 2.01 2.54 3.14 3.80 4.52 7.07 cm2每颗螺栓可承18.46 26.58 36.18 47.25 59.80 73.83 89.33 106.31 166.11 KN受的最大拉力4、最大抗倾覆力矩Mmax=5*F *d=2523.96KNm5、风荷载最大倾覆力矩M=W K*H*A f=1.16*108.9*8.4=1018.06KNm计算结果最大抗倾覆力矩Mmax远大于最大倾覆力矩M,地脚螺栓完全能满足使用要求。
脚手架结构的设计规定和计算方法摘要:《编制建筑施工脚手架安全技术标准的统一规定》(修订稿)对建筑脚手架的荷载计算、设计表达式等计算方法作出了规定。
脚手架的主要验算项目应包括单、双排脚手架的整体稳定性验算,非单、双排脚手架结构和单肢立杆的稳定性验算及水平杆件的强度验算、连墙件验算等。
关键词:脚手架;技术标准;设计规定;计算方法;稳定性验算摘自:建筑技术.1999.第8期1993 年制订并下发的《编制建筑施工脚手架安全技术标准的统一规定》(建标[1993] 062 号,以下简称《统一规定》),对涉及风荷载计算、实用设计表达式等脚手架设计计算方法的有关问题作出了规定。
经4 年的应用和研究,1997年通过并下发了该规定的修订稿,基本上形成了脚手架设计计算方法的框架,成为即将陆续颁布实施的各种建筑施工脚手架安全技术规范的指导性文件。
由脚手架杆(构)件和连接件搭设而成的各种形式的脚手架、支撑架和其他用途架子所形成的脚手架结构,具有其自身的特点,不同于工程结构,不能完全套用钢结构的计算方法,应依据《统一规定》确定的方法和要求进行设计和计算。
1 《统一规定》对脚手架结构设计计算方法的规定1.1 对设计方法和设计要求的规定1.1.1 规定脚手架结构一律采用以概率理论为基础的极限状态设计法(简称概率极限状态设计法,即目前我国工程结构设计采用的方法)进行设计。
1.1.2 规定脚手架结构为临时工程结构,其结构重要性系数γ0取0.9。
1.1.3 对脚手架结构设计可靠度的要求,考虑到无足够统计数据积累的情况,确定其采用概率极限状态设计的结果,应与我国的历史使用经验相一致,即若采用单一系数法进行设计时,其单一安全系数应满足:强度计算时的K1≥1.5;稳定计算时的K2≥2.0 。
为此,在计算式中引人材料强度附加分项系数γ0’或抗力附加分项系数γ’R,γ’R =γ0γ’m=0.9γ’m。
1.1.4 规定钢管脚手架结构归人薄壁型钢结构,在涉及设计焊接连接、选用轴心受压杆件的稳定系数φ时,应使用《冷弯薄壁型钢结构技术规范》(GBJ18-87)。
横向风压W0=1000(Pa)支点间距 2.7米令左、右支点为Ra 、Rb计算假定: (施工偏载安全系数K>1.3)1.假定梁体自重不均匀系数一侧按4%;2.悬浇梁段不同步 (按1/8~1个节段),3.桥面施工荷载0.25t/m,偏载0.25t/m;4.挂篮+模板暂计100t,一端冲击系数1.2;另一端为0.8。
5.风力取一端承受100%的风载,而另一端50%风载;自身平衡节段长m 混凝土数量重量重量不均M 倾覆MR(t*m)NM0#节段施工8M混凝土223.5581.10桥面施工荷载20悬浇梁段 2.569.8181.48408.33264.23744.068风荷载 2.1120移动挂篮0∑下一节段需要值264.23744.068581.101#节段施工节段长m 混凝土数量重量重量不均M 倾覆MR(t*m)3M 264.23744.068悬臂长度 2.95.6混凝土60.22156.572472.22876.8032桥面施工荷载0.750 2.1754.2悬浇梁段(1/2)360.22156.5720.5236.11风荷载0.71520 4.00511.03704移动挂篮1000348448施工完成时1090.62074.108894.244983.472088不平衡重时506.53749.305下一节段需要值742.641626.1082#节段施工节段长m 混凝土数量重量重量不均M 倾覆MR(t*m)3M 742.641626.108悬臂长度 5.98.6混凝土54.3141.18866.281214.148桥面施工荷载0.750 4.4256.45悬浇梁段(1/2)354.3141.180.5433.14风荷载0.677880 5.82981.999746移动挂篮1000708688施工完成时2327.23536.7061176.6041209.534586不平衡重时11861634.558下一节段需要值1619.22848.7063#节段施工节段长m 混凝土数量重量重量不均M 倾覆MR(t*m)3M 1619.22848.706抗风倾覆稳定计算 (48+80+48米预应力混凝土连续梁)墩顶荷载混凝土52.2135.721256.21574.352桥面施工荷载0.750 6.6758.7悬浇梁段(1/2)352.2135.720.5628.110风荷载0.643207.4611 2.86224移动挂篮10001068928施工完成时3957.55362.621448.0441405.088386不平衡重时2261.42860.268下一节段需要值2889.54434.624#节段施工节段长m混凝土数量重量重量不均M倾覆MR(t*m)3.5M2889.54434.62悬臂长度12.1514.85混凝土57.6149.761892.42223.936桥面施工荷载0.875010.63112.99375悬浇梁段(1/2) 3.557.6149.760.5946.180风荷载0.7126010.582 4.329045移动挂篮100014581188施工完成时6261.17863.8791747.5641602.766461不平衡重时3856.94451.943下一节段需要值4803.16675.8795#节段施工节段长m混凝土数量重量重量不均M倾覆MR(t*m)3.5M4803.16675.879悬臂长度15.6518.35混凝土54.8142.4823192614.508桥面施工荷载0.875013.69416.05625悬浇梁段(1/2) 3.554.8142.480.51159.50风荷载0.672012.331 5.2584移动挂篮100018781468施工完成时9026.110779.72032.5241753.559681不平衡重时5988.66697.194下一节段需要值7148.19311.7026#节段施工节段长m混凝土数量重量重量不均M倾覆MR(t*m)3.5M7148.19311.702悬臂长度19.1521.85混凝土52.8137.282734.12999.568桥面施工荷载0.875016.75619.11875悬浇梁段(1/2) 3.552.8137.280.25683.520风荷载0.637013.9186.099275移动挂篮100022981748施工完成时1221114084.492307.0841873.602526不平衡重时7862.39336.92下一节段需要值9912.912336.497#节段施工节段长m混凝土数量重量重量不均M倾覆MR(t*m)3.5M9912.912336.49混凝土47.7124.022921.43143.907桥面施工荷载0.875019.81922.18125悬浇梁段(1/2) 3.547.7124.020.25702.260风荷载0.6076015.403 6.88107移动挂篮100027182028施工完成时1558817537.462555.1241949.935316不平衡重时1065012365.55下一节段需要值1287015509.468#节段施工节段长m混凝土数量重量重量不均M倾覆MR(t*m)4M1287015509.46悬臂长度26.429.1混凝土49.8129.4835553767.868桥面施工荷载1026.429.1悬浇梁段(1/2)449.8129.480.25854.570风荷载0.6656019.3698.78592移动挂篮100031682328施工完成时1963821643.212814.0842004.917396不平衡重时1377015547.34下一节段需要值1647019315.219#节段施工节段长m混凝土数量重量重量不均M倾覆MR(t*m)4M1647019315.21悬臂长度30.433.1混凝土48.3125.583970.34156.698桥面施工荷载1030.433.1悬浇梁段(1/2)448.3125.580.25954.410风荷载0.6416021.2379.75232移动挂篮100036482648施工完成时2414026162.763065.2442022.493476不平衡重时1747619358.06下一节段需要值2049223514.7610#节段施工节段长m混凝土数量重量重量不均M倾覆MR(t*m)4M2049223514.76悬臂长度34.437.1混凝土48.5126.14511.44678.31桥面施工荷载1034.437.1悬浇梁段(1/2)448.5126.10.125542.230风荷载0.6224023.09110.70528移动挂篮100041282968施工完成时2918931208.883317.4442019.764116不平衡重时2109223562.57下一节段需要值2506128240.8847.55 k=Mr/M倾k=Mr/M倾1.9017421.479303k=Mr/M倾1.5197451.378175k=Mr/M倾1.355042 1.264811k=Mr/M倾1.255987 1.154271k=Mr/M倾1.194276 1.118316k=Mr/M倾1.153437 1.187551k=Mr/M倾1.125096 1.161044k=Mr/M倾1.102092 1.129085k=Mr/M倾1.083781 1.107673k=Mr/M倾1.069196 1.117133。
目录计算依据:................................................................................................................................................ - 1 -1、工程概况.............................................................................................................................................. - 1 -2、2.5m围挡设计计算书......................................................................................................................... - 1 -2.1荷载计算..................................................................................................................................... - 2 -2.2建立模型..................................................................................................................................... - 3 -2.3稳定性计算................................................................................................................................. - 3 -2.3.1立柱抗弯压强度计算..................................................................................................... - 4 -2.3.2立柱抗剪强度计算......................................................................................................... - 4 -2.3.3嵌固端抵抗弯矩计算..................................................................................................... - 4 -3、6m围挡设计计算书............................................................................................................................. - 4 -3.1荷载计算..................................................................................................................................... - 5 -3.2建立模型..................................................................................................................................... - 6 -3.3稳定性计算................................................................................................................................. - 7 -3.3.1A114×3钢管受力验算 .................................................................................................. - 7 -3.3.2角钢强度计算................................................................................................................. - 8 -3.3.3基础抗倾覆计算............................................................................................................. - 8 -3.3.3焊缝验算....................................................................................................................... - 10 -3.3.4基础验算....................................................................................................................... - 10 -4、8m围挡设计计算书........................................................................................................................... - 13 -4.1荷载计算................................................................................................................................... - 13 -4.2建立模型................................................................................................................................... - 14 -4.3稳定性计算............................................................................................................................... - 16 -4.3.1A114×3钢管强度验算 ................................................................................................ - 16 -4.3.2A48×3钢管验算 .......................................................................................................... - 17 -4.3.3L40×3角钢验算........................................................................................................... - 17 -4.3.4焊缝验算....................................................................................................................... - 18 -4.3.5基础抗倾翻验算........................................................................................................... - 20 -4.3.6基础验算....................................................................................................................... - 21 -5、12m围挡设计计算书......................................................................................................................... - 23 -5.1荷载计算................................................................................................................................... - 24 -5.2建立模型................................................................................................................................... - 25 -5.3稳定性计算............................................................................................................................... - 26 -5.3.1A114×3钢管验算 ........................................................................................................ - 26 -5.3.2A80×3钢管验算 .......................................................................................................... - 27 -5.3.3L63×5角钢验算........................................................................................................... - 27 -5.3.4焊缝计算....................................................................................................................... - 28 -5.3.5基础抗倾翻计算........................................................................................................... - 30 -5.3.6基础计算....................................................................................................................... - 31 -围挡稳定性计算书计算依据:(1)建筑结构设计统一标准 GB20068-2011(2)建筑结构荷载规范 GB50009-2012(3)建筑抗震设计规范 GB50011-2010(4)钢结构设计规范 GB50017-2017(5)冷弯薄壁型钢结构设计规范 GB50018-2002(6)钢结构工程施工质量验收规范 GB50205-2001(7)建筑钢结构焊接与验收规程 JGJ81-2002(8)混凝土结构设计规范 GB50010-2010(9)建筑地基基础设计规范 GB50007-2011(10)户外广告设施钢结构技术规程CECS148:20031、工程概况本工程为浙江省台州市玉环市,地处中国东南,距离东海海岸线直线最近距离为25km,查荷载规范知玉环市10年和50年遇基本风压分别为0.7kN/㎡、1.2kN/㎡,故本工程取1.0kN/㎡。
抗震倾覆稳定验算公式
我们要计算抗震倾覆稳定验算公式。
首先,我们需要了解这个公式是用来做什么的。
抗震倾覆稳定验算公式主要用于评估建筑物在地震作用下的稳定性。
公式如下:
Kc = (Gd / G0) × (Hd / H0)
其中:
Gd 是倾覆力矩设计值
G0 是倾覆力矩标准值
Hd 是倾覆力矩计算高度
H0 是倾覆力矩计算高度标准值
Kc 是倾覆稳定系数,用于评估建筑物在地震作用下的稳定性。
为了得到具体的数值,我们需要知道这些参数的具体数值。
计算结果为:Kc =
所以,该建筑物的抗震倾覆稳定验算结果为:。
基础稳定性验算一、工程概况根据四川正基岩土工程有限公司提供的《中江县第二人民医院门诊综合大楼项目岩土工程勘察报告》提供的岩土工程勘察报告。
本工程采用嵌岩桩基础,基础持力层为中风化粉砂质泥岩,桩端岩石饱和单轴抗压强度标准值为frk=3.7Mpa,桩长大于6m 。
桩基础最不利地质剖面如下图所示,桩侧土层厚度分别为一般填土或粘土7.87m 、淤泥质粘土9.1强风化砂岩2.0m 、中风化砂岩按2.4m 考虑。
二、基础抗倾覆验算本工程设防烈度6度,根据《高规》4.3.7条,304.0/12.0)(/)(max max ==小震中震αα,考虑到中震作用下结构的塑性耗能,本工程取中震地震作用力为小震的2.5倍。
根据PKPM 计算结果,结构在小震、风荷载、中震作用下整体抗倾覆验算如下:楼栋号1-1~1-5轴 1-6~2-10轴结构抗倾覆力矩 结构倾覆力矩 比值结构抗倾覆力矩结构倾覆力矩 比值X 向风荷载 1751103.1 19059.8 91.87 10120948.0 29221.4 346.35 Y 向风荷载 1042019.3 30922.1 33.70 4812587.5 58357.7 82.47 X 向小震 1693562.5 56691.8 29.87 9749434.0 132165.9 73.77 Y 向小震 1008296.1 53907.1 18.70 4635423.5 127161.6 36.45 X 向中震 1693562.5 141729.5 11.95 9749434.0 330414.75 29.51 Y 向中震1008296.1134767.757.484635423.531790414.58参照《高层建筑筏形与箱形基础技术规范》(JGJ6-2011)第5.5.2条,本工程抗倾覆稳定性安全系数远大于1.5,故结构的整体抗倾覆稳定性满足要求。
三、基础抗滑移验算本工程采用嵌岩桩基础,基础抗滑移由基桩水平承载力提供。
2、农田护墙〔挡土墙〕稳定性计算书〔1〕:墙身尺寸:墙身高: 1.500(m)墙顶宽: 0.500(m)面坡倾斜坡度: 1:0.250背坡倾斜坡度: 1:0.200采用1个扩展墙址台阶:墙趾台阶b1: 0.300(m)墙趾台阶h1: 0.400(m)墙趾台阶与墙面坡坡度一样墙底倾斜坡率: 0.200:1〔2〕:物理参数:圬工砌体容重: 23.000(kN/m3)圬工之间摩擦系数: 0.400地基土摩擦系数: 0.500墙身砌体容许压应力: 2100.000(kPa)墙身砌体容许剪应力: 110.000(kPa)墙身砌体容许拉应力: 150.000(kPa)墙身砌体容许弯曲拉应力: 280.000(kPa) 〔3〕:挡土墙类型: 一般挡土墙墙后填土摩擦角: 35.000(度)墙后填土粘聚力: 0.000(kPa)墙后填土容重: 19.000(kN/m3)墙背与墙后填土摩擦角: 17.500(度)地基土容重: 18.000(kN/m3)修正后地基土容许承载力: 500.000(kPa) 地基土容许承载力提高系数:墙趾值提高系数: 1.200墙踵值提高系数: 1.300平均值提高系数: 1.000墙底摩擦系数: 0.500地基土类型: 土质地基地基土摩擦角: 30.000(度)土压力计算方法: 库仑〔4〕:坡线土柱:坡面线段数: 2折线序号水平投影长(m) 竖向投影长(m) 换算土柱数1 3.000 2.000 02 5.000 0.000 0坡面起始距离: 0.000(m)地面横坡角度: 20.000(度)墙顶标高: 0.000(m)〔5〕:稳定性计算书:第1 种情况: 一般情况[土压力计算] 计算高度为1.807(m)处的库仑主动土压力按实际墙背计算得到:第1破裂角:38.300(度)Ea=21.071 Ex=18.463 Ey=10.154(kN) 作用点高度Zy=0.615(m) 因为俯斜墙背,需判断第二破裂面是否存在,计算后发现第二破裂面存在:第2破裂角=10.021(度) 第1破裂角=39.550(度)Ea=23.256 Ex=16.438 Ey=16.450(kN) 作用点高度Zy=0.632(m) 墙身截面积= 1.603(m2) 重量= 36.866 kN墙背与第二破裂面之间土楔重= 0.733(kN) 重心坐标(0.633,-0.594)(相对于墙面坡上角点)(一) 滑动稳定性验算基底摩擦系数= 0.500采用倾斜基底增强抗滑动稳定性,计算过程如下:基底倾斜角度= 11.310 (度)Wn = 36.869(kN) En = 19.355(kN) Wt = 7.374(kN) Et = 12.893(kN) 滑移力= 5.519(kN) 抗滑力= 28.112(kN)滑移验算满足: Kc = 5.093 > 1.300地基土摩擦系数= 0.500地基土层水平向: 滑移力= 16.438(kN) 抗滑力= 29.149(kN)地基土层水平向: 滑移验算满足: Kc2 = 1.773 > 1.300(二) 倾覆稳定性验算相对于墙趾点,墙身重力的力臂Zw = 0.865 (m)相对于墙趾点,Ey的力臂Zx = 1.425 (m)相对于墙趾点,Ex的力臂Zy = 0.325 (m)验算挡土墙绕墙趾的倾覆稳定性倾覆力矩= 5.334(kN-m) 抗倾覆力矩= 56.294(kN-m)倾覆验算满足: K0 = 10.553 > 1.500(三) 地基应力及偏心距验算根底为天然地基,验算墙底偏心距及压应力取倾斜基底的倾斜宽度验算地基承载力和偏心距作用于根底底的总竖向力= 56.224(kN) 作用于墙趾下点的总弯矩=50.960(kN-m)根底底面宽度 B = 1.567 (m) 偏心距e = -0.123(m)根底底面合力作用点距离根底趾点的距离Zn = 0.906(m)基底压应力: 趾部=18.992 踵部=52.774(kPa)最大应力与最小应力之比= 52.774 / 18.992 = 2.779作用于基底的合力偏心距验算满足: e=-0.123 <= 0.250*1.567 = 0.392(m) 墙趾处地基承载力验算满足: 压应力=18.992 <= 600.000(kPa)墙踵处地基承载力验算满足: 压应力=52.774 <= 650.000(kPa)地基平均承载力验算满足: 压应力=35.883 <= 500.000(kPa)(四) 根底强度验算根底为天然地基,不作强度验算(五) 墙底截面强度验算验算截面以上,墙身截面积= 1.376(m2) 重量= 31.654 kN相对于验算截面外边缘,墙身重力的力臂Zw = 0.842 (m)相对于验算截面外边缘,Ey的力臂Zx = 1.410 (m)相对于验算截面外边缘,Ex的力臂Zy = 0.325 (m)[容许应力法]:法向应力检算:作用于验算截面的总竖向力= 48.837(kN) 作用于墙趾下点的总弯矩=44.716(kN-m)相对于验算截面外边缘,合力作用力臂Zn = 0.916(m)截面宽度 B = 1.475 (m) 偏心距e1 = -0.178(m)截面上偏心距验算满足: e1= -0.178 <= 0.300*1.475 = 0.443(m)截面上压应力: 面坡=9.120 背坡=57.100(kPa)压应力验算满足: 计算值= 57.100 <= 2100.000(kPa)切向应力检算:剪应力验算满足: 计算值= -2.099 <= 110.000(kPa)(六) 台顶截面强度验算[土压力计算] 计算高度为1.100(m)处的库仑主动土压力按实际墙背计算得到:第1破裂角:43.000(度)Ea=8.426 Ex=7.383 Ey=4.060(kN) 作用点高度Zy=0.368(m) 因为俯斜墙背,需判断第二破裂面是否存在,计算后发现第二破裂面存在:第2破裂角=7.885(度) 第1破裂角=43.640(度)Ea=9.240 Ex=6.770 Ey=6.288(kN) 作用点高度Zy=0.385(m) 墙身截面积= 0.822(m2) 重量= 18.912 kN墙背与第二破裂面之间土楔重= 0.733(kN) 重心坐标(0.594,-0.353)(相对于墙面坡上角点)[强度验算]验算截面以上,墙身截面积= 0.822(m2) 重量= 18.912 kN相对于验算截面外边缘,墙身重力的力臂Zw = 0.510 (m)相对于验算截面外边缘,Ey的力臂Zx = 0.918 (m)相对于验算截面外边缘,Ex的力臂Zy = 0.385 (m)[容许应力法]:法向应力检算:作用于验算截面的总竖向力= 25.933(kN) 作用于墙趾下点的总弯矩=13.593(kN-m)相对于验算截面外边缘,合力作用力臂Zn = 0.524(m)截面宽度 B = 0.995 (m) 偏心距e1 = -0.027(m)截面上偏心距验算满足: e1= -0.027 <= 0.300*0.995 = 0.299(m)截面上压应力: 面坡=21.873 背坡=30.254(kPa)压应力验算满足: 计算值= 30.254 <= 2100.000(kPa)切向应力检算:剪应力验算满足: 计算值= -3.621 <= 110.000(kPa)=================================================各组合最不利结果=================================================(一) 滑移验算平安系数最不利为:组合1(一般情况)抗滑力= 28.112(kN),滑移力= 5.519(kN)。
广告牌稳定性计算书(抗倾覆计算)
背景
本计算书用于评估广告牌的稳定性,确保其在不同天气条件下不会发生倾覆的情况,从而保障行人的安全。
该计算书参考了几项相关的标准和规范,并使用了一些简化的假设条件来简化计算。
假设条件
- 假设广告牌为矩形或正方形构造
- 假设广告牌的重心位于广告牌中心线上
- 假设广告牌表面没有明显的凸起和凹陷
- 假设广告牌没有被钟爱、吹垮、以及受到其他外部因素的影响
- 假设广告牌所在的地面均匀、水平
计算步骤
1. 确定广告牌的重量W和地面反力R的大小,其中重量为广告牌材料的总重量,地面反力是地面对广告牌的支持力,可以通过环境保护部门提供的资料来确定。
2. 计算广告牌和支架的稳定性系数f,该系数取决于广告牌和支架的结构形式,可以通过以下公式来计算:
f = (W + Rw) * 0.4 / M
其中,Rw为广告牌和支架的风荷载,M为广告牌和支架组合的抗弯刚度。
3. 计算广告牌和支架的倾覆稳定性系数C,该系数衡量了广告牌的倾覆稳定性,可以通过以下公式计算:
C = h / b * (w1 + w2) * f
其中,h为广告牌的高度,b为广告牌的底部宽度,w1和w2为广告牌上下两个角处的风荷载。
4. 如果C值小于1.5,那么广告牌在风力较大的时候可能会倾覆,需要通过加固支架、调整广告牌结构等方式提高其稳定性。
结论
本文介绍了一种计算广告牌稳定性的方法,其中包括了一些简化的假设条件和计算步骤。
通过该方法,可以有效避免广告牌在极端天气条件下发生倾覆的情况,提高行人的安全性。
抗倾覆计算公式
一、简述
抗倾覆计算公式是一种结构安全分析的计算方法,是用于预测和计算结构自身稳定性的能力的评估参数。
它是根据结构的几何特性、荷载特性和材料特性考虑,利用结构力学方程建立的计算公式,它可以用来确定结构的抗倾覆能力,以及结构改善措施的必要性。
二、公式
抗倾覆计算公式的计算可以分为两个部分:一是倾覆动力学系数的计算,二是抗倾覆能力的计算。
(1)倾覆动力学系数的计算:
a. 结构的倾覆动力学系数K,公式为:K=M/W,M表示结构自重,W表示正施加的荷载的最大值;
b. 结构内力的倾覆动力学系数K1,公式为:K1=M1/W1,M1表示结构内部支撑系统的自重,W1表示支撑系统正施加的荷载的最大值;
c. 结构外力的倾覆动力学系数K2,公式为:K2=M2/W2,M2表示支承结构外力的自重,W2表示外力正施加的荷载的最大值;
(2)抗倾覆能力的计算:
抗倾覆能力的计算公式:A=K1/(K1+K2-1),A表示结构的抗倾覆能力,K1与K2分别表示上述结构内力及结构外力的倾覆动力学系数。
计算结果在抗倾覆能力A与1之间,A大于1,表示结构有抗倾覆能力;A小于1,表示结构缺乏抗倾覆能力,需要采取补救措施。
三、应用
1、建筑工程:建筑结构稳定是建筑安全的基础,抗倾覆计算公式可以用来评估建筑结构的抗倾覆能力。
2、铁路工程:抗倾覆计算公式可以用来确定铁路路基的抗倾覆能力,以确保铁路运行的安全。
3、高速公路工程:抗倾覆计算公式可以用来确定公路路基和桥梁的抗倾覆能力,以确保公路安全。
抗风倾覆稳定性计算书
案例一:广告牌计算书SAP2000
案例二:广告牌计算书PKPM-STS
案例三:单柱或多柱广告塔主要结构造型计算
附件一:螺栓强度核算表
附件二:基础抗风稳定性简易计算
附件三:广告牌地脚螺栓强度简易核算
广告牌计算书SAP2000
一、工程概况
本工程为一广告牌,该广告牌为立体桁架组成的结构体系,桁架采用角钢连接。
二、设计所依据的规范
1、户外广告设施钢结构技术规程(CECS148-2003)
2、建筑结构荷载规范(GB50009-2001)
3、钢结构设计规范(GB50017-2003)
4、钢结构高强度螺栓连接的设计、施工及验收规程(JGJ82-91)
三、荷载情况
1、恒载:结构自重程序自动计入
2、活载:0.35kN/m2
3、基本雪压:0.3kN/m2
4、基本风压:Wo=0.35kN/m,地面粗糙度:C类。
5、抗震设防烈度:8度,设计基本地震加速度:0.20g,设计地震分组:第三组
6、水平地震影响系数最大值:0.16
7、建筑物场地类别:Ⅱ类,特征周期值:0.35s,结构阻尼比:0.05
8、抗震等级:三级。
四、总体结构布置形式
1、喷绘图案广告位高度h=4.68m
2、广告牌高H=5m
3、广告牌全长L=30m
五、风荷载计算
1、基本风压ω0=0.35KN/m2
2、标准风压ω=β×K×Kz×ω0=0.77KN/m2
其中:风振系数β=2.3;体型系数K=1.3;风压高度变化系数Kz=0.74
六、计算过程
1、SAP2000整体模型:
2、SAP2000计算喷绘广告位每个柱脚迎风面一根(即轴2处,其他轴线处均等于或小于该轴线)方钢管最大弯矩、剪力、挠度:
由分析可得:最大剪力为32.362KN;最大弯矩为M J=14.9655KN·M;最大挠度为7.86mm
由于喷绘广告位每个柱脚背风面方钢管弯矩、剪力、挠度均小于每个柱脚迎风面方钢管弯矩、剪力、挠度,所以此处不再示明。
其中上图局部放大图如下:
3、地脚螺栓强度核算
1)、由于地脚螺栓没有明确采用什么型号钢材,这里采用4Φ28的圆钢制作制的地脚螺栓Q235A进行核算。
2)、每个柱脚迎风面地脚螺栓总数四根,螺栓截面积S=6.15cm2,顺风向前后地脚螺栓之间的间距d=0.18m。
地脚螺栓布置如下图所示:
3)、Q235A钢的抗拉强度标准值δb=235Mpa=23.5KN/cm2。
4)、每根螺栓可承受的最大拉力F=δb*S=23.5*6.15=144.525KN
5)、最大抗倾覆力矩Mmax=4*F*d=4*144.525*0.18=104.058KN·m
Mmax远大于M J,螺栓完全能满足只用要求。
4、立柱强度核算
主立柱采用一根800*800*3的矩管制作,材质为Q235B钢,中心间距d=1m,矩管截面积S=924cm2(该面积为矩管钢截面有效面积)
1)、Q235钢的抗拉强度标准值δb=410Mpa=41.8KN/cm2。
2)、矩管可承受的最大拉力Fmax=δb*S=41.8*924=38623.2KN
3)、最大倾覆力矩M J
(简易计算公式为:最大倾覆力矩M J=W K*H*A f)
4)、矩管所承受的最大拉力F=M J/d=14.9/1=14.9KN。
计算结果Fmax远大于F,立柱完全能满足只用要求。
即满足抗倾覆。
广告牌计算书PKPM-STS
荷载图示:
由以上计算结果可以看出:结构满足设计要求。
单柱或多柱广告塔主要结构造型计算
所受到的最大转距为M,地脚螺栓的许用应力
γ×A×B×C=
其中:γ=22KN/M3
量G=G1+G2=
其中:(估算)G1=h×L×H/12=
基础抗风稳定性简易计算
Vρ½b/μγfβzμzμs W0HA f>1,其中具体参数如下:V—混凝土基础体积m3
ρ—钢筋混凝土比重KN/m3
b—基础底面宽度m
μ—地基摩擦系数,取1.12
γf—倾覆稳定系数,根据具体情况取1.5-2.0
βz—风振系数,取1.2
μz—风压高度变化系数,取0.74
μs—风载体型系数,取1.3
W0—基本风压KN/m2
H—迎风体中心距地高度m
A f—迎风面积m2
广告牌地脚螺栓强度简易核算
nδb Sd>μγfβzμzμs W0HA f
式中
n—抗拉地脚螺栓数量
δb—地脚螺栓材质抗拉强度标准值
S—地脚螺栓截面积
d—顺风向地脚螺栓间距
μ—地基摩擦系数,取1.12
γf—倾覆稳定系数,根据具体情况取1.5-2.0
βz—风振系数,取1.2
μz—风压高度变化系数,取1.25
μs—风载体型系数,取1.3
W0—基本风压KN/m2
H—迎风体中心距地高度m
A f—迎风面积m2。