衡量金属材料力学性能的指标名称 符 基本单位及其含义说明
- 格式:pdf
- 大小:294.76 KB
- 文档页数:5
金属材料机械性能的指标及意义介绍材料在一定温度条件和外力作用下,抵抗变形和断裂的能力称为材料的力学性能。
锅炉、压力容器用材料的常规力学性能指标主要包括:强度、硬度、塑性和韧性等。
(1)强度强度是指金属材料在外力作用下对变形或断裂的抗力。
强度指标是设计中决定许用应力的重要依据,常用的强度指标有屈服强度σS或σ0.2(国外用Re表示)和抗拉强度σb(国外用Rm表示),高温下工作时,还要考虑蠕变极限σn和持久强度σD。
(2)塑性塑性是指金属材料在断裂前发生塑性变形的能力。
塑性指标包括:伸长率δ,即试样拉断后的相对伸长量;断面收缩率ψ,即试样拉断后,拉断处横截面积的相对缩小量;冷弯(角)α,即试件被弯曲到受拉面出现第一条裂纹时所测得的角度。
(3)韧性韧性是指金属材料抵抗冲击负荷的能力。
韧性常用冲击功Ak和冲击韧性值αk表示。
Αk值或αk值除反映材料的抗冲击性能外,还对材料的一些缺陷很敏感,能灵敏地反映出材料品质、宏观缺陷和显微组织方面的微小变化。
而且Ak对材料的脆性转化情况十分敏感,低温冲击试验能检验钢的冷脆性。
表示材料韧性的一个新的指标是断裂韧性δ,它是反映材料对裂纹扩展的抵抗能力。
(4)硬度硬度是衡量材料软硬程度的一个性能指标。
硬度试验的方法较多,原理也不相同,测得的硬度值和含义也不完全一样。
最常用的是静负荷压入法硬度试验,即布氏硬度(HB)、洛氏硬度(HRA、HRB、HRC)、维氏硬度(HV),其值表示材料表面抵抗坚硬物体压入的能力。
而肖氏硬度(HS)则属于回跳法硬度试验,其值代表金属弹性变形功的大小。
因此,硬度不是一个单纯的物理量,而是反映材料的弹性、塑性、强度和韧性等的一种综合性能指标。
在断裂力学基础上建立起来的材料抵抗裂纹扩展断裂的韧性性能称为断裂韧性。
(Kic,Gic)常用的35CrMo在850℃油淬,550℃回火后,机械性能如下:σb≥980MPa;σs≥835MPa;δ5≥12%;ψ≥45%;AK≥63J35CrMoA的性能应该更加优良稳定。
金属的力学性能有哪些金属材料的力学性能包括强度、屈服点、抗拉强度、延伸率、断面收缩率、硬度、冲击韧性等。
金属材料力学性能包括其中包括:弹性和刚度、强度、塑性、硬度、冲击韧度、断裂韧度及疲劳强度等,它们是衡量材料性能极其重要的指标。
1、强度:材料在外力(载荷)作用下,抵抗变形和断裂的能力。
材料单位面积受载荷称应力。
2、屈服点(6s):称屈服强度,指材料在拉抻过程中,材料所受应力达到某一临界值时,载荷不再增加变形却继续增加或产生0.2%L。
时应力值,单位用牛顿/毫米2(N/mm2)表示。
3、抗拉强度(6b)也叫强度极限指材料在拉断前承受最大应力值。
单位用牛顿/毫米2(N/mm2)表示。
如铝锂合金抗拉强度可达689.5MPa 4、延伸率(δ):材料在拉伸断裂后,总伸长与原始标距长度的百分比。
工程上常将δ≥5%的材料称为塑性材料,如常温静载的低碳钢、铝、铜等;而把δ≤5%的材料称为脆性材料,如常温静载下的铸铁、玻璃、陶瓷等。
5、断面收缩率(Ψ)材料在拉伸断裂后、断面最大缩小面积与原断面积百分比。
6、硬度:指材料抵抗其它更硬物压力其表面的能力,常用硬度按其范围测定分布氏硬度(HBS、HBW)和洛氏硬度(HRA、HRB、HRC)。
7、冲击韧性(Ak):材料抵抗冲击载荷的能力,单位为焦耳/厘米2(J/cm2)。
什么是金属材料金属材料是指具有光泽、延展性、容易导电、传热等性质的材料。
一般分为黑色金属和有色金属两种。
黑色金属包括铁、铬、锰等。
其中钢铁是基本的结构材料,称为“工业的骨骼”。
由于科学技术的进步,各种新型化学材料和新型非金属材料的广泛应用,使钢铁的代用品不断增多,对钢铁的需求量相对下降。
但迄今为止,钢铁在工业原材料构成中的主导地位还是难以取代的。
金属材料的使用性能1. 密度(比重):材料单位体积所具有的质量,即密度=质量/体积,单位为g/cm3。
2. 力学性能: 金属材料在外力作用下表现出来的各种特性,如弹性、塑性、韧性、强度、硬度等。
3. 强度: 金属材料在外力作用下抵抗变形和断裂的能力。
屈服点、抗拉强度是极为重要的强度指标,是金属材料选用的重要依据。
强度的大小用应力来表示,即用单位面积所能承受的载荷(外力)来表示。
4. 屈服点: 金属在拉力试验过程中,载荷不再增加,而试样仍继续发生变形的现象,称为“屈服”。
产生屈服现象时的应力,即开始产生塑性变形时的应力,称为屈服点,用符号σs表示,单位为MPa。
5. 抗拉强度: 金属在拉力试验时,拉断前所能承受的最大应力,用符号σb表示,单位为MPa。
6. 塑性: 金属材料在外力作用下产生永久变形(去掉外力后不能恢复原状的变形),但不会被破坏的能力。
7. 伸长率: 金属在拉力试验时,试样拉断后,其标距部分所增加的长度与原始标距长度的百分比,称为伸长率。
用符号δ,%表示。
伸长率反映了材料塑性的大小,伸长率越大,材料的塑性越大。
8. 韧性: 金属材料抵抗冲击载荷的能力,称为韧性,通常用冲击吸收功或冲击韧性值来度量。
9. 冲击吸收功: 试样在冲击载荷作用下,折断时所吸收的功。
用符号A?k表示,单位为J 。
10. 硬度: 金属材料的硬度,一般是指材料表面局部区域抵抗变形或破裂的能力。
根据试验方法和适用范围的不同,可分为布氏硬度和洛氏硬度等多种。
布氏硬度用符号HB表示:洛氏硬度用符号HRA、HRB或HRC表示。
部分常用钢的用途(一)各牌号碳素结构钢的主要用途:1.牌号Q195,含碳量低,强度不高,塑性、韧性、加工性能和焊接性能好。
用于轧制薄板和盘条。
冷、热轧薄钢板及以其为原板制成的镀锌、镀锡及塑料复合薄钢板大量用用屋面板、装饰板、通用除尘管道、包装容器、铁桶、仪表壳、开关箱、防护罩、火车车厢等。
盘条则多冷拔成低碳钢丝或经镀锌制成镀锌低碳钢丝,用于捆绑、张拉固定或用作钢丝网、铆钉等。
金属材料力学性能指标金属材料是工程领域中常见的材料之一,其力学性能指标对于材料的选择和设计具有重要意义。
力学性能指标是评价金属材料力学性能优劣的重要标准,包括强度、塑性、韧性、硬度等指标。
下面将分别对这些指标进行详细介绍。
首先是强度指标,强度是材料抵抗外力破坏的能力,通常包括屈服强度、抗拉强度、抗压强度等。
屈服强度是材料在受力过程中开始产生塑性变形的临界点,是材料的抗拉性能指标,通常用σs表示。
抗拉强度是材料抵抗拉伸破坏的能力,是材料的最大抗拉应力,通常用σb表示。
抗压强度是材料抵抗压缩破坏的能力,是材料的最大抗压应力,通常用σc表示。
强度指标直接反映了金属材料的抗破坏能力,对于材料的选用和设计具有重要意义。
其次是塑性指标,塑性是材料在受力作用下产生塑性变形的能力,通常包括延伸率和断面收缩率两个指标。
延伸率是材料在拉伸破坏时的变形能力,是材料的延展性指标,通常用δ表示。
断面收缩率是材料在拉伸破坏时的收缩能力,是材料的收缩性指标,通常用ψ表示。
塑性指标反映了金属材料在受力作用下的变形能力,对于材料的成形加工和使用性能具有重要意义。
第三是韧性指标,韧性是材料在受力作用下抵抗断裂的能力,通常包括冲击韧性和断裂韧性两个指标。
冲击韧性是材料在受冲击载荷作用下抵抗破坏的能力,是材料的抗冲击性能指标,通常用AK表示。
断裂韧性是材料在受静载荷作用下抵抗断裂的能力,是材料的抗断裂性能指标,通常用KIC表示。
韧性指标反映了金属材料在受力作用下的抗断裂能力,对于材料的安全可靠性具有重要意义。
最后是硬度指标,硬度是材料抵抗划痕、压痕和穿透的能力,通常包括洛氏硬度、巴氏硬度和维氏硬度等指标。
洛氏硬度是材料抵抗划痕的能力,是材料的硬度指标,通常用HRC表示。
巴氏硬度是材料抵抗压痕的能力,是材料的硬度指标,通常用HBS表示。
维氏硬度是材料抵抗穿透的能力,是材料的硬度指标,通常用HV表示。
硬度指标反映了金属材料的硬度和耐磨性能,对于材料的耐磨加工和使用寿命具有重要意义。
钢铁材料的力学性能序号名称量的符号单位符号含义一强度强度指金属在外力作用下,抵抗塑性变形和断裂的能力1抗拉强度ζbMPa金属试样拉伸时,在拉断前所承受的最大负荷与试样原横截面面积之比称为抗拉强度Pbζb=——Fo式中Pb——试样拉断前的最大负荷(N)Fo——试样原横截面积(mm2)2抗弯强度ζbbMPa试样在位于两支承中间的集中负荷作用下,使其折断时,折断截面所承受的最大正压力8PL对圆试样:ζbb=——πd38P序号名称量的符号单位符号含义一强度强度指金属在外力作用下,抵抗塑性变形和断裂的能力1 抗拉强度ζb MPa 金属试样拉伸时,在拉断前所承受的最大负荷与试样原横截面面积之比称为抗拉强度P bζb=——Fo式中 P b——试样拉断前的最大负荷(N) Fo——试样原横截面积(mm2)2 抗弯强度ζbb MPa 试样在位于两支承中间的集中负荷作用下,使其折断时,折断截面所承受的最大正压力8PL对圆试样:ζbb=——πd38PL对矩形试样:ζbb=——2bh2式中 P——试样所承受最大集中载荷(N) L——两支承点间的跨距(mm)d——圆试样截面之外径(mm)b——矩形截面试样之宽度(mm)h——矩形截面试样之宽度(mm)3 抗压强度ζbc MPa 材料在压力作用下不发生碎、裂所能承受的最大正压力,称为抗压强度P bcζbc=——Fo式中 P b c——试样所受最大集中载荷(N) Fo——试样原横截面积(mm2)4 抗剪强度r、ζr MPa 试样剪断前,所承受的最大负荷下的受剪截面具有的平均应力P双剪:ζr=——;2FoP单剪:ζr=——;Fo式中 P——剪切时的最大负荷(N)Fo——受剪部位的横截面积(mm2)5 抗扭强度ηb MPa 指外力是扭转力的强度极限3M bηb≈——(适用于钢材)4W pM bηb≈——(适用于铸铁)W p式中M b——扭转力矩(N·mm)W p——扭转时试样截面的极断面系数(mm2)6 屈服点ζs MPa 金属度样在拉伸过程中,负荷不再增加,而试样仍继续发生变形的现象称为“屈服”。
金属材料力学性能代号含义名称代号单位含义抗拉强度σb MPa 或 N/mm^2材料试样受拉力时,在拉断前所承受的最大应力.抗压强度σbc MPa 或 N/mm^2材料试样受压力时,在压坏前所承受的最大应力.抗弯强度σbb MPa 或 N/mm^2材料试样受弯曲力时,在破坏前所承受的最大应力.抗剪强度τMPa 或 N/mm^2材料试样受剪力时,在剪断前所承受的最大剪应力.抗扭强度τb MPa 或 N/mm^2材料试样受扭转力时,在扭断前所承受的最大剪应力屈服点σs MPa 或 N/mm^2材料试样在拉伸过程中,负荷不增加或开始有所降低而变形继续发生的现象称为屈服.屈服时的最小应力称为屈服点和屈服极限.屈服强度σ0.2MPa 或 N/mm^2材料试样在拉伸过程中, 负荷不增加或开始有所降低而变形继续发生的现象称为屈服.对某些屈服现象不明显的金属材料, 测定屈服点比较困难,为便于测量,通常按其产生永久变形量等于试样原长0.2%时的应力称为屈服度或条件屈服强度.弹性极限σcσc 材料能保持弹性变形的最大应力. 真实弹性极限难以测定, 实际规定按永久变形为原长的0.005%时的应力值表示.比例极限σp MPa 或 N/mm^2在弹性变形阶段, 材料所承受的和应变能保持正比的最大应力,称比例极限.σp与σc两数值很接近,一般常互相通用.弹性模量E MPa 或 N/mm^2在比例极限的范围内, 应力与应变成正比时的比例常数,衡量材料刚度的指标.E=σ/ε ε——试样纵向线应变.切变模量G MPa 或 N/mm^2在比例极限的范围内, 应力与应变成正比时的比例常数,衡量材料刚度的指标.G=τ/γ γ——试样切应变.泊松比μ在弹性范围内, 试样横向线应变与纵向线应变的比值.μ=|ε/ε'|ε'= -με, ε'——试样横向线应变.疲劳极限σ-1MPa 或 N/mm^2材料试样在对称弯曲应力作用下, 经受一定的应力循环数数 N 而仍不发生断裂时所能承受的最大应力.对钢来说,如应力循环 N 达 10^6-10^7仍不发生断裂时,则可认为随循环次数的增加,将不再发生疲劳断裂,因此常采用 N=(0.5~1)x10^7为基数,确定钢的疲劳极限.蠕变极限σ(1/10^4),σ(1/10^5),σ(0.2/200)...MPa 或 N/mm^2在一定温度下(通常在高温下)和恒定载荷作用下,材料在规定的时间(使用期间)内的蠕变变量或蠕变速度不超过某一规定值的最大应力.符号右下角的分数中, 分子表示规定的变形量的百分数,分母表示产生该变形量所经历的时间(小时).σ(1/10^4) 表示在10000小时产生 1% 变形量的应力,有时在符号的右上角标明试验温度.DVM蠕变极限DVM MPa 或 N/mm^2加载后观测25-35小时, 可允许的伸长速度为10x10^(-14)%/小时的应力.持久极限σ(b/10^4),σ(b/10^5),σ(b/200)MPa 或 N/mm^2在一定温度下(通常在高温下), 材料在恒定载荷作用时, 材料在一定时间(使用期间)内材料破坏时的应力.符号右下角的分数中,分母表示时间(小时).有时在符号的右上角标明试验温度.伸长率(延伸率)δ,δ5,δ10%δ 材料试样被拉断后, 标距长度的增加量与原标距长度之百分比.δ5 试样的标距等于 5 倍直径时的伸长率.δ10 试样的标距等于 10 倍直径时的伸长率.断面收缩率ψ%材料试样在拉断后, 其断裂处横截面积的缩减量与原横截面积的百分比.收缩率和伸长率均用来表示材料塑料的指标冲击韧性值αku ,或 αkv J/cm^2金属材料对冲击负荷的抵抗能力称为韧性, 通常都是以大能量的一次冲击值 (αku ,或 αkv)作为标准的.它是采用一定尺寸和形状的标准试样,在摆锤式一次冲击试验机上来进行试验, 试验结果以冲断试样上所消耗的功( Aku ,或 Akv)与断口处横截面积(F)之比来衡量.冲击功Aku ,或 Akv J 金属材料对冲击负荷的抵抗能力称为韧性, 通常都是以大能量的一次冲击值 (αku ,或 αkv)作为标准的.它是采用一定尺寸和形状的标准试样,在摆锤式一次冲击试验机上来进行试验. Aku,或Akv是冲断试样所消耗的功.布氏硬度HB( HBS 或HBW )kgf/mm^2(一般不标注)硬度是指金属抵抗硬的物体压入其表面的能力.用淬硬小钢球或硬质合金球压入金属表面, 保持一定时间待变形稳定后卸载, 以其压痕面积除加加在钢球上的载荷,所得之商,即为金属的布氏硬度数值.洛氏硬度C 级HRC用1471N 载荷, 将顶角为 120°的圆锥形金刚石的压头,压入金属表面,取其压痕的深度来计算硬度的大小,即为金属的HRC硬度.HRC用来测量HB=230-700的金属材料,主要用于测定淬火钢、调质钢等较硬的金属材料(GB230-83)洛氏硬度A 级HRA用 588.4N 载荷和顶角为 120°的圆锥形金刚石的压头所测定出来的硬度, 一般用来测定硬度很高或硬而薄的金属材料, 如碳化物、硬质合金或表面淬火层,HRA用来测量HB>700金属材料.洛氏硬度B 级HRB用980.7N 载荷和直径为 1.59mm(1/16in)的淬硬钢球所测得的硬度.主要用于测定HB=60-230这一类较软的金属材料,如软钢、退火钢、正火钢、铜、钼等有色金属表面洛氏硬度HRN,HRT试验原理同前面洛氏硬度, 不同的是试验载荷较轻,HRN的压头是顶角为 120°金刚石圆锥体,HRT的压头是直径为1.5875mm 的淬硬钢球.二者的载荷均为15kgf、30kgf 和 45kgf.二者的标注分别为HRN15、HRN30、HRN45和HRT15、HRT30、HRT45.表面洛氏硬度只适用于钢材表面层硬度, 以及较薄、较小试件的硬度测定,数值较准确(见GB1818-79)HRN=100-100tHRT=100-100tt——表示主载荷与初载荷两次加载的压痕深度的差值,mm.维氏硬度HV N/mm^2用49.03-980.7N以内的载荷,将顶角为136°的金刚石四方角锥体压头压入金属的表面, 以其压痕面积除载荷所得之商,即为维氏硬度值.HV 只适用测定很薄(0.3-0.5mm)的金属材料、金属薄镀层或化学热处理后的表面层硬度(如镀铬、渗碳、氮化、碳氮共渗层等)(见GB4340-84)HV=2P/d^2.sin(136/2)=0.1891P/d^2P——压头上的负荷,Nd——压痕对角线长度,mm肖氏硬度HS 以一定重量的冲头, 从一定的高度落于被测试样的表面,以其冲头的回跳高度表示硬度的度量.适用于测定表面光滑的一些精密量具或不易搬动的大型机件.。
材料力学性能符号及意义
1:比例极限σP: 材料在不偏离应力与应变正比关系(虎克定律)条件下所能承受的最大应力。
2:弹性极限σe :材料在受载过程中未产生塑性变形的最大应力。
3:拉伸弹性模量E: 拉伸实验时,材料在弹性变形阶段内,正应力和对应的正应变的比值。
4:剪切弹性模量G: 扭转实验时,材料在弹性变形阶段内,正应力和对应的正应变的比值。
5:屈服强度σ0.2:是金属材料发生屈服现象时的屈服极限,亦即抵抗微量塑性变形的应力。
对于无明显屈服的金属材料,规定以产生0.2%残余变形的应力值为其屈服极限,称为条件屈服极限或屈服强度.
6:抗拉强度σb:材料在拉伸断裂前所能够承受的最大拉应力。
7:疲劳极限σ-1:在疲劳试验中,应力交变循环大至无限次而试样仍不破损时的最大应力叫疲劳极限。
8:疲劳强度σN:在规定的循环应力幅值和大量重复次数下,材料所能承受的最大交变应力
9:伸长率δ5:指金属材料受外力(拉力)作用断裂时,试棒伸长的长度与原来长度的百分比,伸长率按试棒长度的不同分为:短试棒求得的伸长率,代号为δ5,试棒的标距等于5倍直径长试棒求得的伸长率
10:断面收缩率ψ:材料受拉力断裂时断面缩小,断面缩小的面积与原面积之比值叫断面收缩率,以ψ表示。
单位为%。
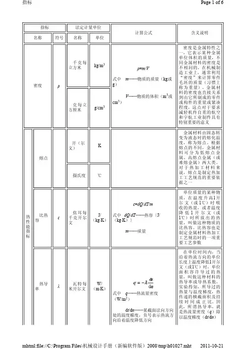
㈠物理性能指标密度符号:γ单位:kg/m3或g/cm3涵义说明:密度是金属材料的特性之一,它表示某种金属材料单位体积的质量,不同金属材料的密度是不同的。
在机械制造业上,通常利用“密度”来计算零件毛坯的质量(习惯上称质量)。
金属材料的密度也直接关系到由它所制成的零件或构件的质量或紧凑程度,这点对于要求减轻机件自重的航空和宇航工业制件具有特别重要的意义㈡弹性指标弹性模量符号:E 单位Mpa; 切削模量符号:G 单位Mpa涵义说明:金属材料在弹性范围内,外力和变形成比例地增加,即应力与应变成正比例关系时(胡克定律),这个比例系数就称为弹性模量。
根据应力,应变的性质通常又分为:弹性模量(E)和切削模量(G),弹性模量的大小,相当于引起物体单位变形时所需应力的大小,所以,它在工程技术上是衡量材料刚度的指标,弹性模量越大,刚度也越大,亦即在一定应力作用下,发生的弹性变形越小。
任何机器零件,在使用过程中,大都处于弹性状态,对于要求弹性变形较小的零件,必须选用弹性模量大的材料比例极限符号:σ(R P)单位Mpa 涵义说明:指伸长与负荷成正比地增加,保p持直线关系,当开始偏离直线时的应力称比例极限,但此位置很难精确测定,通常把能引起材料试样产生残余变形量为试样原长的0.001%或0.003%、0.005%、0.02%时的应力,规定为比例极限弹性极限符号:σ单位Mpa 涵义说明:这是表示金属材料最大弹性大的指标,e即在弹性变形阶段,试样不生产塑性变形时所能承受的最大应力,它和σp一样也难精确测定,一般多不进行测定,而以规定的σp数值代替之㈢强度性能指标强度极限符号:σ单位Mpa涵义说明:指金属材料受外力作用,在断裂前,单位面积上所能承受的最大载荷抗拉强度符号:σ(R m)单位Mpa 涵义说明:指外力是拉力时的强度极限,它是b衡量金属材料强度的主要性能指标抗弯强度符号:σ(σw)单位Mpa 涵义说明:指外力是弯曲力时的强度极限bb抗压强度符号:σ(σy)单位Mpa涵义说明:指外力是压力时的强度极限,压缩bc试验主要适用于低塑性材料,如铸铁等抗剪强度符号:τ单位Mpa 涵义说明:指外力是剪切力时的强度极限抗扭强度符号:τ单位Mpa涵义说明:指外力是扭转力时的强度极限b屈服点符号:σ单位Mpa 涵义说明:金属材料受载荷时,当载荷不再增加,但金s属材料本身的变形,却继续增加,这种现象叫做屈服,产生屈服现象时的应力,叫屈服点屈服强度符号:σ单位Mpa 涵义说明:金属材料屈服现象时,为便于测量,通常0.2按其产生永久残余变形量等于试样原长0.2%时的应力作为“屈服强度”,或称“条件屈服极限”持久强度符号:σ(h)单位Mpa涵义说明:指金属材料在一定的高温条件下,b/时间经过规定时间发生断裂时的应力,一般所指的持久强度,是指在一定温度下,试样经十万小时后的破断强度,这个数值,通常也是用外推力的方法取得的蠕变极限符号:σ变形量(%)/时间(h)单位Mpa涵义说明:金属材料在高温环境下,即使所受应力小于屈服点,也会随着时间的增长而缓慢地产生永久变形,这种现象叫做蠕变,在一定的温度下,经一定时间,金属材料的蠕变速度仍不超过规定的数值,此时所能承受的最大应力,称为蠕变极限㈣硬度性能指标布氏硬度(GB/T231-1984)符号:HBS或HBW 单位Kgf/mm2涵义说明:用淬硬小钢球或硬质合金球压入金属材料表面,以其压痕面积除加在钢球上的载荷,所得之商,以相应的实验压力,经规定保持时间后即为金属材料的布氏硬度数值。
第一章工程材料基础知识参考答案1.金属材料的力学性能指标有哪些?各用什么符号表示?它们的物理意义是什么?答:常用的力学性能包括:强度、塑性、硬度、冲击韧性、疲劳强度等。
强度是指金属材料在静荷作用下抵抗破坏(过量塑性变形或断裂)的性能。
强度常用材料单位面积所能承受载荷的最大能力(即应力σ,单位为Mpa)表示。
塑性是指金属材料在载荷作用下,产生塑性变形(永久变形)而不被破坏的能力。
金属塑性常用伸长率δ和断面收缩率ψ来表示:硬度是指材料抵抗局部变形,特别是塑性变形、压痕或划痕的能力,是衡量材料软硬程度的指标,是一个综合的物理量。
常用的硬度指标有布氏硬度(HBS、HBW)、洛氏硬度(HRA、HRB、HRC等)和维氏硬度(HV)。
以很大速度作用于机件上的载荷称为冲击载荷,金属在冲击载荷作用下抵抗破坏的能力叫做冲击韧性。
冲击韧性的常用指标为冲击韧度,用符号αk表示。
疲劳强度是指金属材料在无限多次交变载荷作用下而不破坏的最大应力称为疲劳强度或疲劳极限。
疲劳强度用σ–1表示,单位为MPa。
2.对某零件有力学性能要求时,一般可在其设计图上提出硬度技术要求而不是强度或塑性要求,这是为什么?答:这是由它们的定义、性质和测量方法决定的。
硬度是一个表征材料性能的综合性指标,表示材料表面局部区域内抵抗变形和破坏的能力,同时硬度的测量操作简单,不破坏零件,而强度和塑性的测量操作复杂且破坏零件,所以实际生产中,在零件设计图或工艺卡上一般提出硬度技术要求而不提强度或塑性值。
3.比较布氏、洛氏、维氏硬度的测量原理及应用范围。
答:(1)布氏硬度测量原理:采用直径为D的球形压头,以相应的试验力F压入材料的表面,经规定保持时间后卸除试验力,用读数显微镜测量残余压痕平均直径d,用球冠形压痕单位表面积上所受的压力表示硬度值。
实际测量可通过测出d值后查表获得硬度值。
布氏硬度测量范围:用于原材料与半成品硬度测量,可用于测量铸铁;非铁金属(有色金属)、硬度较低的钢(如退火、正火、调质处理的钢)(2)洛氏硬度测量原理:用金刚石圆锥或淬火钢球压头,在试验压力F 的作用下,将压头压入材料表面,保持规定时间后,去除主试验力,保持初始试验力,用残余压痕深度增量计算硬度值,实际测量时,可通过试验机的表盘直接读出洛氏硬度的数值。
一.金属材料物理性能1.密度(指金属材料单位体积的质量).符号:ρ;单位:kg/m³(g/cm³)2.熔点(指金属材料从固态向液态转变时的熔化温度.单位:℃3.导电性(指金属材料传导电流的性能).是衡量金属导电性能的指标,通常用电阻率和导电率来表示.电阻率的符号为ρ,单位为Ω•M;电导率的符号为γ(或σ)单位为S/M。
电阻率和电导率的关系式:γ=1/ρ)4.导热性(指金属材料传导热量的性能,通常用热导率(导热系数)来衡量。
符号为λ(或K)。
单位为W/(M•K)5.热膨胀性。
指金属材料受热后产生体积增大的性能。
通常用线膨胀系数来衡量。
符号为ai.单位为K^-1.二. 金属材料的化学性能.1.耐腐蚀性(指金属材料抵抗各种介质(如大气。
水蒸气。
其它有害气体及酸。
碱。
盐等)侵蚀的能力。
2.抗氧化性(指金属材料在高温条件下抵抗气化作用的能力)3.化学稳定性(指金属材料耐腐蚀性和抗氧化性的总和。
金属材料在高温下的化学稳定性又称热稳定性)三.金属材料的力学性能(机械性能)。
1.极限强度(指金属材料抵抗外力破坏作用的能力)单位:MPa(或N/mm²)强度按外力作用的不同可分为A.抗拉强度(抗张强度):代号σb.指外力是拉力时的极限强度.B.抗压强度:代号σbc.指外力是压力时的极限强度.C.抗弯强度:代号σbb.指外力与材料轴线垂直,并在作用后使材料呈弯曲时的极限强度. D.抗剪强度:代号σξ.指外力与材料轴线垂直,并在材料呈剪切作用时的极限强度.2.屈服点.规定残余伸长应力和规定非比例伸长应力A.屈服点(物理屈服强度)(指金属材料在受外力到某一程度时,其变形(伸长)突然增加很大时的材料抵抗外力的能力.代号:σs;单位:MPa(或N/mm²)B.规定残余伸长应力(屈服强度,条件屈服强度)(指金属材料在卸除拉力后,标距部分残余伸长力达到规定数值的应力;当规定数值为0.2%时,其代号写成σr0.2)代号:σr;单位:MPa(或N/mm²)C.规定非比例伸长应力(指金属材料在受拉力过程中,标距部分非比例伸长率达到规定数值时的应力;当规定数值为0.01%时,其代号写成σp0.01.3.弹性极限(指金属材料在受外力(拉力)到某一极限时,若除去外力,其变形(伸长)即消失,恢复原状.弹性极限是指金属材料抵抗这一限度的外力的能力.代号:σe;单位:MPa(或N/mm²)4.伸长率(延伸率)(指金属材料受外围(拉力)作用断裂时,伸长的长度与原来长度的百分比,伸长率按试棒长度的不同分为:①短试棒求得的伸长率,代号为δ5,试棒的标距等于5倍直径.②长试棒求得的伸长率,代号为δ10,试棒的标距等于10倍直径.代号:δ;单位:%5.断面收缩率(收缩率)(指金属材料受拉力作用时断裂时,断面缩小的面积和原有断面积的百分比.代号:Ψ;单位:%6.硬度(指材料抵坑硬的物体压入自己表面的能力)硬度按测定方法的不同分为以下几种:①布氏硬度(指以一定的负荷把一定直径的淬硬钢球或硬质合金球压于材料表面,保持规定时间后,卸除负荷,测量材料表面的压痕,按公式来计算硬度大小.代号:HB;单位:无②洛氏硬度(指以一定的负荷把淬硬钢球或顶角为120°圆锥形金刚石压入器压入材料表面,然后以材料表面上凹坑的深度来计算硬度大小.代号:HR;单位:无洛氏硬度有多种标尺,常见的有:A标尺C:代号HRC,采用1471.1N(150kgf)总负荷和金刚石压入器求得的硬度;它适用于调质钢.淬火钢等较硬材料的硬度测定.B标尺A:代号HRA,采用588.4N(60kgf)总负荷和金刚石压入器求得的硬度;它适用于表面淬火钢.渗碳钢.硬质合金等较硬材料的硬度测定.C标尺B:代号HRB,采用980.7N(100kgf)总负荷和以直径1.588mm淬硬钢球为压入器求得的硬度;它适用于有色金属.退火钢.正火钢等较软材料的硬度测定.D标尺F:代号HRF,采用588.4N(60kgf)总负荷和以直径为1.588mm的淬硬钢球为压入器求得的硬度,它适用于薄钢板.退火铜合金等试件和硬度测定.③维氏硬度(指以一定的负荷把120°方锥形金刚石压入器压入材料表面,保持规定时间后卸除负荷,测量材料表面的压痕对角线平均长度,按公式来计算硬度大小.④表面洛氏硬度(试验原理与洛氏硬度一样,它主要用于测定钢材表面经渗碳.氮化等处理的表面层硬度及薄小试件的硬度.代号HR;单位:无表面洛氏硬度也有多种标尺:A标尺15N:代号HR15N,采用147.1N(15kgf)总负荷和金刚石压入器求得的硬度.B标尺30N:代号HR30N,采用294.2N(30kgf)总负荷和金刚石压入器求得的硬度.C标尺45N:代号HR45N,采用441.3N(45kgf)总负荷和金刚石压入器求得的硬度.D标尺15T:代号HR15T,采用147.1N(15kgf)总负荷和以直径1.588mm淬硬钢球为压入器求得的硬度.E标尺30T:代号HR30T,采用294.2N(30kgf)总负荷和以直径1.588mm淬硬钢球为压入器求得的硬度.F标尺45T:代号HR45T,采用441.3N(45kgf)总负荷和以直径1.588MM淬硬钢球为压入器求得的硬度.6.冲击吸收功和冲击韧性①冲击吸收功(冲击功)(用一定形状和尺寸的材料试样在冲击负荷作用下折断时所吸收的功.代号:A(KU)(AKV);单位:J②冲击韧性(冲击值)(将冲击吸收功除以试样试样缺口底部处横截面积所得的商.代号aKU或Akv;单位:J/CM²注:AKU和aKU分别表示用夏比U形缺口试样求得的冲击功或冲击值,AKV和aKV分别表示用夏比V形缺口求得的冲击功或冲击值.三. 金属材料工艺性能1.铸造性.(可铸性)指金属材料能用铸造的方法获得合格铸件的性能.铸造性主要包括流动性,收缩性和偏析.流动性是指液态金属充满铸模的能力;收缩性是指铸件凝固时,体积收缩的程度;偏析是指金属在冷却凝固的过程中,因结晶先后差异而造成金属内部化学成分和组织的不均匀性.2.可锻性指金属材料在压力加工时,能改变形状而不产生裂纹的性能.它包括在热态或冷态下能够进行锤锻,轧制,拉伸,挤压等加工.可锻性的好坏主要与金属材料的化学成分有关.3.切削加工性(可切削性,机械加工性)指金属材料被刀具切削加工后而成为合格工件的难易程度.切削加工性好坏常用加工后工件的表面粗糙度,允许的切削速度以及刀具的磨损程度来衡量.它与金属材料的化学成分,力学性能,导热性及加工硬化程度等诸多因素有关.通常是用硬度和韧性作切削加工性好坏的大致判断.一般来讲,金属材料的硬度愈高愈难切削;硬度虽不高,但韧性大,切削也较困难. 4.焊接性指金属材料对焊接加工的适应性能.主要是指在一定的焊接工艺条件下,获得优质焊接接头的难易程度.它包括两个方面的内容:一是结合性能,即在一定的焊接工艺条件下,一定的金属形成焊接缺陷的敏感性;二是使用性能,即在一定的焊接工艺条件下,一定的金属焊接接头对使用要求的适用性.5.热处理①退火指金属材料加热到适当温度,保持一定时间,然后缓慢冷却的热处理工艺.常见的退火工艺有:再结晶退火,去应力退火,球化退火,完全退火等.退火的目的:主要是降低金属材料的硬度,提高塑性,以利切削加工或压力加工;减少残余应力;提高组织和成分的均匀化;或为后热处理作好组织准备等.②正火指将钢材或钢件加热到Ac3或Acm(钢的上临界点温度)以上30~50℃,保温适当时间后,在静止的空气中冷却的热处理工艺.正火的目的:主要是提高低碳钢的力学性能,改善切削加工性;细化晶粒;消除组织缺陷;为后道热处理作好组织准备等.③淬火指将钢件加热到Ac3或Ac1(钢的下临界点温度)以上某一温度,保持一定时间,然后以适当的冷却速度,获得马氏体(或贝氏体)组织的热处理工艺.常见的淬火工艺有盐浴淬火,马氏体分级淬火,贝氏体等温淬火,表面淬火和局部淬火等.淬火的目的:使钢件获得所需的马氏体组织,提高工件的硬度,强度和耐磨性;为后道热处理作好组织准备等.④回火指钢件经淬硬后,再加热到Ac1以下的某一温度,保温一定时间,然后冷却到室温的热处理工艺.常见的回火工艺有:低温回火,中温回火,高温回火和多次回火等.回火的目的:主要是消除钢件在淬火时所产生的应力;使钢件具有高的硬度和耐磨性外,并具有所需要的塑性和韧性等.⑤调质指将钢材或钢件进行淬火及回火的复合热处理工艺.适用于调质处理的钢称调质钢.它一般是指中碳结构钢和中碳合金结构钢,如45,40Cr钢等.⑥化学热处理指金属或合金工件置于一定温度的活性介质中保温,使一种或几种元素渗入它的表层,以改变其化学成分,组织和性能的热处理工艺.常见的化学热处理工艺有:渗碳,渗氮,碳氮共渗,渗铝,渗硼等.化学热处理的目的:主要是提高钢件表面的硬度,耐磨性,搞蚀性,抗疲劳强度和抗氧化性等.⑦固溶处理:指将合金加热到高温单相区恒温保持,使过剩相充分溶解到固溶体中后快速冷却,以得到过饱和固溶体的热处理工艺.固溶处理的目的:主要是改善钢和合金的塑性和韧性;为沉淀硬化处理作好准备等.⑧沉淀硬化(析出强化)指金属在过饱和固溶体中溶质原子偏聚区和(或)由之脱溶出微粒弥散分步于基体中而导致硬化的一种热处理工艺.如奥氏体沉淀不锈钢在固溶处理后或经冷加工后,在400~500℃或700~800℃进行沉淀硬化处理,可获得很高的强度.⑨时效处理:指合金工件经固溶处理,冷塑性变形或铸造,锻造后,在较高的温度放置或室温保持,其性能,形状,尺寸随时间而变化的热处理工艺.若采用将工件加热到较高温度,并较长时间进行时效处理的时效处理工艺.若采用将工件加热到较高温度,并较长时间进行时效处理的时效处理工艺,称为人工时效处理;若将工件放置在室温或自然条件下长间间存放而发生的时效现象,称为自然时效处理.时效处理的目的:消除工件内应力,稳定组织和尺寸,改善机械性能等.⑩淬透性:指在规定条件下,决定钢材淬硬深度和硬度分布的特性.钢材淬透性与差,常用淬硬层深度来表示.淬硬层深度越大,则钢的淬透性越好.钢的淬透性主要取决于它的化学成分,特别是含增大淬透性的合金元素及晶粒度,加热温度和保温时间等因素有关.淬透性好的钢材,可使钢件整个截面获得均匀一致的力学性能以及可选用钢件淬火应力的淬火剂,以减少变形和开裂.⑾临界直径(临界淬透直径)临界直径是指钢材在某种介质中淬冷后,心部得到全部马氏体或50%马氏体组织时的最大直径,一些钢的临界直径一般可以通过油中或水中的淬透性试验来获得.⑿二次硬化某些铁碳合金(如高速钢)须经多次回火后,才进一步提高其硬度.这种硬化现象,称为二次硬化,它是由于特殊碳化物析出和(或)由于残余奥氏体转变为马氏体或贝氏体所致. ⒀回火淬性指淬火钢在某些温度区间回火或从回火温度缓慢冷却通过该温度区间的脆化现象.回火脆性可分为第一类回火脆性和第二类回火脆性.第一类回火脆性又称不可逆回火淬性,主要发生在回火温度为250~400℃时,在重新加热脆性消失后,重复在此区间回火,不在发生脆性第二类回火脆性又称可逆回火脆性,发生的温度在400~650℃,当重新加热脆性消失后,应迅速冷却,不能在400~650℃区间长时间停留或缓冷,否则会再次发生脆化现象.回火脆性的发生与钢中所含合合元素有关,如锰,铬,硅,镍,会产生回火脆性倾向,而钼,钨有减弱回火脆性倾向.。
金属材料的力学性能编辑本段任何机械零件或工具,在使用过程中,往往要受到各种形式外力的作用。
如起重机上的钢索,受到悬吊物拉力的作用;柴油机上的连杆,在传递动力时,不仅受到拉力的作用,而且还受到冲击力的作用;轴类零件要受到弯矩、扭力的作用等等。
这就要求金属材料必须具有一种承受机械荷而不超过许可变形或不破坏的能力。
这种能力就是材料的力学性能。
金属表现来的诸如弹性、强度、硬度、塑性和韧性等特征就是用来衡量金属材料材料在外力作用下表现出力学性能的指标。
1.1.1 强度强度是指金属材料在静载荷作用下抵抗变形和断裂的能力。
强度指标一般用单位面积所承受的载荷即力表示,符号为σ,单位为MPa。
工程中常用的强度指标有屈服强度和抗拉强度。
屈服强度是指金属材料在外力作用下,产生屈服现象时的应力,或开始出现塑性变形时的最低应力值,用σs表示。
抗拉强度是指金属材料在拉力的作用下,被拉断前所能承受的最大应力值,用σb表示。
对于大多数机械零件,工作时不允许产生塑性变形,所以屈服强度是零件强度设计的依据;对于因断裂而失效的零件,而用抗拉强度作为其强度设计的依据。
1.1.2 塑性塑性是指金属材料在外力作用下产生塑性变形而不断裂的能力。
工程中常用的塑性指标有伸长率和断面收缩率。
伸长率指试样拉断后的伸长量与原来长度之比的百分率,用符号δ表示。
断面收缩率指试样拉断后,断面缩小的面积与原来截面积之比,用y表示。
伸长率和断面收缩率越大,其塑性越好;反之,塑性越差。
良好的塑性是金属材料进行压力加工的必要条件,也是保证机械零件工作安全,不发生突然脆断的必要条件。
1.1.3 硬度硬度是指材料表面抵抗比它更硬的物体压入的能力。
硬度的测试方法很多,生产中常用的硬度测试方法有布氏硬度测试法和洛氏硬度试验方法两种。
(一)布氏硬度试验法布氏硬度试验法是用一直径为D的淬火钢球或硬质合金球作为压头,在载荷P的作用下压入被测试金属表面,保持一定时间后卸载,测量金属表面形成的压痕直径d,以压痕的单位面积所承受的平均压力作为被测金属的布氏硬度值。