钢结构基本原理试题及答案
- 格式:docx
- 大小:62.78 KB
- 文档页数:5
钢结构基本原理理论知识考核■单选题1.以下关于钢材缺点的说法不对的是(I [单选题]A、价格较贵B、不耐热VC、不耐火D、易腐蚀2.判断钢材是否出现脆性破坏最主要的指标是(1 [单选题]A、弓艘B、可焊性C、韧性VD、塑性3.关于钢材的选用,错的说法是(1 [单选题]A、需要验算疲劳的焊接结构的钢材应具有冲击韧性的合格保证B、直接承受动力荷载的非焊接结构的钢材可不具有冲击韧性的合格保证。
C、焊接结构的钢材应具有碳含量的合格保证D、焊接承重结构的钢材应具有冷弯试验的合格保证4.钢材可焊性与其化学成分有关,以下()化学元素含量与钢材可焊性关系最密切。
[单选题]A、硫B、磷A、减小受压翼缘厚度,增加腹板厚度B、减小受压翼缘厚度,增加受拉翼缘厚度C、减小受压翼缘宽度,增加受拉翼缘宽度D、减小受拉翼缘宽度,增加受压翼缘宽度V40.在进行钢梁抗弯强度计算时,截面塑性发展系数在()情况下可按规定取值大于1.0 o [单选题]A、截面板件宽厚比等级为S4或S5级B、截面板件宽厚比等级为SI、S2或S3级VC、需要计算疲劳的梁D、受压翼缘宽厚比大于138k41.钢结构是指建筑物的主要承重体系由各类钢材建成的结构。
[判断题]对错V42.钢材的容重是混凝土的3倍、木材的15倍,因此钢结构自重较大。
[判断题]对错V43.与混凝土结构相比,钢结构的稳定性问题比较突出。
[判断题]对V错44.碳素结构钢质量分级由A到E , A级质量最低,E级质量最高。
[判断题]对错V45.在连续反复荷载作用下,钢材或钢构件易发生疲劳破坏,疲劳强度低于极限强度甚至低于屈服强度,属于脆性破坏。
[判断题]对V错46.对于重要结构、直接承受动载的结构、处于低温条件下的结构及焊接结构,应选用质量较高的钢材。
[判断题]对V错47.钢结构或钢构件的主要破坏形式是变形破坏。
[判断题]对错V48.在工程实践中,纯粹的钢结构强度破坏是很少发生的。
[判断题]对V错49.受弯构件(梁)的整体失稳形式为弯扭失稳。
钢结构考试题与参考答案一、单选题(共46题,每题1分,共46分)1.超声波入射到异质界面时,可能发生 ( )A、反射B、折射C、波形转换D、以上都是正确答案:D2.探头频率与晶片厚度有关,晶片越薄 ( )A、频率越低B、频率越高C、频率显著差别D、以上都不对正确答案:B3.碳素结构钢夏比冲击吸收功值,按一组 3 个试样值的算术平均值计算,允许 1 个试样的单个值低于规定值,但不得低于规定值的( )。
A、80%B、75%C、85%D、70%正确答案:D4.钢板栓接面抗滑移系数测定试验中,大六角螺栓预拉力应控制在相关标准规范规定的设计预拉力值 P 的()之间。
A、0.9~1.1B、0.95~1.05C、0.85~1.15D、0.8~1.2正确答案:B5.制造厂和安装单位应分别以钢结构制造批为单位进行抗滑移系数试验时,每批应测试 ( ) 组试件。
A、3B、10C、8D、56.厚度为 2mm ,宽度 b0 为 20mm 的钢板,该构件非比例试样原始标距为( )。
A、80mmB、50mmC、70mmD、60mm正确答案:A7.从事钢结构无损检测的人员,每年应检查一次视力,无论是否经过矫正,在不小于( )距离处,一只眼睛或两只眼睛的近视力应能读出Times New Roman()。
()A、300mm,5.0B、300mm,4.5C、400mm,4.5D、400mm,5.0正确答案:B8.依据国家验收标准规定,钢网架结构挠度检测时,当网架的跨度小于24m ,测点应为 ( )。
A、四等分点B、变形极大值点C、跨中一点D、三等分点正确答案:C9.声压反射率是指 ( ) 与入射声压之比。
A、反射声压B、折射声压C、透射声压D、反射声强正确答案:A10.如果超声波频率增加而晶片直径不变,则声束扩散角将 ( )A、减小B、保持不变C、增大D、随声速均匀变化11.GB/T 228.1《金属材料拉伸试验第 1 部分:室温试验方法》测定最大力总延伸率的验证试验,应使用不低于 ( ) 准确度的引伸计。
钢结构基本原理试题(A)参考答案(08级)一、简答题:40%(每题10分)1.钢结构对钢材性能有哪些要求?在南方地区和寒冷地区建造厂房对钢材性能的要求有何不同?答:钢结构对钢材的性能有如下要求:(1)较高的强度,即抗拉强度f u和屈报点f y都较高;(2)足够的变形能力,即塑性和韧性都较好;(3)良好的加工性能,即适合冷、热加工,同时具有可焊性。
也就是钢材要有较好的:强度、塑性、韧性和冷弯性能。
在寒冷地区,要求所用钢材具有较好的抗低温冷脆能力,这是与南方地区用钢要求不同之处。
2.什么是钢材的疲劳?影响疲劳强度的因素有哪些?提高钢材的强度等级可否提高疲劳强度?为什么?答:钢材在循环荷载作用下,当荷载循环次数达到某一定值时,钢材发生破坏的现象,称为钢材的疲劳破坏。
疲劳强度与构造状况(包括应力集中程度和残余应力)、作用的应力幅及循环次数等有关。
提高钢材的强度等级并不能提高其疲劳强度,因疲劳破坏时,应力值都小于材料的屈服应力。
3.高强度螺栓摩擦型连接与承压型连接的受力特点有何不同?如何确定它们单个受拉和受剪的承载力设计值?答:高强度螺栓摩擦型连接与承压型连接的抗剪传力是规定不同:摩擦型是以摩擦力传递荷载,而承压型的传力以普通螺栓相同,以栓杆抗剪和杆壁承压传递荷载。
单个高强度螺栓,不论摩擦型还是承压型,其抗拉承载力相同,以预拉力的0.8倍来确定;摩擦型螺栓抗剪承载力是以极限摩擦阻力来确定,承压型抗剪承载力是以栓杆被剪断或杆壁被压坏来确定。
4.格构式压弯构件,当绕虚轴弯曲时,如何保证其弯矩作用平面外的稳定?答:格构式压弯构件,当绕虚轴弯曲时,其弯矩作用平面外的稳定由组成构件的两个分肢的轴压稳定来保证。
二、计算题:60%1.如图所示的连接节点,斜杆由两等边角钢组成,承受的静力轴向拉力设计值N=400KN ,斜杆通过T 形连接板与柱相连接,钢材为Q235B ,手工焊,焊条为E43型;柱与连接板采用普通螺栓连接,螺栓的性能等级为4.6级M22。
2.1 如图2-34所示钢材在单向拉伸状态下的应力-应变曲线,请写出弹性阶段和非弹性阶段的σε-关系式。
tgα'=E'f y 0f y 0tgα=E 图2-34 σε-图(a )理想弹性-塑性(b )理想弹性强化解:(1)弹性阶段:tan E σεαε==⋅非弹性阶段:y f σ=(应力不随应变的增大而变化) (2)弹性阶段:tan E σεαε==⋅ 非弹性阶段:'()tan '()tan y y y y f f f E f Eσεαεα=+-=+-2.2如图2-35所示的钢材在单向拉伸状态下的σε-曲线,试验时分别在A 、B 、C 卸载至零,则在三种情况下,卸载前应变ε、卸载后残余应变c ε及可恢复的弹性应变y ε各是多少?2235/y f N mm = 2270/c N mm σ= 0.025F ε= 522.0610/E N mm =⨯2'1000/E N mm =f yσ图2-35 理想化的σε-图解:(1)A 点:卸载前应变:52350.001142.0610y f Eε===⨯卸载后残余应变:0c ε=可恢复弹性应变:0.00114y c εεε=-=(2)B 点:卸载前应变:0.025F εε==卸载后残余应变:0.02386y c f Eεε=-=可恢复弹性应变:0.00114y c εεε=-=(3)C 点: 卸载前应变:0.0250.0350.06'c yF f E σεε-=-=+=卸载后残余应变:0.05869cc Eσεε=-=可恢复弹性应变:0.00131y c εεε=-=2.3试述钢材在单轴反复应力作用下,钢材的σε-曲线、钢材疲劳强度与反复应力大小和作用时间之间的关系。
答:钢材σε-曲线与反复应力大小和作用时间关系:当构件反复力y f σ≤时,即材料处于弹性阶段时,反复应力作用下钢材材性无变化,不存在残余变形,钢材σε-曲线基本无变化;当y f σ>时,即材料处于弹塑性阶段,反复应力会引起残余变形,但若加载-卸载连续进行,钢材σε-曲线也基本无变化;若加载-卸载具有一定时间间隔,会使钢材屈服点、极限强度提高,而塑性韧性降低(时效现象)。
《钢结构基本原理》习题三答案《钢结构基本原理》习题三答案一、单项选择题(本大题共30小题,每小题1分,共30分)1.钢结构中的主要有害元素是(C)。
A、碳磷硅B、硫磷锰C、硫氧氮D、碳锰矾2.钢材的性能因温度而变化,在负温范围内钢材的塑性和韧性(B)。
A、不变B、降低C、升高D、前者增大,后者减小3.钢材的力学性能指标,最基本、最主要的是(C)时的力学性能指标。
A、承受剪切B、承受弯曲C、单向拉伸D、两向和三向受力4.产生焊接残余应力的主要因素之一是( C )。
A、钢材的塑性太低B、钢材的弹性模量太大C、焊接时热量分布不均匀D、焊缝的厚度太小5.在低温工作的钢结构选择钢材除强度、塑性、冷弯性能指标外,还需(C)指标。
A、低温屈服强度B、低温抗拉强度C、低温冲击韧性D、疲劳强度6.钢材脆性破坏同构件(C)无关。
A、应力集中B、低温影响C、残余应力D、弹性模量7.与轴压杆稳定承载力无关的因素是(D)。
A、杆端的约束状况B、残余应力C、构件的初始偏心D、钢材中有益金属元素的含量8.焊接残余应力不影响构件的(B)。
A、整体稳定B、静力强度C、刚度D、局部稳定9.钢材经历了应变硬化应变强化之后(A)。
A、强度提高B、塑性提高C、冷弯性能提高D、可焊性提高10.处于低温下的焊接结构应选用(C)。
A、耐腐蚀的钢材B、含磷的钢材C、韧性好的钢材D、强度高的钢材11、以下关于应力集中的说法中正确的是B。
A、应力集中降低了钢材的屈服强度B、应力集中产生同号应力场,使塑性变形受到限制C、应力集中产生异号应力场,使钢材变脆D、应力集中可以提高构件的疲劳强度12.Q235与Q345两种不同强度的钢材进行手工焊接时,焊条应采用( C)A.E55型B.E50型C.E43型D.H10MnSi13.在搭接连接中,为了减小焊接残余应力,其搭接长度不得小于较薄焊件厚度的( A)A.5倍B.10倍C.15倍D.20倍14.大跨度结构常采用钢结构的主要原因是钢结构(B)A.密封性B.自重轻C.制造工厂化D.便于拆装15.理想轴心受压构件失稳时,只发生弯曲变形,杆件的截面只绕一个主轴旋转,杆的纵轴由直线变为曲线,这时发生的是(D )。
钢结构基本原理题库选择题1、钢材的抗剪设计强度 与有关,一般而言 =( A )。
A :; B :; C :; D : 2. 规范对钢材的分组是根据钢材的( D )确定的。
A : 钢种;B :钢号;C :横戴面积的大小;D :厚度与直径 3. 钢材在复杂应力状态下的屈服条件是由(D)等于单向拉伸时的屈服点决定的。
A : 最大主拉应力; B :最大剪应力 ; C :最大主压应力; D :极限强度折算应力4. 某构件发生了脆性破坏,经检查发现在破坏时构件内存在下列问题,但可以肯定其中(D )对该破坏无直接影响。
A : 钢材的屈服点过低;B :构件的荷载增加速度过快 ;C :存在冷加工硬化 ;D :构件有构造原因引起的应力集中5. 应力集中愈严重,钢材也就变得愈脆,这是因为(B)A :应力集中降低了材料的屈服点 ;B :应力集中产生同号应力场,使塑性变形受到约束 ;C :应力集中处的应力比平均应力高 ;D :应力集中降低了钢材的抗拉强度6. 某元素严重降低钢材的塑、韧性,特别是在温度较低时促使钢材变脆。
该元素是(B)。
A :硫 ;B :磷 ;C :碳;D :锰7. 最易产生脆性破坏的应力状态是(B)。
A :单向压应力状态 ;B :三向拉应力状态 ;C :二向拉一向压的应力状态;D :单向拉应力状态8. 进行疲劳验算时,计算部分的设计应力幅应按(A)A :标准荷载计算 ;B :设计荷载计算 ;C :考虑动力系数的标准荷载计算 ;D :考虑动力系数的设计荷载计算9.轴心受压杆件应该满足一定的刚度要求,即(C )。
A .B .C .D . 10.格构式轴心压杆中的缀条应该按照(B )计算。
A .轴心受拉构件B . 轴心受压构件C . 受弯构件D . 偏心受力构件11.《钢结构设计规范》(GB50017-2003)中,确定轴心受压构件的整体稳定系数的柱子曲线有(D )条。
v f f v f 3f 3f n N f A ≤N f Aϕ≤[]λλ≤b b t t ⎡⎤≤⎢⎥⎣⎦A.1 B. 2 C. 3 D. 412.单轴对称的轴心受压构件绕对称轴的失稳形式为(B),计算时采用考虑扭转效应的换算长细比。
钢结构考试题及答案一、单项选择题(每题2分,共20分)1. 钢结构的主要材料是()。
A. 钢筋混凝土B. 型钢C. 铝合金D. 木材答案:B2. 钢结构的连接方式不包括()。
A. 焊接B. 螺栓连接C. 铆接D. 混凝土浇筑答案:D3. 钢结构的防火性能较差,因此需要采取()措施。
A. 增加结构强度B. 增加结构刚度C. 加强防腐D. 防火保护答案:D4. 钢结构设计中,荷载组合的目的是()。
A. 确定结构的最大荷载B. 确定结构的最小荷载C. 确定结构的稳定性D. 确定结构的安全性答案:D5. 钢结构的疲劳破坏是由于()。
A. 材料强度不足B. 材料刚度不足C. 反复荷载作用D. 环境腐蚀答案:C6. 钢结构的塑性性能主要取决于()。
A. 材料的强度B. 材料的硬度C. 材料的韧性D. 材料的弹性答案:C7. 钢结构的稳定性分析中,不考虑()。
A. 材料的屈服B. 构件的屈曲C. 构件的剪切D. 构件的扭转答案:D8. 钢结构的焊接缺陷不包括()。
A. 气孔B. 裂纹C. 未焊透D. 锈蚀答案:D9. 钢结构的螺栓连接中,高强度螺栓的预拉力主要取决于()。
A. 螺栓的直径B. 螺栓的材质C. 螺栓的等级D. 螺栓的长度答案:C10. 钢结构的防腐措施中,不包括()。
A. 涂层B. 热浸镀锌C. 电镀D. 焊接答案:D二、多项选择题(每题3分,共15分)11. 钢结构的主要优点包括()。
A. 材料强度高B. 施工速度快C. 耐腐蚀性能好D. 可回收利用答案:ABD12. 钢结构的连接方式包括()。
A. 焊接B. 螺栓连接C. 铆接D. 混凝土浇筑答案:ABC13. 钢结构的荷载类型包括()。
A. 永久荷载B. 活荷载C. 风荷载D. 地震荷载答案:ABCD14. 钢结构的稳定性问题包括()。
A. 局部屈曲B. 全局屈曲C. 构件的剪切D. 构件的扭转答案:AB15. 钢结构的焊接缺陷包括()。
A. 气孔B. 裂纹C. 未焊透D. 锈蚀答案:ABC三、判断题(每题2分,共20分)16. 钢结构的强度设计可以不考虑材料的塑性性能。
钢 结 构 模 拟 试 题(一)一、简答题(每小题5分,共20分) 1.简述钢材塑性破坏的特征和意义。
2.什么叫实腹式轴心受压构件等稳设计?3.焊接工字形板梁翼缘与腹板间的角焊缝计算长度是否受60h f (静)或40h f (动力)的限制?为什么?4.当弯矩作用在实腹式压弯构件截面的弱轴平面内时,为什么要分别进行弯矩作用平面内、外的两类稳定性验算?它们分别属于第几类稳定问题?二、单项选择题(在每小题的四个备选答案中,选出一个正确答案,并将正确答案的序号填在题干的括号内。
每小题1分,共10分)1.为防止钢材在焊接时或承受厚度方向的拉力时发生分层撕裂,必须对钢材的( )进行测试。
A.抗拉强度f u B.屈服点f y C.冷弯180°试验 D.Z 向收缩率2.对不同质量等级的同一类钢材,在下列各指标中,它们的( )不同。
A.抗拉强度f u B.屈服点f y C.伸长率δ D.冲击韧性A KV3.同一结构钢材的伸长率( )。
A.δ5>δ10B.δ5=δ10C.δ5<δ10D.不能确定4.摩擦型高强度螺栓的抗剪连接是靠( )来传递剪力。
A.螺杆抗剪和承压 B.螺杆抗剪C.螺杆承压D.连接板件间的摩擦力5.在纯剪切作用下,梁腹板的纯剪屈曲不先于屈服破坏的条件是( )。
A.w 0t h ≤y f 23580B.w0t h ≤yf 235170C.w0t h >yf 235170 D.不能确定6.两端简支的梁,跨中作用一集中荷载,对荷载作用于上翼缘和作用于下翼缘两种情况,梁的整体稳定性承载能力( )。
A.前者大B.后者大C.二者相同D.不能确定7.两根几何尺寸完全相同的压弯构件,二者都是两端简支,且承受的轴压力大小相等,但一根承受均匀弯矩作用,而另一根承受非均匀弯矩作用,则二者承受的临界弯矩相比( )。
A.前者大于等于后者 B.前者小于等于后者 C.两种情况相同 D.不能确定8.与无檩屋盖相比,下列( )不是有檩屋盖的特点。
一、填空题(每空1分,共10分)1、钢材的冲击韧性越小,钢材抵抗脆性断裂的能力( 越弱 )。
2、承受静力荷载的侧面角焊缝的最大计算长度是( 60h f )。
3、焊接结构选用焊条的原则是,计算焊缝金属强度宜与母材强度( 相等 )。
4、钢材牌号Q235-BF,其中235表示( 屈服点数值 ),B 表示( 质量等级 ),F 表示( 沸腾钢 )。
5、工字形轴压构件翼缘局部稳定保证条件是根据( 等稳定原则 )导出的。
6、按正常使用极限状态计算时,受弯构件要限制( 挠度 ),拉、压构件要限制( 长细比 )。
7、压弯构件在弯矩作用平面外的失稳变形形式是( 弯扭屈曲 )。
二、选择题 (每题1分,共10分)1、钢结构的主要缺点是( C )。
A 结构的重量大B 造价高C 易腐蚀、不耐火D 施工困难多2、钢材中硫的含量超过规定标准( D )。
A 将提高钢材的伸长率B 将提高钢材的抗拉强度C 将使钢材在低温工作时变脆D 将使钢材在高温工作时变脆3、角焊缝的最小焊脚尺寸表示式中t t h f ,5.1 ( B )。
A 较薄板厚度B 较厚板厚度C 任意板厚4、下面的( B )情况应将其设计强度进行折减。
A 动力荷载作用的构件B 单角钢单面按轴压计算稳定的构件C 有应力集中影响的构件D 残余应力较大的构件5、验算工字形组合截面轴心受压构件翼缘和腹板的局部稳定时,计算公式中的长细比为( C )。
A 绕强轴的长细比 B 绕弱轴的长细比C 两方向长细比的较大值D 两方向长细比的较小值6、格构柱设置横隔的目的是( D )。
A 保证柱截面几何形状不变B 提高柱抗扭刚度C 传递必要的剪力D 上述三种都是7、7、计算长度一定的轴心压杆回转半径增大,其稳定承载力( A )。
A 提高B 降低C 不变D 不能确定8、支承加劲肋进行稳定计算时,计算面积应包括加劲肋两端一定范围内的腹板面积,该范围是( A )。
A 15y w f t 235B 13y w f t 235C 13235y w f tD 15235y w f t 9、计算梁的抗弯强度M W f x x n x x /()(.)γγ≤〉10,与此相应的翼缘外伸肢宽厚比不应超过( B )。
一 填空题1、 计算结构或构件的强度、稳定性以及连接的强度时,应采用荷载的 设计 值;计算疲劳时,应采用荷载的 标准 值。
2、 钢材Q235B 中,235代表 屈服值 ,按脱氧方法该钢材属于 镇静 钢。
3、 对于普通碳素钢,随含碳量的增加,钢材的屈服点和抗拉强度 升高 ,塑性和韧性 降低 ,焊接性能 降低 。
4、当采用三级质量受拉斜对接焊缝连接的板件,承受轴心力作用,当焊缝轴线与轴心力方向间夹角满足 tg θ≤15 ,焊缝强度可不计算 。
5、钢材的选用应根据结构的重要性、 荷载特征 、 钢材厚度 等因素综合考虑,选用合适的钢材。
6、钢材受三向同号拉应力作用,数值接近,即使单项应力值很大时,也不易进入 塑性 状态,发生的破坏为 脆性 破坏。
7、在普通碳素结构钢的化学成分中加入适量的硅、锰等合金元素,将会 提高 钢材的强度。
8、 轴心受压柱的柱脚底板厚度是按底板的 受弯 受力工作确定的。
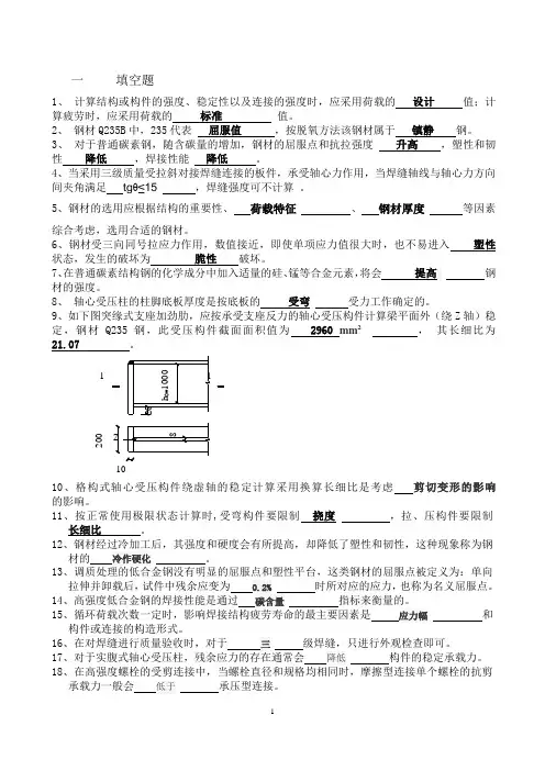
9、如下图突缘式支座加劲肋,应按承受支座反力的轴心受压构件计算梁平面外(绕Z 轴)稳定,钢材Q235钢,此受压构件截面面积值为 2960 mm 2 , 其长细比为 21.07 。
10、格构式轴心受压构件绕虚轴的稳定计算采用换算长细比是考虑 剪切变形的影响 的影响。
11、按正常使用极限状态计算时,受弯构件要限制 挠度 ,拉、压构件要限制长细比 。
12、钢材经过冷加工后,其强度和硬度会有所提高,却降低了塑性和韧性,这种现象称为钢材的 冷作硬化 。
13、调质处理的低合金钢没有明显的屈服点和塑性平台,这类钢材的屈服点被定义为:单向拉伸并卸载后,试件中残余应变为 0.2% 时所对应的应力,也称为名义屈服点。
14、高强度低合金钢的焊接性能是通过 碳含量 指标来衡量的。
15、循环荷载次数一定时,影响焊接结构疲劳寿命的最主要因素是 应力幅 和构件或连接的构造形式。
16、在对焊缝进行质量验收时,对于 三 级焊缝,只进行外观检查即可。
钢结构试题库含参考答案一、单选题(共52题,每题1分,共52分)1.焊缝探伤时,焊缝中与表面成一定角度的缺陷,其表面状态对回波高度的影响是()。
A、粗糙表面回波幅度高B、光滑表面回波幅度高C、粗糙、光滑表面回波幅度相同D、无影响正确答案:A2.钢结构性能承载力检验结果的评定:检验荷载作用下,结构或构件的任何部分不应出现屈曲破坏或断裂破坏;卸载后结构或构件的变形至少减少至()。
A、30%B、25%C、22%D、20%正确答案:D3.在抗拉连接中采用摩擦型高强度螺栓或承压型高强度螺栓,承载力设计值()。
A、不一定相等B、前者大于后者C、相等D、后者大于前者正确答案:C4.为实现钢管的横波探伤,要求入射角在()之间。
A、第一、二临界角B、与临界角无关C、第一、三临界角D、第二、三临界角正确答案:A5.探头中压电晶片的基频取决于()。
A、激励电脉冲的宽度B、晶片材料和厚度C、发射电路阻尼电阻的大小D、晶片的机电耦合系数正确答案:B6.材料的声阻抗用来:()A、确定界面上的折射角B、确定材料的声衰减C、确定界面上透过和反射声能的相对数量D、确定材料中声束扩散角正确答案:C7.根据《钢结构现场检测技术标准》GBT50621-2010规定,用于钢结构或构件变形的测量级别可按()考虑。
A、一级B、二级C、三级D、四级正确答案:C8.钢材拉伸、冷弯和冲击试验取样数量分别为()个。
A、1,2,3B、2,2,3C、2,1,3D、1,1,3正确答案:D9.使用性能检验试验,用于验证结构或构件在规定荷载作用下出现设计允许的(),经过检验且满足要求的结构或构件应能正常使用。
A、弹性变形B、塑性变形C、承载力极限D、屈服极限正确答案:A10.AVG曲线也叫(),描述了距离-波幅增益量-缺陷当量尺寸三者之间的关系。
A、SGD曲线B、GDS曲线C、SDG曲线D、DGS曲线正确答案:D11.A型脉冲超声波探伤仪,主要利用超声波传播过程中的()A、散射特性B、反射特性C、透射特性D、扩散特性正确答案:B12.断后伸长率是断后标距的()与原始标距之比的百分率。
《钢结构基本原理》2 在线作业答案一、单选题(共 30 道试题,共 60 分。
)1. 产生焊接残余应力的主要因素之一是()。
A. 钢材的塑性太低B. 钢材的弹性模量太大C. 焊接时热量分布不均匀D. 焊缝的厚度太小正确答案:C 满分:2 分2. 关于建筑结构钢材的优缺点,下列说法中错误的是A. 钢材的强度较高,结构自重轻B. 钢材具有良好的冷加工和热加工性能C. 钢结构的耐腐蚀性能很好,适合在各种恶劣环境中使用D. 钢结构的耐热性很好,但耐火性能很差正确答案:C 满分:2 分3. 腹板屈曲后强度产生的原因是A. 腹板屈曲后产生钢材的弹塑性强化,能够继续承担更大的荷载B. 腹板屈曲后产生薄膜拉力场,牵制了板变形的发展,存在继续承载的潜能C. 腹板屈曲后产生复杂的应力状态,提高了钢材的屈服点D. 由于横向加劲肋的存在,提高了腹板局部稳定承载力正确答案:C 满分:2 分4. 在低温工作的钢结构选择钢材除强度、塑性、冷弯性能指标外,还需()指标。
A. 低温屈服强度B. 低温抗拉强度C. 低温冲击韧性D. 疲劳强度正确答案:C 满分:2 分5. 角焊缝的最小焊脚尺寸表示式中tthf,5.1A. 较薄板厚度B. 较厚板厚度C. 任意板厚正确答案:B 满分:2 分6. 与轴心受压构件的稳定系数φ有关的因素是()。
A. 截面类别、钢号、长细比B. 截面类别、计算长度系数、长细比C. 截面类别、两端连接构造、长细比D. 截面类别、两个方向的长度、长细比正确答案:B 满分:2 分7. 钢材中硫的含量超过规定标准A. 将提高钢材的伸长率B. 将提高钢材的抗拉强度C. 将使钢材在低温工作时变脆D. 将使钢材在高温工作时变脆正确答案:D 满分:2 分8. 荷载作用于截面形心的焊接工字形等截面简支梁,最容易发生整体失稳的情况是。
A. 跨中集中荷载作用B. 跨间三分点各有一个集中荷载作用C. 梁两端有使其产生同向曲率、数值相等的端弯矩作用D. 全跨均布荷载作用正确答案:C 满分:2 分9. 处于低温下的焊接结构应选用()。
钢结构基本原理一、选择题1、Q235钢按照质量等级分为A、B、C、D四级,由A到D表示质量由低到高,其分类依据是CA、冲击韧性B、冷弯试验C、化学成分D、伸长率2、某构件发生了脆性破坏,不经检查可以肯定下列问题中( )对该破坏无直接影响AA、钢材的屈服点过低B、构件的荷载增加速度过快C、存在冷加工硬化D、构造原因引起的应力集中3、钢材所含化学成分中,需严格控制含量的有害元素为 CA、碳、锰B、钒、锰C、硫、氮、氧D、铁、硅4、同类钢种的钢板,厚度越大 AA、强度越低B、塑性越好C、韧性越好D、内部构造缺陷越少5、以下关于应力集中的说法中正确的是 BA、应力集中降低了钢材的屈服强度B、应力集中产生同号应力场,使塑性变形受到限制C、应力集中产生异号应力场,使钢材变脆D、应力集中可以提高构件的疲劳强度6、Q235与Q345两种不同强度的钢材进行手工焊接时,焊条应采用 CA、E55型B、E50型C、E43型D、H10MnSi7、承压型高强度螺栓连接比摩擦型高强度螺栓连接 BA、承载力低,变形大B、承载力高,变形大C、承载力低,变形小D、承载力高,变形小8、当沿受力方向的连接长度时,螺栓的抗剪和承压设计承载力均应降低,以防止? BA、中部螺栓提前破坏B、端部螺栓提前破坏C、螺栓受弯破坏D、螺栓连接的变形过大9、为提高轴心受压构件的整体稳定,在杆件截面面积不变的情况下,杆件截面的形式应使其面积分布 BA、尽可能集中于截面的形心处B、尽可能远离形心C、任意分布,无影响D、尽可能集中于截面的剪切中心10、钢材中硫的含量超过规定标准 DA、将提高钢材的伸长率B、将提高钢材的抗拉强度C、将使钢材在低温工作时变脆D、将使钢材在高温工作时变脆11、下面的()情况应将其设计强度进行折减 BA、动力荷载作用的构件B、单角钢单面按轴压计算稳定的构件C、有应力集中影响的构件D、残余应力较大的构件12、验算工字形组合截面轴心受压构件翼缘和腹板的局部稳定时,计算公式中的长细比为 CA、绕强轴的长细比B、绕弱轴的长细比C、两方向长细比的较大值D、两方向长细比的较小值13、格构柱设置横隔的目的是 DA、保证柱截面几何形状不变B、提高柱抗扭刚度C、传递必要的剪力D、上述三种都是14、计算长度一定的轴心压杆回转半径增大,其稳定承载力 AA、提高B、降低C、不变D、不能确定15、钢结构压弯构件的设计一般应进行哪几项内容的计算 DA、强度、弯矩作用平面内的整体稳定性、局部稳定、变形B、弯矩作用平面内的整体稳定性、局部稳定、变形、长细比C、强度、弯矩作用平面内及平面外的整体稳定性、局部稳定、变形D、强度、弯矩作用平面内及平面外的整体稳定性、局部稳定、长细比16、钢材的强度指标是 CA、延伸率B、韧性指标C、屈服点D、冷弯性能17、在构件发生断裂破坏前,无明显先兆的情况是()的典型特征 BA、脆性破坏B、塑性破坏C、强度破坏D、失稳破坏18、产生焊接残余应力的主要因素之一是 CA、钢材的塑性太低B、钢材的弹性模量太高C、焊接时热量分布不均D、焊缝的厚度太小二、判断题1、大跨度结构常采用钢结构的主要原因是钢结构的自重轻正确错误2、钢材的设计强度是根据弹性极限确定的正确错误3、钢材的冲击韧性越小,钢材抵抗脆性断裂的能力越弱正确错误4、钢材的抗拉强度fu与屈服点fy之比fu/fy反映的是钢材的强度储备正确错误5、对于摩擦型高强螺栓的抗剪连接,应进行螺栓剪切和构件挤压的计算。
第一章测试1.钢结构抗震性能好的原因不包括以下哪一点?()A:钢结构密度小B:钢结构强度高C:钢结构韧性好D:钢结构塑性好答案:A2.与混凝土结构相比,钢结构的优点不包括以下哪项?________A:轻质高强B:塑性韧性好C:耐久性好D:密闭性能好答案:C3.下列钢结构的应用中,哪项是混凝土结构几乎无法代替的?A:密闭性能好B:轻质高强C:塑性韧性好D:耐久性好答案:D4.下列说法错误的是?________A:钢结构抗震性能好B:钢结构变形能力好C:钢结构可以简化为各向同性D:钢结构造价低答案:A5.下列说法正确的是?________A:钢结构的稳定性是其设计中最突出的问题B:钢结构既不耐热也不不耐火C:钢结构在低温下仍具有较好的韧性D:与混凝土结构相比,钢结构施工更快答案:A第二章测试1.在构件发生断裂破坏前,有明显先兆的情况是()的典型特征A:强度破坏B:塑性破坏C:失稳破坏D:脆性破坏答案:B2.钢材的下列性能指标中,哪项是用于衡量钢材的设计强度的?()A:冷弯性能B:屈服强度C:冲击韧性D:抗拉强度答案:B3.关于钢材的下列叙述哪项是错误的?()A:GJ钢中GJ代表的是高性能建筑结构用钢板,其厚度方向的性能优异B:Q235是表示屈服强度为235N/mm2的钢材C:L120×100×8是代表一种不等边角钢D:直接承受动力作用的钢结构必须验算疲劳性能答案:D4.判断在复杂应力状态下,钢材进入塑性状态的条件是?()A:折算应力达到钢材抗拉强度B:主应力达到钢材抗拉强度C:折算应力达到钢材屈服强度D:主应力应力达到钢材屈服强度答案:C5.钢材的强度是由以下那个指标衡量的()。
A:伸长率B:抗拉强度C:屈服强度D:屈强比答案:C6.下图循环荷载的应力幅和应力比分别为多少,以受什么力为主?________A:应力幅为24Mpa,应力比为-5,受压为主B:应力幅为24Mpa,应力比为-1/5,受拉为主C:应力幅为24Mpa,应力比为1/5,受拉为主D:应力幅为24Mpa,应力比为-1/5,受拉为主答案:D第三章测试1.钢结构连接中所使用的焊条应与被连接构件的强度相匹配,通常在被连接构件选用Q355钢时,焊条选用()。
钢结构设计原理试题及答案
试题1:
1. 什么是构造构件的稳定性?
答案:构造构件的稳定性指的是构件在受力过程中能够保持其形状和位置不发生失稳或破坏的能力。
2. 钢结构中常用的稳定性分析方法有哪些?
答案:常用的稳定性分析方法包括弯曲屈服稳定性分析、扭转屈曲稳定性分析和稳定杆件的整体稳定性分析。
3. 什么是构件的局部稳定性?
答案:构件的局部稳定性指的是构件在受力过程中能够保持其截面形状和截面尺寸不发生局部失稳或破坏的能力。
4. 钢结构设计中,如何考虑构件的局部稳定性?
答案:在钢结构设计中,常通过采用适当的构造形式、加强构件的连接节点和设置适当的加强措施等方式来考虑构件的局部稳定性。
试题2:
1. 钢结构的抗震设计原则是什么?
答案:钢结构的抗震设计原则是在满足安全、刚度和稳定性要
求的前提下,通过采用合理的结构形式、增加构件的强度和刚度以及提高连接的刚度和强度等措施来提高结构的抗震性能。
2. 钢结构中常用的抗震设计方法有哪些?
答案:常用的钢结构抗震设计方法包括弹性设计法、准弹性设计法和弹塑性设计法。
3. 钢结构中如何考虑构件的抗震能力?
答案:在钢结构设计中,可通过增加构件的截面尺寸、增加构件的强度和刚度、采用适当的加强措施以及合理设计构件的连接节点等方式来提高构件的抗震能力。
4. 钢结构中如何考虑构件之间的整体稳定性?
答案:为考虑构件之间的整体稳定性,钢结构设计中应在合适的位置设置合理的撑杆、设置适当的连梁或连板以及采用合理的支撑或加强措施等方式来增强构件之间的整体稳定性。
钢结构基础试题及答案一、单项选择题(每题2分,共10分)1. 钢结构中,下列哪种钢材的塑性较好?A. 低碳钢B. 高碳钢C. 不锈钢D. 合金钢答案:A2. 钢结构焊接时,以下哪种焊接方法不属于熔化焊?A. 电弧焊B. 气体保护焊C. 电阻焊D. 摩擦焊答案:D3. 钢结构设计中,钢材的屈服强度通常用哪个符号表示?A. σyB. σuC. σsD. σb答案:A4. 钢结构构件的稳定性设计中,下列哪项不是影响构件稳定性的因素?A. 构件长度B. 构件截面形状C. 构件材料的屈服强度D. 构件的焊接质量答案:D5. 钢结构连接中,高强螺栓连接的主要优点是什么?A. 施工速度快B. 可拆卸性C. 承载力高D. 连接紧密答案:B二、多项选择题(每题3分,共15分)1. 钢结构的腐蚀类型包括以下哪些?A. 化学腐蚀B. 电化学腐蚀C. 物理腐蚀D. 生物腐蚀答案:A, B, D2. 钢结构构件的连接方式主要有哪几种?A. 焊接B. 螺栓连接C. 铆接D. 粘接答案:A, B, C3. 钢结构设计中,下列哪些因素会影响构件的承载能力?A. 材料强度B. 构件尺寸C. 连接方式D. 构件表面处理答案:A, B, C4. 钢结构施工中,下列哪些措施可以提高结构的稳定性?A. 增加支撑B. 减小构件长度C. 增加构件截面D. 使用高强度螺栓答案:A, B, C5. 钢结构的防火处理方法包括以下哪些?A. 喷涂防火涂料B. 包覆防火材料C. 使用防火玻璃D. 增加构件厚度答案:A, B, D三、判断题(每题1分,共10分)1. 钢结构的耐火性能优于混凝土结构。
(错误)2. 钢结构的抗震性能优于混凝土结构。
(正确)3. 钢结构的耐腐蚀性能优于混凝土结构。
(错误)4. 钢结构的自重通常比混凝土结构轻。
(正确)5. 钢结构的施工速度通常比混凝土结构快。
(正确)6. 钢结构的维护成本通常比混凝土结构高。
(错误)7. 钢结构的可回收利用率高于混凝土结构。
、填空题(每空1分,共20 分)
1、 我国现行钢结构设计规范 (疲劳除外)采用以概率理论为基础的 ___________ 设计法。
2、 结构的安全性、适用性、耐久性概称为结构的 ______________ 。
3、 建筑钢材在荷载作用下可能发生 __________ 和 ____________ 两种破坏形式。
4、 钢材在复杂应力作用下的屈服指标是 __________ 。
5、 选择钢材时,对于承重结构应保证钢材具有 __________ 、 ______ 、 _______ 和碳、硫、
磷含量的合格保证。
焊接结构尚应具有 ______________ 的合格保证。
6、 钢材的冷加工过程会使钢材的塑性、韧性降低,强度提高,该现象叫
________ 。
7、 钢结构的螺栓连接按受力类型可分为 __________ 、 ___________ 、 ________ 。
8、 轴心受压构件的屈曲形式包括 _________ 、 __________ 、 ___________ 。
9、 工字形截面梁翼缘的局部稳定通过控制 _____________ 保证。
10、 实腹式T 形截面压弯构件,当弯矩作用在对称平面时, 应保证受拉一侧的塑性发
展不能过大,以防导致构件失稳,公式形式为
詈-•
;他壮
5
鮎兰f ,式中参数βm
χ的
含义是 __________ , W 2x
的含义是 ____________ , NEX= ____________ 。
二、选择题(每小题 2分,共20分)
1、钢材的冲击试验是检验钢材(
)的指标。
A 、强度
B 、塑性
C 、冶金质量
D 、韧性
2、 在大跨度屋盖结构中,采用钢结构是因为它具有(
)的特点。
A 匀质等向体
B 、轻质高强
C 朔性、韧性好
D
、可焊性、耐热性好
3、在对钢材性能影响的诸因素中,最重要的是( )。
A 、钢材硬化
B 、构造缺陷
C 、化学成分
D 、冶金缺陷
4、 钢材性能影响因素中,如果( )的含量过高,将使材料产生热脆现象。
5、焊接残余应力对构件的( )无影响。
6、 图中所示螺栓连接,(
A 、左上
B 、左下
C 、右上
D 、右下
7、 螺栓连接受剪工作中,如以
A 、M I
B 、S
C 、P
D 、Si A 、整体稳定B 、低温冷脆 C 、疲劳强度D 、静力强度
)螺栓是最危险栓。
-δ曲线上的直线段终点作为连接的承载力极限,
则螺栓应为()
A、摩擦型高强栓和普通栓 B 、承压型高强栓和摩擦型高强栓
C普通栓和承压型高强栓 D 、摩擦型高强栓
8实际压杆临界力低于理想压杆临界力的主要原因中,()对轴心压杆临界力的影响最大。
A、初挠曲 B 、初偏心C、截面形式 D、残余应力
9、两端铰接的双轴对称截面理想轴压杆,在轴心压力作用下可能发生()。
A、弯曲和扭转
B、弯曲和弯扭
C、扭转和弯扭
D、只有弯曲
10、格构式缀条轴压柱的缀条设计时,应将钢材的强度及焊缝强度折减以考虑()。
A、剪力的影响 B 、焊接缺陷的影响
C构造的影响 D 、单面连接偏心的影响
三、简答题(每题10分,共20分)
1. 叙述钢结构用钢应满足的要求及选择钢材时应考虑的因素。
2. 叙述格构式轴心受压柱靴梁式柱脚的设计步骤(包括主要公式),并画出简图。
四、计算题(第1、2题10分,第3题20分,共40分)
1. 确定如图1所示焊接连接适宜的肢尖焊缝长度及连接所能承受的静态承载力N。
材料采用Q235B级钢,E43型焊条。
f f w=160 N/mm 2,焊角尺寸h f=6mm。
2. 某工字形截面钢梁腹板高度h。
=500mm ,端部采用突缘式加劲肋。
已知梁端支
反力为400kN,材料Q235钢,加劲肋尺寸如图 2所示。
试验算该加劲肋是否满足承载力要求。
3. 验算如图3所示轴压柱是否满足使用要求。
已知:在柱的侧向支撑截面处,同一
截面的腹板有两个直径21.5mm的螺栓孔,材料 Q235钢,轴向力 N=1500kN,
[λ]=150。
稳定系数由教材附录取用。
(3 1 4 M
m S
、填空题(每空1分,共20 分)
1、 说明:适当展开每点给 2分叙述出五点即可;若答题混乱,可适当给分;
应满足的要求:钢结构用钢在性能上应具有较高的抗拉强度和屈服强度、较 好的塑性、较高的韧性、良好的工艺性能以及抵抗特殊环境不利影响的能力;
应考虑的因素:在选择钢材时应考虑结构的重要性、荷载的类型、环境的温 度、连接的方法以及拟用板材的厚度等方面的因素。
2、 说明:示意图基本正确给 3分;设计思路正确,且对应于所画柱脚形式所需的计 算
公式正确,给5分;其他情况酌情给分;
大致思路:
① 按承压确定底板尺寸(宽、长、厚) ; ② 确定靴梁尺寸(高、厚、长) ③ 确定隔板; ④ 连接焊缝设计。
四、计算题(第1、2小题各10分,第3小题20分,共40分)
1、(说明:本题思路正确即可得 5分左右)
1)计算端焊缝的承载力:
1、 极限状态;
2、 可靠性;
3、 塑性破坏、脆性破坏;
4、 折算应力;
5、 抗拉强度、伸长率、屈服强度,冷弯试验;
6、 冷作硬化(或应变硬化);
7、 抗拉型、抗剪型、拉剪型;
8、 弯曲屈曲、扭转屈曲、弯扭屈曲;
9、 宽厚比; 10、 等效弯矩系数、按受拉翼缘确定的抵抗
矩、
二、选择题(每题2分,共20分)
1、 D
2、B
3、C
4、B
5、D
6、
C 7、D
8、D
9、A
10、D
三、叙述题(每题10分,共20分)
二 2EA/ 1.12 ;
N 3 =2l w3h el'f f W =2 100 0.7 6 1.22 160 =163968N =164kN (2 分)
3)计算肢尖侧焊缝分担的外荷载、确定肢尖侧焊缝长度:
计算参数:
稳定计算:
A =260 14 15 8 8 =4600mm 2
1 14 2603 =2.01 107mm 4 1
2 =I z / A =66mm ,
I Z
i z
=500/66 =7.6 ,查表得
=0.99
寸薦 46oo=
88N/mm '
If =215N/mm2
($分)
(7分) (10 分)
3、(说明:本题思路正确即可给 10分左右)
1)计算截面几何参数:
(6
分) A 二90cm 2, A n 二86.56cm 2l x
二13250cm 4, I y 二3650cm 4
I
I
i x =J 亠 =2.13cm , i y =t ∣-y
=6.37cm X ' A y - A 2)静截面强度验算:
(10
分)
2)计算肢背侧焊缝的承载力及连接的承载能力:
N 1 =2l w1h e f f w =2 (200 -6) 0.7 6 160 =260736N =261kN
N 1
=K 1
N
N 3
2
N 3
N 1
+ 3
=N - 2
K 1
261 :
:;82
=49OkN
(3 分)
(5
N=Af 2
=2 19.26 10
215=828180N =828kN (7 分)
连接所能承受的承载力为
490kN 。
N 2
= Q 3N 一
N
=0.3 490 £ MN
(8 分)
l
w2
N 2
- 6 2h f f w e f
65 1000 6 :■■ 54mm
2 0.7 6 160
按构造取 55mm ,大于 8 × 6=48mm 和40mm 。
2、(说明:思路清晰按步骤给分,否则适当给2〜3分左
右) 局压验算:
(10 分)
F
σ =——
A
=109N∕mm 2 丄
260 14
(2分)
1500 103 8656=173.3kN∕mm:::f
=215kN∕mm
3)整体稳定及长细比验算:(16
分)'χ*^5J丄150 "A" U =860
N 1500 103
-A ^ 0.860 90 102-
194kN∕mm2::
:f
-215kN∕mm
4)局部稳定验算:(20
分)
12.5 1.4
1235 =8.9 ::: 10 0.1'x
■:一
25 0.8= 31.25 ::: 25 0.5 ∙x
4)承载力满足。