自动控制原理 试卷2
- 格式:doc
- 大小:207.00 KB
- 文档页数:12
例2.6 试绘制图2-8所示RC 电路的动态结构图。
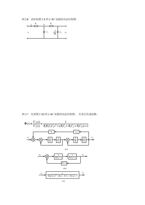
例2.7 化简图2-10所示RC 电路的动态结构图, 并求出传递函数。
R R 1)(1)()()(21221122121++++==Φs C R C R C R s C C R R s U s U s i o(a)(b)(c)例2.8 试绘制图2-22所示RC 电路的动态结构图对应的信号流图。
例2.9 试用梅逊公式求图2-23所示RC 电路的信号流图的传递函数。
例2.10 试用梅逊公式求图2-24所示动态结构图的传递函数。
o例3.1 一阶系统的结构如图3-7所示,其中KK为开环放大倍数,KH为反馈系数。
设KK=100,KH=0.1,试求系统的调节时间ts(按±5%误差带)。
如果要求ts=0.1 s,求反馈系数。
例3.3 已知系统的特征方程s4+2s3+3s2+4s+5=0试判断该系统的稳定性。
例3.4 系统如图3-15所示。
为使系统稳定,试确定放大倍数K的取值范围。
例3.5 已知系统的特征方程s3+2s2+s+2=0试判断系统的稳定性。
例3.6 设系统的特征方程为s3-3s+2=0试用劳斯判据确定该方程的根在s平面上的分布。
例3.7 某控制系统的特征方程为s6+2s5+8s4+12s3+20s2+16s+16=0试判断系统的稳定性。
例3.8 已知系统的结构如图3-23所示。
求 时系统的稳态误差。
例 3.9 设系统结构如图3-19所示, 其中 又设r (t )=2t , n (t )=0.5×1(t )求系统的稳态误差。
例4.1 设某负反馈系统的开环传递函数 试绘制该系统的根轨迹图。
211)(s s s R +=s s H s s G s s G 2)(,135)(,510)(21=+=+=)2)(1()()(++=s s s k s H s G例4.9 设某正反馈系统的开环传递函数为 试绘制该系统的根轨迹图。
例4.10 设某反馈系统的开环传递函数为试绘制该系统的根轨迹图2)4)(1)(1()()(+-+=s s s k s H s G )22)(73.2()()(2+++=s s s s k s H s G统的根轨迹图。
自动控制原理及应用试卷(B卷)适用班级:电气自动化技术))))))))5()0.011G S S =+ωωR1R2C1、 一个传递函数是:STS G 1)(=,它属于: ( ) A 、 比例环节 B 、微分环节 C 、积分环节 D 、惯性环节 2、峰值时间是系统的一个动态性能指标,它是指; ( ) A 、系统响应从零开始第一次上升到稳态值所需的时间; B 、系统响应从零开始第一次到达峰值所需的时间;C 、系统响应从零开始到达并保持在稳态误差范围内的时间。
3、一系统的开环传递函数是:)12.0)(11.0(20)(++=S S S G其速度误差系数是; ( )A 、∞B 、20C 、0D 、1/20 4、一系统的开环传递函数为 其阶路输入时的稳态误差是:( ) A 、0 B 、15 C 、16D 、∞5、一装置的频率特性为;11.0101.0(++=ωωωj j j G ( )其幅频特性可用伯德图表示为A 、B 、6、系统稳定的充分必要条件是其特征方程式的所有根均在复平面的 ( )A. 实轴上B. 虚轴上C. 左半部分D. 右半部分7、积分环节的频率特性相位移θ(ω)为 ( ) A. 90° B. -90° C. 0° D. -180° 8、进行串联超前校正后,校正前的穿越频率ωC 与校正后的穿越频率C ω'的关系,通常是 ( )A. ωC =C ω'B. ωC >C ω'C. ωC <C ω'D. ωC 与C ω'无关9、由电子线路构成的控制器如图,它是 ( ) A. 超前校正装置B. 滞后校正装置C. 滞后—超前校正装置D. 超前—滞后校正装置10、采用超前校正会使系统的抗干扰能力 ( )A 、增强B 、削弱C 、不变四、计算题(每小题15分,共45分)1、 已知某单位反馈控制系统的开环传递函数为:)10)(2(200)(++=S S S S G (1)、求位置误差系数K P ;并求r(t)=1(t)时的稳态误差e ssp (2)、 求速度误差系数K V ;并求r(t)=t 时的稳态误差e ssV2、 某系统的动态结构图如下图所示, (1)、用动态结构图化简法或梅森公式写出其传递函数并化简; (2)、若要使系统稳定,确定K 的取值范围。
一、单项选择题1、铁磁元件的磁滞现象所表现的非线性为【】A.饱和非线性B.死区非线性C.间隙非线性D.继电型非线性2、开环传递函数为k/[s(s+2)(s+4)] 的单位负反馈系统,其根轨迹的渐进线与实轴的交点横坐标为【】A. -3B. -2C. -1D. 03、开环传递函数为1/(s+1),其根轨迹起点为【】A. 0B. -1C. -2D. -34、开环控制的优点是【】A. 精度高B. 结构简单C. 灵活D. 占用空间小5、有一线性系统,其输入分别为u1(t) 和u2(t) 时,输出分别为y1(t ) 和y2(t) 。
当输入为a1u1(t)+a2u2(t) 时 (a1,a2 为常数),输出应为【】 A. a1y1(t)+y2(t) B. a1y1(t)+a2y2(t)C. a1y1(t)-a2y2(t)D. y1(t)+a2y2(t)6、二阶系统的传递函数为16/(s2+4s+16) ,其阻尼比为【】A. 4B. 2C. 1D. 0.57、如果系统中加入一个微分负反馈,系统的超调量将【】A. 增加B. 减小C. 不变D. 不定8、若系统的特征方程式为 s3+4s+1=0 ,则此系统的稳定性为【】A. 稳定B. 临界稳定C. 不稳D. 无法判断9、在经典控制理论中,临界稳定被认为是【】A. 稳定B. BIBO稳定C. 渐近稳定D. 不稳定10、设控制系统的开环传递函数为k/[s(s+1)(s+2)] ,该系统为【】A. 0型系统B. 1型系统C. 2型系统D. 3型系统11、若两个环节的传递函数分别为G1和G2 ,则串联后的等效传递函数为【】A. G1G2B. G1/G2C. G1/(1+G1G2)D. G1/(1-G1G2)12、运算放大器的优点是【】A. 输入阻抗高,输出阻抗高B. 输入阻抗高,输出阻抗低C. 输入阻抗低,输出阻抗高D. 输入阻抗低,输出阻抗低13、单位阶跃函数在t>=0 时的表达式为【】A. 1B. tC. t^2D. 1/t14、二阶系统的传递函数为1/(0.01s^2+0.1s+1) ,其对数幅频特性渐近线的转折频率为【】A. 100rad/sB. 10rad/sC. 0.1rad/sD. 0.01rad/s15、下列频域性能指标中,反映闭环频域性能的是【】A. 谐振峰值MrB. 相位裕量γC. 增益裕量KgD. 剪切频率二、填空题1、0型系统对于抛物线输入的稳态误差为。
自动控制原理试题及答案一、单项选择题(每题2分,共20分)1. 自动控制系统中,开环控制系统与闭环控制系统的主要区别在于()。
A. 是否有反馈B. 是否有前向通道C. 是否有反馈通道D. 是否有控制器答案:C2. 下列哪个是二阶系统的典型形式()。
A. 比例控制B. 积分控制C. 微分控制D. 比例-积分-微分控制答案:D3. 在自动控制系统中,稳态误差为零的条件是()。
A. 系统为一阶系统B. 系统为二阶系统C. 系统为三阶系统D. 系统为任意阶系统答案:A4. 一个系统是线性的,当且仅当它满足()。
A. 叠加原理B. 齐次性C. 叠加原理和齐次性D. 以上都不是答案:C5. 系统的稳定性可以通过()来判断。
A. 劳斯-赫尔维茨准则B. 奈奎斯特准则C. 波特图D. 以上都是答案:D6. 一个系统是可控的,当且仅当其可控性矩阵是()。
A. 奇异的B. 非奇异的C. 正定的D. 负定的答案:B7. 一个系统的可控性与()无关。
A. 系统的状态B. 系统的输入C. 系统的输出D. 系统的参数答案:C8. 一个系统的可观测性与()无关。
A. 系统的状态B. 系统的输入C. 系统的输出D. 系统的参数答案:B9. 系统的传递函数是()。
A. 时域函数B. 频域函数C. 复频域函数D. 以上都不是答案:C10. 系统的稳定性可以通过()来分析。
A. 根轨迹图B. 波特图C. 奈奎斯特图D. 以上都是答案:D二、填空题(每题3分,共30分)1. 自动控制系统按照控制方式可以分为______控制系统和______控制系统。
答案:开环;闭环2. 系统的动态性能通常用______、______和______来描述。
答案:稳定性;准确性;快速性3. 系统的稳态误差与系统的______有关。
答案:类型4. 系统的稳定性可以通过______准则来判断。
答案:劳斯-赫尔维茨5. 系统的可控性可以通过______矩阵来判断。
例2.6 试绘制图2-8所示RC 电路的动态结构图。
例2.7 化简图2-10所示RC 电路的动态结构图, 并求出传递函数。
R R 1)(1)()()(21221122121++++==Φs C R C R C R s C C R R s U s U s i o(a)(b)(c)例2.8 试绘制图2-22所示RC 电路的动态结构图对应的信号流图。
例2.9 试用梅逊公式求图2-23所示RC 电路的信号流图的传递函数。
例2.10 试用梅逊公式求图2-24所示动态结构图的传递函数。
o例3.1 一阶系统的结构如图3-7所示,其中KK为开环放大倍数,KH为反馈系数。
设KK=100,KH=0.1,试求系统的调节时间ts(按±5%误差带)。
如果要求ts=0.1 s,求反馈系数。
例3.3 已知系统的特征方程s4+2s3+3s2+4s+5=0试判断该系统的稳定性。
例3.4 系统如图3-15所示。
为使系统稳定,试确定放大倍数K的取值范围。
例3.5 已知系统的特征方程s3+2s2+s+2=0试判断系统的稳定性。
例3.6 设系统的特征方程为s3-3s+2=0试用劳斯判据确定该方程的根在s平面上的分布。
例3.7 某控制系统的特征方程为s6+2s5+8s4+12s3+20s2+16s+16=0试判断系统的稳定性。
例3.8 已知系统的结构如图3-23所示。
求 时系统的稳态误差。
例 3.9 设系统结构如图3-19所示, 其中 又设r (t )=2t , n (t )=0.5×1(t )求系统的稳态误差。
例4.1 设某负反馈系统的开环传递函数 试绘制该系统的根轨迹图。
211)(s s s R +=s s H s s G s s G 2)(,135)(,510)(21=+=+=)2)(1()()(++=s s s k s H s G例4.9 设某正反馈系统的开环传递函数为 试绘制该系统的根轨迹图。
例4.10 设某反馈系统的开环传递函数为试绘制该系统的根轨迹图2)4)(1)(1()()(+-+=s s s k s H s G )22)(73.2()()(2+++=s s s s k s H s G统的根轨迹图。
自动控制原理试题及答案一、单项选择题(每题2分,共20分)1. 自动控制系统中,开环系统与闭环系统的主要区别在于()。
A. 是否有反馈B. 控制器的类型C. 系统是否稳定D. 系统的响应速度答案:A2. 在控制系统中,若系统输出与期望输出之间存在偏差,则该系统()。
A. 是闭环系统B. 是开环系统C. 没有反馈D. 是线性系统答案:B3. 下列哪个是控制系统的稳定性条件?()A. 所有闭环极点都位于复平面的左半部分B. 所有开环极点都位于复平面的左半部分C. 所有闭环极点都位于复平面的右半部分D. 所有开环极点都位于复平面的右半部分答案:A4. PID控制器中的“P”代表()。
A. 比例B. 积分C. 微分D. 前馈答案:A5. 在控制系统中,超调量通常用来衡量()。
A. 系统的稳定性B. 系统的快速性C. 系统的准确性D. 系统的鲁棒性答案:C6. 一个系统如果其开环传递函数为G(s)H(s),闭环传递函数为T(s),则闭环传递函数T(s)是()。
A. G(s)H(s)B. G(s)H(s)/[1+G(s)H(s)]C. 1/[1+G(s)H(s)]D. 1/G(s)H(s)答案:B7. 根轨迹法是一种用于()的方法。
A. 系统稳定性分析B. 系统性能分析C. 系统设计D. 系统故障诊断答案:B8. 一个系统如果其开环传递函数为G(s)H(s),闭环传递函数为T(s),则T(s)的零点是()。
A. G(s)的零点B. H(s)的零点C. G(s)和H(s)的零点D. G(s)和H(s)的极点答案:A9. 一个系统如果其开环传递函数为G(s)H(s),闭环传递函数为T(s),则T(s)的极点是()。
A. G(s)的零点B. H(s)的零点C. 1+G(s)H(s)的零点D. G(s)和H(s)的极点答案:C10. 一个系统如果其开环传递函数为G(s)H(s),闭环传递函数为T(s),则系统的稳态误差与()有关。
自动控制原理考试试卷及答案一、选择题(每题2分,共20分)1. 下列哪项不是自动控制系统的基本组成部分?A. 控制器B. 被控对象C. 执行机构D. 操作人员答案:D2. 在自动控制系统中,下列哪项属于反馈环节?A. 控制器B. 执行机构C. 被控对象D. 反馈元件答案:D3. 下列哪种控制方式属于闭环控制?A. 比例控制B. 积分控制C. 微分控制答案:D4. 下列哪种控制方式属于开环控制?A. 比例控制B. 积分控制C. 微分控制D. 比例-积分控制答案:A5. 在自动控制系统中,下列哪种控制规律不会产生稳态误差?A. 比例控制B. 积分控制C. 微分控制D. 比例-积分-微分控制答案:B6. 下列哪种控制方式适用于一阶惯性环节?A. 比例控制B. 积分控制C. 微分控制答案:A7. 在自动控制系统中,下列哪种环节不会产生相位滞后?A. 比例环节B. 积分环节C. 微分环节D. 比例-积分环节答案:A8. 下列哪种控制方式可以使系统具有较好的稳定性和快速性?A. 比例控制B. 积分控制C. 微分控制D. 比例-积分-微分控制答案:D9. 在自动控制系统中,下列哪种环节可以使系统具有较好的阻尼效果?A. 比例环节B. 积分环节C. 微分环节D. 比例-积分环节答案:C10. 下列哪种控制方式可以使系统具有较好的跟踪性能?A. 比例控制B. 积分控制C. 微分控制D. 比例-积分-微分控制答案:D二、填空题(每题2分,共20分)1. 自动控制系统的基本组成部分有:控制器、被控对象、执行机构、________。
答案:反馈元件2. 在自动控制系统中,反馈环节的作用是________。
答案:减小系统的稳态误差3. 闭环控制系统的特点有:________、________、________。
答案:稳定性好、快速性好、准确性高4. 开环控制系统的缺点有:________、________、________。
《自动控制原理》试题及答案(word版可编辑修改)编辑整理:尊敬的读者朋友们:这里是精品文档编辑中心,本文档内容是由我和我的同事精心编辑整理后发布的,发布之前我们对文中内容进行仔细校对,但是难免会有疏漏的地方,但是任然希望(《自动控制原理》试题及答案(word版可编辑修改))的内容能够给您的工作和学习带来便利。
同时也真诚的希望收到您的建议和反馈,这将是我们进步的源泉,前进的动力。
本文可编辑可修改,如果觉得对您有帮助请收藏以便随时查阅,最后祝您生活愉快业绩进步,以下为《自动控制原理》试题及答案(word版可编辑修改)的全部内容。
《自动控制原理》试题及答案1、若某串联校正装置的传递函数为(10s+1)/(100s+1),则该校正装置属于(B )。
3分2、在对控制系统稳态精度无明确要求时,为提高系统的稳定性,最方便的是(A)3分3、在系统中串联PD调节器,以下那一种说法是错误的(D) 3分A是一种相位超前校正装置B能影响系统开环幅频特性的高频段C使系统的稳定性能得到改善D使系统的稳态精度得到改善4、用超前校正装置改善系统时,主要是利用超前校正装置的(A )3分5、I型系统开环对数幅频特性的低频段斜率为(B )9分6、设微分环节的频率特性为G(jω),当频率ω从0变化至∞时,其极坐标平面上的奈氏曲线是() 9分7、关于线性系统稳定性的判定,下列观点正确的是 ( )。
9分8、若两个系统的根轨迹相同,则有相同的( ) 9分9、关于系统零极点位置对系统性能的影响,下列观点中正确的是() 7分10、高阶系统的主导闭环极点越靠近虚轴,则系统的( ) 2分11、若某最小相位系统的相角裕度γ〉0,则下列说法正确的是( )。
2分12、某环节的传递函数是G(s)=5s+3+2/s,则该环节可看成由(D )环节组成。
2分13、主导极点的特点是(A )2分14、设积分环节的传递函数为G(s)=K/s,则其频率特性幅值A(ω)=()2分15、某环节的传递函数为K/(Ts+1),它的对数幅频率特性随K值增加而()2分16、某系统的传递函数是G(s)=1/(2s+1),则该可看成由(C )环节串联而成2分17、若系统的开环传递函数在s右半平面上没有零点和极点,则该系统称作(B)2分18、某校正环节传递函数G(s)=(100s+1)/(10s+1),则其频率特性的奈氏图终点坐标为( D)2分19、一般为使系统有较好的稳定性,希望相位裕量为( C)2分20、最小相位系统的开环增益越大,其()2分21、一阶微分环节G(s)=1+Ts,当频率ω=1/T时,则相频特性∠G(jω)为( )2分22、ω从0变化到+∞时,延迟环节频率特性极坐标图为( )2分23、开环传递函数为G(s)H(s)=(s+3)/(s+2)(s+5),则实轴上的根轨迹为(B)2分24、开环传递函数为G(s)H(s)=K/(s*s*s(s+4)),则实轴上的根轨迹为( )2分25、某单位反馈系统的开环传递函数为:G(s)=K/(s(s+1)(s+5)),当k=(C )时,闭环系统临界稳定.2分26、若系统增加合适的开环零点,则下列说法不正确的是(B ) 2分27、当二阶系统的根分布在根平面的虚轴上时,系统的阻尼比为(B)3分28、控制系统的稳态误差ess反映了系统的(A)2分29、当二阶系统特征方程的根为具有负实部的复数根时,系统的阻尼比为(C)3分30、二阶系统当0<ζ〈1时,如果增加ζ,则输出响应的最大超调量将(B )3分。
课程名称: 自动控制理论 (A/B 卷 闭卷)试卷A一、填空题(每空 1 分,共15分)1、反馈控制又称偏差控制,其控制作用是通过 与反馈量的差值进行的。
2、复合控制有两种基本形式:即按 的前馈复合控制和按 的前馈复合控制。
3、两个传递函数分别为G 1(s)与G 2(s)的环节,以并联方式连接,其等效传递函数为()G s ,则G(s)为 (用G 1(s)与G 2(s) 表示)。
4、典型二阶系统极点分布如图1所示,则无阻尼自然频率=n ω ,阻尼比=ξ ,该系统的特征方程为 ,该系统的单位阶跃响应曲线为 。
5、若某系统的单位脉冲响应为0.20.5()105t t g t e e --=+,则该系统的传递函数G(s)为 。
6、根轨迹起始于 ,终止于 。
7、设某最小相位系统的相频特性为101()()90()tg tg T ϕωτωω--=--,则该系统的开环传递函数为 。
8、PI 控制器的输入-输出关系的时域表达式是 , 其相应的传递函数为 ,由于积分环节的引入,可以改善系统的 性能。
二、选择题(每题 2 分,共20分)1、采用负反馈形式连接后,则 ( )A 、一定能使闭环系统稳定;B 、系统动态性能一定会提高;C 、一定能使干扰引起的误差逐渐减小,最后完全消除;D 、需要调整系统的结构参数,才能改善系统性能。
2、下列哪种措施对提高系统的稳定性没有效果 ( )。
A 、增加开环极点;B 、在积分环节外加单位负反馈;C 、增加开环零点;D 、引入串联超前校正装置。
3、系统特征方程为 0632)(23=+++=s s s s D ,则系统 ( )A 、稳定;B 、单位阶跃响应曲线为单调指数上升;C 、临界稳定;D 、右半平面闭环极点数2=Z 。
4、系统在2)(t t r =作用下的稳态误差∞=ss e ,说明 ( )A 、 型别2<v ;B 、系统不稳定;C 、 输入幅值过大;D 、闭环传递函数中有一个积分环节。
参考答案及评分标准一、单项选择题(每小题1分,共20分)1. 系统和输入已知,求输出并对动态特性进行研究,称为( C )A.系统综合B.系统辨识C.系统分析D.系统设计 2. 惯性环节和积分环节的频率特性在( A )上相等。
A.幅频特性的斜率B.最小幅值C.相位变化率D.穿越频率3. 通过测量输出量,产生一个与输出信号存在确定函数比例关系值的元件称为( C ) A.比较元件 B.给定元件 C.反馈元件 D.放大元件4. ω从0变化到+∞时,延迟环节频率特性极坐标图为( A )A.圆B.半圆C.椭圆D.双曲线5. 当忽略电动机的电枢电感后,以电动机的转速为输出变量,电枢电压为输入变量时,电动机可看作一个( B )A.比例环节B.微分环节C.积分环节D.惯性环节 6. 若系统的开环传 递函数为2)(5 10+s s ,则它的开环增益为( C )A.1B.2C.5D.10 7. 二阶系统的传递函数52 5)(2++=s s s G ,则该系统是( B ) A.临界阻尼系统 B.欠阻尼系统 C.过阻尼系统 D.零阻尼系统 8. 若保持二阶系统的ζ不变,提高ωn ,则可以( B )A.提高上升时间和峰值时间B.减少上升时间和峰值时间C.提高上升时间和调整时间D.减少上升时间和超调量 9. 一阶微分环节Ts s G +=1)(,当频率T1=ω时,则相频特性)(ωj G ∠为( A ) A.45° B.-45° C.90° D.-90° 10.最小相位系统的开环增益越大,其( D )A.振荡次数越多B.稳定裕量越大C.相位变化越小D.稳态误差越小11.设系统的特征方程为()0516178234=++++=s s s s s D ,则此系统 ( A ) A.稳定 B.临界稳定 C.不稳定 D.稳定性不确定。
12.某单位反馈系统的开环传递函数为:())5)(1(++=s s s ks G ,当k =( C )时,闭环系统临界稳定。
自动控制原理试卷1答案一.填空 1. 微分方程、传递函数、频率特性、结构图。
2. 闭环极点都位于S 平面左侧;系统的特性方程的根都在Z 平面上以原点为圆心的单位圆内.3. 5.02+S ;0;8。
4. 4,Ⅱ;62.5.5. 110100+S ;10。
6. P-I;利用G(s )的负斜率使ωC 减小,改善静态性能。
7. 将连续信号变为离散信号;0。
二.(14分) 解:(1)(2)C (Z)=)()(1)()(1232321Z H Z H G G Z G G Z RG •+•三.(20分)解:(1)F (s)=[]T s st f 111)(+-=(2)F (s )=525125151)5(122++-=+s s ss s(3)G 1(s )=s s s s s s s s s s 321030)2(10)2(3101)2(102+=++=+⨯++G 2(s )=ss s a s )32(10)(2+⨯+sa s s a s s s s a s a s s R s C 1010321010)32(10)(10)()()(232++++=++⨯+⨯+=∴ a s s s s A 101032)(23+++=∴ 要使系统稳定,则必须满足{{032010101032><>>⨯⇒a a a a320<<∴a (两内项系数乘积>两外项系数乘积)521634432125152125143321521251243213211352126346321251132122111)1()()(1001)()(G G G G G G G G G G G G G G G G G G G G G G G G s R s C G G G G G G G G P G G G P L G G G L G G G G G G G G G G L L L L P P s R s C +-+++++++=∴+++=∆==∆==∑=∑+---=∑∑-∑+∑-=∆∆∆+∆= t e t s F 5125125151)]([f(t)--+-== (1分) (1分) (1分) (1分) (1分) (1分) (1分) (1分) (1分)(1分)(4分) (4分)(3分) (3分)(3分)(1分)(2分) (1分)(1分) (2分)(每空1分。
第 1 页一、填空(每空1分,共18分)1.自动控制系统的数学模型有 、 、 、共4种。
2.连续控制系统稳定的充分必要条件是 。
离散控制系统稳定的充分必要条件是 。
3.某统控制系统的微分方程为:dtt dc )(+0.5C(t)=2r(t)。
则该系统的闭环传递函数 Φ(s)= ;该系统超调σ%= ;调节时间t s (Δ=2%)= 。
4.某单位反馈系统G(s)=)402.0)(21.0()5(1002+++s s s s ,则该系统是 阶 型系统;其开环放大系数K= 。
5.已知自动控制系统L(ω)曲线为:则该系统开环传递函数G(s)= ;ωC = 。
6.相位滞后校正装置又称为 调节器,其校正作用是 。
7.采样器的作用是 ,某离散控制系统)()1()1()(10210TT e Z Z e Z G -----=(单位反馈T=0.1)当输入r(t)=t 时.该系统稳态误差为 。
二. 1.求:)()(S R S C (10分)R(s)第2页2.求图示系统输出C(Z)的表达式。
(4分)四.反馈校正系统如图所示(12分)求:(1)K f=0时,系统的ξ,ωn和在单位斜坡输入下的稳态误差e ss.(2)若使系统ξ=0.707,k f应取何值?单位斜坡输入下e ss.=?第 3 页(1) (2) (3)五.已知某系统L (ω)曲线,(12分)(1)写出系统开环传递函数G (s ) (2)求其相位裕度γ(3)欲使该系统成为三阶最佳系统.求其K=?,γmax =?六、已知控制系统开环频率特性曲线如图示。
P 为开环右极点个数。
г为积分环节个数。
判别系统闭环后的稳定性。
第 4 页七、已知控制系统的传递函数为)1005.0)(105.0(10)(0++=s s s G 将其教正为二阶最佳系统,求校正装置的传递函数G 0(S )。
(12分)一.填空题。
(10分)1.传递函数分母多项式的根,称为系统的2. 微分环节的传递函数为3.并联方框图的等效传递函数等于各并联传递函数之4.单位冲击函数信号的拉氏变换式5.系统开环传递函数中有一个积分环节则该系统为 型系统。
《自动控制原理》试卷B (01) 一、问答题(30分)1.试画出一般自动控制系统的原理结构图,并简要说明各部分的作用?(6分)2.什么是最小相位系统和非最小相位系统?最小相位系统的主要特点是什么?(6分) 3.试画出超前网络的伯德图,并说明其特点以及用频率法超前校正的使用条件?(6分) 4.写出绘制根轨迹的条件方程?(6分) 5.试回答下列问题:(6分)(1) 进行校正的目的是什么?为什么不能用改变系统开环增益的办法来实现? (2) 在什么情况下采用串联滞后校正?它主要能改善系统哪方面的性能?二、综合计算题(70分)1、(12分)画出下图所示电路的方框图(或信号流图),并求传递函数)()(12s U s U 。
2、(12分)具有单位负反馈系统的开环传递函数为)2348242(46)(234++++=s s s s s s G 试用劳斯判据判别闭环系统的稳定性及闭环特征根的分布情况。
3、(16分)最小相位系统的开环对数幅频特性的渐近线如下图所示,试求: (1)系统的开环传递函数;(2)绘出对应的对数相频特性的大致形状; (3)判断闭环稳定性及根的分布情况。
四、(15分)已知单位负反馈系统的开环传递函数为)3)(6()(++=s s s ks G 。
(1)绘制系统的根轨迹(∞<<k 0);(2)求系统临界稳定的k 值与系统的闭环极点。
L1R 2R +-+_五、(15分)已知系统结构图如图所示,试求当)(1)(),(1)(t t n t t t r =⋅=时,系统的稳态误差?=ss e《自动控制原理》试卷B (01)参考答案一、问答题略。
二、综合计算题 1、1)(1)()(2122112221112++++=s C R C R C R s C R C R s U s U 。
2、系统临界稳定,左半平面1个根,右半平面0个根,虚轴上4个根。
3、(1))1()110(1.0)(2++=s s s s G k ;(2)图略;(3)闭环不稳定,2个右根。