模板拆除工程检验批质量验收记录表
- 格式:docx
- 大小:16.34 KB
- 文档页数:2
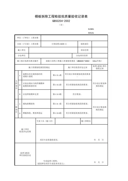
模板拆除检验批质量验收记录及检验规定和说明编号:单位工程名分部工程称分项工程名验收部位称施工总承包项目经专业单位理工长专业承包单项目经施工位理班长施工执行标准名称及编号监理(建设)单位施工质量验收规范的规定施工单位检查评定记录验收记录底模及其支第主1架拆除时的8.1.12控混凝土强度条项后浇带拆模第目 2和支顶8.1.13条侧模拆除时第1的混凝土强8.1.14一度条般第模板运输、项28.1.15堆放和清运目条施工单位检查评定结果:质量检查员:年月日监理或建设单位验收结论:监理工程师或建设单位项目专业技负责人:年月日检验规定和说明适用范围:本表适用于明挖车站模板拆除工程质量的验收。
检验批的划分:每一浇筑段为一检验批。
主控项目:1.底模及其支架拆除时的混凝土强度应符合设计要求;当设计无具体要求时,混凝土强度应符合下表的规定。
达到设计的序构构件混凝土立方体抗号件类型跨度(m)压强度标准值的百分比( %)≤ 2≥ 501板> 2,≥ 75≤ 8> 8≥ 1002梁、≤ 8≥ 75拱、壳> 8≥ 1003悬—≥ 100臂构件检验数量:施工单位、监理单位全数检查。
检验方法:检查同条件养护试件强度试验报告。
2.后浇带模板的拆除和支顶应按施工技术方案执行。
检验数量:施工单位、监理单位全数检查。
检验方法:观察检查。
一般项目1.侧模拆除时的混凝土强度应能保证其表面及棱角不受损伤。
检验数量:施工单位全数检查,监理单位按施工单位检查数的 10%进行抽查。
检验方法:观察检查。
2.模板拆除时,不应对车站厅、站台层形成冲击荷载。
拆除的模板和支架宜分散堆放并及时清运。
检验数量:施工单位全数检查,监理单位按施工单位检查数的 10%进行抽查。
检验方法:观察检查。
模板拆除工程检验批质量验收记录表GB50204—2002(Ⅲ)010601□□凝土强度应符合设计要求,或下表规定。
检查同条件试件试验报告。
②后张法预应力混凝土结构构件侧模在预应力张拉前拆除,底模拆除时间应符合设计方案,并不得在结构构件建立预应力前拆除。
③后浇带模板的拆除和支顶应按施工技术方案执行。
对照技术方案观察检查。
2、一般项目:①侧模拆除时的混凝土强度应能保证其表面及棱角不受损伤。
观察检查。
②模板拆除时,不应对楼层形成冲击荷载,拆除的模板和支架宜分散堆放并及时清运。
按拆模方案观察检查。
模板拆除工程检验批质量验收记录表GB50204—2002(Ⅲ)010601□□020101□□同条件试件试验报告。
②后张法预应力混凝土结构构件侧模在预应力张拉前拆除,底模拆除时间应符合设计方案,并不得在结构构件建立预应力前拆除。
③后浇带模板的拆除和支顶应按施工技术方案执行。
对照技术方案观察检查。
2、一般项目:①侧模拆除时的混凝土强度应能保证其表面及棱角不受损伤。
观察检查。
②模板拆除时,不应对楼层形成冲击荷载,拆除的模板和支架宜分散堆放并及时清运。
按拆模方案观察检查。
模板拆除工程检验批质量验收记录表GB50204—2002(Ⅲ)010601□□凝土强度应符合设计要求,或下表规定。
检查同条件试件试验报告。
②后张法预应力混凝土结构构件侧模在预应力张拉前拆除,底模拆除时间应符合设计方案,并不得在结构构件建立预应力前拆除。
③后浇带模板的拆除和支顶应按施工技术方案执行。
对照技术方案观察检查。
2、一般项目:①侧模拆除时的混凝土强度应能保证其表面及棱角不受损伤。
观察检查。
②模板拆除时,不应对楼层形成冲击荷载,拆除的模板和支架宜分散堆放并及时清运。
按拆模方案观察检查。
模板拆除工程检验批质量验收记录表GB50204—2002(Ⅲ)010601□□凝土强度应符合设计要求,或下表规定。
检查同条件试件试验报告。
②后张法预应力混凝土结构构件侧模在预应力张拉前拆除,底模拆除时间应符合设计方案,并不得在结构构件建立预应力前拆除。
模板拆除工程检验批质量验收记录表GB50204—2002(Ⅲ) 010601□□说明:1、主控项目:①底模及其支架拆除时混凝土强度应符合设计要求,或下表规定。
检查同条件试件试验报告。
②后张法预应力混凝土结构构件侧模在预应力张拉前拆除,底模拆除时间应符合设计方案,并不得在结构构件建立预应力前拆除。
③后浇带模板的拆除和支顶应按施工技术方案执行。
对照技术方案观察检查。
2、一般项目:①侧模拆除时的混凝土强度应能保证其表面及棱角不受损伤。
观察检查。
②模板拆除时,不应对楼层形成冲击荷载,拆除的模板和支架宜分散堆放并及时清运。
按拆模方案观察检查。
模板拆除工程检验批质量验收记录表GB50204—2002(Ⅲ)010601□□说明:1、主控项目:①底模及其支架拆除时混凝土强度Array应符合设计要求,或下表规定。
检查同条件试件试验报告。
②后张法预应力混凝土结构构件侧模在预应力张拉前拆除,底模拆除时间应符合设计方案,并不得在结构构件建立预应力前拆除。
③后浇带模板的拆除和支顶应按施工技术方案执行。
对照技术方案观察检查。
2、一般项目:①侧模拆除时的混凝土强度应能保证其表面及棱角不受损伤。
观察检查。
②模板拆除时,不应对楼层形成冲击荷载,拆除的模板和支架宜分散堆放并及时清运。
按拆模方案观察检查。
模板拆除工程检验批质量验收记录表GB50204—2002(Ⅲ)010601□□说明:1、主控项目:①底模及其支架拆除时混凝土强度Array应符合设计要求,或下表规定。
检查同条件试件试验报告。
②后张法预应力混凝土结构构件侧模在预应力张拉前拆除,底模拆除时间应符合设计方案,并不得在结构构件建立预应力前拆除。
③后浇带模板的拆除和支顶应按施工技术方案执行。
对照技术方案观察检查。
2、一般项目:①侧模拆除时的混凝土强度应能保证其表面及棱角不受损伤。
观察检查。
②模板拆除时,不应对楼层形成冲击荷载,拆除的模板和支架宜分散堆放并及时清运。
按拆模方案观察检查。
建筑拆除工程质量验收记录文本表
1. 验收单位信息
验收单位:[填写验收单位名称]
验收时间:[填写验收时间]
2. 项目基本信息
项目名称:[填写项目名称]
建设单位:[填写建设单位名称]
施工单位:[填写施工单位名称]
3. 施工管理情况
- 施工现场是否按照相关规范进行管理:[是/否]
- 拆除作业区域是否符合要求:[是/否]
- 施工期间是否启用安全防护措施:[是/否]
4. 拆除工程质量验收情况
4.1 拆除设备与工具
- 使用的拆除设备与工具是否符合相关标准:[是/否]
- 拆除设备是否在使用前进行检验和维护:[是/否]
4.2 拆除过程管理
- 拆除工程是否按照施工图纸和拆除方案进行操作:[是/否] - 拆除过程中是否出现重大事故或安全问题:[是/否]
4.3 拆除工程成果
- 拆除结束后,是否清理干净拆除废料和垃圾:[是/否]
- 拆除工程是否按照要求达到预期效果:[是/否]
5. 验收结论
本次拆除工程质量验收情况综合评定结果如下:
- 质量验收合格:[是/否]
- 如不合格,具体不合格原因:[填写不合格原因]
6. 验收意见
验收单位对本次拆除工程的质量验收情况提出的意见和建议:
[填写验收意见和建议]
7. 相关附件材料
- 施工图纸
- 拆除方案
- 拆除设备和工具检验记录
- 安全防护措施记录
- 拆除工程成果照片
8. 验收人员
鉴定人员:[填写鉴定人员姓名]
验收人员:[填写验收人员姓名]
以上为《建筑拆除工程质量验收记录文本表》的内容,供参考使用。
模板拆除工程检验批质量验收记录表GB50204-2002(Ⅲ)0106 Array010201 Array01169 / 101171 / 101模板拆除工程检验批质量验收记录表GB50204-2002(Ⅲ)010601020101173 / 101模板拆除工程检验批质量验收记录表GB50204-2002(Ⅲ)0106 Array01020101175 / 101模板拆除工程检验批质量验收记录表GB50204-2002(Ⅲ)0106 Array010201 Array01177 / 101179 / 101模板拆除工程检验批质量验收记录表GB50204-2002(Ⅲ)010601020101181 / 101模板拆除工程检验批质量验收记录表GB50204-2002(Ⅲ)0106 Array010201 Array01183 / 101模板拆除工程检验批质量验收记录表GB50204-2002(Ⅲ)0106 Array010201 Array01185 / 101187 / 101模板拆除工程检验批质量验收记录表GB50204-2002(Ⅲ)010601020101189 / 101模板拆除工程检验批质量验收记录表GB50204-2002(Ⅲ)0106 Array01020101191 / 101模板拆除工程检验批质量验收记录表GB50204-2002(Ⅲ)0106 Array010201 Array01193 / 101195 / 101模板拆除工程检验批质量验收记录表GB50204-2002(Ⅲ)010601020101197 / 101模板拆除工程检验批质量验收记录表GB50204-2002(Ⅲ)0106 Array010201 Array01。