05 地下洞室开挖
- 格式:pdf
- 大小:159.33 KB
- 文档页数:12
地下室开挖施工方案1. 引言地下室开挖施工是建筑施工中的一项重要工作,通常在住宅、商业建筑或公共设施中应用。
本文档将介绍地下室开挖施工的步骤、安全措施和注意事项,以确保施工的顺利进行。
2. 施工步骤2.1. 前期准备工作在正式开挖地下室之前,需要进行一些前期准备工作。
首先,需要进行地质勘探,了解地下地质情况,包括土壤类型、地下水位、地下管线等信息。
然后,根据勘探结果制定开挖方案,并进行相关的设计。
最后,根据设计图纸进行场地布置,清理现场并搭建围挡。
2.2. 地下室开挖地下室开挖通常采用机械开挖的方式,常见的机械有挖掘机和推土机。
开挖的步骤包括:先从上部开挖一部分土方,然后逐步向底部挖取土方。
挖掘的过程中需要注意保持挖方坡度的稳定,防止坍塌和滑坡的发生。
2.3. 地下室加固完成地下室开挖后,需要对地下室进行加固,以保证施工安全。
加固方法包括:地下室墙体进行加固、加设地下室护坡或者加设挡土墙等。
加固工作通常需要根据地下室的规模和土质条件进行具体设计,并采用适当的材料和技术。
2.4. 地下室排水与防水处理地下室开挖后,可能会遇到地下水位的问题。
为了确保地下室的干燥和稳定,需要进行排水和防水处理。
排水处理可以采用降低地下水位或者设置排水系统的方式。
防水处理通常使用防水涂料或者防水卷材等材料进行施工。
2.5. 地下室回填与场地恢复施工完成后,需要对开挖的土方进行回填,填平并压实土方,以保持地面的平整。
回填土方需要进行分层回填,并采用合适的压实设备进行压实。
同时,还需要进行场地的恢复工作,包括清理现场垃圾、拆除围挡等。
3. 安全措施和注意事项在进行地下室开挖施工时,需要严格遵守相关的安全操作规程,并采取适当的安全措施,以确保施工人员和周围环境的安全。
以下是一些常见的安全措施和注意事项:•施工现场需要设置安全警示标志,对施工区域进行隔离和限制进入。
•施工人员需要配备适当的个人防护用品,如安全帽、安全鞋和防护眼镜等。
第1篇一、地下开挖工程施工的概述地下开挖工程是指在地表以下进行的土方开挖、洞室开挖等工程。
施工过程中,需遵循以下原则:1. 安全第一:确保施工人员的人身安全,防止事故发生。
2. 质量为本:严格按照设计要求和规范进行施工,保证工程的质量。
3. 进度控制:合理安排施工计划,确保工程按期完成。
4. 经济合理:在保证安全和质量的前提下,降低工程成本。
二、地下开挖工程施工的主要步骤1. 工程勘察:对地下工程地质、水文、气象等条件进行勘察,为施工提供依据。
2. 设计阶段:根据勘察报告,编制地下开挖工程设计方案,包括开挖方式、支护措施、排水方案等。
3. 施工准备:做好施工前的各项准备工作,如场地平整、临时设施搭建、施工人员培训等。
4. 开挖施工:(1)土方开挖:采用挖掘机、装载机等机械设备进行土方开挖,同时注意保护地下管线、电缆等设施。
(2)洞室开挖:根据设计要求,采用爆破、钻爆等方法进行洞室开挖,并做好爆破安全措施。
(3)支护施工:根据围岩稳定性,选择合适的支护方式,如锚杆、喷射混凝土、钢架等。
(4)排水施工:在地下开挖过程中,做好排水工作,防止地下水涌入施工区域。
5. 施工监测:对地下开挖过程中的围岩稳定性、支护结构安全、地下水变化等进行监测,确保施工安全。
6. 工程验收:按照设计要求和规范,对地下开挖工程进行验收,确保工程质量。
三、地下开挖工程施工的注意事项1. 施工人员应具备相应的资质和技能,确保施工安全。
2. 严格按照设计要求和规范进行施工,确保工程质量。
3. 加强施工现场管理,做好安全防护措施,防止安全事故发生。
4. 合理安排施工进度,确保工程按期完成。
5. 重视环境保护,减少施工对周围环境的影响。
总之,地下开挖工程施工是一项复杂而重要的工程,需要施工单位在施工过程中充分重视安全、质量、进度和环境保护等方面,确保工程顺利进行。
第2篇一、施工前的准备工作1. 施工组织设计:根据工程特点,编制详细的施工组织设计,明确施工顺序、施工方法、施工工艺、施工进度等。
地下洞室开挖工程1.1 施工程序1.1.1 开挖程序安排原则根据本标段地下洞室的布置特点,开挖施工程序按下述原则安排:㈠根据各部位具备施工条件的时段,提前组织好人员、机械设备,遵循自上而下、由外向里的开挖施工原则。
㈡地下洞室开挖施工以不影响主体施工或将影响降低到最低为原则,合理安排开挖施工工期,确保洞室开挖与主体施工顺利进行。
㈢地下洞室开挖施工以围岩类别控制单循环进尺为原则,根据围岩类别合理控制单循环进尺,确保洞室稳定,防止安全事故发生。
㈣洞室开挖程序安排遵循新奥法施工原则,根据揭露围岩类别,采取相应的支护形式及时支护,确保施工安全。
㈤地下洞室开始进洞遵循洞脸锁口原则,防止破坏洞脸边坡。
1.1.2 施工程序洞挖施工程序为:测量放线→布孔→钻孔→爆破→通风排烟→出碴→支护→下一循环测量放线:每一循环作业前,都要进行测量放样。
洞室放样需标出顶拱圆弧中心和周边有代表性的控制点,以保证开挖施工的准确性。
布孔:施工技术人员根据测量放线成果及爆破设计,进行现场布孔,用红漆标出主要钻孔的孔位,以便钻孔施工。
钻孔:采用手风钻钻孔,孔径φ42mm,爆破孔间距50~70cm,光爆孔间距40~50cm。
钻孔角度和孔深,应符合爆破设计的规定,已造好的钻孔,需进行保护。
对于因堵塞无法装药的钻孔,应予吹孔或补钻,钻孔经检查合格后方可装药。
装药:爆破孔采用φ32mm药卷装药,光爆孔采用导爆索串联φ25mm药卷间隔装药,线装药密度150~200g/m左右;爆破:爆破网络采用非电毫秒微差孔内延时网络,火雷管起爆方式。
通风排烟:由于本工程开挖洞室长度较长,采用供风机进行供风排烟。
出渣:洞内运输采用扒渣机配合索矿车排渣至洞外,洞外采用反铲挖装,自卸汽车运输。
安全处理:出碴之前,应有专职负责安全处理人员将掌子面及顶拱的松动岩体和危石进行处理,避免事故发生。
支护:岩石破碎的洞段,爆破完后及时采用锚杆、喷锚等方法进行支护,必要时视地质情况采用钢支撑支护。
地下洞室开挖施工工艺及技术要求探析摘要:近年来,随着社会经济的高速发展,土地资源越来越少,人们逐渐认识到地下空间的开发越来越重要。
本文着重分析地下洞室开挖施工工艺及技术要求。
关键词:地下洞室;开挖;工艺;技术一、开挖工艺措施1、开挖工艺流程洞挖工艺流程如下:开挖准备→测量放线→钻孔→装药爆破→通风散烟、洒水除尘→安全处理→出渣、清底→必要支护→延伸风水电线路→锚喷支护跟进施工→转入下一循环。
当Ⅳ、Ⅴ类围岩洞段开挖时,需先进行超前支护,再进行钻爆施工。
2、主要工艺作业措施(1)开挖准备:洞内风、水、电就绪,施工人员、机具准备就位。
(2)测量放线:洞内基本导线施测及施工放样均采用全站仪进行。
测量作业由专业人员实施,每个循环钻孔前进行洞室中心线、设计规格线测放,并定期进行洞轴线的全面检查、复测,确保测量控制工序质量。
同时,随洞室开挖、支护进度,每隔20m在两侧洞壁及洞顶设一桩号标志。
洞内测量控制点埋设牢固,作好保护,防止机械设备破坏。
(3)钻孔作业:由熟练的钻工严格按照测量定出的开挖轮廓线和测量布孔进行钻孔作业。
各钻工分部位定人定位施钻,实行严格的钻工作业质量经济责任制;每排炮由值班工程师按“平、直、齐”的要求进行检查,做到炮孔的孔底落在爆破规定的同一个断面上;为了减少超挖,周边孔的外偏角控制在设备所能达到的最小角度。
光爆孔、预裂孔及掏槽孔的偏差不得大于5cm,其它炮孔孔位偏差不得大于10cm;采用光面爆破是控制隧洞开挖成型的重要手段,光爆的好坏将直接决定开挖质量的优劣,因此合理选用优良的钻孔设备、挑选熟练的钻工、严格控制钻孔精度是保证开挖质量的前提。
(4)装药、联线、起爆:开挖周边孔采用光面爆破,药卷直径Ф25mm,选用间隔装药;洞掏槽孔采用柱状连续装药;其它爆破崩落孔采用连续装药;装药前清孔,炮孔经检查合格后,方可进行装药爆破;炮孔的装药、堵塞和引爆线路的联结,由考核合格的炮工严格按批准的钻爆设计进行施作,装药严格遵守爆破安全操作规程;掏槽孔由熟练的炮工负责装药,光爆孔、光爆孔用小药卷捆绑于竹片上间隔装药。
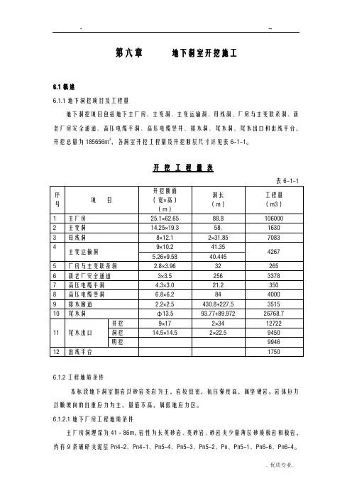
第六章地下洞室开挖施工6.1概述6.1.1地下洞挖项目及工程量地下洞挖项目包括地下主厂房、主变洞、主变运输洞、母线洞、厂房与主变联系洞、新老厂房安全通道、高压电缆平洞、高压电缆竖井、排水洞、尾水洞、尾水出口和出线平台,开挖总量为185656m3,各洞室开挖工程量及开挖断层尺寸详见表6-1-1。
开挖工程量表6.1.2工程地质条件本标段地下洞室围岩以砂岩类岩为主,岩较致密,抗压强度高,属坚硬岩。
岩体应力以顺坡向的自重应力为主,量值不高,属低地应力区。
6.1.2.1地下厂房工程地质条件主厂房洞埋深为41~86m,岩性为长英砂岩、英砂岩、砂岩夹少量薄层砂质板岩和板岩,约有9条破碎夹泥层Pn4-2、Pn4-1、Pn5-4、Pn5-3、Pn5-2、Pn、Pn5-1、Pn6-6、Pn6-4。
岩层产状为35°~40°/SE∠35°~40°。
主要有两组节理:①45°~65°/NW∠65°~75°,②320°~340°/SW、NE∠75°~85°。
有1条小断层f26通过,推测其出露位置在桩号CZ0+013~CZ0+007(下游边墙)、CZ0-013~CZ0-019(上游边墙)。
预计规模较大的断层出现的可能性较小。
岩体呈微风化~新鲜状。
预计岩体完整性较好,以Ⅱ类围岩为主。
西端墙的破碎夹泥层与反倾向节理相互切割、f26断层和破碎夹泥层(或层面)与节理组合切割可能构成失稳块体;岩锚梁处,f26断层、破碎夹泥层(或层面)与节理组合切割可能会对岩台成型产生影响。
主厂房断层破碎带及其影响带、节理密集带、软弱夹层部位可能存在大量滴水或线状流水。
6.1.2.2主变洞工程地质条件主变洞埋深为20~44m。
主变洞围岩主要为微风化基岩,岩性为长英砂岩、英砂岩、砂岩夹少量薄层砂质板岩和板岩,约有5条破碎夹泥层Pn5-2、Pn、Pn5-1、Pn6-6、Pn6-4。
施工作业指导书地下洞室开挖编制:审核:批准:目录一、总则 0二、技术要求 0三、开挖施工 (1)四、资料收集整理 (10)五、质量检查和验收 (11)六、施工安全 (13)地下洞室开挖施工作业指导书一、总则1.1 隧洞工程为我公司承建的目,地下洞室开挖施工是其基本的、也是首要的施工工序。
为提高施工质量,合理利用设备的工作特性,更好地使开挖施工作业标准化、规范化,最终提高开挖施工作业的施工效益,特编制此作业指导书,对开挖施工工序进行规范,供各工序作业人员操作时执行。
1.2初始爆破参数根据相关洞室“施工措施”中爆破设计选取,实际施工中应根据实际地质情况及爆破效果不断进行优化调整,最终形成相对稳定的爆破参数,以利于施工组织及开挖质量控制。
1.3本工程所用的爆破器材一般为:2#岩石乳化炸药、非电雷管(导爆管)、导爆索。
1.4本作业指导结合下述文件执行:1)《水工建筑物地下开挖工程施工技术规范》(DT/T5099-2011);2)《爆破安全规程》(GB6722-2011);3)《水工建筑物岩石基础开挖工程施工技术规范》(DL/T5389-2007);4)《水电水利基本建设工程单元工程质量等级标准第1部分土建工程》(DL/T5113.1-2005)5)其他相关设计下发通知及国家规范等。
二、技术要求2.1 施工测量2.1.1 隧洞测量一般以采用全站仪为主的测量方式进行,施工测量的精度和极限误差应符合规范要求。
2.1.2 根据洞室轴线、桩号、点位、高程和开挖断面进行开挖放样并校正,要求开挖放样误差应不大于5cm;断面测量相对于中线的误差不大于±5cm,断面间距一般为5m,对起伏差较大的部位应适当加测断面。
2.1.3 开挖单元验收均应附测量断面,测量断面应反映实际开挖情况,并经测量监理签认。
2.2 开挖2.2.1开挖岩石表面都应撬挖清除松动岩块。
对不衬砌或喷混凝土衬砌的地下洞室,在设计开挖线以内的欠挖及锚杆头,均需按监理人的指示进行处理。
水电站地下洞室开挖施工安全防护工作要点1.地下洞室掌子面开挖注意事项(1)作业前应使用恰当的工具事先敲帮问顶,探测是否存在安全隐患。
(2)对已松动的岩块进行彻底处理。
(3)修复加固被放炮崩倒、松动的支架后,才允许进入掌子面作业。
(4在松散、软弱、破碎、多水等不良地质条件下进行施工,对洞顶、洞壁应采用素喷、网喷、钢构架或混凝土衬砌等围岩支护措施。
(5)在地质构造复杂、地下水丰富的危险地段和洞室关键地段,应根据围岩监测系统设计和技术要求,设置收敛计、测缝计、应力应变等监测仪器。
(6)进洞深度大于洞径5倍时,应采取机械通风措施,送风能力必须满足施工人员正常呼吸需要(3m3/人·分),并能满足冲淡、排除爆炸施工产生的烟尘需要。
(7)凿岩钻孔必须采用湿式作业。
(8)设有爆破后降尘喷雾洒水设施。
(9)洞内使用内燃机施工设备,应配有废气净化装置,不得使用汽油发动机等施工设备。
(10)洞内地面保持平整、不积水、洞壁下边缘应设排水沟。
(11)应定期检测洞内粉尘、噪声、有毒气体。
2、爆破作业(1)爆破作业的基本安全要求1)认真执行爆破作业安全规程和安全规定,切实做好爆破作业的安全检查和安全处理。
2)爆破作业要做到“三统一”,即统一时间、统一指挥、统一信号,划定安全警戒区、明确安全警戒人员。
3)认真编制爆破方案和安全技术措施,并做好作业技术交底工作。
4)从事爆破工作的人员必须经过专业安全技术培训,技证上岗。
5)爆破材料必须符合标准和工地使用条件,每批爆破材料使用前必须进行有关性能、工艺参数的试验。
6)严禁边打眼、边装药、边放炮及挤压装有雷管的起爆药。
7)严格火工器材的安全管理使用、保管、加工、回收、运输等各环节的安全工作,凡有火工器材的场所严禁烟火。
8)在同一地点、露天浅孔爆破不得与深孔、洞室爆破同时进行。
9)装药前,非爆破作业人员和机械设备均应撤离指定安全地点或采取防护措施,撤离之前不得将爆破器材运到工作面。
地下洞室开挖施工方案及技术措施1.1洞挖施工方案1.1.1洞口30m范围开挖(1)施工程序洞脸边坡开挖及支护完成后,即开始洞挖施工。
首先对洞口进行加固,本标段导流洞进出口以Ⅲ类围岩为主,因此在进洞前做好洞口的锁口锚杆施工,必要时采用锁口锚桩。
由于洞口埋深较浅,开挖前须进行超前支护,视现场地质情况采用超前锚杆、小导管及管棚等超前支护手段。
在完成每循环的超前支护后,才进行循环洞挖。
每循环进尺后,立即进行系统支护,保证成洞稳定。
(2)施工方法洞口段开挖断面尺寸为4.5×5.5m(宽×高),采用人工钻爆法全断面开挖,钻孔设备为YT-28手风钻。
出渣采用ZL15装载机端渣出洞后装车运输。
(3)洞挖作业循环为保证安全和成洞段稳定,支护施工需要紧跟开挖工作面。
因此开挖作业和支护施工的总时间需要作为一个整体施工循环。
每完成一个开挖循环后需要进行洞内的系统支护和下一循环的超前支护。
导流洞口30m范围洞挖,单循环时间按18.5小时控制,平均月进尺80m。
初拟的洞口段开挖循环时间见表1.5-1。
表1.5-1 洞口30m范围洞挖单循环时间表(4)钻爆参数钻爆参数根据本工程的地质条件和工程特点,结合以往类似工程的施工经验进行选定。
循环进尺暂定为2.5m。
掏槽形式为十字四空孔掏槽,掏槽孔间距30cm,主爆孔间排距75×90cm,周边孔间距60cm。
爆破器材选用乳化炸药、非电毫秒雷管起爆、联网微差爆破。
初拟的洞口段爆破参数见表1.5-2。
洞口段爆破设计见图YLNY-2012-002-SG-SK -07-02表1.5-2 洞口段开挖爆破参数表(1)施工程序本标段导流洞围岩情况较好,基本属于Ⅱ、Ⅲ类围岩。
其中Ⅱ类围岩占总洞长的87%。
对于Ⅱ、Ⅲ类围岩洞挖施工,掘进中可不进行超前支护,系统支护施工滞后开挖掌子面30~50m。
这样既可保证洞室稳定又减小了开挖和支护的交叉干扰,达到提高掘进速度的目的。
(2)施工方法洞身段典型的开挖断面尺寸为4.3×5.3m(宽×高),采用人工全断面钻爆开挖,钻孔设备为YT-28手风钻。
地下洞室开挖工程1.1 施工程序1.1.1 开挖程序安排原则根据本标段地下洞室的布置特点,开挖施工程序按下述原则安排:㈠根据各部位具备施工条件的时段,提前组织好人员、机械设备,遵循自上而下、由外向里的开挖施工原则。
㈡地下洞室开挖施工以不影响主体施工或将影响降低到最低为原则,合理安排开挖施工工期,确保洞室开挖与主体施工顺利进行。
㈢地下洞室开挖施工以围岩类别控制单循环进尺为原则,根据围岩类别合理控制单循环进尺,确保洞室稳定,防止安全事故发生。
㈣洞室开挖程序安排遵循新奥法施工原则,根据揭露围岩类别,采取相应的支护形式及时支护,确保施工安全。
㈤地下洞室开始进洞遵循洞脸锁口原则,防止破坏洞脸边坡。
1.1.2 施工程序洞挖施工程序为:测量放线→布孔→钻孔→爆破→通风排烟→出碴→支护→下一循环测量放线:每一循环作业前,都要进行测量放样。
洞室放样需标出顶拱圆弧中心和周边有代表性的控制点,以保证开挖施工的准确性。
布孔:施工技术人员根据测量放线成果及爆破设计,进行现场布孔,用红漆标出主要钻孔的孔位,以便钻孔施工。
钻孔:采用手风钻钻孔,孔径φ42mm,爆破孔间距50~70cm,光爆孔间距40~50cm。
钻孔角度和孔深,应符合爆破设计的规定,已造好的钻孔,需进行保护。
对于因堵塞无法装药的钻孔,应予吹孔或补钻,钻孔经检查合格后方可装药。
装药:爆破孔采用φ32mm药卷装药,光爆孔采用导爆索串联φ25mm药卷间隔装药,线装药密度150~200g/m左右;爆破:爆破网络采用非电毫秒微差孔内延时网络,火雷管起爆方式。
通风排烟:由于本工程开挖洞室长度较长,采用供风机进行供风排烟。
出渣:洞内运输采用扒渣机配合索矿车排渣至洞外,洞外采用反铲挖装,自卸汽车运输。
安全处理:出碴之前,应有专职负责安全处理人员将掌子面及顶拱的松动岩体和危石进行处理,避免事故发生。
支护:岩石破碎的洞段,爆破完后及时采用锚杆、喷锚等方法进行支护,必要时视地质情况采用钢支撑支护。
5 地下洞室开挖5.1说明5.1.1 范围本章规定适用于本合同施工图纸所示的和种类型的地下洞室开挖,其内容包括隧洞、斜井、竖井、大跨度洞室等地下工程的开挖,以及已建地下洞室的扩大开挖等。
本章只适用于钻爆法开挖,不适用于掘进机施工。
5.1.2承包人的责任(1)承包人应全面掌握本工程地下洞室地质条件,按施工图纸、监理人指示和本技术条款规定进行地下洞室的开挖施工。
其开挖工作内容包括准备工作、洞线测量、施工期排水、照明和通风、钻孔爆破、围岩监测、塌方处理、完工验收前的维护,以及将开挖石渣运至指定地区堆存和废渣处理等工作。
(2)承包人应按本合同《通用合同条款》第13.5 款(3)项、第30.2款(4)项和本技术条款第1.10 节中的有关规定,做好地下工程施工现场的粉尘、噪声和有害气体的安全防护工作,以及定时定点进行相应的监测,并及时向监理人报告监测数据。
工作场地内的有害成分含量必须符合国家劳动保护法规的有关规定。
(3)承包人应对地下洞室开挖的施工安全负责。
在开挖过程中应按施工图纸和本合同《通用合同条款》第29.2条(1)项规定,做好围岩稳定的安全保护工作,防止洞(井)口及洞室发生塌方、掉块危及人员安全。
开挖过程中,由于施工措施不当而发生山坡、洞口或洞室塌方,引起工程量增加或工期延误,以及造成人员伤亡和财产损失,均应由承包人负责。
(4)承包人应按监理人批准的施工措施计划和本技术条款第1.11.3条规定,在指定地点堆放石渣。
(5)开挖过程中,承包人应按监理人指示做好施工记录及地质编录工作。
5.1.3 主要提交件5.1.3.1 施工措施计划在地下工程开挖前56天,承包人应根据施工图纸及本技术条款的规定,提交一份包括下述内容的施工措施计划,报送监理人审批。
(1)地下工程开挖及施工支洞布置图;(2)开挖设备和辅助设施的配置;(3)钻孔爆破技术和方法以及控制超挖的措施;(4)出渣、弃渣以及渣料利用措施;(5)洞口保护和围岩稳定的支护措施以及处理塌方的应急措施;(6)通风和散烟、除尘及空气监测安全措施;(7)照明设施;(8)排水设施;(9)通信、信号和报警设施;(10)施工进度计划及劳动力安排;(11)开挖质量和安全保护措施。
地下洞室开挖工程1.1 施工程序1.1.1 开挖程序安排原则根据本标段地下洞室的布置特点,开挖施工程序按下述原则安排:㈠根据各部位具备施工条件的时段,提前组织好人员、机械设备,遵循自上而下、由外向里的开挖施工原则。
㈡地下洞室开挖施工以不影响主体施工或将影响降低到最低为原则,合理安排开挖施工工期,确保洞室开挖与主体施工顺利进行。
㈢地下洞室开挖施工以围岩类别控制单循环进尺为原则,根据围岩类别合理控制单循环进尺,确保洞室稳定,防止安全事故发生。
㈣洞室开挖程序安排遵循新奥法施工原则,根据揭露围岩类别,采取相应的支护形式及时支护,确保施工安全。
㈤地下洞室开始进洞遵循洞脸锁口原则,防止破坏洞脸边坡。
1.1.2 施工程序洞挖施工程序为:测量放线→布孔→钻孔→爆破→通风排烟→出碴→支护→下一循环测量放线:每一循环作业前,都要进行测量放样。
洞室放样需标出顶拱圆弧中心和周边有代表性的控制点,以保证开挖施工的准确性。
布孔:施工技术人员根据测量放线成果及爆破设计,进行现场布孔,用红漆标出主要钻孔的孔位,以便钻孔施工。
钻孔:采用手风钻钻孔,孔径φ42mm,爆破孔间距50~70cm,光爆孔间距40~50cm。
钻孔角度和孔深,应符合爆破设计的规定,已造好的钻孔,需进行保护。
对于因堵塞无法装药的钻孔,应予吹孔或补钻,钻孔经检查合格后方可装药。
装药:爆破孔采用φ32mm药卷装药,光爆孔采用导爆索串联φ25mm药卷间隔装药,线装药密度150~200g/m左右;爆破:爆破网络采用非电毫秒微差孔内延时网络,火雷管起爆方式。
通风排烟:由于本工程开挖洞室长度较长,采用供风机进行供风排烟。
出渣:洞内运输采用扒渣机配合索矿车排渣至洞外,洞外采用反铲挖装,自卸汽车运输。
安全处理:出碴之前,应有专职负责安全处理人员将掌子面及顶拱的松动岩体和危石进行处理,避免事故发生。
支护:岩石破碎的洞段,爆破完后及时采用锚杆、喷锚等方法进行支护,必要时视地质情况采用钢支撑支护。
地下洞室开挖施工安全控制措施1.所有进入地下洞室工地的人员,必须按规定配带安全防护用品,遵章守纪,听从指挥。
各洞内机电洞室、材料库等处均应设置有效的消防器材,并设明显的标志,定期检查、补充和更换。
2.洞室施工放炮由取得“安全技术合格证”的爆破工担任,•严格防护距离(最少300m)和爆破警界。
放炮20分钟后才允许人员进入工作面,安全撬挖后方能继续施工。
3.为防止洞室坍塌,开挖不良地质段时,应按照短进尺、弱爆破、先护顶、及时强支护的原则进行,并制定相应的防塌、滑预案及处理措施。
4.洞室交叉口的开挖应先打锁口锚杆加固再进行相贯洞室的开口爆破,爆破后支护立即跟上,以防止出现塌方。
5.地下洞室分、支岔口的开挖与支护,洞中开洞需等主洞开挖至设计要求的安全距离后,才能开支洞口。
支洞口开挖前需对洞口进行长锚杆预支护,洞口开挖后及时进行锁口砼施工。
6.在各洞室交叉处设置三维交通地图,该图标识出当前各工作面的通道情况,特别注明各工作面的当班有无爆破情况,进入各工作面须特别注意的事项等。
7.对于洞室岩爆区的开挖施工,喷锚支护要紧随开挖掌子面推进,必要时采取上兜下防的防护措施,以保证人员和设备的安全。
8.在洞室施工中配备有害气体监测、报警装置和安全防护用具,如防爆灯、防毒面具、报警器等,一旦发现毒气,立即停止工作并疏散人员。
配备足够的通风设备,搞好洞内通风,保证洞内施工时的能见度,避免机械事故和人员伤亡事故的发生,并防止有害气体对人体的伤害。
9.洞内施工所用的动力线路和照明线路,必须架设到一定的高度,线路要架设整齐,设置于洞内的配电系统和布置闸刀、开关的部位,必须要设醒目的安全警示牌。
洞内照明尽量使用安全电压。
10.施工期间,现场施工负责人应会同有关人员对各部分支护进行定期检查,在不良地质段,每班应责成专人检查,当发现支护变形或损坏时,应立即修整加固。
11.安装钢架支撑,应遵守起重和高空作业等有关安全规则,宜用小型机具进行吊装。
地下洞室爆破开挖方法及工艺一、隧洞开挖与运输洞口安全防护处理好后立即转隧洞施工。
采用全断面光面爆破,人工风动湿式凿岩,风钻采用YT-28型气腿风钻。
爆破材料采用非电塑料导爆管,微差延期雷管,2#岩石硝铵炸药。
P30型耙斗式装岩机装岩,轨道车运输出碴。
开挖过程中若遇断层、破碎带、水平裂隙等地质条件差的地段,应及时采取喷锚支护、挂网等措施。
具体锚杆长度、直径、喷砼厚度视地质情况通过计算确定。
隧洞开挖工艺流程二、隧洞开挖爆破参数设计1、炮眼数目的确定炮眼数目的多少,直接影响每一循环凿岩工作量,爆破效果,循环进尺、洞成型的好坏。
暂按下式计算炮眼数目,在施工中,根据具体情况再做调整,以达到最佳爆破效果。
N=0.0012QS/aD2式中:N-炮眼数目Q-单位炸药消耗量,取Q=1.40kg/m3S-开挖断面积,(输水隧洞主洞为23.5m2)a-炮眼装填系数,取a=0.6D-药卷直径,D=32mm根据计算结果,以及炮眼的均匀布置、光面爆破需增加周边眼等因素综合考虑,取隧洞段N=73。
输水主洞炮眼布置图2、掏槽方式掏槽眼的布置与施工质量是影响爆破效果的关键。
根据我们多年的实践经验,采用空孔五星掏槽,此法可靠性高,适用于各种岩性。
3、炮眼深度的确定根据隧洞开挖断面情况,计划采用3.0m的炮钎钻孔,周边炮眼深度2.5m,掏槽眼深2.7m,中空孔深2.8m。
4、光面爆破参数的确定根据该工程的特点和要求,采用光面爆破。
光面爆破的作用是保护围岩,提高围岩的自承能力,达到洞室成型好、安全施工的目的。
施工经验证明:周边眼间距E=40—60cm,E和W的比值E/W=0.8-1.0时,能获得理想的规则轮廓。
初步确定,爆破基本参数如下页表:5、单眼装药量(1)掏槽炮眼:孔深2.7m,单眼装药量k1.35g(2)辅助炮眼:孔深2.5m,单眼装药量1.20kg(3)周边炮眼:孔深2.5m,单眼装药量0.60kg(4)底眼:孔深2.2m,单眼装药量1.20kg6、装药结构:(1) 掏槽及辅助眼,采用线状连续装药,孔口用炮泥堵塞。
地下洞室开挖支护施工措施及方法
⑴超前地质钻探
开挖施工中,当接近断层破碎带及节理发育地段时,采取超前地质勘探手段,了解地下洞室中尚未开挖岩体的地质情况,制定应对防范措施。
①于洞室开挖轴线,在开挖断面上半部中间布置一个超前钻探孔,孔径根据情况大于54mm,孔长15~30m,采用地质钻机钻孔。
②进过程中,通过对钻孔内水压力的量测或抽水试验,探测各段水文地质情况,通过对岩芯分析,判断该段岩性、产状、岩层的性质和厚度、节理裂隙、断层以及岩体的结构。
③超前勘探后,及时将超前勘探资料提交相关技术及施工管理人员和监理工程师,对掘进面前方可能出现的涌水、有害气体、崩塌等准备好应对防范措施,确保施工人员安全和施工顺利。
⑵选择合理施工方法
根据不良地质地段构造情况,采取强支护手段保护开挖施工。
①软弱、松散破碎带地段,采用分部开挖、分部支护方式施工。
施工中采取超前小导管或超前管棚法支护,在超前支护的保护下,进行分部分层开挖。
②可能失稳的楔形体地段,采用快挖、快支护、快锚喷方式施工,开挖循环进尺按0.5-1.0m左右控制,掘进、架设钢支撑(或钢格栅)、打锚杆、挂网、喷混凝土封闭循环进行。
并通过施工监测,及时调整施工程序及支护参数。
③地下水活动较严重地段,采取截、排、堵、引相结合的措施进行处理。
地下洞室开挖工程1.1 施工程序1.1。
1 开挖程序安排原则根据本标段地下洞室的布置特点,开挖施工程序按下述原则安排:㈠根据各部位具备施工条件的时段,提前组织好人员、机械设备,遵循自上而下、由外向里的开挖施工原则。
㈡地下洞室开挖施工以不影响主体施工或将影响降低到最低为原则,合理安排开挖施工工期,确保洞室开挖与主体施工顺利进行.㈢地下洞室开挖施工以围岩类别控制单循环进尺为原则,根据围岩类别合理控制单循环进尺,确保洞室稳定,防止安全事故发生.㈣洞室开挖程序安排遵循新奥法施工原则,根据揭露围岩类别,采取相应的支护形式及时支护,确保施工安全。
㈤地下洞室开始进洞遵循洞脸锁口原则,防止破坏洞脸边坡。
1。
1.2 施工程序洞挖施工程序为:测量放线→布孔→钻孔→爆破→通风排烟→出碴→支护→下一循环测量放线:每一循环作业前,都要进行测量放样.洞室放样需标出顶拱圆弧中心和周边有代表性的控制点,以保证开挖施工的准确性。
布孔:施工技术人员根据测量放线成果及爆破设计,进行现场布孔,用红漆标出主要钻孔的孔位,以便钻孔施工。
钻孔:采用手风钻钻孔,孔径φ42mm,爆破孔间距50~70cm,光爆孔间距40~50cm。
钻孔角度和孔深,应符合爆破设计的规定,已造好的钻孔,需进行保护.对于因堵塞无法装药的钻孔,应予吹孔或补钻,钻孔经检查合格后方可装药。
装药:爆破孔采用φ32mm药卷装药,光爆孔采用导爆索串联φ25mm药卷间隔装药,线装药密度150~200g/m左右;爆破:爆破网络采用非电毫秒微差孔内延时网络,火雷管起爆方式。
通风排烟:由于本工程开挖洞室长度较长,采用供风机进行供风排烟.出渣:洞内运输采用扒渣机配合索矿车排渣至洞外,洞外采用反铲挖装,自卸汽车运输。
安全处理:出碴之前,应有专职负责安全处理人员将掌子面及顶拱的松动岩体和危石进行处理,避免事故发生。
支护:岩石破碎的洞段,爆破完后及时采用锚杆、喷锚等方法进行支护,必要时视地质情况采用钢支撑支护。
地下洞室开挖工程施工方案1.项目背景和目标2.工程准备阶段2.1现场勘查:对施工区域进行详细的地质勘查,了解地层情况、水文地质条件、地下管线等信息;2.2施工方案设计:根据勘查结果和工程要求,制定地下洞室开挖的施工方案;2.3安全防护措施:确定施工期间的安全防护措施,并提前安排施工人员接受相关培训;2.4施工设备准备:采购或租赁所需的施工设备,确保设备齐全并经过检测合格。
3.施工方案3.1施工区域划分:根据工程要求,将施工区域划分为适当的单元,分阶段进行施工;3.2土方开挖:采用机械设备进行土方开挖,并配合排水设备进行排水处理;3.3轨道安装:根据设计要求,安装地铁轨道,并进行调试和验收;3.4建筑结构施工:根据设计要求,进行洞室的建筑结构施工,包括基础、墙体、屋顶等;3.5地下管线敷设:根据设计要求,进行地下管线的敷设和连接;3.6通风设备安装:根据设计要求,安装通风设备和系统,并进行调试和验收;3.7强弱电设备安装:根据设计要求,安装强弱电设备,并进行调试和验收;3.8消防设备安装:根据设计要求,安装消防设备,并进行调试和验收;3.9安全检测和验收:对施工过程中的安全防护措施进行检测,确保施工过程符合相关安全规定;3.10竣工验收:完成施工任务后,进行竣工验收并填写相关报告。
4.安全管理4.1安全教育培训:施工前,对施工人员进行安全教育培训,加强他们的安全意识和操作技能;4.2安全防护措施:根据施工环境和工程要求,制定相关的安全防护措施,如设置安全通道、防护网等;4.3安全监测:安排专业人员进行施工现场的安全监测,及时发现并解决安全隐患;4.4应急预案:编制应急预案,明确各类事故的处理流程和责任人。
5.环境保护5.1粉尘防治:在施工现场采取粉尘控制措施,如喷水降尘、覆盖土方等;5.2噪音控制:施工期间合理安排施工时间,采用降噪设备,并与周边居民协商,减少施工噪音;5.3废弃物处理:统筹安排废弃物减量、分类、收集和处理,确保环境不受污染;5.4水源保护:对施工过程中的排水进行处理,确保水源不受污染。
地下洞室开挖施工工艺及技术要求探析(全文)范本一:一:地下洞室开挖施工工艺及技术要求探析1. 材料准备1.1 选择适宜的开挖方式1.2 选取符合要求的施工材料1.3 确保施工材料的质量和数量1.4 做好施工材料的储存和保管工作2. 地下洞室开挖工艺和流程2.1 地面准备工作2.2 壁面支护工程2.3 地下洞室开挖过程控制2.4 地下洞室开挖质量控制2.5 洞室开挖后处理和修整3. 施工过程中的安全措施3.1 施工人员安全防护3.2 设备和工具的安全使用3.3 紧急情况应急措施3.4 施工现场的环境与卫生保障4. 施工质量要求4.1 开挖尺寸和偏差控制4.2 地下洞室墙面平整度要求4.3 地下洞室顶板的强度和稳定性要求4.4 地下洞室的排水和防水措施4.5 施工材料的合格率要求5. 监测与验收标准5.1 监测点的设置和监测方法5.2 监测数据的收集和分析5.3 施工过程中的验收标准5.4 完工后的终验和竣工验收标准6. 工程案例分析6.1 案例一:某地下停车库开挖施工技术要求及施工工艺6.2 案例二:某地铁隧道开挖施工技术要求及施工工艺1. 本文档涉及附件,详见附件一:附件二。
2. 本文所涉及的法律名词及注释:2.1 法律名词一:XXXXXX注释:XXXXXX2.2 法律名词二:XXXXXX注释:XXXXXX范本二:一:地下洞室开挖施工工艺及技术要求探析1. 引言2. 开挖施工前准备2.1 地质勘察和设计分析2.2 地上设备和人员准备2.3 施工方案和进度计划制定2.4 原料和材料准备3. 开挖施工工艺3.1 地面开挖工艺3.2 地下洞室壁面支护工艺3.3 地下洞室开挖流程控制3.4 地下洞室开挖质量控制3.5 地下洞室开挖后处理和修整4. 施工安全措施4.1 人员安全防护4.2 设备和工具的安全使用4.3 紧急情况应急措施4.4 施工现场的环境与卫生保障5. 施工质量要求5.1 开挖尺寸与偏差控制5.2 地下洞室墙面平整度要求5.3 地下洞室顶板的强度和稳定性要求5.4 地下洞室的排水和防水措施5.5 施工材料的合格率要求6. 监测与验收标准6.1 监测点的设置和监测方法6.2 监测数据的收集和分析6.3 施工过程中的验收标准6.4 完工后的终验和竣工验收标准7. 工程案例分析7.1 案例一:某地下商场开挖施工技术要求及施工工艺7.2 案例二:某地下管道施工技术要求及施工工艺1. 本文档涉及附件,请参见附件一:附件二。
5 地下洞室开挖5.1说明5.1.1范围本章规定适用于本合同施工图纸所示各种类型的地下洞室开挖,其内容包括隧洞、斜井、竖井、大跨度洞室等地下工程的开挖,以及已建地下洞室的扩大开挖等。
本章只适用于钻爆法开挖,不适用于掘进机施工。
5.1.2承包人的责任(1) 承包人应全面掌握本工程地下洞室地质条件,按施工图纸、监理人指示和本技术条款规定进行地下洞室的开挖施工。
其开挖工作内容包括准备工作、洞线测量、施工期排水、照明和通风、钻孔爆破、围岩监测、塌方处理、完工验收前的维护,以及将开挖石渣地运至指定地区堆存和废渣处理等工作。
(2) 承包人应按本合同《通用合同条款》第13.5款(3)项、第30.2款(4)项和本技术条款第1.10节中的有关规定,做好地下工程施工现场的粉尘、噪音和有害气体的安全检查防护工作,以及定时定点进行相应的监测,并及时向监理人报告监测数据。
工作场地内的有害成份含量必须符合国家劳动保护法规的有关规定。
(3) 承包人应对进下洞室开挖的施工安全负责。
在开挖过程中应按施工图纸和本合同《通用合同条款》第29.2条(1)项规定,做好围岩稳定的安全保护工作,防止洞(井)口及洞室发生塌方、掉块危及人员安全。
开挖过程中,由于施工措施不当而发生山坡、洞口或洞室内塌方,引起工程量增加或工期延误,以及造成人员伤亡和财产损失,应由承包人负责。
(4) 承包人应按监理人批准的施工措施计划和本技术条款第1.11.3条规定,在指定地点堆放石渣。
(5) 开挖过程中,承包人应按监理人指示作好施工记录及地质编录工作。
5.1.3主要提交件5.1.3.1施工措施计划在地下工程开挖前56天,承包人应根据施工图纸及本技术条款的规定,提交一份包括下内容的施工措施计划,报送监理人审批:(1) 地下工程开挖及施工支洞布置图;(2) 开挖设备和辅助设施的配置;(3) 钻孔爆破技术和方法以及控制超挖的措施;(4) 出渣、弃渣以及渣料利用措施;(5) 洞口保护和围岩稳定的支护措施以及处理塌方的应急措施;(6) 通风和散烟、除尘及空气监测安全措施;(7) 照明设施;(8) 排水措施;(9) 通信、信号和报警设施;(10) 施工进度计划及劳动力安排;(11) 开挖质量和安全保证措施。
5.1.3.2钻孔和爆破作业计划在每项地下工程开工前28天,承包人应提交一份该工程项目的钻孔和爆破作业计划,报送监理人审批,其内容应包括:(1) 爆破钻孔(包括掏槽孔)的布置和参数;(2) 爆破孔使用的炸药和雷管的类型及装药量;(3) 炸药爆破系数;(4) 爆破试验方案和监测方法;(5) 本工程各类洞室不同围岩的开挖作业循环。
5.1.3.3施工记录报表在每项地下工程开挖过程中,承包人应按监理人指示,定期提交施工记录报表,其内容应包括:(1) 各开挖工作面进尺;(2) 实测开挖断面和各种测量成果;(3) 塌方和特殊事故处理;(4) 地下工作场地定点的空气监测资料及实测成果;(5) 设备运行和检修记录;(6) 监理人要求提供的质量检查和验收记录。
5.1.3.4完工资料承包人应为监理人进行地下洞室开挖的完工验收提交以下资料:(1) 地下洞室开挖竣工图;(2) 地下洞室开挖实测纵、横剖面图;(3) 地下洞室围岩地质测绘资料、水文地质资料及监测资料;(4) 进下洞室开挖事故处理记录;(5) 监理人要求提供的其他完工资料。
5.1.4引用标准和规程规范(1)《爆破安全规程》GB6722-86;(2)《锚杆喷射混凝土支护技术规范》GBJ86-85;(3)《水工建筑物岩石基础开挖工程施工技术规范》SDJ212-94;(4)《水工建筑物地下开挖工程施工技术规范》SDJ212-83;(5)《水利水电工程施工地质规程》(试行)SDJ18-78。
5.2钻孔与爆破5.2.1钻孔爆破计划(1) 承包人进行任何钻孔爆破作业,必须按本技术条款第5.1.3.2款的规定,向监理人提交钻孔和爆破计划,经监理人批准后方可进行施工。
(2) 在开挖进程中,承包人应根据地质情况的变化及时改变钻孔和爆破技术,修正爆破参数,以保证爆破后获得良好的开挖面,钻孔爆破技术和参数的改变,应经监理人同意。
5.2.2钻孔爆破的设计和试验(1) 地下洞的爆破应进行专门的钻孔爆破设计,其内容包括:1 掏槽方式;2 炮孔布置;3 装药量和装药结构以及炮孔堵塞方式;4 起爆方法和顺序;5 绘制爆破图。
(2) 地下洞室的开挖应采用光面爆破和预裂爆破技术,其爆破的主要参数应通过试验确定。
光面爆破和预裂爆破试验采用的参数可参照GBJ86-85表4.02选用。
(3) 承包人应选用岩类相似的试验洞段进行光面爆破和预裂爆破试验,以选择破材料和爆破参数,并将试验成果报送监理人。
爆破试验的内容应包括:1 爆破材料性能的试验检测和材料选择;2 爆破参数选择试验;3 爆破效果检测。
5.2.3钻孔爆破的施工(1) 钻孔的测定和开孔质量应符合下列要求:①钻孔孔应依据测量定出的中线、腰线及开挖轮廓线确定;②周边孔应在断面轮廓线上开孔,沿轮廓线的高速范围和掏槽孔的孔位偏差不应大于5cm,其它炮孔孔位的偏差不得大于10cm;③炮孔的孔底应落在爆破图规定的平面上。
(2)炮孔的装药、堵塞和引爆线路的联结,应由经考核合格的炮工负责,并严格按爆破图的规定进行;地下洞室爆破应采用塑料导爆管引爆,预裂爆破应采用导爆索引爆。
(3) 光面爆破和预裂爆破效果应达到以下要求:1 残留炮孔痕迹应在开挖轮廓面上均匀分布。
2 炮孔痕迹保存率:硬岩不少于80%;中硬岩不少于70%;软岩不少于50%。
3 相邻两孔间的岩面平整,孔壁水应有明显的爆震裂隙。
4 相邻两茬炮之间的台阶或预裂爆破孔的最大外斜值,不应大于__cm。
5 预裂爆破的预裂缝宽度,应不小于0.5cm。
5.2.4保护混凝土衬砌和支护结构不受损坏(1) 在开挖过程中,承包人应注意保护地下混凝土衬砌、灌浆和支护结构不受损坏。
在已完成的衬砌、灌浆和支护结构附近进行爆破时,其爆破技术和爆破参数应进行专门的设计和选择,并应经监理人批准。
(2) 由于爆破或其它任何操作原因而造成衬砌、灌浆和支护结构的损坏或变形,以及对工程任何部分造成的损坏或损伤,都应由承包人按照监理人的指示进行修复,其费用由承包人承担。
爆破面离已完成混凝土衬砌、压力灌浆和支护结构的安全引爆距离,可参照SL47-94第3.7节的规定,通过现场试验选定,并经监理人批准。
5.3开挖面的规格5.3.1开挖支付线的规定施工图纸中标明的设计开挖线是付款的依据。
超出设计开挖线以外的超挖,及其在超挖窨内回填混凝土或其它回填物所发生的费用,均应包括在《工程量清单》该项目的单价中,发包人不再另行支付。
5.3.2开挖面的欠挖清理所有地下开挖应严格按照施工图纸所标明的设计开挖线进行放线,不允许任何型式的欠挖。
除监理人另有规定外,伸入设计开挖线以内的欠挖,均应由承包人负责清除,其费用由承包人承担。
5.3.3局部伸入设计开挖线的处理对不衬砌或喷混凝土衬砌的地下洞室,在设计开挖线以内的岩尖角、局部喷混凝土面和锚杆前沿等,均需按监理人的指示进行处理。
在混凝土衬砌断面中可允许钢支撑局部伸入到开挖线以内,其允许伸入范围应经监理人批准。
5.3.4监理人修改设计开挖线监理人有权根据超前勘探获得的地质资料修改设计断面,增加或减少衬砌支护厚度,承包人不得拒绝执行。
监理人进行的开挖线修改,属于设计变更范畴的,按本合同《通用合同条款》第39条的规定办理。
5.3.5施工措施不当引超的超挖除经监理人认可的地质原因引起的超挖外,承包人在开挖过程中由于施工措施不当造成的超挖,均应由承包人承担超挖增加的费用,包括因超挖需要的回填混凝土或经监理人批准的其它回填材料的费用。
5.3.6施工需要增加的开挖承包人为了施工需要(如布置施工设备、水泵、卷扬机、避车洞、迥车盘等需要扩大开挖断面)增加的开挖量以及由互而增加回填的费用,均应包括在《工程量清单》该项目的单价中,发包人不再另行支付。
5.4洞(井)口开挖和处理5.4.1洞(井)口掘进前山坡稳定性的勘察各地下开挖工程的洞(井)口掘进前,应仔细勘察山坡岩石的稳定性,并按监理人指示,对危险部位进行处理和支护。
5.4.2洞(井)口的边坡开挖和清理洞(井)口削坡开挖应自上而下进行,严禁上下垂直作业。
应做好危石清理、坡面加固、马道开挖及排水等工作。
洞口开挖还应遵守SDJ212-83第4.2.1至第4.2.5条的有关规定。
5.4.3洞脸开挖洞(井)口的边坡开挖完成后,承包人在进行洞脸岩石和起始洞段开挖时,应采取有效的控制爆破措施,防止爆破震动造成洞顶山坡和洞口岩石发生震裂、松动和塌方。
5.5地下开挖石渣的利用5.5.1地下工程开挖石渣的利用凡在地下工程中开挖出的适用料,应根据施工总布置规划和本技术条款第4.1.3.1款(4)项的规定,并按本工程混凝土浇筑和土石方填筑对石料利用的不同技术要求分区有序堆放。
由于承包人施工措施不当造成上述开挖料无法使用而引起费用的增加,应由承包人承担。
5.5.2地下工程开挖石渣的弃置地下工程开挖的石渣,经监理人认定不能用于工程时,应按废渣处理,并按本技术条款第4.5节的有关规定弃置。
5.6开挖面的清撬与冲洗5.6.1开挖面的清撬承包人应在爆破后和出渣前,清撬所有开挖面上残留的危石碎块,以确保进入洞内的人员和设备的安全,在施工过程中,承包人应经常检查已开挖洞段的围岩稳定情况,清撬可能塌落的松动岩块。
5.6.2开挖面的冲洗承包人应对地下开挖爆破后的岩石开挖面,在进行支护或混凝土衬砌前用高压水冲洗,或用高压风冲干净,应清除岩石碎片、尘埃、碎屑和爆破泥粉,以便查清围岩中的软弱结构面,并供地质编录及采取支护措施。
冲洗作业应紧随开挖进度进行,但冲洗面离工作面应不小于10m。
5.7地下开挖超前勘探5.7.1根据监理人指示进行超前勘探为查清地下洞室中尚未开挖岩体的地质情况,及时研究选定掌子面后的开挖断面尺寸和支护措施,承包人应在监理人指定或批准的掌子面钻设勘探孔或勘探洞。
经监理人批准的超前勘探,其工作费用应由发包人承担。
5.7.2超前勘探孔、洞的规格地下洞室超前勘探孔的最小长度宜为15m,最长宜为30m,孔径不宜小于54mm;勘探洞长度和尺寸应根据需要由监理人与承包人其同商定;勘探孔和勘探洞的位置、方向、长度和数量应由承包人报监理人批准。
5.7.3及时报送超前勘探资料承包人完成超前勘探后,应立即通知监理人查看钻孔岩芯及钻进记录,并及时将超前勘探资料报送监理人。
5.7.4超前预报的进度补偿开挖过程中,监理人决定需要进行超前预报时,除按合同规定时行支付外,由于超前预报而影响开挖作业的时间,应酌情予以进度补偿。
5.7.5承包人要求进行的超前勘探承包人为获取地下开挖爆破参数的目的,需要在开挖前进行必要的超前勘探时,应将超前勘探的计划报送监理人。