直流电法正演模拟精编
- 格式:docx
- 大小:51.56 KB
- 文档页数:5
矿井直流电法三维正演计算的若干问题刘树才,刘志新,姜志海,岳建华(中国矿业大学,江苏徐州 221008)摘要:介绍了用于矿井直流电法三维正演模拟不同数值计算方法的特点及其适用范围,提出了用对数等间距和算术等间距相结合的网格剖分方式,说明了电极互换原理所满足的地质条件。
针对合成系数矩阵为非对角占优的特点,采用了大数处理方法,使其线性方程组适用于现有的求解方法。
最后通过对具体问题的探讨,阐述了地质模型的计算精度和计算时间之间的相互关系,为模型参数的选择提供了一定的理论基础。
关键词:矿井直流电法;正演模拟;网格剖分;矩阵压缩中图分类号:P631.3 文献标识码:A 文章编号:1000-8918(2004)02-0170-03 矿井直流电法勘探中经常遇到三维地电构造,大多为层状介质中含有三维异常体情况,目前多用一维、二维数值计算方法来进行分析,但解释结果与实际地质模型有较大的差异。
而三维空间能够真实地反映实际异常体形态的变化情况,能更精确地反映地下电场的分布规律。
三维数值模拟在矿井地质条件下的技术要点为边界条件设置、研究区域网格剖分及节点编码技术、系数矩阵压缩存储技术、大型线性方程组的解法等。
下面对矿井直流电法勘探正演计算中所面临的一些关键问题进行探讨。
1 计算方法的选择目前矿井直流电法勘探三维数值模拟技术主要包括三维有限差分法、三维有限单元法、积分方程法和边界单元法等。
有限差分法又称网格法,其计算过程为:首先将求解区域离散成许多小正方形或长方形的网格,并以网格节点上的参数值来表征电场的空间分布,然后用网格节点上电位函数的差商来近似代替该点的偏导数(或微商),由此得到一个关于网格节点电位值的高阶线型方程组,解出此方程组就可算出网格节点上的场参数值。
有限差分法计算原理和程序设计比较简单,易于解决由二维过渡到三维地球物理问题,特别适用于计算规则形状(如板状体、层状或近似层状体)的矿井地质模型。
有限单元法是根据变分原理求解偏微分方程的数值计算方法。
点源二维直流电阻率法正演模拟吴曲波;张志勇;柯丹;范利飞【摘要】从点源二维电场边值问题出发,利用傅里叶变换将三维问题转换为二维问题,而后使用有限元法求解正演变分问题得节点电位.对三种常用解大型有限元线性方程组解法的计算机时进行试算统计,认为共轭梯度法计算速度较快.最后,通过对比均匀半空间模型有限元数值解和解析解的误差,以及对四个模型分别进行正演模拟试算,算例结果表明本文采用算法具备较好的模拟效果.【期刊名称】《工程地球物理学报》【年(卷),期】2014(011)001【总页数】6页(P44-49)【关键词】点源二维直流电阻率法;正演模拟;有限元法【作者】吴曲波;张志勇;柯丹;范利飞【作者单位】核工业北京地质研究院中核集团铀资源勘查与评价技术重点实验室,北京 100029;中南大学地球科学与信息物理学院,湖南长沙 410083;核工业北京地质研究院中核集团铀资源勘查与评价技术重点实验室,北京 100029;劳雷仪器有限公司,北京 100020【正文语种】中文【中图分类】P631.31 引言点源二维电阻率法作为电法勘探技术的分支,广泛应用于水、工、环等地球物理勘探领域。
开展点源二维电阻率法正演研究,能够提高反演计算精度、地质解释准确性,更好地指导实际生产。
电法正演模拟方法分三类:解析法、物理模拟法和数值模拟法[1]。
由于解析法和物理模拟法不适合场源和物性分布复杂的正演情况,数值模拟法已成为电阻率法正演最主要的方法。
电法数值模拟方法有:有限差分法,有限元法[2,3],积分方程法[4],边界单元法[5]。
有限差分法不涉及计算耗时的偏导数运算,计算简便速度较快,但当物性参数分布复杂或场域的几何特征不规则时,适应性比较差。
积分方程法和边界单元法由于其降维的特点具有较高的计算效率,但只适用简单模型的正演计算。
有限元法具有较高的求解精度且理论较为成熟,能够适应任意模型形态。
因此,有限元法现已是解电法正演问题的主流方法[6,7],本文利用有限元法正演模拟点源二维电场,采用三角形剖分和线性插值方式,取得了较好的模拟效果。
基于ANSYS的直流电阻率法正演数值模拟研究的开题报告题目:基于ANSYS的直流电阻率法正演数值模拟研究背景和意义:直流电阻率法是一种常见的地球物理勘探技术,其利用电场测量岩石和土壤等介质的电阻率分布来推断地下物质的性质与分布。
然而,传统的直流电阻率法在现场实验时存在很多离线因素,如同时存在其他信号噪音、仪器精度不足等,对数据处理和分析造成困难。
因此,基于计算机数值模拟来模拟电阻率法研究结果已成为一个研究热点。
研究目的:通过数值模拟方法实现直流电阻率法正演计算,探究数值模拟方法在直流电阻率法勘探方面的应用价值和可靠程度。
研究内容:1. 分析直流电阻率法原理和正演计算模型;2. 构建数值模拟模型及相关参数设计;3. 运用ANSYS软件进行数值计算;4. 分析数值计算结果,并进行对比试验。
论文结构:第一章绪论1.1 研究背景与意义1.2 研究现状及进展1.3 研究内容与思路1.4 论文结构第二章直流电阻率法原理2.1 直流电阻率法概述2.2 直流电阻率法正演计算模型2.3 直流电阻率法数据处理技术第三章数值模拟方法3.1 数值模拟原理及方法3.2 有限元方法基础3.3 模型设定及参数调节第四章数值模拟计算与对比试验4.1 模拟计算方法4.2 数值模拟计算结果分析4.3 与实验数据对比分析第五章结论与展望5.1 结论5.2 不足与展望参考文献预期创新点:1. 基于ANSYS进行直流电阻率法正演数值模拟,提高勘探结果的准确性和可靠性。
2. 探究直流电阻率法中各个参量(如电极距、区域电导率等)对勘探结果的影响,为实际勘探提供可参考的参数设计。
3. 与传统实验数据对比分析,证明数值模拟在直流电阻率勘探中的可行性和重要性。
隧道含水构造直流电阻率法超前探测研究刘斌;李术才;李树忱;钟世航【期刊名称】《岩土力学》【年(卷),期】2009(0)10【摘要】含导水构造和岩溶裂隙水的探查是亟需研究和解决的关键问题。
直流电阻率法以其对低阻体反映敏感、分辨率高等优点被引入到隧道掌子面前方含水构造的预报工作中。
首先,推导出了无限全空间中球体含水构造直流电法超前探测的解析解公式,并在利用有限元数值方法进行正演分析的基础上,借助"比较法"将含隧道腔体的三维空间中超前探测视电阻率数据转换为无限全空间中的数据,并探讨了由MN电极附近电阻率不均匀所造成的干扰以及识别和去除这种干扰的方法。
然后,设计了基于全空间球体含水构造超前探测解析公式的阻尼最小二乘反演方法,对隧道中多组球体含水构造模型进行了较为成功的反演。
另外,探讨了其他形状的有限体积的含水构造超前探测异常规律,提出了"等效球体"的概念,亦在全空间球体含水构造超前探测解析公式的基础上设计了快速反演方法。
最后,利用物理模型试验验证了有限元数值正演方法和阻尼最小二乘反演技术的可行性和有效性,为实际工程中含水构造的直流电法超前预报奠定了基础。
【总页数】9页(P3093-3101)【关键词】超前地质预报;含水构造;直流电阻率法;正演模拟;反演;阻尼最小二乘法;物理模型试验【作者】刘斌;李术才;李树忱;钟世航【作者单位】山东大学岩土与结构工程研究中心【正文语种】中文【中图分类】U456【相关文献】1.电法超前探测技术与矿井含水构造精细探测 [J], 高致宏;王信文;何继宾;闫述2.多同性源阵列电阻率法隧道超前探测方法与物理模拟试验研究 [J], 李术才;聂利超;刘斌;田明禛;王传武;宋杰;刘征宇;王世睿3.坑道直流电阻率法超前探测研究 [J], 黄俊革;王家林;阮百尧因版权原因,仅展示原文概要,查看原文内容请购买。
矿井高密度三维电法成像数值模拟及应用WAN Haohao;ZHU Lu;CHEN Jinhao;LI Wenxi【摘要】为了探测岩层低阻异常体,防治矿井水害,使用Visual Fortran软件编辑,建立4个相关地电模型,择取二极装置,仿造实际现场数据采集的跑极模式,对自建模型进行基于有限元理论的正演模拟研究,尤其是要辅以水层反演方式进行立体成像,多方向切片处理三维数据体,对比构建模型的差异与契合点,分析限制条件下巷道影响与全空间效应的相互叠加性.结果表明:排除异常现象得到的可视立体图像,能更好地显示陷落柱异常体的响应特征,更清晰地展现低阻未明体的分布范围,可为井下电法勘探数据解释的准确性,提供可靠的理论依据.%To detect low resistivity abnormal bodies in rock strata and prevent mine water hazards, four relevant geoelectric models are established by using Visual Fortran software. Dipole devices are selected to imitate the pole-running mode of actual field data acquisition. Forward modeling based on finite element theory is carried out for the self-modeling model, especially with the aid of water layer inversion. Stereo imaging and multi-directional slicing are used to process three-dimensional data volume. The differences and coincidence points of the model are compared. The overlap between the effect of roadway and the effect of whole space under the restrictive conditions is analyzed. The results show that the visual stereo image obtained by eliminating abnormal phenomena can better display the response characteristics of the abnormal body of collapse column and be clearer. It can provide reliable theoretical basis for the accuracy of datainterpretation of underground electrical prospecting by clearly displaying the distribution range of low resistivity undetermined bodies.【期刊名称】《煤矿安全》【年(卷),期】2019(050)006【总页数】5页(P230-234)【关键词】地电模型;相互叠加;Visual Fortran;有限元理论;水层反演【作者】WAN Haohao;ZHU Lu;CHEN Jinhao;LI Wenxi【作者单位】College of Earth Sciences & Engineering, Shandong University of Science and Technology, Qingdao 266590, China;College of Earth Sciences & Engineering, Shandong University of Science and Technology, Qingdao 266590, China;College of Earth Sciences & Engineering, Shandong University of Science and Technology, Qingdao 266590, China;College of Earth Sciences & Engineering, Shandong University of Science and Technology, Qingdao 266590, China【正文语种】中文【中图分类】TD745+.21直流高密度电阻率法在矿井中的应用已渐为成熟[1-2],但随着煤矿开采深度的逐渐增加,地质条件变得尤为复杂,其中岩体突水已成为危害矿井安全的重大灾害之一,为确保井下开采工作的安全高效进行,科研工作者进行了深入研究。
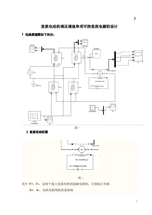
)直流电动的调压调速单项可控直流电源的设计1 电路原理图如下所示:图一2 直流电动机图、图二其中F+,F-:这两个端口是接电机的励磁电源的,分别接正负极A+,A-:电机电枢绕组的连接端TL :电机负载输入端m :测量端口,这里输出了电机转速,电枢电流,励磁电流,电磁转矩 参数计算 : 根据m.1.191500*14.3*23000*60260N N P ===T π得出TL 为19.1N.m 19375.1161.19===ΦIT CaNN T124946.0602=Φ=ΦC C TE π76.1760124946.02200==Φ=C U n E aNmin rV E n C N E419.187124946.0*1500==Φ=。
0476.372arcsin2==UEδ 电动机的设置参数如下:图三3 整流部分晶闸管最重要的特性是可控的正向导通特性.当晶闸管的阳极加上正向电压后,还必须在门极与阴极之间加上一个具有一定功率的正向触发电压才能打通, 这一正向触发电压的导通是由触发电路提供的,根据具体情况这个电压可以是交流、直流或脉冲电压。
由于晶闸管被触发导通以后,门极的触发电压即失去控制作用,所以为了减少门极的触发功率,常常用脉冲触发。
触发脉冲的宽度要能维持到晶闸管彻底导通后才能撤掉,晶闸管对触发脉冲的幅值要求是:在门极上施加的触发电压或触发电流应大于产品提出的数据,但也不能太大,以防止损坏其控制极,在有晶闸管串并联的场合,触发脉冲的前沿越陡越有利于晶闸管的同时触发导通。
为了保证晶闸管电路能正常,可靠的工作,触发电路必须满足以下要求:触发脉冲应有足够的功率,触发脉冲的电压和电流应大于晶闸管要求的数值,并留有一定的裕量。
晶闸管如下图所示:图四晶闸管的参数设定所以根据其提供的资料可取电容0.2μF ,电阻取40Ω。
4触发电路图:晶闸管额定电流It(AV)/A 1000500200100502010电容C/μF 2 1 0.5 0.25 0.2 0.15 0.1 电阻R/Ω2510204080100图五为了保证可靠触发 晶闸管触发宽度为整个20度5 平波电抗器图六为保证电流连续所需要的电感量L 可由下式求出:id i m一般取电动机额定电流的5%-10% 此处取6%H L I U 65771.006.0*16220*10*87.2223dim2===-πω6过电流保护电力电子电路运行不正常或者发生故障时,可能会发生过电流现象。
课程设计课程名称___电力电子技术仿真___ 题目名称__晶闸管直流调速系统参数和环节特性的测定实验__ 学生学院____信息工程__________ 专业班级__07应用电子技术1班__ 学号_____3107002735_______ 学生姓名_____岑新灿___________ 指导教师______胡清____________2010 年 6 月24 日6.1晶闸管直流调速系统参数和环节特性的测定实验6.1.1 实验目的(1)熟悉晶闸管直流调速系统的组成及其基本结构。
(2)掌握晶闸管直流调速系统参数及反馈环节测定方法。
6.1.2实验原理晶闸管直流调速系统由整流变压器、晶闸管整流调速装置、平波电抗器、电动机—发电机住等组成。
在本实验中,整流装置的主电路为三相桥式电路,控制电路可直接由给定电压U g作为触发器的移相控制电压U ct,改变Ug的大小即可改变控制角α,从而得可调的直流电压,以满足实验要求。
6.1.3实验内容(1)测定晶闸管直流调速系统主电路总电阻值R。
(2)测定晶闸管直流调速系统住电感值L。
(3)测定直流电机—直流发电机—测速发电机组的飞轮惯量GD2。
(4)测定晶闸管直流调速系统主电路电磁时间常数Td。
(5)测定直流电动机电势常数Ce和转矩常数CM。
(6)测定晶闸管直流调速系统机电时间常数TM。
(7)测定晶闸管出发及整流装置特性Ud=ƒ(Uct)。
(8)测定测速发电机特性UTG=ƒ(n)。
6.1.4实验仿真晶闸管直流调速实验系统的原理图如图6.1.1所示。
该系统由给定信号、同步脉冲触发器、晶闸管整流桥、平波电抗器、直流电动机等部分组成。
图6.1.2是采用面向电气原理图方法构成的晶闸管直流调速系统的仿真模型。
下面介绍各部分建模与常数设置过程。
1.系统的建模和模型参数设置系统的建模包括主电路的建模和控制电路的建模两部分(1)主电路的建模和参数设置由图6.1.2可见,开环直流调速系统的主电路由三相对称交流电压源、晶闸管整流桥、平波电抗器、直流电动机等部分组成。
电法勘探复习资料电法勘探复习资料电法勘探是地球物理勘探中的一种重要方法,通过测量地下电阻率的变化来获取地下结构信息。
它在矿产勘探、地下水资源调查、环境地质调查等领域有着广泛的应用。
本文将对电法勘探的基本原理、仪器设备、数据解释以及应用案例进行介绍和复习。
一、基本原理电法勘探的基本原理是根据地下岩石或土壤的电性差异,通过施加电流和测量电场来推断地下结构。
电流在地下的传播受到地下介质电阻率的控制,电阻率高的地层电流传播较慢,电阻率低的地层电流传播较快。
通过测量电场,可以推断地下不同层位的电阻率变化,从而揭示地下结构的分布。
二、仪器设备电法勘探仪器主要包括电极、电源和接收器。
电极用于施加电流和测量电场强度,电源提供稳定的电流输出,接收器用于测量电场信号。
根据实际需求,电法勘探仪器可以分为直流电法、交流电法和自然电场法。
直流电法适用于测量较深的地下结构,交流电法适用于测量较浅的地下结构,自然电场法则利用地球自然电场进行测量。
三、数据解释电法勘探的数据解释是将测量得到的电场数据转化为地下结构信息的过程。
常用的数据解释方法包括正演模拟、反演模拟和解释分析。
正演模拟是根据已知地下模型,通过计算得到理论电场数据与实测数据进行对比,从而推断地下结构。
反演模拟则是根据实测数据,通过反演算法计算得到地下结构。
解释分析则是根据电场数据的特征,结合地质资料和其他地球物理数据进行综合分析。
四、应用案例电法勘探在矿产勘探中有着广泛的应用。
例如,在金矿勘探中,电法勘探可以帮助寻找金矿的矿体边界和富集区域;在铜矿勘探中,电法勘探可以揭示铜矿的垂向延伸和分布规律。
此外,电法勘探还可以用于地下水资源调查。
通过测量地下水层的电阻率变化,可以判断地下水的储量和分布情况,为地下水资源的开发和利用提供依据。
在环境地质调查中,电法勘探可以用于检测地下污染物的扩散范围和程度,为环境保护提供技术支持。
综上所述,电法勘探是一种重要的地球物理勘探方法,通过测量地下电阻率的变化来获取地下结构信息。