设备维修计划表格格式
- 格式:docx
- 大小:57.54 KB
- 文档页数:2
设备维护计划1.目的保持厂基础设施、设备的良好状态,以保证使用过程效能,确保产品满足顾客的要求。
2.范围适用于本公司基础设施、设备的控制和管理。
3.职责3.1生产部是设备维护保养的主管管理部门。
负责厂的基础设施、设备的管理。
3.2生产部根据厂基础设施、设备的实际情况,负责建立管理档案,制订《设备操作规程》,对设施、设备实施全过程的管理。
3.3生产部负责所有的设施、设备保养及运行操作管理。
3.4生产部维修组负责所有设施、设备的维修。
4 工作程序设备在使用过程中,随着运行工时的增加,各部机构和零件由于受到摩檫、腐蚀、磨损、振动、冲击、碰撞及事故等诸多因素的影响,技术性能逐渐变坏。
4.1保养作业内容按照保养作业性质可分为:清洁,检查,紧固,润滑,调整,检验和补给作业。
检验作业由国家指定的检验部门执行,或由本司专职检验人员负责进行。
1)清洁、检查、补给、紧固、调整、润滑作业一般由设备操作人员执行。
2)电气作业由专业人员执行作业一般由设备维修执行。
3)压力容器作业由专业人员执行。
5 保养制度本公司的设备保养制度是以预防为主,定运行工时进行保养的原则,分为例行保养,一级保养,二级保养,三级保养,季节性保养。
设备保养的分级和作业内容是根据实际使用中技术情况的变化;设备的结构;使用的条件;环境条件等确定。
是根据零件磨损规律,老化规律,把程度相近的项目集中起来,在达到正常磨损,老化将被破坏前进行保养,保持设备整洁,发现和消除故障隐患,防止设备早期损坏,达到设备维持正常运行的目的。
5.1设备的例行保养设备的例行保养是各级保养的基础,直接关系到运行安全,能源的消耗,机件的使用寿命。
例行保养作业由设备操作人负责执行,其作业中心内容以清洁、补给、安全、检视为主,坚持开工之前、运行中、收工后的三检制度。
检查操纵机构、运行机件、安全保护装置的可靠性,维护整机和各总成部位的清洁,润滑必须润滑到位,紧固松动件等。
5.1.1设备启动前的工作项目。
设备维护计划1.目旳保持厂基础设施、设备旳良好状态,以保证使用过程效能,保证产品满足顾客旳规定。
2.范畴合用于我司基础设施、设备旳控制和管理。
3.职责3.1生产部是设备维护保养旳主管管理部门。
负责厂旳基础设施、设备旳管理。
3.2生产部根据厂基础设施、设备旳实际状况,负责建立管理档案,制定《设备操作规程》,对设施、设备实行全过程旳管理。
3.3生产部负责所有旳设施、设备保养及运营操作管理。
3.4生产部维修组负责所有设施、设备旳维修。
4 工作程序设备在使用过程中,随着运营工时旳增长,各部机构和零件由于受到摩檫、腐蚀、磨损、振动、冲击、碰撞及事故等诸多因素旳影响,技术性能逐渐变坏。
4.1保养作业内容按照保养作业性质可分为:清洁,检查,紧固,润滑,调节,检查和补给作业。
检查作业由国家指定旳检查部门执行,或由本司专职检查人员负责进行。
1)清洁、检查、补给、紧固、调节、润滑作业一般由设备操作人员执行。
2)电气作业由专业人员执行作业一般由设备维修执行。
3)压力容器作业由专业人员执行。
5 保养制度我司旳设备保养制度是以避免为主,定运营工时进行保养旳原则,分为例行保养,一级保养,二级保养,三级保养,季节性保养。
设备保养旳分级和作业内容是根据实际使用中技术状况旳变化;设备旳构造;使用旳条件;环境条件等拟定。
是根据零件磨损规律,老化规律,把限度相近旳项目集中起来,在达到正常磨损,老化将被破坏迈进行保养,保持设备整洁,发现和消除故障隐患,避免设备初期损坏,达到设备维持正常运营旳目旳。
5.1设备旳例行保养设备旳例行保养是各级保养旳基础,直接关系到运营安全,能源旳消耗,机件旳使用寿命。
例行保养作业由设备操作人负责执行,其作业中心内容以清洁、补给、安全、检视为主,坚持动工之前、运营中、收工后旳三检制度。
检查操纵机构、运营机件、安全保护装置旳可靠性,维护整机和各总成部位旳清洁,润滑必须润滑到位,紧固松动件等。
5.1.1设备启动前旳工作项目。
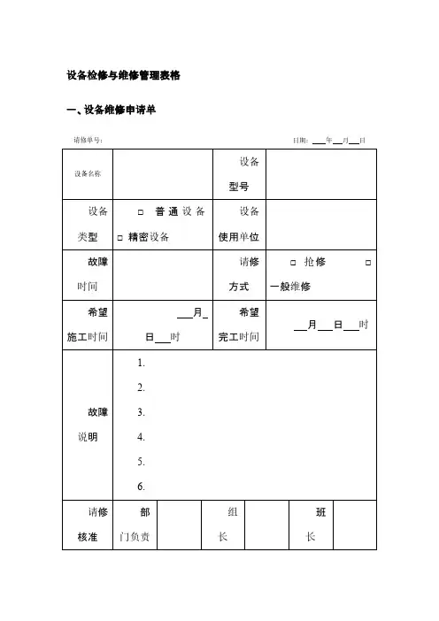
设备检修与维修管理表格LT设备检修与维修管理表格一、设备维修申请单请修单号:日期:年月日设备名称设备型号设备类型□普通设备□精密设备设备使用单位故障时间请修方式□抢修□一般维修希望施工时间月日时希望完工时间月日时故障说明1.2.3.4.5.6.请修核准部门负责人组长班长请修人:签收人:签收时间:年月日二、设备故障紧急维修申请表设备名称使用部门设备编号故障出现时间紧急维修期限月日时分至月日时分紧急状况生产主管意见设备维修主管意见备注三、设备检修计划表编号:填制日期:年月日序号设施编号设施名称检修内容检修日期检修原因检修人备注1234567891011121314151617181920编制人:审核人:批准日期:年月日六、设备检修记录表编号:日期:年月日序号设备所属单位检修设备检修时间耗费工时耗用材料成本(元)编号名称名称数量人工材料1234567891011121314151617181920总成本人工材料合计填写人:审核人:审核日期:年月日七、设备维修验收单编号:日期:年月日设备名称设备型号请修单位修理方式请修时间完工时间1.故障说明2.序号维修项目维修人员验收人员12345678910维修单位负责人签名验收意见使用单位负责人签名验收意见。
设备检修周期计划表范本一、概述设备检修是保证设备正常运行和延长设备寿命的关键环节。
为了提高设备的可靠性和稳定性,我们制定了设备检修周期计划表,以便合理安排设备检修工作。
本计划将按照设备类型、工作负荷和设备状况进行分组,制定相应的检修周期和计划。
以下是设备检修周期计划表的范本。
二、设备检修周期计划表设备类型:XXX设备1. 设备编号:000001检修周期:每半年进行一次检修检修计划:- 清洁设备外表和内部组件,检查设备的密封性和连接情况,确保设备无渗漏和松动现象;- 检查设备的电气连接和线路是否正常,修复或更换损坏的线路、插座等;- 检查设备的传动系统是否正常,润滑链条、轴承等运动部件;- 检查设备的冷却系统和散热器,清理堵塞和积尘,确保设备的散热效果良好;- 检查设备的传感器和控制系统,确保设备的自动化控制功能正常;- 对设备进行标定和调整,确保设备的测量和运行参数符合要求;- 检查设备的安全防护装置和报警系统,确保设备的安全运行。
2. 设备编号:000002检修周期:每年进行一次检修检修计划:- 清洁设备外表和内部组件,检查设备的密封性和连接情况,确保设备无渗漏和松动现象;- 检查设备的电气连接和线路是否正常,修复或更换损坏的线路、插座等;- 检查设备的传动系统是否正常,润滑链条、轴承等运动部件;- 检查设备的冷却系统和散热器,清理堵塞和积尘,确保设备的散热效果良好;- 检查设备的传感器和控制系统,确保设备的自动化控制功能正常;- 对设备进行标定和调整,确保设备的测量和运行参数符合要求;- 检查设备的安全防护装置和报警系统,确保设备的安全运行。
3. 设备编号:000003检修周期:每三个月进行一次检修检修计划:- 清洁设备外表和内部组件,检查设备的密封性和连接情况,确保设备无渗漏和松动现象;- 检查设备的电气连接和线路是否正常,修复或更换损坏的线路、插座等;- 检查设备的传动系统是否正常,润滑链条、轴承等运动部件;- 检查设备的冷却系统和散热器,清理堵塞和积尘,确保设备的散热效果良好;- 检查设备的传感器和控制系统,确保设备的自动化控制功能正常;- 对设备进行标定和调整,确保设备的测量和运行参数符合要求;- 检查设备的安全防护装置和报警系统,确保设备的安全运行。