小学新建工程项目勘察-A小学dql
- 格式:doc
- 大小:14.50 KB
- 文档页数:2
小学综合改造工程勘察设计任务书一、项目概况本项目位于主要建设内容包括:1.本项目拆除一栋原有教学楼,拆除建筑面积约423.04平方米;新建一栋教学楼,总建筑面积约2760.15平方米。
2.校门改造建筑面积约25.00平方米。
3.重新铺装校园广场约Il00.00平方米。
4.拆除并重建学校围墙约55.00米。
5.建筑高度不超24米,单跨跨度不超12米,地基基础等级乙级。
二、勘察要求(一)勘察内容本项目的勘察工作,包括但不限于以下内容(具体以签订的合同为准):岩上工程勘察,范围如下:1、新建教学楼范围;2、校门改造范围;3、地面开挖区域的地下管线物探,水准测量按四等水准。
(二)勘察依据《工程勘察通用规范》《岩土工程勘察规范》(GB50021-2001)(2009年版)《建筑桩基技术规范》(JGJ94-2008)《建筑抗震设计规范》(GB50011-2010)(2016年版)《建筑工程地质勘探与取样技术规程》(JGJ/T87-2012)《建筑工程抗震设防分类标准》(GB50223-2008)《建筑基坑支护技术规范》(JGJI20-2012)《建筑基坑支护工程技术规程》(DBJ/T15-20-2016)《建筑地基处理技术规范》(JGJ79-2012,DBT15-38-2019)《建筑工程地质勘探与取样技术规程》(JGJ/T87-2012)《建筑地基基础设计规范》(GB50007-2011);《土的工程分类标准》(GB/T50145-2007);《土工试验方法标准》(GB/T50123-2019);1 .查明不良地质作用的类型、成因、分布范围、发展趋势和危害程度,提出整治方案的建议;2 .查明新增挡土墙护坡下的岩土层的类型、深度、分布、工程特性,分析和评价挡土墙及护坡的稳定性、均匀性和承载力;3 .查明埋藏的河道、沟浜、墓穴、防空洞、孤石等对工程不利的埋臧物;4 .查明地下水的埋藏条件,提供地下水位及其变化幅度,提供设计需要的抗浮设防水位;5 .判定水和土对建筑材料的腐蚀性。
某小学新建实验综合楼工程投标书第一章工程概况第二章施工息部署第三章施工准备工作第四章要紧分部工程施工方案第五章美就部伍工程施工方法及技术措施第六章“四新”技术在本工程中的推广应用第七章质量保证措施及质量通病消除措施第八章工期保证措施第九章安全生产技术保障措施第十章季节性施工技术措施第H—•章程杨文明施工与不扰民措施第十二章提高质量、保证工期降低造价的合现化建设第十三章工程交工后的回访跟踪服务附JR:表一:劳动力投入计如表表二:要紧施工机具投入计知表表三:要紧材料投入计划表第一章H程概况一、工程概况:本工程为民治县实验小学新建实验综合楼工程,总建旗面积为29I8%2,工程类列为三类,合理T更用年限为50年,耐火等级为二级,抗震设防忍度为7度,屋面防水等级为三级。
本工程来暖热源由不地区锅炉房混供。
本工程使用m-C-S系统配线,由电缆埋地引入总配电箱,由思配电箱引到分户配电箱。
第二重延工部署一■安排及指导思想C-J根据建设单伍招标文件要求,结合本工程特点,确定施工组织设计工期为365天,具体诳度安排如下:土方工程:2011年4月[日—2011年4月23日基础工程:2011年4月24日——20”年5月27H至皿层:2011年5月28日—2011年8月24日屋面工程:2011年8月25日—2011年9月26日门窗工程:2011年9月27日一2011年"月3日内装修工程:2011年IO月16日一2011年12月15日衩假期间:2011年12月16日—2012年2月23日外装修工程:2012年2月24日—2012年3月25日安装子埋及调沟:2011年6月"日—2012年3月17日收尾竣工验收:2012年3月26日—2012年4月[日,二J根据我公司多年的施工经验,要想保证质量按期完工交付陵用,务头条取有效措施,加大交叉作业面,在交又作业超赶进度的同时,为了确保工程同时,项目部加大质量管理力度,职工领导迸行百天食同双配雄,时刻不脱离生产作业区,瓯时有劳有益,既要保证信誉,乂要确保质量与安全,并目觉把“质量第一”的指导思想衩在决策的战略地Tx,应用系统工程科学管理方法综合治理工程质量。
小学改扩建工程施工建筑概况及工程施工的特点
第一节建筑概况
本工程为外国语小学新桥校区改扩建工程,新建教学用房约2200平方米、地下停车场约1800平方米,作为学生活动教学使用。
为地上四层地下一层钢筋混凝土框架结构,建筑总高度为14.80米;主体结构设计合理使用年限为50年,建筑结构安全等级为一级,建筑耐火等级为一级,结构抗震等级为二级;本工程采用独立基础加抗水板形式。
第二节工程施工的特点
一、本工程要求精心施工,确保质量,一切均应以保证儿童安全为首要条件。
二、本工程所采用的建筑材料和设备应优先选用对学生健康安全有益,且取得3C认证标识的环保、安保型产品。
所选用建筑材料中的有害物质含量应符合现行国家标准GB18580~GB18588和《建筑材料放射性核素限量》GB6566的要求,并应符合《民用建筑工程室内环境污染控制规范》GB 50325的规定。
所有材料和设备必须符合国家和地方相关的质量标准,严禁采用存在安全隐患、有害物超标等不合格产品和假冒伪劣产品。
三、本工程必须严格按照现行施工及验收规范和国家强制性标准,提高机械化程序,集中优势力量,加强科学管理,确保优质按期完成。
四、安全文明施工尤为重要。
树立文明施工形象,确保本工程的安全文明施工顺利进行,是本工程施工过程中一个重点。
五、本工程地下室及屋面要确保屋面不渗漏,防水施工是关键。
六、本项目工期紧,施工时必须精心组织,合理安排,确保工期目标的实现。
七、基坑施工必须满足相关规范文件要求。
精品小学校区新建教学楼项目工程施工组织设计方案年修订版一、项目概述我们的小学校区新建教学楼项目,旨在为孩子们提供一个更加舒适、安全、现代化的学习环境。
这座教学楼将涵盖教室、实验室、图书馆、多功能厅等多样化功能空间,以满足学校教育教学的需求。
1.项目名称:精品小学校区新建教学楼项目工程施工组织设计方案年修订版2.项目地点:我国某城市精品小学校区3.项目规模:教学楼占地面积10000平方米,建筑总面积20000平方米4.工程周期:预计建设周期为12个月二、施工组织设计1.施工总体布局(1)施工现场划分为四个区域:施工区、材料堆放区、办公区和生活区。
(2)施工区内部按照不同施工阶段进行划分,包括土建工程、装饰装修工程、设备安装工程等。
2.施工进度计划(1)土建工程:预计3个月完成基础施工,6个月完成主体施工,9个月完成内外装修。
(2)装饰装修工程:预计10个月完成。
(3)设备安装工程:预计11个月完成。
3.施工资源配置(1)人员配置:根据施工进度计划,合理安排各阶段施工人员数量,确保项目顺利进行。
(2)设备配置:根据工程需求,配置相应的施工设备,提高施工效率。
(3)材料供应:确保材料质量,合理控制材料采购、运输和储存成本。
4.施工安全措施(1)施工现场设置安全警示标志,加强安全宣传教育。
(2)建立健全施工现场安全管理制度,严格执行安全操作规程。
(3)定期对施工现场进行安全检查,发现问题及时整改。
三、施工质量控制1.施工质量控制目标:确保教学楼工程符合国家相关标准,达到优质工程水平。
2.质量控制措施:(1)严格审查施工图纸,确保设计合理、施工可行。
(2)加强施工现场管理,提高施工人员素质。
(3)采用先进的施工工艺和材料,提高施工质量。
(4)加强质量检测,确保工程质量。
四、施工成本控制1.成本控制目标:合理控制施工成本,确保项目经济效益。
2.成本控制措施:(1)优化施工方案,降低施工成本。
(2)加强材料采购、运输和储存管理,降低材料成本。
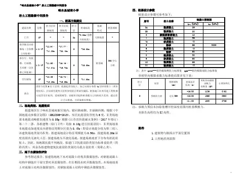
新建忻州市和平小学项目岩土工程勘察报告(详勘)二O一七年七月目录1绪言 (1)1.1工程概况 (1)1.2勘察目的与要求 (2)1.3勘察设计等级 (2)2勘察工作 (3)2.1勘察工作量的布置依据 (3)2.2勘察工作量布置原则 (4)2.4室内试验 (4)2.3外业勘探 (4)2.5完成工作量 (5)3场地工程地质条件 (7)3.1地形地貌 (7)3.2地层时代及成因类型 (7)3.3地基土构成及岩性特征 (7)3.4场地地下水评价 (9)4地震效应 (10)4.1抗震设防烈度 (10)4.2建筑场地类别 (10)4.3地基土液化判别 (11)4.4地基土震陷 (11)4.5建筑抗震地段划分 (11)4.6地基湿陷性评价 (11)5场地土综合分析与评价 (14)5.1地基土物理力学性质指标统计原则及指标选用 (14)5.2室内土工试验及原位测试结果 (14)5.3场地稳定性、适宜性评价 (17)5.4天然地基均匀性评价 (17)5.5天然地基土承载力评价 (17)6地基基础方案概述 (18)6.1天然地基可行性分析 (18)6.2地基处理 (18)6.3基坑开挖及支护 (19)7结论与建议 (19)7.1结论 (19)7.2建议 (20)附图表:名称编号建筑物与勘探点平面位置图No.01工程地质剖面图No.02~18钻孔柱状图No.19~29附件:检测试验报告(土工试验)波速测试报告1绪言1.1工程概况工程名称:新建忻州市和平小学项目建设地址:铁合金厂西、利民西街北九巷东、顺达小区南、利民西街以北。
建设规模:总占地面积23105.65m2,总建筑面积为13415.64m2(其中:地上建筑面积11852.57m2,地下建筑面积1563.07 m2)建筑物详情见表 1.1。
建筑物的平面位置详见《建筑物与勘探点平面位置图》(No.01)。
建筑物详细情况一览表表1.12017年7月,我公司受建设单位的委托,对该拟建场地进行了详勘阶段的岩土工程勘察工作(一次性勘察)。
湖北省武昌水果湖第一小学岩土工程勘察方案一、工程概况湖北省武昌水果湖第一小学拟本校规划用地范围内兴建一栋5~6层科技楼,高度24m,框架结构,建筑重要性等级二级,抗震设防分类丙类。
基础埋深待定,设计最大柱荷载为2000KN。
该工程由武汉理工大学设计研究院负责建筑设计工作。
为获取建筑设计所必需的地质资料,建设单位拟委托我院对拟建场地进行岩土工程详细勘察工作。
二、场地地层概况经查阅区域地质资料及邻近场地勘察成果,推测拟建场地地层如下:1、人工填土(Q ml),层厚约2.0m;2、第四系全新统冲洪积一般粘性土(Q4al+pl),层顶埋深2.0m,厚度约3.0m。
3、第四系上更新统冲洪积老粘性土(Q3al+pl),层顶底埋深5.0m,厚度约10.0~15.0m;4、志留系泥页岩(T),层顶埋深15.0~20.0m左右。
上述地层中第3、第4款所指地层均为岩土工程性质良好的地层,为本次勘察工作的主要研究对象。
三、勘察目的与要求1、查明拟建场地及附近有无影响工程稳定性的不良地质现象。
若有则尚需进一步查明其类型、成因、分布范围、发展趋势和危害程度,并提出整治方案的建议。
2、查明拟建场地地层结构及各岩土层埋藏条件,并提出相应的地层的物理力学性质指标。
3、查明拟建场地地下水类型、埋藏分布情况及水位和变化1幅度,判定地下水水质和土对建筑材料的腐蚀性等。
4、判明拟建场地土类型及建筑场地类别,提供建筑抗震设计所需参数,对场地和地基的地震效应及可能液化的土层进行评价。
5、对拟建场地及建筑地基进行岩土工程分析和评价,建议合理的基础型式及基础持力层,并提供基础设计所需岩土工程设计参数。
四、勘察案制定的依据1、设计方提供的异形1/500建筑物平面布置图和“勘察委托书及岩土工程勘察技术要求”;2、《岩土工程勘察规范》GB50021-2001;3、《建筑地基基础设计规范》GB50007-2002;4、湖北省地方标准《建筑地基基础技术规范》DB42/242-2003;5、湖北省地方标准《岩土工程勘察工作规程》DB42/169-2003;6、《建筑抗震设计规范》GB50011-2001;7、《建筑桩基技术规范》JGJ94-94;8、《膨胀土地区建筑技术规范》GBJ112-87;9、《土工试验方法标准》GB/T50123-1999。
小学建校地质钻探中标结果公示
各位读友大家好,此文档由网络收集而来,欢迎您下载,谢谢
小学建校地质钻探中标结果公示
根据侯教[2013]325号报告及2014年2月15日zz小学教学综合楼和学生宿舍楼项目会审纪要的要求,现对zz小学教学综合楼和学生宿舍楼地质钻探招投标成果公示。
zz小学按校安工程要求:zz小学按校安工程要求在校内拆建一栋教学综合楼,建筑面积约2000平方米,新建一栋建筑面积为600平方米的学生宿舍楼,总投资396万元。
建设资金由上级补助、县、镇配套构成;项目应在原征地红线范围内建设,应符合z镇总体规划和相关控制性指标要求,并要求按中小学教学楼要求防震、消防等建筑安全指标。
zz小学由2014带领,与z、z、z等几人进行投标审查,进行投标的钻探单位有
福建省z工程勘察院有限公司、福建省建研勘察设计院、福建省东辰综合勘察院3家设计单位,在各家报价函中,甄选出福建省z工程勘察院有限公司的教学楼钻探方案在符合以上的条件时,价格最优惠,更符合zz小学的现状及未来发展的趋势。
中标价为22140元,质量:合格。
现将结果进行公示。
任何单位和个人若有异议或低于此价格可于2013年5月30日至6月3日前向zz小学进行实名书面反馈。
特此公示。
招标人:z县z中心小学—z小学
地址:z县zz后厝1号
联系电话:z
联系人:z校长zz小学
2014年3月28日
各位读友大家好,此文档由网络收集而来,欢迎您下载,谢谢。
文山市第三小学扩建项目勘察设计单位采购项目招标公告.招标条件根据《中华人民共和国政府采购法》、《政府采购货物和服务招标投标管理办法(财政部号令)》等有关法律法规的规定,经政府采购管理部门批准,云南振滇工程咨询有限公司受文山市教育局的委托,对文山市第三小学扩建项目勘察设计单位采购项目进行公开招标,欢迎具备条件的供应商参加投标。
.项目概况与招标范围.项目名称:文山市第三小学扩建项目勘察设计单位采购项目;.建设地点:文山市第三小学;.工程规模:总建筑面积.平方米;.勘察、设计周期:勘察周期:从接到设计方案起日历天内提交审查合格的报告。
设计周期:从签订合同之日起日历天内提供两个及以上初步方案供招标人审核;招标人确定初步方案后日历天内提供项目规划方案文本经招标同意后上报市规划局编报科;规划方案经规委会审核通过后日历天内提交施工图审查合证并提交合格施工图。
.招标范围:()勘察部分:包括项目详细勘察、拟建用地原始地形测量、工程测量并提交工程勘察报告;中标人在施工期间负责基础验槽、施工图审查、减隔震审查、签署验收文件等相关工作;()设计部分:按建设单位意见对设计方案进行规划和方案优化调整;完成方案设计、初步设计、减隔震设计、绿色设计、节能设计、施工图设计及各阶段的审查和施工过程中的设计服务、总图、附属工程项目及相关后续服务等。
若政府要求项目采用装配式设计,应无条件按装配式建筑设计并做好相关工作。
各个勘察设计阶段的设计成果须及时按建设单位意见调整,并最终保证通过相关政府部门的审批。
.质量标准:()工程勘察:满足《岩土工程勘察规范》、《岩土工程勘察报告编制标准》等国家、地方相关规范、标准,应确保成果资料完整、真实准确、清晰有据,并满足设计要求,并通过相关管理机构的评审、备案。
并对其负责编制的建设工程文件在工程合理使用年限内承担责任。
()工程设计:应符合现行国家标准、规范和强制性条文并满足采购人就本项目设计提出的要求,且应确保成果资料完整、真实准确、清晰有据,保证设计图满足施工要求并通过图纸审查。
一、项目背景新屋小学位于我国某市某区,是一所新建的公立小学。
为确保新屋小学的顺利建设,保证工程质量,特制定本施工方案。
二、施工范围1. 新屋小学教学楼基础施工;2. 教学楼主体结构施工;3. 教学楼配套设施施工。
三、施工组织1. 施工单位:XX建筑工程有限公司;2. 施工项目经理:张三;3. 施工队伍:由具有丰富施工经验的专业技术人员和熟练工人组成;4. 施工设备:各类建筑设备、施工车辆等。
四、施工工艺1. 土方开挖:采用机械开挖,确保开挖深度、宽度符合设计要求;2. 基坑支护:采用土钉墙支护,确保基坑稳定性;3. 基坑排水:设置排水沟,确保基坑内无积水;4. 基础垫层:采用C15混凝土,厚度符合设计要求;5. 基础梁板:采用C25混凝土,按照设计要求施工;6. 基础柱:采用C30混凝土,按照设计要求施工;7. 基础筏板:采用C30混凝土,按照设计要求施工;8. 主体结构施工:按照设计要求,采用钢筋混凝土结构,确保结构安全、稳定;9. 配套设施施工:按照设计要求,确保配套设施齐全、功能完善。
五、施工进度安排1. 土方开挖:15天;2. 基坑支护及排水:10天;3. 基础垫层、梁板、柱、筏板施工:30天;4. 主体结构施工:60天;5. 配套设施施工:15天。
六、质量保证措施1. 施工过程中,严格按照设计要求和施工规范进行施工;2. 加强原材料、半成品、成品的质量检验,确保质量符合要求;3. 定期对施工人员进行质量培训,提高施工人员质量意识;4. 建立健全质量管理体系,确保工程质量;5. 对施工过程中发现的质量问题,及时采取措施进行整改。
七、安全文明施工措施1. 严格按照《建筑施工安全检查标准》进行施工;2. 加强施工现场安全管理,确保施工人员安全;3. 设置安全警示标志,提醒施工人员注意安全;4. 加强施工现场文明施工,保持施工现场整洁;5. 建立健全安全文明施工管理制度,确保施工安全、文明。
八、环境保护措施1. 施工过程中,采取措施减少施工噪声、粉尘、废水等对环境的影响;2. 建立健全环境保护制度,确保环境保护工作落实到位;3. 加强施工现场绿化,美化环境。
泰安市泰山区上高街道办事处中心小学新建教学楼勘察项目政府采购需求报告书一、项目概况1、项目编号:SDGP2、项目名称:泰安市泰山区上高街道办事处中心小学新建教学楼勘察项目3、招标控制价:3.00万元。
4、采购方式:竞争性磋商5、项目概述:该项目总建筑面积约7500平方米,主要内容为新建教学楼工程勘察。
二、资格要求1、基本条件:符合政府采购法第二十二条规定的相关条件2、资格条件:须是在中华人民共和国境内注册的独立法人,具备国家建设行政主管部门颁发的岩土工程勘察专业乙级(含)及以上资质,且在人员、设备、资金等方面具有相应的勘察能力;3、其他要求:本项目不接受联合体投标三、商务要求1、付款方式:本工程无预付款,工程完工并提供勘察报告付至合同价款的80%,其余款项勘察成果报告审查合格后付至审计定案值的95%,余款作为质保金待质保期满后一次性付清(质保期为一年)。
以上款项由上高街道办事处教育办公室直接支付。
2、服务期要求:自接到甲方通知后30日历天内完成并交付成果。
3、售后服务要求:配合工程设计、施工直至竣工验收合格。
四、服务需求主要内容为新建教学楼工程勘察。
五、评标方法综合评分法5.1、评分因素以及分值5.2、价格部分5.3、技术文件5.4、商务文件六、联系方式1、采购人:泰安市泰山区上高街道办事处中心小学2、采购人地址:泰山区上高街道北上高3、项目责任人:徐波4、项目责任人电话:5、政府采购代理机构:泰安市建科建设项目管理有限公司6、代理机构地址:泰安市望岳东路中兴时代大厦十八楼7、代理机构项目经理:李鹏8、项目经理电话:9、电子邮箱:。
吴江市××中心小学新建校区岩土工程勘察报告文字部分一、概况(一)工程概况(二)勘察目的(三)勘察工作依据及执行规范(四)勘察工作布置(五)勘察成果汇编二、场地地质条件(一)地形、地貌及场地现状(二)地基土组成(三)地基土性指标(四)水文地质条件三、地震效应分析四、岩土工程分析与评价(一)场地和地基稳定性、建筑适宜性(二)地基土的分布及工程特性(三)地基设计参数五、基础方案(一)天然地基(二)桩基础六、结论与建议及其说明附图表1、勘探点主要数据一览表 1/662、勘探点平面位置图 2/663、地质分区及等高线图 3/664、工程地质剖面图 4~20/665、钻孔柱状图 21~26/666、双桥静力触探柱状图 27~39/667、单桥静力触探柱状图 40~52/668、地基土物理力学指标数理统计表 53~56/669、土工试验成果总表 57~63/6610、分层e~p关系曲线 64~66/66一、工程及工作概况受吴江市平望镇镇政府的委托,我公司对其拟建的吴江市××中心小学新建校区进行岩土工程勘察,该项勘察为一次性的详细勘察。
(一)工程概况拟建工程包括教学楼、行政楼、图书阅览室及风雨操场,总建筑面积约27000m3。
建筑物的规模、工程特性等见表1-1。
本工程重要性等级为二级,场地等级和地基复杂程度均为二级,因此,本工程岩土工程勘察等级划为乙级。
(二)勘察目的本次勘察目的在于查明地基土的组成、分布及其工程特性,提供合理的基础方案和准确的地基设计参数;查明地下水的埋藏条件并判断地下水和土对建筑材料的腐蚀性;场地地震效应分析等,为建筑施工图设计提供依据。
(三)勘察工作依据及执行规范勘察依据:业主提供的建筑总平面图苏州民用建筑设计院提供的结构荷载数据执行的主要规范有:GB 50007-2002 《建筑地基基础设计规范》GB 50021-2001 《岩土工程勘察规范》GB 50011-2001 《建筑抗震设计规范》JGJ 94-94 《建筑桩基技术规范》GB/T 50123-1999 《土工试验方法标准》(四)勘察工作量布置本次勘察为一次性详细勘察,根据《岩土工程勘察规范》GB50021-2001,本工程勘察的勘探点基本按建筑物周边线、柱列线及角点布置,共布置勘探点54个,采用机钻取样-室内土工试验、静力触探原位测试相结合的勘察手段,最大勘探深度为40米。
一、招标项目概况1. 项目名称:XX学校新建教学楼及配套设施勘察设计项目2. 项目地点:XX市XX区XX街道3. 项目业主:XX市XX区教育局4. 项目规模:新建教学楼一座,建筑面积约10000平方米;配套设施包括篮球场、田径场、食堂等。
5. 项目总投资:约5000万元人民币6. 招标范围:包括但不限于勘察、初步设计、施工图设计、设计咨询、现场服务等。
二、招标方式本项目采用公开招标方式,邀请有意向并具备相应资质的单位参与投标。
三、投标人资格要求1. 投标人须具备独立法人资格,持有有效的营业执照;2. 投标人须具备建设行政主管部门核发的工程设计综合甲级资质或建筑行业(建筑工程)甲级资质;3. 投标人须具有近三年内完成类似项目的设计经验,并提供相关证明材料;4. 投标人须具有良好的商业信誉和健全的财务会计制度;5. 投标人须有履行合同所必需的设备和专业技术能力;6. 投标人须有依法缴纳税收和社会保障资金的良好记录;7. 投标人须遵守国家有关法律法规,具有良好的社会信誉。
四、招标文件获取1. 招标文件获取时间:自本公告发布之日起至投标截止时间止。
2. 招标文件获取方式:投标人可在XX市XX区教育局办公室领取或通过XX市XX区教育局官方网站下载。
3. 招标文件费用:人民币500元/份,售后不退。
五、投标文件递交1. 投标文件递交截止时间:详见招标文件。
2. 投标文件递交地点:XX市XX区教育局会议室。
3. 逾期递交的或者未送达指定地点的投标文件,招标人不予受理。
六、开标时间及地点1. 开标时间:详见招标文件。
2. 开标地点:XX市XX区教育局会议室。
七、评标办法1. 本项目采用综合评分法进行评标。
2. 评标委员会由5名成员组成,其中技术专家3名,经济专家1名,管理专家1名。
3. 评标委员会根据投标文件内容,对投标单位的综合实力、项目经验、设计质量、服务承诺等方面进行综合评分。
八、中标公示1. 中标结果将在XX市XX区教育局官方网站进行公示,公示期为3天。
附表:附表1:数据一览表1份附表2:粉质粘土物理力学性质试验成果统计表1份附表3:砂岩物理力学性质指标统计表1份附表4:泥岩物理力学性质指标统计表1份附图:附图1:图例1张附图2:工程地质平面图1张附图3:工程地质剖面图16张附图4:钻孔柱状图70张附图5:动探柱状图3张附件:附件1:工程地质勘察纲要1份附件2:测量说明1份附件3:岩石室内试验报告1份附件4:外业见证报告1前言 (1)1.1任务由来 (1)1.2工程概况 (1)1.3勘察目的、任务及依据 (I)1.4勘察阶段的确定 (1)1.5劭察工作介绍 (2)2自然地理条件 (4)2.1交通位置 (4)2.2气象与水文 (4)3场地工程地质条件 (4)3.1地形地貌 (4)3.22地质构造 (5)3.33地层岩性 (5)3.4基岩顶面及风化带特征 (5)3.5水文地质条件 (5)3. 6水土腐蚀性评价 (6)& 7不良地顺现象地质灾害 (6)4岩土体物理力学特征 (6)1.1土体物理力学性质 (6)1.22岩石力学性质 (6)1.33岩土测试成果统计的评述 (8)1.4岩体基本质量等级 (8)1.5岩土参数选用及建议 (8)5.场地稳定性评价 (9)1.1地震效应评价 (9)5. 2场地土地震液化评价 (9)6. 3边坡稳定性评价 (9)7.4场地稳定性和建筑适亢性评价...............................................................8.5特殊性土评价.............................................................................9. 6相邻建(构)筑物影响评价 ................................................................6.场地地基评价...................................................................................6.1地基均匀性及稔定性评价...................................................................6.22地下水作用评价...........................................................................6.33岩土层承载能力评价.......................................................................6.4基础持力层的选择.........................................................................6.5基础型式建议.............................................................................6.66桩基成桩可能性、桩基施工条件及对环境工程的影响评价 (2)6.7地质条件可能造成的工程风险分析 (3)7.结论与建议 (3)1.1结论 (3)7 .................................................................................................................................................. . 2建议3荷载、结构特点,基础形式、埋置深度,地基允许变形等资料;(2)查明场地范围内地层岩性的类型、深度、分布、工程特性,分析评价地基的稳定性、均匀性和承载力;(3)查明场地不良地质作用的类型、成因、分布范围、危害程度,提出整治方案的建议;(4)查明场地的水文地质条件:判定环境水、土对建筑材料的腐蚀性;(5)杳明场地区内岩石的风化情况和基岩面起伏状况;(6)评价场地区的稳定性及建筑适宜性:评价地场与地基地震效应;评价场地特殊岩土:(7)评价基础地基持力层及承载力,并对基础型式提出建议:(8)提出施工过程中应注意的工程地质问题。
第1篇招标编号:LRXX2023-BJ001一、招标条件本项目已由相关主管部门批准建设,招标人已落实项目建设资金,具备招标条件。
现对该项目的勘察设计进行公开招标。
二、项目概况1. 项目名称:龙王一小勘察设计2. 项目地点:XX省XX市XX区3. 项目规模:占地面积约XXX平方米,总建筑面积约XXX平方米4. 项目内容:包括教学楼、综合楼、食堂、学生宿舍、教师宿舍、体育馆、停车场等配套设施5. 项目总投资:约XXX万元6. 建设周期:自合同签订之日起XXX个月内完成设计工作三、招标范围1. 对龙王一小项目进行全面的勘察设计,包括但不限于地形勘察、地质勘察、水文勘察、工程勘察等;2. 提供详细的设计方案,包括但不限于建筑、结构、给排水、电气、暖通、消防、景观等设计;3. 完成施工图设计,包括但不限于平面图、立面图、剖面图、大样图等;4. 对设计方案进行技术经济分析,提出优化建议;5. 提供设计咨询和施工指导服务;6. 招标人要求的其他相关工作。
四、投标人资格要求1. 具有独立法人资格,具备有效的营业执照;2. 具有建设行政主管部门颁发的工程设计综合甲级资质或相应专业甲级资质;3. 具有良好的财务状况和信誉,无不良记录;4. 具有类似项目的设计经验,并在近三年内完成过至少一项类似规模的设计项目;5. 拥有专业的勘察设计团队,具备完成本项目设计的能力;6. 投标人须在投标文件中提供相关证明材料。
五、招标文件获取1. 招标文件获取时间:自本公告发布之日起至2023年X月X日止,每天上午9:00至11:30,下午14:00至17:00(北京时间);2. 招标文件获取地点:XX省XX市XX区XX路XX号;3. 招标文件售价:人民币XXX元/套,售后不退;4. 获取招标文件时,投标人须缴纳招标文件工本费,并提供以下资料:(1)营业执照副本复印件;(2)资质证书副本复印件;(3)类似项目业绩证明材料;(4)其他相关证明材料。
东兴区阳光学校扩建工程勘察方案一、勘察方案编制依据和规程规范主要为:1、《内江市东兴区阳光学校详规总平面图》;2、《岩土工程勘察规范》(GB50021-2001 2009版)3、《建筑地基基础设计规范》(GB50007-2011)4、《建筑桩基技术规范》(JGJ94-2008)5、《建筑边坡工程技术规范》(GB50330-2013)6、《建筑抗震设计规范》(GB50011-2010)二、项目基本情况东兴区阳光学校扩建工程项目,建设地址位于东兴区兴盛路东段,该扩建工程规划总用地面积24348. 9平方米,规划净用地面积21388. 0平方米。
建筑面积合计14596平方米(含地下车库面积3333 平方米),其中新建12380平方米,保留原教学楼2216平方米。
此外, 本扩建工程还包括200米运动场、排球场、篮球场、乒乓球场和羽毛球场和围墙。
三、勘察方案及要求1、勘探点按拟建物(含围墙)轴线、角点、边线范围布置,钻孔布置不少于45个,其中控制性孔不少于15个。
勘察时应综合考虑现有地形地貌、地下车库及拟建物±0.000标高对勘探深度和拟建物基础深度带来的影响。
孔深一般孔钻至拟设基础底面以下基岩中风化层中5〜7m左右终孔,控制性孔钻至拟设基础底面以下基岩中风化层中10m左右终孔。
2、提供设计、施工所需岩土参数的岩土工程资料(包括钻孔、取样、原位试验、室内试验、水文地质条件、场地地下水位情况、场地稳定性、适宜性),对建筑地基作出岩土工程评价,并对地基类型、基础形式、地基处理、工程降水及不良地质作用和防治等提出建议及施工现场配套服务等。
其中包括收集已有资料、制定勘察纲要,进行测量、勘探、取样、试验等勘察作业,编制工程勘察文件、办理勘察报告备案,提供相关资料及协助招标人办理各阶段政府方面立项、审批和施工图审查方面等手续。
3、对地质不明情况及地质突变层给予现场指导并就突变层提出专业性建议。
4、配合项目进行验收,出具证明文件。
A小学设计任务书
项目名称:A小学
一、建设规模及布局:
项目净用地面积35749㎡,规模48个班,按每个班45人计算,容纳学生约2160人。
由大门门楼及传达室、教学楼(教室与办公室结合)、综合楼、体育馆、学生公寓(容纳学生700人),教师、学生餐厅,环形跑道和标准足球场等建筑组成,其中教学楼为地下两层,地上五层,负2层为停车场和人防工程,地下室建筑面积约12000平方米。
二、规划设计要求:
1、规划指标要求:建筑密度≤20%,容积率≤0.6,绿地率≥45%,建筑控制高度<15m。
2、停车位:室外不少于40个停车位。
3、出口方位:按规划依据图设置。
三、功能配备要求
1、教室(面积不小于63㎡)、实验室、仪器室、电脑室、音乐室、图书阅览室(同时容纳两个教学班)、舞蹈室、音乐演奏厅、劳技室、电子阅览室、科技活动室、少先队队室、信息采集室(广播)、美术室、体育器材室、文化活动室(书法、绘画创作)、荣誉宣传展示区(一楼)、会议室(150人大会议室一间,60人小会议室一间)、报告厅(容纳1500人,带舞台)、卫生室、心理咨询室、室内篮球馆
(按专业标准设计)、传达室(不小于60平方米,配备厨房、厕所、休息室、监控室、值班室)、教师、学生餐厅相对独立,学生餐厅按容纳1000人左右标准配备,教师餐厅按120人左右标准配备。
学生公寓按容纳700人住宿的标准配备(设置公共洗衣房、淋浴房、厕所)等。
2、水电配备:配500KVA箱变一台,学校强电、弱点单独分别安装。
自来水接城市自来水管网。
弱电设计:包括监控、电视、100M 光纤网络、广播,要求专业设计公司设计。
一座地埋式垃圾站。
3、满足无障碍设计要求,抗震按国家标准7级设防。