压力管道安装记录表格
- 格式:pdf
- 大小:50.69 KB
- 文档页数:6
压力管道安装质量记录表工程名称:长安区集中供热管网工程书香路供热管道工程建设单位:西安市长安区新区热力有限公司施工单位:陕西建工第三建设集团有限公司2015 年 7 月 10日目录1.开工报告2.材料代用单3.图纸审查记录4.设计变更联系单5.技术交底6.安全交底7.管道单线图8.管道元件检查记录9.管道弯管记录10.管道焊接检查记录11.管道安装记录12.管道支吊架安装记录13.理化试验委托单14.管道施焊及检验记录15.焊材保管环境条件记录表16.焊材发放与回收记录表17.焊材烘焙记录表18.无损检测委托单(无损检测报告)19.焊缝返修通知单20.阀门试验记录21.安全阀最初调试记录22.管道系统压力试验记录23.管道系统泄漏性真空试验记录24.管道补偿装置安装记录25.管道吹扫清理记录26.隐蔽工程(封闭)记录27.管道隐蔽回填记录28.工程交接检验书29.防腐蚀施工记录30.绝热施工记录31.安全阀调试记录32.管道静电接地测试记录33.持证焊工名单开工报告技术交底记录交底人:接受人:技术交底记录交底人:接受人:技术交底记录交底人:接受人:安全交底记录交底人:接受人:安全交底记录交底人:接受人:压力管道单线轴侧图(空视图)材料代用单管道元件检查记录管道焊接检查记录管道安装记录管道支、吊架安装记录理化试验委托单图纸会审记录设计变更联系单记录人:焊材烘焙记录表无损检测委托单焊缝返修通知单阀门试验记录管道系统压力试验记录管道系统泄漏性真空试验记录管道补偿装置安装记录管道吹扫清理记录隐蔽工程(封闭)记录管道隐蔽回填记录工程交接检验书防腐蚀施工记录绝热施工记录安全阀调试记录管道静电接地测试记录项目施工持证焊工名单。
XXX公司压力管道安装质量记录表式第1版文件编号:GA/JL -2013发放编号:受控状态:2013年4月18日发布 2013年4月30日实施目录1、 GA/JL0101-2013 《管理评审计划表》2、 GA/JL0102-2013 《管理评审记录表》3、 GA/JL0103-2013 《管理评审报告》4、 GA/JL0104-2013 《管理评审结果跟踪记录》5、 GA/JL0301-2013 《文件发放、回收记录》6、 GA/JL0302-2013 《文件更改许可单》7、 GA/JL0303-2013 《新标准贯彻实施通知单》8、 GA/JL0304-2013 《文件消毁清单》9、 GA/JL0401-2013 《合同评审表》10、GA/JL0501-2013 《图样资料审查记录》11、GA/JL0502-2013 《设计变更申请表》12、GA/JL0601-2013 《材料、零部件分供方考核表》13、GA/JL0602-2013 《材料检验入库单》14、GA/JL0603-2013 《零部件检验入库单》15、GA/JL0604-2013 《材料、零部件检验台帐》16、GA/JL0605-2013 《光谱分析报告》17、GA/JL0606-2013 《材料代用申请表》18、GA/JL0607-2013 《材料采购计划》19、GA/JL0701-2013 《技术交底记录》20、GA/JL0702-2013 《工艺纪律检查记录》21、GA/JL0801-2013 《特种设备焊接操作人员焊绩记录表》22、GA/JL0802-2013 《焊材一级库温、湿度记录》23、GA/JL0803-2013 《焊条烘干记录》24、GA/JL0804-2013 《焊材发放、回收记录》25、GA/JL0805-2013 《焊接工艺卡》26、GA/JL0806-2013 《工程施焊记录》27、GA/JL0807-2013 《焊接接头外观检验记录》28、GA/JL0808-2013 《预焊接工艺规程》29、GA/JL0809-2013 《焊接工艺评定报告》30、GA/JL0808-2013 《无损检测委托单》31、GA/JL0809-2013 《焊接一览表》32、GA/JL0810-2013 《焊缝返修通知单》33、GA/JL0901-2013 《热处理工艺卡》34、GA/JL0902-2013 《热处理委托单》35、GA/JL0903-2013 《热处理报告》36、GA/JL0904-2013 《硬度测试报告》37、GA/JL1001-2013 《无损检测合格通知单》38、GA/JL1002-2013 《焊缝射线检测报告》39、GA/JL1003-2013 《焊缝超声检测报告》40、GA/JL1004-2013 《磁粉检测报告》41、GA/JL1005-2013 《渗透检测报告》42、GA/JL1006-2013 《焊缝射线检测记录》43、GA/JL1007-2013 《焊缝超声检测记录》44、GA/JL1008-2013 《磁粉检测记录》45、GA/JL1009-2013 《渗透检测报告》46、GA/JL1010-2013 《焊接射线检测底片评定表》47、GA/JL1101-2013 《理化检验委托单》48、GA/JL1102-2013 《理化检验记录》49、GA/JL1103-2013 《试件(材料)力学和弯曲性能检验报告》50、GA/JL1104-2013 《金相检验报告》51、GA/JL1105-2013 《化学成分分析报告》52、GA/JL1201-2013 《弯管加工记录》53、GA/JL1202-2013 《阀门试验记录》54、GA/JL1203-2013 《管道支吊架制作安装检查记录》55、GA/JL1204-2013 《管道安装检查记录》56、GA/JL1205-2013 《管道补偿装置安装记录》57、GA/JL1206-2013 《安全阀调试记录》58、GA/JL1207-2013 《避雷、静电接地装置安装测试记录》59、GA/JL1208-2013 《管道压力试验报告》60、GA/JL1209-2013 《管道气密性试验报告》61、GA/JL1210-2013 《隐蔽工程(封闭)记录》62、GA/JL1211-2013 《压力管道工程材料汇总表》63、GA/JL1212-2013 《仪表系统试验记录》64、GA/JL1213-2013 《管道系统吹扫及清洗记录》65、GA/JL1214-2013 《油漆、防腐记录》66、GA/JL1215-2013 《管道保温记录》67、GA/JL1216-2013 《竣工报告》68、GA/JL1217-2013 《工程签证》69、GA/JL1218-2013 《工程交接检验书》70、GA/JL1219-2013 《隐蔽工程验收报告》71、GA/JL1301-2013 《设备申购单》72、GA/JL1302-2013 《设备验收记录》73、GA/JL1303-2013 《设备台帐》74、GA/JL1304-2013 《设备检修记录》75、GA/JL1305-2013 《设备检定报告》76、GA/JL1306-2013 《设备事故报告单》77、GA/JL1307-2013 《设备、计量器具报废申请单》78、GA/JL1308-2013 《计量器具台帐》79、GA/JL1309-2013 《周期检定日程表》80. GA/JL1310-2013 《工装台帐》81、GA/JL1401-2013 《不合格品(项)处置报告》82、GA/JL1402-2013 《纠正预防措施活动表》83、GA/JL1501-2013 《质量信息台帐》84、GA/JL1502-2013 《内部审核计划表》85、GA/JL1503-2013 《内部审核首次会议活动表》86、GA/JL1504-2013 《内部审核记录表》87、GA/JL1505-2013 《内部审核报告》88、GA/JL1506-2013《内部审核末次会议活动表》89、GA/JL1601-2013 《人员培训签到表》90、GA/JL1602-2013 《人员培训考核表》管理评审计划表管理评审记录表管理评审报告GA/JL0104-2013文件更改许可单新标准贯彻实施通知单合同评审表材料、零部件分供方考核表光谱分析报告材料代用申请单图样资料审查记录设计变更申请表技术交底记录工艺纪律检查记录表焊材一级库温、湿度记录焊材发放、回收记录焊接工艺卡工程施焊记录焊接接头外观检验记录焊接检验员:检验日期:年月日无损检测委托单GA/JL0808-2013注:一式二联,一联委托人留底,二联送无损检测部门(或单位)。
10 竣工验收10.1 当施工单位按合同规定的范围完成全部:工程项目后,应及时向用户(或其指定的工程监理部门)办理交接验收手续。
10.2 单位工程或分部工程进行交接验收时,应由施工工地的技术负责人和用关的专业技术人员会同用户代表,对交验的管道实施现场检查并确认下列内容:10.2.1 工程的范围和包括的内容符合合同规定。
10.2.2 竣工工程符合设计文件、图纸的最终(最新)版的要求及设计部门、用户提出的书面修改文件。
10.2.3 管道系统按照设计文件指定的或现行的国家标准、行业标准进行施工和检验,质量符合要求。
10.3 施工单位应向用户提供下列文件(或相当):10.3.1 当地质量技术监督部门批准本项施工工程的审批表。
10.3.2 管道组成件、支承件的合格证、质量证明书或复验补验报告。
10.3.3 设计修改文件及材料代用报告。
10.3.4 对于100%射线检验的管线,要有准确表明焊缝位置、焊缝编号、焊工代号、无损检测方法,焊缝补焊位置、热处理位置的单线圈。
10.3.5竣工图10.3.6 施工记录和试验报告:10.3.6.1 阀门试验记录。
10.3.6.2 安全阀最终调试记录。
10.3.6.3 隐蔽工程(封闭)记录。
10.3.6.4 管道补偿装置安装记录。
10.3.6.5 焊接记录。
10.3.6.6 热处理报告。
10.3.6.7 管道系统压力试验记录。
10.3.6.8 管道系统吹扫及清洗记录。
10.3.6.9 射线照相检验报告。
10.3.6.10 超声检测报告。
10.3.6.11 磁粉检测报告。
10.3.6.12 渗透检测报告。
Q/GYT-C06-2002 第0次修改10.3.6.13 竣工测量资料。
10.3.6.14 其它检验报告。
焊接工艺作业指导书广东省源天工程公司焊接工艺评定报告广东省源天工程公司注:详图中应指明坡口尺寸、焊接层次和焊接顺序。
焊接工艺卡广东省源天工程公司QT/GYT-02.01-2002 第0次修改YLGD-03焊材库温、湿度记录广东省源天工程公司广东省源天工程公司广东省源天工程公司管道补偿器安装记录广东省源天工程公司固定管架及弹簧支、吊架调整记录广东省源天工程公司管道接地测试记录广东省源天工程公司安全附件安装记录广东省源天工程公司压力表、温度计检查记录广东省源天工程公司管道系统吹扫清洗记录广东省源天工程公司阀门试验记录广东省源天工程公司安全阀最终调试记录广东省源天工程公司管道系统压力试验记录广东省源天工程公司管道气密性试验记录广东省源天工程公司管道防腐工程施工记录广东省源天工程公司。
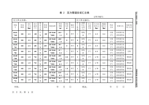
0 0 1工程名称*****有限公司*****设备安装工程施工单位*****工程有限公司分项工程名称管道及配件安装施工日期2016.06-2016.11 管道(系统)编号G0101-100G0102-100规格108*4.5 89*4 76*3.5 57*3.5 108*4.5材质20# 20# 20# 20# 20# 数量(米)15.5 7 8.7 11.5 17.4 接口形式对接对接对接对接对接最大安装偏差对口间隙(mm)3 2 2 3 3 错口(mm)0.2 0.2 0.1 0.2 0.2 坐标(mm)7 6 5 4 4 标高(mm)+5 +6 +5 -3 -3 垂直度(mm)7 6 8 6 6 弯曲度(mm)5 5 4 3 3 坡度% 0.2 0.3 0.2 0.2 0.2安装施工质量要求项目质量要求检查意见1、支、吊、托架:位置正确,间距结构形式符合规范及图纸,连接牢固。
符合要求2、阀门安装:位置正确,规格、型号符合图纸,开闭灵活。
符合要求3、防腐油漆:除净无垢表面呈金属光泽,油漆均匀不漏涂。
符合要求4、焊接:焊口平直,焊缝尺寸符合规范、无夹渣、气孔、裂纹及严重咬肉等缺陷。
符合要求5、法兰连接:对应把紧口平行、同轴与管道中心垂直,垫片安装正确。
---------6、承插口填料:环形缝均匀,灰口表面平整密实饱满。
符合要求7、丝接:应紧固、管端清洁不乱丝、并留2—3扣。
---------班组长:0 0 2工程名称*****有限公司*****设备安装工程施工单位*****工程有限公司分项工程名称管道及配件安装施工日期2016.06-2016.11 管道(系统)编号G0102-100G0201-125规格89*4 76*3.5 57*3.5 133*5.5108*4.5材质20# 20# 20# 20# 20# 数量(米)7 10.7 5.8 11.5 3.7 接口形式对接对接对接对接对接最大安装偏差对口间隙(mm)3 2 2 3 3 错口(mm)0.2 0.2 0.1 0.2 0.2 坐标(mm)7 6 5 4 5 标高(mm)+5 +6 +4 -3 -3 垂直度(mm)6 6 5 6 8 弯曲度(mm)5 4 4 3 3 坡度% 0.2 0.2 0.2 0.3 0.3安装施工质量要求项目质量要求检查意见1、支、吊、托架:位置正确,间距结构形式符合规范及图纸,连接牢固。
XXX公司压力管道安装质量记录表式第1版文件编号:GA/JL -2013发放编号:受控状态:2013年4月18日发布2013年4月30日实施目录1、GA/JL0101-2013 《管理评审计划表》2、GA/JL0102-2013 《管理评审记录表》3、GA/JL0103-2013 《管理评审报告》4、GA/JL0104-2013 《管理评审结果跟踪记录》5、GA/JL0301-2013 《文件发放、回收记录》6、GA/JL0302-2013 《文件更改许可单》7、GA/JL0303-2013 《新标准贯彻实施通知单》8、GA/JL0304-2013 《文件消毁清单》9、GA/JL0401-2013 《合同评审表》10、GA/JL0501-2013 《图样资料审查记录》11、GA/JL0502-2013 《设计变更申请表》12、GA/JL0601-2013 《材料、零部件分供方考核表》13、GA/JL0602-2013 《材料检验入库单》14、GA/JL0603-2013 《零部件检验入库单》15、GA/JL0604-2013 《材料、零部件检验台帐》16、GA/JL0605-2013 《光谱分析报告》17、GA/JL0606-2013 《材料代用申请表》18、GA/JL0607-2013 《材料采购计划》19、GA/JL0701-2013 《技术交底记录》20、GA/JL0702-2013 《工艺纪律检查记录》21、GA/JL0801-2013 《特种设备焊接操作人员焊绩记录表》22、GA/JL0802-2013 《焊材一级库温、湿度记录》23、GA/JL0803-2013 《焊条烘干记录》24、GA/JL0804-2013 《焊材发放、回收记录》25、GA/JL0805-2013 《焊接工艺卡》26、GA/JL0806-2013 《工程施焊记录》27、GA/JL0807-2013 《焊接接头外观检验记录》28、GA/JL0808-2013 《预焊接工艺规程》29、GA/JL0809-2013 《焊接工艺评定报告》30、GA/JL0808-2013 《无损检测委托单》31、GA/JL0809-2013 《焊接一览表》32、GA/JL0810-2013 《焊缝返修通知单》33、GA/JL0901-2013 《热处理工艺卡》34、GA/JL0902-2013 《热处理委托单》35、GA/JL0903-2013 《热处理报告》36、GA/JL0904-2013 《硬度测试报告》37、GA/JL1001-2013 《无损检测合格通知单》38、GA/JL1002-2013 《焊缝射线检测报告》39、GA/JL1003-2013 《焊缝超声检测报告》40、GA/JL1004-2013 《磁粉检测报告》41、GA/JL1005-2013 《渗透检测报告》42、GA/JL1006-2013 《焊缝射线检测记录》43、GA/JL1007-2013 《焊缝超声检测记录》44、GA/JL1008-2013 《磁粉检测记录》45、GA/JL1009-2013 《渗透检测报告》46、GA/JL1010-2013 《焊接射线检测底片评定表》47、GA/JL1101-2013 《理化检验委托单》48、GA/JL1102-2013 《理化检验记录》49、GA/JL1103-2013 《试件(材料)力学和弯曲性能检验报告》50、GA/JL1104-2013 《金相检验报告》51、GA/JL1105-2013 《化学成分分析报告》52、GA/JL1201-2013 《弯管加工记录》53、GA/JL1202-2013 《阀门试验记录》54、GA/JL1203-2013 《管道支吊架制作安装检查记录》55、GA/JL1204-2013 《管道安装检查记录》56、GA/JL1205-2013 《管道补偿装置安装记录》57、GA/JL1206-2013 《安全阀调试记录》58、GA/JL1207-2013 《避雷、静电接地装置安装测试记录》59、GA/JL1208-2013 《管道压力试验报告》60、GA/JL1209-2013 《管道气密性试验报告》61、GA/JL1210-2013 《隐蔽工程(封闭)记录》62、GA/JL1211-2013 《压力管道工程材料汇总表》63、GA/JL1212-2013 《仪表系统试验记录》64、GA/JL1213-2013 《管道系统吹扫及清洗记录》65、GA/JL1214-2013 《油漆、防腐记录》66、GA/JL1215-2013 《管道保温记录》67、GA/JL1216-2013 《竣工报告》68、GA/JL1217-2013 《工程签证》69、GA/JL1218-2013 《工程交接检验书》70、GA/JL1219-2013 《隐蔽工程验收报告》71、GA/JL1301-2013 《设备申购单》72、GA/JL1302-2013 《设备验收记录》73、GA/JL1303-2013 《设备台帐》74、GA/JL1304-2013 《设备检修记录》75、GA/JL1305-2013 《设备检定报告》76、GA/JL1306-2013 《设备事故报告单》77、GA/JL1307-2013 《设备、计量器具报废申请单》78、GA/JL1308-2013 《计量器具台帐》79、GA/JL1309-2013 《周期检定日程表》80. GA/JL1310-2013 《工装台帐》81、GA/JL1401-2013 《不合格品(项)处置报告》82、GA/JL1402-2013 《纠正预防措施活动表》83、GA/JL1501-2013 《质量信息台帐》84、GA/JL1502-2013 《内部审核计划表》85、GA/JL1503-2013 《内部审核首次会议活动表》86、GA/JL1504-2013 《内部审核记录表》87、GA/JL1505-2013 《内部审核报告》88、GA/JL1506-2013《内部审核末次会议活动表》89、GA/JL1601-2013 《人员培训签到表》90、GA/JL1602-2013 《人员培训考核表》管理评审计划表GA/JL0101-2013 拟定评审时间评审目的评审范围(内容)需准备的相关文件评审组组长组成成员评审方法(会议评审或现场评审)评审日程安排编制:日期:批准:日期:管理评审记录表GA/JL0102-2013评审日期年月日评审地点参加评审人员主持人:参加人员:评审记录记录人:管理评审报告GA/JL0103-2013自年月日评审年度评审日期至年月日评审目的评审范围(内容)评审组组长组成成员评审方法评审意见和结论编制:日期:批准:日期:管理评审跟踪记录GA/JL0104-2013评审改进要求质保工程师:年月日责任部门的改进措施责任部门负责人:年月日跟踪验证情况验证人:年月日文件更改许可单GA/JL0302-2013 文件名称文件编号工程名称图号更改原因经办人:年月日修改内容经办人:年月日审批意见许可人:年月日新标准贯彻实施通知单GA/JL0303-2013 标准名称颁布时间宣贯时间实施时间实施要求签发人时间年月日合同评审表合同编号:GA/JL0401-2013 使用单位工程概况顾客要求签字评审经办人:年月日主管部门负责人:年月日参评部门评审意见评审人日期传递评审或会议评审评审结论主管部门负责人:年月日审批意见分管领导:年月日材料、零部件分供方考核表GA/JL0601-2013 供方全称提供的产品序号考核项目内容额定分得分1质量质量证明文件是否齐全10 质量证明书及数据是否符合要求10 实物上的标志与质量证明书是否一致15 外观质量检查是否符合要求15 最小壁厚或几何尺寸是否符合要求102 价格价格是否合理203交货时间能否按要求及时交货20备注考核人年月日审核人年月日光谱分析报告GA/JL0605-2013建设单位工程名称进货检验焊后检验光谱仪型号序号合金钢材料、零部件名称数量材质分析结论光谱检验人年月日材料责任人年月日材料代用申请单GA/JL0606-2013 工程名称部件名称申请代用情况原设计材质与规格代用材质与规格代用原因申请人:年月日审核意见材料责任人:年月日原设计单位意见设计人:(公章)年月日会签情况设计、工艺责任人:年月日焊接、热处理责任人:年月日图样资料审查记录GA/JL0501-2013 工程设计单位设计交底会审时间专业意见统一意见参加人设计变更申请表GA/JL0502-2013 建设单位工程名称设计单位设计图号申请变更内容申请变更原因设意计单位见申请人:年月日设计工艺责任人:年月日技术负责人:年月日建设单位:年月日技术交底记录GA/JL0701-2013 工程名称设计单位交底人交底时间交底内容参加人员工艺纪律检查记录表GA/JL0702-2013 时间主持人参加人员检查情况处理情况焊材一级库温、湿度记录GA/JL0802-2013检查日期时间温度(℃)湿度(%)检查记录人检查日期时间温度(℃)湿度(%)检查记录人焊材发放、回收记录GA/JL0804-2013 工程名称部件名称年焊缝号牌号规格材检号领用数量回收(根)领料单领用人经办人月日焊条头焊条编号焊接工艺卡GA/JL0805-2013 建设单位单位工程名称分部(分项)工程名称钢号及规格焊接方法焊接位置焊缝编号工艺评定号上岗焊工具备项目序项目工艺参数号1 焊接层次2 焊接电流(A)3 焊接电压(V)4 焊接速度(Cm/min)5 线能量(Kj/min)6 预热温度(℃)7 层间温度(℃)8 后热温度(℃)9 时间(h)10 牌号11 直径(mm)12 烘干温度(℃)13 烘干时间(h)14 恒温温度(℃)结点简图工艺要求编制:日期: 审核:日期:工程施焊记录GA/JL0806-2013 建设单位工程名称部件名称材质规格焊缝号焊接方法焊工号焊材预热层次电流电压日期记录人(焊接检验员):焊接接头外观检验记录GA/JL0807-2013 建设单位工程名称部件名称材质规格焊缝编号焊工号外形尺寸裂纹夹渣弧坑气孔咬边热处理口探伤焊缝检验结论深度长度焊接检验员:检验日期:年月日无损检测委托单GA/JL0808-2013建设单位工程名称部件名称(管线号)材质规格坡口形式焊接方法接头数量探伤方法检测比例合格级别执行标准要求完成日期注:一式二联,一联委托人留底,二联送无损检测部门(或单位)。
阀门安装记录
压力管道安装质量计划编制说明:为确保压力管道安装工程在质量管理与环节控制上严格把关,防止过程失控和检验失漏,明确责任,落实检验责任,特编制制质量计划。
焊接表面质量检查报告
焊条烘干记录项目名称
PE管焊口切割检查记录
沟槽回填质量检验评定表
排水管道灌水(通水)试验记录
碳素钢及合金钢管道分项工程质量检验评定表
不锈钢管道安装分项工程质量检验评定表
PE管道分项工程质量检验评定表
焊接过程检查记录单
焊接人:焊工号:年月日
工艺管道安装检查记录表
管道补偿器安装检查记录表
管道设备焊接施工检查记录表
阀门试验检查记录表
安全阀减压阀调试检查记录表
管道压力(强度)试验记录表
管道静电接地测试检查记录表
高压管件加工检查记录表
高压钢管、管件检查记录表
管道脱脂吹洗检查记录表
管道油漆防腐施工检查记录表
PE 管道焊接施工检查记录表
设备管道保温(保冷)施工检查记录表
节流元件及流量差压仪表检查记录表
压力温度取源部件仪表安装检查记录表
焊接工艺卡。
阀门安装记录
压力管道安装质量计划编制说明:为确保压力管道安装工程在质量管理与环节控制上严格把关,防止过程失控和检验失漏,明确责任,落实检验责任,特编制制质量计划。
焊接表面质量检查报告
焊条烘干记录项目名称
PE管焊口切割检查记录
沟槽开挖工序质量检查记录表
沟槽回填工序质量检查记录表
沟槽回填质量检验评定表
排水管道灌水(通水)试验记录
碳素钢及合金钢管道分项工程质量检验评定表
不锈钢管道安装分项工程质量检验评定表
PE管道分项工程质量检验评定表
分项工程名称:建设单位:检查日期:
焊接过程检查记录单
焊接人:焊工号:年月日
工艺管道安装检查记录表
管道补偿器安装检查记录表
管道设备焊接施工检查记录表
阀门试验检查记录表
安全阀减压阀调试检查记录表
管道压力(强度)试验记录表
管道静电接地测试检查记录表
高压管件加工检查记录表
高压钢管、管件检查记录表
管道脱脂吹洗检查记录表
建设单位编号
管道油漆防腐施工检查记录表
PE 管道焊接施工检查记录表
设备管道保温(保冷)施工检查记录表
节流元件及流量差压仪表检查记录表
压力温度取源部件仪表安装检查记录表
焊接工艺卡。
压力管道安装记录表填写范本标题:深度剖析压力管道安装记录表填写范本一、引言在工程施工中,压力管道的安装是一个非常重要的环节。
为了保证安装质量和安全性,填写安装记录表是必不可少的步骤。
本文将从深度和广度两个角度,带您全面了解压力管道安装记录表的填写范本。
二、基础概念我们需要了解什么是压力管道安装记录表。
压力管道安装记录表是对压力管道安装全过程进行记录的表格,包括了安装日期、安装地点、材料、工艺参数等信息。
填写此表的目的是记录安装过程中的重要信息,为今后的维护和管理提供依据。
三、深度探讨1. 填写范本在填写压力管道安装记录表时,应按照规范和标准要求填写,包括但不限于以下几个方面:1.1 安装日期:记录安装压力管道的具体日期,以便于后续的时序分析和追溯。
1.2 安装地点:准确记录压力管道的安装地点,包括站点、线路、项目名称等,方便后期的定位和管理。
1.3 材料信息:详细记录所使用的管道材料,如管道材质、规格、批号等信息。
1.4 工艺参数:包括但不限于压力、温度、流量等参数的记录,保证安装过程中的关键参数可控可查。
1.5 安装人员:记录参与安装的人员信息,包括尊称、工种等,便于责任追究和安全管理。
2. 指定主题文字的应用在填写安装记录表时,以上述的填写范本为例,我们可以多次提及“压力管道安装记录表”、“安装日期”、“材料信息”等主题文字,以突出重点、加深印象。
四、总结回顾通过本文对压力管道安装记录表填写范本的深度探讨,我们学习了填写记录表的基本要求和范本内容。
合理规范地填写安装记录表,对于今后的工程运营和维护具有非常重要的意义。
只有通过精细的记录和规范的管理,我们才能更好地保障压力管道的安全运行。
五、个人观点我个人认为,压力管道的安装质量直接关系到工程的运行安全,因此在填写安装记录表时要严格按照要求进行,绝不能马虎。
只有如此,我们才能在实践中不断积累经验、提升工程质量,为工程安全提供有力保障。
六、结语填写压力管道安装记录表是工程施工过程中的一项重要工作,涉及到工程的安全和质量。
压力管道安装-记录表格压力管道安装-记录表格压力管道安装资料表格**************压力管道安装资料表格目录1、交工资料目录2、图纸会审记录3、图纸会审、设计变更、洽商记录汇总表4、设计变更(洽商)记录5、施工组织设计(施工方案)内部审批表6、施工组织设计(施工方案)报审表7、技术安全交底记录8、告知书9、开工报告10、安装施工日志11、工作联系单12、竣工通知书13、工程竣工验收证书14、工程质量回访单15、工程定位放线记录汇总表16、定位放线记录17、建筑安装工程设备、成品、半成品材料合格汇总表18、设备(开箱)进场验收记录19、材料、成品、半成品验收记录20、合格证贴条21、复印件(或抄件)贴条22、阀门(清洗)试验记录23、高压管件检验录24、高压弯管加记录25、高压管螺纹加记录26、管道安装记录27、弹簧管架安装记录28、管架安装记录29、管段冷紧记录30、流量检测元件安装记录31、管道热伸长记录32、管道隐蔽工程验收记录33、水、气压试验记录34、管道设备冲洗记录35、采暖系统调试记录36、安全阀调整记录37、伸缩制作安装记录38、工序交接记录39、设备基础复检记录40、设备基础隐蔽工程验收记录41、设备单机试运转记录42、安全附件安装检查记录43、防腐施工记录44、绝热施工记录45、隐蔽工程检查记录46、施工现场管理检查记录47、单位(子单位)工程质量竣工验收记录48、分部(子分部)工程验收记录49、分部(子分部)工程安全和功能检查资料核查及主要功能抽查记录50、分部(子分部)工程观感检查记录51、分部工程质量验收记录52、室外供热管道及配件安装工程检验批质量验收记录表53、工艺管道安装工程检验批质量验收记录表54、换热站安装工程检验批质量验收记录表55、施工检查记录56、探伤委托单57、射线探伤报告58、超声波探伤报告(一)(二)59、磁粉探伤报告60、渗透检测报告61、焊缝代(割)样综合检验报告62、X射线拍片原始记录单63、拉伸试验报告64、弯曲试验报告65、断口试验报告66、金相()观检查报告67、冲击试验报告68、焊口硬度测试报告69、光谱分析报告70、着色探伤报告71、焊接工艺卡(一)72、焊接工艺卡(二)73、焊接记录74、焊缝检查外观质量记录75、焊材发放与回收记录76、焊缝热处理报告77、焊缝热处理报告78、焊条(剂)烘干与恒温存放记录79、焊口焊缝返修通知书80、焊接作业指导书81、焊工考试记录表(一)82、焊工考试记录表(二)83、压力管道安装备案申请表84、合同评审记录。
压力管道安装竣工资料压力管道安装过程记录表工程名称:用户名称:项目负责人:技术负责人:质量负责人:安装时间: 年月日年月日XX公司目录01.压力管道安装质量证明书 02. 开工报告03.交工技术文件说明 04. 交工技术文件移交书 05.压力管道安装一览表 06.主要零部件检查记录 07.阀门试验记录08.管道焊接工作记录 09.管架安装检验记录 10.管道补偿装置安装记录 11.隐蔽工程记录12.管道压力试验记录 13.管道涂漆检验记录 14.管道保温检验记录 15.管道系统吹扫记录压力管道安装质量证明书本单位为安装的压力管道工程,施工前已告知质量技术监督部门,施工过程中安装质量经本单位自检,互检、专检合格,并接受监督检验,竣工时经等单位共同验收,确认质量符合1996《压力管道安全管理与监察规定》、施工及验收规范以及设计文件的要求。
注:压力管道情况详见《压力管道一览表》。
安装单位(章):安装单位负责人:安装单位管理者代表:年月日开工报告建设单位:施工单位:工程名称: 单位工程工程地点工程类别设计单位质量监督单位开工条件(四通一平、图纸汇审、资质报装、报验手续已办、具备连续施工条件)工程内容计划开工日期: 年月日计划竣工日期: 年月日建设单位施工单位项目负责人: 项目负责人:年月日年月日交工技术文件说明建设单位:施工单位:序号技术文件名称内容说明建设单位代表: 安装单位代表:年月日年月日交工技术文件移交书序号技术文件名称页数备注建设单位接收人: 安装单位移交人:年月日年月日压力管道安装一览表使用单位使用单位地址主管部门行业安全管理部门安全管理人员工程,装置, 使用单位经办人联系电话名称规格设计/操作条件管管焊是否安全序管道管道道道材料口重要公称公称管道压力温介质始止点状况号编号名称级材标准数压力直径壁厚长度 MPa 度? 等级别质量管道 mm mm m主要零部件检查记录建设单位:施工单位:单位工程名称:主要受压元件材质检查记录元件名称元件规格材质标准数量备注主要受压元件材质核实记录(以出厂材质证明为准)存在问题处理方案处理结果钢管、阀门、弯管、法兰等未发现质量问题技术负责人: 质检员: 施工班组长:年月日阀门试验记录建设单位:施工单位:工程名称: 单元名称: 管道安装试验压力密封试验公称压力名称型号、规格数量结果压力时间时间(MPa) 介质介质压力 (MPa) (mim) (mim)施工技术负责人: 质检部门代表: 施工班组长:年月日年月日年月日管道焊接工作记录建设单位: 施工单位:工程名称: 单元名称:预热温度焊工姓名探伤检查结果及管线号焊接编号规格材质焊接方法焊接材料外观检查 0(C) 及代号证件号施工技术负责人: 质检部门代表: 施工班组长:年月日管架安装检验记录分部分项工程名称工程名称基础标高架顶标高中心座标(毫米) 弹簧管架编号结构型式偏差偏差备注调整值允许值实测值 (毫米) (毫米)施工技术负责人: 质量检查员: 施工班长:年月日管道补偿装置安装记录建设单位:施工单位: 年月日项目: 装置: 工号:预拉(压)量固定支架间设计压力安装时环操作温管线号规格材质距(M) (MPA) 境温度? 度? 允许值实测值简图:检验员: 施工人员:年月日年月日隐蔽工程(封闭)记录建设单位: 施工单位: 项目: 装置: 工号: 隐蔽部位施工图号封闭隐蔽前的检查封闭隐蔽方法封闭简图说明:施工技术负责人: 质检部门代表: 施工班组长:年月日年月日年月日管道压力试验记录建设单位:施工单位: 年月日工程名称:分项工分项工试压管道安装管道程编号程名称部位介质温度? 环境温度?升至工作由时分管道设计压力压压力时间至时分 (MPa) 力试保持试验由时分水压试验压力验压力时间至时分 (MPa) 过工作压力下由时分检查时压力程检查时间至时分 (MPa) 试按《GB50235-97》工业金属管道工程施工验收规范的规定进验行压力试验,以水为介质,先缓慢升压至工作压力_____Mpa,稳结压5分钟,然后升压至试验压力____Mpa,稳压10分钟,检查管道果各处未发现泄漏现象及变形和压力降;然后将压力降至工作压力_____MPa,停压30分钟检查管道系统各处未见变形、渗漏和压力降。
压力管道安装质量记录模板(按施工时间顺序)
G11-03
压力管道安装开工报告
G11-04
典型压力管道设计特性表
项目名称:建设单位:
技术负责人:时间:年月日质保师:时间:年月日
压力管道安装过程质量控制卡G11-05
备注:
1、施工前告知东山区监督局工作:由项目技术负责人准备申报资料。
由检验责任师填写施工告知书,并进行告知
2、项目质量监督:由项目技术负责人依据特检院监督计划书的项目进行提供监督见证记录,准备见证现场。
检验责任师负责联系、接待、陪检、接送
3、项目技术负责人、质量检查员在施工前由分公司和安装班组报送技术质量科,由技术质量科授权方可进行压力管道安装技术质量管理工作,如需变更,需经过技术质量科重新授权。
压力管道安装质量证明书
压力管道安装汇总表
G11-02
共页第页
备注:1至7项检查数据填写具体数值,结论为:合格或不合格;8至10项填写检查的数量或点数,检查的情况及检查结
Y01-001
(项目名称)
交工技术文件
单项工程
单位工程
建设单位
建设单位监理单位:组卷单位:
项目管理部门:(公章)(公章)(公章)
审核人:审查人:编制人:
项目负责人:总监理工程师:项目负责人:年月日年月日年月日
第卷/ 第册
材料检验记录
焊材检验记录表
焊缝返修处理通知单。
附件三广东省源天工程公司压力管道安装质量管理体系记录表格(依据GB/T19001-2000建立)记录表格目录记录表格目录(续)注:除业主、监理、工程所在地质监站等部门有要求使用指定表格外,均应执行以上表格。
焊接工艺作业指导书焊接工艺作业指导书(续)焊接工艺评定报告焊接工艺评定报告(续)焊接工艺卡焊材库温、湿度记录材料检验、入库单焊材检验、入库单材料台帐材料领用单YLGD-08高压管件加工记录管道补偿器安装记录固定管架及弹簧支、吊架调整记录管道接地测试记录安全附件安装记录压力表、温度计检查记录管道系统吹扫清洗记录阀门试验记录安全阀最终调试记录管道系统压力试验记录管道气密性试验记录管道防腐工程施工记录射线探伤报告(一)年月日射线探伤报告(续)YLGD-23年月日射线探伤工艺卡射线探伤工作记录YLGD-25 试件名称:X光机号:委托单位:增感方式:磁粉探伤工艺卡磁粉(或渗透)探伤记录检测人:审核人:年月日磁粉探伤报告超声波探伤报告YLGD-29年月日热处理报告压力管道安装检查记录质量控制点检查记录YLGD-32设计图纸会审记录(一)设计图纸会审记录(二)记录人:设计变更洽商记录项目经理: 经办人:施 工 日 志年 月 日 星期温度:2时 ℃,8时℃,14时 ℃,20时 ℃,日平均 ℃;天气:上午施工员:记录员:第页分项工程质量技术交底卡专业技术负责人:交底人:接受人:设备开箱检查记录隐蔽工程验收记录。