标识和可追溯性流程图
- 格式:doc
- 大小:49.50 KB
- 文档页数:2
标识与可追溯性程序(QC080000-2017)一、目的1.1防止不同类别,不同检验状态的产品混用和误用,当有规定或客户有要求时,实现产品的可追溯性。
二、范围2.1适用于原料、半成品和成品标识、环保品标识及检验状态标识。
三、职责3.1品质部:负责检验状态标签、环保品标识或印章的使用,并对其有效性进行监控;当产品出现重大的质量问题时,按照既定流程对其进行追溯。
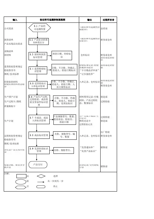
3.2成型课、仓储课:负责所属区域内物料、产品的标识,负责不同检验状态物料、产品的分区摆放及所有标识的维护。
四、参考文件4.1《纠正和预防措施控制程序》五、定义(无)六、流程图(无)七、流程说明7.1进货物料标识7.1.1物料进厂,仓管员负责接收核对供应商所提供环保文件资料及物品批次号进行检查,并检查外包装上必须贴有现品票(供应商、料号、规格、数量、日期、QA合格章)和环保物料必须贴有“环保标签”确认无误后将其放置于“待检”区。
7.1.2经品质部检验或验证合格的物料,由检验员在外箱或外包装现品票上盖“IQCPASS”章后,仓管员方可办理入仓手续,7.1.3检验不合格的物料保持原有产品标识,贴上红色“不合格”标签后,由仓管员安排放置于“不合格品”区。
7.1.4检验不合格但需要让步接收或特采、加工、挑选的物料需在外包装箱上贴黄色的“特采”标签,并在标签上备注特采处理方法,方可办理相关手续;检验不合格需要退货时,需要在外产品外包装上作“不合格”标识,由仓库办理退货手续。
7.1.5 GP材料/产品标示(若客户有特殊要求,则依客户要求)7.1.6GP材料/产品均需设置专用区域进行管理和存放。
7.2生产过程中的标识7.2.1生产制程各工序中的原物料、在制品、半成品、待检品、合格品、不合格品,在产品上贴上待检、合格、不合格标识,并按类摆放到规定的区域,不同状态的产品不得摆放一起,以防混用。
7.2.2经生产完成并包装的合格品,由注塑部人员贴上生产标签摆放到待检区,经品管课IPQC抽验合格后盖“IPQCPASS”印章,以便后续追溯。
生产过程控制程序(ISO9001-2015)1.0目的对直接影响产品质量的生产、安装和服务的过程进行有效识别及控制,确保这些过程在受控状态下进行,并对其进行持续不断地改进。
2.0范围本程序适用于公司内所有用于产品生产的过程。
3.0定义与术语特殊过程:a.产品质量不能通过后续的测量和监控加以验证的工序;b.产品质量需进行破坏性试验或采用昂贵的方法才能测量或只能进行间接监控的工序;c.该工序产品仅在产品使用或服务交付后不合格的质量特性才能暴露出来。
4.0职责a.研发部:负责产品工艺流程、工艺标准的制订与确认;b.生管课:负责生产计划采购计划的编制,以及生产进度及交货期的协调与控制工作;c.品管课:负责生产过程的巡回检查以及进行有关指标的检验,反馈,正确做出结论;d.采购课:负责生产原、辅材料的采购;e.生产各课:负责按生产计划要求进行准备、按工艺要求、设备操作规范要求安排生产;负责生产工具的设备的请购、维护及生产现场环境的维护;f.总务部:负责人员的招聘与培训。
5.0作业流程5.1生产计划生产单位及相关单接到生管的《生产排程》及每周《生产计划表》进行生产前的准备工作。
5.2生产前准备a.相关部门接到《生产排程表》及每周《生产计划表》后,依计划表时程,进行人员、生产设备、工装夹具、检测设备及所有有关此产品的工艺技术、检验文件的准备。
b.生产车间组长根据《生产排程表》及每周《生产计划表》安排员工到仓库领料。
c.在做生产准备同时,生产组长须事先对生产操作员工解说相关产品特性及质量要求水准,以利过程质量的控制。
5.3首件生产a.新、旧产品首件加工完毕后由生产组长填写《首件确认表》进行送检工作按《例行检验及成品确认检验控制程序》执行。
b.如新产品首检不合格,生产车间须通知相关研发技术人员、品管人员解决异常原因后,须重新生产首件交品管及研发部门确认。
c.如首检不合格,因异常原因影响生产计划时,生产车间须通知生管课,由生管课作出生产调整。
产品追溯制度第一节产品质量可追溯性控制程序1目的以适宜的方法标识产品,确定产品的类别及检验状态, 有需要时实现追溯。
2范围产品接收、生产、交付使用的全过程,若顾客另有规定时,按顾客的规定处理。
3职责3.1生产部门负责产品标识与追溯的归口管理;3.2综合管理部负责检验状态的标识;3.3仓管人员负责对物资进货与贮存的标识;3.4各生产环节人员负责实施生产过程辖区内产品的标识与追溯;3.5出厂包装人员负责对成品的标识与追溯;3.6 销售人员负责对客户所有信息进行记录。
4定义4.1标识:利用标签、颜色等方式让操作人员清楚了解产品的规格以及检验状态。
4.2产品标识:是识别产品特定特性或状态的标志或标记,包括生产产品和运作过程中的采购产品、中间产品、最终产品和到交付客户使用的产品。
4.3产品的状态标识:在产品实现以及生产和服务运作过程中,为了区别不同状态的产品,对产品的测量状态(待检、合格、不合格、待判定)及加工状态(已加工、待加工)所作的标识。
5工作程序5.1产品追溯流程图(见后附)5.2产品标识及产品的状态标识5.2.1内容:产品属性:品名、规格型号、编号、加工日期、数量等;检验和测试状态:待验、合格、不合格等,检验测试人员、检验测试日期、批次等;加工状态:原材料、外购品、在制品、半成品、成品等。
5.2.2标识的方式:可采用挂牌、贴签、分区域等方式,并配合表格记录。
;5.2.3公司可追溯的标识分为三个环节进行,原材料的标识统一称为“原材料批号”;过程加工的标识统一称为“生产批号”;成品标识统一称为“出厂批次号”5.3采购品的标识5.3.1 原材料、外协外购产品到公司后,采购人员或需采购部门相关人员根据供方的送货单进行清点收货,进行初步验货;5.3.2验货后检验合格的入库在验货根据各部门对产品具体的标准要求和方法实施检验和试验;验货检验合格的入库在指定区域存放,分区域存放无法达到识别要求的,配合进行产品标识,标识内容包括:批次号、物料编号、物料名称、入库数量、入库日期、生产厂家等。
追溯相关表单明细表一、追溯流程图规格型号:生产批号:生产数量:灭菌批号:二、追溯步骤第一步:产品批管理制度;关于产品标识和可追溯性方法的说明;产品生产工艺流程图及关键工序质量控制点设置图;第二步:各原辅材料的送货单、质检报告、请验单、检验结论通知单、入库单、入库记录、出库单、出库记录;第三步:针尖的生产任务单、生产记录、关键工序监控记录、巡检记录、流转卡;第四步:针尖、留置针小包装材料的请验单、取样单、检验结论通知单、入库单、入库记录、领用单、出库单、出库记录;第五步:针尖、留置针小包装材料的入中转仓库记录、末道精洗记录、精洗用注射用水检测记录、留置针组装的生产任务单;第六步:针柄、毛细管、护套管、针座使用的原料的送货单、质检报告、请验单、检验结论通知单、入库单、入库记录、出库单、出库记录及配件生产记录、首检记录、流转卡、入中转仓库记录;第七步:针尖、叶片、毛细管、护套管、针座、留置针小包装材料的发放记录、物料使用明细表、巡检记录、流转卡、不合格品处理记录;留置针请验单、物理检验通知单、入中转仓库记录;给灭菌车间发放记录、物料使用明细表、灭菌验证记录、灭菌验证后入中转仓库记录;灭菌验证后检验报告;第八步:各配件的送货单、质检报告、请验单、取样单、检验结论通知单、入库单、入库记录、出库单、出库记录;第九步:各配件入中转仓库记录;第十步:各组件入中转仓库记录;第十一步:组装巡检记录、组装工序检验记录、测试检验记录、关键工序监控记录、流转卡、不合格品处理记录;第十二步:包装、封口物料生产记录、巡检记录、关键工序监控记录、不合格品处理记录、产量日报表、灭菌产品领用登记表、灭菌记录;第十三步:待检品入库单、货位卡、请验单、取样单、检验结论通知单;成品入库单、入库记录、货位卡;成品出库单、出库记录;成品发货单、销售记录;第十四步:环境检测记录、水质检测记录;第十五步:产品检测报告及产品放行审批记录。
标识和可追溯性控制程序1目的为明确自生产至交付所有阶段中产品的标识以表明生产过程产品的实际状态和达到可追溯性的目的和有效控制,制定本程序。
2范围本程序仅适用于自生产至产品交付所有阶段对产品进行标识。
3职责3.1生产车间、仓管员对所属区域内的产品进行标识和检验状态标识。
3.2质检部门负责对各自检验的产品进行标识。
4程序4.1标识4.1.1产品流转/存放标识4.1.1.1物料进厂,原料仓库仓管员应检查物料的外包装标记。
对于未有标记或标记不清的物品应挂以标识或贴上标签,对于物料本身的外包装标记已明确,可利用其标记进行识别,也可予以标识。
原物料应分类堆放。
4.1.1.2生产过程中的半成品或暂歇期间的在制品,生产车间应对每堆物资放置标签,并注明其目前的工作状态并分类堆放,产品加工过程采用《自制件随工流转卡》进行标识。
4.1.1.3加工完成的成品可根据客户要求在其外包装上按客户要求进行标记。
客户没有要求的,在存放期间应放置相应的识别标识。
4.1.1.4对加工过程中的关键件除采用《自制件随工流转卡》进行标识外,还要有《关键件检验记录》记录检验结果,做到质量可追溯性,对焊接、总装、涂装有《焊接检验指导书及记录》《总装配检验指导书及记录》《涂装检验指导书及记录》进行可追溯记录。
4.1.1.5所有流转/存放的标识除类别标牌外,应清楚说明标识的内容。
4.1.2检验/试验状态标识4.1.2.1检验/试验状态标识分待检及不良品字样的牌子/标签,并分区堆放。
正常合格品使用产品流转单/标识牌/标签,并在上签名/盖章,不另作检验/试验合格状态标识。
4.1.2.2物料进厂,仓管员应通知检验部门进行检验并负责放置“待检”牌,经检验部门检验/验证合格,检验人员在进仓单据上签名并取摘“待检”牌,仓库方可入库。
4.1.2.3生产过程中的不合格应放置在标有红色不良警示字样的容器内。
4.1.2.4无论是材料还是半成品、成品,对于检验不合格,需放置红色不合格字样的标签/标牌或不合格标记或存放在标有红色不良警示字样的区域内。
文件编号:FW-QCP-09 版次: A/21. 目的对产品进行适当的标识,确保产品在形成的过程中或任何阶段可以实现正反双向追溯.2. 范围:适用于产品在来料、成型、包装、交付、及售后服务中对产品的追溯.3. 职责:3.1 货仓部负责对仓库内各类物料、原材料、半成品、成品、次品等进行统一标识.3.2 生产部负责生产过程中产品(成品、半成品、次品)的标识、记录及成品入库的记录.3.3品质部负责对产品作检验和试验状态标识,并组织相关部门对发生的问题进行追溯分析.4. 内容:4.1 物料标识:4.1.1 供货商及客户所提供的生产物料、原料、辅料由仓管据仓务程序核实数量,放置仓库区,并挂上“待检验”标识.4.1.2 仓管将进料的情况详细记录于《物料收货日报表》上,并据物料编号规定形成物料批号,将进料品名、数量、批号等填入“物料标识卡”,同时通知IQC检验.4.1.3 IQC据进料检验程序进行抽样检验与标识工作,检验结果如实记录在《物料收货日报表》与《进料检验报告》.4.2 生产过程产品标识:4.2.1 生产部生产前,由配料员先对原料的批号、货号、包装进行检查,以确保批号、货号、标识在搬运过程中无遗失及损坏现象.4.2.2 配料员将原料倒入原料桶内的时候,必须先作外包装的清洁,及确认原料桶内、外清洁无异物,并在原料桶贴上原料品名的标识,配料员在配制每一份料都必须将其所用的原料的用量、批号记录在《配料记录》中,品质部QC进行监控.4.2.3成型后的半成品由生产部进行标识,QC证实后方可进入内包间.4.2.4内包加工部对成型部交来的半成品首先检查其批号及数量是否正确,做到互检,然后分批次加工生产,经QC检验合格后签字证实后流入外包装工序.4.2.5包装部接内包交出的产品必须按批次分批包装,并对包装的物料先作出检验以确认成份、品名、批号、生产日期跟有效日期无异后才进行包装.4.3 成品标识:4.3.1已包装成品需贴上“成品标识”(包括产品编号/名称,客户名称,订单编号,数量),挂上“待检验”标识卡并通知QA检验,检验合格开《入库单》进仓.文件编号:FW-QCP-09 版次: A/24.3 所有标识由负责部门进行控制及验证是否符合要求,以确保标识的有效性.4.4 如所挂的标识与产品不符,需由组长或以上级别负责修改,生产部工人不得随意修改.4.5 所有标识或标识不清楚的应由负责存放或使用部门组织调查核实.4.6 产品质量追溯;4.6.1 如产品出现问题,应由品质部组织有关部门对问题进行调查、分析,按标识及有记录进行问题根源记录及追寻,同时对已发生问题产品进行隔离并挂上标识“调查中”以防止误用及处理,对引起问题发生的根源作出评审和处理意见(包括退回和作废的产品);4.6.2 外购物料在使用过程中出现质量异常时,根据标识追溯贮存期间质量的维护状况,再追溯到进料的检验状况和记录并清点现存量以及分析原因,采取纠正措施,如退回供货商.4.6.3在后续加工过程中出现质量问题,应追溯到上一道工序及原料的质量检验状况和相关记录,分析原因,采取纠正措施;4.6.4成品出货前检验不合格或出货后客户投诉或回馈意见时,应根据标识追溯到加工部或前一部门出现的问题,分析出原因并采取纠正措施和预防.4.6.5 逆向追溯:当产品出现异常时,从产品包装标识,可以追溯到出货记录、检验化验记录、包装记录、配料成型记录、领料记录、进料检验记录、订购记录,以及供应商的整个运作过程。
不合格品控制程序1目的为对不合格产品进行识别并控制,以防止其被非预期使用或交付。
2范围本程序适用于公司采购的原辅材料、产品、生产过程不合格的识别及控制。
3职责3.1质检部检验人员负责做好不合格产品的标识和书面记录。
3.2质检部负责人应根据公司处置权限汇报或组织对批量不合格品的评审和处置,并负责对不合格品的跟踪与监督。
3.3有关责任部门应对不合格产品及时进行隔离,并负责采取措施处理或纠正不合格品及产生不合格产品的原因。
4程序4.1不合格品的产生4.1.1原材料提供过程的不合格品指:●原材料进货验收时发现的不合格;●原材料贮存中发现的不合格;●原材料使用过程中发现的不合格。
4.1.2生产过程中产生的不合格品指:●生产过程中由于作业人员的操作不当或工艺配方不当产生的不合格品;●生产设备故障或设备操作参数调试不当产生的不合格品;●检验人员每天对生产现场进行巡视检查及定时产品抽验发现的不合格品。
4.3不合格产品的识别、标识、隔离4.3.1质检部检验人员应依据《产品的测量和监视控制程序》程序中检验和试验计划及作业指导书/规程等有关规定进行材料、外协零配件、半成品、成品的检验或试验。
4.3.2检验人员一旦发现不合格产品,应按《标识和可追溯性控制程序》程序规定进行标识和隔离。
4.3.3生产车间自检发现的不合格产品,也应按《标识和可追溯性控制程序》程序规定进行标识和隔离。
4.3.4不合格标识仅在处置不合格产品后方才予以撤消。
4.5记录、报告4.5.1检验人员在检验/验证时,发现不合格产品应按有关规定记录在相应的检验记录/报表中。
4.5.2生产车间发现个别不合格,应报告车间负责人进行处理,对于连续性异常或批量不合格应报检验部门进行签定,检验部门应按规定进行检验/验证并记录。
4.6评审和处置4.6.1检验人员有权对个别不合格品进行处置,并记录于相应的检验记录中。
4.6.2检验人员负责对半成品、成品能返工且生产车间无争议的批量不合格品进行处置,如有争议应逐级上报。