IEC 61156-1-2002 数字通信用对绞或星绞多芯对称电缆 第1部分:总规范(中文版)
- 格式:pdf
- 大小:573.69 KB
- 文档页数:51
中华人民共和国通信行业标准大楼通信综合布线系统第1部分:总规范YD/T 926.1—2001 neq ISO/IEC 11801:1999 代替YD/T926.1—19971 范围本部分规定了接入网内大楼通信综合布线系统的总体结构、要求、试验方法与验收等。
本部分中大楼指各种商务大楼、办公大楼及综合性大楼等,但不包括普通住宅楼。
大楼可以是单个的建筑物或包含多个建筑物的建筑群。
本部分适用于跨距不超过3000m、办公总面积不超过1000000m2的布线区域,区域内的人员为50~50000人。
布线区域超出上述范围时,也可以参考使用本部分。
本部分规定的综合布线系统可以支持话音、数据、文字、图像和视频等各种应用。
2 引用标准下列标准所包含的条文,通过在本标准中引用而构成为本标准的条文。
本标准出版时,所示版本均为有效。
所有标准都会被修订,使用本标准的各方应探讨使用下列标准最新版本的可能性。
GB9254-1988 信息技术设备的无线电干扰特性的极限值和测量方法GB/T9771.1-2000 通信用单模光纤系列第1部分:非色散位移单模光纤系列GB/T11327.1-1999 聚氯乙烯护套聚氯乙烯绝缘低频电线电缆第1部分:一般试验和测量方法GB/T12357—1990 通信用多模光纤系列GB/T15629.3—1995 信息处理系统局域网第3部分:带碰撞检测的载波侦听多址访问(CSMA/CD)的访问方法和物理层规范GB/T15629.4-1997 信息处理系统局域网第4部分:令牌传递总线访问方法和物理层规范GB/T15629.5—1996 信息技术局域网和城域网第5部分:令牌环访问方法和物理层规范GB/T15972.4-1998 光纤总规范第4部分:传输特性和光学特性试验方法GBJ42-81 工业企业通信设计规范GBJ79-85 工业企业通信接地设计规范YD/T838.1-1996 数字通信用多芯对绞/星绞对称电缆第1部分:总规范YD/T926.2-2001 大楼通信综合布线系统第2部分:综合布线用电缆、光缆技术要求YD/T2008—1993 城市住宅区和办公楼电话通信设施设计标准ITU-TG.117:1996 对地不平衡的传输特性ITU-TO.9:1999 确定对地不平衡度的测量装置3 定义3.1 应用系统application(system)采用某种传输方式的系统,这个系统能在综合布线上正常运行。
数字通信用对绞或星绞多芯对称电缆第3部分:工作区布线电缆 分规范1 范围本文件与GB/T 18015.1-2017一起使用。
这种电缆适用于GB/T 18233中定义的工作区布线。
本文件定义了工作区布线用的100MHz及以下传输特性的对绞或星绞屏蔽/非屏蔽对称电缆。
缆芯可以有总屏蔽。
这种电缆适用于相应详细规范中给出的各种通信系统。
本文件所定义的电缆应在通信系统通常采用的电压电流下工作。
这些电缆不宜被接到如公共供电那样的低阻抗电源上。
2 规范性引用文件下列文件中的内容通过文中的规范性引用而构成本文件必不可少的条款。
其中,注日期的引用文件,仅该日期对应的版本适用于本文件;不注日期的引用文件,其最新版本(包括所有的修改单)适用于本文件。
GB 6995.2电线电缆识别标志 第二部分:标准颜色(GB 6995.2-1986,neq IEC 60304:1982)GB/T 12269射频电缆总规范(GB/T 12269-1990,idt IEC 60096-1:1986)GB/T 18015.1-2017数字通信用对绞或星绞多芯对称电缆第1部分:总规范(IEC 61156-1:2009,MOD)GB/T 18213低频电缆和电线无镀层和有镀层铜导体电阻计算导则(IEC 60344:1980,IDT)3 术语和定义GB/T 18015.1-2017界定的术语和定义适用于本文件。
4 安装条件见GB/T 18015.1-2017中的4。
安装期间的推荐温度范围为0℃至+50℃。
安装过程中的实际温度范围应在相关的详细规范中注明。
正常工作温度范围应为-20℃至+60℃。
5 材料和电缆结构一般说明材料和电缆结构的选择应适合于电缆的预期用途和安装要求。
应特别注意要符合任何防火性能的特殊要求(如燃烧性能,发烟量,含卤素气体的产生等)。
电缆结构电缆结构应符合适用的电缆详细规范规定的详细要求及尺寸。
导体导体应由退火铜线制成。
导体可以是实心的或绞合的。
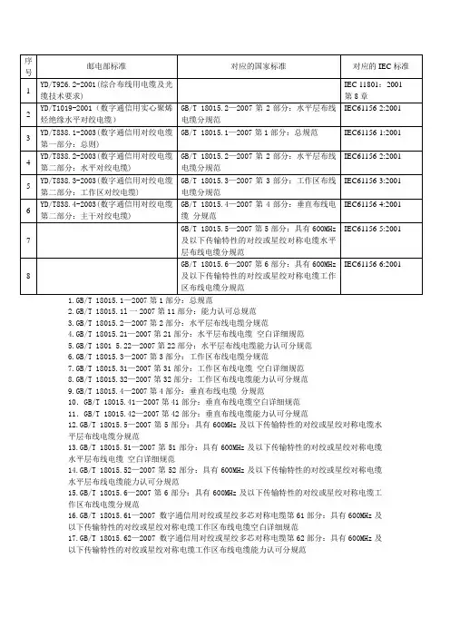
1.GB/T 18015.1—2007第1部分:总规范2.GB/T 18015.1l一2007第11部分:能力认可总规范3.GB/T 18015.2—2007第2部分:水平层布线电缆分规范4.GB/T 18015.21—2007第21部分:水平层布线电缆空白详细规范5.GB/T 1801 5.22—2007第22部分:水平层布线电缆能力认可分规范6.GB/T 18015.3—2007第3部分:工作区布线电缆分规范7.GB/T 18015.31—2007第31部分:工作区布线电缆空白详细规范8.GB/T 18015.32—2007第32部分:工作区布线电缆能力认可分规范9.GB/T 18015.4—2007第4部分:垂直布线电缆分规范10.GB/T 18015.41—2007第41部分:垂直布线电缆空白详细规范11.GB/T 18015.42—2007第42部分:垂直布线电缆能力认可分规范12.GB/T 18015.5—2007第5部分:具有600MHz及以下传输特性的对绞或星绞对称电缆水平层布线电缆分规范13.GB/T 18015.51—2007第51部分:具有600MHz及以下传输特性的对绞或星绞对称电缆水平层布线电缆空白详细规范14.GB/T 18015.52—2007第52部分:具有600MHz及以下传输特性的对绞或星绞对称电缆水平层布线电缆能力认可分规范15.GB/T 18015.6—2007第6部分:具有600MHz及以下传输特性的对绞或星绞对称电缆工作区布线电缆分规范16.GB/T 18015.61—2007 数字通信用对绞或星绞多芯对称电缆第61部分:具有600MHz及以下传输特性的对绞或星绞对称电缆工作区布线电缆空白详细规范17.GB/T 18015.62—2007 数字通信用对绞或星绞多芯对称电缆第62部分:具有600MHz及以下传输特性的对绞或星绞对称电缆工作区布线电缆能力认可分规范。
电线电缆环境标准链接:/tech/12836.html电线电缆环境标准第一篇:定义和要求1999-04-26 1999-12-10 GB/T 177738.1-1999 射频同轴电缆组件 第1部分:总规范 一般要求和试验方法1999-04-26 1999-12-10 GB/T 11327.1-1999 聚氯乙烯绝缘聚氯乙烯护套低频通信电缆电线第1部分: 一般试验和测量方法 GB/T 11327.1-1989 1999-08-02 2000-03-01 GB/T 11327.2-1999聚氯乙烯绝缘聚氯乙烯护套低频通信电缆电线第2部分: 局用电缆对线组或三线组或四线组或五线组的 GB/T 11327.2-1989 1999-08-02 2000-03-01 GB/T 11327.3-1999聚氯乙烯绝缘聚氯乙烯护套低频通信电缆电线第3部分: 终端电缆对线组的 GB/T 11327.3-1989 1999-08-02 2000-03-01 GB/T 13993.2-1999 通信光缆系列 第2部分:干线和中继用室外光缆 GB/T 13993.2-1992 1999-08-02 2000-03-01 GB 7970-1999 通讯电缆纸 GB 7970-1987 1999-08-12 2000-02-01 GB/T 3333-1999 电缆纸工频击穿电压试验方法 GB/T 3333-1982 1999-08-12 2000-02-01 GB/T 3334-1999电缆纸介质损耗角正切tgδ试验方法电桥法 GB/T 3334-1982 1999-08-12 2000-02-01 GB/T 11028-1999测定浸渍剂对漆包线基材粘结强度的试验方法 GB/T 11028-1989 1999-09-13 2000-06-01 GB/T 4074.1-1999绕组线试验方法 第1部分: 一般规定 GB/T 4074.1-1983GB/T 1343.1-1984 1999-11-10 2000-05-01 GB/T 4074.2-1999绕组线试验方法第2部分: 尺寸测量 GB/T 4074.2-1983GB/T 1343.2-1984GB/T 1343.10-1984 1999-11-10 2000-05-01 GB/T 4074.3-1999绕组线试验方法第3部分: 机械性能 GB/T 4074.3~.10-1983GB/T 4074.14-1983GB/T 4074.27-1983GB/T 1343.3.~.7-1984 1999-11-112000-05-01 GB/T 4074.4-1999 绕组线试验方法第4部分: 化学性能 GB/T 4074.16-1983GB/T 4074.23-1983GB/T 4074.26.28~.31-1983 1999-11-10 2000-05-01 GB/T4074.5-1999 绕组线试验方法第5部分: 电性能 GB/T 4074.17~.19-1983GB/T 4074.20-1991GB/T 4074.22-1983GB/T 1343.8~.9-1984 1999-11-10 2000-05-01 GB/T 4074.6-1999 绕组线试验方法第6部分: 热性能 GB/T 4074.11~.13-1983GB/T 4074.21-1983GB/T 4074.24~.25-1983 1999-11-10 2000-06-01 GB 18014-1999电雷管引爆用聚氯乙烯绝缘电线 1999-11-11 2000-10-01 GB/T 18015.1-1999数字通信用对绞或星绞多芯对称电缆第1部分: 总规范 1999-11-11 2000-05-01 GB/T 18015.2-1999 数字通信用对绞或星绞多芯对称电缆第2部分: 水平层布线电缆分规范 1999-11-11 2000-05-01 GB/T 18015.3-1999 数字通信用对绞或星绞多芯对称电缆第3部分: 水平层布线电缆空白详细规范 1999-11-11 2000-05-01 GB/T 18015.4-1999数字通信用对绞或星绞多芯对称电缆第4部分: 工作区布线电缆分规范 1999-11-11 2000-05-01 GB/T 18015.5-1999 数字通信用对绞或星绞多芯对称电缆第5部分: 工作区布线电缆空白详细规范 1999-11-11 2000-05-01 GB/T 18015.6-1999数字通信用对绞或星绞多芯对称电缆第6部分: 垂直布线电缆分规范 1999-11-11 2000-05-01 GB/T 18015.7-1999 数字通信用对绞或星绞多芯对称电缆第7部分: 垂直布线电缆空白详细规范 1999-11-11 2000-05-01 GB/T 1179-1999 圆线同心绞架空导线 GB1179-1983、GB 19329-1988 1999-12-30 2000-08-01 GB/T 17937-1999 电工用铝包钢线 1999-12-30 2000-08-01 GB/T 12507.1-2000光纤光缆连接器 第1部分:总规范 GB/T 12507-1990 2000-01-03 2000-08-01 GB/T 18051-2000潜油电泵振动试验方法 2000-4-14原文地址:/tech/12836.html页面 1 / 1。
电线电缆的性能要求与检测项目第一节电线电缆产品的性能要求任何产品的性能要求来源于而大方面:一是基本使用功能提出的要求,即要求产品在预订的使用寿命期内能充分,并力求最佳地满足使用所需要的基本技术要求;二是产品应能适应所使用的环境、使用状况以及安装敷设过程中的各种各样境况而提出的技术要求;即要求产品在上述这些情况下使用时,应尽可能的具备相应地抵抗各种外界因素损害其基本功能的能力,保证产品的正常工作;这些,对于电线电缆产品也是同样的,但由于它的品种范围广,大量的品种是为了满足不同的使用环境、使用状况等而出现的;因此从总体上讲,线缆产品的性能要求涉及面非常广;特别是有许多性能要求主要是因环境、使用状况、安装敷设过程中提出的是大多数机电产品所没有的,或不可能有的;这就增加了线缆产品中性能要求的多样性和复杂性;一. 基本的使用功能要求从线缆产品的传输功能来讲,用于三大领域即电力系统、信息系统和作为电磁能量转换的元件的所有电线电缆产品,本质只有传输电流和传递信息电磁波两大类;下面分别以电力电缆和市内通信电缆两个类别为例进行说明;一电力电缆使用功能要求电力电缆应具有的使用功能是:安全、可靠地传输大容量的电能;由此提出对电力电缆的基本性能要求是:1. 良好的导电性能即导体的电阻要小,从而可控制导线通过电流时产生导线损耗I2R,和线路的电位降I2R;2. 优良的电绝缘性能要求绝缘层的绝缘电阻要高;绝缘层被高电压破坏击穿的抵抗能力要强、即绝缘层的击穿试验电压值要比工作电压有较大的裕度;以及介质损耗要小,以免介质即绝缘体在工作状态下因自身发热量大而降低材料的电绝缘性能;由于绝缘材料大多数为高分子材料天然或合成,因此其使用寿命极为重要;3. 要保证工作状态下的热平衡电力电缆在传输电流时,电缆因导体电阻发热、介质损耗发热等,因此本身是一个热源;在电缆结构设计时,必须使其所发的热能够向外界发散而到达一种稳定的热平衡;否者电缆将无法工作;同时,要根据绝缘材料的热老化特性确定一个长期的工作温度;因此,电缆的长期允许最高工作温度,允许传输的电流密度即每平方毫米通过的电流安培数或每一个导线截面等级的长期允许载流量等就是电力电缆热性能的反映;所以要求绝缘层,护套材料及填充材料等应具有长期处于最高允许工作温度下的耐热老化性能;4. 传输大容量的电能随着经济建设的发展和人民生活水平的提高,每一个场所或区域的用量正在迅速地不断增加,因此要求所用的电缆能传输更大容量的电能;电力电缆提高传输容量的方法除了增大单根缆芯的截面以外,对高压电缆也有采用内强迫冷却只适用于充油电缆,将油系统循环冷却、外强迫冷却电缆外不用风冷、水冷的办法;但更主要是提高电缆的工作压等级,这就是发展高压、超高压电力电缆的动力;电力系统用的所有线缆产品如以及电气装备用电线电缆中以传输电流为基本功能的产品,如绝缘电线、软线,橡套电线电缆等也应该有这些性能要求;但对使用电压较低或工作电流较小的产品,其电性能或热性能较易满足;此类产品,满足其使用环境、使用条件方面的性能要求,往往会成为主要矛盾;二通信电缆使用功能要求“打电话”的简单原理是:声音声波通过耳机上的话筒转变为电磁波;经过通信电缆的传递到达对方,再通过耳机上的听筒又转变为声波;通信系统通常是以二根绝缘线为单位组成“线对”;构成一个通话回路;事实上,一般的电话线对可以传递的电磁波频率远大于人的声波频率人的声波频率总是小于4000赫;因此通过线路系统中的处理,如加上载波机后,一对线可以同时通过12~24路电话;也可以用于点传真或数据传输等;所以市内通信电缆的使用功能是:长距离清晰,不失真地传输频带尽可能宽的信息电磁波;由此提出对市内通信线缆的基本性能要求是:1. 要求电缆中每一线对的固定有衰减要小即所传输的电磁波在单位长度线路上的损失即衰减要小,以保证有足够的功率如音量达到接收方;通信系统的线路可以非常长,因此在实际运行系统中每隔一定距离对市内通信电缆线路约为30~50km要设置功率放大装置如增音机;而在每一段内要控制固有衰减值,否者会影响通话质量;2. 要求所传输的信息具有尽可能小的失真即接收方式收到的信息声音、图像、文字要基本上与发出方完全一致;造成失真的原因是由于线路长度中电缆结构或材料性能的微小不均匀性;即所传输的电磁波会因这些不均匀而引起波的局部的反射、折射和驻波,从而会改变其中某些波的传输速度或使波形发生变化畸变;3. 要控制统一电缆各回路即各线对之间的串音统一电缆中许多回路同时工作时,相互间必然会因电磁耦合而产生干扰;当此种干扰的功率足够大可以听到时,就是明显的串音;因此必须规定一定的串音防卫度加以保证;宽带数据传输用的电缆或保密要求高的线路则必须采用对屏蔽和总屏蔽,以阻止减弱此类相互间的干扰;但对于一般、民用、传输总量不大即频带不太宽而用的电话电缆,一般不必采用分“线对”屏蔽的方式,但应有防止外界干扰的总屏蔽;4. 在保证传输质量的前提下,要尽量扩展电缆中每一线对的使用频带,使每一线对可以传送更多的信息;必须指出,近年来信号传输的模式已逐步从“模拟信号传输”发展为“数字信号传输”;发展速度极快,目前已达到了即将全面取代的阶段;所谓模拟信号,是指仿照原有信息的信号;利用模拟信号进行传输的方式称为模拟通信;前几年,电话、传真等采用的就是模拟通信方式;所谓数字信号,是指将信息的信号按某种规则分解为不连续的、离散的数字信号进行传输;称为数字信号;早期的编码电报就是一种数字信号;而现在利用计算机控制的程控电话交换机,就是现代化数字化的通信设备;由于数字信号抗干扰能力强,其转接、存储和控制等方面灵活方便;加上模一数或数一模转换技术及大容量高速度计算机的发展,加快了数字通信的普及和发展;从一回路线路允许传输的能力来讲,模拟通信强调的是允许传输的频率范围频带的宽度;以KhZ 千赫、MHZ兆赫表示;而数字通信强调的是单位时间内传输信号数字的个数,即传输速率,以千毕kbit/s、兆毕Mbit/s表示;目前,宽带通信网的传输速率已达到100兆毕即每秒可传输100兆个数字以上即采用所谓的5号电缆,并已在研发传输速率为600兆毕以上的系统;二. 使用环境、条件等提出的性能要求使用环境、使用条件以及安装辐射时都会对电线电缆产品提出许多性能要求,现粗略归类列举如下;1. 满足生产、运输、安装敷设时应具备的性能要求如何弯曲性、不被刮伤等;几乎对所有线缆产品均有不同程度的要求;2. 适应使用场合的环境温度许多产品工作时,自身发热很小,但环境温度很高;有的产品用于严寒地区,则有不同的耐低温要求;有的产品则要求既要耐热又要耐寒,如汽车用电线等;3. 防止外力破环或承受自重如敷设地下特别是直埋于土壤中的电缆均需用钢带铠装;敷设在竖井;斜井以及水中的电缆要求钢丝铠装,以承受电缆自重和机械保护;矿井中的电缆要求耐砸、抗挤压等;4. 满足使用方式的要求最主要的是移动式使用的线缆产品要求柔软,如家用电器电源线、橡皮电线电缆等许多品种;有的产品如悬浮在水面的设备与固定点之间的连接电线,要求特别柔软并能承受频繁弯、扭、拉等应力;安装在经常处于有振动状态的场合下的电线电缆要求有耐振动性,如沿铁路轨道、过桥以及船上机舱周围等;5. 阻燃或耐火要求取决于线缆产品的使用场合或某一条线路的重要性;即使用场合对防火的要求很高,如高层智能化大楼、计算机房、地铁等;以及大型公共建筑中的救急通道中的指示、照明线路、报警线路等;6. 防鼠、防白蚁以及防霉等性能要求在鼠害严重或白蚁严重地区,酚电线电缆应能防止老鼠或白蚁啮咬而破化产品,在湿热带地区要防止线缆产品外层生霉而损害材料性能;7. 耐大气老化或耐酸、碱、油类等化学物质的侵蚀大气老化主要是氧或臭氧以及光照对高分子材料的侵害;而化学物质的侵害有的是接触这些液气,有的是有害气体;8. 其他如核电站用电缆或航天器用线缆有耐辐照等更为特殊的要求;必须强调指出:上述的汇总只是从哪些因素影响到线缆产品的使用寿命等进行一些归类;事实上,同一种环境中有害因素的程度会有许多差异;而线缆产品由于有结构、规格大小和所用材料自身性能的千差万异;因此,同一环境或使用条件可能对某些产品是相似的,而对某些产品却是不同的;所以,对一种产品使用在某一特定场所时,必须逐一分析后,再合理选用该产品系列中的具体品种;或研究采用何种附加措施,以满足用户的需求;其次,应该明确,外部环境和使用条件是客观存在的;例如阻燃、耐火、防鼠、耐酸、耐油等,无论对电力电缆、电话电缆、光缆等都是同样的要求;这些技术要求是防备外来的损害、保护线缆产品的正常使用而提出的;与产品的使用功能并没有本质上的联系;但如果不能适应电线电缆的使用环境和防止外界因素的损害,则产品的使用功能就不能保证;第二节技术标准简介任何向市场供应的产品必须完全遵照各种相关的技术标准进行制造;技术标准是技术法规体系中的核心,在产品的设计、制造、运输、贮存、销售、安装、运行过程中都应加以贯彻;一. 电线电缆用技术标准的类别电线电缆制造所用的标准以产品标准为主体,并涉及到基础标准、材料标准、试验方法标准、试验仪器设备检测方法标准和通用标准等各个类别;表1 是电线电缆制造用各类技术标准的举例;表1 电线电缆制造用技术标准的类别3 线缆产品技术标准的组成介绍2. 电线电缆产品标准和试验方法标准不多是系列性标准;即在一个标准中归入了不同一系列和一小类产品,他们的结构或特性、或用途有很大的相似性;其目的是既可减少标准号的数量,更利于用户对比选用,这也是国际标准编制中的一种趋势;此种标准,第一部份是“一般规定”,即将这一系列或小类产品中共同性的内容综合列出;然后在下列的各部分依次对某一种或系列产品、或试验方法的要求、规定等各别列出;因此,在针对某一种产品时必须同时按照第一部份和涉及该产品的那一部分标准合并使用;表4 系列性技术标准举例第三节性能检测项目的选定与检查规则一. 性能检测的几个相关内容分析制造厂生产的产品质量优劣,能否出厂以及用户验收产品的依据是产品技术标准;技术标准中规定许多性能检测项目、技术标准、试验方法和检验规则,必须严格遵守;下面将分析这些相关项目的关系;一性能检测项目与性能要求的关系本章第一节中说明了对产品的性能要求是根据其基本使用功能与使用环境、使用条件的不同而提出的;但是这些原则性的定性要求必须针对每一个具体产品;并且应化解为可以判断、可以定量、可以检测并进行考核的项目时才有实用价值;才可列入技术标准中共各方共同遵守;这就是性能检测项目;事实上,一个性能检测项目只能反映某一性能要求中的一部分,经常要几个项目只能反映这一性能要求;即使如此,技术标准中列出的性能检测的项目及其指标也只能反映性能要求中必须达到的;最低的要求,即合格的要求;例如漆包线在高速绕制线圈绕组时,弯曲半径较小产生弯曲应力并承受一定拉力、成形后不应发生反弹等;这就要求漆包线有较好的柔软度、漆膜要有足够的弹性和对导体的粘附性;经研究试验后,在技术标准中列出了拉伸一定速度的伸长、急拉断、圆棒卷绕以及回弹等几个检测项目,来检测漆膜是否破裂,断裂时导体裸露多少长,以及卷绕放开时漆包线回弹的角度;从而判断是否满足上述性能要求;又如市内通信电缆的使用功能要求都是传输中的性能;而这些性能是由电缆的基本性能参数即导线电阻、绝缘电导绝缘电阻率的倒数、线对的工作电容等决定的,同时与“绝缘线对”的尺寸均匀性有很大关系;为此,在其技术标准中除了固有衰减、串音等传输参数的检测项目外,还应有导体电阻不平衡、电容不平衡等检测项目;使检测的结果尽可能放映出产品的传输性能水平;二性能检测项目的技术指标技术指标是性能检测项目的量值数据,确定了技术指标就能使改性能检测项目的技术指标,其表达方式一般有下列三种方式;1. 给定一个标准值,规定测试的结果不得大于,或不应小于该标准值;例如导线电阻不大于、抗拉强度不小于、绝缘电阻不小于、工作电容不大于、故有衰减不大于等等;一般凡可以直接在不破坏被测电线电缆产品时可测得性能值的情况下,如大多数电性能耐电压试验除外;以及取段试样测试可得到具体数值的情况下采用;此类技术指标的特征是测试值较为准确地反映理产品某一性能的真实情况,可作为产品设计或用户运行系统中的技术参数;2. 要求产品应按标准中对某一个性能检测项目指定的检测试验条件进行考核,如能“通过”则表示“合格”;例如所有产品的耐电压试验,产品的弯曲试验和船用电缆的耐振动试验等;此类检测项目实际上没有明确的技术指标值,而只要求经受住指定的考核条件;或者说,这些考核条件就是其技术指标;因为这些考核条件就是从确保产品长期安全运行的要求出发而加以选定的;例如耐电压试验是百分之百产品都在进行的检测项目,目的是考虑产品在工作电压下运行的可靠程度和发现绝缘中的严重缺陷如混有杂质、水分、机械外伤;同时也可暴露出制造过程中的缺点;但是产品的绝缘层如果要承受过高的试验电压和过长的加压时间是会损伤所有的绝缘层,造成绝缘的暗伤;因此耐压试验的电压值和加压时间的确定必须有一个原则:即既能暴露问题又不损伤绝缘;如果通过则表示能长期安全运行;根据电力系统中可能产生的电压值变化和长期积累的经验,耐压试验的电压一般规定为产品额定工作电压U的2~倍之间,低电压为相电压;耐压试验的时间通常为产品的倍数较小,中、高压的产品倍数较小;U5分钟;但110kv高压交联聚乙烯绝缘电力电缆的试验电压虽为,耐压时间却为30分钟;3. 对于要求应用于某些特殊场合或有特殊要求的产品,例如要求产品具有阻燃、耐火、耐核辐射如核电站用电缆,以及防鼠、防白蚁特性等;一般不再产品标准中列出检测项目,而是另外要按这些特殊要求专门编订的试验标准如“电线电缆燃烧试验方法”进行专项考核;即既要符合其产品标准又要符合某一专项试验标准;三性能检测项目与试验方法1. 应该说,性能检测项目和对应的试验方法是一个整体;要确立一项检测项目,首先要研究试验方法与设施;只有当试验方法与设施成熟后,即实验设施具有可操作性,实验结果有重复性、可比性以及便于判断之后,该项目才能确立;然后在研究确定技术标准;对电线电缆的产品来说,除了可以借用或引伸物理学中已经建立的测试方法来测定一些基本的电性能参数和构件材料的机械物理化学特性以外;大部分检测项目的试验方法必须自行研究确定,特别是由使用环境和使用条件提出的性能检测项目;因此,深入了解这几项内容与性能要求之间的内在联系就显得特别重要、2. 针对满足产品使用环境或使用条件提出的性能要求,其检测项目测试方法的研究,首先是从模拟其使用环境或条件出发的,例如在矿井中使用的矿用橡套电缆会受到被采矿石的砸碰、或被矿车挤压等;为此要设立一些考核承受这些外来机械力的检测项目,经长期研究试验确定下列方法后,抗机械冲击性能和抗挤压性能的检测项目才得以确立,并列入国家标准中;类似过程的检测项目比比皆是,几乎每一个线缆产品的标准中都有;A.矿用电缆的抗机械冲击试验过程:①安置好电缆试样;在电缆的3根动力线芯中施加三相交流额定电压,并接入检漏继电器;②启动试验机,冲锤从规定高度~,以导线截面大小分档自由落下,冲击电缆试样,一根试样应分别在5处试验,相邻两处的间距约为100mm;实验结果判断:按标准规定的每处冲击次数2-3次完成后,检漏继电器不动作时即相间绝缘没有破裂,则认为试样通过此项检测;B.矿用电缆的极压试验过程:①将2m长电缆试样按要求放置后,整体置于水压机或油压机中;电缆试样的动力线芯间施加三相交流额定电压,并接入检漏继电器;②气动压力机,缓缓增加压力至规定值30~40KN按电缆规格,即完成一次挤压;应分别在5处试验,相邻两处的间距约为100mm;实验结果:完成5处挤压后,检漏继电器不动作,则认为试样通过了此项试验;3. 对于反映电线电缆老化性能的检测项目,例如耐老化、耐油性等对高分子材料十分重要的性能检测项目;其试验方法通常是从成品上取下试样,置于一种加速老化的环境中保持一定时间;然后取出与未经过老化的样品做某些指标的对比试验;判别的标准是老化后试验的测试值限定在未老化试样测试值称为原始值的某一范围内,作为合格;由于高分子材料性能的差异性较大,因此通常要取10个试样同时进行老化试验,试验后进行性能测试如抗拉强度、断裂伸长率,再取其平均值作为试验结果;在1997年版的GB5013和GB5023标准中,对试验后的判别标准作了更为明确的修改,即规定了测试数据的最小中间值和最大变化率;表5 列出了几种产品的绝缘、护套老化试验条件作为实例;表5 电线电缆绝缘与护套老化试验条件举例二. 检查规则中的实验类型1. 在产品技术标准中除了列出了所有技术要求、性能检测项目指标外,还必须规定检查规则;检查规则一般采用列表的方式,这是制造厂质量监督检测部门必须严格执行和控制的内容;检测规则中依次列出检测试验的项目、技术要求即该表中的条文号、试验类型和试验方法;其中的试验方法只需说明线缆产品专门试验标准号或其中的条文号;对于没有通用试验方法的项目,则说明该标准条文中的或附录中的规定方法; 2. 检查规则中的试验类型指的是对所有的检测项目各以产品总量的何种比例进行检测;所有电线电缆产品性能检测项目的试验类型分为例行试验代号R、抽样试验S和形式试验T三种,现将这些试验类型的定义、选定原则列于表6中; 目前有个产品标准、所GB/T13849-93“聚烯烃绝缘聚烯烃护套市内通信电缆”中,将“中间控制”也作为检查规则中的一种试验类型;主要是要求中间检测控制个关键工序的结构尺寸;其原因是结构尺寸对通信电缆的传输性能影响非常直接;此外,有些企业为了以优质产品与市场竞争,对某些产品也在企业内的“产品检测过程中”中做出相应规定,即称为“质量监测点”;这与线缆制造必须特别重视中间控制的要求是一致的;表6 检测规则中的试验类型从表6中可见,抽样试验也是出厂试验的项目;这些项目对保证电线电缆产品的质量也十分重要;所以要采用抽样检测的方式,其原因如表中说明所述;把型式试验这种类型称为“判断和积累性试验”是因为:在制造厂进行型式试验时,通常要求同时进行全部的抽样检测项目,并加以积累;使对该产品的性能水平、裕度有较全面的掌握;对产品的结构、材料,以及制造工艺水平有一个综合性的评定;因此,每次型式试验之后,应有一个分析评估报告,并不断积累;第四节电线电缆的性能检测项目综上所述,电线电缆产品品种多、应用范围广,因此性能检测项目极为繁多;本节将性能检测按特性分类,尽可能全面地作些介绍;一. 结构尺寸及外观表7 结构尺寸及外观检测项目二. 电性能检测项目一基本电性能坚持表8 基本电性能检测二电力电缆的电性能检测电力电缆要求在高压下具有优良的电绝缘性能,除了表8中的基本电性能测试外,还必须通过多项型式试验来考核其安全裕度;以及模拟经过安装敷设弯曲后及成品电缆老化后的电性能;以确保电缆在长期运行中的安全可靠性;表9列出了对电力电缆的其他电性能检测项目;表9 电力电缆的电性能检测项目包括表8。
电线并线规范标准GB以下是电线电缆的国家标准:GB/T 4011—1983 1.2/4.4 mm同轴综合通信电缆GB/T 4012—1983 2.6/9.5 mm同轴综合通信电缆GB/T 5441.1—1985 通信电缆试验方法总则GB/T 5441.2 1985 通信电缆试验方法工作电容试验电桥法GB/T 5441.3—1985 通信电缆试验方法电容耦合及对地电容不平衡试验GB/T 5441.4—1985 通信电缆试验方法同轴对端阻抗及内部阻抗不均匀性试验脉冲法GB/T 5441.5—1985 通信电缆试验方法同轴对特性阻抗实部平均值试验谐振法GB/T 5441.6 1985 通信电缆试验方法串音衰减试验比较法GB/T 5441.7—1985 通信电缆试验方法衰减常数试验开短路法GB/T 5441.8 1985 通信电缆试验方法同轴对衰减常数频率特性试验比较法GB/T 5441.9 1985 通信电缆试验方法工频条件下理想屏蔽系数试验GB/T 5441.10—1985 通信电缆试验方法同轴对展开长度测量正弦波法GB/T 13849.1—1993 聚烯烃绝缘聚烯烃护套市内通信电缆第1部分一般规定GB/T 13849.2—1993 聚烯烃绝缘聚烯烃护套市内通信电缆第2部分铜芯、实心或泡沫(带皮泡沫)聚烯烃绝缘、非填充式、挡潮层聚乙烯护套市内通信电缆GB/T 13849.3—1993 聚烯烃绝缘聚烯烃护套市内通信电缆第3部分铜芯、实心或泡沫(带皮泡沫)聚烯烃绝缘、填充式、挡潮层聚乙烯护套市内通信电缆GB/T 13849.4—1993 聚烯烃绝缘聚烯烃护套市内通信电缆第4部分。
铜芯、实心聚烯烃绝缘(非填充)、自承式、挡潮层聚乙烯护套市内通信电缆GB/T 13849.5—1993 聚烯烃绝缘聚烯烃护套市内通信电缆第5部分铜芯、实心或泡沫(带皮泡沫)聚烯烃绝缘、隔离式(内屏敝)、挡潮层聚乙烯护套市内通信电缆GB/T 14316—2008 间距1.27 rnm绝缘刺破型端接式聚氯乙烯绝缘带状电缆GB/T 18015.1—2007 数字通信用对绞或星绞多芯对称电缆第1部分:总规范GB/T 18015.2—2007 数字通信用对绞或星绞多芯对称电缆第2部分:水平层布线电缆分规范GB/T 18015.3—2007 数字通信用对绞或星绞多芯对称电缆第3部分:工作区布线电缆分规范GB/T 18015.4—2007 数字通信用对绞或星绞多芯对称电缆第4部分:垂直布线电缆分规范GB/T 18015.5~2007 数字通信用对绞或星绞多芯对称电缆第5部分:具有600 MHz及以下传输特性的对绞或星绞对称电缆水平层布线电缆分规范GB/T 18015.6—2007 数字通信用对绞或星绞多芯对称电缆第6部分:具有600 MHZ及以下传输特性的对绞或星绞对称电缆工作区布线电缆分规范GB/T 21204.1—2007 用于严酷环境的数字通信用对绞或星绞多芯对称电缆第1部分:总规范GB/T 21430.1—2008 宽带数字通信(高速率数字接入通信网络)用对绞或星绞多芯对称电缆户外电缆第1部分:。
电线电缆标准一览第一篇:定义和要求1999-04-26 1999-12-10 GB/T 177738.1-1999 射频同轴电缆组件第1局部:总规X 一般要求和试验方法1999-04-26 1999-12-10 GB/T 11327.1-1999 聚氯乙烯绝缘聚氯乙烯护套低频通信电缆电线第1局部: 一般试验和测量方法 GB/T 11327.1-1989 1999-08-02 2000-03-01 GB/T 11327.2-1999 聚氯乙烯绝缘聚氯乙烯护套低频通信电缆电线第2局部: 局用电缆(对线组或三线组或四线组或五线组的) GB/T 11327.2-1989 1999-08-02 2000-03-01 GB/T 11327.3-1999 聚氯乙烯绝缘聚氯乙烯护套低频通信电缆电线第3局部: 终端电缆(对线组的) GB/T 11327.3-1989 1999-08-02 2000-03-01 GB/T 13993.2-1999 通信光缆系列第2局部: 干线和中继用室外光缆 GB/T 13993.2-1992 1999-08-02 2000-03-01 GB 7970-1999 通讯电缆纸 GB 7970-1987 1999-08-12 2000-02-01 GB/T 3333-1999 电缆纸工频击穿电压试验方法 GB/T 3333-1982 1999-08-12 2000-02-01 GB/T 3334-1999 电缆纸介质损耗角正切(tgδ)试验方法(电桥法) GB/T 3334-19821999-08-12 2000-02-01 GB/T 11028-1999 测定浸渍剂对漆包线基材粘结强度的试验方法GB/T 11028-1989 1999-09-13 2000-06-01 GB/T 4074.1-1999绕组线试验方法第1局部: 一般规定 GB/T 4074.1-1983GB/T 1343.1-1984 1999-11-10 2000-05-01 GB/T 4074.2-1999 绕组线试验方法第2局部: 尺寸测量 GB/T 4074.2-1983GB/T 1343.2-1984GB/T 1343.10-19841999-11-10 2000-05-01 GB/T 4074.3-1999 绕组线试验方法第3局部: 机械性能 GB/T 4074.3~.10-1983GB/T 4074.14-1983GB/T4074.27-1983GB/T 1343.3.~.7-1984 1999-11-11 2000-05-01 GB/T 4074.4-1999 绕组线试验方法第4局部: 化学性能 GB/T 4074.16-1983GB/T 4074.23-1983GB/T4074.26.28~.31-1983 1999-11-10 2000-05-01 GB/T 4074.5-1999 绕组线试验方法第5局部: 电性能 GB/T 4074.17~.19-1983GB/T 4074.20-1991GB/T 4074.22-1983GB/T 1343.8~.9-1984 1999-11-10 2000-05-01 GB/T 4074.6-1999 绕组线试验方法第6局部: 热性能 GB/T 4074.11~.13-1983GB/T 4074.21-1983GB/T4074.24~.25-1983 1999-11-10 2000-06-01 GB 18014-1999 电雷管引爆用聚氯乙烯绝缘电线 1999-11-11 2000-10-01 GB/T 18015.1-1999数字通信用对绞或星绞多芯对称电缆第1局部: 总规X 1999-11-11 2000-05-01 GB/T 18015.2-1999 数字通信用对绞或星绞多芯对称电缆第2局部: 水平层布线电缆分规X 1999-11-11 2000-05-01 GB/T 18015.3-1999 数字通信用对绞或星绞多芯对称电缆第3局部: 水平层布线电缆空白详细规X 1999-11-11 2000-05-01 GB/T18015.4-1999 数字通信用对绞或星绞多芯对称电缆第4局部: 工作区布线电缆分规X 1999-11-11 2000-05-01 GB/T 18015.5-1999 数字通信用对绞或星绞多芯对称电缆第5局部: 工作区布线电缆空白详细规X 1999-11-11 2000-05-01 GB/T18015.6-1999 数字通信用对绞或星绞多芯对称电缆第6局部: 垂直布线电缆分规X 1999-11-11 2000-05-01 GB/T 18015.7-1999 数字通信用对绞或星绞多芯对称电缆第7局部: 垂直布线电缆空白详细规X 1999-11-11 2000-05-01 GB/T 1179-1999 圆线同心绞架空导线 GB 1179-1983、GB 19329-1988 1999-12-30 2000-08-01 GB/T 17937-1999 电工用铝包钢线 1999-12-30 2000-08-01 GB/T 12507.1-2000光纤光缆连接器第1局部:总规X GB/T 12507-1990 2000-01-03 2000-08-01 GB/T 18051-2000 潜油电泵振动试验方法 2000-4-14聚氯乙烯绝缘电线〔GB5023.2-85)聚氯乙烯绝缘电线用途:本产品适用于交流额定电压450/750V与以下的动力装置的固定敷设。
机构名称:中国电子科技集团公司第二十三研究所检验中心注册号:L0494地址:A:上海市宝山区铁山路230号获准认可能力索引Name:The 23rd Research Institute Test Center of CETC Registration No.:L0494ADDRESS:A: No.230, Tieshan Road, Baoshan District, Shanghai, ChinaINDEX OF ACCREDITED SIGNATORIESISO/IEC 17025 认可证书 CNAS-PD20/09-B/1N o. CNAS L0494 第 3 页 共 164 页Should there be any inconsistencies between Chinese and English versions of the scope of accreditation, the Chinese version shall prevail in that the English version is provided by theconformity assessment body and is for reference only.中国合格评定国家认可委员会认 可 证 书 附 件(注册号:CNAS L0494)名称: 中国电子科技集团公司第二十三研究所检验中心 地址:上海市宝山区铁山路230号签发日期:2013年06月28日 有效期至:2016年06月27日更新日期:2013年06月28日CHINA NATIONAL ACCREDITATION SERVICE FOR CONFORMITY ASSESSMENTAPPENDIX OF ACCREDITATION CERTIFICATE(Registration No. CNAS L0494)NAME:The 23rd Research Institute Test Center of CETCADDRESS:No.230, Tieshan Road, Baoshan District, Shanghai, ChinaDate of Issue:2013-06-28 Date of Expiry:2016-06-27 Date of Update :2013-06-28ISO/IEC 17025 认可证书 CNAS-PD20/09-B/1 N o. CNAS L0494 第 5 页 共 164 页Should there be any inconsistencies between Chinese and English versions of the scope of accreditation, the Chinese version shall prevail in that the English version is provided by theconformity assessment body and is for reference only.中国合格评定国家认可委员会认 可 证 书 附 件(注册号:CNAS L0494)名称: 中国电子科技集团公司第二十三研究所检验中心 地址:上海市宝山区铁山路230号认可依据:ISO/IEC 17025:2005以及CNAS 特定认可要求签发日期:2013年06月28日 有效期至:2016年06月27日更新日期:2013年06月28日附件2 认可的检测能力范围ISO/IEC 17025 认可证书CNAS-PD20/09-B/1N o. CNAS L0494 第7 页共164 页Should there be any inconsistencies between Chinese and English versions of the scope of accreditation, the Chinese version shall prevail in that the English version is provided by the conformity assessment body and is for reference only.ISO/IEC 17025 认可证书CNAS-PD20/09-B/1N o. CNAS L0494 第9 页共164 页Should there be any inconsistencies between Chinese and English versions of the scope of accreditation, the Chinese version shall prevail in that the English version is provided by the conformity assessment body and is for reference only.N o. CNAS L0494 第11 页共164 页Should there be any inconsistencies between Chinese and English versions of the scope of accreditation, the Chinese version shall prevail in that the English version is provided by the conformity assessment body and is for reference only.N o. CNAS L0494 第13 页共164 页Should there be any inconsistencies between Chinese and English versions of the scope of accreditation, the Chinese version shall prevail in that the English version is provided by the conformity assessment body and is for reference only.N o. CNAS L0494 第15 页共164 页Should there be any inconsistencies between Chinese and English versions of the scope of accreditation, the Chinese version shall prevail in that the English version is provided by the conformity assessment body and is for reference only.N o. CNAS L0494 第17 页共164 页Should there be any inconsistencies between Chinese and English versions of the scope of accreditation, the Chinese version shall prevail in that the English version is provided by the conformity assessment body and is for reference only.N o. CNAS L0494 第19 页共164 页Should there be any inconsistencies between Chinese and English versions of the scope of accreditation, the Chinese version shall prevail in that the English version is provided by the conformity assessment body and is for reference only.N o. CNAS L0494 第21 页共164 页Should there be any inconsistencies between Chinese and English versions of the scope of accreditation, the Chinese version shall prevail in that the English version is provided by the conformity assessment body and is for reference only.N o. CNAS L0494 第23 页共164 页Should there be any inconsistencies between Chinese and English versions of the scope of accreditation, the Chinese version shall prevail in that the English version is provided by the conformity assessment body and is for reference only.N o. CNAS L0494 第25 页共164 页Should there be any inconsistencies between Chinese and English versions of the scope of accreditation, the Chinese version shall prevail in that the English version is provided by the conformity assessment body and is for reference only.N o. CNAS L0494 第27 页共164 页Should there be any inconsistencies between Chinese and English versions of the scope of accreditation, the Chinese version shall prevail in that the English version is provided by the conformity assessment body and is for reference only.N o. CNAS L0494 第29 页共164 页Should there be any inconsistencies between Chinese and English versions of the scope of accreditation, the Chinese version shall prevail in that the English version is provided by the conformity assessment body and is for reference only.N o. CNAS L0494 第31 页共164 页Should there be any inconsistencies between Chinese and English versions of the scope of accreditation, the Chinese version shall prevail in that the English version is provided by the conformity assessment body and is for reference only.N o. CNAS L0494 第33 页共164 页Should there be any inconsistencies between Chinese and English versions of the scope of accreditation, the Chinese version shall prevail in that the English version is provided by the conformity assessment body and is for reference only.N o. CNAS L0494 第35 页共164 页Should there be any inconsistencies between Chinese and English versions of the scope of accreditation, the Chinese version shall prevail in that the English version is provided by the conformity assessment body and is for reference only.N o. CNAS L0494 第37 页共164 页Should there be any inconsistencies between Chinese and English versions of the scope of accreditation, the Chinese version shall prevail in that the English version is provided by the conformity assessment body and is for reference only.N o. CNAS L0494 第39 页共164 页Should there be any inconsistencies between Chinese and English versions of the scope of accreditation, the Chinese version shall prevail in that the English version is provided by the conformity assessment body and is for reference only.N o. CNAS L0494 第41 页共164 页Should there be any inconsistencies between Chinese and English versions of the scope of accreditation, the Chinese version shall prevail in that the English version is provided by the conformity assessment body and is for reference only.N o. CNAS L0494 第43 页共164 页Should there be any inconsistencies between Chinese and English versions of the scope of accreditation, the Chinese version shall prevail in that the English version is provided by the conformity assessment body and is for reference only.N o. CNAS L0494 第45 页共164 页Should there be any inconsistencies between Chinese and English versions of the scope of accreditation, the Chinese version shall prevail in that the English version is provided by the conformity assessment body and is for reference only.N o. CNAS L0494 第47 页共164 页Should there be any inconsistencies between Chinese and English versions of the scope of accreditation, the Chinese version shall prevail in that the English version is provided by the conformity assessment body and is for reference only.N o. CNAS L0494 第49 页共164 页Should there be any inconsistencies between Chinese and English versions of the scope of accreditation, the Chinese version shall prevail in that the English version is provided by the conformity assessment body and is for reference only.。
电缆光缆设备认证实施规则(VD.7)(修订日期:2012-04-24)泰尔认证中心此次修订内容:本次修订了以下内容:增加新产品“接入网用光电混合缆”。
目录1.适用范围 (1)2.认证模式 (1)3.认证的基本环节 (2)3.1认证的申请 (2)3.2型式试验 (2)3.3初始工厂检查 (2)3.4认证结果评价与批准 (2)3.5获证后的监督 (2)4.认证实施 (2)4.1认证申请 (2)4.2型式试验 (3)4.3初始工厂检查 (54)4.4认证结果评价与批准 (56)4.5获证后的监督 (56)4.6复评 (58)5.认证证书 (59)5.1认证证书的保持 (59)5.2认证证书覆盖产品的扩展 (59)5.3认证范围变化 (60)5.4认证证书的暂停、注销和撤消 (60)6.认证标志使用的规定 (61)7.收费 (61)附件1 (62)附件2 (72)附件3 (75)附件4 (76)附件5 (76)附件6: (76)电缆光缆设备认证实施规则1.适用范围本实施规则适用于组织向泰尔认证中心(TLC)申请的电缆、光缆设备自愿性产品认证。
本规则中的电缆、光缆设备包括:电缆:市内通信电缆、(射频、局用、接入网用、无线通信用、基站用、漏泄)同轴电缆、宽带用市内通信电缆、阻燃耐火软电缆、数字通信电缆、地下通信管道用塑料管、地下通信管道用硬聚氯乙烯(PVC-U)多孔管、局用对称电缆、无卤阻燃成端电缆、适用于xDSL传输的引入电缆、电话网用户铜芯室内线。
光缆:(层绞式、中心管式、骨架式)室外通信光缆、光纤带(中心管式、骨架式、层绞式)室外通信光缆、全介质自承式室外通信光缆(ADSS)、终端光缆组件用单芯和双芯光缆、房屋布线用单芯和双芯光缆、多芯(单模、多模)室内通信光缆、光纤带室内通信光缆、单模光纤(B1、B4、B6类)、多模光纤、塑料光纤、海底光缆、塑料光缆、气吹微型光缆及光纤单元、光纤复合架空地线(不含高压电性能、特种机械性能)、接入网用室内外光缆、接入网用蝶形引入光缆、接入网用光电混合缆。
各行业电线缆阻燃性能行业标准大全随着社会生产及民众生活对电力的依赖不断增加,大量橡塑绝缘电线电缆应用于各类建设工程,在传输电能、改善建筑功能的同时也给各行业防火安全带来挑战。
研制开发各种高性能阻燃电缆并在工程中强化应用是有效应对措施之一。
因此,认识和推广阻燃电缆的制造应用及检验认证对各行业防火安全具有重要意义。
所以,本文就为大家介绍各行业对于线缆燃烧性能的技术要求及其法规。
1.电力行业GB/T12706.1-2008(IEC60502.1:2009)额定电压1kV(Um=1.2kV)到35kV(Um=40.5kV)挤包绝缘电力电缆及附件第1部分:额定电压1kV (Um=1.2kV)和3kV(Um=3.6kV)电缆技术要求:1)全部要求通过:单根垂直燃烧GB/T18380.12(IEC60332-1-2)ST8护套的无卤电缆,要求通过GB/T18380.35(IEC60332-3-24)C类,2)GB/T17650.2(IEC60754-2)、GB/T17651.2(IEC61034.2)、GB/T17650.1(IEC60754-1)卤酸气体释出量小于0.5%、IEC60684-2氟含量小于0.1% 3)GB/T12706.2-2008(IEC60502-2:2005)只要求ST1、ST2和SE1护套电缆通过GB/T18380.12(IEC60332-1-2)4)GB/T12706.3-2008(IEC60502-4:2005)、GB/T11017—2002(IEC60840-1999)、GB/T18889—2002、GB/Z18890—2002(IEC62067:2001)无燃烧性能要求2.通信行业YD/T838.1-2003数字通信用对绞/星绞对称电缆第1部分:总则YD/T1114-2001无卤阻燃光缆GB/T18015.1-1999数字通信用对绞或星绞多芯对称电缆第1部分:总规范技术要求:1)全部要求通过:单根垂直燃烧GB/T18380.12(IEC60332-1-2)或GB/T18380.22(IEC60332-2-2)和GB/T18380.3(IEC60332-3)相应的A、B、C、D类2)无卤低烟电缆要求通过:GB/T17650.2(IEC60754-2)、GB/T17651.2(IEC61034.2)、GB/T17650.1(IEC60754-1)3)其它大部分标准(例如:GB/T13993.1-2004通信光缆系列第1部分:总则)均无燃烧性能要求3.铁路交通行业TB/T1484.1~4-2010机车车辆电缆技术要求:1)全部要求通过:单根垂直燃烧GB/T18380.12(IEC60332-1-2)标准壁厚电缆通过GB/T18380.35(IEC60332-3-24),薄壁绝缘电缆通过GB/T18380.35(IEC60332-3-24)或GB/T18380.36(IEC60332-3-25)2)除中压电力电缆外,全部通过GB/T17650.2(IEC60754-2)、GB/T17651.2(IEC61034.2)烟密度透光率>80%、GB/T17650.1(IEC60754-1)氯化氢释放量<0.5%和EN50305毒性指数<53)TB/T3100.1.5-2004铁路数字信号电缆阻燃电缆要求通过GB/T18380.35(IEC60332-3-24)4)TJ-CL254-2013铁道客车用电线电缆技术条件(V1.0)5)TJ-CL313-2013动车组电线电缆技术条件(暂行)6)EN50306系列和EN50264系列等,基本要求与TB/T1484相仿4.煤矿行业MT818.1-2009煤矿用电缆第1部分:移动软电缆一般规定和MT/T386-2011煤矿用电缆阻燃性能的试验方法和判定规则技术要求:1)全部要求通过:单根垂直燃烧GB/T18380.12(IEC60332-1-2);2)动力电缆50mm2以上要求GB/T18380.32(IEC60332-3-21)AF/R类,50mm2以下要求GB/T18380.34(IEC60332-3-23)B类,6mm2以上要求MT/T386-2011负载条件下的燃烧;3)控制电缆要求GB/T18380.34(IEC60332-3-23)B类;4)通信电缆(包括通信光缆)要求GB/T18380.35(IEC60332-3-24)C 类。
IEC标准目录表序号标准号国际标准分类号(ICS)发布时间英文名称中文名称版本(Ed.)(分)技术委员会代替标准1 IEC/PAS 60050-73235.020. ;01.040.012007-06-06International Electrotechnical Vocabulary -Part 732: Computer network technology国际电工词汇第732部分:计算机网络技术2 IEC 60191-6-1331.080.012007-06-27Mechanical standardization ofsemiconductor devices - Part 6-13: Designguideline of open-top-type sockets forFine-pitch Ball Grid Array and Fine-pitchLand Grid Array (FBGA/FLGA)半导体器件的机械标准化第6-13部分:小间距球栅阵列和小间距盘栅阵列用的顶部开口型插座设计指南(FBGA/FLGA)1.0TC47D3 IEC 60286-3 31.020. ;31.240.2007-06-06Packaging of components for automatichandling - Part 3: Packaging of surfacemount components on continuous tapes自动化操作元器件的包装第3部分:连续带上表面安装元器件的包装4 IEC 60384-4 Corr.1 31.060.50 2007-06-06 Corrigendum 1 - Fixed capacitors for use inelectronic equipment - Part 4: Sectionalspecification - Aluminium electrolyticcapacitors with solid (MnO2) and non-solidelectrolyte勘误表1《电子设备用固定电容器第4部分:分规范具有固体(MnO2)和非固体电解质铝电解电容器》5 IEC 60404-8-6TC 6829.030.2007-06-14Magnetic materials - Part 8-6: Specificationsfor individual materials - Soft magneticmetallic materials磁性材料第8-6部分:个材规范软磁金属材料2.16 IEC 60519-11 25.180.102007-06-22Safety in electroheat installations - Part 11:Particular requirements for installationsusing the effect of electromagnetic forces onliquid metals电加热装置的安全性第11部分: 使用液体金属电磁力作用装置的专门要求2.0 TC 277 IEC 60598-2-8-am2 29.140.40 2007-06-06 Amendment 2 - Luminaires - Part 2-8:Particular requirements – Hand lamps修改2《光源第2-8部分:专门要求手灯》8 IEC 60793-2-10 33.180.10 2007-06-05Optical fibres - Part 2-10: Productspecifications - Sectional specification for光纤第2部分:产品规范A1类多模纤维分规范category A1 multimode fibres9 IEC 60947-1 29.130.20 2007-06-06 Low-voltage switchgear and controlgear -Part 1: General rules低压开关设备和控制器第1部分:总规则10 IEC 61000-4-4 Corr.2 33.100.20 2007-06-06Corrigendum 2 - Electromagneticcompatibility (EMC) - Part 4-4: Testing andmeasurement techniques - Electrical fasttransient/burst immunity test勘误表2《电磁兼容性(EMC)第4 -4部分:试验和测量技术电的瞬间现象/ 阻燃性试验》11 IEC 61156-1 33.120.20 2007-06-06 Multicore and symmetrical pair/quad cablesfor digital communications - Part 1: Genericspecification数字通信用对绞或星绞多芯对称电缆第1部分:总规范12 IEC 61156-5-1 33.120.20 2007-06-06Multicore and symmetrical pair/quad cablesfor digital communications - Part 5-1:Symmetrical pair/quad cables withtransmission characteristics up to 1 000 MHz- Horizontal floor wiring - Blank detailspecification数字通信用对绞或星绞多芯对称电缆第5-1部分:1000MHz以下传输特性的对称对绞/星绞电缆水平场地配线空白详细规范13 IEC 61156-6 33.120.20 2007-06-05Multicore and symmetrical pair/quad cablesfor digital communications - Part 6:Symmetrical pair/quad cables withtransmission characteristics up to 1 000 MHz- Work area wiring - Sectional specification数字通信用对绞或星绞多芯对称电缆第6部分:1000MHz以下传输特性的对称对绞/星绞电缆工作区配线分规范14 IEC 61156-6-1 33.120.20 2007-06-06Multicore and symmetrical pair/quad cablesfor digital communications - Part 6-1:Symmetrical pair/quad cables withtransmission characteristics up to 1 000 MHz- Working area wiring - Blank detailspecification数字通信用对绞/星绞多芯对称电缆第6-1部分:1000MHz以下传输特性的对称对绞/星绞电缆工作区配线空白详细规范15 IEC/PAS 61169-38 33.120.20 2007-06-05Radio-frequency connectors - Part 38:Sectional specification - Radio-frequencycoaxial connectors model, slide-in (rack andpanel applications) - Characteristic无线电频率连接器第38部分:分规范无线电频率同轴连接器模式滑入(架子或面板用)性能阻抗50 Ω(TMAimpeda nce 50 Ω (type TMA) - 50 Ωapplications型)50 Ω用16 IEC 61300-2-49 33.180.20 2007-06-06Fibre optic interconnecting devices andpassive components - Basic test andmeasurement procedures - Part 2-49: Tests- Connector installation test纤维光学互连器件和无源元件基本试验方法程序第2-49部分:试验连接器安装试验17 IEC 61300-2-50 33.180.20 2007-06-05Fibre optic interconnecting devices andpassive components - Basic test andmeasurement procedures - Part 2-50: Tests- Fibre optic connector proof test with staticload - Singlemode and multimode纤维光学互连器件和无源元件基本试验方法程序第2-50部分:试验有静负载的光纤连接器检验试验单模和多模18 IEC 61300-2-51 33.180.20 2007-06-05Fibre optic interconnecting devices andpassive components - Basic test andmeasurement procedures - Part 2-51: Tests- Fibre optic connector test for transmissionwith applied tensile load - Singlemode andmultimode纤维光学互连器件和无源元件基本试验方法程序第2-51部分:试验有静负载的光纤连接器检验试验单模和多模19 IEC 61892-4 47.020.60 2007-06-05 Mobile and fixed offshore units - Electricalinstallations - Part 4: Cables移动和固定的近海工程装置电气安装.第4部分:电缆20 IEC 62026-129.130.202007-06-25Low-voltage switchgear and controlgear -Controller-device interfaces (CDIs) - Part 1:General rules低电压开关和控制器控制器件接口(CDI) 第1部分:总规则2.0 SC 17B21 IEC 62264-325.040.01;35.240.502007-06-06Enterprise-control system integration - Part3: Activity models of manufacturingoperations management企业控制系统综合第3部分:生产操作管理活动模型22 IEC 62312-233.160. 2007-06-14Guideline for synchronization of audio andvideo - Part 2: Methods for synchronizationof audio and video systems音频和视频同步指南第2部分:音频和视频同步方法1.0TC 10023 IEC 62351-333.200.2007-06-22Power systems management and associatedinformation exchange - Data andcommunications security - Part 3:功率系统管理和联合信息交换数据通信安全性第3部分:通信网络和系统安全性1.0TC 57Communication network and system security- Profiles including TCP/IP包括TCP/IP的剖面24 IEC 62351-4 33.200.2007-06-22Power systems management and associatedinformation exchange - Data andcommunications security - Part 4: Profilesincluding MMS功率系统管理和联合信息交换数据和通信安全性第4部分:包括MMS的剖面1.0 TC 5725 IEC 62351-6 33.200.2007-06-22Power systems management and associatedinformation exchange - Data andcommunications security - Part 6: Securityfor IEC 61850功率系统管理和联合信息交换数据和通信安全性第6部分:IEC61850的安全性1.0 TC 5726 IEC 62402 21.020. 2007-06-14 Obsolescence management - Applicationguide报废管理应用指南 1.0TC 5627 IEC 62447-2 33.160.402007-06-14Helical-scan compressed digital videocassette system using 6,35 mm magnetictape - Format D-12 - Part 2: Compressionformat使用 6.35mm磁带的压缩数字录像盒式磁带系统的螺旋状扫描格式D-12 第2部分:压缩格式1.0TC 10028 IEC 62447-1 33.160.40 2007-06-05Helical-scan compressed digital videocassette system using 6,35 mm magnetictape - Format D-12 - Part 1: VTRspecifications使用 6.35mm磁带的压缩数字电视盒式磁带系统的螺旋状扫描格式D-12 第1部分:VTR规范29 IEC 62447-3 33.160.40 2007-06-06Helical-scan compressed digital videocassette system using 6,35 mm magnetictape - Format D-12 - Part 3: Data streamformat使用 6.35mm磁带的压缩数字电视盒式磁带系统的螺旋状扫描格式D-12 第3部分:数字串格式30 IEC 6245533.170. ;35.100. ;35.240.992007-06-06Internet protocol (IP) and transport stream(TS) based service access互联网协议(IP)和基于服务访问的传输流(TS)。
GBT~数字通信用对绞或星绞多芯对称电缆标准GB/T 18015.1~18015.7-1999目次前言 (Ⅲ)IEC前言 (Ⅳ)GB/T 18015.1-1999数字通信用对绞或星绞多芯对称电缆第1部分:总规范 (1)GB/T 18015.2-1999数字通信用对绞或星绞多芯对称电缆第2部分:水平层布线电缆分规范 (16)GB/T 18015.3-1999数字通信用对绞或星绞多芯对称电缆第3部分:水平层布线电缆空白详细规范 (23)GB/T 18015.4-1999数字通信用对绞或星绞多芯对称电缆第4部分:工作区布线电缆分规范 (27)GB/T 18015.5-1999数字通信用对绞或星绞多芯对称电缆第5部分:工作区布线电缆空白详细规范 (33)GB/T 18015.6-1999数字通信用对绞或星绞多芯对称电缆第6部分:垂直布线电缆分规范 (37)GB/T 18015.7-1999数字通信用对绞或星绞多芯对称电缆第7部分:垂直布线电缆空白详细规范 (43)GB/T 18015.1~18015.7-1999前言本标准等同采纳IEC 1156《数字通信用对绞或星绞对称电缆》系列标准。
这一系列标准分别为:IEC 1156-1:1994 数字通信用对绞或星绞多芯对称电缆第1部分:总规范IEC 1156-2:1995 数字通信用对绞或星绞多芯对称电缆第2部分:水平层布线电缆分规范IEC 1156-2-1:1995 数字通信用对绞或星绞多芯对称电缆第2部分:水平层布线电缆第1节:空白详细规范IEC 1156-3:1995 数字通信用对绞或星绞多芯对称电缆第3部分:工作区布线电缆分规范IEC 1156-3-1:1995 数字通信用对绞或星绞多芯对称电缆第3部分:工作区布线电缆第1节:空白详细规范IEC 1156-4:1995 数字通信用对绞或星绞多芯对称电缆第4部分:垂直布线电缆分规范IEC 1156-4-1:1995 数字通信用对绞或星绞多芯对称电缆第4部分:垂直布线电缆第1节:空白详细规范与IEC 1156 系列标准相对应,本标准在《数字通信用对绞或星绞多芯对称电缆》的总标题下分为以下部分:第1部分(GB/T 18015.1-1999):总规范第2部分(GB/T 18015.2-1999):水平层布线电缆分规范第3部分(GB/T 18015.3-1999):水平层布线电缆空白详细规范第4部分(GB/T 18015.4-1999):工作区布线电缆分规范第5部分(GB/T 18015.5-1999):工作区布线电缆空白详细规范第6部分(GB/T 18015.6-1999):垂直布线电缆分规范第7部分(GB/T 18015.7-1999):垂直布线电缆空白详细规范其中第2,4,6 部分应与第1 部分一起使用;第3部分应与第1部分和第2部分一起使用:第5部分应与第1部分和第4部分一起使用:第7部分应与第1部分和第6部分一起使用。
中华人民共和国通信行业标准大楼通信综合布线系统第1部分:总规范YD/T 926.1—2001 neq ISO/IEC 11801:1999 代替YD/T926.1—19971 范围本部分规定了接入网内大楼通信综合布线系统的总体结构、要求、试验方法与验收等。
本部分中大楼指各种商务大楼、办公大楼及综合性大楼等,但不包括普通住宅楼。
大楼可以是单个的建筑物或包含多个建筑物的建筑群。
本部分适用于跨距不超过3000m、办公总面积不超过1000000m2的布线区域,区域内的人员为50~50000人。
布线区域超出上述范围时,也可以参考使用本部分。
本部分规定的综合布线系统可以支持话音、数据、文字、图像和视频等各种应用。
2 引用标准下列标准所包含的条文,通过在本标准中引用而构成为本标准的条文。
本标准出版时,所示版本均为有效。
所有标准都会被修订,使用本标准的各方应探讨使用下列标准最新版本的可能性。
GB9254-1988 信息技术设备的无线电干扰特性的极限值和测量方法GB/T9771.1-2000 通信用单模光纤系列第1部分:非色散位移单模光纤系列GB/T11327.1-1999 聚氯乙烯护套聚氯乙烯绝缘低频电线电缆第1部分:一般试验和测量方法GB/T12357—1990 通信用多模光纤系列GB/T15629.3—1995 信息处理系统局域网第3部分:带碰撞检测的载波侦听多址访问(CSMA/CD)的访问方法和物理层规范GB/T15629.4-1997 信息处理系统局域网第4部分:令牌传递总线访问方法和物理层规范GB/T15629.5—1996 信息技术局域网和城域网第5部分:令牌环访问方法和物理层规范GB/T15972.4-1998 光纤总规范第4部分:传输特性和光学特性试验方法GBJ42-81 工业企业通信设计规范GBJ79-85 工业企业通信接地设计规范YD/T838.1-1996 数字通信用多芯对绞/星绞对称电缆第1部分:总规范YD/T926.2-2001 大楼通信综合布线系统第2部分:综合布线用电缆、光缆技术要求YD/T2008—1993 城市住宅区和办公楼电话通信设施设计标准ITU-TG.117:1996 对地不平衡的传输特性ITU-TO.9:1999 确定对地不平衡度的测量装置3 定义3.1 应用系统application(system)采用某种传输方式的系统,这个系统能在综合布线上正常运行。
数字通信用对绞或星绞多芯对称电缆第41部分:垂直布线电缆 空白详细规范1 范围本文件适用于数字通信用对绞或星绞多芯对称垂直布线电缆的垂直布线。
本文件确定数字通信用对绞或星绞多芯对称垂直布线电缆详细规范的框架与编写格式。
以空白详细规范为基础的详细规范可由国家标准化组织、制造商或用户制订。
2 规范性引用文件下列文件中的内容通过文中的规范性引用而构成本文件必不可少的条款。
其中,注日期的引用文件,仅该日期对应的版本适用于本文件;不注日期的引用文件,其最新版本(包括所有的修改单)适用于本文件。
GB/T 18015.1-2017 数字通信用对绞或星绞多芯对称电缆 第1部分:总规范(IEC 61156-1:2007,MOD)GB/T 18015.4-202X 数字通信用对绞或星绞多芯对称电缆 第4部分:垂直布线电缆 分规范(IEC 61156-4:2009,IDT)IEC 61156-1:2023 数字通信用对绞或星绞多芯对称电缆 第1部分:总规范(MULTICORE AND SYMMETRICAL PAIR/QUAD CABLES FOR DIGITAL COMMUNICATIONS –Part 1: Generic specification)3 术语和定义GB/T 18015.1-2017界定的术语和定义适用于本文件。
4 详细规范制订导则应保持相关分规范对各类电缆(3类或5类)规定的传输性能和特性阻抗。
详细规范应按照空白详细规范的框架编写,框架是本空白详细规范的组成部分。
注: 当一项性能不适用,则相应的空白处宜填入“不适用”。
当一项性能适用但具体数值不必考虑,则相应空白处宜填入“未规定”。
在本页及后面各页的方括号内的字母对应于下列各项必要的信息,应将这些信息填入所留的空白处。
[1] 制订该文件的机构名称和地址;[2] 国家标准编号,版本号和发布日期;[3] 可获得文件的机构地址;[4] 相关文件;[5] 其他电缆参考资料、国内参考资料、商业名称等.[6] 电缆的详细说明:a) 电缆元件的类型和数量;b) 标称阻抗;c) 屏蔽;d) 应用;e) 电缆类别;f) 其他显著的性能特性;示例:数字通信用25对无总屏蔽垂直布线电缆,标称阻抗100Ω,满足5类电缆要求[7] 电缆材料和结构的详细说明;[8] 弯曲半径或运行温度的特殊要求;[9] 电缆性能表。