地下室外墙单侧支模工艺介绍
- 格式:doc
- 大小:2.34 MB
- 文档页数:14
浅析地下室外墙单面支模施工工艺的设计地下室外墙单面支模施工工艺设计是指在进行地下室外墙施工时,只在地面一侧固定支模进行浇筑混凝土的一种施工工艺。
下面对地下室外墙单面支模施工工艺设计进行浅析。
1.施工准备:首先要进行地下室外墙的设计,包括墙体布置、尺寸和形状等。
然后按照设计要求制定施工方案和施工工艺。
2.支模搭设:根据设计要求,在地下室外墙的外侧固定支模。
支模可以使用木模板或钢模板,确保支模的立柱和横梁间距、支撑点等均匀分布,使支模能够承受混凝土浇筑的压力。
3.垂直度控制:通过调整支模的水平度和垂直度,使地下室外墙的墙体面垂直度满足设计要求。
可以使用水平仪、垂直仪等测量工具进行精确控制。
4.砼浇筑:浇筑混凝土前,要进行检查支模的安全可靠性,如支模的链接处是否牢固、支模是否出现松动等。
然后进行混凝土的配制和搅拌,并按照设计要求进行浇筑。
在浇筑过程中,要密切监控混凝土的流动性和充实度,确保混凝土能填充完整,并防止产生空洞。
5.需要注意的问题:地下室外墙单面支模施工工艺设计需要注意以下几个问题:-构造安全性:支模的稳定性和承载能力要经过计算和验证,以确保施工过程中不会发生支模倒塌等安全事故。
-浇筑质量:混凝土的配合比要根据设计要求进行调整,控制好水灰比、骨料的质量和比例,以及混凝土的坍落度。
同时,要对混凝土的浇筑速度和压实程度进行控制,以保证浇筑质量。
-温度控制:在施工过程中,要注意控制混凝土的温度,防止因过早干燥或过快升温导致混凝土的开裂和质量问题。
-施工顺序:地下室外墙的单面支模施工需要按照一定的顺序进行,一般是从下往上进行,先进行底部的墙体施工,然后逐层向上进行。
总结起来,地下室外墙单面支模施工工艺设计是一个复杂的过程,需要考虑多个因素,如施工安全性、浇筑质量、温度控制和施工顺序等。
通过合理的设计和施工,能够保证地下室外墙的质量和稳定性。
地下室外墙单侧支模工艺方案
本文档旨在提供地下室外墙单侧支模工艺方案。
1. 工艺介绍
单侧支模工艺是指在墙体的一侧设置支撑模板,通过支撑模板的支撑来实现对墙体的施工。
这种工艺常用于地下室外墙的施工,具有简化施工流程和节约材料的优点。
2. 工艺流程
2.1 准备工作:
- 清理施工区域,确保地面坚实平整;
- 准备支撑模板和相关施工工具。
2.2 模板设置:
- 根据设计要求和施工图纸,确定支撑模板的位置和尺寸;
- 使用支撑杆和连接件将支撑模板固定在墙体一侧;
- 调整支撑模板的垂直度和水平度,确保稳定性和准确性。
2.3 混凝土浇筑:
- 根据施工计划和混凝土供应情况,确定浇筑时间;
- 进行混凝土的搅拌、运输和倒入;
- 使用振动棒对混凝土进行振捣,确保混凝土的密实性。
2.4 混凝土养护:
- 在混凝土浇筑完成后,及时进行养护措施;
- 使用覆盖材料或喷淋水对混凝土表面进行保湿;
- 根据养护周期和施工要求,进行持续的养护工作。
3. 安全注意事项
在进行地下室外墙单侧支模工艺时,需要注意以下安全事项:- 工作人员必须佩戴个人防护装备,如安全帽、手套等;
- 确保支撑模板和连接件的质量良好,避免意外事故;
- 严格按照施工计划和操作规程进行作业,避免施工错误带来的风险。
以上为地下室外墙单侧支模工艺方案的基本内容,具体操作细节请根据实际情况进行调整和补充。
地下室外墙单面支模在建筑施工领域,地下室外墙的施工一直是一个具有挑战性的环节,而单面支模技术则是解决这一难题的有效方法之一。
今天,就让我们来深入了解一下地下室外墙单面支模。
地下室外墙单面支模,顾名思义,就是在地下室外墙的一侧进行模板支撑的施工方式。
这种施工方式通常应用于地下室周边空间受限,无法进行双侧支模的情况。
要成功实施地下室外墙单面支模,首先得做好充分的施工准备工作。
这包括对施工图纸的详细研究,了解地下室外墙的尺寸、形状、高度等参数,从而确定支模的具体方案。
同时,还需要对施工现场进行勘察,掌握周边的地形地貌、地下水位等情况,为后续的施工提供可靠依据。
在材料选择方面,模板的质量至关重要。
一般会选用高强度、刚度好的模板材料,如钢模板或木模板。
对于钢模板,其优点是耐用、重复使用次数多,但成本相对较高;木模板则成本较低,但使用次数有限。
此外,还需要配备足够数量的支撑件,如钢管、方木等,以确保模板的稳定性。
支模的施工流程也是有严格要求的。
首先是测量放线,确定地下室外墙的位置和尺寸,然后进行模板的安装。
安装模板时,要确保模板的平整度和垂直度,避免出现偏差。
接着是加固模板,通过设置对拉螺栓、斜撑等方式,增强模板的稳定性。
在这一过程中,施工人员需要严格按照设计要求和施工规范进行操作,不得随意更改。
在混凝土浇筑环节,同样需要特别注意。
要选择合适的混凝土配合比,确保混凝土的强度和流动性满足施工要求。
浇筑时,应分层进行,每层厚度不宜过大,以免产生混凝土离析等问题。
同时,要加强振捣,使混凝土密实均匀,避免出现蜂窝麻面等质量缺陷。
防水处理也是地下室外墙单面支模施工中的关键环节。
由于是单面支模,外墙的防水要求更高。
在施工前,需要对基层进行处理,确保基层平整、干净、干燥。
然后选择合适的防水材料,如防水卷材或防水涂料,并严格按照施工工艺进行施工,确保防水效果。
施工过程中的安全问题同样不容忽视。
由于地下室外墙施工环境较为复杂,存在着坍塌、高处坠落等风险。
地下室剪力墙单侧木模板施工工法地下室剪力墙单侧木模板施工工法一、前言地下室剪力墙是一种常见的结构形式,用于提供建筑的抗震性能。
地下室剪力墙单侧木模板施工工法是一种有效的施工方式,本文将对该工法进行详细介绍。
二、工法特点地下室剪力墙单侧木模板施工工法具有以下特点:1. 施工速度快,效率高:采用木模板搭配预制板支撑,减少了工期;2. 节约材料,降低成本:采用预制板支撑,避免了传统工法中需要大量使用的木模板;3. 优化施工流程,提高质量:采用模板模具化,使施工过程更标准化、规范化;4. 环保节能:木模板可以进行回收再利用,降低了对环境的影响。
三、适应范围地下室剪力墙单侧木模板施工工法适用于地下室剪力墙的施工,适应范围广泛。
四、工艺原理该工法通过使用预制板支撑剪力墙,提高施工效率和质量。
预制板安装在剪力墙一侧,用来支撑模板,防止模板变形。
预制板具有较高的强度和刚度,能够承受模板施工过程中的荷载。
五、施工工艺该工法的施工过程主要包括以下几个阶段:1. 模板安装:按照设计要求,将木模板固定在预制板上,确保模板平整、紧密;2. 钢筋绑扎:在模板内部安装剪力墙所需的钢筋,确保钢筋布置正确;3. 灌浆浇筑:在模板内倒入混凝土,并使用振动器进行浇筑和密实;4. 拆模处理:混凝土凝固后,拆除模板;5. 补修处理:对于混凝土表面的缺陷进行修补和处理。
六、劳动组织该工法需要合理组织施工人员,确保施工过程按照规定进行,并安排人力协调各个施工阶段的进度。
七、机具设备该工法所需的机具设备包括木模板、预制板、钢筋、混凝土搅拌机、振动器等。
这些机具设备具有高效、快捷的特点,能够满足施工过程的需求。
八、质量控制为确保施工质量达到设计要求,应采取以下措施:1. 严格按照设计要求进行施工,确保尺寸和形状的准确性;2. 加强模板拆除和补修的质量控制,确保混凝土表面的平整度和美观度;3. 进行混凝土强度检测,确保混凝土的抗压能力符合设计要求。
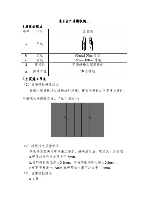
地下室外墙模板施工1模板的组成序号名称效果图a 吊钩b 竖肋50mmx100mm方木c 横肋100mmx100mm槽钢d 连接件穿墙螺栓及配套螺母g 拼缝背楞10号槽钢2主要施工节点(1)直墙模板拼缝结点直墙木梁模板通过螺栓进行连接,模板与模板之间直接拼缝时,采用螺栓拼接的方法,详见下图所示:(2)模板拼装质量标准模板的质量满足甲方施工要求,拼装成型后,需达到以下标准:a.板面对角线误差值小于3mm;b.相邻模板高低差±0.5mm,两块模板拼缝间隙±0.5mm ;c.板面平整度±0.5mm,模板局部变形不应大于1.0 mm;(3)墙体模板拼装a.工具常用模板拼装工具有:手电钻、开孔器、钻头、批头、电刨、电锯、曲线锯、锯片、墨斗、铅笔、卷尺、角尺、电锯、靠尺、线坠、油漆刷、灰刀、毛笔、扳手、胶枪、气钉枪、气钉等。
如下图所示:图工具手电钻扳手靠尺(按图中摆放)线坠卷尺b.辅助材料油漆、玻璃胶、原子灰、自攻螺钉、铁钉、钢丝等所用到的材料。
c.拼装平台模板正面打自攻螺钉,要求平台高度200-400mm,可选用“工”字钢,或者槽钢搭设平台。
如下图所示:;要求操作平台搭设牢固、安全、平稳,对应的各构件平行而且确保在同一水平面上,对角线长度保持一致。
图搭设平台(适用于正面上自攻螺钉)(4)模板拼装过程a.放置背楞按照图纸所示间距把背楞排放在搭设平台上,在背楞上画上定位线,拉准对角线,让任意两条背楞构成的长方形对角线相等。
详见下图所示:b.木梁组装按图纸尺寸,先在背楞两端各放一根木工字梁,画上定位线,拉准对角线,让两根木梁构成的长方形对角线相等,然后用连接爪螺栓固定。
这两根木工字梁的同一端连上一根细线,作为基准线,其他木梁都对齐这根基准线排放,并保证与两边的木梁平行,把每根木梁用连接爪固定。
在固定连接爪的时候,将要装吊钩的木梁两侧都要用连接爪,两边的木梁连接爪要固定在木梁内侧,其余的木梁连接爪的方向交错放置。
地下室外墙装配工具式铝合金单侧支模体系施工工法地下室外墙装配工具式铝合金单侧支模体系施工工法一、前言地下室外墙装配工具式铝合金单侧支模体系施工工法是一种先进的地下室施工方法,采用了铝合金模板和单侧支承的结构设计,能够提高施工效率,保障施工质量,减少劳动强度,并且适用于各种不同类型地下室工程。
二、工法特点1. 高效快速:工法采用了铝合金模板和专用支撑系统,可以实现模板一次性安装,减少了拆模和调整的时间,大大提高了工程进度。
2. 质量可控:铝合金模板具有良好的平整度和抗压性能,可以保证地下室外墙的平整度和表面质量。
3. 环保节能:铝合金模板可以反复使用,减少了木材的使用量和浪费,符合现代建筑的节能环保要求。
4. 安全可靠:采用单侧支撑结构设计,在施工过程中可以有效控制变形和倾覆的风险,提升了施工安全性。
5. 灵活适应:适用于各种地下室工程,能够满足不同设计要求和地质条件。
三、适应范围该工法适用于各种地下室施工,包括住宅地下室、商业地下室、停车场地下室等。
四、工艺原理该施工工法基于铝合金模板和单侧支撑结构设计,通过将各个模板进行连接和固定,形成一个整体支撑体系,并采取相应的技术措施控制施工过程中的变形和倾覆风险。
具体而言,地下室外墙装配工具式铝合金单侧支模体系施工工法采用了以下关键技术措施:1. 模板选材:选择高质量的铝合金模板,具有较高的强度和稳定性。
2. 模板安装:采用工具式铝合金模板安装系统,通过连接件和模板板面的搭接方式,实现模板的快速组装和拆卸。
3. 调整和固定:根据设计要求和地质条件,通过调整支承高度和斜撑的设置,实现模板的平整度和稳定性控制。
4. 混凝土浇筑:在模板安装完毕后,按照施工工艺要求进行混凝土浇筑,并在浇筑过程中采取相应的振捣措施,确保混凝土的均匀性和紧密性。
五、施工工艺1. 准备工作:进行现场勘察和测量,制定详细的施工图纸和施工方案,并准备好所需的材料和机具设备。
2. 模板安装:按照施工图纸的要求,将铝合金模板逐层安装,并进行调整和固定,确保模板的平整度和稳定性。
地下室外墙定型模板单侧支模施工工法一、前言地下室外墙定型模板单侧支模施工工法是一种在地下室外墙施工中常用的支模工法。
本文将介绍该工法的特点、适应范围、工艺原理、施工工艺、劳动组织、机具设备、质量控制、安全措施、经济技术分析以及一个工程实例。
二、工法特点地下室外墙定型模板单侧支模施工工法的主要特点是施工简单、效率高,并且可以适应各种地下室外墙结构形式。
该工法采用单侧支撑的方式进行施工,减少了模板的使用量和施工难度,提高了施工效率。
同时,该工法适用于各种墙体结构形式,包括直立墙、横墙和斜墙等。
三、适应范围地下室外墙定型模板单侧支模施工工法适用于各种地下室外墙结构的施工,包括建筑、交通、水利、地铁等领域。
该工法可以适应各种壁体结构形式,包括钢筋混凝土、预制混凝土和砌体等。
四、工艺原理地下室外墙定型模板单侧支模施工工法的原理是利用定型模板和单侧支撑的组合来实现墙体的施工。
具体实施时,首先安装模板和支撑体系,然后进行混凝土浇筑,最后拆除支撑体系和模板。
这一工艺原理的主要目的是保证施工过程中墙体的稳定性和质量要求。
五、施工工艺地下室外墙定型模板单侧支模施工工法的施工过程分为以下几个阶段:准备工作、模板安装、支撑体系搭设、混凝土浇筑、养护、拆模等。
在每个阶段,都需要按照相应的工艺要求进行操作,确保施工质量和安全。
六、劳动组织地下室外墙定型模板单侧支模施工工法的劳动组织包括工人、工程师和监理人员等。
工人负责具体的施工任务,工程师和监理人员负责指导和监督施工过程。
为了保证劳动组织的协同和效率,需要进行合理的工作分配和人员培训。
七、机具设备地下室外墙定型模板单侧支模施工工法所需的机具设备包括模板、支撑体系、混凝土搅拌站、泵车等。
这些机具设备的特点、性能和使用方法需要根据具体的施工要求进行选择和配置。
同时,为了保证施工安全和质量,需要进行定期的检修和维护。
八、质量控制地下室外墙定型模板单侧支模施工工法的质量控制主要包括模板的安装质量、混凝土的浇筑质量和拆模的质量等。
地下室外墙单侧支模施工方案一、编制依据门诊病房楼及其附属用房工程,施工场地狭窄,地下室外墙距桩边距离为200~700mm,平均距离为450mm,局部距离为零;且西侧护坡-6.50米标高处、东侧基坑-7.50米、-11.50米标高处有预应力锚杆端头工字钢梁,伸出桩面300~400mm不等,使得工字钢距外墙距离大多不足200mm,给地下室结构和外墙防水施工带来极大困难,只能采用单侧支模加固方法进行施工。
三、施工部署3.1单侧支模范围为:东侧地下室外墙(从A轴到V轴)从垫层做至-9.230m标高处,即车库第二个夹层板底标高处。
西侧地下室外墙T轴以南从垫层做至-7.00m标高处,即地下二层顶板板底标高处;T轴以北部分从垫层做至-6.33m标高处。
单侧支模支撑布置图南、北侧采用常规的双面支模方法。
3.2施工流程基坑东侧1-3段由于设有夹层结构,层高较低,可按层施工;西侧4-6段层高较高,混凝土须分层浇筑,T轴以北先浇筑内墙混凝土,后浇筑外墙混凝土,且需分两次进行浇筑,中间设施工缝。
3.3施工工艺流程砖墙砌筑抹灰(砖模)→砌筑同步回填肥槽→外墙防水层施工→墙体钢筋绑扎→外墙内侧单侧支模加固→墙体混凝土浇筑。
4.2方案设计4.2.1导墙设计砌筑240mm厚砖墙,从垫层往上1.30m处开始,沿墙高每2.0米设置240mm高圈梁与拉结筋绑扎牢固,圈梁配筋为4Φ10,箍筋Φ6@250,C20砼。
水平方向每隔一根护坡桩砌筑一处丁字墙顶至护坡桩,丁字墙内在每一个圈梁处设置拉结筋2Φ10钢筋与护坡桩连接,在护坡桩上打膨胀螺栓然后与钢筋焊接,拉结筋伸入圈梁内不小于500mm,钢筋布置方式为在每一道圈梁上设置,钢筋位置为1/2梁高。
西侧导墙立面图砌体内每隔5m设一道构造柱,柱截面240×240,配筋为4Φ10钢筋,箍筋Φ6@150,C20砼。
施工图如下图所示:门诊病房楼及其附属用房工程地下室外墙单侧支模施工方案砌筑墙平面图砖墙240构造柱砌筑墙拉结钢筋布置图注意打膨胀螺栓之前必须剔除护坡桩表面的软弱层,将螺栓打入坚固的桩身混凝土中。
地下室剪力墙单侧木模板施工工法地下室剪力墙单侧木模板施工工法一、前言地下室剪力墙是建筑结构的重要组成部分,用于增加建筑物的抗震性能。
地下室剪力墙单侧木模板施工工法是一种常见的施工工法,通过使用木模板进行施工,使施工过程更加高效、简便。
本文将详细介绍该工法的特点、适应范围、工艺原理、施工工艺、劳动组织、机具设备、质量控制、安全措施、经济技术分析以及实际工程示例。
二、工法特点地下室剪力墙单侧木模板施工工法具有以下特点:1. 灵活性高:木模板可以根据剪力墙的形状和尺寸进行定制,适应各种设计需求。
2. 施工速度快:木模板组装简便,施工进度可以大大加快。
3. 质量可控:木模板的安装精度高,施工质量可靠。
4. 成本较低:相比于其他施工工法,采用木模板施工成本较低,经济效益较好。
三、适应范围地下室剪力墙单侧木模板施工工法适用于各类地下室剪力墙的施工,特别适用于尺寸较小且形状复杂的剪力墙。
适应范围广泛,可以满足不同项目的施工需求。
四、工艺原理该工法的施工工艺原理基于木模板的定制和安装。
首先根据设计要求制作木模板,并按照剪力墙的尺寸和形状进行定制。
施工时,将木模板按照一定的间距固定在剪力墙的一侧,使其与混凝土完全贴合。
然后,将混凝土倒入剪力墙的另一侧,待混凝土凝固后,拆除木模板,完成地下室剪力墙的施工。
五、施工工艺1. 准备工作:根据设计要求制作木模板,并检查木模板的质量和尺寸是否符合要求。
2. 木模板安装:将木模板按照一定的间距固定在剪力墙的一侧,使其与混凝土完全贴合。
3. 混凝土施工:将混凝土倒入剪力墙的另一侧,按照设计要求进行振捣和养护。
4. 木模板拆除:待混凝土凝固后,拆除木模板,并对剪力墙的表面进行修整。
六、劳动组织根据施工工艺的特点,劳动组织应合理安排工人的数量和工作岗位。
通常,需要有木模板制作人员、木模板安装人员、混凝土施工人员和木模板拆除人员。
七、机具设备该工法所需的机具设备包括木模板制作工具、木模板安装工具、混凝土施工工具和木模板拆除工具。
地下室外墙单侧支模施工方法一、地下室墙体模板基础墙体采用竹-木结构拼装模板,采用12mm竹胶板,40*85mm 间距200mm木方与100*100mm间距600mm木方间隔作竖向内背楞,四根φ48钢管作横竖向外背楞。
墙模板一次支设到顶,支撑体系为满堂红钢管脚手架,为防止破坏防水卷材,外墙顶撑钢筋,双F型卡端部加焊钢板,模板拼缝处均加海棉条,防止跑浆。
地下三层人防内墙为临空墙时,穿墙螺栓亦在中部加焊密闭钢板。
外墙模板内支撑双F型卡地下室内外墙及窗全部采用竹胶板木模。
模板接缝处采用子母口连接模板。
施工步骤:1.在地下室外墙内侧予埋φ22钢筋作为地锚,根据支撑高度,按照45。
角设置,间距1000 mm。
在导墙模板安装完成后,在距离上口150mm处在模板上打φ14洞,预埋φ14螺栓丝杆,间距600mm,作为外墙模板支设时的加固点,防止模板上浮。
在外墙模板配制、安装时,按照600mm间距在模板下口打φ14洞,将模板固定到提前预埋的螺栓上,用“3”型卡将模板与钢管固定。
2.地下室外墙木制大模板,竖向用100*100 mm木方,间距为600 mm 与50*100 mm木方,间距为200 mm,间隔配合作为竖肋;横肋为两根φ48钢管,底部第一排距导墙面250mm,下部三排500mm,上部两排600mm,水平间距600mm。
并在100mm*100 mm木方上安装加工好的螺栓与作为横肋的双根直径φ48架子管锁定。
拉结螺栓的竖向间距同作为横肋的钢管。
墙体模板沿高度方向设三道斜撑,一道拉接。
内侧顶在周围内墙或框架柱上,距离较大的部位在底板施工时加设地锚。
每面墙的模板支设加固后必须用线锥调垂直。
见下图3、扶壁柱处模板安装:根据工程特点,扶壁柱尺寸500mm*500mm,外突出部分尺寸地下三层为150mm,地下二层、地下一层为200mm一致,综合考虑,做到模板周转使用。
扶壁柱引、阳角配制同一尺寸,见下图:在加固时竖向设置三道斜支撑,上下间距为1200mm,800mm,600mm;并有水平支撑顶固与阴角100mm*100mm木方上扶壁柱模板组拼图4、转角圆弧模板安装:根据混凝土的浇筑高度3600mm、墙体厚度350mm、以往的成熟的施工经验,在建筑物转角圆弧处,采用竹胶板做面板,50mm*100mm 木方做竖肋,间距200mm;Φ25钢筋做横肋,间距400mm,配置整体模板,再按照600mm间距用钢管做竖向肋,加工弧形钢管做600mm 横肋,增强其整体性,并与满堂红脚手架做水平、斜支撑加固,模板底部加钢筋拉接一道。
地下工程外墙定型模板单侧支模施工工法地下工程外墙定型模板单侧支模施工工法带来了地下工程施工的革新,极大地提高了施工速度和质量。
该工法的特点、适应范围、工艺原理、施工工艺、劳动组织、机具设备、质量控制、安全措施、经济技术分析以及工程实例将在下文中详细介绍。
一、前言地下工程外墙定型模板单侧支模施工工法是一种新型的施工方法,主要用于地下工程外墙的定型模板单侧支模施工,能够提高施工效率,降低施工难度,保证施工质量。
二、工法特点该工法的特点主要包括施工过程简便、施工速度快、施工质量高、施工难度低、施工环境要求低等。
三、适应范围该工法适用于各类地下工程外墙的定型模板单侧支模施工,包括地下停车场、地下车库、地下隧道等。
四、工艺原理该工法的工艺原理是通过采取一系列技术措施来实现施工工法与实际工程之间的联系。
例如,采用特殊的钢筋网和膨胀螺栓固定,提高定型模板的稳定性;通过合理的施工顺序和方法,确保施工过程中的质量和效率。
五、施工工艺施工工法的各个阶段包括准备工作、基础处理、定型模板安装、支模安装、混凝土浇筑、模板拆除等。
在每个阶段,都需要详细地描述施工过程中的每一个细节,以便读者了解施工的具体步骤和要点。
六、劳动组织在施工过程中,需要组织合理的劳动力配备和分工,保证施工的顺利进行。
根据施工工法的特点和施工过程的要求,合理安排人员的工作任务和工作流程,提高施工效率。
七、机具设备施工过程中需要使用一些特殊的机具设备,如起重机、振动器等。
对这些机具设备的特点、性能和使用方法进行详细介绍,方便读者了解其作用和使用。
八、质量控制为了保证施工过程中的质量达到设计要求,需要采取一系列的质量控制方法和措施。
例如,严格控制混凝土的配合比、检查定型模板的安装质量等。
九、安全措施在施工过程中,安全事项是十分重要的。
需要特别注意施工工法的安全要求,采取相应的安全措施,避免危险事故的发生。
同时,还需要对施工中的危险因素进行介绍和防范措施的介绍,保证施工过程的安全。
地下室外墙单边支模预铺反粘防水挡墙施工工法地下室外墙单边支模预铺反粘防水挡墙施工工法一、前言地下室外墙单边支模预铺反粘防水挡墙施工工法是一种常用于地下室外墙施工的工艺。
该工法通过在施工过程中对基础墙体进行支模和预铺防水膜的操作,以提高地下室外墙的防水性能和施工效率。
本文将详细介绍该工法的工艺特点、适应范围、工艺原理、施工工艺、劳动组织、机具设备、质量控制、安全措施、经济技术分析以及工程实例等内容。
二、工法特点1. 工程质量可靠:该工法采用了防水膜预铺和单边支模的施工方式,能够确保外墙的防水效果,提高工程质量。
2. 施工效率高:通过预铺防水膜和单边支模的方式,可以减少二次防水的施工工序,提高施工效率。
3. 施工费用低:该工法能够减少材料和劳动力的使用,降低施工成本。
4. 工艺简便:该工法的施工工艺相对简单,易于操作和掌握。
三、适应范围该工法适用于地下室外墙的施工,特别适合于土质较差、水位较高、防水要求较高的区域。
四、工艺原理该工法的施工工艺原理是通过支模和预铺防水膜来提高外墙的防水性能。
首先,在基础墙体上进行单边支模,然后在单边支模中铺设防水膜,并与基础墙体的防水膜连接。
这样,在后续的混凝土浇筑过程中,可以将混凝土倒入支模中,将基础墙体和支模中的混凝土相互连接起来,形成连续的防水墙体。
五、施工工艺1. 基础准备:对地下室外墙基础进行清理和处理,确保基础表面平整、牢固。
2. 单边支模:在基础墙体的一侧搭建支模,确保支模的牢固和稳定。
3. 预铺防水膜:在单边支模中铺设防水膜,并与基础墙体的防水膜连接,确保连续性和可靠性。
4. 混凝土浇筑:将混凝土倒入支模中,使其与基础墙体和预铺防水膜相互连接,形成连续的防水墙体。
5. 支模拆除:待混凝土充分凝固后,拆除支模,完成地下室外墙的施工。
六、劳动组织在施工过程中,需要组织人员对基础墙体进行清理和处理,搭建单边支模,铺设防水膜,进行混凝土浇筑和支模拆除等工作。
七、机具设备本工法所需的机具设备包括清理工具、支模设备、防水膜设备、混凝土浇筑设备等。
基坑内撑支护单侧模板地下室外墙施工工法基坑内撑支护单侧模板地下室外墙施工工法一、前言基坑内撑支护单侧模板地下室外墙施工工法是一种常用的地下室外墙施工方法,通过采用单侧模板和撑支护措施,实现地下室外墙的施工。
本文将对该工法的特点、适应范围、工艺原理、施工工艺、劳动组织、机具设备、质量控制、安全措施、经济技术分析和工程实例进行详细介绍。
二、工法特点1. 施工速度快:采用单侧模板施工,减少了施工时间和人力成本,提高了施工效率。
2. 施工质量高:采用单侧模板,可以减少模板开裂和物料浪费,确保地下室外墙的质量。
3. 结构稳定可靠:通过撑支护措施,保证了施工过程中的结构稳定,提高了工程安全性。
4. 施工环境友好:减少了基坑内脏乱的情况,减少了对环境的污染。
三、适应范围该工法适用于地下室外墙的施工,特别适用于城市建设项目和地下综合体等场所。
四、工艺原理该工法主要采用单侧模板和撑支护措施,通过单侧模板将混凝土浇筑在地下室外墙位置,并通过撑支护措施提供结构支撑,保证施工过程的稳定性和安全性。
五、施工工艺1. 基坑准备:清理基坑内的杂物和积水,打地基和安装排水系统。
2. 搭设支撑:在基坑四周搭设撑支结构,通过撑支结构提供支撑。
3. 安装模板:在地下室外墙位置安装单侧模板。
4. 钢筋安装:根据设计要求,在模板内安装钢筋。
5. 浇筑混凝土:在单侧模板中浇筑混凝土,确保墙体的强度和稳定性。
6. 拆除模板:混凝土达到强度要求后,拆除模板。
7. 后续工序:进行墙体的养护和后续处理。
六、劳动组织1. 现场施工人员:负责基坑的准备、模板的安装和混凝土的浇筑等工序。
2. 技术人员:负责工艺控制、质量检验和施工方案的制定。
七、机具设备1. 模板:包括单侧模板和支撑模板。
2. 支撑系统:包括撑杆、支架等支撑结构。
3. 浇筑设备:包括混凝土搅拌站、输送泵等设备。
八、质量控制1. 墙体强度:通过混凝土的配制和浇筑控制,进行强度检验。
2. 模板安装质量:检查模板的安装情况,确保模板的牢固性和垂直度。
地下工程外墙定型模板单侧支模施工工法地下工程外墙定型模板单侧支模施工工法一、前言地下工程施工中,外墙定型模板单侧支模施工工法是一种经济、高效的施工方法。
该工法在保证工程质量的同时,提高了施工效率,减少了施工成本,受到了广大施工单位的认可和推崇。
二、工法特点1. 采用定型模板,模板可重复使用,减少了材料消耗和成本。
2. 工法简单,操作容易,适应性广,可用于各种类型的地下工程外墙施工。
3. 采用单侧支模施工,可以减少支撑点数量,提高施工效率。
4. 施工过程中模板和支撑点的布置合理,能够确保施工过程的稳定和安全。
三、适应范围该工法适用于各类地下工程外墙施工,包括地下车库、地下商场、地下隧道等等。
四、工艺原理地下工程外墙定型模板单侧支模施工工法的实际工程和施工工艺有着密不可分的联系。
具体采取的技术措施包括:1. 根据设计要求,确定定型模板的尺寸和布置方式。
2. 在施工过程中,将模板固定在墙体上,采取单侧支模的方式进行施工,确保模板的稳定性和可靠性。
3. 根据墙体结构,在墙体上设置支撑点,以提供支撑力。
4. 在模板安装完毕后,进行混凝土浇筑,形成墙体结构。
五、施工工艺1. 墙体准备:清理墙体表面,并检查墙体的平整度和垂直度,确保施工的准确性和稳定性。
2. 模板安装:根据设计要求,将定型模板安装在墙体上,采取钢钉或其他固定方法将模板固定。
3. 设置支撑点:根据墙体结构,在模板上方设置支撑点,提供支撑力。
4. 混凝土浇筑:在模板安装完毕后,进行混凝土浇筑,形成墙体结构。
5. 模板拆除:混凝土达到规定强度后,拆除模板,并进行清理和修整。
六、劳动组织根据工程规模和施工进度,合理组织劳动力,确保施工工期和质量。
七、机具设备该工法所需的机具设备包括定型模板、测量工具、固定工具(如钢钉、绳索等)以及混凝土浇筑设备等。
八、质量控制在施工过程中,需要严格按照设计要求和施工规范执行,对模板、支撑点和混凝土施工进行质量检查和控制。
地下室外墙单边支模方案地下室外墙单边支模方案一、方案概述地下室外墙单边支模方案旨在介绍地下室施工中的外墙单边支模施工方案,包括施工步骤、施工材料以及安全注意事项。
二、施工步骤1. 准备工作1.1 确定施工图纸,了解外墙单边支模的尺寸和形状要求。
1.2 确定施工现场的地质情况和环境要求,做好相应的安全防护措施。
1.3 检查模板和支撑材料的完整性和稳定性,并进行修复或更换。
2. 固定支撑材料2.1 根据设计要求和模板尺寸,选择适当的支撑材料。
2.2 在地面上布置支撑材料,确保支撑点之间的水平和垂直距离符合要求。
2.3 用钢筋模板支撑柱固定住支撑材料,确保支撑的稳定性和强度。
3. 安装模板3.1 预先测量和标记地下室外墙的尺寸和位置。
3.2 根据测量结果和标记,将模板安装在支撑材料上。
3.3 使用螺栓或其他固定工具固定模板,确保模板与支撑材料之间的连接牢固。
4. 进行混凝土浇筑4.1 在模板安装完成后,根据设计要求安装钢筋。
4.2 准备混凝土,并确保掺配比例合适。
4.3 进行混凝土浇筑,确保混凝土均匀分布并充分振实。
4.4 用振动器在混凝土浇筑完成后进行振动,确保混凝土密实。
5. 模板拆除5.1 等待混凝土硬化到一定程度后,可以进行模板的拆除。
5.2 在拆除模板之前,检查混凝土的强度是否满足要求。
5.3 拆除模板并清理施工现场,确保地下室外墙施工完成。
三、施工材料1. 模板材料:常见的模板材料包括钢模板、木模板和塑料模板等。
2. 支撑材料:常见的支撑材料包括支撑柱、木方和钢托等。
3. 钢筋:根据设计要求选择合适的钢筋类型和规格。
4. 混凝土:根据设计要求配制合适的混凝土。
四、安全注意事项1. 在施工过程中,严格遵守相关施工规范和安全操作规程。
2. 使用合格的施工材料,杜绝使用破损或劣质材料。
3. 定期检查和维护支撑材料,确保支撑稳定可靠。
4. 严格执行施工现场的安全措施,确保现场人员的安全。
5. 在混凝土浇筑过程中,避免发生混凝土坍塌和钢筋露出等安全问题。
地下室外墙单边支模方案引言:地下室外墙的支模是建筑施工中的重要环节。
支模的设计和施工方案直接影响到地下室结构的稳定性和施工质量。
本文将详细介绍地下室外墙单边支模方案,并从概述、背景、设计原则、施工步骤、质量控制等方面进行详细阐述。
概述:地下室外墙单边支模是一种常见的施工方式,它可以提高施工效率并减少材料的浪费。
在地下室外墙单边支模方案中,只对一面墙进行支模施工,而另一面则利用已经完成的墙面作为支撑。
该方案适用于施工场地有限且施工周期紧张的情况。
背景:随着城市化进程的快速推进,地下室作为重要的建筑形式被广泛应用。
而地下室外墙的施工是整个地下室施工的重要环节。
传统的地下室外墙支模需要对整个墙体进行支撑,不仅浪费大量的材料,而且施工周期长。
因此,地下室外墙单边支模方案应运而生。
设计原则:1. 结构稳定性:地下室外墙单边支模方案在设计时需要保证支模的稳定性,确保墙体在施工过程中不会发生倾斜或塌方现象。
2. 材料选用:选择适合的材料用于支模搭建,例如钢模板和钢扣板,以提高施工效率和质量。
3. 施工方法:合理选择施工方法,确保支模施工顺利进行,减少施工工序并节约时间。
施工步骤:1. 准备工作:清理施工场地,将需要支模的墙面整理好,确保施工区域的平整度和墙体的质量。
同时准备好需要的支模材料和工具。
2. 搭建支撑结构:根据设计方案,在已完成的墙面上搭建支撑结构,确保支模的稳定性。
采用钢模板和钢扣板进行固定,确保墙体的垂直度和水平度。
3. 进行单边支模:在已搭建好的支撑结构上进行单边支模。
根据施工要求,按照先上下后左右的顺序进行支模。
采用适当的支撑和固定方法,确保支模的稳固性和墙体的整体性。
4. 浇筑混凝土:在地下室外墙支模完成后,进行混凝土浇筑。
在浇筑过程中要注意均匀浇筑,避免混凝土的局部积聚或空洞现象。
5. 拆除支模:等待混凝土达到设计强度后,进行支模拆除。
拆除时要注意不损坏墙体,并采取安全措施确保操作人员的人身安全。
单面模板支撑工艺一、前言随着城市建设的加快,施工场地越来越狭窄,一些工地地下室外墙采用双面模板支撑体系变得很困难,而常规的做法又容易出现质量问题,且施工困难。
因此,如何解决此问题,成为当前施工技术人员的当务之急。
二、工艺特点单侧支架具有刚度大、施工方便、安全性高且质量易保证等特点,可提高工效,降低施工成本。
三、适用范围在保证操作空间的前提下,本支撑体系适用于高度7.5m以内的任何单侧墙体模板,如地下室外墙模板、结构变形缝后施工一侧的墙体模板以及与此类似的单侧模板支撑。
正常情况下,本体系需占用4m宽的操作空间。
四、工艺原理单侧支架采用2[10#加工制作而成,单侧支架可加工制作成标准尺寸和加高节,以保证各种高度的墙体使用。
标准节根据建筑工程施工模数加工成3m,加高节可制作成1.6m和0.5m等不同的高度,以便于现场的周转使用,标准节和加高节之间采用螺栓连接牢固。
单侧支架通过一个45度的高强螺栓,一端与地脚螺栓连接,另一端斜拉住单侧模板支架,从而将斜拉力分解为一个水平方向和一个垂直方向的力,水平力保证支架不产生侧移,垂直力抵抗支架的浮力,从而保证单侧模板的稳固。
同时,每一榀支架安装好后,用钢管扣件将所有支撑横向连接,以加强支架的侧向稳定性。
五、施工工艺1、工艺流程→安装上人操作平台→再紧固检查一次埋件系统→验收合格后砼浇筑2、外墙模板合模时,根据模板排版将钢模板用U型子连成整体后并用钢管临时支撑。
模板下口与墙体边线对齐,底板导墙部位的模板与导墙之间粘贴海绵条后顶紧,防止漏浆。
3、安放槽钢横梁:2[10#槽钢横梁竖向间距750mm(最上一排槽钢横梁间距1000mm),在钢模板接缝处,槽钢桁梁在接缝两侧各一根,以保证钢模板的整体稳定。
钢模板与横梁连接采用M12勾头螺栓连接,详见单面模板支设图。
槽钢梁之间水平连接,采用连接板和销钉连接。
4、安装单侧支架:单侧支架相互之间的距离为800 mm,前面用200×100mm木方垫起,后面为可调底座。
地下室外墙模板施工1模板的组成序号名称效果图a 吊钩b 竖肋50mmx100mm方木c 横肋100mmx100mm槽钢d 连接件穿墙螺栓及配套螺母g 拼缝背楞10号槽钢2主要施工节点(1)直墙模板拼缝结点直墙木梁模板通过螺栓进行连接,模板与模板之间直接拼缝时,采用螺栓拼接的方法,详见下图所示:(2)模板拼装质量标准模板的质量满足甲方施工要求,拼装成型后,需达到以下标准:a.板面对角线误差值小于3mm;b.相邻模板高低差±0.5mm,两块模板拼缝间隙±0.5mm ;c.板面平整度±0.5mm,模板局部变形不应大于1.0 mm;(3)墙体模板拼装a.工具常用模板拼装工具有:手电钻、开孔器、钻头、批头、电刨、电锯、曲线锯、锯片、墨斗、铅笔、卷尺、角尺、电锯、靠尺、线坠、油漆刷、灰刀、毛笔、扳手、胶枪、气钉枪、气钉等。
如下图所示:图工具手电钻扳手靠尺(按图中摆放)线坠卷尺b.辅助材料油漆、玻璃胶、原子灰、自攻螺钉、铁钉、钢丝等所用到的材料。
c.拼装平台模板正面打自攻螺钉,要求平台高度200-400mm,可选用“工”字钢,或者槽钢搭设平台。
如下图所示:;要求操作平台搭设牢固、安全、平稳,对应的各构件平行而且确保在同一水平面上,对角线长度保持一致。
图搭设平台(适用于正面上自攻螺钉)(4)模板拼装过程a.放置背楞按照图纸所示间距把背楞排放在搭设平台上,在背楞上画上定位线,拉准对角线,让任意两条背楞构成的长方形对角线相等。
详见下图所示:b.木梁组装按图纸尺寸,先在背楞两端各放一根木工字梁,画上定位线,拉准对角线,让两根木梁构成的长方形对角线相等,然后用连接爪螺栓固定。
这两根木工字梁的同一端连上一根细线,作为基准线,其他木梁都对齐这根基准线排放,并保证与两边的木梁平行,把每根木梁用连接爪固定。
在固定连接爪的时候,将要装吊钩的木梁两侧都要用连接爪,两边的木梁连接爪要固定在木梁内侧,其余的木梁连接爪的方向交错放置。
最后按图纸尺寸装上吊钩。
相见上图所示:特别注意,在选择安装吊钩的木梁时,距吊钩孔距离最近的木梁腹板指接缝应该大于1.5米;安装吊钩时,要用一块钢板和吊钩夹紧木梁,然后用螺栓固定,钢板的大小尺寸和孔位与吊钩的钢板一样。
c.墙体铺设面板把四块面板先全铺好,把尺寸量好。
详见下图所示。
图面板定位将第一块面板四角打引孔,钢钉定位(不要钉太深)。
详见下图所示:图钢钉定位将此面板引孔定位,打引孔。
详见下图所示:图面板引孔定位将引孔前端扩大2-3mm。
详见下图所示:图引孔前端扩大用电钻打自攻螺钉。
将4角处钢钉拆下,打自攻螺钉。
铺第二面板,将接缝处抹玻璃胶,粘合,拼缝紧凑。
详见下图所示:图铺第二块面板以后步骤重复以上步进行操作。
面板全部铺好后,将板面擦干净,去除尘土,将面板表面水分擦干,将调好的原子灰抹于面板螺钉处,刮平。
安装端头木方,如果面板超过了木梁的长度尺寸,就要根据需要尺寸临时增添端头木方。
端头木方的作用是:增加模板顶部的整体刚度,防止混凝土污染模板背面,最重要是防止起吊时木梁跟面板间发生位移。
详见下图所示:图安装端头木方用塑料薄膜将面板包好,养护。
码放。
详见下图所示:图码放3墙体模板的堆放组装完成的模板,需要有规律的堆放在一起。
首先,选用一块平坦、坚实的场地,确保模板堆放时不会发生倾斜。
将第一块模板面朝上并保持离开地面净高300mm以上,背楞朝下放置平稳,确保水平,不能有晃动余量。
然后在面板上放置2-3根长条木方(一般间距为2米),木条长度与模板长边相近即可,接着放第三块模板,一般5、6块为一堆。
注意保护面板,防止受雨淋和暴晒,储存期超过一周的应用帆布遮盖起来。
详见下图所示:图模板堆放4合模合模前模板用洗衣粉水清洗面板,清洗面板宜用中等硬度的毛刷刷洗,板面要擦干净,否则模板上的灰尘会沾到混凝土的表面。
必须确保本工序在混凝土冲毛之后进行。
模板干后,用刷子或干净的毛巾,将模板表面刷上脱模剂。
不要刷太多,严禁流淌,以有油光而无油痕为最佳。
保证脱模剂均匀,雨后可再刷一遍脱模剂。
检查钢筋是否与模板拉杆孔、埋件系统相冲突,有冲突的须调整钢筋位置。
按照施工测量点,焊牢在钢筋上控制模板间距的定位支撑,一般工地采用钢筋两侧加混凝土保护层做内撑。
检查钢筋四周是否有入模障碍物,进行清理。
吊模。
起重机吊钩挂好两根钢丝绳,头带卡环,栓在木梁吊钩上。
吊车要缓慢起动,在模板没离开地面时,起动一定要慢。
吊车转到指定的位置,缓慢落钩,模板落稳后,将模板临时栓好,解开吊钩卡环。
继续吊下一块模板。
合模校正。
先将模板边缘用仪器或线坠校正模板的垂直度,并用角尺调整阴阳角模板的角度,确保垂直度与角度达到设计要求。
复查模板,调整至符合浇混凝土要求。
5拆模浇筑完混凝土后,当混凝土强度达到10MPa时可以进行拆模,应先拆卸固定螺栓将模板吊走。
6墙体模板的使用及注意事项(1)储存模板在出厂时含水量较低(8%-10%),在使用前应使模板的含水量接近其使用环境。
模板堆放时,应堆放在通风,无雨淋,太阳不能暴晒的场所,并有适当遮盖。
模板可以重叠堆放,一般高度不超过3包。
若在潮湿及炎热的环境中堆放2个星期以上,应拆除包装上的打包钢带,以免由于温度和湿度变化,打包钢带在模板边缘产生压痕。
详见下图所示:图模板堆放(2)切割加工沿表面木纹方向切割可以获得最好的切割效果。
若与表面木纹方向垂直切割,建议使用钨钢头的合金锯片,每分钟的转速达到4000转以上的切割工具。
切割速度可以参考下表。
切割速度与进给速率对照表机器切割速度进给速率圆形锯齿3000~6000m/min 31m/min条形锯齿3000m/min 1~7m/min线形锯齿540m/min 3.2m/min制模工工具角度50 750下/min切割后可以在边缘稍稍打光,注意不要损坏表面覆膜。
a.封边为了确保模板的长期周转使用,在切割和钻孔后必须采用含丙烯酸成分的油漆进行封边。
要求必须分别封边两次,确保模板边缘充分吸收油漆。
详见下图所示:b.放置为获得模板最大的强度,木梁应该与模板表面层木纹方向垂直。
表面层木纹方向,即为单块面板的短边方向。
详见下图所示:图封边7脱模剂请使用专用脱模剂,请勿使用废机油、动力油和菜油等。
这些油含有腐蚀性色素,将影响混凝土浇筑表面质量和模板表面。
请勿将两种以上脱模剂混用,以免因成分混乱而造成混凝土表面颜色差异。
使用脱模剂时应避免过多或过少,在浇筑前也不要过早使用。
请不要将脱模剂涂在钢筋上,以免混凝土表面沾染锈迹。
也不要将上过脱模剂的模板在太阳下长时间暴晒。
(1)捣振振捣时应避免振捣头与板面接触,引起板面损坏。
在对大体积混凝土振捣时,尤其不要直接与模板表面接触。
(2)拆模和搬运拆模和搬运时,必须防止模板的损伤。
特别注意模板的四边和四角,不要直接撬伤和拖伤模板。
即使采用撬棒拆模,也只能撬模板背面支撑钢结构的可受力部位,严禁直接撬模板。
(3)清洁和堆放清洁,混凝土的粘结块请使用毛刷清除,不准使用钢质工具铲,以免铲坏模板表面。
当使用水渗性脱模剂时,可以使用清水来清洗。
清洁后,请将模板竖直放置,严禁水平重叠堆放,避免模板表面压伤。
(4)模板的快速修补在清洁后发现模板表面损伤的部位,不论是表层木质结构损伤还是覆膜损伤,都必须立即进行修补。
这样,可以确保模板经长期周转使用后,还能获得好的浇筑效果。
修补材料为常用的环氧树脂或腻子。
先将模板损伤部位的松散结构用凿子或砂轮机打磨干净,再将掺有固化剂的树脂或腻子填补伤疤处,待凝固后将表面打磨平整即可。
为增大附着力,在固化前可以适当钉几个骑马钉,以确保修补部位贴近原样。
(5)模板内的水分平衡若模板中的水分含量变化过快(干燥的模板直接浇筑,或者脱模后在太阳暴晒下过快干燥),可能会使模板表面因内部水分布不均匀产生细微的暂时不平整现象(借助反光才能观察到)。
模板在经过1-2次浇筑后,模板内部各处水分渐渐渗透平衡,这类现象便会随之自行消失。
(6)防紫外线辐射由于酚醛树脂覆膜长期暴晒会褪色,因此在堆放时避免在阳光下长时间暴晒。
当模板长期不使用时,应将模板妥善储存。
8单侧支架模板(1)单侧支架的组成单侧支架由埋件系统和架体两部分组成,其中埋件系统部分包括:地脚螺栓、连接螺母、外连杆、连接螺母和压梁。
本工程选择最高支架高度为H=3.6m的支架。
浇筑时为保证接茬部分不漏浆,可先采用浇筑底板时浇筑300mm高导墙,单侧支模时保证质量。
为了架体受力合理,应现场自备钢管及扣件把几榀架体连成整体,见下图:自备模板布置剖面图 1:35单侧支架总装示意图单侧支架是用槽钢和连接件制作的一个三角形支架,它通过三角形的直角平面抵制模板。
当混凝土接触到模板面板时,侧压力也作用于模板。
模板受到向后推力。
而三角形架体平面在压制着模板,因架体下端直角部位有埋件系统固定使架体不能后移,主要受力点为埋入底板混凝土45°角的埋件系统。
混凝土的侧压力及模板的向上力均由埋件系统抵消。
(2)模板及支架安装①预埋部分安装a.地脚螺栓出地面处与砼墙面的距离为170mm;各埋件杆相互之间的距离为300mm,在靠近一段的起点与终点各布置一个埋件。
b.埋件系统及架体示意图见上图,埋件与地面成45度的角度,现场埋件预埋时要求拉通线,保证埋件在同一条直线上,同时,埋件角度必须按45度预埋。
c.地脚螺栓在预埋前应对螺纹采取保护措施,用塑料布包裹并绑牢,以免施工时砼黏附在丝扣上,影响下一步施工时螺母的连接。
d.因地脚螺栓不能直接与结构主筋点焊,为保证砼浇筑时埋件不跑位或偏移,要求在相应部位增加附加钢筋,地脚螺栓点焊在附加钢筋上,点焊时注意不要损坏埋件的有效直径。
②模板及单侧支架安装a.普通位置单侧支架之间的间距为800mm。
局部遇砼柱处最大布置间距为450mm。
b.安放流程:钢筋绑扎并验收→弹出外墙边线→合外墙模板单侧支架吊装到位→安装单侧支架→安装加强钢管(单侧支架斜撑部位的附加钢管,现场自备)→安装压梁槽钢→安装预埋件系统→调节支架垂直度→安装上操作平台→再次紧固检查一次埋件系统→验收合格后进行混凝土浇筑。
c.合墙体模板时,模板下口与预先弹好的墙边线对齐,然后安装钢管背楞,临时用钢管将墙体模板撑住。
d.吊装单侧支架,将单侧支架由堆放场地吊至现场,单侧支架在吊装时应轻放轻起,多榀支架堆放在一起时,应在平整场地上相互叠放整齐,以免支架变形。
e.需有标准节和加高节组装的单侧支架,应预先在材料堆放场地拼装好,然后由塔吊吊至现场。
f.在直墙体段,每安装五六榀单侧支架后,穿插埋件系统的压梁槽钢,支架安装完后,安装埋件系统,用钩头螺栓将模板背楞与单侧支架部分连成一个整体,调节单侧支架后座,直至模板面板上口向墙体内侧倾约5mm~15mm,这样将保证在混凝土浇筑过程中模板侧向受力位移适中,使墙面达到垂直。