市政道路检验批划分方案
- 格式:docx
- 大小:8.79 KB
- 文档页数:5
横八路道路建设项目(单位工程、分部工程、分项工程、检验批划分方案)编制单位:重庆珠峰业建设工程有限公司编制人:审核人:编制日期:2015年 03月 20日检验批划分专项方案1、编制依据1.1、横八路道路建设项目施工合同1.2、横八路道路建设项目设计施工图1.3规范标准:1.3.1《公路工程技术标准》(JTG B01-2003)1.3.2《建筑地基基础工程施工质量验收规范》GB50202-20021.3.3《公路交通安全设施设计及施工技术规范》(JTG D81-2006)1.3.4《混凝土结构工程施工质量验收规范》GB50204-20021.3.5《混凝土质量控制标准》GB50164-20111.3.6《公路桥梁伸缩装置》(JT/T 327-2004)1.3.7《钢筋混凝土用钢第2部分:热轧带肋钢筋》GBl499.2-2008 1.3.8《通用硅酸盐水泥》GB175-20071.3.9《普通混凝土力学性能试验方法标准》GB/T50081-20021.3.10《钢筋焊接及验收规程》JGJ18-20121.3.11《钢筋焊接接头试验方法标准》JGJ/T27-20011.3.12《钢筋机械连接技术规程》JGJ107-20101.3.13《公路桥梁板式橡胶支座》(JT/T4-2004)1.3.14《砌体工程施工质量验收规范》GB50203-20111.3.15《公路桥涵施工技术规范》(JTG∕T F50-2011)1.3.16《公路工程质量检验评定标准》(JTG F80/1-2004)1.3.17《城镇道路工程施工与质量验收规范》(CJJ1-2008)1.3.18《建筑给水排水及采暖工程施工质量验收规范》GB50242-2002 1.3.19《给水排水管道工程施工及验收规范》GB50268-20081.3.20《公路路基施工技术规范》(JTG F10-2006)1.3.21《公路沥青路面施工技术规范》(JTG F40-2004)1.3.22《公路路面基层施工技术规范》(JTJ034-2000)1.3.23《城市道路工程施工质量验收规范》(DBJ50-078-2008)重庆市地方标准1.3.24《埋地塑料排水管道工程技术规程》(DG/TJ08-308-2002)1.3.25《给水排水管道工程施工及验收规范》(GB50268-2008)1.3.26《道路交通标志和标线》(GB5768-2009)1.3.27《城市道路交通标志和标线》(05MR601)2、工程概况2.1、工程建设概况工程建设概况一览表工程名称横八路道路建设项目工程地址重庆市巴南区高职城腹地建设单位重庆市高等职业技术教育城实业发展有限公司设计单位重庆路威土木工程设计有限公司勘察单位武汉华太岩土工程有限公司监理单位重庆市永安工程建设监理有限公司施工单位重庆珠峰业建设工程有限公司质监部门重庆巴南区质监站安监部门重庆巴南区安监站开工日期开工日期为2015年04月01日。
道路工程检验批划分1. 前言道路工程是城市基础设施建设中不可或缺的一部分,其建设对整个城市的交通、经济、文化等方面都有着深远的影响。
而检验批是道路工程建设过程中的一项重要内容,它可以确保工程质量和进度的顺利进行。
本文将介绍道路工程检验批的划分,以及划分过程中应该注意的问题。
2. 道路工程检验批的划分2.1 定义道路工程检验批是指工程项目建设过程中,按照规定时间和工序进行的进度、质量和安全等方面的检查。
2.2 划分原则道路工程检验批的划分一般根据工程的不同阶段和不同部位进行,其划分原则包括以下几点:2.2.1 工程阶段按照工程建设的不同阶段进行划分,通常包括项目策划阶段、设计阶段、预算编制阶段、招标阶段、施工阶段、竣工验收阶段等。
2.2.2 工程部位按照工程建设的不同部位进行划分,通常包括路基、路面、排水设施、路面附属设施等。
2.3 划分方法道路工程检验批的划分方法应根据具体情况进行,一般可以采用以下方法:2.3.1 时间划分法按照工程建设的时间阶段来划分检验批,每个时间阶段都对应一个检验批。
2.3.2 工序划分法按照工程建设的工序来划分检验批,每个工序都对应一个检验批。
2.3.3 部位划分法按照工程建设的部位来划分检验批,每个部位都对应一个检验批。
2.4 划分要求在进行道路工程检验批划分时,还需要注意以下要求:2.4.1 划分明确检验批划分应明确、合理,便于工程质量管理、进度控制和责任追究。
2.4.2 划分统一同一工程项目中的检验批划分应统一,以便于施工方的管理和监督。
2.4.3 划分详细检验批的划分应尽量详细,针对每个检验批都应有相应的检验标准和验收标准,以确保工程质量和进度的顺利进行。
3.道路工程检验批划分的重要性不言而喻,它是确保道路工程质量和进度的重要手段。
在划分过程中,需要遵循划分原则和方法,同时要注意划分要求,力求使检验批划分明确、统一、详细。
只有这样,才能更好地推进道路工程建设,并确保建设出更加安全、便利的道路交通系统。
钦州滨海新城龙海路工程(一标段)
(单位工程、分部工程、分项工程、检验批划分方案)
广西建工集团第四建筑工程有限责任公司
钦州滨海新城龙海路工程
项目经理处
编制日期:年月日
一、工程概况
本工程位于钦州滨海新城茅尾海辣椒槌起步区,是钦州滨海新城茅尾海辣椒槌起步区疏通南北向交通流的重要组成部分。
道路由南向北延伸,起点接扬帆大道南延长线工程k16左右,终点接至规划中的滨海大道。
道路全线约4KM,道路红线宽度29m,该段路基为填海路基段。
道路等级规划为城市次干道,设计速度40KM/h,双向4车道,两侧设人行道,沿线敷设给排水、强弱电、照明等市政管线及其以上的景观绿化、交通标志。
全线共设置涵洞10座、交叉口3处。
二、编制依据
《城镇道路工程施工与质量验收规范CJJ1-2008》
《钦州滨海新城辣椒槌片区龙海路工程施工设计图》
龙海路第02号变更(软基变更)路基施工图。
三、分项、检验批划分表
表1、道路工程子单位、分部、子分部、分项、检验批工程的划分
表2、给水排水构筑物及水处理工程子单位、分部、子分部、分项、检验批工程的划分
表3、路灯照明工程子单位、分部、子分部、分项、检验批工程的划分
广西建工集团第四建筑工程有限责任公司
钦州滨海新城龙海路工程
项目经理处。
市政路面工程检验批划分规范1. 引言市政路面工程是城市基础设施建设的重要组成部分,为确保道路质量和使用安全,需要进行检验批划分。
本文档旨在规范市政路面工程检验批划分的步骤和要求,以确保工程质量符合相关标准和规范。
2. 检验批划分的目的市政路面工程的检验批划分是为了对工程进行有效的管理和监督,确保工程质量的合格性和稳定性。
通过划分检验批,可以对工程过程中的各个环节进行全面的检查和评估,及时发现和解决问题,确保工程的顺利进行和最终结果的符合要求。
3. 检验批划分的步骤为了确保检验批划分的科学性和准确性,以下是市政路面工程检验批划分的步骤:3.1 划定检验范围根据工程的具体情况和施工方案,确定每个检验批的范围。
一般可以按照施工工序或者区域进行划分,确保每个检验批的内容和范围具有可比性和可控性。
3.2 制定检验批划分方案在划定检验范围的基础上,制定详细的检验批划分方案。
该方案应包括划分原则、划分方法和划分依据等内容,以确保划分的科学性和合理性。
3.3 实施检验批划分按照检验批划分方案,对每个检验批进行具体划分,并编制相应的检验批划分表。
该表应包括检验批编号、范围、工序、质量目标和检验要求等内容,以便后续的检验和评估工作。
3.4 监督和管理在工程施工过程中,对每个检验批进行监督和管理。
包括对施工过程的监控和记录,对工程质量的评估和验收,以及对问题的处理和整改等。
4. 检验批划分的要求为确保市政路面工程检验批划分的准确和有效,以下是相关的要求:4.1 根据标准和规范检验批划分应根据相关的标准和规范进行,确保划分的科学性和合理性。
例如,可以参考相关行业标准、设计规范和工程施工阶段的要求等。
4.2 全过程监督对每个检验批的施工过程进行全过程监督。
包括对施工工序、施工质量、施工机械设备等的监控和记录,及时发现和解决问题,确保工程的整体质量。
4.3 反馈和改进对每个检验批的检验结果进行反馈和改进。
在发现问题或者不合格的情况下,应及时整改并记录,确保工程质量得到持续改进和提高。
(单位工程、分部工程、分项工程、检验批
划分方案)
编制单位:XX公司
XX公司
编制人:
编制日期:年月日
(参考标准:云南省市政基础设施工程质量验收统一规程)
内容
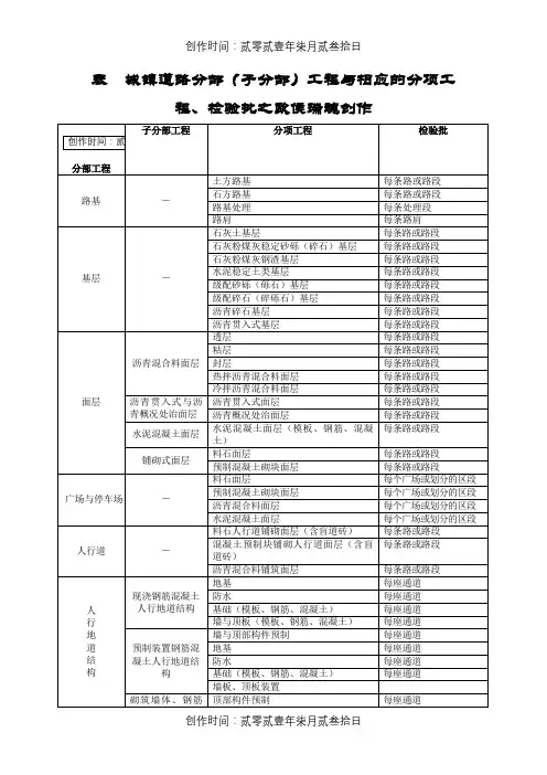
表1、城镇道路工程子单位、分部、子分部、分项、检验批工程的划分
表
2、给水排水构筑物及水处理工程子单位、分部、子分部、分项、检验批工程的 划分
表3、城市桥梁工程子单位、分部、子分部、分项、检验批工程的划分
墨江县工业园区(双龙片区)主干道道路工程
(砂浆、砼、钢筋试块或试件等及土工试验)
样
实
施
方
案
编制单位:云南发展建设监理有限公司编制日期:2015年12月25日。