广珠城际轨道交通工程桥面防水层技术条件
- 格式:doc
- 大小:42.37 KB
- 文档页数:15
桥面防水施工技术方案一、施工依据1.《城市桥梁桥面防水工程技术规程》CJJ139-20102.《道桥用防水涂料》JC/T975-2005 PB3.《桥面防水设计图纸》二、桥面防水层设置要求桥面防水施工面积约7.4万㎡,防水等级:1级,质量目标:优良,该项工程桥面防水层设置于水泥混凝土与沥青混凝土之间,所以该桥面防水层不但要满足优越的防水性能,还必须保证与水泥混凝土及沥青混凝土有良好的粘结力、相融性、抗剪切力能力,以保证在行车中不会发生拥苞等现象;防水层必须具有良好的抗硌破能力,以免在后续施工中对防水层造成破坏;另外还必须具有良好的抗高温和低温性能,具有较好的延伸性能,以满足桥梁强烈动荷载及温差的作用。
综上所述,PB-Ⅰ纤维增强聚合物改性沥青防水层可满足以上要求。
据国内现有规程、标准、及图纸要求,特制定以下施工方案。
四、施 工图2 施工工艺流程图4.2、基层要求4.2.1、基层表面应压实平整,必须充分养护,达到养护期,不得有酥松、起砂、起皮、浮浆现象,应符合设计要求。
4.2.2、桥面抛丸处理的粗糙度根据抛丸试验数据、甲方要求进行商定理论数据。
桥面抛丸粗糙度与桥面混凝土质量及抛丸机工作数据都有关系,大面积施工前须商定具体数据。
4.2.3、面层必须清理干净,不得有杂物和灰尘,以免影响粘结力。
4.2.4、防撞墙拆模后,应彻底清除防撞墙和混凝土桥面交接部位的模,钢筋铁丝等杂物。
4.2.5、桥面含水率不应大于10%,桥面板砼强度达到设计强度90%时方可进行防水施工。
4.2.6、桥面伸缩缝必须填平,符合桥面防水层施工要求。
4.3、施工设备4.3.1 、2-20DT型抛丸喷砂机根据CJJ139-2010《桥梁桥面防水工程技术规程》5.1.5及询价函的规定,利用抛丸喷砂机进行喷砂处理,该设备是一款环保、高效的桥面混凝土表面处理设备,该设备为目前中国国内施工最广泛,存量最多的机器,设备产地:美国。
该设备通过高速运转的抛头将直径在0.5-2.0mm的钢丸加速后抛打到桥面上,清理桥面的浮浆浮着物,使桥面达到较好的粗糙度,增强了桥面防水粘结层的粘结力,是目前国内最为理想的桥面处理设备。
广珠城际轨道交通工程桥面防水层技术条件简介广珠城际轨道交通工程是广东省广州市和珠海市之间的联通工程,全长约116.2公里,共设26座桥梁、13座隧道和73座车站。
其中,桥梁是连接两座城市之间的重要枢纽,而桥面防水层技术是保障桥梁长期安全使用的关键环节。
技术要求材料防水涂料材料应符合以下要求:1.不应有明显的有害有毒物质,如苯、铅、氯乙烯等;2.防水涂料应具有较好的耐候性和抗老化性能;3.防水涂料应具有较好的抗裂性能和拉伸强度;4.防水涂料应具有较好的附着性和耐磨性等性能;5.防水涂料应符合相关国家或行业标准要求。
工艺桥面防水涂层施工工艺要符合以下要求:1.涂层施工前,桥面表面应平整、洁净、干燥,无灰尘、油污、水迹等,无裂缝、凸起、凹陷等缺陷;2.涂层应保证涂料瓶装时的配比准确,搅拌均匀,涂层厚度均匀;3.涂层施工过程中应注意气温、湿度等环境条件,施工期间不能下雨,并在涂层干燥之前保证施工现场整洁;4.涂层厚度应符合设计要求,并应在规定时间内达到质量要求。
检验桥面防水涂层施工后应进行质量检验,检验内容应包括以下要素:1.涂层厚度检验:在桥面不同位置各提取3个试件,通过专业设备进行厚度测量,确保涂层厚度符合设计要求;2.附着力检验:在涂层干燥后,采用划格法或剥离法测定涂层与混凝土基层的附着力,确保涂层与基层之间结合牢固;3.拉伸性能检验:按照标准方法进行拉伸试验,确保涂层的拉伸强度符合设计要求;4.耐水性检验:在制定的时间内,放置试件于水中,检测其耐水性能。
维护桥面防水层施工完成后,需要定期进行维护,主要包括:1.每年检查一次,清理桥面上的垃圾和杂草,并检查涂层表面是否有裂缝、泛白、剥落等现象;2.涂层表面如出现裂缝、泛白、剥落等现象,应及时修补;3.长时间的雨水侵蚀和日晒雨淋也会影响涂层的使用寿命,需要注意是否需要重新涂层。
桥面防水层是桥梁工程的重要部分,具有保护、防腐、防水等作用,广珠城际轨道交通工程中的桥面防水层技术条件非常重要,必须满足国家或行业标准要求,严格按照相关工艺标准进行施工,并要定期进行维护,以确保桥梁长期安全使用。
桥面防水施工方案桥面防水层结构型式为热沥青防水粘结层。
热沥青防水粘结层是在桥面均匀喷洒约2mm左右的SBS改性沥青,然后均匀撒布洁净集料,并进行适度碾压后形成的。
热沥青防水粘结层用SBS改性沥青,改性剂用量为6%以上。
一、施工准备1、基础要求:桥面混凝土铺装层严格控制混凝土水灰比和塌落度,水灰比小于0.38,宜0.35,浇筑入模时混凝土塌落度小于8cm(使用高效减水剂的情况下,可适当放宽塌落度要求,宜控制在12cm以下)。
完成铺装层应平整、干燥、无油污、无突起物(如钢筋头),平整度小于5mm。
2、作好工期计划安排,及时跟踪气象变化,以下情况不得施工:气温低于10℃;雨天、大雾、五级或以上风天;桥面铺装层刚完成后或雨后,桥面未干燥。
3、提前了解、掌握现场施工条件,配备好机械设备、材料及人员,施工前检查机械工作能力是否完好,施工人员应佩戴好劳保用品或防护用具,穿平底工作鞋,不得穿带钉、带跟鞋作业。
二、凿除桥面混凝土铺装层浮浆1、在改性沥青喷洒前,利用具有旋转、冲击能力或喷砂技术的设备凿除桥面浮浆,凿除深度符合以下要求:a、凿除深度控制在3~6mm:b、浮浆凿除后表面露出混凝土骨料面,露出的骨料面积经目测约占全部面积的10%以上。
c、使用喷砂技术设备处理桥面浮浆,应认真选择磨料,磨料直径350~840μm,莫式矿物硬度不低于6.5级。
正式开始大面积凿除浮浆施工前,应先进行小面积现场试验,调整确定适当的磨料种类、粒径、喷射距离、角度、时间、强度,压缩空气压力等参数。
d、凿除浮浆注意施工人员应带口罩等必要防护用具,避免粉尘吸入影响身体健康。
2、浮浆凿除后用扫帚、森林灭火器及真空吸尘器等设备进行粉尘、石屑等杂物清理,完成后桥面混凝土纹理均匀、坚硬、洁净、无杂质。
3、浮浆凿除工序完成后,由监理单位及业主项目经理部进行验收,合格后方可进行下道工序施工。
三、喷洒改性沥青1、桥面防水层改性沥青喷洒采用智能型沥青撒布车,车辆由计算机控制全部撒布过程,具备计算机控制操作系统、沥青加热保温系统、计量系统、循环压力喷射系统、传动系统及沥青泵入口过滤装置等。
桥面防水层施工标准1、原材料要求对于桥面防水粘结材料可以采用SBS改性沥青(同步碎石),也可以采用其它专用防水材料。
SBS改性沥青应满足本册第三篇中技术要求。
当采用采用同步碎石洒布热改性沥青时,洒布量为1.8 kg/m2~2.0 kg/m2,碎石洒布量为满铺面积的60%~70%。
专用桥面防水粘结料应具有足够的粘结性能与防水性能,洒布量为0.8 kg/m2~1.2 kg/m2,分两次洒布,技术要求见表4-3。
特殊结构桥梁防水粘结层材料及工艺须经验证后使用。
专用桥面防水材料技术要求表4-32、施工工艺和要求(1)混凝土基面应当达到一定强度时方可施工,混凝土基层应无酥松,起皮现象;(2)混凝土基层表面应干净、干燥、无浮土、无浮浆、无明显水痕;(3)对于桥面的各种尘土、浮浆都必须处理,浮浆的处理采用抛丸凿毛机进行凿毛处理。
桥面清理采用清理两遍的方法进行施工,第一遍由人工扫地,高压空气清理,在防水涂料施工前进行第二遍清理,采用抛丸凿毛机进行凿毛处理,凿毛时以不损伤底层结构为准,凿毛机钎头作业时必须具有高频率低振动的性能。
随后空压机高压空气进行最后清理;必要时可用水冲洗待彻底干燥;(4)采用同步碎石工艺时,选择适宜的作业速度匀速行驶,洒布速度控制在3 km/h~6 km/h,在喷洒热沥青的同时应同步均匀撒布碎石,局部采用人工辅助方法用扫把排除上下重叠的碎石;(5)专用防水涂料防水粘结层施工采用专用喷涂机械进行施工,按一定的方向和顺序进行喷涂,保证防水粘结层涂膜平整、均匀,无气泡、脱落、漏涂等现象。
第一层涂层厚度在0.3-0.4mm之间,每平米涂层用量0.6-0.8公斤, 第二层涂层厚度在0.4-0.5mm之间,每平米涂层用量0.8-1.0公斤,总涂层厚度在0.8-0.9mm范围内;(6)在喷洒下一层是必须等上一层干燥后进行,在最后一层施工完后4小时能禁止任何车辆通行;(7)禁止雨天施工,尽量避免在高温下进行施工。
铁路混凝土桥面防水层技术条件一、引言铁路桥梁作为铁路线路中的重要组成部分,承载着列车的重量和运行负荷。
为了确保铁路桥梁的安全性和持久性,防水层技术成为了至关重要的环节。
本文将重点介绍铁路混凝土桥面防水层的技术条件。
二、防水层材料的选择1. 防水涂料:防水涂料是常用的桥梁防水层材料之一,其主要成分包括聚合物、纤维和填料等。
具有良好的粘结性和耐候性,能有效防止水分渗透,同时也能抵御紫外线辐射。
2. 弹性体沥青:弹性体沥青是另一种常用的桥梁防水层材料,具有良好的柔性和弹性,能够抵御桥梁产生的振动和变形。
其主要成分为沥青和高分子弹性体。
3. 高分子防水卷材:高分子防水卷材是一种较为常见的防水层材料,具有优异的防水性能和耐久性。
通过将卷材铺设在桥面上,能够有效隔离水分和防止渗漏。
三、防水层施工要求1. 桥面准备工作:在进行防水层施工之前,需要对桥面进行充分的清洁和修补。
清除桥面上的灰尘、杂物和损坏的混凝土,确保桥面表面平整。
2. 底层处理:在进行防水层施工之前,需要对桥面进行底层处理。
底层处理可以采用喷涂混凝土或者涂刷底涂等方法,提高防水层与桥面的粘结力。
3. 防水层施工:根据选择的防水层材料,采取相应的施工方法进行施工。
例如,涂刷防水涂料需要进行多遍涂刷,确保涂层的厚度和均匀性;铺设高分子防水卷材需要进行密封处理和焊接等工序。
4. 防水层检测:在防水层施工完成后,需要进行防水层的检测工作。
通过水压试验或者其他合适的检测方法,检查防水层是否存在渗漏或者其他问题。
5. 防水层维护:防水层施工完成后,需要进行定期的维护工作,以确保防水层的性能和使用寿命。
维护工作包括清洁、修补和涂刷防水涂料等。
四、防水层技术要求1. 抗渗性:防水层应具有良好的抗渗能力,能够阻止水分渗透到桥面下方,保护桥梁结构不受水分侵蚀。
2. 耐久性:防水层应具有较长的使用寿命,能够在长期使用过程中保持良好的防水性能。
3. 粘结强度:防水层与桥面之间的粘结强度应满足相关标准和要求,以确保防水层能够牢固地附着在桥面上。
城市轨道交通防水施工技术城市轨道交通防水施工技术城市轨道交通是现代城市交通的重要组成部分,其建设和运营对城市的发展和人民生活水平的提高起着重要作用。
然而,城市轨道交通建设中的防水工程却是一个不容忽视的问题。
防水工程的质量直接关系到轨道交通的安全和运营的稳定性。
因此,城市轨道交通防水施工技术的研究和应用显得尤为重要。
城市轨道交通防水施工技术主要包括以下几个方面:一、防水材料的选择城市轨道交通防水材料的选择应根据地下水位、地质条件、施工环境等因素进行综合考虑。
常用的防水材料有聚氨酯、环氧树脂、聚氨酯聚脲、丙烯酸酯等。
这些材料具有耐水性、耐腐蚀性、耐磨性等优点,能够有效地防止地下水渗漏。
二、防水施工工艺城市轨道交通防水施工工艺包括基层处理、防水层施工、保护层施工等环节。
基层处理是防水工程的关键环节,其质量直接影响到防水层的质量。
防水层施工应采用专业的施工设备和技术,确保防水层的均匀性和完整性。
保护层施工应注意保护防水层,防止施工过程中对防水层的损坏。
三、防水施工质量控制城市轨道交通防水施工质量控制应从施工前的材料检验、施工过程的质量检查、施工后的验收等环节进行全面控制。
材料检验应严格按照国家标准进行,确保材料的质量符合要求。
施工过程的质量检查应定期进行,发现问题及时处理。
施工后的验收应由专业机构进行,确保防水工程的质量符合要求。
四、防水施工安全措施城市轨道交通防水施工安全措施是防止施工过程中发生安全事故的关键。
施工前应进行安全评估,制定详细的施工方案和安全措施。
施工过程中应加强现场管理,确保施工人员的安全。
施工后应进行安全检查,确保施工过程中未留下安全隐患。
总之,城市轨道交通防水施工技术的研究和应用对于保障城市轨道交通的安全和运营的稳定性具有重要意义。
在防水施工过程中,应注重材料的选择、施工工艺的控制、质量的控制和安全措施的加强,确保防水工程的质量和安全。
铁道工程中有砟轨道桥面防水层的施工技术发布时间:2023-06-29T06:45:34.567Z 来源:《新型城镇化》2023年13期作者:郭亚志[导读] 在我国铁道工程的施工过程中,要想工程能够顺利进行,就要保证工程质量。
天津南环铁路维修有限责任公司天津市 300380摘要:在铁道工程建设过程中,为了提高混凝土桥梁结构的坚固性、耐久性,就需要对其表面进行防水处理,既可防止钢筋出现锈蚀的情况,还可有效防止桥面板渗水的情况,延长桥梁的使用年限。
对铁道工程中砟道桥面防水层的施工技术进行探讨,有关经验可供相关专业人员参考。
关键词:铁道工程;有砟轨道;桥面;防水层;施工技术;在我国铁道工程的施工过程中,要想工程能够顺利进行,就要保证工程质量。
在工程的具体实施阶段,要严格把控施工流程。
对于有砟轨道桥面,防水工作至关重要。
因此,要采用科学的施工方法做好工程防水工作。
只有这样,才能有效避免钢筋被锈蚀等问题,而且桥面板渗水问题也得到了解决。
1 工程简介某新建的铁路为有砟轨道,I级干线,双线电气化,整个线路的长度为577.1 km,设计时速为250 km/h,其中某段有23座桥,设计的桥面宽度为12.2 m,桥梁跨度设计为24 m和32 m。
桥面防水重点是电缆槽防水和道砟槽板防水两部分,其中电缆槽防水层施工主要是刷涂聚氨酯和保护层浇筑施工等内容;道砟槽板防水层施工主要是由涂刷基层处理剂、浇筑C40细石聚丙烯腈纤维混凝土层、铺设高聚物改性沥青防水卷材等过程。
2 施工准备首先,确定桥面类型和需应用的材料类型、尺寸,考量各类品牌的高聚物改性沥青卷材和聚氨酯防水涂料性能和价格,在保证材料的基础上控制施工质量。
结合桥面施工实际优化设计思路,排水设计为两侧挡水的方式,排水坡度设计为2%。
核对地端子的数量并检查位置是否与设计图纸相吻合,开展绝缘电阻检查,确保单体电阻≤4Ω。
重视挡砟墙倒角修整作业,使倒角无凸起和其他问题。
按照设计标高测量台顶高度,若发现台顶高度未达到设计高程,应增加防水保护层,加厚台顶的厚度。
轨道交通工程实体防水检测和质量评定标准轨道交通工程是指城市轨道交通系统的建设和运营,包括地铁、轻轨、有轨电车等交通项目。
在轨道交通工程中,防水工程是非常重要的一环,它直接关系到轨道交通工程的安全和运营。
在防水工程中,实体防水检测和质量评定标准是非常重要的,它们能够保障防水工程的质量和安全。
本文将重点介绍轨道交通工程实体防水检测和质量评定标准,以及该标准的重要性和实施方法。
一、实体防水检测标准1.实体防水工程的要求(1)防水材料应选择符合国家标准的高品质防水材料,确保防水层的质量和稳定性。
(2)防水层施工工艺应符合国家标准和规范要求,确保施工工艺的合理性和可行性。
2.实体防水检测的方法(1)常用的实体防水检测方法有水压测试法、泛水测试法和潮湿试验法等。
其中,水压测试法是最常用的检测方法,通过施加一定的水压来检测防水层的质量和性能。
(2)在进行实体防水检测时,应根据工程的具体要求和设计要求,选择合适的检测方法和设备,确保检测结果的准确性和可靠性。
3.实体防水检测的标准(1)实体防水检测应符合国家相关标准和规范要求,其中包括《建筑防水工程施工质量验收规范》(GB50497-2008)等标准。
(2)在进行实体防水检测时,应严格按照标准要求进行,确保检测结果的准确性和可靠性。
二、防水工程质量评定标准1.质量评定的要求(1)防水工程的质量评定应根据国家标准和规范要求,对防水层的质量和性能进行评定,确保防水工程的安全和可靠性。
(2)质量评定的结果应符合国家相关标准和规范要求,对防水层的质量和性能给出合理和准确的评定。
2.质量评定的方法(1)常用的质量评定方法有现场检测法、取芯检测法和实验室试验法等。
其中,现场检测法是最常用的评定方法,通过在施工现场进行检测来评定防水层的质量和性能。
(2)在进行质量评定时,应根据工程的具体要求和设计要求,选择合适的评定方法和设备,确保评定结果的准确性和可靠性。
3.质量评定的标准(1)防水工程的质量评定应符合国家相关标准和规范要求,其中包括《建筑防水工程质量验收规程》(GB50207-2002)等标准。
铁路混凝土桥面防水层技术条件随着铁路交通的不断发展,铁路桥梁的建设也越来越重要。
作为桥梁中的重要部分,混凝土桥面的防水层技术条件也变得至关重要。
本文将介绍铁路混凝土桥面防水层的技术要求和条件。
铁路混凝土桥面防水层的技术要求包括以下几个方面:1. 防水材料的选择:防水材料应具有良好的耐候性、耐热性和耐腐蚀性,能够长期保持其防水性能。
常见的防水材料包括沥青、聚氨酯、聚合物改性沥青等。
2. 防水层的厚度:铁路混凝土桥面防水层的厚度应根据桥梁的使用条件和设计要求确定,一般应在2-3厘米之间。
3. 防水层的施工方法:施工防水层应采用专业的施工方法,确保防水层的质量和稳定性。
常见的施工方法包括涂刷、铺设防水卷材等。
4. 防水层与混凝土桥面的粘结强度:防水层与混凝土桥面之间的粘结强度应符合相关的标准和要求,以确保防水层能够牢固地粘结在桥面上,不会出现剥离现象。
5. 防水层的耐久性:铁路混凝土桥面防水层应具有较长的使用寿命,能够在长时间的使用过程中保持其防水性能和稳定性。
铁路混凝土桥面防水层的技术条件包括以下几个方面:1. 温度条件:防水层施工时的环境温度应在5℃以上,材料的温度应在5℃-35℃之间。
2. 湿度条件:施工时的相对湿度应在85%以下,以确保防水层的质量。
3. 风力条件:施工时的风力应控制在4级以下,以免影响防水层的施工效果。
4. 施工时间:施工防水层的最佳时间是在天气晴朗、无降雨的情况下进行,以确保防水层能够充分干燥和固化。
5. 施工人员要求:防水层的施工应由经验丰富、技术熟练的人员进行,以确保施工质量。
除了以上的技术要求和条件外,铁路混凝土桥面防水层还需要经过一系列的测试和检验,以验证其质量和性能。
常见的测试项目包括防水层的抗拉强度、耐候性、耐化学腐蚀性等。
铁路混凝土桥面防水层的技术要求和条件是确保桥梁使用寿命和运营安全的关键因素。
只有合理选择防水材料、严格控制施工工艺和施工条件,才能够确保铁路混凝土桥面防水层的质量和性能。
铁路混凝土桥面防水技术讲解(铁研院)
一、铁路混凝土桥面防水体系简介
铁路混凝土桥梁桥面防水层是提高桥梁结构耐久性的重要技术手段。
既有桥梁由于桥面防水失效造成桥面板渗水、钢筋锈蚀的事例很多,直接影响到结构的使用寿命。
用于桥梁有砟、无砟混凝土桥面有保护层的防水体系,TB/T2965-2011《铁路混凝土桥面防水层技术条件》。
氯化聚乙烯卷材加粘贴涂料型防水层体系
高聚物改性沥青卷材型防水层体系
直接用于作防水层的聚氨酯防水体系
用于高铁混凝土桥面无保护层的防水体系:
甲基丙烯酸甲酯(MMA)树脂防水涂料广珠城际快速轨道交通桥面
客运专线桥梁混凝土桥面喷涂聚脲防水二、混凝土桥面防水病害情冴
防水层的病害情冴-龟裂
防水层的病害情冴-龟裂
防水层的病害情冴-龟裂
防水层的病害情冴-龟裂
防水层的病害情况-破损
防水层的病害情况-破损。
第1篇随着城市化进程的加快,地铁工程作为城市交通的重要组成部分,其施工质量直接关系到城市的安全和居民的生活质量。
防水施工作为地铁工程中的关键环节,对于确保地铁结构的稳定性和使用寿命具有重要意义。
以下是地铁工程防水施工的几个要点:一、防水原则1. 防排结合:在地铁施工过程中,应遵循“防、排、截、堵”相结合的原则,根据工程实际情况,合理设计防水系统。
2. 因地制宜:根据工程地质条件、水文地质条件以及工程结构特点,制定相应的防水方案。
3. 综合治理:防水施工应与地基处理、结构设计、施工工艺等多方面相结合,形成综合治理体系。
二、防水材料选择1. 选择符合国家标准和行业规范的防水材料,确保材料质量。
2. 根据工程环境、地质条件、结构特点等因素,合理选择防水材料类型,如防水涂料、防水卷材、防水砂浆等。
3. 材料进场时,应进行抽样检验,确保材料性能符合要求。
三、施工工艺1. 预处理:施工前,对施工面进行清理,确保无油污、灰尘、杂物等,提高防水层的粘结性能。
2. 基层处理:根据基层情况,采用相应的基层处理剂进行涂刷,确保基层干燥、平整、无裂缝。
3. 铺设防水层:根据防水材料类型,采用相应铺设工艺,如涂刷、铺设、焊接等,确保防水层连续、平整、无空鼓。
4. 接缝处理:对阴阳角、施工缝、穿墙管等部位进行加强处理,采用专用密封胶或防水涂料进行密封。
5. 防水层施工完成后,应进行蓄水试验,确保防水层无渗漏。
四、施工管理1. 施工过程中,应严格按照施工方案和操作规程进行施工,确保施工质量。
2. 加强施工人员培训,提高施工人员对防水施工技术的掌握程度。
3. 定期对施工过程进行检查,发现问题及时整改。
4. 完成施工后,进行竣工验收,确保工程质量符合国家标准。
五、后期维护1. 定期对防水层进行检查,发现问题及时修复。
2. 加强对地铁结构的保护,防止人为损坏防水层。
3. 对地铁结构进行定期维护,确保防水层长期有效。
总之,地铁工程防水施工是一项复杂而重要的工作,需要我们从材料选择、施工工艺、施工管理等多方面进行严格控制,确保地铁工程的质量和安全。
广珠城际轨道交通工程桥面防水层暂行技术条件二○○八年三月前言铁路混凝土桥面防水层是提高桥梁耐久性的重要技术手段,既有桥梁由于桥面防水层失效造成桥面板渗水、钢筋锈蚀的事例很多,直接影响到梁部结构的使用寿命。
广珠城际快速轨道交通桥梁工程的特点是桥面结构措施简单,恒活载相对较小,结构轻型化。
取消了桥面防水层的混凝土保护层以减轻桥面二期恒载;无碴轨道采用框架板式,其底座通过预埋钢筋与桥梁结构顶面现浇为一体,形成凸凹不平的外表面,适应于采用喷涂型防水涂料。
甲基丙烯酸甲酯(MMA)树脂防水层源自英国铁路,具有独特的性能特点:不需要混凝土保护层且能适用于各种不规则的基面;耐磨、耐久性能好;流淌性固化性好;施工方便、周期较短;便于检查和修补等,是广珠城际轨道交通工程较理想的防水材料。
甲基丙烯酸甲酯(MMA)树脂防水层不包含在《客运专线桥梁混凝土桥面防水层暂行技术条件》(修改稿)(2007年9月)范围内,为保证工程质量、指导施工,需针对甲基丙烯酸甲酯(MMA)树脂防水涂料重新制定暂行技术条件。
本暂行技术条件编制过程如下:●2005年9月完成的广珠城际轨道交通工程初步设计中,桥面系设计中采用了甲基丙烯酸甲酯(MMA)树脂防水层,同年10月7日,部在铁鉴函〔2005〕662号《关于广州至珠海(含中山至江门)城际快速轨道交通工程初步设计的批复》中“原则同意设计推荐的桥面系布置”。
●2007年3月,部组织对广珠城际简支箱梁设计进行评审,以铁鉴函〔2007〕351号《关于广珠城际轨道交通工程双线单箱双室等箱型梁设计图的批复》,“原则同意桥面的防水处理方案”。
●2007年4~8月,根据国内外的各项测试结果,参考科技基〔2005〕101号《客运专线桥梁混凝土桥面防水层暂行技术条件》编写了广珠城际轨道交通工程甲基丙烯酸甲酯(MMA)树脂桥面防水层暂行技术条件的初稿,并于2007年8月9日上报科技司恳请核准。
●2008年3月25日,由铁道部科学科技司在北京主持召开了广珠城际轨道交通工程桥面防水层技术条件评审会,与会专家在认真讨论的基础上形成了审查意见。
城市轨道交通地铁车站防水施工技术【摘要】城市轨道交通地铁车站防水施工技术在城市地铁建设和运营中起着至关重要的作用。
本文首先介绍了城市轨道交通地铁车站防水施工技术的重要性,探讨了其发展现状及研究意义。
接着分析了影响这一技术的因素,总结了主要的施工方法和关键技术,以及实施策略和应用效果。
在展望了城市轨道交通地铁车站防水施工技术未来的发展趋势,并提出了建议和展望,再次强调了这一技术的重要性。
通过本文的研究,可以更好地了解和掌握城市轨道交通地铁车站防水施工技术,促进其在城市地铁建设和运营中发挥更大的作用,保障城市地铁的安全和可持续发展。
【关键词】城市轨道交通、地铁、车站、防水、施工技术、影响因素、主要方法、关键技术、实施策略、应用效果、发展趋势、建议、展望、重要性。
1. 引言1.1 城市轨道交通地铁车站防水施工技术的重要性城市轨道交通地铁车站防水施工技术的重要性在城市轨道交通建设中起着至关重要的作用。
地铁车站作为城市交通的重要枢纽,承载着大量的客流量,而地铁车站的防水工作直接关系到车站设施的使用寿命和安全性。
地铁车站位于地下深处,地下水位较高,如果车站防水不到位,容易导致地铁车站受潮、漏水,影响到客流秩序和设施设备的正常运行。
地铁车站建设一般涉及到大量的地下管线和设备,如果地铁车站防水不达标,可能会导致管线渗水、设备受潮,从而影响到地铁线路的安全运行。
城市轨道交通地铁车站防水施工技术的重要性不言而喻,只有做好防水工作,才能确保地铁车站的安全、舒适和持续运营。
在城市轨道交通地铁车站建设中,防水工作应被高度重视,加强技术研究和实践经验总结,不断提升防水施工技术水平,确保城市地铁交通系统的可持续发展和安全运行。
1.2 城市轨道交通地铁车站防水施工技术的发展现状目前,城市轨道交通地铁车站的防水施工技术已经取得了一定的发展。
随着城市轨道交通建设的不断扩张和更新,对车站防水施工技术的要求也越来越高。
现代城市地铁车站的建设规模不断扩大,建筑形式多样化,结构复杂化,因此对防水施工技术的要求也越来越严格。
11.8.3 桥面防水粘结层施工技术要求11.8.3.1 材料要求1、材料桥面防水粘结层材料采用水性环氧沥青。
2、材料性能技术要求桥面防水粘结层材料性能技术要求达到江苏省地方标准<<水泥混凝土桥面水性环氧沥青防水粘结层施工技术规范>>(DB 32/T2285-2012),主要性能指标见下表。
水性环氧沥青防水粘结层材料技术指标11.8.3.2 防水粘结层的施工1、桥面抛丸处理为使沥青混凝土铺装与下面的混凝土结构紧密结合,桥面板表面采用抛丸处理,抛丸施工应注意如下几项:1)抛丸机按照行走速度匀速行驶,进行喷砂,喷砂抛丸机行走速度采用调整后的档速行走。
2)抛丸构造深度0.2~0.3㎜,露骨率≥20%。
由于界面的不均匀,当一遍达不到20%的露骨率时进行二次抛丸,直至满足技术要求(砼不均匀,导致骨料分布不均的除外)。
3)抛丸处置后的表面有均匀的粗糙度和良好的清洁度。
4)对无法抛丸处置的边角等部位,采用手推式打磨机补充处置。
5)抛丸处置后应尽快进行防水粘结层的施工,减少二次污染。
6)施工环境温度5~40℃,空气相对湿度小于90%,雨雪天气禁止施工。
7)桥面应平整,突起物应凿除,以免影响抛丸设备出现漏砂等现象。
8)油污、锈迹、杂物、尘土应清理,清扫干净,防止施工过程中污染磨料砂丸。
2、桥面清洁及水性环氧乳液打底桥面经抛丸后,表层浮浆已去除,桥面相对平整且具一定粗糙度,但尘灰依然存在,需进一步清洁并加以巩固。
具体步骤如下:1)清扫桥面浮尘,不易清扫的地方采用钢丝刷人工清刷。
2)用喷涂机或洒布车将水性环氧乳液均匀喷洒桥面,喷洒量为0.10kg/㎡~0.20kg/㎡。
水性环氧乳液具有极强的渗透性,能快速渗入混凝土桥面表层,对混凝土表层微细裂缝具有渗透加固及修补功能。
3)水性环氧乳液喷洒打底桥面后半小时即可进入下一道工序,即喷洒水性环氧沥青材料。
3、喷洒水性环氧沥青材料采用专用的、可有效控制洒布剂量的喷洒设备,喷洒水性环氧沥青。
目次1 范围 (1)2 引用标准 (1)3 材料 (1)4 基层 (5)5 防水层 (5)6 质量检查 (6)7 保护层 (6)8 其它 (7)前言铁路混凝土桥梁桥面防水层是桥梁桥面的重要组成部分,防水层的防水效果直接关系到结构的耐久性。
既有桥梁由于桥面防水失效造成桥面板渗水、钢筋锈蚀的事例屡有发生,影响了行车安全和结构的使用寿命。
为了保证桥面防水层的防水效果,提高结构的耐久性,根据《铁路混凝土桥梁桥面TQF—Ⅰ型防水层的研究》科研成果制定本标准。
本标准由铁道部标准计量研究所提出并归口。
本标准起草单位:铁道部科学研究院铁道建筑研究所、铁道部专业设计院、中国铁道建筑总公司房山桥梁工厂、丰台桥梁工厂、铁道部标准计量研究所。
本标准起草人:张挽、张澍曾、殷宁骏、盛黎明、杨梦蛟、李元龙、张旭东、孙金更。
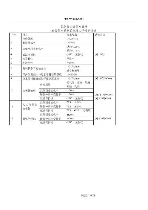
中华人民共和国铁道行业标准TB/T 2965—1999铁路混凝土桥梁桥面 TQF —I 型防水层技术条件1 范围本标准规定了由氯化聚乙烯防水卷材和聚氨酯防水涂料共同构成的TQF —Ⅰ型防水层用材和施工的技术要求、检验方法和检验规则。
本标准适用于铁路混凝土桥梁桥面防水层。
2 引用标准下列标准包含的条文,通过在本标准中引用而构成为本标准的条文。
在标准出版时,所出版本均为有效。
所有标准都会被修订,使用本标准的各方应探讨、使用下列标准最新版本的可能性。
GB 12953—91 氯化聚乙烯防水卷材 JC 500—92 聚氨酯防水涂料 GB/T 13477—92 建筑密封材料试验方法 GB 190—90 危险货物包装标志 GB 191—90 包装储运图示标志 GB 3186—82 涂料产品的取样 3 定义3.1 氯化聚乙烯防水卷材 3.1.1 规格防水卷材的厚度规格为:1.2mm ;防水卷材的宽度规格为:850、920、1000mm ; 防水卷材的长度规格为:12.3、16.3m ; 其他规格由供需双方商定。
3.1.2 技术要求3.1.2.1 防水卷材的外观质量:表面应无气泡、疤痕、裂纹、粘结和孔洞。
广珠城际轨道交通工程桥面防水层暂行技术条件二○○八年三月前言1铁路混凝土桥面防水层是提高桥梁耐久性的重要技术手段,既有桥梁由于桥面防水层失效造成桥面板渗水、钢筋锈蚀的事例很多,直接影响到梁部结构的使用寿命。
广珠城际快速轨道交通桥梁工程的特点是桥面结构措施简单,恒活载相对较小,结构轻型化。
取消了桥面防水层的混凝土保护层以减轻桥面二期恒载;无碴轨道采用框架板式,其底座通过预埋钢筋与桥梁结构顶面现浇为一体,形成凸凹不平的外表面,适应于采用喷涂型防水涂料。
甲基丙烯酸甲酯(MMA)树脂防水层源自英国铁路,具有独特的性能特点:不需要混凝土保护层且能适用于各种不规则的基面;耐磨、耐久性能好;流淌性固化性好;施工方便、周期较短;便于检查和修补等,是广珠城际轨道交通工程较理想的防水材料。
甲基丙烯酸甲酯(MMA)树脂防水层不包含在《客运专线桥梁混凝土桥面防水层暂行技术条件》(修改稿)(2007年9月)范围内,为保证工程质量、指导施工,需针对甲基丙烯酸甲酯(MMA)树脂防水涂料重新制定暂行技术条件。
本暂行技术条件编制过程如下:●2005年9月完成的广珠城际轨道交通工程初步设计中,桥面系设计中采用了甲基丙烯酸甲酯(MMA)树脂防水层,同年10月7日,部在铁鉴函〔2005〕662号《关于广州至珠海(含中山至江门)城际快速轨道交通工程初步设计的批复》中“原则同意设计推荐的桥面系布置”。
●2007年3月,部组织对广珠城际简支箱梁设计进行评审,以铁鉴函〔2007〕351号《关于广珠城际轨道交通工程双线单箱双室等箱型梁设计图的批复》,“原则同意桥面的防水处理方案”。
●2007年4~8月,根据国内外的各项测试结果,参考科技基〔2005〕101号《客运专线桥梁混凝土桥面防水层暂行技术条件》编写了广珠城际轨道交通工程甲基丙烯酸甲酯(MMA)树脂桥面防水层暂行技术条件的初稿,并于2007年8月9日上报科技司恳请核准。
●2008年3月25日,由铁道部科学科技司在北京主持召开了广珠城际轨道交通工程桥面防水层技术条件评审会,与会专家在认真讨论的基础上形成了审查意见。
会后根据专家意见进行了认真的补充、修改。
本技术条件负责起草单位:中铁第四勘察设计院集团有限公司、武汉艾尔格桥梁新技术开发有限公司、深圳华士域防腐工程技术有限公司、使得利工程有限公司本技术条件主要起草人:罗世东、陈勇、叶茂林、李永鼎、余子腾、卜海鹏、梅达得本技术条件由铁道部科技司负责解释21 适用范围本技术条件适用于广珠城际轨道交通工程混凝土桥面防水层,规定了广珠城际轨道交通工程混凝土桥面防水层的主要技术指标、质量要求等。
2 规范性引用文件本技术条件引用或参照标准及测试方法:GB/T1410-2006 固体绝缘材料体积电阻率和表面电阻率试验方法GB/T1690-2006 硫化橡胶或热塑性橡胶耐液体试验方法GB/T2411-1980 塑料邵氏硬度试验方法GB/T2790-1995 胶粘剂180o剥离强度试验方法挠性材料对刚性材料GB/T9265-1988 建筑涂料涂层耐碱性、耐洗刷性的测定GB/T16777-1997 建筑防水涂料试验方法ISO34-1:2004 硫化橡胶撕裂强度的测定方法ASTM 4587-2001 用荧光紫外线照射测试科技基〔2005〕101号2007年9月《客运专线桥梁混凝土桥面防水层暂行技术条件》(修订版)3甲基丙烯酸甲酯(MMA)树脂防水涂料技术要求3直接用于防水层的材料包括甲基丙烯酸甲酯(MMA)树脂防水涂料和基面处理剂。
3.1 MMA树脂防水涂料的物理力学性能应符合表3.1.1的规定。
表3.1.1 MMA树脂防水涂料物理力学性能指标及试验方法实验方法指标项目序号9.01拉伸强度MpGB/T167775≥12断裂伸长率6032004ISO34-,膜2mMp抗撕裂强度N/mGB/T167774951000h℃耐加热老80老化后拉ASTM 45875901000h耐紫外线加速老化强度保9072硫酸、盐酸酸处率GB/T1677908氢氧化钾碱处氢氧化钠0.1GB/T1677991000h℃耐加热老80老化后断ASTM 4581091000h耐紫外线加速老化伸长率保9011硫酸、盐酸酸处2率GB/T16779012氢氧化钾碱处0.1氢氧化钠13无处低温弯折14加热处A附无裂℃-3515酸处2mm16碱处17不透不透水1.8Mpa,24hGB/T16777181.0加热伸缩率(%-4.无开裂,GB/T926519500h溶液耐碱性,饱Ca(OH起皮剥9520固体含量30min21(h)表干时GB/T1677710min460min22(h)实干时30min4≤树脂防水涂料物理力学性能指标及试验方法3.1.1 MMA续表4试验方法指标序号项目GB/T16777 23 ≥2.5 (Mpa)与混凝土粘接强度GB/T2790 ≥3.524 )(N/mm 与混凝土剥离强度5≥3.5×25 10体积电阻率(MΩcm)GB/T1410 抗电导6 26 ≥5.0×10表面电阻率(MΩGB/T24112740D邵氏硬28B抗道碴动态碾无穿见附0.7g29C耐磨耗性能,重量保持见附录0.1mm)0.1mm,3.0±1.0+0.1mm,1.5±0.1mm,2.0±(试样膜厚3.2 一般情况下,未启封产品的有效期为一年。
3.3 产品采用密闭容器包装。
运输途中防止日晒雨淋,禁止接近热源或食品。
40℃,最低温3.4 产品应储存于阴凉、干燥、通风处,免受阳光直射。
储存温度不宜高于℃。
度不应低于5 产品应附有产品合格证和产品使用说明书。
3.5树脂防水涂料的颜色应采用除黑色外的其它颜色。
3.6 MMA基层处理剂技术要求4的规定。
基层处理剂的物理力学性能符合表4.1 4.1产品应采用密闭容器包装。
4.2运输途中防止日晒、雨淋,禁止接近热源。
4.35℃。
404.4 产品应储存于阴凉、干燥、通风处,储存最高温度不应高于℃,不应低于4.5 产品应附有产品合格证和产品使用说明书。
4.6 一般情况下,未启封产品的有效期为一年。
基层处理剂的物理力学性能指标表4.1项目指标试验方法序号1 60 30(%) ~固体含量2 ≤1固化时间(h)(20℃)GB/T167773 ℃,耐热性(805h无流淌、鼓泡、滑动)4无裂纹棒)Ф10mm℃,-5低温柔性(5 防水层结构形式简图5砂浆CA防水涂料防水涂料基层处理剂基层处理剂无碴轨道底座基层桥面基层5.1无碴轨道桥面防水层结构形式简图图防水涂料基层处理剂桥面基层有碴轨道桥面防水层结构形式简图图5.2 6.防水层铺设6.1 MMA树脂防水层上不需要制作保护层,适用于有碴和无碴桥面。
6.2防水层构造应符合设计图纸要求。
树脂基层处理剂应在处理好的混凝土表面做一道低黏度MMA在做MMA防水涂料之前,6.3 以起到封闭混凝土和提高防水膜和底层的黏结强度。
物理力学性能指标仍然能够达到1mm6.4 MMA防水膜应能够根据实际需要调整厚度,最低在技术要求。
基层处理施工方法及要求6.5 。
混凝土基层表面处理要求及标准见附录D6.5.1所有涂防水膜的混凝土面板必须使用机械工具处理,如真空喷砂清理等,使表面平整6.5.2 并达到一个粗糙度,为涂布基层处理剂前做好预备工作。
6.5.3 用指甲轻刮表面,检查干燥剂是否完全固化,完全固化时表面应不留痕迹。
㎡;当基/基层处理剂于混凝土基面,涂布率为0.2㎏6.5.4 喷涂或滚涂一度单一组分MMA 防水层层处理剂完工固化后,必须通过报检及通过拉力测试合格后,才可进行MMA 防水胶粘接,其附着力结果要记录。
MMA施工;附着力测试铆钉粘结采用原基层处理剂完工后禁止车辆经过,以免造成不必要的污染,检查基层处理层,应无粘6.5.5着或接触时不感柔软,否则应给额外时间让基层处理层彻底干固,一般情况下基层处个小时即可进行下一步施工。
理剂涂布后166.6 MMA防水膜系统施工方法及要求6.6.1施工温度范围为5℃~40℃,在施工时不作防水系统的位置应先作临时保护。
6.6.2防水膜施工应连续施工,若因天气等问题造成防水膜喷涂中断,则应预留出搭接位置约50㎜宽;第一层施工后半个小时即可施工下一层。
当下一层施工搭接该位置时,如因搁置时间已超过24小时,则搭接位置应用丙酮擦拭涂层表面,基层处理层只用砂纸轻轻打磨便可。
6.6.3四级以上强风天气不宜进行桥面防水层施工;施工周围的环境相对湿度不高于95%,施工时基面温度应该在露点3℃以上。
6.6.4如果防水膜厚度2mm,为满足施工要求应分两层施工,为避免漏喷、针孔和检查漆≥膜的厚度,应分为不同颜色。
6.6.5 防水膜A组份与B组份的比例是1:1,在喷器内度量和搅拌混合,未连接到喷器之前,不能在其他容器内混合A组份与B组份。
6.6.6 MMA防水膜最小厚度要求:无碴轨道结构CA砂浆覆盖下的区域不小于1mm,其余区域不小于1.5mm,有碴轨道不小于3mm。
MMA防水材料用量:1mm干膜厚度用量为1.3kg~1.5kg/6.6.7㎡;2mm干膜厚度用量2.6kg~3.0kg/㎡;3mm干膜厚度用量3.6kg~4.5kg/㎡。
6.6.8 以上喷涂施工MMA防水膜期间喷涂以最少每50㎡量度一次。
7质量检查7.1材料检查规则防水层原材料检验项目和检验频次按表7.1.1求执行。
7.2质量判定规则7.2.1产品抽检结果全部符合本技术条件要求者,判为整批合格。
若有一项技术要求不合格时,应双倍抽样检验该项目,若仍有一项不合格,则判整批不合格。
7.2.2防水涂料应涂刷均匀,无漏喷、无气泡。
铺设完成后,用测厚仪检查涂层厚度。
表7.1.1MMA树脂防水涂料检验项目和检验频次7安全措施8.作业区不得明火作业、吸烟、饮食;施工场地要配备足够的灭火器,工作人员应正确使8.1 用灭火器,任何人不得私自挪用灭火器。
8.2桥上属于高空作业、所有上岗工人应穿戴安全防护和相应保护措施等。
所有施工人员了解容器外的标贴所指的安全守则。
8.3保修期9.8防水层的保修期限从正式验交、交付运营之日起计算。
在防水层的保修期限内,由于施工质量原因造成的防水层失效,防水层施工单位应承担维修、更换等义务;同时也不免除追究防水层施工单位由此造成运营损失的责任。
防水层的保修期,当与业主有合同约定时,按合同办理;无合同约定时,保修期为10年。
附录A低温弯折性能试验(三点弯折测试)9(规范性附录)A1测试介绍三点弯折测试目的是用来评估MMA防水膜的低温弯折性能。
将MMA防水膜喷涂在三点弯折钢片的正反面,放入-40℃的低温保持箱后,使用疲劳测试机台进行测试。
测试用的夹具制造公差必须严格控制,才能保证施加变形与规范要求一致(如图A1)。