施工员(装饰装修)案例分析题
- 格式:doc
- 大小:45.00 KB
- 文档页数:3
2023年施工员之装饰施工专业管理实务题库附答案(典型题)单选题(共30题)1、使用前应检查滑轮的轮槽、轮轴、颊板、吊钩等部分有无裂缝或损伤,滑轮转动是否灵活,润滑是否良好,同时滑轮槽宽应比钢丝绳直径大()mm。
A.1~2B.1~2.5C.1~3D.1~1.5【答案】 B2、会议是进度控制的()。
A.管理措施B.技术措施C.组织措施D.经济措施【答案】 C3、根据《建设工程工程量清单计价规范》GB50500一2013有关规定,工程量清单计价应采用()单价法。
A.工料B.综合C.扩大D.预算【答案】 B4、轻钢龙骨吊顶内敷设线槽应单独设置吊具,吊杆直径不小于()mm。
A.6B.8C.10D.12【答案】 B5、下列关于木踢脚板安装技术要点的说法,错误的是()。
A.踢脚板背面应刷防腐涂料B.木踢脚板接缝处应做平接C.转角处应做成45°斜角对接D.木踢脚板安装后必须与地板面垂直【答案】 B6、门窗框周边是砖墙时,砌墙时可()以便与连接件连接。
A.砌人混凝土預制块B.砌人小型碎砖块C.在砂浆中加人减水剂D.使用高强度砌块砖【答案】 A7、抹灰施工时,当采用加强网对不同材料基体交接处进行加强时,加强网与各基体的搭接宽度不应小于()mm。
A.50B.100C.150D.200【答案】 B8、选择()是施工方案中的关键问题,它直接影响施工质量、进度、安全以及工程成本,因此在编制施工组织设计时必须加以重视。
A.施工方法和施工机械B.施工工序和施工方法C.施工工序和施工机械D.施工程序和施工方法【答案】 A9、在施工成本控制的步骤中,控制工作的核心是()。
A.预测估计完成项目所需的总费用B.分析比较结果以确定偏差的严重性和原因C.采取适当措施纠偏D.检查纠偏措施的执行情况【答案】 B10、起吊物件应捆扎牢固。
电动吊篮吊重物行走时,重物离地面高度不宜超过()m。
A.1B.1.5C.2D.2.5【答案】 B11、一级资质标准:总会计师具有()以上会计职称。
2023年施工员之装饰施工专业管理实务高分题库附精品答案单选题(共30题)1、施工成本预测的实质是在施工项目的施工之前()。
A.对成本因素进行分析B.分析可能的影响程度C.估算计划与实际成本之间的可能差异D.对成本进行估算【答案】 B2、下列不属于住宅室内装饰装修管理服务协议内容的是()。
A.装饰装修工程的实施内容B.装饰装修工程的实施期限C.住宅外立面设施及防盗窗的安装要求D.入住时间【答案】 D3、进行室内装修木质材料表面防火涂料处理作业时,应对木质材料的所有表面进行均匀涂刷,涂刷防火涂料用量不应少于()g/㎡.A.100B.300C.500D.1000【答案】 C4、根据《建设工程工程量清单计价规范》GB50500一2013有关规定,工程量清单计价应采用()单价法。
A.工料B.综合C.扩大D.预算【答案】 B5、一级资质标准:企业有职称的工程技术和经济管理人员不少于()人。
A.20B.30C.40D.50【答案】 C6、抹灰完工后,室内墙面、柱面和门洞口等处应采用配合比()水泥砂浆制作阳角护角。
A.1:1B.1:2C.1:2.5D.1:3【答案】 B7、某项目进行墙面进行抹灰、涂饰施工。
现由于各种原因,项目年前需要完成施工并交付验收,需要抢工作业。
原计划工期如下为,抹灰施工10d,抹灰后间隔10d,涂饰施工12d。
项目部原方案为增加抹灰工5人,涂饰工人5人,可使抹灰和涂饰施工时间各减少3d。
但考虑到年前抹灰工人工资从原先的200元/d上涨到了300元/d,涂饰工人从原先的180元/d上涨到了250元/d,故项目部从节省成本考虑,将抹灰后的间隔时间缩短到4d以保证工期顺利完成。
试回答以下问题:A.缺乏进度计划系统观念B.缺乏进度计划动态控制观念C.缺乏进度计划比较优选观念D.缺乏进度计划简化观念【答案】 D8、某工程采用低温热水地面辐射供暖,在热辐射供暖地面填充层施工中,经抽测到填充层在混凝土的实际强度等级为C20,加热管内的水压为0.4MPa'填充层养护过程中,加热管内的水压为3MPa;为了抢工期,填充层养护7d后,就进行木地板面层的施工,木地板面层与墙、柱交接处留有16mm的伸缩缝。
2023年施工员之装饰施工专业管理实务通关题库(附带答案)单选题(共30题)1、板材隔墙工程的检查数量应符合下列规定:每个检验批应至少抽查(),并不得少于3间。
A.20%B.10%C.15%D.30%【答案】 B2、施工成本分析是施工成本管理的主要任务之一,下列关于施工成本分析的表述中正确的是()。
A.施工成本分析的实质是在施工之前对成本进行估算B.施工成本分析是指科学的预测成本水平及其发展趋势C.施工成本分析是指预测成本控制的薄弱环节D.施工成本分析应贯穿于施工成本管理的全过程【答案】 D3、建筑工程资料是对工程进行检查、维护、管理、使用、改建和扩建的原始依据,是()的必备条件。
A.工程建设及竣工验收B.处理工程质量问题C.处理工程安全问题D.处理工程成本问题【答案】 A4、电焊工作地点()以内不得有易燃、易爆材料。
A.5mB.6mC.8mD.10m【答案】 D5、在成本形成过程中,对施工项目成本进行的对比评价和总结工作,称为()。
A.施工成本控制B.施工成本计划C.施工成本管理D.施工成本分析【答案】 D6、某项目进行成本偏差分析,结果为:已完工作预算成本(BCWP)—已完工作实际成本(ACWP)<0;已完工预算成本(BCWP)—计划完成工作预算成本(BCWS)>0。
则说明()。
A.成本超支,进度提前B.成本节约,进度提前C.成本超支,进度拖后D.成本节约,进度拖后【答案】 A7、某室内装饰工程项目部关于施工顺序的安排,正确的是()。
A.风管安装→墙面涂饰→吊顶安装→地面铺贴B.吊顶安装→风管安装→墙面涂饰→地面铺贴C.风管安装→吊顶安装→地面铺贴→墙面涂饰D.地面铺贴→吊顶安装→风管安装→墙面涂饰【答案】 C8、二级资质标准:企业近3年最高年工程结算收入()万元以上。
A.800B.1000C.1200D.1400【答案】 B9、负有举证责任的一方当事人所主张的事实的证据被称为()。
A.原始证据B.本证C.反证D.直接证据【答案】 B10、二级资质标准:工程技术人员中,具有中级以上职称的人员不少于()人。
2023年施工员之装饰施工专业管理实务高分题库附精品答案单选题(共50题)1、轻钢龙骨隔断施工,石膏板一般用自攻螺钉固定,板边钉距板中间距为()mm。
A.200B.250C.300D.400【答案】 C2、某住宅楼为6层砌体结构,建筑面积1200㎡,现需进行抹灰施工。
某施工企业承揽该工程抹灰施工。
关于该工程的定额与计价有如下问题:A.超运距=预算定额取定运距-劳动定额己包括的运距B.辅助用工=∑(材料加工数量×相应的加工劳动定额)C.人工幅度差=(基本用工+辅助用工+超运距用工)×人工幅度差系数D.人工幅度差=(基本用工+辅助用工)×人工幅度差系数【答案】 D3、石膏板、钙塑板安装。
当采用钉固法安装时,螺钉至板边距离不得小于()mm。
A.30B.10C.15D.50【答案】 C4、下列哪一项资料不是项目开工前应具备的证据资料。
()A.开工报告B.施工进度计划C.施工许可证D.隐蔽验收记录【答案】 D5、关于自动安平红外激光投线仪表述错误的是()。
A.仪器可产生五个激光平面(一个水平面和四个正交铅垂面,投射到墙上产生激光线)和一个激光下对点。
两个垂直面在天顶不相交B.仪器自动安平范围大,放在较为平整物体上,或装在脚架上调整至水泡居中即可C.可转动仪器使激光束到达各个方向。
微调仪器,能方便、精确地找准目标D.自动报警功能可使仪器在倾斜超出安平范围时激光线闪烁,并报警【答案】 A6、石膏板标志法观测裂缝,用()的石膏板,固定在裂缝两侧。
A.厚40mm,宽20~50mmB.厚30mm,宽30~60mmC.厚20mm,宽40~70mmD.厚10mm,宽50~80mm【答案】 B7、施工成本管理的目的是利用组织、经济、技术和合同等措施()。
A.全面分析实际成本的变动状态B.将实际成本控制在计划范围内C.严格控制计划成本的变动范围D.把计划成本控制在目标范围内【答案】 B8、确定施工流向时,工程各部位的繁简程度,哪些部位应先施工()。
土建施工员-装饰装修工程(总分185,考试时间90分钟)一、判断题1. 水泥必须有出厂合格证,品种性能符合要求,凝结时间和安定性复验应合格。
A. 正确B. 错误2. 在沉淀池中的石灰膏应加以保护,防止其干燥、冻结和污染。
A. 正确B. 错误3. 为了确保抹灰层与基体之间黏结牢固,避免出现裂缝、空鼓和脱落等现象,抹灰前必须针对不同的基体采取相应的处理方法。
A. 正确B. 错误4. 室内墙裙、踢脚板一般要比罩面灰墙面高出2~3mm,因此,应根据高度弹线,把八字尺靠在线上用铁抹子切齐,修边清理,然后再抹墙裙和踢脚板。
A. 正确B. 错误5. 抹底层灰的前一天,用水湿润基层,当天再根据情况适当洒水,紧接着满刷一遍108胶水泥浆作为结合层,随刷随抹底层灰。
A. 正确B. 错误6. 待水泥石子浆稍收水后,用铁抹将露出的石子尖棱轻轻拍平,然后用刷子蘸水刷去表面浮浆,拍平压光一遍,再刷再压,不少于2遍,使石子大面朝外,表面排列均匀。
A. 正确B. 错误7. 于粘石按其施工方法分为手工干粘石和机喷干粘石。
8. 为防止粘石脱落,在干粘石面层宜用甲基硅醇钠憎水剂喷一遍。
A. 正确B. 错误9. 拉条灰施工应准备木轨道及拉条模具。
木轨道用杉木制成,断面尺寸为60mm×20mm。
模具长300~500mm,一侧刻有凹凸状的齿形,齿口包铁皮。
A. 正确B. 错误10. 面层灰拉条完成后,取出木轨道,进行养护。
A. 正确B. 错误11. 在一个平面上拉毛时,应避免中断留槎,以确保达到色泽一致不露底。
A. 正确B. 错误12. 喷涂是利用喷枪(或喷斗)及压缩空气将聚合物水泥砂浆或聚合物水泥石灰砂浆喷涂于外墙面上。
A. 正确B. 错误13. 聚合物砂浆涂抹一段时间后,紧跟着进行滚涂,辊子运行要轻缓平稳、直上直下,以保持花纹一致。
A. 正确B. 错误14. 底层灰凝固后,在墙面上弹出分块线,分块线按设计图案而定,使每一分块呈不同尺寸的矩形或多边形。
施工员岗位理论与实务一、计算题:1.已知:某构件砼的实验室配合比为1:x:y=1:2.55:5.12,水灰比为W/C=0.6,每1m3, 砼的水泥用量C=285kg,现场测得砂含水率为3%,石含水率1%。
求:施工配合比及每1m3各种材料用量。
答:施工配合比为1:x(1+Wx):y(1+Wy)=1:2.55(1+3%):5.12(1+1%)=1:2.63:5.17水泥285kg 砂285×2.63=749.55Kg 石285×5.17=1473.45kg水285×0.6-285×3%-285×5.12×1%=134.61kg2.某房屋基础为带状基础,其基槽断面尺寸如下图所示。
根据设计提供的资料,地基土为亚粘土,Ks=1.30,Ks\=1.05。
施工组织设计已经批准,规定基槽两面均按1:0.33放坡,余土用2.5m3/车容量的自卸载重汽车外运。
经计算,基槽全长240m。
问题:(1)边坡坡度和坡度系数是同一回事吗?为什么?(2)计算基槽挖方量(计算结果保留整数);(3)计算弃土土方量;(4)计算外运车次。
答:(1)边坡坡度和坡度系数不是一回事。
边坡坡度i指挖土深度h与边坡底宽b只比;工程中常以1:m表示放坡,m称为坡度系数即:i=1:(b/h)=1:m;2)基槽挖方量:Vw=(1.5+0.33×1.5)×1.5×240=718m3;(3)弃土量:基础体积=(1.2×0.55+0.6×1.0)240=288m3;(4)外运车次:401/2.5=160车;3.利用高程为9.354m的水准点A,欲测设处高程为的8.765B点,若水准仪安置在A、B两点之间,A点水准尺度读数为1.736m,问B点水准尺读数应为多少?并绘图说明。
答:HAB=HA-HB=9.354-8.765=0.589m b=(HA-HB)+a=0.589+1.736=2.3524.某高层建筑基础C15砼垫层审计尺寸为:80×60×0.2m,基坑深5.0m。
2006年实务-装饰装修(一)背景资料某施工单位分包了某宾馆室内装饰工程项目。
合同签定后,项目经理部按建设单位及监理公司的要求,编制了工程的施工组织设计。
施工组织设计的部分内容是:1.依据施工合同、招标文件、法律法规、标准规范、施工图纸、施工总进度、材料及构件加工、相关单位的配合、机具设备、气候条件及劳动力状况编制的施工进度计划;2.根据工程的实际情况,编写了室内装饰工程在施工过程中需要与业主、监理、总包、设计及相关单位协调配合的内容。
3.在施工方案及主要技术措施中,编制了室内墙砖施工工艺流程:问题1.补充施工进度计划编制依据的主要内容。
2.施工组织设计编制中,需要相关单位协调配合的主要施工部位和工作内容有哪些?3.纠正室内墙砖施工工艺流程的错误。
参考答案1.编制依据缺少的内容有:(1)施工方案(方法);(2)施工现场条件;(3)施工环境;(4)主要工程量;(5)资金状况口2.(1)电气照明工程在吊顶、墙、地面部位的隐蔽工程管线安装及灯具末端安装等;(2)弱电工程在吊顶、墙、地面部位的隐蔽工程管线及末端安装;(3)通风空调工程在吊顶、墙面、地面部位的隐蔽工程风管末端风口安装;(4)消防工程在吊顶、墙面部位的隐蔽工程消防水管管道及末端喷淋头安装;(5)消防工程在吊顶部位的隐蔽工程电气管线及末端烟感探头安装;(6)给排水工程在吊顶、墙面、地面部位的隐蔽工程管道安装及末端洁具及五金件安装。
3.施工工艺流程纠正:③和④对换位置;⑤和⑥对换位置;⑦和⑨对换位置。
(二)背景资料某公司承接了寒冷地区某科研楼装修施工任务。
报告厅24m×36m 天棚采用轻钢龙骨石膏板吊顶,最高起拱高度为100mm。
声学设计以电声为主,为了使其声场均匀,在吊顶局部龙骨上悬挂了可调角度的反射板。
化学实验室不发火(防爆)地面面层采用大理石碎料、优质砂、强度等级为32.5 普通硅酸盐水泥和铜条分格嵌条。
质量检查员对首次配料进行了检查。
装修装修施工员专业知识与实务(一), 单项选择题1. 对于砌体结构工程施工放线, 墙体砌筑一步架后, 可用水准仪测设“50”或( A )。
A. 1m 水平线B.2m 水平线C.3m 水平线D.4m 水平线2.沉降观测操作要求中, 三固定是指( D )固定。
A. 仪器, 观测时间, 观测线路B. 人员, 观测时间, 观测线路C. 仪器, 人员, 观测时间D. 仪器, 人员, 观测线路可多选。
3. 高耸构筑物的沉降观测点应设置不少于( D )观测点。
A. 1B.2C.3D.44, 土的自然含水量是指( B )之比的百分率。
A, 土中水的质量与所取自然土样的质量 B, 土中水的质量与土的固体颗粒质量C, 土的孔隙与所取自然土样体积 D, 土中水的体积与所取自然土样体积5. 土的自然含水量反映了土的干湿程度, 按下式( B )计算。
%100%100%100.%100.⨯=⨯=⨯=⨯=ws s s w w m m w D m m w C m m w B m m w A 6. 某土样质量为200克, 在烘箱中烘干后质量为160克, 则其含水量为( C )。
A, 80% B, 20% C, 25% D, 15%40/160=25%7. 在1000克含水率为3%的湿砂中, 其中水的质量为( B )克。
A. 25B. 29C. 30D. 33设水的质量为X, 则(1000—X)=3% 1.0330 298. 土的干密度是指( A )的比值。
A, 土的固体颗粒质量与土的总体积 B. 土的质量与土的总体积C. 土中水的质量与土的总体积D. 土中水的质量与土的固体颗粒体积9, 下列状况中, 计算土的体积用最终可松性系数的是( B )。
A, 计算挖出土的运输车辆 B, 计算回填土的土方量 C, 计算挖土工程量 D, 计算挖土机械工作数量10, 某基坑体积为100m3,如土的最初可松性系数为1.05, 最终可松性系数为1.03, 则开挖后松土体积为( A )m3。
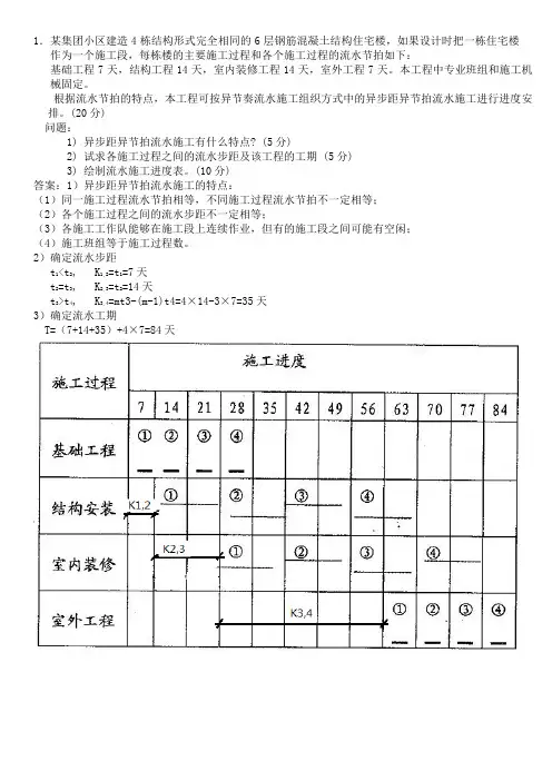
1.某集团小区建造4栋结构形式完全相同的6层钢筋混凝土结构住宅楼,如果设计时把一栋住宅楼作为一个施工段,每栋楼的主要施工过程和各个施工过程的流水节拍如下:基础工程7天,结构工程14天,室内装修工程14天,室外工程7天。
本工程中专业班组和施工机械固定。
根据流水节拍的特点,本工程可按异节奏流水施工组织方式中的异步距异节拍流水施工进行进度安排。
(20分)问题:1) 异步距异节拍流水施工有什么特点? (5分)2) 试求各施工过程之间的流水步距及该工程的工期 (5分)3) 绘制流水施工进度表。
(10分)答案:1)异步距异节拍流水施工的特点:(1)同一施工过程流水节拍相等,不同施工过程流水节拍不一定相等;(2)各个施工过程之间的流水步距不一定相等;(3)各施工工作队能够在施工段上连续作业,但有的施工段之间可能有空闲;(4)施工班组等于施工过程数。
2)确定流水步距t 1<t2, K1,2=t1=7天t 2=t3, K2,3=t2=14天t 3>t4, K3,4=mt3-(m-1)t4=4×14-3×7=35天3)确定流水工期T=(7+14+35)+4×7=84天2.某房屋建筑公司在某市承建一座15层政府办公楼工程的施工,主体是全现浇钢筋混凝土框架剪力墙结构,建筑面积为32000m2,建筑高度为55.6m,钢筋混凝土筏板基础。
作为工程的施工员,请你对以下问题做出解答。
(20分)1) 防止大体积混凝土表面裂缝的措施有哪些? (11分)2) 大体积混凝土的浇筑方案有哪几种?各自的适用范围。
(9分)答案:1)防止大体积混凝土表面裂缝的措施有:A、降低混凝土成型时的温度B、降低水泥水化热,选用水化热低的水泥品种。
C、提高混凝土的表面温度:对大体积混凝土表面实行保温潮湿养护,使其保持一定温度,或采取加温措施,是防止大体积混凝土表面开裂的有效措施。
2)大体积混凝土的浇筑方案的分类和适用范围如下A、全面分层:适用于平面尺寸不大的结构。
第1篇一、案情简介甲、乙两人系夫妻,共同居住在位于某市的一套两居室住宅中。
2018年,甲、乙决定对住宅进行装修,以提高居住舒适度。
经过多方比较,甲、乙选择了一家名为“XX装饰公司”的装修公司进行施工。
双方签订了《家庭装修合同》,约定由XX装饰公司负责房屋的装修设计、施工及售后服务。
合同中还明确了装修的工期、费用、质量标准以及违约责任等内容。
在装修过程中,甲、乙发现XX装饰公司存在以下问题:1. 施工过程中,XX装饰公司未按合同约定的时间完成装修,工期延误。
2. 部分装修材料的质量不符合合同约定,存在安全隐患。
3. XX装饰公司未按合同约定提供售后服务,对出现的问题推诿责任。
甲、乙与XX装饰公司协商未果,遂向某市消费者协会投诉。
消费者协会介入调解后,双方仍无法达成一致意见。
无奈之下,甲、乙向某市人民法院提起诉讼,要求XX装饰公司承担违约责任,退还部分装修费用,并赔偿因其违约行为造成的损失。
二、争议焦点本案的争议焦点主要集中在以下几个方面:1. XX装饰公司是否构成违约?2. XX装饰公司应承担哪些违约责任?3. 甲、乙的损失如何计算?三、案例分析(一)XX装饰公司是否构成违约根据《中华人民共和国合同法》第一百零七条规定:“当事人一方不履行合同义务或者履行合同义务不符合约定的,应当承担违约责任。
”在本案中,XX装饰公司存在以下违约行为:1. 工期延误:XX装饰公司未按合同约定的时间完成装修,导致工期延误,违反了合同约定。
2. 材料质量问题:XX装饰公司提供的部分装修材料质量不符合合同约定,存在安全隐患,违反了合同约定。
3. 售后服务问题:XX装饰公司未按合同约定提供售后服务,对出现的问题推诿责任,违反了合同约定。
因此,XX装饰公司构成违约。
(二)XX装饰公司应承担的违约责任根据《中华人民共和国合同法》第一百一十四条规定:“当事人一方不履行合同义务或者履行合同义务不符合约定的,应当承担以下违约责任:……(三)赔偿损失;……”在本案中,XX装饰公司应承担以下违约责任:1. 退还部分装修费用:由于XX装饰公司提供的部分装修材料质量不符合合同约定,甲、乙有权要求退还相应的装修费用。
质量员(装饰装修)案例题一、某单位办公楼修建,主体为框架结构,建筑面积5000m2,外墙面装饰采用石材施工,局部外墙用墙面砖施工。
验收时发现部分墙面砖空鼓,墙面不平整。
根据以上背景完成以下题目。
1、以下关于饰面砖工程材料复试项目的说法中正确的是( A )。
A、室内花岗石的放射性B、室内大理石的放射性C、花岗石的抗冻性D、大理石的抗冻性2、现场粘贴饰面砖粘结强度检验以每( B )同类墙体饰面砖为一个检验批。
A、500m2B、1000m2C、1500m2D、2000m23、现场粘贴的同类饰面砖,每组试样平均粘结强度不应小于( D )Mpa。
A、0.1B、0.2C、0.3D、0.44、饰面板后置埋件的现场拉拨强度现场检验,抽取数量按每批锚栓总数的0.1%计算,且不少于( C )根。
A、1B、2C、3D、45、采用湿作业法施工的饰面板工程,石材应进行(B )处理。
A、打胶B、防碱背涂C、界面剂D、水泥净浆6、饰面板(砖)工程应对下列哪些隐蔽工程项目进行验收(BCD)。
A、陶瓷面砖的吸水率B、预埋件C、连接节点D、防水层7、饰面板(砖)应对外墙陶瓷面砖的(AB )复验。
A、吸水率B、抗冻性(寒冷地区)C、抗压强度D、抗折强度8、案例背景中外墙面砖空鼓原因可能包括(BCD)。
A、没有采用强度高的高标号硅酸盐水泥砂浆B、各层之间的粘结强度差,面层即产生空鼓,甚至从建筑物上脱落。
C、砂浆配合比不准,稠度控制不好,砂子中含泥量过大D、在同一施工面上,采用不同的配合比砂浆,引起不同的平缩率而开裂、空鼓。
9、案例背景中外墙面砖空鼓预防措施包括(AB)。
A、在结构施工时,外墙应尽可能按清水墙标准.做到平整垂直,为饰面施工创造条件。
B、面砖在使用前,必须清洗干净,并隔夜用水浸泡,晾干后(外干内湿)才能使用。
C、粘贴面砖采用石灰砂浆D、在面砖粘贴过程中,应常矫正粘贴位置。
10、饰面板工程验收规范适用于(AC )外墙饰面板安装工程的验收。
一建《装饰装修工程》模拟考试题及答案某某:__________指导:__________日期:__________一、单项选择题(共20题,每题1分。
每题的备选项中。
只有1个最符合题意)1.在建筑散水与勒脚相接处设缝,应选用( )嵌缝。
A.刚性不吸水材料B.塑性防水材料C.弹性膨胀防水材D.水性防水材料2.某某石在装饰工程应用中的特性是( )。
A.适于制作烧毛板B.属酸性岩石,不适用于室外C.吸水率低,易变形D.易加工、开光性好3.纸面石膏板的接缝应按施工工艺标准进行板缝( )处理。
A.防潮B.防水C.防裂D.防腐4.饰面砖l8.饰面板安装工程后置埋件的现场( )强度必须符合设计要求。
A.拉拔B.拉伸C.抗压D.抗剪9.胶合板按( )分为Ⅰ、Ⅱ、Ⅲ、Ⅳ四类。
A.含水率B.外观质量C.甲醛释放量D.耐水性能10.拉断(胶杯)试验是用来检查双组份硅酮结构密封胶的( )。
A.混匀性B.基剂与固化剂的混合比C.固化程度D.剥离粘结性11.民用建筑工程室内环境质量验收应在工程完工( )。
A.7天前或工程交付使用前进行B.至少7天以后、工程交付使用前进行C.14天前或工程交付使用前进行D.至少14天以后、工程交付使用前进行12.用于( )的硅酮结构密封胶应有证明无污染的试验报告。
A.点支承玻璃幕墙B.全玻幕墙C.石材幕墙D.隐框玻璃幕墙13.室内装修中固定在框架上的胶合板;连同板后的封闭空气层构成振动系统,可作为( )吸声结构。
A.高频B.中高频C.中频D.低频14.用玻璃装饰护栏,当护栏一侧距楼地面高度≥5米时,应使用( )。
A.钢化玻璃B.钢化夹层玻璃C.防爆玻璃D.夹丝玻璃15.木材湿胀与干缩变形规律的转折点是( )。
A.15%的含水率B.纤维饱和点C.平衡含水率D.平均含水率16.可降低噪声,用于有消声要求的建筑平吊顶饰面板材是( )。
A.铝塑复合板B.雕花玻璃板C.三聚氰胺装饰板D.铝合金穿孔板17.斩假石表面剁纹应均匀顺直、深浅一致,应无漏剁处,阳角处应( ),并留出不剁边条。
四、案例题(共32题)1、【案例背景】某市新建一栋 12 层商业楼,钢筋混凝土框架剪力墙结构、筏型基础。
外墙为玻璃幕墙。
地下2层,层高为 4.2m;基础埋置深度-9.0M;常年地下水位标高-3.5M;地下土层为粉土和黏性土,地下水有一定压力;地上首层层高为 6 m,柱网尺寸8*8M,采用后张预应力施工技术;2~12 层层高均为 4.5m。
商业楼位于该市中心,一面紧邻街道。
工程施工中采用定型组合钢模和木模板。
项目经理组织并主持项目部的管理人员制定了基坑的支护,降水方案和模板工程方案;由公司总工程师审核批准.基坑的支护,降水方案: -7.5M以上的基坑开挖,采用土钉墙支护技术;土钉的长度为1.2M,间距2.4M; -7.50M以下的开挖采用排桩支护;锚杆拉接,完成后,立即开挖土方;喷射井点降水,将地下水降至-9.50M.模板工程方案:首层结构混凝土,同条件养护的试块≥设计强度的75%时,拆除侧模和底模,进行后张预应力的施工.请根据背景资料完成相应小题选项,其中判断题二选一(A 、B选项),单选题四选一(A、B、C、 D选项),多选题四选二个及以上。
不选、多选、少选、错选均不得分。
判断题1、该工程不需要编制脚手架方案。
(B)A.正确B.错误2、项目经理组织并主持项目部的管理人员制定了基坑的支护,降水方案和模板工程方案;由施工单位总工程师审核批准。
(B)A.正确B.错误3、-7.50M以下的开挖采用排桩支护;锚杆拉接,完成后,立即开挖土方。
(B)A.正确B.错误4、喷射井点降水,将地下水降至-9.50M。
(B)A.正确B.错误单选题5、该工程不需要专家论证的专项方案,经施工单位审核合格后,需要项目(B)审核签字。
A. 建设单位技术负责人B. 总监理工程师C. 监理单位技术负责人D. 建设局技术负责人6、开挖深度(C)m及以上的土方工程需专家论证A. 3B. 4C. 5D. 67、混凝土模板支撑搭设高度(C)m及以上必须专家论证。
装修装饰施工员考试试题及答案一、选择题(每题2分,共40分)1. 装修装饰施工中,下列哪项不是施工前必须进行的准备工作?A. 施工图纸审核B. 施工方案制定C. 施工材料准备D. 施工人员培训答案:D2. 以下哪种材料不适合用于室内装修?A. 石膏板B. 壁纸C. 聚氯乙烯(PVC)D. 石棉答案:D3. 施工过程中,以下哪项措施不能有效防止施工污染?A. 使用环保材料B. 施工现场封闭管理C. 施工人员佩戴口罩D. 施工现场设置垃圾回收站答案:C4. 室内装修中,常用的墙面装饰材料不包括以下哪项?A. 油漆B. 壁纸C. 瓷砖D. 玻璃答案:C5. 施工图纸中,以下哪项不是必须标注的内容?A. 施工尺寸B. 施工材料C. 施工时间D. 施工工艺答案:C6. 施工中,以下哪项不是施工安全的基本要求?A. 施工人员佩戴安全帽B. 施工现场设置警示标志C. 施工人员必须持有相关资格证书D. 施工人员必须穿高跟鞋答案:D7. 施工中,以下哪项不是施工质量控制的关键环节?A. 材料选择B. 施工工艺C. 施工进度D. 施工验收答案:C8. 以下哪种施工方法不适合用于木质地板的铺设?A. 悬浮铺设法B. 胶粘铺设法C. 钉接铺设法D. 焊接铺设法答案:D9. 施工中,以下哪项不是施工成本控制的措施?A. 合理选择材料B. 优化施工工艺C. 减少施工人员D. 严格施工管理答案:C10. 施工图纸中,以下哪项不是必须遵循的设计原则?A. 安全性B. 经济性C. 随意性D. 美观性答案:C二、判断题(每题1分,共10分)1. 施工前不需要对施工图纸进行审核。
(错误)2. 施工材料可以随意选择,不需要考虑环保因素。
(错误)3. 施工现场不需要设置警示标志。
(错误)4. 施工人员不需要持有相关资格证书。
(错误)5. 施工过程中不需要进行质量控制。
(错误)6. 施工图纸中不需要标注施工尺寸。
(错误)7. 施工中可以随意更改施工方案。
背景材料:某宾馆大堂改造工程,业主与承包单位签订了工程施工合同。
施工内容包括:结构拆除改造、墙面干挂西班牙米黄石材,局部木饰面板、天花为轻钢龙骨石膏板造型天花、地面湿贴西班牙米黄石材及配套的灯具、烟感、设备检查口、风口安装等,二层跑马廊距地面6米高,护栏采用玻璃。
施工合同规定:石材由主业采购。
问题:1.装饰装修工程中,哪些部位严禁擅自改动?2.在施工过程中,承包单位与业主指定的石材供应商签订了供货合同,并封了样品。
石材到场后检查发现部分石材颜色与样品不符、厚度不符合设计要求。
承包单位要求供货商将不符合要求的石材进行退换,石材退货的经济损失应由谁来承担?导致的工期延误承包单位是否可以索赔?3.石材出现泛碱、水渍是常见的质量通病,请你根据施工经验列举出几种有效的防治方法。
4.木质基质涂刷清漆,对于木质基层上的节痕、松脂部位应用虫胶漆封闭,钉眼处应用油性腻子嵌补。
为什么在刮腻子、上色前应涂刷一遍封闭底漆?5.请问在吊顶工程施工时应对哪些项目进行隐蔽验收?6.本工程使用的西班牙米黄石材、纸面石膏板、人造木板分别属于哪一燃烧性能等级?7.按照《民用建筑工程室内环境污染控制规范》的要求,工程验收时室内环境污染物浓度限量应达到什么要求?8.工程技术资料的保管期限分为永久、长期、短期三种期限,其中短期指需保存多少年?9.跑马廊护拦应采用何种玻璃?10.按照职业健康安全管理体系,装饰装修工程中重要危险因素有哪些?答案:1.建筑装饰装修工程施工中,严禁违反设计文件擅自改动建筑主体、承后果结构或主要使用功能;严禁未经设计确认和有关部门批准擅自拆改水、暖、电、燃气、通讯等配套设施。
2.石材退货的经济损失由石材供应商承担,导致的工期延误承包单位可以索赔。
3.(1)采用干挂工艺。
(2)对石材背面、侧面与水泥砂浆接触部位涂刷防碱防护剂。
(3)采用低碱性水泥。
(4)顺石材纹路进行切割加工。
4.在刮腻子前涂刷一遍底漆,有三个目的:第一是保证木材含水率的稳定性;第二是以免腻子中的油漆被基层过多的吸收,影响腻子的附着力;第三是因材质所处原木的不同部位,其密度也有差异,密度大者渗透性小,反之,渗透性强。
2023年施工员之装饰施工专业管理实务题库与答案单选题(共30题)1、下列哪项资料属于施工成本计划的编制依据。
()。
A.设计概算B.投资估算C.合同报价书D.竣工决算【答案】 C2、根据GB/T19000-2000对质量和质量管理的定义以及工程项目及其生产过程的特点,施工质量及质量管理具有影响因素多、质量波动大、质量隐蔽性和终检局限性等特点,其中:A.一般质量事故B.重大质量事故C.操作责任事故D.严重质量事故【答案】 D3、厕浴间防水层施工完毕后,检查防水隔离层应采用()方法。
A.蓄水B.洒水C.注浆D.破坏试验【答案】 A4、根据工程量清单计价规则,其他项目清单应包括()。
A.预留金B.总承包服务费C.材料购置费D.零星工作项目费【答案】 B5、不需专家论证的专项施工方案,经施工单位自审合格后报监理单位,由()审核签字即可实施。
A.建设单位B.总监理工程师C.设计师D.施工单位技术负责人【答案】 B6、一般抹灰工程质量的允许偏差,普通抹灰表面平整度为()mm。
A.3B.4C.5D.2【答案】 B7、建筑工程资料是对工程进行检查、维护、管理、使用、改建和扩建的原始依据,是()的必备条件。
A.工程建设及竣工验收B.处理工程质量问题C.处理工程安全问题D.处理工程成本问题【答案】 A8、下列选项中,施工单位用以指导、规范和科学化施工的资料是()资料。
A.施工管理B.施工技术C.施工物资D.施工检测【答案】 B9、施工现场安全“五标志”,是指()。
A.指令标志、禁止标志、警告标志、电力安全标志、危险标志B.指令标志、交通标志、警告标志、电力安全标志、提示标志C.指令标志、禁止标志、警告标志、消防标志、提示标志D.指令标志、禁止标志、警告标志、电力安全标志、提示标志【答案】 D10、外墙贴面砖工程的施工程序为()。
A.抹底子灰→排砖、弹线分格→选砖、浸砖→镶贴面砖→擦缝。
B.基层处理、抹底子灰→排砖、弹线分格→选砖、浸砖→镶贴面砖→擦缝。
施工员(装饰装修)案例分析题
一、某学校新建教学楼,内墙采用抹灰后刷涂料,外面装修为刷涂料局部采用饰面板。
建成完工后,外墙涂料出现析白,另外发现部分墙面涂料有明显接槎。
根据以上背景完成以下题目。
1、室内外抹灰工程施工环境温度不应低于( D )0C。
A、0
B、2
C、4
D、5
2、抹灰用的石灰膏的熟化期不应少于( D )天。
A、7
B、10
C、15
D、20
3、罩面用的磨细石灰粉的熟化期不应少于( B )天。
A、2
B、3
C、4
D、5
4、在抹灰工程中,下列说法不正确的是( C )。
A、罩面石膏灰不得抹在水泥砂浆层上。
B、室内柱面的阳角应采取加强措施。
C、抹灰总厚度大于或等于30mm时,应采取加强措施。
D、水泥砂浆不得抹在石灰砂浆层上。
5、室内墙面、柱面和门洞口的阳角做法,当设计无要求时,( A )。
A、应采用1:2水泥砂浆做暗护角,其高度不应低于2m
B、应采用1:3水泥砂浆做暗护角,其高度不应低于2m
C、应采用1:2混合砂浆做暗护角,其高度不应低于2m
D、应采用1:3混合砂浆做暗护角,其高度不应低于2m
6、饰面板工程中不须进行复验的项目是( B )。
A、外墙陶瓷面砖的吸水率
B、室内大理石的放射性
C、粘贴用水泥的安定性
D、寒冷地区外墙陶瓷的抗冻性
7、外墙涂料出现析白现象主要原因(ACD)。
A、不同批号、不同颜色、不同粒径骨料(含不同产地)等,均对饰而颜色有不同程度的影响。
B、抹灰层采用的为普通硅酸盐水泥
C、颜料及材料计量不准或混合不均匀。
D、水泥与骨料的比例变化,建筑胶的掺量,加水量不准确,都是影响饰面颜色的原因。
8、局部有明显析白现象防治措施(ABD)。
A、原材料应一次备齐、备足,各色颜料应事先混合均匀备用。
B、配彩色水泥时,颜料的比例、掺量必须准确。
水泥与颜料的用量采用质量比,且务必混合均匀。
C、配制砂浆时,材料配合比和砂浆稠度必须严格掌握,不得随意加水,并必须在8h内用完。
D、基层材质应一致,并应预先填平补齐,喷涂前还要将墙面浇水湿润。
9、抹灰工程应对水泥的( AD )进行复验。
A、凝结时间
B、强度
C、强度等级
D、安定性
10、出现明显接槎的防治措施 (ABC)。
A、基层应干湿一致。
如底灰有明显接槎,喷涂第一遍时应用木抹子顺平。
B、采用固定脚手架时,与墙面净距不得少于30cm。
C、喷涂时,喷枪应垂直于墙面,粒状喷涂距离墙面30~50 cm。
D、对局部不平整的部位应延长喷涂时间,通过喷涂调平。
二、某酒店大厅吊顶工程,骨架采用UC上人型轻钢龙骨、局部用木龙骨造型,骨架底面安装纸面石膏板表面刷乳胶漆,面积为200㎡,安装后两个月,发现石膏板有多处接缝处开裂,并出现多处凹凸不平的情况。
根据以上背景完成以下题目。
1、吊顶工程采用膨胀螺栓时,应进行拉拔试验,其承载力安全系数不小于(D)。
A、1.3
B、1.5
C、1.8
D、2
2、纸面石膏板吊顶宜优先选用轻钢龙骨,其主龙骨壁厚不应小于1.2mm,次龙骨壁厚不宜小于(A)mm。
A、0.8
B、0.9
C、1.0
D、1.2
3、吊顶工程吊杆距主龙骨端部距离不得大于(B )mm。
A、200
B、300
C、400
D、500
4、吊顶工程的木吊杆、木龙骨和木饰面板必须进行(B )处理。
A、防水
B、防火
C、防腐
D、防锈
5、吊顶工程吊杆长度大于1.5m时,应设( C )。
A、斜拉杆
B、直拉杆
C、反支撑
D、水平杆
6、当设计无要求时,吊顶起拱方向通常应按房间的( B )。
A、长向跨度方向
B、短向跨度方向
C、对角线方向
D、任意方向
7、试分析石膏板接缝处开裂的原因(AB)。
A、纸面石膏板没有按工艺要求进行接缝防开裂处理
B、吊顶面积过大,没有设置分隔缝
C、安装时木龙骨含水量过小
D、固定石膏板的自攻螺钉间距过小
8、试分析石膏板出现凹凸不平的原因(AC)。
A、纸面石膏板质量较差,刚度不足或厚度过小
B、龙骨没有设置预拱度
C、施工时骨架没有进行调平或调平不当
D、吊杆数量过多
9、为了提高吊顶的使用寿命吊顶的隐蔽施工过程中应采用哪些措施(BCD)。
A、不允许使用木龙骨架
B、木龙骨应进行防腐处理
C、骨架应连接牢固,间距应符合要求
D、吊杆及固定膨胀螺丝应进行防锈处理
10、吊顶工程中的预埋件、钢筋吊杆和型钢吊杆应埋设牢固并进行防锈处理,(BCD)应进行防腐和防火处理。
A、预埋件
B、吊杆
C、龙骨
D、饰面板
三、某精装住宅地面工程,卧室地面采用铺硬木免漆地板,铺装工艺采用地面固定龙骨的实铺法工艺,采用实铺法安装。
其余房间全部铺贴地砖,采用水泥砂浆粘贴工艺,施工时正值冬季。
住宅公共区域地面铺花岗石。
施工结束验收时没有发现质量问题,一年后发现木地板发生翘曲变形及板缝宽窄不一的情况,
并有多处木地板产生开裂,室内地砖也出现大面积空鼓现象。
根据以上背景完成以下题目。
1、民用建筑工程中室内装修中所使用的木地板及其他木质材料,(C )采用沥青类防腐、防潮处理剂。
A、不宜
B、必须
C、严禁
D、可以
2、实木地板面层铺设时,面板与墙之间应留8~12mm缝隙,其下如采用木搁栅时,木搁栅与墙之间应留
出( D )mm的缝隙。
A、10
B、15
C、25
D、30
3、建筑地面工程属于( D )分部工程。
A、建筑装饰
B、建筑装修
C、地面与楼面
D、建筑装饰装修
4、有防水要求的地面施工完毕后,应进行(B)h蓄水试验,蓄水高度为20~30mm,不渗不漏为合格。
A、12
B、24
C、36
D、48
5、地面砖镶贴时扫浆应用(C )
A、混合砂浆
B、界面剂
C、水泥砂浆
D、清水
6、花岗石地面用干法施工时,结合层采用(A )。
A、干铺1:2.5水泥砂
B、干铺1:2石灰砂
C、干铺1:3:9混合砂
D、干铺1:3水泥加108胶水
7、整体面层地面施工后,养护时间不应少于( C )天。
A、3
B、5
C、7
D、10
8、地面面层表面的检验项目一般有( ABC )。
A、表面平整度
B、标高
C、坡度
D、厚度
9、地面工程检验批的合格标准是( ABC )。
A、主控项目要达到规范要求
B、一般项目80%以上要符合要求
C、不合格点不得超过允许偏差值的50%
D、一般项目全部符合规定要求
10、防止木地板变形开裂的措施有(BCD)。
A、应购买价格更高的木地板
B、施工前一定要测试木地板的含水率,不能过大。
C、天气较潮湿时应暂缓施工
D、木龙骨、毛地板应进行防腐处理,含水率不能过大。