地面工程各分项工程施工技术交底记录
- 格式:docx
- 大小:287.58 KB
- 文档页数:25
楼地面砼技术交底记录
1.项目名称:楼地面砼施工技术交底
2.项目概况:
-项目地点:XX市XX区XX街道XX号
-建筑类型:楼房
-施工面积:XXX平方米
3.砼材料:
-砼强度:C30
-骨料:经过筛选的粗骨料按砂石比例混合
-混凝土:按砼配合比要求采用初始骨料湿量和膨胀率可调整的掺合材料
4.砼施工工艺:
-场地准备:清理施工区域,确保地面平整干燥
-模板安装:搭建适当的砼模板,确保模板牢固、表面光滑
-钢筋加工:按照设计要求进行钢筋加工和连接
-防渗处理:在模板周边安装防水板,确保砼不会渗漏
-砼浇筑:使用机械设备将砼送入施工现场,并进行均匀浇筑
-养护处理:进行适当的养护措施,包括湿养护和保温养护
5.施工注意事项:
-施工人员必须穿戴好安全防护装备,并遵守相关安全规定
-砼浇筑前,必须对模板进行检查,确保模板的质量无问题
-在浇筑过程中,要注意控制砼的流动性,避免出现堵塞或冲刷现象-砼浇筑完成后,要进行养护处理,确保砼达到设计强度要求
6.质量验收标准:
-外观质量:砼表面应平整光滑,无裂缝和空鼓现象
-结构强度:经力学试验,砼的抗压强度达到或超过设计要求
-钢筋嵌入度:钢筋的嵌入度符合设计要求
7.安全生产:
-砼施工人员必须参加相关安全培训,并持有相应的上岗证书
-施工期间必须做好现场管理,确保施工安全无事故发生
-使用机械设备时,必须操作规范,遵循操作规程
8.现场责任人:XXX
-签字:XXX
-日期:XXXX年XX月XX日
9.审核人:XXX
-签字:XXX
-日期:XXXX年XX月XX日。
(装饰装修地面)分部分项施工技术交底记录渝建竣-28工程名称重庆康达环保产业(集团)有限公司办公楼三楼装饰工程施工单位东泰华美建筑装饰有限公司分部分项名称砖饰面砖粘贴(墙砖)施工班组泥水组交底部位卫生间计划完成日期2011.11.24 交底日期2011.11.151.质量标准及执行规程规范:《建筑工程施工质量验收统一标准》GB50300-2001、《建筑装饰装修工程质量验收规范》GB50210-20012.安全操作事项:(1)脚手架和跳板必须搭设牢固;(2)禁止穿硬底鞋、拖鞋、高跟鞋在架子上工作,架子上人不得集中在一起,工具要搁置稳定,以防坠落伤人。
(3)在两层脚手架上操作时,应尽量避免在同一垂直上工作,必须同时作业时,下层操作人员必须戴安全帽。
3.操作要点及技术措施:(1)先凸出墙面的混凝土、灰渣剔平,清理干净,并浇水湿润。
(2)用1:3水泥砂浆打底,打底应分层分遍抹砂浆,每层厚度宜5~7㎜,随即抹平搓毛。
(3)待底层灰六七成干时,按图纸要求排砖弹线,非整砖行应排在次要部位,如遇有突出的卡件,应用整砖套割吻合,不得用非整砖随意拼镶贴。
(4)面砖镶贴前应挑选颜色、规格一致的砖,浸泡砖石,将面砖清扫干净,放入净水中浸泡2h 以上,取出待表面晾干或擦干净后方可使用。
(5)粘贴面砖应直下而上进行,抹8mm后1:0.1:2.5水泥石灰膏砂浆结合层,要刮平,随抹随自上而下粘贴面砖,要求砂浆饱满,亏灰是,取下重贴。
(6)贴完经自检无空鼓、不平尼姑、不直后,用棉丝擦净勾缝。
4.其它注意事项:做好成品保护工作。
主要参加人员:许建、杨品泽、廖勇、冯彦、黄邦雄、李龙生项目技术负责人:交底人:交底接收人:年月日重庆市城市建设档案馆重庆市建设工程质量监督总站监制。
第1篇一、工程概况本工程为XX建筑项目,地面工程包括水泥砂浆地面、细石混凝土地面、大理石铺贴地面和陶瓷锦砖地面。
以下为各类地面施工的具体技术交底。
二、施工准备1. 材料及主要机具:- 水泥:硅酸盐水泥、普通硅酸盐水泥,标号不小于425号。
- 砂:中砂或粗砂,过8mm孔径筛子,含泥量不大于3%。
- 石子:粗骨料用石子最大颗粒粒径不应大于面层厚度的2/3。
- 主要机具:搅拌机、手推车、木刮板、木抹子、铁抹子、劈缝溜子、喷壶、铁锹、小水桶、长把刷子、扫帚、钢丝刷、粉线包、錾子、锤子等。
2. 作业条件:- 地面(或楼面)的垫层以及预埋在地面内各种管线已做完。
- 墙面的50cm水平标高线已弹在四周墙上。
- 门框已立好,并在框内侧做好保护。
- 墙、顶抹灰已做完,屋面防水做完。
三、操作工艺1. 水泥砂浆地面施工:- 基层处理:清除基层上的灰尘,用钢丝刷刷净。
- 找标高、弹线洒水湿润抹灰饼和标筋。
- 搅拌砂浆刷水泥浆结合层。
- 铺水泥砂浆面层,用木抹子搓平。
- 铁抹子压第一遍、第二遍、第三遍压光。
- 养护。
2. 细石混凝土地面施工:- 找标高、弹面层水平线。
- 基层处理洒水湿润抹灰饼。
- 抹标筋刷素水泥浆。
- 浇筑细石混凝土。
- 抹面层压光。
- 养护。
3. 大理石铺贴地面施工:- 熟悉图纸,了解各部位尺寸和做法。
- 试拼大理石板块,按图案、颜色、纹理编号排列。
- 弹线,检查和控制大理石板块的位置。
- 试排大理石板块。
- 铺贴大理石板块。
- 压缝。
4. 陶瓷锦砖地面施工:- 清理基层,弹线刷水泥素浆。
- 搅拌水泥砂浆。
- 铺贴陶瓷锦砖。
- 压缝。
四、注意事项1. 施工过程中,注意安全,严格遵守操作规程。
2. 材料进场时,严格检查质量,不合格材料不得使用。
3. 施工过程中,注意控制地面标高和水平度。
4. 地面施工完成后,做好养护工作。
五、验收标准1. 地面平整、光滑、无空鼓、裂缝、色差。
2. 地面坡度符合设计要求。
工程名称施工单位交底提要:交底内容:细石混凝土地面本技术交底适用于一般与民用建筑细石混凝土地面施工。
1.材料要求(1)粗、细骨料:豆石:粒径为0.5~1.2cm,含泥量不大于3%;砂子:粗砂,含泥量不大于5%;(2)水泥:常温施工宜用325号矿渣硅酸盐水泥或普通硅酸盐水泥;冬期施工宜用425号水泥。
(3)水:用自来水。
2.主要机具一般应配备:混凝土搅拌机、运输小车、小水桶、半截桶、扫帚、2m靠尺、铁滚子、木抹子、平锹、钢丝刷、凿子、锤子、低压照明灯等设备。
3.作业条件(1)已施工完的结构办理完验收手续。
(2)室内墙面四周弹好+50cm水平线。
(3)室内门口(框)立完并钉好保护铁皮或木板。
(4)安装好穿过楼板的立管,并将管洞堵严。
(5)浇灌楼板板缝混凝土。
(6)内门口处高于楼板的砖层应剔凿平整。
(7)夜晚作业时,应设置照明以保证操作安全。
4.操作工艺工艺流程:弹+50cm水平线→基层清理→洒水湿润→刷素水泥浆→贴灰饼、冲筋→浇灌混凝土→抹面→养护(1)基层清理:基层表面的尘土、砂浆块等杂物应清理干净,如表面油污,应用5%~10%浓度的火碱溶液清洗干净。
(2)浇灌混凝土的前一天对楼板表面进行洒水湿润。
(3)混凝土浇灌前应先在已湿润过的基层表面刷一道1:0.4~1:0.45(水泥:水)的素水泥浆,并做到随刷随铺混凝土,如基层表面光滑,应在刷浆前将表面凿毛。
(4)贴灰饼冲筋,小房间在房间四周根据标高线做出灰饼,大房间还要冲筋(间距1.5m),有地漏的房间要在地漏四周做出0.5%的泛水坡度。
冲筋和灰饼均要采用细石混凝土制作(俗称软筋),随后铺细石混凝土。
(5)铺细石混凝土:细石混凝土的强度配合比应按设计要求试配,无设计要求时,一般不低于C20,坍落度应不大于3cm,并应每500㎡制作一组试块,不足500㎡时,也制作一组试块。
工程名称施工单位铺细石混凝土后用长刮杠刮平,振捣密实,表面塌陷处应用细石混凝土铺平,再用长刮杠刮一次,然后用木抹子搓平。
大理石(花岗石)地面工程分项工程质量技术交底在大理石(花岗石)地面工程中,质量技术交底是非常重要的环节。
惟独在施工前对各项工程进行详细的技术交底,才干确保工程质量和施工效率。
本文将从五个方面详细介绍大理石(花岗石)地面工程分项工程质量技术交底。
一、基础工程质量技术交底1.1 确认基础设计要求:包括基础深度、地基承载力、基础材料等。
1.2 检查基础施工工艺:确保基础施工符合设计要求,如土方开挖、基础浇筑等。
1.3 确认基础验收标准:明确基础验收的标准和方法,确保基础工程质量。
二、大理石(花岗石)铺贴工程质量技术交底2.1 确认铺贴设计方案:包括石材规格、铺贴方式、勾缝方式等。
2.2 检查铺贴施工工艺:确保铺贴施工符合设计要求,如石材切割、铺贴粘贴等。
2.3 确认铺贴验收标准:明确铺贴验收的标准和方法,确保大理石(花岗石)铺贴工程质量。
三、防水工程质量技术交底3.1 确认防水设计要求:包括防水材料、防水层厚度、施工工艺等。
3.2 检查防水施工工艺:确保防水施工符合设计要求,如防水材料的选择、施工方法等。
3.3 确认防水验收标准:明确防水验收的标准和方法,确保防水工程质量。
四、石材养护工程质量技术交底4.1 确认石材养护要求:包括养护期限、养护方法、养护环境等。
4.2 检查石材养护工艺:确保石材养护符合设计要求,如保湿、通风等。
4.3 确认石材养护验收标准:明确石材养护验收的标准和方法,确保石材养护效果。
五、验收工程质量技术交底5.1 确认验收标准:明确验收的标准和方法,包括视觉检查、质量抽检等。
5.2 检查验收程序:确保验收程序符合规范要求,如验收记录、验收报告等。
5.3 确认最终验收结果:根据验收标准和程序,确认工程的最终验收结果,确保工程质量达标。
通过以上五个方面的详细质量技术交底,可以有效保障大理石(花岗石)地面工程的施工质量和工程效果。
惟独在每一个环节都严格执行技术交底要求,才干确保工程的顺利进行和质量可控。
分项工程施工技术交底记录一、项目背景本文档记录了分项工程施工技术交底的相关内容。
本项目为某某建筑工程,位于某某地区,总建筑面积约为XXX平方米。
本项目的主要目标是XXX,施工单位为XXX公司,监理单位为XXX公司。
二、施工技术交底内容1. 施工单位及监理单位介绍施工单位XXX公司是一家专业从事建筑施工的企业,具有丰富的施工经验和技术实力。
监理单位XXX公司是一家专业从事建筑监理的机构,具备相关的监理资质和专业团队。
2. 工程概况介绍本项目的工程概况包括建筑结构、建筑材料、建筑设备等方面的内容。
具体如下:- 建筑结构:本项目采用钢筋混凝土框架结构,楼层高度为X米,地基基础为XXX。
- 建筑材料:主要采用XXX材料,包括砖、水泥、钢筋等。
所有材料均符合国家相关标准。
- 建筑设备:本项目将使用XXX设备,包括起重机、混凝土搅拌机等。
3. 施工工艺流程介绍本项目的施工工艺流程主要包括以下几个环节:- 地基处理:清理施工区域,进行地基平整、压实等工作。
- 基础施工:进行地下室、地上主体结构的施工,包括基础开挖、钢筋绑扎、混凝土浇筑等。
- 主体结构施工:按照设计图纸进行柱、梁、板、墙等主体结构的施工。
- 安装工程:包括水电安装、通风设备安装、消防设施安装等。
- 装饰装修:进行室内外装饰装修工作,包括墙面涂料、地面铺装、门窗安装等。
- 竣工验收:进行工程的竣工验收,确保工程质量符合相关标准。
4. 施工安全注意事项在施工过程中,需要注意以下安全事项:- 施工现场要设置明显的安全警示标志,确保施工人员的安全。
- 施工人员必须佩戴安全帽、安全鞋等相关防护用品。
- 施工设备必须经过检验合格后方可使用,操作人员必须经过培训合格后方可操作。
- 施工现场要进行定期巡视,及时发现和处理安全隐患。
5. 施工质量控制要求为确保工程质量,施工单位需按照相关标准和规范进行施工,具体要求如下:- 施工过程中,必须按照设计图纸和工艺要求进行施工,严禁违反施工规范。
工程施工技术交底记录范例一、工程概述工程名称:某大型综合体项目工程地点:某市中心区域工程内容:包括地上总建筑面积、地下总建筑面积、基础设施建设等二、交底内容1. 工程设计标准及要求本工程应严格按照《建筑工程施工质量验收统一标准》(GB50300-2013)及《某大型综合体项目施工图纸》进行施工。
确保工程质量满足设计及规范要求,保证结构安全、使用功能齐全、外观整洁美观。
2. 施工工艺及操作要求(1)土方工程:采用大开挖方式,按设计要求分层开挖,严禁超挖。
开挖过程中,应做好排水、降水措施,确保施工安全。
(2)基础工程:基础施工前,应进行现场标高测量,确保基础底面标高符合设计要求。
基础施工过程中,应做好模板支撑、钢筋绑扎、混凝土浇筑等工序,确保基础质量。
(3)主体结构工程:主体结构施工应按照施工图纸及规范要求进行。
混凝土浇筑前,应检查模板、钢筋、预埋件等,确认无误后方可进行浇筑。
混凝土浇筑过程中,应控制好浇筑速度、振捣时间,确保混凝土密实。
(4)建筑装饰工程:装饰工程施工应按照施工图纸及规范要求进行。
墙面、地面、天花板的施工顺序应符合设计要求,施工过程中应注意表面平整、接缝严密、色泽一致。
(5)安装工程:安装工程施工应按照施工图纸及规范要求进行。
管道、线路的安装应符合设计要求,固定牢固,走向合理,管道接口严密,线路绝缘良好。
3. 质量控制及验收要求(1)施工过程中,应做好各工序的自检、互检、交接检,确保工程质量。
(2)施工单位应定期对工程质量进行评估,发现问题及时整改。
(3)工程验收时,应按照验收标准进行,确保工程质量满足使用功能及美观要求。
4. 安全文明施工要求(1)施工现场应做好安全防护措施,包括施工现场入口、施工现场内部、施工现场周边等。
(2)施工现场应做好文明施工管理,包括施工现场卫生、施工现场噪音、施工现场废弃物处理等。
(3)施工人员应遵守施工现场管理制度,做到安全生产、文明施工。
三、参加人员1. 施工单位:项目经理、技术负责人、施工管理人员、施工操作人员等。
大理石(花岗石)地面工程分项工程质量技术交底引言概述:大理石(花岗石)地面工程是一项重要的建筑工程,其质量直接关系到建筑物的美观度和使用寿命。
为了保证工程质量,必须进行详细的技术交底。
本文将从四个方面介绍大理石(花岗石)地面工程的分项工程质量技术交底。
一、基础处理1.1 地面清理:在进行大理石(花岗石)地面工程之前,必须对基础进行彻底的清理。
清理地面上的灰尘、油污、杂物等,确保基础干净。
1.2 地面平整度:在进行地面基础处理时,需要注意地面的平整度。
使用水平仪测量地面平整度,并按照规定的标准进行修整,确保地面平整度符合要求。
1.3 防潮处理:大理石(花岗石)地面容易受潮,因此在基础处理中,需要进行防潮处理。
可以使用防潮剂或铺设防潮层,以减少水分对地面的影响。
二、大理石(花岗石)砖铺贴2.1 砖铺前准备:在进行大理石(花岗石)砖铺贴前,需要进行一系列的准备工作。
包括检查砖材质量、清理砖面、调整砖缝宽度等。
2.2 砖铺技术要求:在砖铺过程中,需要注意一些技术要求。
如砖与砖之间的缝隙要均匀,砖面要平整,砖与墙角的连接要牢固等。
2.3 砖铺验收标准:在完成砖铺后,需要进行验收。
验收标准包括砖与砖之间的缝隙是否均匀、砖面是否平整、砖与墙角连接是否牢固等。
三、砂浆填缝3.1 砂浆材料选择:在进行砂浆填缝时,需要选择合适的砂浆材料。
砂浆应具有一定的强度和粘结性,以确保填缝的牢固性。
3.2 填缝技术要求:在填缝过程中,需要掌握一些技术要求。
如填缝时要均匀涂抹砂浆,填缝后要及时清理多余的砂浆等。
3.3 填缝验收标准:填缝完成后,需要进行验收。
验收标准包括填缝是否均匀、填缝是否牢固、填缝与砖面是否平整等。
四、表面处理4.1 研磨抛光:在大理石(花岗石)地面工程中,常常需要进行研磨抛光。
通过研磨抛光可以使地面更加光滑、亮丽。
4.2 表面防护:为了保护大理石(花岗石)地面,需要进行表面防护处理。
可以使用防护剂或涂刷保护膜,以增加地面的耐磨性和耐污性。
大理石(花岗石)地面工程分项工程质量技术交底引言随着社会经济的发展和人们生活水平的提高,大理石(花岗石)地面在公共场所和家居装饰中得到了广泛应用。
为了保证工程质量,确保使用安全,本文将对大理石(花岗石)地面工程分项工程质量技术交底进行详细阐述。
一、交底目的明确大理石(花岗石)地面工程分项工程的质量要求和验收标准。
确保施工过程符合相关规范和标准,防止质量问题的发生。
提高施工人员的质量意识和操作技能,保证工程质量。
二、材料要求大理石(花岗石)材料应质地坚硬、色泽均匀、无明显瑕疵,符合国家相关标准。
粘结剂、防护剂等材料应采用耐候性好、防滑、防腐的材料,符合环保要求。
材料进场应进行验收,确保质量合格,并做好保管工作,防止损坏和受潮。
三、施工准备施工前应检查基层是否平整、干燥、无油渍,不符合要求应进行处理。
根据设计要求进行放线,确保地面平整度和坡度符合要求。
准备好所需的施工工具和设备,如切割机、磨光机等。
对施工人员进行技术交底,明确施工要点和质量要求。
四、施工要点安装前应核对石材的尺寸、颜色、纹理,并进行预处理,如打磨、上蜡等。
采用适当的粘结剂将石材粘贴于基层上,确保粘贴坚固,无空鼓现象。
石材拼接处应平整、对齐,颜色、纹理应协调一致。
施工过程中应及时清理石材表面残留物,保持清洁。
石材磨光时应按照从粗到细的顺序进行,直至达到要求的平整度和光泽度。
五、质量标准大理石(花岗石)地面应平整、光滑、色泽一致,无明显色差和瑕疵。
地面接缝应平直、均匀,颜色协调,无缺损现象。
地面应无空鼓、翘曲现象,与墙面连接处应平直。
防滑性能应符合设计要求,保证使用安全。
质量验收应按照国家相关标准和规范进行,确保质量合格。
六、安全措施施工人员应佩戴安全帽、手套等防护用品,防止意外伤害。
高处作业时应设置安全网,防止坠落事故的发生。
施工区域应设置警示标志,禁止非施工人员进入。
机械设备操作人员应经过专业培训,熟悉机械性能和操作规程。
定期检查施工现场安全设施,确保完好有效。
分项工程施工技术交底记录引言概述:分项工程施工技术交底记录是指在工程施工过程中,由施工单位向施工人员交底各项具体工程的施工技术要求、注意事项和安全措施等内容的记录。
这是为了确保工程施工过程中的安全、质量和效率,以及保证工程按照设计要求进行施工的重要环节。
本文将从五个方面详细阐述分项工程施工技术交底记录的内容。
一、基础工程交底1.1 地基处理要求:详细交底地基处理的方法、施工工艺和要求,包括挖土、填土、夯实等工序的操作规范和注意事项。
1.2 基础防水施工要点:明确交底基础防水的施工方法和材料选择,包括防水层的涂刷、热熔、卷材等施工工艺的要求。
1.3 基础检测与验收:交底基础工程的检测方法和验收标准,包括地基沉降观测、基坑监测等内容。
二、结构工程交底2.1 混凝土浇筑要求:详细交底混凝土浇筑的施工工艺和要求,包括模板安装、钢筋绑扎、混凝土搅拌和浇筑等工序的操作规范和注意事项。
2.2 钢结构安装要点:明确交底钢结构的安装方法和安全措施,包括吊装、连接、焊接等工艺的要求,以及施工中的防坠落和防火措施。
2.3 结构检测与验收:交底结构工程的检测方法和验收标准,包括混凝土强度试验、钢筋焊接质量检查等内容。
三、装饰工程交底3.1 墙面装饰施工要求:详细交底墙面装饰的施工工艺和要求,包括墙面处理、石膏板安装、涂料施工等工序的操作规范和注意事项。
3.2 地面装饰施工要点:明确交底地面装饰的施工方法和材料选择,包括地面平整、地砖贴附、木地板安装等施工工艺的要求。
3.3 室内装修验收:交底装饰工程的验收标准和方法,包括墙面平整度、地面平整度、装饰材料的质量检查等内容。
四、给排水工程交底4.1 给水工程施工要求:详细交底给水工程的施工工艺和要求,包括给水管道安装、水表安装、阀门设置等工序的操作规范和注意事项。
4.2 排水工程施工要点:明确交底排水工程的施工方法和安全措施,包括排水管道安装、检查井设置、排水泵安装等施工工艺的要求。
工程施工技术交底记录一、工程概况项目名称:XX工程建设单位:XX公司承建单位:XX施工队地点:XX省XX市二、施工单位及工程负责人施工单位:XX施工队负责人:XX联系电话:XX三、施工过程及技术要求1. 土方开挖:1.1 土方开挖前,需确定开挖范围,并按照设计要求和标高要求进行监测和示范。
1.2 开挖时,需根据地质勘察报告和开挖剖面图,避免过深或过宽造成的坍塌和支护不足。
1.3 开挖过程中,如发现地下管线或其他障碍物,需及时停工,通知设计方处理。
1.4 开挖结束后,需对开挖后的土方进行整理和平整,达到设计要求的标高和坡度。
2. 基础施工:2.1 基础施工前,需清理基坑内的杂物和积水,确保基坑干燥和清洁。
2.2 基础浇筑前,需搭设好支模和钢筋工程,按照设计要求进行配筋和浇筑。
2.3 浇筑时,需注意混凝土的搅拌和浇筑质量,防止裂缝和空鼓的出现。
2.4 浇筑结束后,需及时覆盖塑料薄膜,避免混凝土过早干缩和裂缝的发生。
3. 主体结构施工:3.1 主体结构施工前,需对支模和钢筋进行检查和验收,确保符合设计要求。
3.2 主体浇筑时,需按照工序和工艺流程进行,保证施工质量和进度。
3.3 施工过程中,需注意模板的拆除和收回,避免对周围环境造成污染和危险。
3.4 结构施工结束后,需对主体结构进行质量验收和资料归档,确保施工记录完整和准确。
4. 安装工程:4.1 安装工程前,需按照设计要求和安装图纸进行检查和确认,保证安装准确和安全。
4.2 安装过程中,需严格按照工艺流程和施工标准进行,避免错误安装和漏装的发生。
4.3 安装结束后,需对设备和管道进行检测和调试,确保运行正常和无泄漏。
4.4 安装工程验收合格后,需及时编制设备操作和维护手册,交付使用单位。
5. 安全生产:5.1 施工期间,需严格遵守安全生产规定和操作规程,确保施工人员的人身安全。
5.2 施工现场需设置必要的安全防护设施和警示标志,合理分配安全人员和施工人员。
大理石(花岗石)地面工程分项工程质量技术交底大理石(花岗石)地面工程分项工程质量技术交底引言概述:大理石(花岗石)地面工程是建筑装饰中常见的一种地面装饰材料,具有美观、耐磨、易清洁等优点。
在进行大理石(花岗石)地面工程时,质量技术交底是非常重要的环节,可以确保工程质量和进度。
下面将详细介绍大理石(花岗石)地面工程分项工程质量技术交底的内容。
一、施工前准备工作1.1、确定大理石(花岗石)地面的施工方案:包括材料的选用、施工工艺、施工周期等内容。
1.2、检查施工现场:确保施工现场符合施工要求,包括地面平整度、环境温度、湿度等。
1.3、准备施工所需材料和设备:包括大理石(花岗石)材料、胶水、辅助材料、施工工具等。
二、大理石(花岗石)地面材料处理2.1、大理石(花岗石)材料的检验:检查大理石(花岗石)材料的质量、颜色、规格是否符合设计要求。
2.2、大理石(花岗石)材料的切割和加工:根据设计要求对大理石(花岗石)材料进行切割和加工。
2.3、大理石(花岗石)材料的保护:在施工过程中,要对大理石(花岗石)材料进行保护,避免损坏。
三、大理石(花岗石)地面施工工艺3.1、地面基层处理:对地面基层进行清洁、防水处理等工作。
3.2、大理石(花岗石)地面的铺贴:按照设计要求对大理石(花岗石)进行铺贴,注意保持水平、垂直度。
3.3、大理石(花岗石)地面的打磨和抛光:对铺贴完成的大理石(花岗石)地面进行打磨和抛光,确保表面光滑。
四、大理石(花岗石)地面验收标准4.1、外观质量:检查大理石(花岗石)地面的颜色、纹路是否符合设计要求。
4.2、平整度:测量大理石(花岗石)地面的平整度,确保地面平整度符合标准。
4.3、光泽度:检查大理石(花岗石)地面的光泽度是否达到要求。
五、大理石(花岗石)地面保养和维护5.1、定期清洁:定期对大理石(花岗石)地面进行清洁,避免灰尘和污垢积累。
5.2、防水处理:对大理石(花岗石)地面进行防水处理,延长使用寿命。
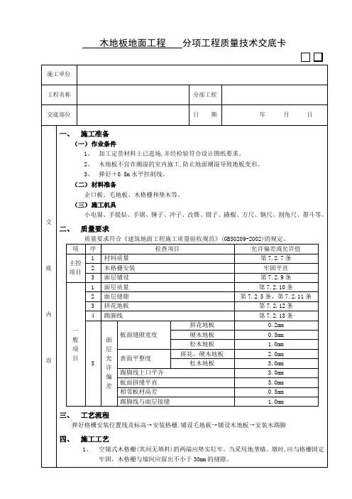
地面工程各分项工程施工技术交底记录目录地面防水隔离层分项工程施工技术交底记录 (2)混凝土垫层分项工程施工技术交底记录 (7)水泥砂浆楼地面分项工程施工技术交底记录 (9)细石混凝土楼地面分项工程施工技术交底记录 (12)硬化耐磨面层分项工程施工技术交底记录 (15)地砖楼地面分项工程施工技术交底记录 (18)大理石(花岗石)楼地面分项工程施工技术交底记录 (22)地面防水隔离层分项工程施工技术交底记录一、施工准备1、材料及要求:1.1所用材料的质量、技术性能必须符合设计要求和施工及验收规范的规定;材料应符合有关环境保护的规定,不得使用国家明令禁止及淘汰材料;材料出厂质量证明文件齐全,进场见证取样复检合格。
1.2采用材料:聚乙烯炳纶复合防水卷材、单组份聚氨酯防水涂料等。
2、主要机具2.1机械机具:电动搅拌器、施工升降机等。
2.2施工工具:滚刷、油刷、压辊、刮板、铁辊、平铲、大小铁桶、钢丝刷、笤帚、剪刀、钢卷尺、小线、色粉袋等。
3、作业条件:3.1施工前审核设计图纸及相应的设计变更通知单,编制分部工程施工方案。
防水工程必须由具备相应资质等级的专业施工队施工,作业人员须持证上岗。
3.2结构、砌体、抹灰相关工程已施工完毕,穿过地面及楼面的所有立管、套管已做完,并己固定牢固,经过验收合格。
管周围缝隙用细石混凝土填塞密实(楼板底需吊模板)。
3.3楼地面找平层已完成,标高符合要求,表面应抹平压光、坚实、平整,无空鼓、裂缝、起砂等缺陷,含水率不大于9%。
3.4找平层坡度应符合设计要求,不得局部积水,与墙交接处及转角处、管根部位,均要抹成半径为10mm的小圆角,要用专用抹子涂抹至平整光滑。
凡是靠墙的管根处均要抹出5%(1:20)坡度,避免此处积水。
3.5与找平层相连接的管件、地漏、排水口等必须安装牢固、收头圆滑,且与水、电、消防专业办理好交接手续。
3.6有防水要求的房间的楼板四周除门洞外应做混凝土翻边,高度不应小于200mm,宽同墙厚,混凝土强度等级不应小于C20。
施工时结构层标高和预留孔洞位置应准确,严禁乱凿洞。
3.7防水隔离层施工前应将基层表面的突起物、砂浆、疙瘩等杂物清除干净,同时进行基层验收,合格后方可进行防水隔离层施工。
3.8操作人员应经过专业培训考核合格后,持证上岗,先做样板间,经检查验收合格,方可全面施工。
二、施工工艺1、工艺流程:1.1涂膜防水隔离层:基层清理→涂刷基层处理剂→附加层施工→第一遍涂膜→第二遍涂膜→第三遍涂膜→蓄水试验→检查验收→保护层施工。
1.2卷材防水隔离层:基层清理→涂刷基层处理剂→附加层施工→定位弹线、试铺→卷材铺贴→收头处理、节点密封→蓄水试验→检查验收→保护层施工。
2、基层处理:2.1防水隔离层施工前将已验收合格的基层表面清扫干净,不得有浮尘、杂物等影响防水隔离层质量的缺陷;基层表面干燥,含水率不大于9%。
2.2涂刷基层处理剂:基层处理剂应配比准确,并搅拌均匀;基层表面的涂刷先涂刷复杂部位,涂刷时,应来回涂滚,确保均匀,胶面平整。
喷涂或涂刷基层处理剂厚度应均匀一致,不得有漏喷或漏刷、花白等现象;待其干燥后及时进行涂膜、卷材防水隔离层和接缝密封防水施工。
3、附加层施工:大面积施工防水隔离层前,阴阳角、管根、地漏等部位必须先做附加层,可采用自粘性密封胶或聚氨脂涂膜、也可以铺贴一层合成高分子防水卷材处理,应根据设计要求确定。
附加层宽度不小于500mm,两边均匀搭接250mm,在由三个面组成的阴角、楼板外侧立在与平面交接处阴角、以及防水容易被从外侧损坏的地方,还需在防水外面加第三层附加保护层。
4、涂膜防水隔离层:4.1第一遍涂层:将已搅拌好的聚氨酯涂膜防水材料用塑料或橡胶刮板均匀涂刮在巳涂好底胶的基层表面,不要漏刮、鼓泡,待第一遍涂料干燥(固化)成膜或24h后,方可开始涂刷第二遍涂料。
4.2第二遍涂层:第一遍涂料固化后,按上述方法进行第二遍涂料操作,为使涂膜厚度均匀,刮涂方向必须与第一遍刮涂方向垂直,刮涂量与第一遍相同。
4.3第三遍涂膜:第二遍涂膜固化后,仍按前两遍的材料配比搅拌好涂膜材料,进行第三遍刮涂。
刮涂量与第一遍相同。
4.4涂膜施工前应根据设计规定的厚度,经试验确定涂刷的遍数及每遍单位面积的涂料用量,施工时,按每次配料的数量控制涂刷面积,保证涂层厚度和均匀性。
4.5防水涂料应在现场按涂料产品配比准确秤量,再用机械搅拌,随用随配,不得搅拌过多,当天必须用完,己凝胶的涂料不得混入新配制材料中使用。
量具和秤量工具应固定,不得混用。
4.6在转角和立面涂刷防水隔离层时应薄涂多遍,不得有流淌和堆积现象。
涂膜收头应用防水涂料多遍涂刷或密封材料封严。
5、卷材防水隔离层:5.1定位弹线、试铺:铺贴防水卷材前先按卷材宽幅拉通线将卷材敷设基准线弹出,为了掌握卷材的辅贴方向、距离和尺寸,检查卷材有无弯曲,在正式铺贴前要进行试铺工作。
对于顶板、立墙转角、管口等特殊位,事先接设计要求进行裁剪。
试铺时,应在找平层上沿基准线一侧向另一侧弹线,以确定卷材搭接位置,否则卷材铺时容易歪斜,甚至还会造成卷材扭曲、皱折等缺陷。
5.2卷材铺贴5.2.1粘结材料配制:水泥(P·O 42.5R水泥):801胶:水的重量比为1:0.25:0.5;801胶:水:水泥的体积比为1:3:6。
配置时先将水和801胶加入容器内搅拌融解,再加入水泥搅拌至无凝块、无沉淀可使用,配置的水泥胶粘接剂应在4个小时内用完,并根据情况随时补水调和。
5.2.2铺贴时采用赶浆法进行施工,先将成卷的卷材放在需要铺贴的起始部位,然后沿相反方向涂刷水泥胶凝材料,并将卷材展开沿弹好的基准线向另一端铺贴,操作时卷材不要拉太紧,并注意方向沿基准线进行,以保证卷材搭接宽度,同时用滚子压实、压平,中间不得有气泡。
每铺完一张卷材,应立即用干净的滚刷从卷材的一端开始横向用力滚压一遍,以便将空气出。
排除空气后,为使卷材粘结牢固,应用外包橡皮的铁辊滚压一遍。
5.2.3卷材的层数、厚度应符合设计要求,多层铺贴时接缝应错开。
将防水卷材剪成相应尺寸,用原卷心卷好备用铺出时随放卷随用,将卷材向前滚铺、粘贴。
5.2.4卷材铺好与基层压粘后,要将搭接部位的结合面清理干净,然后用油漆刷均匀涂刷接缝胶粘剂,待胶粘剂表面干燥后即可进行粘合。
搭接缝全部粘贴后,缝口用密封材料封严,用删刀沿缝刮涂,不能留有缺口,密封宽度不小于10mm。
5.2.5铺贴卷材采用满粘搭接法,且应减少短边搭接。
搭接宽度:长边搭接不小于100mm,短边搭接不小于150mm;相邻防水卷材搭接接头相互错开1/3L(L为防水卷材宽度),各种卷材的密封要求及其宽度应符合规范的要求。
卷材的搭接口应满粘牢固,采用材性相溶的密封材料封严,不翘边、不皱折。
5.2.6卷材铺贴应减少阴阳角处的接头,铺贴平面与立面相连接的卷材应由下向上进行,使卷材紧贴阴阳角,铺展时对卷材不可拉得太紧且不得有皱褶、空鼓等现象。
平、立面交接处,先粘帖好平面,经过转角,由下往上粘贴卷材,最后用手持压辊滚压密实,滚压时要从上往下进行。
5.3收头处理、节点密封:卷材铺贴完成后,将端头裁齐。
若采用预留凹槽收头,将端头全部压入凹糟内,用压条钉压平服,再用密封材料封严,最后用聚合物水泥砂浆抹封凹懵。
如无去预留凹槽,应先用带垫片钉子或金属压条将卷材端头固定在墙面上,用密封材料封严,再将金属或卷材条用压条钉压作盖板,盖板与立墙间用密封材料封固或采用聚合物水泥砂浆将整个端头位埋压。
6、防水隔离层细部做法:6.1管根与墙角:6.2地漏处细部做法:6.3门口细部做法:7、防水隔离层蓄水试验:防水隔离层施工后,经隐蔽工程验收,确认做法符合设计要求,将所有地漏口堵住,然后灌水,水面应高出楼地面最高点20mm,24h后进行认真观察,尤其是管根、地漏等处,不渗不漏为合格,否则应进行返工。
8、检查验收:根据防水隔离层的施工工艺流程,对每道工序进行认真检查,做好记录,合格后方可进行下道工序施工。
防水隔离层施工完成,专业工长自检合格后,应由项目专业质量检查员填写,隐蔽验收记录和检验批质量验收记录。
检验批质量验收应由专业监理工程师(建设单位项目专业技术负责人)组织项目专业质量检查员等进行验收并签认。
防水隔离层经检查验收并蓄水试验合格后,应及时施工防水保护层。
三、质量标准质量要求应符合《建筑地面工程施工质量验收规范》GB50209-2010的规定。
1、主控项目:1.1隔离层材料应符合设计要求和国家现行有关标准的规定。
1.2卷材类、涂料类隔离层材料进入施工现场,应对材料的主要物理性能指标进行复验。
1.3厕浴间和有防水要求的建筑地面必须设置防水隔离层。
楼层结构必须采用现浇混凝土或整块预制混凝土板,混凝土强度等级不应小于C20;房间的楼板四周除门洞外应做混凝土翻边,高度不应小于200mm,宽同墙厚,混凝土强度等级不应小于C20。
施工时结构层标高和预留孔洞位置应准确,严禁乱凿洞。
1.4水泥类防水隔离层的防水等级和强度等级应符合设计要求。
1.5防水隔离层严禁渗漏,排水的坡向应正确、排水通畅。
2、一般项目:2.1隔离层厚度应符合设计要求。
2.2隔离层与其下一层应粘结牢固,不应有空鼓;防水涂层应平整、均匀,无脱皮、起壳、裂缝、鼓泡等缺陷。
2.3隔离层表面的允许偏差和应符合下表的规定:注:L为房间相应尺寸,H为设计厚度。
四、应注意的质量问题1、空鼓:防水隔离层的基层潮湿,不平整、不干净;涂膜防水隔离层底胶涂刷不匀,造成涂膜防水隔离层空鼓、有气泡,严重者造成大面积起鼓包;卷材防水隔离层铺设时排气不彻底,卷材没有粘结牢固,窝住空气,造成卷材防水隔离层与基层间窝气、空鼓。
施工时基层应清理干净、干燥,涂膜防水隔离层底胶应涂刷匀均,卷材铺设应均匀压实、粘结牢固。
2、卷材搭接不良:接头搭接形式以及长边、短边的搭接宽度偏小,接头处的粘结不密实,接槎损坏、空鼓;施工操作中应按程序弹标准线,使与卷材规格相符,操作中齐线铺贴,使卷材搭接长边不小于100mm,短边不小于150mm。
3、管根处粘贴不良:清理不干净、裁剪卷材与根部形状不符、压边不实造成粘贴不良;施工时清理应彻底干净,注意操作,应将卷材压实,不得有张嘴、翘边、折皱等现象。
4、渗漏:主要原因是穿过地面和墙面的管件、地漏等松动,烟风道下沉,撕裂防水层;其他部位由于管根松动或粘结不牢、接触面清理不干净产生空隙,接搓、封口处搭接长度不够,粘贴不紧密;做防水保护层时可能损坏防水层等原因。
因此要求在施工过程中,对相关工序应认真操作,加强责任心,严格按工艺标准和施工规范进行操作。
施工时附加层时对管根、地漏、门口和卷材搭接等处,应做好收头粘结,施工中保护好接槎,卷材搭接应满足宽度要求,保证特殊部位的施工质量。
5、地面排水不畅:主要原因是做地面面层及找平层时未按设计要求找坡,造成倒坡或凹凸不平而存水。