2013版物理一轮精品复习学案:实验十 练习使用多用电表(选修3-1)
- 格式:doc
- 大小:1.59 MB
- 文档页数:17
第2.9《实验:练习使用多用电表》导学案【学习目标】1.熟悉多用电表表盘的电流、电压、电阻刻度,选择开关周围的测量项目和量程,掌握多用电表的使用方法和读数方法。
(难点)2.会使用多用电表测电压、电流、电阻。
(重点) 3.会使用多用电表探索黑箱中的电学元件。
(难点) 【学法指导】电流表、电压表、多用表的接线方法;电学实验的安全操作方法。
【知识链接】1.欧姆表的原理如右图所示,当A 、B 间接入待测电阻Rx 时,电路中的电流表达式I= ;若Rx=0,表头指针指在 端 刻度处;若Rx=1R +g R +r, 表头指针指在 刻度处。
2.电流表、电压表、欧姆表都有+、-接线柱或插孔,如右图。
“+”、“-”表示在接线时,必须使电流从 接线柱流进表,从 接线柱流出表。
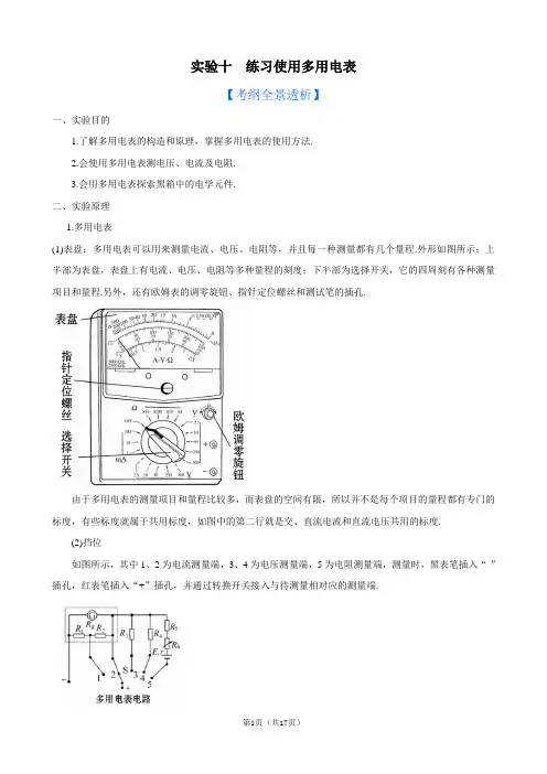
【学习过程】 做实验前完成部分知识点一、 多用电表的表盘及读数方法[问题1]请对照教材P 66图2.8-6,进一步熟悉指针式多用电表的表盘:①表盘下半部分为 ,它的周围刻有各种测量项目和量程。
从OFF 位置开始,沿顺时针方向看,依次是欧姆挡...(其中有 、 、 、 四个倍率的挡)、交流电压挡.....(其中有 、 、 、 、 五个量程)、直流电...压挡..(其中有 、 、 、 、 五个量程)、交直流电....流.挡.(其中有 、 、 三个量程)。
②表盘上半部分为电压、电流、电阻的刻度。
自上而下,依次是 刻度、 共用的刻度、 刻度。
[问题2]阅读资料P 55“二、数据处理”, 明确多用电表的读数要求。
测电阻时,指针示数的读数一般读 有效数字;测电流、电压时,如果所读表盘的最小刻度为 、 、 等,读到最小刻度的下一位,如果表盘的最小刻度为 、 、 、 等,读数只读到与最小刻度相同即可。
[例题1]右图是某同学用多用电表进行测量时指针所示位置。
①若他测电阻时用的是“×100”量程,则这时..表针所示被测电阻的阻值为电阻刻度线上指针的示数17乘以量程倍率100,即 Ω。
2.9实验:练习使用多用电表基础知识1.测量电压(1)选择合适的直流电压挡量程.(2)将多用电表与被测电路并联,注意红表笔接触点的电势应该比黑表笔高(填“高”或“低”).2.测量电流(1)选择合适的直流电流挡量程.(2)将被测电路导线卸开一端,把多用电表串联在电路中,注意电流应该从红表笔流入多用电表.3.测量定值电阻(1)测量电阻之前应该先把两支表笔直接接触,调整“欧姆调零旋钮”,使指针指向“0 Ω”.(2)将选择开关扳到欧姆挡上,此时红表笔连接表内电源的负极,黑表笔连接表内电源的正极.电流从欧姆表的黑表笔流出,经过被测电阻,从红表笔流入.4.测量二极管的正、反向电阻(1)认识二极管:如图所示,它由半导体材料制成,左端为正极,右端为负极.(2)特点:电流从正极流入时电阻很小,而从正极流出时电阻较大.重点突破一、用多用电表测电压、电流和电阻1.多用电表测电压、电流(1)测量时,红表笔插入“+”插孔,黑表笔插入“-”插孔.(2)使用多用电表测电压、电流,应将选择开关旋到合适的挡位,使指针偏角尽可能大,这样相对误差较小.测电流时应将多用电表串联在电路中,测电压时,应将多用电表并联在电路中.2.多用电表测量定值电阻(1)机械调零:使用前若指针没有停在左端“0”位置,要用螺丝刀转动指针定位螺丝,使指针指零.(2)选挡:估计待测电阻的大小,旋转选择开关,使其尖端对准欧姆挡的合适挡位.(3)欧姆调零:将红、黑表笔短接,调整欧姆调零旋钮,使指针指在表盘右端“0”刻度处.(4)测量读数:将两表笔分别与待测电阻的两端接触,指针示数乘以量程倍率即为待测电阻的阻值.(5)测另一电阻时重复(2)(3)(4).(6)实验完毕,两表笔从插孔中拔出,并将选择开关置于“OFF”挡或交流电压最高挡,若长期不用,应把电池取出.3.注意事项(1)电流都是从红表笔流入,从黑表笔流出.(2)电压、电流的读数要看清选择开关所选择的量程,搞清楚每一小格表示多少及应读到的有效数字位数.(3)测电阻时应注意:①测电阻时必须把待测电阻从电路中分离出来.②两个调零过程,切记换挡需进行欧姆调零.③读数时应乘以相应的倍率.④合理选择量程,使指针尽可能指在中值附近.⑤欧姆表的表盘刻度不均匀,一般不估读.⑥电池用旧后,电动势会变小,内电阻会变大,致使电阻测量值偏大,要及时更换电池.二、测二极管的正、反向电阻1.二极管特性:电流从二极管的正极流进时,即测二极管正向电阻时,电阻很小;从负极流进时,即测二极管反向电阻时,电阻较大.2.测正、反向电阻(1)测正向电阻:将多用电表的选择开关旋至低倍率的欧姆挡,调整欧姆零点之后将黑表笔接触二极管的正极,红表笔接触二极管的负极.(2)测反向电阻:将多用电表的选择开关旋至高倍率的欧姆挡,调整欧姆零点之后将黑表笔接触二极管的负极,红表笔接触二极管的正极.达标检测1.(多选)下述关于用多用电表欧姆挡测电阻的说法中正确的是()A.测量电阻时,如果指针偏转过大,应将选择开关S拨至倍率较小的挡位,重新调零后测量B.测量电阻时,如果红、黑表笔分别插在负、正插孔,则会影响测量结果C.测量电路中的某个电阻时,应该把该电阻与电路断开D.测量阻值不同的电阻时,都必须重新调零2.一个用满偏电流为3 mA的电流表改装成的欧姆表,调零后用它测500 Ω的标准电阻时,指针恰好指在刻度盘的正中间,如用它测量一个未知电阻时,指针指在1 mA处,则被测电阻的阻值为()A.1 000 ΩB.5 000 ΩC.150 ΩD.2 000 Ω3.用多用电表探测如图甲所示黑箱,发现:用直流电压挡测量E、G两点间和F、G两点间均有电压,E、F两点间无电压;用电阻挡测量,黑表笔(与电表内部电源的正极相连)接E点,红表笔(与电表内部电源的负极相连)接F点,阻值很小,但反接阻值很大。
2.9 实验:练习使用多用电表学 习 目 标知 识 脉 络1.通过对欧姆表的讨论,了解欧姆表的结构和刻度特点,理解欧姆表测电阻的原理(重点).2.了解多用电表的基本结构,通过实验操作学会使用多用电表测电压、电流和电阻. 3.掌握多用电表测二极管的正、反向电阻,测电压及电流的方法,会用来探索简单黑箱中的电学元件及连接方式(难点).知识点1欧 姆 表[填空] 1.原理依据 制成,它是由 改装而成的. 2.内部构造由 、 和 三部分组成. 3.测量原理如图1所示,当红、黑表笔接入被测电阻R x 时,通过表头的电流I =E r +R g +R +R x.改变R x ,电流I 随着改变,每个R x 值都对应一个电流值,在刻度盘上直接标出与I 值对应的 值,就可以从刻度盘上直接读出被测电阻的阻值.当不接电阻直接将两表笔连接在一起时,调节滑动变阻器使电流表达到满偏,此时有I g = ,若外加电阻R x =R +R g +r 时,电流为I =E R x +R +R g +r =12I g ,此时电流表指针在刻度盘的中央,该电阻叫.图1[判断]1.欧姆表指针偏角越大,表明被测电阻越大.( )2.欧姆表红表笔接表内电源的正极.( )3.欧姆表测电阻时,指针偏角偏大,应换大倍率档.( )[思考]被测电阻值越大,流过电流表表头的电流越小,电流的大小与被测电阻的阻值成反比,这种说法对吗?为什么?核心突破[合作探讨]甲乙丙图2如图2所示,甲、乙、丙分别为欧姆表红黑表笔短接、红黑表笔断开、被测电阻为R x 所对应的电路图.探讨1:图甲中红黑表笔短接时可认为被测电阻为零,那么电阻的零刻度应与电流表刻度盘上哪个刻度线相对应?探讨2:图乙中红黑表笔断开时,可认为被测电阻为无穷大,那么电阻的“∞”刻度应与电流表刻度盘上哪个刻度线相对应?探讨3:若指针在13I g处,则被测电阻的阻值R x为多大?[核心点击]1.原理如图3所示甲乙丙图32.刻度标注刻度标注方法标注位置“0 Ω”红、黑表笔相接,调节调零旋钮,使指针满偏,被测电阻R x=0满偏电流I g处“∞”红、黑表笔不接触,表头指针不偏转,被测电阻R x=∞电流为零处中值电阻R x=r+R+R g刻度盘正中央“R x”红、黑表笔接R x,I x=Er+R+R g+R x,R x与I x一一对应与R x对应电流I x处(1)机械调零:欧姆表使用前一定要观察指针是否指在左端电阻∞处,若有偏差,应用小螺丝刀轻旋调零螺丝.(2)选挡:一般欧姆表都有多个挡位,测量时要进行合理选挡,使读数在中值刻度附近,若指针偏转角度较小,说明待测电阻阻值较大,应选较大倍率的挡位,否则换倍率较小的挡位.(3)电阻调零:将红、黑表笔短接,调节欧姆调零旋钮,使指针指在右端电阻零刻度处.(4)测量:将待测电阻与别的元件断开,将红、黑表笔接在被测电阻两端进行测量.注意:不要用手接触表笔的金属杆部分.(5)读数:将刻度盘上的读数乘以选择开关所指的倍率即可得到被测电阻的阻值.(6)若要换挡测量新的电阻,需重复以上(2)~(5)步.(7)测量完毕,应将表笔从插孔中拔出,并将选择开关置于“OFF”挡或交流电压的最高挡,长期不用时,应将欧姆表中的电池取出.题组冲关1.如图4所示为欧姆表的原理图,表头内阻为R g,调零电阻为R,电池的电动势为E,内阻为r,则下列说法中错误的是()图4A.它是根据闭合电路欧姆定律制成的B.接表内电池负极的应是红表笔C.电阻的“∞”刻度一般在刻度盘的右端D.调零后刻度盘的中心刻度值是r+R g+R2.(多选)调零后,用“×10”挡测量一个电阻的阻值,发现表针偏转角度极小,正确的判断和做法是()A.这个电阻值很小B.这个电阻值很大C.为了把电阻测得更准一些,应换用“×1”挡,重新调零后再测量D.为了把电阻测得更准一些,应换用“×100”挡,重新调零后再测量名师指津1测量时指针的偏角指的是偏转到的位置和测量前的位置的夹角,所以偏角大,电阻小,偏角小,电阻大.2选挡时若无法估计待测电阻大小,是应将选择开关旋到“×1”挡,欧姆调零后,将红、黑表笔分别接到电阻两端,若指针偏角太小,则逐渐增大量程,直到指针指到中值电阻附近为止.知识点2多用电表及其应用基础初探[填空]1.最简单的多用电表原理图如图5所示,当单刀多掷开关接通1时,可作为使用,接通2时,可作为使用,接通3时,可作为使用.图52.外形构造如图6所示,选择开关周围有不同的测量功能区域及,选择开关旋到不同的位置,多用电表内对应的仪表电路被接通,就相当于对应的仪表.在不使用时,应把选择开关旋转到挡或.图63.应用(1)测电压①选择档合适的量程,并将旋至相应位置.②将多用电表在待测电阻两端,注意接触点的电势应比高.③根据表盘上的直流电压标度读出电压值,读数时注意所表达的电压值.(2)测电流①选择直流电流档合适的量程.②将被测电路导线拆开一端,把多用电表在电路中.③读数时,要认清刻度盘上的.注意:电流应从红表笔流入多用电表.(3)测电阻①要将选择开关扳到档上,此时红表笔连接表内电源的极,黑表笔连接表内电源的极.选好倍率后,先,然后测量.测量完毕,应把选择开关旋转到档或交流电压最高档.②用多用电表测电压、测电流及测电阻时,电流都是从表笔流入电表,从表笔流出电表.(4)二极管的特点及其电阻测量①特点:如图7所示,它由材料制成,有两个电极.图7②电阻测量:正向电阻,反向电阻,可用多用电表判断它的或区分它的,二极管具有性.[判断]1.多用电表所有刻度线都是均匀的.( )2.使用多用电表时,无论用电压挡、电流挡还是欧姆挡,都应该使电流从红表笔进入,从黑表笔流出.( )3.使用多用电表时,无论用电压挡、电流挡还是欧姆挡,都是红表笔接高电势处.( ) 4.使用多用电表测电阻时,应尽可能使指针在刻度盘的中间区域,这样误差比较小.( )[思考]多用电表使用前,应调整什么位置,其目的是什么?核心突破[合作探讨]甲乙丙图8如图8所示,乙、丙电路中的电流表A与甲图中的电流表相同.探讨1:乙、丙电路对应什么电表的电路图?探讨2:试将电路图甲、乙、丙组合在一起,画出对应的多用电表的电路图.[核心点击]1.用多用电表判断电路故障电路故障一般是短路或断路,常见的情况有导线断芯,灯泡断丝,灯座短路,电阻器内部断路,或接头处接触不良等,检查故障的方法有:(1)电压表检测如果电压表读数为零,说明电压表上无电流通过,可能在并联路段之外有断路,或并联路段内有短路;如果电压表有示数,说明电压表上有电流通过,则在并联电路之外无断路或并联路段内无短路.(2)假设法已知电路发生某种故障,寻求故障在何处时,可将整个电路划分为若干部分,然后逐一假设某部分电路发生故障,运用电路知识进行正向推理,推理结果若与题述现象不符合,则故障不在该部分电路;若结果与题述现象符合,则故障可能发生在这部分电路,这样逐一排除,直到找到发生故障处为止.2.电学黑箱问题(1)“电学黑箱”的种类一般有四种:①纯电阻黑箱;②纯电源黑箱;③由电阻和电源组成的闭合电路黑箱;④含电容器、二极管的黑箱.(2)常见元件的特性及测量现象元件特性不分极性,正向、反向电阻大小相等单向导电性,正向、反向电阻差值很大直流电路中相当于断路,欧姆表测量时指针先偏转,又回到“∞”刻度提供电压,用电压表测量,如果在两测量点间电压最大,说明两点间有电源(3)根据以上思路判断出黑箱内有哪些电学元件后,再根据各接点间测量的数据进行逻辑推理,最后确定出元件的位置和连接方式.题组冲关3.(多选)在如图9所示的电路中,闭合开关S时,灯不亮,已经确定是灯泡断路或短路引起的,在不能拆开电路的情况下(开关可闭合,可断开),现用一个多用电表的直流电压档、直流电流档和欧姆档分别对故障电路作了如下检查并作出判断(如下表所示):图9次序操作步骤现象和结论1闭合开关,选直流电压档,红、黑表笔分别接a、b指针偏转,灯断路;指针不偏转,灯短路2闭合开关,选直流电流档,红、黑表笔分别接a、b指针偏转,灯断路;指针不偏转,灯短路3闭合开关,选欧姆档,红、黑表笔分别接a、b指针不动,灯断路;指针偏转,灯短路4断开开关,选欧姆档,红、黑表笔分别接a、b指针不动,灯断路;指针偏转最大,灯短路A.1B.2C.3D.44.某多用电表表盘的示意图如图10所示,在正确操作的情况下:图10(1)若选择开关的位置如a所示,则测量的物理量是________,测量结果为________.(2)若选择开关的位置如b所示,则测量的物理量是________,测量结果为________.(3)若选择开关的位置如c所示,则测量的物理理是________,测量结果为________.(4)若选择开关的位置如c所示,正确操作后发现指针的偏转角很小,那么应选择______________________挡测电阻.名师指津1短路故障的判断:将电压表与电源并联,若有电压,再逐段与电路并联.当电压表示数为零时,该并联电路某部分被短路;当电压表示数不为零时,该并联电路没有被短路.2断路故障的判断:将电压表与电源并联,若有电压,再逐段与电路并联,若电压表有示数,则该并联电路某部分出现断路.3欧姆挡是倍率挡,即读出的示数再乘以挡上的倍率.电流、电压挡是量程范围挡.,在不知道待测电阻的阻值时,应先从小倍率开始,熟记“小倍率小角度偏,大倍率大角度偏”因为欧姆挡的刻度盘上越靠左读数越大,且测量前指针指在左侧“∞”处.4欧姆表的读数:待测电阻的阻值应为表盘读数乘以倍率.为了减小读数误差,指针应指表盘13~23范围内的部分,即中央刻度附近.--☆参考答案☆--[填空]1.闭合电路的欧姆定律,电流表2.表头、电源可变电阻3.R x,Er+R g+R,中值电阻.[判断] 1.(×) 2.(×) 3.(×) [思考][提示]电流I=ER x+R+R g+r,R x越大,电流越小,但二者不是反比关系.核心突破[合作探讨]探讨1:[提示]满偏电流I g.探讨2:[提示]“0”刻度线.探讨3:[提示]I g=Er+R+R g 13I g=Er+R+R g+R x可解得:R x=2(r+R+R g).题组冲关1.[解析]欧姆表的表头是一个电流表,当被测电阻接入电路,回路闭合,表头就有示数,由欧姆定律可知,表头示数随被测电阻阻值的改变而改变.电流应从红笔流入欧姆表,从黑笔流出,多用表作欧姆表使用时,电源在表内,流入的电流至电源负极,故红笔应当接电池负极;当两表笔短接时,被测电阻为零,电路电流最大,指针指最右端,当两表笔断开,相当于被测电阻∞,此时电路电流为零,指针不偏转,指最左端;调零后,回路电流为I=Er+R g+R,指针指中心刻度时,回路电流为I/2,此时被测电阻阻值为R x,则有I2=ER+R g+R+R x,解得R x=r+R g+R,就是中心刻度值.[答案] C2.[解析]用欧姆挡测电阻时,指针指中值附近测量最准确,指针不偏转时,对应电流为零,电阻为无穷大,指针偏转太小,即指示电阻太大,应换用更高倍率的挡,即换“×100”挡重新调零测量,故A、C错误,B、D正确.[答案]BD知识点2多用电表及其应用[填空]1.电流表,欧姆表,电压表.2.量程,OFF 交流电压最高挡.3.(1)①直流电压,选择开关②并联,红表笔,黑表笔③最小刻度(2)②串联③最小刻度(3)①欧姆,负,正.欧姆调零,OFF②红,黑(4)①半导体②较小,较大,正、负极好坏,单向导电性.[判断]1.(×)2.(√)3.(×)4.(√)[思考][提示]用螺丝刀调节表盘中央的定位螺丝,使指针指在表盘刻度左端的零位置.核心突破[合作探讨]探讨1:[提示]乙为欧姆表的电路,丙为电压表的电路.探讨2:[提示]题组冲关3.[解析]选直流电压档时,红、黑表笔分别接高、低电势点,若指针偏转,说明a、b两点有电压,其他地方完好而a、b之间有断路;若指针不偏转,说明a、b两点电势相等,a、b之间必短路,1正确.选直流电流档时,由于电流表内阻很小,当灯属于断路故障时,电路中电流可能较大,因此可能烧坏电流表或电源等.故一般不选用电流档进行故障检测,2错误.选欧姆档时,已启用欧姆表内电源,必须将外电路电源断开,故3是错误的.而4显然正确,故选项A、D正确.[答案]AD4.[解析](1)若选择开关的位置如a所示,则测量的是直流电压,量程为2.5 V,测量结果为1.25 V.(2)若选择开关的位置如b所示,则测量的是直流电流,量程为100 mA,测量结果为50 mA.(3)若选择开关的位置如c所示,则测量的是电阻,倍率为“×100”,测量结果为17×100 Ω=1.7 kΩ.(4)若选择开关的位置如c所示,指针的偏转角很小,说明所测量的电阻的阻值很大,应该选择更大倍率的挡位,即“×1 k”挡.[答案](1)直流电压 1.25 V(2)直流电流50 mA(3)电阻 1.7 kΩ(4)×1 k。
第七章 恒定电流【高考新动向】1.欧姆定律 Ⅱ 三年8考2.电阻定律 Ⅰ 三年4考3.电阻的串联、并联 Ⅰ 三年6考4.电源的电动势和内阻 Ⅱ 三年7考5.闭合电路的欧姆定律 Ⅱ 三年8考6.电功率、焦耳定律 Ⅰ 三年4考 实验七:测定金属的电阻率 三年7考 实验八:描绘小电珠的伏安特性曲线 三年4考 实验九:测定电源的电动势和内阻 三年11考 实验十:练习使用多用电表 三年12考【备考指导】1.掌握电路基本概念,会用欧姆定律、电阻定律、焦耳定律分析问题.2.掌握闭合电路欧姆定律,能够结合串、并联电路的特点分析问题,会分析电路动态变化问题.3.掌握各种电学仪器的使用、电学各实验的方法和原理,能够设计电路、连接电路、分析电路故障,能够用表格、图象等分析实验数据.第1节 电流 电阻 电功及电功率【考纲全景透析】一、电流1.电流形成的条件:(1)导体中有能够自由移动的电荷;(2)导体两端存在持续的电压. 2.电流的方向:与正电荷定向移动的方向________,与负电荷定向移动的方向________. 电流虽然有方向,但它是________. 3.电流(1)定义式:I =________.(2)微观表达式:I =________,式中n 为导体单位体积内的自由电荷数,q 是自由电荷的电荷量,v 是自由电荷定向移动的速率,S 为导体的横截面积. (3)单位:安培(安),符号是A,1 A =1 C/s. 【答案】2.相同 相反 标量 3.(1)q t(2)nqvS二、电阻定律1.电阻定律:R=ρlS,电阻的定义式:R=UI.2.电阻率(1)物理意义:反映导体____________的物理量,是导体材料本身的属性.(2)电阻率与温度的关系①金属的电阻率随温度升高而________;②半导体的电阻率随温度升高而________;③超导体:当温度降低到____________附近时,某些材料的电阻率突然____________成为超导体.【答案】2.(1)导电性能(2)①增大②减小③绝对零度减小为零三、欧姆定律(1)内容:导体中的电流I跟导体两端的电压U成________,跟导体的电阻R成________.(2)公式:____________.(3)适用条件:适用于________和电解液导电,适用于纯电阻电路.(4)导体的伏安特性曲线:用横坐标轴表示电压U,纵坐标轴表示________,画出的IU关系图线.①线性元件:伏安特性曲线是________________________________的电学元件,适用于欧姆定律.②非线性元件:伏安特性曲线是______________的电学元件,____________(填适用、不适用)于欧姆定律.【答案】(1)正比反比(2)I=UR(3)金属(4)电流I①通过坐标原点的直线②曲线不适用四、电功、电热、电功率1.电功(1)定义:导体中的恒定电场对自由电荷的__________做的功.(2)公式:W=qU=________(适用于任何电路).(3)电流做功的实质:________转化成其他形式能的过程.2.电功率(1)定义:单位时间内电流做的功,表示电流做功的________.(2)公式:P=W/t=________(适用于任何电路).3.焦耳定律(1)电热:电流流过一段导体时产生的________.(2)计算式:Q=I2Rt.4.热功率(1)定义:单位时间内的发热量.(2)表达式:P =Q t=________.【答案】1.(1)静电力 (2)IUt (3)电能 2.(1)快慢 (2)IU 3.(1)热量 4.(2)I 2R【热点难点全析】考点一 电流微观表达式的应用 1.定义式中q 的物理意义(1)q 是某段时间内通过导体横截面的电量.①若是金属导体导电,则q 为自由电子通过某截面的电量的总和. ②若是电解质导电,则异种电荷反向通过某截面,q=|q 1|+|q 2|.(2)带电粒子的运动可形成等效电流,如电子绕原子核的运动,带电粒子在磁场中的运动,此时q 为带电粒子的电量,T 为周期.如图,自由电荷电荷量为q ,单位体积电荷数为n ,定向移动速度为v ,导体横截面积为S ,则【例1】如图所示,一根截面积为S 的均匀长直橡胶棒上均匀带有负电荷,每米电荷量为q ,当此棒沿轴线方向做速度为v 的匀速直线运动时,由于棒运动而形成的等效电流大小为( ) A.vq B. C.qvS D.【答案】选A.【详解】在电荷的运动方向上假设有一截面,则在t 时间内通过截面的电荷量为Q=vt ·q ,则等效电流为故选项A 正确.考点二 对电阻定律、欧姆定律的理解 1.电阻与电阻率的区别(1)电阻是反映导体对电流阻碍作用大小的物理量.电阻率是反映制作导体的材料导电性能好坏的物理量. (2)导体电阻并不是只由电阻率决定,即电阻大,电阻率不一定大;电阻率小,电阻不一定小. 2.定义式和决定式的比较【例2】1.(2012·梅州高三检测)下列说法中正确的是 ( ). A .由R =U I可知,电阻与电压、电流都有关系B .由R =ρl S可知,电阻与导体的长度和横截面积都有关系C .各种材料的电阻率都与温度有关,金属的电阻率随温度的升高而减小D .所谓超导体,当其温度降低到接近绝对零度的某个临界温度时,它的电阻率突然变为零 【答案】 BD【详解】 R =U I 是电阻的定义式,R 与电压和电流无关,故A 错误;而R =ρL S是电阻的决定式,横截面积一定,电阻与导体的长度成反比,长度一定,电阻与导体的横截面积成正比,故B 正确;电阻率都与温度有关,金属的电阻率随温度的升高而增大,故C 错误;当温度降低到接近绝对零度的某个临界温度时,导体的电阻率突然变为零的现象叫超导现象,此时的导体叫超导体,故D 正确. 考点三 电功与电热的关系 1.电功与电热的比较2.电功率与热功率的比较(1)在纯电阻电路中,电功率等于热功率,即(2)在非纯电阻电路中,电功率包含热功率,P=UI为电功率,P′=I2R为热功率,有P>P′.【例3】有三个用电器,分别为日光灯、电烙铁和电风扇,它们的额定电压和额定功率均为“220 V,60 W”.现让它们在额定电压下工作相同时间,产生的热量( )A.日光灯最多B.电烙铁最多C.电风扇最多D.一样多【答案】选B.【详解】电烙铁是纯电阻用电器,即以发热为目的,电流通过它就是用来产热,而日光灯和电风扇是非纯电阻用电器,电流通过它们时产生的热量很少,电能主要转化为其他形式的能(光能和动能),综上所述,只有B正确.【高考零距离】1.(2012四川)23.四川省“十二五”水利发展规划指出,若按现在供水能力测算,我省供水缺口极大,蓄水提水是目前解决问题的重要手段之一。
第 8~ 9 节 多用电表的原理 __实验:练习使用多用电表1.欧姆表是依照闭合电路欧姆定律,由电流表改装而成,它由表头、电源和可变电阻三部分构成。
2.使用多用电表测电阻时,先要进行机械调零,选完挡后,再进行欧姆调零, 每次从头选挡后都要从头进行欧姆调零。
3.利用多用电表可丈量电压、电流、电阻,并可应用多用电表判断电路故障、检测二极管的极性及利害等。
4.使用多用表的欧姆表时才用到内部电源,用电压挡或电流挡时,均用不到内部电源。
一、欧姆表1. 原理依照闭合电路的欧姆定律,由电流表改装而成的。
2. 内部结构由表头、电源和可变电阻三部分构成。
3. 丈量原理图 2-8-1如图 2-8-1 所示,当红、黑表笔接入被测电阻R x 时,经过表头的电流 I = E 。
r + R g + R + R x改变 R x ,电流 I 跟着改变,每个 R x 值都对应一个电流值,在刻度盘上直接标出与 I 值对应的 R x 值 ,就能够从刻度盘上直接读出被测电阻的阻值。
当不接电阻直接将两表笔连结在一同时,调理滑动变阻器使电流表达到满偏,此时有ER x = R + R g + r 时,电流为 I = E 1I g = r + R g + R ,若外加电阻 R x + R + R g + r =2I g ,此时电流表指针在刻度盘的中央,该电阻叫中值电阻。
二、多用电表1.用途共用一个表头,可分别丈量电压、电流、电阻等物理量。
图 2-8-22.最简单的多用电表原理图如图 2-8-2 所示,当单刀多掷开关接通 1 时,可作为电流表使用,接通 2 时,可作为欧姆表使用,接通 3 时,可作为电压表使用。
3.外形结构如图 2-8-3 所示,选择开关四周有不一样的丈量功能地区及量程,选择开关旋到不一样的位置,多用电表内对应的仪表电路被接通,就相当于对应的仪表。
在不使用时,应把选择开关旋转到 OFF 挡或沟通电压最高挡。
图 2-8-3三、实验:练习使用多用电表1.测电压(1)选择直流电压挡适合的量程。
实验十练习使用多用电表【考纲全景透析】一、实验目的1.了解多用电表的构造和原理,掌握多用电表的使用方法.2.会使用多用电表测电压、电流及电阻.3.会用多用电表探索黑箱中的电学元件.二、实验原理1.多用电表(1)表盘:多用电表可以用来测量电流、电压、电阻等,并且每一种测量都有几个量程.外形如图所示:上半部为表盘,表盘上有电流、电压、电阻等多种量程的刻度;下半部为选择开关,它的四周刻有各种测量项目和量程.另外,还有欧姆表的调零旋钮、指针定位螺丝和测试笔的插孔.由于多用电表的测量项目和量程比较多,而表盘的空间有限,所以并不是每个项目的量程都有专门的标度,有些标度就属于共用标度,如图中的第二行就是交、直流电流和直流电压共用的标度.(2)挡位如图所示,其中1、2为电流测量端,3、4为电压测量端,5为电阻测量端,测量时,黑表笔插入“-”插孔,红表笔插入“+”插孔,并通过转换开关接入与待测量相对应的测量端.(3)多用电表的电阻挡电阻挡是根据闭合电路欧姆定律制成的,它的原理如图所示.电阻R是可变电阻,也叫调零电阻.2.二极管的单向导电性(1)晶体二极管是由半导体材料制成的,它有两个极,即正极和负极,它的符号如图甲所示.(2)晶体二极管具有单向导电性(符号上的箭头表示允许电流通过的方向).当给二极管加正向电压时,它的电阻很小,电路导通,如图乙所示;当给二极管加反向电压时,它的电阻很大,电路截止,如图丙所示.(3)将多用电表的选择开关拨到欧姆挡,红、黑表笔接到二极管的两极上,当黑表笔接“正”极,红表笔接“负”极时,电阻示数较小,反之电阻示数很大,由此可判断出二极管的正、负极.三、实验器材多用电表、电学黑箱、直流电源、开关、导线若干,小灯泡、二极管,定值电阻(大、中、小)三个.【热点难点全析】一、实验步骤1.观察多用电表的外形,认识选择开关对应的测量项目及量程.2.检查多用电表的指针是否停在表盘刻度左端的零位置.若不指零,则可用小螺丝刀进行机械调零.3.将红、黑表笔分别插入“+”、“-”插孔.4.按如图甲所示连好电路,将多用电表选择开关置于直流电压挡,测小灯泡两端的电压.5.按如图乙所示连好电路,将选择开关置于直流电流挡,测量通过小灯泡的电流.6.用多用电表测电阻的步骤(1)调整定位螺丝,使指针指向电流的零刻度.(2)选择开关置于“Ω”挡的“×1”,短接红、黑表笔,调节欧姆调零旋钮,然后断开表笔,再使指针指向∞.(3)将两表笔分别接触阻值为几十欧的定值电阻两端,读出指示的电阻值,然后断开表笔,再与标定值进行比较.(4)选择开关改置“×100”挡,重新进行欧姆调零.(5)再将两表笔分别接触标定值为几十千欧的电阻两端,读出指示的电阻值,然后断开表笔,与标定值进行比较.(6)测量完毕,将选择开关置于交流电压最高挡或“OFF”挡.7.探索黑箱内的电学元件【例1】(2011·沈阳模拟)某同学利用多用电表做了以下实验:(1)使用多用电表测电阻,他的主要实验步骤如下①把选择开关扳到“×100”的欧姆挡上;②把表笔插入测试插孔中,先把两根表笔相接触,旋转欧姆调零旋钮,使指针指在电阻刻度的零位上;③把两根表笔分别与某一待测电阻的两端相接,发现这时指针偏转较小;④换用“×10”的欧姆挡,随即记下欧姆数值;⑤把表笔从测试笔插孔中拔出后,就把多用电表放回桌上原处,实验完毕.这个学生在测量时已注意到:待测电阻与其他元件和电源断开,不用手碰表笔的金属杆,那么这个学生在实验中有哪些操作是错误的?(三个错误)错误一:_____;错误二:_____;错误三:_____.(2)如图所示,为多用电表的表盘,测电阻时,若用的是“×100”挡,这时指针所示被测电阻的阻值应为____欧;测直流电流时,用的是100 mA的量程,指针所示电流值为_____毫安;测直流电压时,用的是50 V量程,则指针所示的电压值为_____伏.【答案】(1)错误一:换用“×10”的欧姆挡,应该换用“×1 k”的欧姆挡.错误二:换挡后没有进行欧姆调零.错误三:使用完后没有将选择开关转到“OFF”或交流电压最高挡.(2)1 700 47 23.5【详解】(1)错误一:在用“×100”挡位测量时,指针偏转较小,说明所测电阻阻值较大,为了减小读数误差,应使指针向右摆动,所以应该换用“×1 k”的欧姆挡位;错误二:换挡后,还要重新进行欧姆调零;错误三:使用多用电表结束后,还要将选择开关转到“OFF”或交流电压最高挡.(2)若用“×100”挡测电阻时,指针读数为:17.0×100 Ω=1 700 Ω若用量程100 mA测直流电流时,读数为:4.7×10 mA=47 mA若用量程50 V测直流电压时,读数为23.5 V二、数据处理1.测电阻时,电阻值等于指针的示数与倍率的乘积.指针示数的读数一般读两位有效数字.2.测电压和电流时,如果所读表盘的最小刻度为1、0.1、0.001等,读数时应读到最小刻度的下一位,若表盘的最小刻度为0.2、0.02、0.5、0.05等,读数时只读到与最小刻度位数相同即可.3.误差分析(1)电池用旧后,电动势会减小,内电阻会变大,致使电阻测量值偏大,要及时更换新电池.(2)欧姆表的表盘刻度不均匀,估读时易带来误差,要注意其左密右疏特点.(3)由于欧姆表刻度的非线性,表头指针偏转过大或过小都会使误差增大,因此要选用恰当挡位,使指针指中值附近.(4)测电流、电压时,由于电表内阻的影响,测得的电流、电压值均小于真实值.(5)读数时的观测易形成偶然误差,要垂直表盘正对指针读数.注意事项(1)表内电源正极接黑表笔,负极接红表笔,但是红表笔插入“+”孔,黑表笔插入“-”孔,注意电流的实际方向.(2)区分“机械零点”与“欧姆零点”.机械零点是表盘刻度左侧的“0”位置,调整的是表盘下边中间的定位螺丝;欧姆零点是指刻度盘右侧的“0”位置,调整的是欧姆挡的调零旋钮.(3)测电压时,多用电表应与被测元件并联;测电流时,多用电表应与被测元件串联.(4)测量电阻时,每变换一次挡位都要重新进行欧姆调零.(5)由于欧姆表盘难于估读,测量结果只需取两位有效数字,读数时注意乘以相应量程的倍率. (6)使用多用电表时,手不能接触测试笔的金属杆,特别是在测电阻时,更应注意不要用手接触测试笔的金属杆.(7)测量电阻时待测电阻要与其他元件和电源断开,否则不但影响测量结果,甚至可能损坏电表. (8)如果长期不用欧姆表,应把表内电池取出.(9)在研究二极管的单向导电性时,切记在二极管正向导通的情况下电路中必须连有灯泡或其他用电器,不能只连接一个二极管,否则极易烧坏二极管.【例2】(2010·山东高考)在测定金属电阻率的实验中,某同学连接电路如图所示.闭合电键后,发现电路有故障(已知电源、电表和导线均完好,电源电动势为E):(1)若电流表示数为零、电压表示数为E,则发生故障的是______(填“待测金属丝”、“滑动变阻器”或“电键”).(2)若电流表、电压表示数均为零,该同学利用多用电表检查故障.先将选择开关旋至_____挡(填“欧姆×100”、“直流电压10 V ”或“直流电流2.5 mA ”),再将_____(填“红”或“黑”)表笔固定在a 接线柱,把另一支表笔依次接b 、c 、d 接线柱.(3)若只有滑动变阻器断路,则多用电表的示数依次是_____、______、_____.【答案】(1)待测金属丝 (2)直流电压10 V 红 (3)0 E E【详解】(1)若电流表示数为零,说明外电路一定是断路,电压表有示数为E ,说明电源与电压表之间的连接无断路,所以发生故障的一定是待测金属丝.(2)电流表示数为零,说明外电路一定存在着断路.因为电源两端有电压,所以不能用电流表来检测,只能用电压表(量程高于电源电动势)来检测,没有电压表的情况下,则利用多用电表的10 V 直流电压挡来检查故障.多用电表的红表笔应和电源的正极相连.(3)若只有滑动变阻器断路,则多用电表的示数依次是0、E 、E.【高考零距离】【2012年】1.(2012上海)27.(6分)在练习使用多用表的实验中(1)某同学连接的电路如图所示①若旋转选择开关,使尖端对准直流电流挡,此时测得的是通过________的电流;②若断开电路中的电键,旋转选择开关使其尖端对准欧姆挡,此时测得的是________的电阻;③若旋转选择开关,使尖端对准直流电压挡,闭合电键,并将滑动变阻器的滑片移至最左端,此时测得的是________两端的电压。
实验《练习使用多用电表》教学设计高三级物理科选修3-1第二章《恒定电流》量电压和电流重在掌握使用和读数,为了让学生更好的掌握测电阻的使用步骤,在测电阻前先介绍多用电表中的欧姆挡的原理。
五、教学策略选择与设计(教学资源、教学手段和主要教学方法)教学媒体:多媒体设备、多用电表(50型)、导线、电池、电键、滑动变阻器、电阻箱教学方法:探究式教学实验教学讨论教学六、教学过程(要与备课组“20+20”课堂教学建模相一致)教学环节时间时间1分钟与教师活动同步进行设计意图及资源准备资源准备:摆放在实验台上的多用电表等器材及多媒体展示;设计意图:激发学生的求知欲望1、介绍多用电表的外形并对关键部件多媒体展示多用电表并引导学生观察欧姆表、交直流电压电流表、交流2.5V电压表(二)进行新课表盘的特点4(1)观察多用电表分的外形,认识选择开关钟的测量项目及量程;在《导与练》P108例1图5资源分准备:多媒钟体展示多用电表的外形;设计意图:(1)、让学生了解多用电表的功能和各刻度线的特点,(3)检查多用电表的指针是否停在表盘刻为量程的选择和读教师活动1、通过前面的电学实验同学们掌握了电压表和电流表的使用,有哪一种仪器既能测电压又能测电流的呢?学生活动1多用电表在生活中分也略有所闻,学生自然钟就会想到多用电表2、多用电表除了能测电压和电流还能有(一)哪些功能?引入3、本节课我们就一起了解多用电表并探新究多用电表的使用课与甲1标上相应的部件名教师称;活(2)交流与讨论:动交欧姆表、交直流电压电替流表、交流2.5V电压表进表盘各有什么特点?学行生代表发言;度左端的零位置。
若不指零,则可用小螺丝刀调整机械调零旋钮使指针指零;(4)将红、黑表笔分别插入“+”、“-”插孔。
2、引导学生学习练习多用电表的读数练习1、多媒体展示—正在测量中的多用电表表盘。
3学生分组交流与讨分论,学生遵循电压表、钟电流表、欧姆表读数原则的基础上进行读数;学生代表发言(二)进行新课数奠定基础;(2)、学生学会机械调零5资源分准备:多媒钟体展示—正在测量中的多用电表表盘。
学案10 学生实验: 练习使用多用电表[学习目标定位] 1.了解欧姆表的原理, 了解欧姆表的表盘刻度等问题, 并学会使用欧姆表.2.了解多用电表的构造及制作原理.3.动手操作, 学会用多用电表测量电压、电流及二极管的正、反向电阻.一、认识多用电表1. 欧姆表内部构造: 由表头、电池和可变电阻三部分组成.2.欧姆表的测量原理: 如图1所示 , 当红、黑表笔间接入待测电阻R 时, 通过表头的电流为I时, 待测阻值R =E I-(r +R g +R 0), 由于待测电阻的数值与电流表的示数是一一对应的, 只要把表头的刻度盘改刻成相应电阻的数值, 该装置就成为直接读出电阻值的欧姆表了.图13. 将电流表、电压表和欧姆表共同使用一个表头, 就成为多用电表, 也称万用表.4. 作为电流表使用时, 表头并联有分流电阻.5. 作为电压表使用时, 表头串联有分压电阻.6. 作为欧姆表使用时, 表头串联了电池和调零电阻.7. 外形结构: 上半部是表头, 表头的下部有一个定位螺丝, 使用前, 应先检查指针是否指在左边“0”刻度处;下半部的中心部位是选择开关.二、练习使用多用电表1. 用多用电表测量电流和电压: 接入多用电表时要注意电流从红表笔进入电表;从黑表笔流出电表, 读数时要注意所选择的量程.2. 用多用电表测量电阻:(1)先把选择开关旋到电阻挡的适当倍率处;(2)把两支表笔相互接触, 调整电阻挡调零旋钮, 使指针指在电阻挡的“0”刻度线处;(3)再把待测电阻(待测电阻不能与其他电源或其他电阻连接)的两端分别与两支表笔接触, 读出指针的示数再乘以相应的倍率, 即为所测电阻阻值.3. 用多用电表判断二极管的正负极:(1)选择电阻挡的适当量程, 让两支表笔分别接触二极管的两根引线;(2)变换两表笔位置再次与二极管的两根引线接触;(3)电阻较小时接触黑表笔的一端是正极, 另一端是负极.一、欧姆表1. 电压表、大量程电流表都是由电流表改装的, 那么我们如何把电流表改装成测量电阻的欧姆表?画出原理图.【参考答案】可以用如图所示的电路将电流表改装成欧姆表.2. 当红、黑表笔短接时(如图2所示), 调节R的阻值, 使指针指到满刻度, 此时红、黑表笔之间电阻为多大?当红、黑表笔不接触时(如图3所示), 指针不偏转, 即指向电流表的零点. 此时, 红、黑表笔之间电阻为多大?图2图3【参考答案】零无穷大3. 当在红、黑表笔间接入某一电阻R x, 指针恰好指在刻度盘的中间位置, 此时R x与欧姆表内阻有什么关系?【参考答案】阻值相等[要点提炼]1. 当红、黑表笔断开时, 电流表中电流为零, 此时表笔间电阻无穷大, 所以在表盘上电流零处标电阻“∞”;当红、黑表笔短接时, 调节欧姆调零电阻, 使电流表指针满偏, 此时表笔间电阻为零, 所以在电流满偏处标电阻“0”.2. I与R x不成比例, 欧姆表的刻度不均匀.3. 欧姆表偏角越大, 表明被测电阻越小.4. 中值电阻: 当外加电阻R x=r+R g+R0时, 电流为I=ER x+R0+R g+r=12I g, 此时电流表指针指在刻度盘的中央, 该电阻叫中值电阻.二、多用电表图4分别表示电流表、欧姆表、电压表的电路示意图, 试把它们组合在一起, 在图5的基础上画出最简单的多用电表的电路.图4图5【参考答案】[要点提炼]1. 电流表的改装原理: 由同一表头并联(“串联”或“并联”)不同电阻改装而成的量程不同的电流表.2. 电压表的改装原理: 由同一表头串联(“串联”或“并联”)不同电阻改装而成的量程不同的电压表.3. 欧姆表的改装原理: 将对应R x的电流刻度值改为电阻值即为欧姆表.4. 电流进、出电表的流向:(1)电流档串联接入电路, 电流从红表笔流进电表, 从黑表笔流出;(2)电压档并联接入电路, 红表笔接高电势点, 黑表笔接低电势点, 电流仍然是“红进、黑出”;(3)使用欧姆挡时, 红表笔连接表内电源的负极, 黑表笔连接表内电源的正极. 电流仍然是“红进、黑出”.三、使用多用电表的注意事项1. 电流都是从红表笔流入, 从黑表笔流出.2. 电压、电流的读数要看清选择开关所选择的量程, 搞清楚每一小格表示多少, 及应读到的有效数字位数.3. 测电阻时注意:(1)测电阻必须把待测电阻隔离.(2)两个调零过程, 切记换挡需进行欧姆调零.(3)读数时应乘以相应的倍率.(4)合理选择量程, 使指针尽可能指在中值附近.(5)欧姆表的表盘刻度不均, 一般不估读. (6)电池用旧后, 内电阻会变大, 要及时换电池.4. 实验完毕, 将表笔从插孔中拔出, 并将选择开关置于“OFF ”挡或旋至交流电压的最大量程处. 若长期不用, 应将多用电表内的电池取出.一、欧姆表测电阻的原理例1 若某欧姆表表头的满偏电流为5 mA, 内装一节干电池, 电动势为1.5 V, 那么该欧姆表的内阻为________ Ω, 待测电阻接入红、黑两表笔之间时, 指针指在刻度盘的中央, 则待测电阻的阻值为________ Ω, 若指针指在满刻度的34处, 则待测电阻的阻值为________ Ω. 【参考答案】 300 300 100二、多用电表的使用和读数例2 为确定某电子元件的电气特性, 做如下测量.(1)用多用表测量该元件的电阻, 选用“×100”倍率的电阻挡测量, 发现多用表指针偏转过大, 因此需选择________倍率的电阻挡(填: “×10”或“×1k ”), 并________再进行测量, 多用表的示数如图6所示, 测量结果为________Ω.图6(2)将待测元件(额定电压9 V)、蓄电池、滑动变阻器、电流表、多用表、电键及若干导线连接成电路如图7所示. 添加连线, 使电路能测量该元件完整的伏安特性.图7本实验中使用多用表测电压, 多用表的选择开关应调到______________挡(填: “直流电压10 V”或“直流电压50 V”).【试题解析】(1)用多用表测量该元件的电阻, 选用“×100”倍率的电阻挡测量, 发现多用表指针偏转过大, 说明电阻较小, 因此需选择×10倍率的电阻挡, 并欧姆调零后再进行测量, 多用表的示数如题图所示, 测量结果为70 Ω.(2) 要测量该元件完整的伏安特性, 必须连接成分压电路. 本实验中使用多用表测电压, 多用表的选择开关应调到直流电压10 V挡.【参考答案】(1)×10欧姆调零70(2)电路如图所示直流电压10 V如图8所示为多用电表的示意图, 试回答下列问题:图8(1)当选择开关位置旋至“mA”挡中的“10”挡位时, 则测量的是__________________.(2)当选择开关位置旋至“V”挡中的“50”挡位时, 则测量的是______________________.(3)当选择开关位置旋至“Ω”挡中的“×100”挡位时, 则测量的电阻大小等于____________________.(4)当选择开关位置旋至“Ω”挡中的“×100”挡位时, 正确操作后发现指针的偏转角很小, 那么正确的操作步骤依次是: ①______________, ②______________, ③________________. (5)无论用多用电表进行何种(直流)操作测量, 电流都应该是从__________表笔经____________插孔流入电表.【参考答案】(1)量程为0~10 mA的直流电流(2)量程为0~50 V的直流电压(3)读数×100 Ω(4)①换挡位“×1 k”②将表笔短接重新进行调零③将电阻与其他元件断开后进行测量(5)红“+”【试题解析】当多用电表的选择开关置于相应的物理量区域时, 多用电表就可以测量该量, 开关所指的数值就是所测量的量程, 需要注意的是: 由于测电阻的原理和测电流、电压的原理不同, 当选择开关在测电阻区域时, 对应的数值是倍率, 而不是量程. 当然, 倍率越大, 测量的电阻也就越大;倍率越小, 测量的电阻就越小. 由于测电阻是应用闭合电路的欧姆定律, 每次换挡位时, 都会改变闭合电路的阻值, 因此换挡位后必须进行欧姆调零. 多用电表在测量时, 红表笔要插入“+”插孔, 黑表笔要插入“-”插孔, 这样, 在测量电路中, 电流应从红表笔流入.题组一多用电表的原理1. 以下是欧姆表原理的电路示意图, 正确的是()【参考答案】C【试题解析】选项B的欧姆表中没有可调电阻, B错;选项D电流表的负极接到了电源的正极, D错;红表笔应接电源的负极, 黑表笔应接电源的正极, A错, C对.2. 用欧姆表测一个电阻的阻值R, 选择旋钮置于“×10”挡, 测量时指针指在100与200刻度弧线的正中间, 可以确定()A. R=150 ΩB. R=1 500 ΩC. 1 000 Ω<R<1 500 ΩD. 1 500 Ω<R<2 000 Ω【参考答案】C【试题解析】表盘右疏左密, 所以指针指在100与200刻度弧线的正中间, 可以确定1 000 Ω<R<1 500 Ω, 故选C.3. 如图1所示为简单欧姆表原理示意图, 其中电流表的满偏电流I g=300 μA, 内阻R g=100 Ω, 可变电阻R的最大阻值为10 kΩ, 电源的电动势E=1.5 V, 内阻r=0.5 Ω, 图中与接线柱A相连的表笔颜色应是________色, 按正确使用方法测量电阻R x的阻值时, 指针指在刻度盘的正中央, 则R x=________ kΩ.图1【参考答案】红 5题组二多用电表的读数4. 如图2所示为一多用电表表盘.图2(1)如果用直流10 V挡测量电压, 则读数为______ V.(2)如果用直流100 mA挡测量电流, 则读数为________ mA.(3)如果用×100挡测电阻, 则读数为________ Ω.【参考答案】(1)6.6(2)66(3)800【试题解析】直流电压、电流读数时用中间刻度线, 电压表读数为6.6 V, 电流表读数为66 mA, 欧姆表读数时用上面刻度线, 读数为800 Ω.5. 如图3所示为多用电表的表盘, 测电阻时, 若用的是“×100”挡, 这时指针所示被测电阻的阻值应为________Ω;测直流电流时, 用的是100 mA的量程, 指针所示电流值为________mA;测直流电压时, 用的是50 V量程, 则指针所示的电压值为________V.图3【参考答案】1 7004723.5【试题解析】若用“×100”挡测电阻时, 指针读数为: 17×100 Ω=1 700 Ω若用量程100 mA测直流电流时, 读数为: 4.7×10 mA=47 mA若用量程50 V测直流电压时, 读数为23.5 V题组三多用电表的使用和测量6. 在使用多用电表测电阻时, 以下说法正确的是()A. 使用前检查指针是否指在电阻挡的“∞”处B. 每换一次挡位, 都必须重新进行欧姆调零C. 在外电路中, 电流从黑表笔流经被测电阻到红表笔D. 测量时, 若指针偏角较小, 应换倍率较小的挡位来测量【参考答案】ABC【试题解析】指针偏角小, 示数大, 应换用倍率大的挡位重新测量, 故D错误.7. 一学生使用多用电表测电阻, 他在实验中有违反使用规则的地方. 他的主要实验步骤如下:A. 把选择开关置于“×1”的欧姆挡;B. 把表笔插入插孔中, 先把两表笔相接触, 旋转调零旋钮, 使指针指在电阻刻度的零刻线上;C. 把两表笔分别与某一待测电阻的两端相连, 发现这时指针偏转角度较小;D. 换用“×100”挡, 发现这时指针偏转适中, 随即记下电阻值;E. 把表笔从插孔中拔出后, 就把多用电表放回桌上原处, 实验完毕.这个学生已经注意到在测量时待测电阻与其他元件或电源断开, 不用手碰表笔的金属杆. 这个学生在实验中哪一个或哪些步骤违反了使用规则?【参考答案】见解析【试题解析】D步骤中应先调零后再测电阻;E步骤中应将选择开关置于“OFF”或交流电压最高挡.8. 用如图4所示的多用电表测量电阻, 要用到选择开关K和两个部件S、T.请根据下列步骤完成电阻测量:图4(1)旋动部件________, 使指针对准电流的“0”刻线.(2)将K旋转到电阻挡“×100”的位置.(3)将插入“+”、“-”插孔的表笔短接, 旋动部件______, 使指针对准电阻的________(填“0刻线”或“∞刻线”).(4)将两表笔分别与待测电阻相接, 发现指针偏转角度过小. 为了得到比较准确的测量结果, 请从下列选项中挑出合理的步骤, 并按______的顺序进行操作, 再完成读数测量.A. 将K旋转到电阻挡“×1 k”的位置B. 将K旋转到电阻挡“×10”的位置C. 将两表笔的金属部分分别与被测电阻的两根引线相接D. 将两表笔短接, 旋动合适部件, 对电表进行校准【参考答案】(1)S(3)T0刻线(4)ADC【试题解析】使指针对准电流的“0”刻线, 应旋动机械调零部件S;使指针对准电阻的“0”刻线, 应旋动欧姆调零部件T;测电阻时若指针偏转角度过小, 则待测电阻的阻值很大, 据欧姆表测电阻时指针尽可能接近“中值”的原则知, 应换用较大倍率的挡位, 因此A合理;每换一次挡位应重新调零, 则选D;测电阻时两表笔的金属部分分别与被测电阻的两根引线相连, 应选C.题组四 综合题组9. 实验室有下列器材:A. 电流表(0~100 μA ,1.5 kΩ);B. 电流表(0~1 mA,1 kΩ);C. 变阻器(0~300 Ω);D. 变阻器(0~800 Ω);E. 干电池(1.5 V, r =0);现要改装一只欧姆表, 从上述备用器材中, 电流表应选用______________, 变阻器应选用____________, 电源应选用________(填序号). 改装好的欧姆表中心刻度的阻值为________________.【参考答案】 B D E 1.5 kΩ【试题解析】 若选用A 电流表, 需要变阻器的最小阻值为R =E I g-1.5 kΩ=13.5 kΩ, C 、D 两个变阻器都不能用, 故不能选A 电流表. 若选用B 电流表, 需要变阻器的最小阻值为R =E I g-1 kΩ=0.5 kΩ=500 Ω, D 变阻器可以满足, 故电流表选B, 变阻器选D.由于只有一个电源,故电源选E.欧姆表中心刻度的阻值为R 中=R 内=E I g =1.5 V 1 mA=1.5 kΩ. 10. 在如图5所示的电路中, 电源的电动势E =1.5 V, 内阻r =0.5 Ω, 电流表满偏电流I g =10 mA, 电流表电阻R g =7.5 Ω, A 、B 为接线柱.图5(1)用一根导线把A 、B 直接连起来, 此时, 应把可变电阻R 1调节为多少才能使电流表恰好达到满偏电流;(2)调至满偏后保持R 1的值不变, 在A 、B 间接入一个150 Ω的定值电阻R 2, 电流表指针指着多少刻度的位置;(3)如果把任意电阻R 接在A 、B 之间, 电流表读数I 与R 的值有什么关系.【参考答案】 (1)142 Ω (2)5 mA (3)R =1.5 V I-150Ω 【试题解析】 (1)因电流表电阻R g 的值不能忽略, 此时可以把电流表视为一个电阻来计算.由闭合电路欧姆定律, 有I g =E R g +r +R 1从中解出可变电阻R 1=E I g -R g -r =(1.50.01-7.5-0.5)Ω=142 Ω 这表示, 当两个接线柱直接连到一起, 且表头指针恰好满偏时, 可变电阻R 1的值需调节到142 Ω.(2)保持可变电阻R 1的值不变, 把R 2=150 Ω接在A 、B 之间, 设这时电流表读数为I 2, 由闭合电路欧姆定律得:I 2=E R g +r +R 1+R 2= 1.57.5+0.5+142+150A =0.005 A =5 mA这表示, 接入R 2后, 电流表指针指在“5 mA ”刻度的位置.(3)把任意电阻R 接到A 、B 之间、设电流表读数为I , 则I =E R g +r +R 1+R代入数值后, 得I = 1.5 V 150Ω+R解出R =1.5 V I -150Ω。
教学设计9实验:练习使用多用电表本节分析“让生活走近物理,让物理走向社会”是新课程的重要理念,学以致用,培养学生的动手实践能力是物理教学承担的教育功能之一,教材在《多用电表的原理》一节之后安排了《实验:练习使用多用电表》正体现了这一意图.使学生对多用电表的原理更加明了,又要求会使用多用电表,增强了实践运用能力.本节是一节实验课,采用分组实验和讨论交流的方式进行,并通过“学习任务单”引导学生完成实验任务.学情分析学习本节前,学生已学习了闭合电路的欧姆定律和多用电表的原理,了解了多用电表的内部结构和测量电阻的原理,会利用闭合电路的欧姆定律解决简单电路问题,为使用多用电表奠定了基础.教学目标●知识与技能1.会用多用电表测电压、电流、电阻.2.会用多用电表测量二极管的正反向电阻.3.初步会用多用电表探索黑盒中的电学元件和结构.●过程与方法1.通过操作多用电表测电流、电压、电阻,感受使用多用电表的过程.2.通过动手实验和思考,认识一般物理测量的操作步骤和过程.●情感、态度与价值观1.通过分组实验活动,激发合作意识,养成严谨的科学态度,增强理论联系实际的自觉性.2.通过探索黑盒中电子元件及结构,激发学习的兴趣,培养探究意识.教学重难点1.多用电表测电阻.2.使用多用电表测电阻的操作规范及探索黑盒的过程.教学方法采用多媒体教学、演示实验、分组实验.教学准备1.实验器材演示实验器材:(1)电源、开关、小灯泡、导线;(2)黑盒(内由电学元件构成).学生分组实验器材:(1)多用电表及红、黑表笔;(2)电阻、导线、干电池、开关、二极管若干;(3)黑盒(内由电学元件构成).2.媒体资源(1)多媒体教室;(2)实物投影;(3)自制课件.教学设计(设计者:金松,陆燕改编)教学过程设计当选择开关位置旋至“mA”挡中的“25”挡位时,测量的是当选择开关位置旋至“V”挡中的“50”挡位时,测量的是当选择开关位置旋至“Ω”挡中的“×100”挡位时,测量的当选择开关位置旋至“Ω”挡中的“×100”挡位时,正确操作后发现指针的偏转角很小,那么正确的操作步骤依次是:,②__________,③__________.电阻测量:正向电阻较小,反向电阻较大,可用多用电表判断它的正、负极或区分它的好坏.板书设计9实验:练习使用多用电表一、认识多用电表1.选择开关2.表盘二、使用多用电表1.测直流电压和电流2.测电阻3.探究黑盒4.二极管的单向导电性教学反思本节是一节实验课,上一节已经学习了多用电表的原理与构造,因此本节的设计依据是加强实验操作技能培养与练习,注重学生动手能力和探究能力的培养,以“情景引入→认识观察→测量使用→问题探究”的思路设计本课,侧重多用电表的使用练习.本节需突出的教学重点是利用多用电表测电阻,方法是分阶段、有层次的进行实验活动和学习.首先通过分组实验,初步学习多用电表测电阻;其次通过交流对话和问题思考,明确多用电表测电阻的操作规范;再通过探究黑盒内电子元件,进一步提升多用电表测电阻的技能,使多用电表测电阻成为课堂教学的主线.本节需突破的教学难点是多用电表测电阻的操作规范以及黑盒探究的过程,方法是分散难点,各个突破.如在认识多用电表阶段,解决多用电表(A/V/Ω)的读数问题;在分组实验后的交流对话中解决操作规范的问题.本设计坚持以“学生发展为本”,通过实验活动重视学生技能的形成,使学生在有控开放的时空中,通过动手实验,问题思考、交流对话,体验知识技能的形成和获取的过程,体现理论联系实际,使学生对学习感到有兴趣、有成就感!备课资料●二极管晶体二极管为一个由P型半导体和N型半导体形成的PN结,在其界面处两侧形成空间电荷层,并建有自建电场.当不存在外加电压时,由于PN结两边载流子浓度差引起的扩散电流和自建电场引起的漂移电流相等而处于电平衡状态.当外界有正向电压偏置时,外界电场和自建电场的互相抑消作用使载流子的扩散电流增加引起了正向电流.当外界有反向电压偏置时,外界电场和自建电场进一步加强,形成在一定反向电压范围内与反向偏置电压值无关的反向饱和电流I0.当外加的反向电压高到一定程度时,PN结空间电荷层中的电场强度达到临界值产生载流子的倍增过程,产生大量电子空穴对,产生了数值很大的反向击穿电流,称为二极管的击穿现象.二极管种类有很多,按照所用的半导体材料,可分为锗二极管(Ge管)和硅二极管(Si 管).根据其不同用途,可分为检波二极管、整流二极管、稳压二极管、开关二极管、隔离二极管、肖特基二极管、发光二极管、硅功率开关二极管、旋转二极管等.按照管芯结构,又可分为点接触型二极管、面接触型二极管及平面型二极管.。
实验十 练习使用多用电表【考纲知识梳理】一、实验目的练习使用多用电表测电阻。
二、实验原理多用电表由表头、选择开关和测量线路三部分组成(如图),表头是一块高灵敏度磁电式电流表,其满度电流约几十到几百μA ,转换开关和测量线路相配合,可测量交流和直流电流、交流和直流电压及直流电阻等。
测量直流电阻部分即欧姆表是依据闭合电路欧姆定律制成的,原理如图所示,当红、黑表笔短接并调节R 使指针满偏时有I g =R r r g ++ε=中R ε (1)当电笔间接入待测电阻R x 时,有I x =x R R +中ε(2)联立(1)、(2)式解得g x I I =中中R R R x + (3) 由(3)式知当R x =R 中时,I x =21I g ,指针指在表盘刻度中心,故称R 中为欧姆表的中值电阻,由(2)式或(3)式可知每一个R x 都有一个对应的电流值I ,如果在刻度盘上直接标出与I 对应的R x 的值,那么当红、黑表笔分别接触待测电阻的两端,就可以从表盘上直接读出它的阻值。
由于电流和电阻的非线性关系,表盘上电流刻度是均匀的,其对应的电阻刻度是不均匀的,电阻的零刻度在电流满刻度处。
三、实验器材多用电表,标明阻值为几欧、几十欧、几百欧、几千欧的定值电阻各一个,小螺丝刀。
【要点名师精解】一、实验步骤1.机械调零,用小螺丝刀旋动定位螺丝使指针指在左端电流零刻度处,并将红、黑表笔分别接入“+”、“-”插孔。
2.选挡:选择开关置于欧姆表“×1”挡。
3.短接调零:在表笔短接时调整欧姆挡的调零旋钮使指针指在右端电阻零刻度处,若“欧姆零点”旋钮右旋到底也不能调零,应更换表内电池。
4.测量读数:将表笔搭接在待测电阻两端,读出指示的电阻值并与标定值比较,随即断开表笔。
5.换一个待测电阻,重复以上2、3、4过程,选择开关所置位置由被测电阻值与中值电阻值共同决定,可置于“×1”或“×10”或“×100”或“×1k ”挡。
实验十练习使用多用电表【考纲全景透析】一、实验目的1.了解多用电表的构造和原理,掌握多用电表的使用方法.2.会使用多用电表测电压、电流及电阻.3.会用多用电表探索黑箱中的电学元件.二、实验原理1.多用电表(1)表盘:多用电表可以用来测量电流、电压、电阻等,并且每一种测量都有几个量程.外形如图所示:上半部为表盘,表盘上有电流、电压、电阻等多种量程的刻度;下半部为选择开关,它的四周刻有各种测量项目和量程.另外,还有欧姆表的调零旋钮、指针定位螺丝和测试笔的插孔.由于多用电表的测量项目和量程比较多,而表盘的空间有限,所以并不是每个项目的量程都有专门的标度,有些标度就属于共用标度,如图中的第二行就是交、直流电流和直流电压共用的标度.(2)挡位如图所示,其中1、2为电流测量端,3、4为电压测量端,5为电阻测量端,测量时,黑表笔插入“-”插孔,红表笔插入“+”插孔,并通过转换开关接入与待测量相对应的测量端.(3)多用电表的电阻挡电阻挡是根据闭合电路欧姆定律制成的,它的原理如图所示.电阻R是可变电阻,也叫调零电阻.2.二极管的单向导电性(1)晶体二极管是由半导体材料制成的,它有两个极,即正极和负极,它的符号如图甲所示.(2)晶体二极管具有单向导电性(符号上的箭头表示允许电流通过的方向).当给二极管加正向电压时,它的电阻很小,电路导通,如图乙所示;当给二极管加反向电压时,它的电阻很大,电路截止,如图丙所示.(3)将多用电表的选择开关拨到欧姆挡,红、黑表笔接到二极管的两极上,当黑表笔接“正”极,红表笔接“负”极时,电阻示数较小,反之电阻示数很大,由此可判断出二极管的正、负极.三、实验器材多用电表、电学黑箱、直流电源、开关、导线若干,小灯泡、二极管,定值电阻(大、中、小)三个.【热点难点全析】一、实验步骤1.观察多用电表的外形,认识选择开关对应的测量项目及量程.2.检查多用电表的指针是否停在表盘刻度左端的零位置.若不指零,则可用小螺丝刀进行机械调零.3.将红、黑表笔分别插入“+”、“-”插孔.4.按如图甲所示连好电路,将多用电表选择开关置于直流电压挡,测小灯泡两端的电压.5.按如图乙所示连好电路,将选择开关置于直流电流挡,测量通过小灯泡的电流.6.用多用电表测电阻的步骤(1)调整定位螺丝,使指针指向电流的零刻度.(2)选择开关置于“Ω”挡的“×1”,短接红、黑表笔,调节欧姆调零旋钮,然后断开表笔,再使指针指向∞.(3)将两表笔分别接触阻值为几十欧的定值电阻两端,读出指示的电阻值,然后断开表笔,再与标定值进行比较.(4)选择开关改置“×100”挡,重新进行欧姆调零.(5)再将两表笔分别接触标定值为几十千欧的电阻两端,读出指示的电阻值,然后断开表笔,与标定值进行比较.(6)测量完毕,将选择开关置于交流电压最高挡或“OFF”挡.7.探索黑箱内的电学元件【例1】(2011·沈阳模拟)某同学利用多用电表做了以下实验:(1)使用多用电表测电阻,他的主要实验步骤如下①把选择开关扳到“×100”的欧姆挡上;②把表笔插入测试插孔中,先把两根表笔相接触,旋转欧姆调零旋钮,使指针指在电阻刻度的零位上;③把两根表笔分别与某一待测电阻的两端相接,发现这时指针偏转较小;④换用“×10”的欧姆挡,随即记下欧姆数值;⑤把表笔从测试笔插孔中拔出后,就把多用电表放回桌上原处,实验完毕.这个学生在测量时已注意到:待测电阻与其他元件和电源断开,不用手碰表笔的金属杆,那么这个学生在实验中有哪些操作是错误的?(三个错误)错误一:_____;错误二:_____;错误三:_____.(2)如图所示,为多用电表的表盘,测电阻时,若用的是“×100”挡,这时指针所示被测电阻的阻值应为____欧;测直流电流时,用的是100 mA的量程,指针所示电流值为_____毫安;测直流电压时,用的是50 V量程,则指针所示的电压值为_____伏.【答案】(1)错误一:换用“×10”的欧姆挡,应该换用“×1 k”的欧姆挡.错误二:换挡后没有进行欧姆调零.错误三:使用完后没有将选择开关转到“OFF”或交流电压最高挡.(2)1 700 47 23.5【详解】(1)错误一:在用“×100”挡位测量时,指针偏转较小,说明所测电阻阻值较大,为了减小读数误差,应使指针向右摆动,所以应该换用“×1 k”的欧姆挡位;错误二:换挡后,还要重新进行欧姆调零;错误三:使用多用电表结束后,还要将选择开关转到“OFF”或交流电压最高挡.(2)若用“×100”挡测电阻时,指针读数为:17.0×100 Ω=1 700 Ω若用量程100 mA测直流电流时,读数为:4.7×10 mA=47 mA若用量程50 V测直流电压时,读数为23.5 V二、数据处理1.测电阻时,电阻值等于指针的示数与倍率的乘积.指针示数的读数一般读两位有效数字.2.测电压和电流时,如果所读表盘的最小刻度为1、0.1、0.001等,读数时应读到最小刻度的下一位,若表盘的最小刻度为0.2、0.02、0.5、0.05等,读数时只读到与最小刻度位数相同即可.3.误差分析(1)电池用旧后,电动势会减小,内电阻会变大,致使电阻测量值偏大,要及时更换新电池.(2)欧姆表的表盘刻度不均匀,估读时易带来误差,要注意其左密右疏特点.(3)由于欧姆表刻度的非线性,表头指针偏转过大或过小都会使误差增大,因此要选用恰当挡位,使指针指中值附近.(4)测电流、电压时,由于电表内阻的影响,测得的电流、电压值均小于真实值.(5)读数时的观测易形成偶然误差,要垂直表盘正对指针读数.注意事项(1)表内电源正极接黑表笔,负极接红表笔,但是红表笔插入“+”孔,黑表笔插入“-”孔,注意电流的实际方向.(2)区分“机械零点”与“欧姆零点”.机械零点是表盘刻度左侧的“0”位置,调整的是表盘下边中间的定位螺丝;欧姆零点是指刻度盘右侧的“0”位置,调整的是欧姆挡的调零旋钮.(3)测电压时,多用电表应与被测元件并联;测电流时,多用电表应与被测元件串联.(4)测量电阻时,每变换一次挡位都要重新进行欧姆调零.(5)由于欧姆表盘难于估读,测量结果只需取两位有效数字,读数时注意乘以相应量程的倍率. (6)使用多用电表时,手不能接触测试笔的金属杆,特别是在测电阻时,更应注意不要用手接触测试笔的金属杆.(7)测量电阻时待测电阻要与其他元件和电源断开,否则不但影响测量结果,甚至可能损坏电表. (8)如果长期不用欧姆表,应把表内电池取出.(9)在研究二极管的单向导电性时,切记在二极管正向导通的情况下电路中必须连有灯泡或其他用电器,不能只连接一个二极管,否则极易烧坏二极管.【例2】(2010·山东高考)在测定金属电阻率的实验中,某同学连接电路如图所示.闭合电键后,发现电路有故障(已知电源、电表和导线均完好,电源电动势为E):(1)若电流表示数为零、电压表示数为E,则发生故障的是______(填“待测金属丝”、“滑动变阻器”或“电键”).(2)若电流表、电压表示数均为零,该同学利用多用电表检查故障.先将选择开关旋至_____挡(填“欧姆×100”、“直流电压10 V ”或“直流电流2.5 mA ”),再将_____(填“红”或“黑”)表笔固定在a 接线柱,把另一支表笔依次接b 、c 、d 接线柱.(3)若只有滑动变阻器断路,则多用电表的示数依次是_____、______、_____.【答案】(1)待测金属丝 (2)直流电压10 V 红 (3)0 E E【详解】(1)若电流表示数为零,说明外电路一定是断路,电压表有示数为E ,说明电源与电压表之间的连接无断路,所以发生故障的一定是待测金属丝.(2)电流表示数为零,说明外电路一定存在着断路.因为电源两端有电压,所以不能用电流表来检测,只能用电压表(量程高于电源电动势)来检测,没有电压表的情况下,则利用多用电表的10 V 直流电压挡来检查故障.多用电表的红表笔应和电源的正极相连.(3)若只有滑动变阻器断路,则多用电表的示数依次是0、E 、E.【高考零距离】【2012年】1.(2012上海)27.(6分)在练习使用多用表的实验中(1)某同学连接的电路如图所示①若旋转选择开关,使尖端对准直流电流挡,此时测得的是通过________的电流;②若断开电路中的电键,旋转选择开关使其尖端对准欧姆挡,此时测得的是________的电阻;③若旋转选择开关,使尖端对准直流电压挡,闭合电键,并将滑动变阻器的滑片移至最左端,此时测得的是________两端的电压。
(2)(单选)在使用多用表的欧姆挡测量电阻时,若() (A )双手捏住两表笔金属杆,测量值将偏大(B )测量时发现指针偏离中央刻度过大,则必需减小倍率,重新调零后再进行测量(C )选择“⨯10”倍率测量时发现指针位于20与30正中间,则测量值小于25Ω(D )欧姆表内的电池使用时间太长,虽然完成调零,但测量值将略偏大【答案】(1)①R 1 ,②R 1和R 2串联,③R 2(或电源),(2)D ,【详解】(1)①若旋转选择开关,使尖端对准直流电流挡,此时多用电表与R 1串联,测量的是通过R 1的电流。
②断开电路中的电键,旋转选择开关使其尖端对准欧姆挡,此时R 1和R 2串联接入欧姆表,因而测量的是R 1和R 2串联的电阻。
③旋转选择开关,使尖端对准直流电压挡,闭合电键,并将滑动变阻器的滑片移至最左端,R 1=0,此时测量的是R 2两端的电压。
(2)双手捏住两表笔金属杆,测量值将偏小,选项A 错误。
测量时发现指针偏离中央刻度过大,若在中央刻度左边,需要增大倍率;若在中央刻度右边,需要减小倍率,重新调零后再进行测量,选项B 错误。
选择“⨯10”倍率测量时发现指针位于20与30正中间,测量值要大于25Ω,选项C 错误。
欧姆表内的电池使用时间太长,电池内阻变大,虽然完成调零,但测量值将略偏大,选项D 正确。
2.(2012 大纲卷)22.(6分)(注意:在试题卷上作答无效.........) 在黑箱内有一由四个阻值相同的电阻构成的串并联电路,黑箱面板上有三个接线柱1、2、3.用欧姆表测得1、2接线柱之间的电阻为1Ω,2、3接线柱之间的电阻为1.5Ω,1、3接线柱之间的电阻为2.5Ω。
(1)在虚线框中画出黑箱中的电阻连接方式;1. 如果将1、3接线柱用导线连接起来,1、2接线柱之间的电阻为______Ω。
【详解】(1) 因为1、2接线柱之间的电阻与2、3接线柱之间的电阻之和等于1、3接线柱之间的电阻,所以2为中间的结点,又因为2、3接线柱之间的电阻与1、2接线柱之间的电阻的差等于1、2接线柱之间的电阻的一半,故2、3之间有两个电阻并联,后再与第三个电阻串联,每个电阻均为1Ω,连接方式如图所示(2)将1、3用导线相连后,等效电路如图所示:1、2之间的等效电阻Ω=6.0R【答案】(1)(2)Ω=6.0R 3.(2012 江苏)10.(8分)如图10-1图所示的黑箱中有三只完全相同的电学元件,小明使用多用电表对其进行探测。