设备进场报验表
- 格式:xls
- 大小:33.00 KB
- 文档页数:1
公司
一般材料(设备)进场报验表(工10-02版)工程名称:XXX智能化系统工程编号:001
说明:
1、由施工单位呈报一式二份,项目工程(监理)部审批后退回承包单位一份;
2、各地区可根据实际情况选用当地监理规程用表。
附件1-8B:XXX公司
第一批重要材料(设备)进场报验表(工10-02版)
工程名称:编号:
1、此表由施工单位呈报一式二份,项目工程(监理)部审批后退回承包单位一份。
2、各地区可根据实际情况选用当地监理规程用表,但须加注地区设计、工程部门及总经理的签名确认。
3、非建筑装修效果类的重要材料(设备)进场,地区设计可不参与审查。
设备进场使用报验单
一、报验项目
本报验单用于对新进场的设备进行验收,确保设备符合规定要求,并能正常投入使用。
二、报验设备信息
设备名称设备型号生产厂家进场日期检验结果
设备1 型号1 厂家1 日期1 合格
设备2 型号2 厂家2 日期2 合格
设备3 型号3 厂家3 日期3 合格
三、验收标准
设备的验收标准应符合以下要求:
1.设备的外观应完好无损,无明显的损坏、变形等;
2.设备的标志标识应清晰,无模糊、掉落等情况;
3.设备应具备相应的功效,能够正常运行;
4.设备的安全性能应符合国家相关标准;
5.设备的配套文件完整齐全。
四、检验方法
1.外观检查:检查设备的外观是否完好无损,包括外壳、标识标志等;
2.功能检测:检测设备的各项功效是否符合要求,包括开关、按钮、屏
幕、通讯等;
3.安全性能检验:检查设备的安全性能是否符合标准,包括电气安全、
防护等;
4.文件审核:对设备的配套文件进行审核,包括说明书、合格证、检测
报告等。
五、检验结果
设备名称检验结果备注
设备1 合格
设备2 合格
设备3 不合格电源线有磨损迹象
六、不合格处理
对于不合格的设备,应进行如下处理:
1.根据具体情况,联系设备厂家进行维修或更换;
2.在设备使用前,确保设备经过修理和测试后重新进行报验。
七、报验人员
报验人员:(签名)
报验日期:(日期)
八、备注
(填写备注信息)
以上是设备进场使用报验单的范例。
根据实际情况,可酌情修改内容以适应具体需求。
工程设备进场报验表
1. 项目信息
- 项目名称:
- 地址:
- 施工单位:
- 监理单位:
2. 设备信息
3. 报验内容
对进场设备进行全面的报验,包括但不限于以下方面:
- 设备数量是否与进场清单一致;
- 设备规格型号是否符合项目要求;
- 设备的外观质量是否符合标准;
- 设备的功能是否正常;
- 设备的安装是否符合规范;
- 设备的配件是否齐全;
- 设备是否有损坏或缺陷;
- 设备是否存在安全隐患。
4. 报验结果
对报验的设备根据检查情况进行分类处理:
- 合格:设备全部符合要求,可以正常使用;
- 待修复:设备存在一些小问题或缺陷,需要进行维修或更换;
- 不合格:设备严重损坏或存在严重安全隐患,需要立即停用
并予以修复或更换。
5. 备注
- 监理单位及施工单位可根据实际情况在备注栏填写其他需要说明的事项。
以上为工程设备进场报验表的模板内容,具体填写根据项目实际情况进行调整。
园林绿化材料设备进场使用报验单报验单位:______(填写报验单位名称)报验人:______(填写报验人姓名)监理单位:______(填写监理单位名称)报验日期:______(填写报验日期)一、报验材料、设备编号:序号材料、设备名称规格型号厂家出厂日期数量验收情况备注二、验收结果说明:本次报验材料、设备经过严格验收,检查结果如下:1.材料、设备的数量、规格与合同要求相符;2.材料、设备的外观无破损、变形、腐蚀等情况;3.材料、设备的质量达到国家标准或合同规定的要求;4.材料、设备的功能正常,能够满足项目要求;5.材料、设备无任何故障和缺陷;6.材料、设备的安全性能符合相关规定;7.其他相关要求:______(如有其他验收要求,请在此详细说明)三、意见:经验收人员现场验收后发现该批材料、设备达到了验收标准,可进行下一步施工环节。
四、备注:在验收过程中发现的问题及处理情况,请在此栏目详细说明。
五、附件:此处可以附带报验材料、设备的相关证书、检测报告等文件,以便于后续归档。
报验人(签名):______监理人(签名):______【报验单填写说明】1.报验单位需要填写完整单位名称,报验人需要填写姓名,监理单位需要填写完整单位名称。
2.报验材料、设备编号中的序号从1开始递增,材料、设备的名称、规格型号、厂家、出厂日期需要填写详细信息。
3.在验收结果说明中,根据实际情况逐一总结每个材料、设备的验收情况以及备注事项。
4.意见栏可以简要概括经验收人员对本次报验材料、设备的验收结果是否合格,是否可以进行下一步施工环节。
5.备注栏可以详细说明在验收过程中发现的问题以及相关处理情况。
6.附件栏可以附带报验材料、设备的相关证书、检测报告等文件,以便于后续归档。
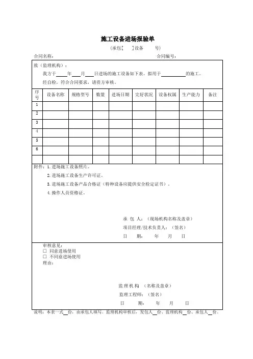
进场设备报验单
工程名称:编号:
致:
下列施工设备已按合同规定进场,请查验,准予使用。
项目负责人(签字)承包单位:日期年月日设备名称规格型号数量进场日期技术状况拟用何处备注
年月日
年月日
年月日
年月日
年月日
年月日
年月日
年月日
年月日
致承包单位,经检查,
1、性能数量满足施工要求准予进场的设备:
2.、性能不符合施工要求更换后再报的设备:
3、数量或性能不足由施工单位补充的设备:
按施工进度要求,配足所需设备期限为:年月日前。
监理工程师:(签字)监理单位:日期:年月日。