投标文件符合性审查表
- 格式:docx
- 大小:12.52 KB
- 文档页数:1
投标文件格式自查表1.1投标人资格符合性自查表
资格性自查表
说明:投标人必须严格按照《资格性审查表》的评审内容的要求如实提供证明材料并应加盖投标人公章。
未通过资格性审查的投标人,为无效投标不进入符合性审查。
符合性自查表
说明:投标人必须严格按照《符合性审查表》的评审内容的要求如实提供证明材料并应加盖投标人公章。
未通过符合性审查的投标人,为无效投标,不进入技术、商务和价格评审。
1.2评审项目投标资料表
2.投标人应如实提交《综合评分表》要求提交的相关各类证明、资料等并应加盖投标人公章。
投标人名称(盖单位公章):
投标人代表签字:
日期:。
附表 1 投标文件符合性审查表检查人签名:复核人签名:附表 2 2 号线工程车辆技术方案评分表注:1、评分结果小数点后保留2 位。
评委(签名):间:2006 年月附表 3 车辆商务打分表注:1、评分结果小数点后保留2 位。
2、合同通用条款除第6、7、8、9 条外的条款的任何偏离,每条扣商务总分50分直至商务总分为零,第6、7、8、9条的偏离视响应程度扣0-2 分,若有实质性偏离,每条也扣商务分50 分。
3、合同专用条款的任何偏离,每条扣商务总分50 分直至商务总分为零。
4、对附件2-12 的任何实质性偏离,每条扣商务总分50 分直至商务总分为零。
评委签名:期:附表 4 车辆运营维修保障方案打分表附表5 分值计算细则一、技术分1、技术分计算公式技术分(Jn)中各项由专家评定给出。
2、分值统计原则:技术分(Jn):每个单项去掉一个最高分和一个最低分后的算术平均值。
计算结果保留2 位数(四舍五入)。
二、商务分1、商务分计算公式商务分(Sn)中各项由专家评定给出。
2、分值统计原则:商务分(Sn):每个单项去掉一个最高分和一个最低分后的算术平均值。
计算结果保留2 位数(四舍五入)。
三、审核价1、审核价计算公式:审核价=投标价+修正值其中:修正值由评委根据评标办法审核调整。
2、计算审核价平均值(P0)审核价的平均值为所有有效投标人审核价的算术平均值。
即P0=(P1+⋯⋯P n)/n ×95%其中:P0 为为所有有效投标人审核价的算术平均值下浮5%。
P n为有效投标人的审核价。
四、价格评分平均价下浮5%为基准价,与基准价相同的价格分为100分;高于基准价1%扣1分,高2%扣2分,依此类推,高于50%以上为0分;低于基准价1%扣0.5分,低2%扣1 分,依此类推。
评标价与基准价差值百分比计算时采用4舍5入的办法,差值百分比只保留整数位。
五、计算技术、商务、价格得分E 计算公式如下:E= Jn*X + Sn*Y + Hn*Z其中:Jn 技术分Sn -- 商务分Hn -- 价格分X --- 技术权重Y --- 商务权重Z --- 价格权重六、车辆运用维护保障方案得分G1.车辆运用维护保障方案分计算公式车辆运用维护保障方案分(G)中各项由专家评定给出。
施工招标合同评审表一、招标文件的审查1. 招标文件的完整性:审查招标文件是否完整,包括招标公告、投标须知、合同条款、工程量清单、技术规范、设计图纸等是否齐全。
2. 招标文件的准确性:审查招标文件中的工程量清单、技术规范、设计图纸等内容是否准确,是否存在误导性信息。
3. 招标文件的合理性:审查招标文件中的合同条款、工程量清单、技术规范等内容是否合理,是否有利于工程的顺利进行。
4. 招标文件的合规性:审查招标文件是否符合相关法律法规的要求,是否符合国家政策和行业标准。
二、投标文件的审查1. 投标文件的完整性:审查投标文件是否完整,包括投标函、投标保证金、投标报价、施工组织设计、资格证明文件等是否齐全。
2. 投标文件的准确性:审查投标文件中的报价、施工组织设计、资格证明等内容是否准确,是否存在误导性信息。
3. 投标文件的合理性:审查投标文件中的报价、施工组织设计等内容是否合理,是否有利于工程的顺利进行。
4. 投标文件的合规性:审查投标文件是否符合招标文件的要求,是否符合相关法律法规的要求,是否符合国家政策和行业标准。
三、合同条款的审查1. 合同条款的完整性:审查合同条款是否完整,包括合同主体、合同标的、合同价格、合同履行、违约责任等内容是否齐全。
2. 合同条款的准确性:审查合同条款中的合同价格、合同履行、违约责任等内容是否准确,是否存在误导性信息。
3. 合同条款的合理性:审查合同条款中的合同价格、合同履行等内容是否合理,是否有利于工程的顺利进行。
4. 合同条款的合规性:审查合同条款是否符合相关法律法规的要求,是否符合国家政策和行业标准。
四、工程量的审查1. 工程量的准确性:审查工程量清单中的工程量是否准确,是否存在漏项、重复项等问题。
2. 工程量的合理性:审查工程量清单中的工程量是否合理,是否与设计图纸和工程实际相符。
3. 工程量的合规性:审查工程量清单是否符合相关法律法规的要求,是否符合国家政策和行业标准。
附件一资格性和符合性审查表注:L2.“结论”一栏填写“通过”或“不通过”;任何一项出现“X”的,结论为不通过;不通过的为无效报价。
附件二综合评分表项目名称: ______________________________注:1.施工业绩证明须提供中标通知书、合同、竣工验收报告等材料复印件,招标/询比公告和中标信息的网页打印件及查询网址,时间按竣工验收报告时间为准;设计业绩证明须提供中标通知书、合同等材料复印件,时间按合同签订时间为准。
2.施工获奖包括国家级工程质量奖或安全文明工地奖包括中国建设工程鲁班奖、国家优质工程金质奖、国家优质工程奖、中国土木工程詹天佑奖、国家AAA级安全文明标准化诚信工地、建设工程项目施工安全生产标准化建设工地。
省或市级工程质量奖或安全文明工地奖指省或市级工程优质奖或优质结构奖或优良样板工程奖或安全奖或文明施工奖或技术类奖项或建设工程优秀质量管理小组成果奖。
3.人员须按要求提供相关职称证或资格证或注册证和身份证复印件,其中项目负责人、项目技术负责人、造价负责人及设计项目负责人需提供毕业证复印件,施工员、质量员、资料员、材料员及劳务员需提供岗位证复印件,且所有人员均须提供近1个月在本企业购买的个人社保证明材料等复印件。
(工作年限以毕业证时间为准,至报价截止日期为准。
)4.①A级纳税人只计算投标人自身(不计算投标人的分公司和子公司),须提供在上述官网的查询结果网页打印件加盖投标人单位公章;②企业资产数据依据提供完整的2022年经会计事务所审计的审计报告复印件并加盖公章,否则不得分。
如年度审计报告未经会计事务所审计或不符合上述情况的,则以0分计。
资产负债率X=期(年)末负债总额/期(年)末资产总额XlO0%。
报价表注:1、保留小数点后二位,第三位四舍五入。
若用小写表示的金额和用大写表示的金额不一致,以大写表示的金额为准。
以上报价均为人民币。
5.若报价总金额与报价下浮率不一致时,以报价总金额为准,并修改报价下浮率。
广州市兴丰生活垃圾卫生填埋场五区防渗系统与半永久道路工程施工监理招标文件第5章评标办法
符合性审查表
项目名称:
备注:1、“是否通过并进入下一阶段评审”一栏应写“通过”“不通过”。
2、每一项目符合的打“○”,不符合的打“×”。
出现一个“×”的结论为“不通过”。
3、表中全部条件满足为“通过”,同意进入下一阶段评审。
4、若评委意见不一致时,则按少数服从多数的原则,决定该投标人是否通过符合性审查,进入下一阶段
评审。
评委签名:日期:
表2:监理综合评分表
说明:
2、投标单位在投标文件中的驻场监理机构人员资格、监理业绩(含总监)和企业信誉等方面内容必须提供相应的证明材料,否则不予以评分。
3、评分如出现小数点,则保留小数点后两位,第三位四舍五入。
4、表中的“同类监理工程”是指垃圾卫生填埋场工程,需提交监理合同、中标通知书、竣工验收报告等证明材料(原件备查)。
评委签名:日期:。
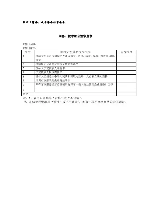
附件1商务、技术符合性审查表
商务、技术符合性审查表
项目名称:
2、在结论栏中填写“通过”或“不通过”,如有一项不合格则结论为不通过;
附件2第二次/最终报价及承诺一览表
二、第二次/最终报价及承诺一览表
供应商名称:
项目名称:非教育教学时段管理服务采购项目
招标编号:SZGX2016119-SCZJ
有关承诺:
法定代表人或法定代表授权委托人:
投标单位名称:
(公章)
日期:
注:1、此表不随谈判响应文件一起密封、递交,准备已盖章的空白表多份备用。
2、在谈判结束后,在谈判小组规定的时间内密封、单独提交。
3、此表无公章、无法定代表人或法定代表授权委托人签字无效。
正本/副本服务类项目电子化邀请招标投标文件二、商务技术文件项目名称:项目编号:包号:投标供应商:(盖章)XX年XX月XX日目录符合性审查索引表 (2)商务评审索引表 (3)技术评审索引表 (4)投标函 (5)商务条款响应偏离表 (6)技术指标参数响应偏离表 (7)交付清单 (8)服务方案 (9)同类项目业绩 (10)财务社保数据统计表 (11)承诺函 (12)其他材料 (13)符合性审查索引表符合性审查索引表序号符合性审查项目文件名称∕页码12345备注:投标供应商按照《符合性审查表》编制此表。
投标供应商应当根据本单位实际情况和投标文件内容填写,并标注相关证明材料在投标文件的位置页码。
“投标文件签字、盖章齐全完整”等无法填写具体页码的符合性审查项目,可以不填写。
投标供应商不得虚报、瞒报、漏报或虚假承诺。
商务评审索引表投标供应商务必在商务技术文件正文前制作本索引表。
序号评审项目评审内容标准分值投标供应商填写指标值或评分项文件名称∕页码合计一项目11 指标12 指标23 指标3……二项目21 指标12 指标23 指标3……备注:投标供应商按照《商务评审标准表》编制此表。
投标供应商应当根据本单位实际情况填写指标值或评分项,并标注相关证明材料在资格证明文件或商务技术文件的位置页码,投标供应商不得虚报、瞒报、漏报或虚假承诺。
技术评审索引表投标供应商务必在商务技术文件正文前制作本索引表。
序号评审项目评审内容标准分值投标供应商填写指标值或评分项文件名称∕页码合计一项目11 指标12 指标23 指标3……二项目21 指标12 指标23 指标3……备注:投标供应商按照《技术评审标准表》编制此表。
投标供应商应当根据本单位实际情况填写指标值或评分项,并标注相关证明材料在资格证明文件或商务技术文件的位置页码,投标供应商不得虚报、瞒报、漏报或虚假承诺。
投标函投标函(采购机构名称):我方参加贵部组织的(项目编号和项目名称)招标采购活动,并对(包号或服务名称)进行投标。
国营郑州纺织机械厂住宅楼工程
监标词
对于“XXXXXXXXXXXXXXXXXXXXXXX建设项目”,各投标单位均按时提交了投标文件,投标文件的密封情况符合招标文件的要求,投标人的法定代表人或其授权委托人的有效身份证件均合法有效,本次开标会议各项开标程序均符合相关规定。
监标单位:
监标人:
日期:2016年8月19日
页脚内容1
投标人现场投标资格符合性审查表
页脚内容2
注:1.监标人依据投标单位单独密封提供的相关资料,严格进行符合性审核记录。
页脚内容3
2.上表是开标会记录性依据之一,完整填写并且签字确认后交与开标现场记录员。
页脚内容4
XXXXXXXXXXXXXXXXXXXXXXXX建设项目
开标过程记录表
开标时间:XXX年X月X日上午XXX
招标人代表:记标人:监标人:
XXXXXXXXXXXXXXXXXXXXXXXXXXXXXXXX设施建设项目
招标人及监标人签到表
XXXX年X月X日
XXXXXXXXXXXXXXXXXXXXXXXXXXXXXXXXXX建设项目
投标文件提交表
XXXXXXX有限公司
XXXX年X月X日。