内燃叉车保养计划表
- 格式:doc
- 大小:39.00 KB
- 文档页数:1
1、定期保养计划表
O-检查、校正、调整
CPQD20/25/30/35HW11A除外。
车轮(前、后轮)
转向系统
电气系统
其它
2、定期更换关键安全零件
.有些零件虽经过定期的保养却仍然难以发现损伤或损坏,为了进一步改善安全性,应对下
表中给出的零件进行定期更换。
.若在更换时间到来前,这些零件就出现不正常应立即更换。
3、螺栓拧紧力矩一览表
·螺栓等级可在头部找到,若没有即为8.8级。
4、叉车用油一览表
注:1.已加注防锈防冻液的,即使寒冬也无需放掉。
需要时加足。
通常2~4年更换。
2.未加防锈防冻液,用户可根据需要按要求加注。
未加防冻液的,冬季必须放去冷却水。
3. QNW11A和HW15A分别为CPQD20/30/35H W11A和CPCD20/30/35H W15A的简写。
叉车半年维修保养计划英文回答:Month 1。
Inspect and clean the forklift, including the battery, charger, and tires.Lubricate all moving parts, including the mast, chains, and bearings.Check the fluid levels, including the hydraulic oil, brake fluid, and coolant.Test the brakes, lights, and horn.Inspect the forks for damage.Month 3。
Repeat the tasks from Month 1.Check the air filter and replace it if necessary.Inspect the spark plugs and replace them if necessary. Check the belts and replace them if necessary.Month 6。
Repeat the tasks from Month 1 and Month 3.Perform a major service, including:Changing the oil and filter.Inspecting the transmission.Inspecting the differential.Inspecting the electrical system.Inspecting the hydraulic system.中文回答:第一个月。
检查并清洁叉车,包括电池、充电器和轮胎。
润滑所有运动部件,包括桅杆、链条和轴承。
检查液位,包括液压油、制动液和冷却液。
测试刹车、灯和喇叭。
检查叉是否有损坏。
叉车保养记录表
保养记录表用于记录叉车的保养情况,以确保叉车的正常运行和工作效率。
以下是保养记录表的详细内容:
- 日期:记录保养项目的日期,按照最新日期排序。
日期:记录保养项目的日期,按照最新日期排序。
- 保养项目:列出需要保养的项目,例如发动机油更换、轮胎检查和清洁等。
保养项目:列出需要保养的项目,例如发动机油更换、轮胎检查和清洁等。
- 检查情况:填写保养项目的检查情况,例如正常、需要维修或更换等。
检查情况:填写保养项目的检查情况,例如正常、需要维修或更换等。
- 备注:添加任何额外的备注或维修建议。
备注:添加任何额外的备注或维修建议。
请定期更新叉车保养记录表,并在每次保养后进行记录。
及时维护和保养叉车有助于延长其使用寿命,并确保其在工作中的可靠性和安全性。
叉车日常保养的内容与点检表
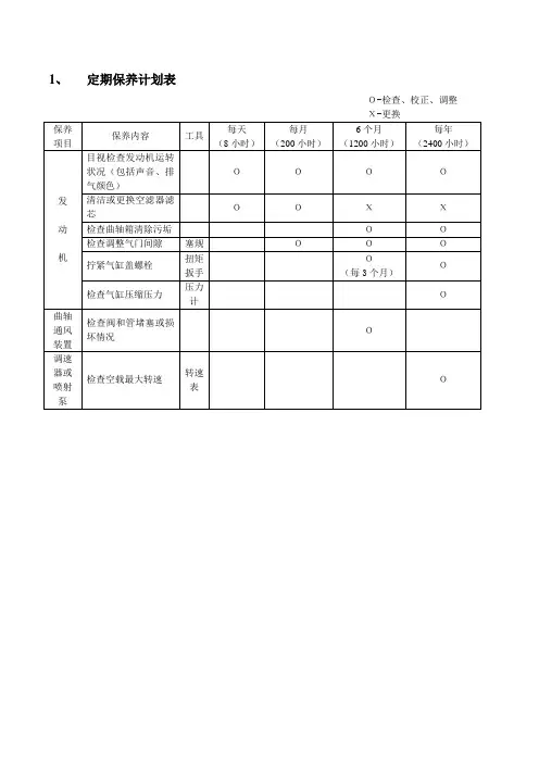
间隔序号保养项目操作者
1 检查油底壳、喷油泵中的机油油面,若油面升高应找出原因并排除,若不足应补充到规定值; 叉车工
2 检查水箱内冷却水平面,若不足应加满;手刹和脚刹是否有效,刹车液是否充足(侧叉无); 叉车工车辆
3 检查并坚固柴油机外露螺栓、螺母,排除漏油、漏水、漏气现象; 叉车工
的日
4 每班用压缩空气清除空气滤芯上的积尘,清除柴油机外部的泥垢,积尘和油污; 叉车工常保
5 柴油机运转时要注意倾听声音,观察排气烟色,排除所发现的故障和不正常现象; 叉车工养内
6 每班按照叉车的“润滑系统图”进行加注和检查;6吨侧叉需要每天对储气罐排水一次; 叉车工容
7 变速箱的油量是否在规定值内。
各连接部件是否坚固,开关仪表是否有效以及灯光等; 叉车工
8 擦拭车辆的外表,保持车辆的整洁,无油污。
叉车工
1 完成日常保养的全部内容; 叉车工
2 每3个月或500小时进行更换发动机的机油、机油滤清器、空气滤芯,有破损件时必须更换;叉车工月度
每月对油水分离器的排水1次;
保养
3 每月对电瓶的电解液的液面高度的检查(旧3T和侧叉),每月对电瓶充电一次; 叉车工的内
4 每月用压缩空气进行对散热片进行除尘,防止散热片的堵塞,(必要时用全能水进行除油污); 叉车工容
5 每月检查柴油滤清器,必要时进行更换,6个月必须更换; 叉车工
6 每月清洗一次变速箱的机油滤清器和液压油滤清器(6个月必须更换滤芯)、呼吸器及滤网; 叉车工
设备月度保养记录表
设备名称: 设备编号:DS-TZ-
更换的部件下次保养时间保养的内容油类别操作者确认及数量时间。
设备维护保养点检记录表设备名称:叉车设备编号:年月序号保养部位内容保养日期1 2 3 4 5 6 7 8 9 10 11 12 13 14 15 16 17 18 19 20 21 22 23 24 25 26 27 28 29 30 311发动机目视检查发动机运转壮况(包括声音,排气颜色)2 清洁或更换空滤器滤芯3 检查曲轴箱清除污垢4 检查调整气门间隙5 拧紧气缸盖螺栓6 检查气缸压缩压力7 曲轴通风装置检查阀和管堵塞或损坏情况8 调速器或喷射泵检查空载最大转速9润滑系统发动机是否漏油10 检查油量,清洁度11 更换发动机机油12 更换发动机机油滤芯13燃油系统目视检查油管,油泵,油箱是否漏油14 检查燃油滤清器是否堵塞15 清洁燃油滤清器(汽油机)16 更换燃油滤清器(柴油机)17 检查喷嘴,调整压力状态(柴油机)18 检查常汽化器连接机构松动情况及清洁度(汽油机)19 点火正时(汽油机)20 喷射时刻(柴油机)21 燃油箱排水22 清洗燃油箱23 检查燃油量24 冷却液量25冷却系统渗漏情况26 清理,更换冷却液27 检查风扇皮带张力及损坏情况28 清理水箱外部29 水箱盖性能和安装情况30 进出胶管老化情况31离合器检查离合踏板空行程和离合器脱开时踏板面与底板间隙32 声音和操作情况33 分离和接合情况34 机械变速箱检查渗漏35液力变速箱渗漏情况36 微动踏板空行程和运行情况37 控制阀和液力离合器性能38 微动阀性能39驱动桥 渗漏检查40 检查轮毂螺栓拧紧力矩 41 轮 胎充气压力 42 磨损,裂缝或损伤 43 轮辋损伤情况 44 分体式轮辋螺栓松动情况 45 方向盘 检查间隙 46检查轴向松动 47 检查径向松动 48 检查操作情况 49转向缸 检查操作情况 50 检查是否渗漏 51 制动踏板 空行程 52 踏板行程 53操作情况54 制动管道是否有空气55 停车制动操纵杆拉索等制动是否安全可靠并有足够行程56 操纵性能57 制动总分泵检查油位,换油58 液压油箱油量检查,换油59 控制阀杆连接是否松动60 操作情况61 多路阀漏油62 链条链轮检查链条张紧状态,是否变形,损伤锈蚀63起升缸活塞杆,活塞杆螺纹及连接是否松动,变形,损伤情况64 操作情况65 渗漏情况66 液压泵液压泵是否漏油或有杂音67 护顶架及安装是否牢固68 档架架 检查变形,开裂 损伤情况69 转向指示灯 工作及安装情况 70 喇叭 工作及安装情况 71 灯和灯泡 工作及安装情况 72 倒车蜂鸣器 工作及安装情况 73仪表仪表工作情况异常情况记录保养人签字备注每天生产前后都要对设备进行保养,保养后,用“√”表示,“×”表示有异常情况,应在“异常情况记录”栏予以记录,并联系相关人员处理。
叉车日常保养记录表
叉车驾驶员注意事项:
序号:
1.叉车表面清洁和电池电极清洁
2.日期:月份:2017年
3.叉车日常保养记录表检查负责人:
4.检查情况(当天检查清理符合的打“√”表示,有异常的请注明):
货叉架支承、起重链拉紧螺丝、车轮螺钉、制动器、转向器螺钉紧固情况
脚制动器可靠性、灵活性
转向器的可靠性、灵活性
发动机曲轴箱和空气滤清器内的机油量,燃油箱内的燃油量以及散热器内的冷却水量
检查蓄电池内电解液面的高度,视需要而添加,并保持盖子气孔畅通,极柱与导线接头接合紧密牢固
检查车辆液压系统油箱中的工作油量及管路,接头等处有无渗漏现象
检查仪表、灯光、喇叭等的工作情况
制动系以及液压升降等系统的工作是否正常
起动发动机,检查发动机的运转情况,并检查传动系、叉车是否有被损坏(请注明损坏部位)
5.处理人签名确认日期
6.电瓶保养及充电(充电时间不够或未加液请注明)
7.当日交接班交接是否清楚(产品堆放、区域卫生、常用工具等7S管理及叉车异常说明)
8.异常现象及处理情况说明(请注明出现异常的部位及日期)
注意事项:
1.本表适用于每天叉车的日常保养和一级保养维护,在交接班后使用。
叉车二、三级保养另填写《维修保养记录表》。
2.本表的检查列入绩效管理内容之一,本表系《叉车作业管理规定》之附件,请按规定执行。
3.本表由叉车驾驶人员随车自带并妥善保管,按自己使用日期填写。
每月指派一名检查人应不定期按本表内容复核。
每月末交部门负责人。
附件4:叉车维修保养记录
日期维修保养项目名称过程描述换件名称执行人验收人备注。
温馨小提示:本文主要介绍的是关于《叉车日常检查与维护保养记录规范表》的文章,文章是由本店铺通过查阅资料,经过精心整理撰写而成。
文章的内容不一定符合大家的期望需求,还请各位根据自己的需求进行下载。
本文档下载后可以根据自己的实际情况进行任意改写,从而已达到各位的需求。
愿本篇《叉车日常检查与维护保养记录规范表》能真实确切的帮助各位。
本店铺将会继续努力、改进、创新,给大家提供更加优质符合大家需求的文档。
感谢支持!(Thank you for downloading and checking it out!)阅读本篇文章之前,本店铺提供大纲预览服务,我们可以先预览文章的大纲部分,快速了解本篇的主体内容,然后根据您的需求进行文档的查看与下载。
《叉车日常检查与维护保养记录规范表》(大纲)一、《叉车日常检查与维护保养记录规范表》概述1.1背景与目的1.2适用范围1.3参考标准二、叉车日常检查内容2.1外观检查2.2功能性检查2.3液压系统检查2.4电气系统检查三、叉车维护保养内容3.1日常保养3.2定期保养3.3季节性保养四、记录规范4.1检查与保养周期4.2记录格式与内容4.3记录保存与管理五、安全注意事项5.1叉车操作人员安全要求5.2检查与保养过程中的安全措施5.3紧急情况处理与应急预案六、附录6.1叉车检查与保养常用工具与设备6.2常见故障处理方法6.3相关法律法规及标准参考一、《叉车日常检查与维护保养记录规范表》概述叉车作为仓库物流中不可或缺的搬运设备,其安全运行和良好性能直接影响到工作效率和作业安全。
为了确保叉车在日常工作中的正常运行,及时发现并解决潜在问题,制定《叉车日常检查与维护保养记录规范表》至关重要。
本规范表旨在规范叉车日常检查与维护保养的工作流程,提高设备管理水平,降低故障率,保障作业人员的人身安全和物料安全。
1.1 背景与目的随着物流行业的快速发展,叉车的使用频率和作业强度不断加大,设备磨损和故障率逐渐上升。
序号保 养 内 容正常调整更换序号保 养 内 容正常调整更换1清洗车辆7清洗并用喷剂润滑起升链条2清洁空气滤清器8去除燃油油水分离器内的水份3检查排尘阀9润滑转向桥、门架和倾斜油缸轴承4更换安全滤芯10锁紧轮胎螺母及螺栓5清洁预滤器11检查座椅安全带的状况和操作6检查轮胎损坏状况和异物12清洁散热器和液压油冷却装置并检查其密封性1更换发动机机油14清洗和润滑转向桥2清洗并用喷剂润滑起升链条15润滑门架和倾斜油缸销轴3检查液压油油位16清洗并润滑侧移装置,检查紧固件4更换燃油滤清器17检查货叉和货叉快速释放装置5更换燃油系统油水分离器18调节起升链条的长度6检查燃油系统排气情况19用链条喷剂旱进行7调整进气/排气气门间隙20更换空气滤清器滤芯8检查发动机与驱动桥体的安装21检查真空开关9检查轮胎损坏状况和异物22检查发动机支座状况和紧固性#检查蓄电池状况、电解液液位23检查进/排气系统的密封性#检查并润滑其它的支承和铰接点24检查电缆、插接件、接头的状况和紧固情况1更换压力滤清器6清洁燃油泵滤网2更换吸油滤清器7检查V型皮带3更换通气滤清器8张紧V型皮带4检查碳烟滤清器9检查和调整正时皮带和张紧轮5检查停车制动101检查/清洗曲轴箱通气阀4更换正时皮带和张紧轮2检查喷油嘴5更换液压油3更换V型皮带6更换喷油嘴##保养人: 确认人:备 注:检查并润滑踏板机构、加速器和发动机控制连杆机构检查发动机支架、护顶架、倾斜油缸、转向桥、轮边减速器的紧固情况每3000小时检查与保养项目#每1000小时检查与保养项目每500小时检查与保养项目使用部门:本次保养时间:叉车编号:上次保养时间:每250小时检查与保养项目叉车保养表26检查门架,起升链和限位块的工作状况和安装情况检查液压系统、驱动桥、泵体、阀门和管路的密封性EHS-17-W01-01平和精工(太仓)A。