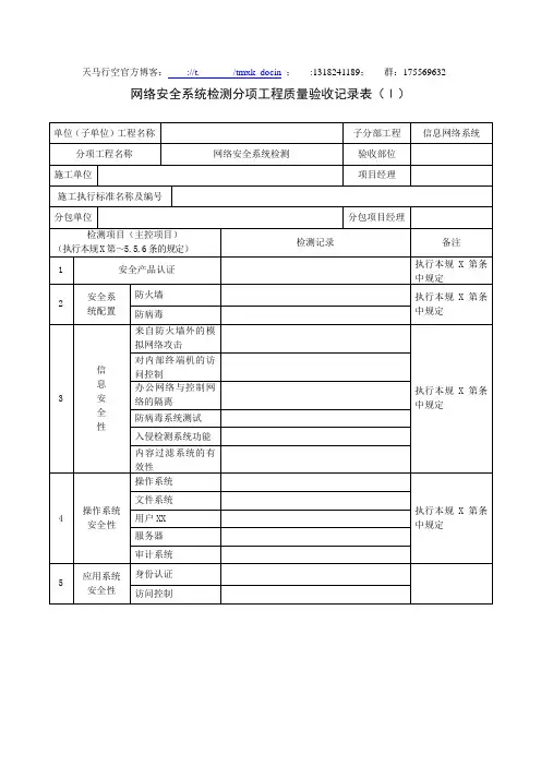
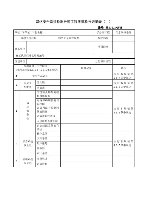
计算机网络系统检验批工程质量验收记录(一)
单位(子单位)工程名称
所属子分部(系统)工程名称/ 分项(子系统)工程名称 相关的验收部位 (层、区、段、房、室)
总承包施工单位
专业承包安装单位
施工执行的技术标准(含企业的 工艺规程、工法等)名称及编号
相关施工图名称及其图号
《智能建筑工程质量验收规范》GB 50339—2003的检查项目
信息网络系统工程实施前应具备下列条件
1.综合布线系统施工完毕,且该系统已经检测合格, 并具备竣工验收条件
2.设备机房施工完毕,机房环境、电源及接地施工 (安装)已完成且符合要求;具备信息网络系统安装的 条信件息网络系统的设备、材料进场验收要求除按 GB50339第3.3.4、3.3.5条规定执行外,还应符合下 列规定
1.有序列号的设备必须登记其序列号
第5.2.1 条
2.网络设备开箱后应通电自检
(1)显示设备状态的指示灯显示正常
工 程 (2)设备启动正常
实 施
3.计算机系统、网管工作站、UPS电源、服务器、数 据存储设备、路由器、防火墙、交换机等产品按GB
及 50339第3.2节的规定执行
质
量 网络设备应安装整齐、固定牢靠、便于维护和管理 控 高端设备的信息模块和相关部件应正确安装,空余槽 制 位应安装空板,设备上的标签应标明设备的名称和网
络地址 跳线连接应稳固,走向清楚明确,线缆上应有正确标
பைடு நூலகம்签(标识)
第5.2.2 条
第5.2.3 条
信息网络系统的随工检查内容如下:
4. 安装质量检查: (1)机房环境 (2)设备器材清点
第5.2.4 条
(3)设备机柜固定(加固) (4)设备模块配置