桥梁质检表格填写示范资料讲解
- 格式:docx
- 大小:358.99 KB
- 文档页数:26
年度桥梁检测报告范本填写1. 概述本报告对XXXX年度的桥梁检测结果进行全面总结和分析。
通过对桥梁的结构、材料、损伤情况、安全性等方面的评估,旨在提供给相关单位全面了解桥梁的当前状况和未来维护计划。
2. 检测对象被检测的桥梁具体信息如下:- 桥梁名称:xxxx桥- 桥梁位置:xxxx市xxxx区- 建成年份:xxxx年- 桥梁类型:xxxx型桥梁- 桥梁主要材料:xxxx材料- 桥梁设计荷载:xxxx3. 桥梁基本情况桥梁结构主要包括上部结构、下部结构和基础等部分。
下面是对各部分的基本情况进行简要介绍。
3.1 上部结构上部结构是承载交通荷载的重要组成部分,包括桥面、桥面铺装、人行道、栏杆及桥面排水系统等。
3.1.1 桥面桥面由xxxx材料制成,桥面铺装采用xxxx铺装。
在本年度检测过程中,没有发现较大的开裂、脱落等问题。
需要注意的是部分区域出现轻微凹陷,需要随时维护。
3.1.2 人行道人行道采用xxxx材料铺设,并设置栏杆。
本年度检测发现,部分区域的人行道出现较大裂缝,需要尽快修补以确保行人的通行安全。
3.1.3 桥面排水系统桥面排水系统设计合理,正常使用情况下可以有效排除雨水。
在本年度检测中,发现部分排水沟存在堵塞现象,需进行清理。
3.2 下部结构下部结构是桥梁的支撑和传力系统,主要包括桥墩、桥台、桥基等组成部分。
3.2.1 桥墩桥墩由xxxx材料建造,共设置x个桥墩。
在检测中,发现x号桥墩存在明显水平位移,可能涉及结构安全问题,需进行进一步的结构分析和维修。
3.2.2 桥台桥台是连接桥梁和桥墩的组成部分。
本次检测中发现,x号桥台存在较大的裂缝和鼓包,需及时修复。
3.2.3 桥基桥基是支撑桥梁的地基部分。
通过本次检测,未发现明显的土质沉降或软弱问题,显示桥基的稳定性良好。
3.3 其他此处根据检测对象的具体情况,列举其他相关部分,并描述其基本情况。
4. 损伤情况本次检测发现了桥梁的各类损伤,主要包括以下几个方面:4.1 裂缝和鼓包- x号桥墩存在裂缝,需进行进一步的结构分析和维修。
分项工程质量检验评定表(桥梁)国投
第一部分:桥梁结构
在评定桥梁质量时,桥梁结构是一个至关重要的方面。
首先检查桥梁的主体结构,包括桥墩、桥台和梁体等部分。
桥墩应当符合设计要求,无明显裂缝和变形。
桥台应具有扎实的基础和平整的表面。
梁体应符合设计强度标准,并且没有明显的缺陷。
第二部分:桥面铺装
桥面的铺装质量直接影响桥梁的使用寿命和安全性。
评定时需要注意铺装材料的选择和施工工艺。
铺装应保持平整,无拱起和坑洼,确保行车的平稳。
此外,还需检查桥面的防水层是否完好,以防止水分侵蚀结构。
第三部分:桥梁栏杆和护栏
桥梁的栏杆和护栏在保障行车安全方面起着至关重要的作用。
评定时需要检查栏杆和护栏的固定性和承载能力,确保其符合相关标准。
同时,还要注意栏杆和护栏的外观美观性,以保证桥梁整体风格。
第四部分:桥梁照明设施
夜间通行是桥梁必须考虑的情况,因此照明设施的质量也是评定的重要指标之一。
检查照明设施的安装位置和亮度是否符合要求,确保夜间行车的安全。
同时,还需检查照明设施的耐久性和能耗情况,以保证长期运行的效果。
结语
通过对桥梁的结构、铺装、栏杆和护栏、照明设施等方面的综合评定,可以全面了解桥梁的质量状况,及时发现问题并采取措施加以解决。
只有不断提高桥梁质量,才能确保公路交通的畅通和安全,为人们出行提供便利。
桥梁工程质检资料汇总(施工单位)范本一:桥梁工程质检资料汇总(施工单位)一、工程基本信息1.1 工程名称:1.2 工程地点:1.3 施工单位:1.4 监理单位:1.5 设计单位:1.6 开工日期:1.7 竣工日期:1.8 工程总造价:1.9 工程概况描述:二、施工准备及施工方案2.1 施工准备工作2.1.1 勘察设计审查情况2.1.2 建设用地及环境影响评价 2.1.3 材料设备采购及运输安排 2.1.4 人员组织及培训2.1.5 施工方案编制2.1.6 施工现场准备2.2 施工方案2.2.1 桥梁结构形式及技术要求 2.2.2 施工工艺与流程2.2.3 施工方法及工器具选择三、施工进度及质量控制3.1 施工进度计划及执行情况3.1.1 施工进度计划编制3.1.2 施工进度节点控制3.1.3 延期工作及原因分析3.2 施工质量控制3.2.1 施工质量目标及要求3.2.2 施工质量管理体系3.2.3 施工质量检验与评定四、工程安全及环境保护4.1 施工安全管理4.1.1 安全组织机构及人员配备4.1.2 安全教育培训4.1.3 施工安全措施4.1.4 安全事故处理与记录4.2 环境保护管理4.2.1 环境保护组织机构及人员配备 4.2.2 施工环境影响评价及控制4.2.3 废弃物处理与处置五、施工质检资料归档5.1 质量验收资料5.1.1 设计资料5.1.2 材料进场验收记录5.1.3 施工工序检查及验收记录5.1.4 隐蔽工程验收记录5.2 施工记录资料5.2.1 施工日志5.2.2 施工变更记录5.2.3 施工质量记录5.2.4 施工事故记录附件:(请详细列出涉及的附件,并注明附件名称及存放位置)法律名词及注释:1. 法律名词1:注释12. 法律名词2:注释23. 法律名词3:注释3范本二:桥梁工程质检资料汇总(施工单位)一、工程基本信息1.1 工程名称:1.2 工程地点:1.3 施工单位:1.4 监理单位:1.5 设计单位:1.6 开工日期:1.7 竣工日期:1.8 工程总造价:1.9 工程概况描述:二、施工准备及施工方案2.1 施工准备工作2.1.1 勘察设计审查情况2.1.2 建设用地及环境影响评价 2.1.3 材料设备采购及运输安排 2.1.4 人员组织及培训2.1.5 施工方案编制2.1.6 施工现场准备2.2 施工方案2.2.1 桥梁结构形式及技术要求 2.2.2 施工工艺与流程2.2.3 施工方法及工器具选择三、施工进度及质量控制3.1 施工进度计划及执行情况3.1.1 施工进度计划编制3.1.2 施工进度节点控制3.1.3 延期工作及原因分析3.2 施工质量控制3.2.1 施工质量目标及要求3.2.2 施工质量管理体系3.2.3 施工质量检验与评定四、工程安全及环境保护4.1 施工安全管理4.1.1 安全组织机构及人员配备4.1.2 安全教育培训4.1.3 施工安全措施4.1.4 安全事故处理与记录4.2 环境保护管理4.2.1 环境保护组织机构及人员配备4.2.2 施工环境影响评价及控制4.2.3 废弃物处理与处置五、施工质检资料归档5.1 质量验收资料5.1.1 设计资料5.1.2 材料进场验收记录5.1.3 施工工序检查及验收记录5.1.4 隐蔽工程验收记录5.2 施工记录资料5.2.1 施工日志5.2.2 施工变更记录5.2.3 施工质量记录5.2.4 施工事故记录附件:(请详细列出涉及的附件,并注明附件名称及存放位置)法律名词及注释:1. 法律名词1:注释12. 法律名词2:注释23. 法律名词3:注释3。
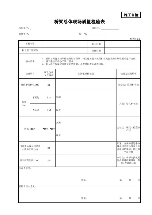
桥梁工程质量检验单(编号C—2)桥梁工程现场质量检验单目录1、桥梁工程现场质量检验单使用说明2、桥梁总体现场质量检验报告单————-———————C-2-13、钻孔桩桩孔现场质量检验报告单---——-——--—C-2—24、挖孔桩现场质量检验报告单-————————-———C—2-35、钻孔桩钢筋现场质量检验报告单———--——————C—2-46、钻孔灌注桩现场质量检验报告单———--——————C—2—57、混凝土浇筑申请报告单-————--——--————C-2-68、桥涵基坑现场质量检验报告单—————-—-——-—C—2-79、浆砌片石基础现场质量检验报告单——————--—-C-2—810、现浇混凝土结构模板现场质量检验单-——--—-——C—2-911、混凝土基础现场质量检验报告单——————-—-——C—2-1012、承台现场质量检验报告单——-—-———————-—C-2—1113、墩、台身现场质量检验报告单————-——-—---C—2-1214、墩、台身砌体现场质量检验报告单———-——————C-2-1315、侧墙砌体现场质量检验报告单—————-——-———C-2—1416、柱式墩或双壁墩现场质量检验报告单-——————-—C-2—1517、墩、台帽或盖梁现场质量检验报告单————-——-—C—2-1618、预制梁、板现场质量检验报告单————-—-—-—-C—2-1719、就地浇筑梁(板)现场质量检验报告单-—-————-C—2—1820、悬臂浇筑现场质量检验报告单—————————-——C-2—1921、悬臂拼装现场质量检验报告单—-——————————C-2-2022、钢筋加工及安装现场质量检验报告单—-———————C-2-2123、钢丝、钢绞线先张法现场质量检验报告单———————C—2—2224、粗钢筋先张法现场质量检验报告单—————-————C-2-2325、后张法现场质量检验报告单—-————————-—-C—2—2426、千斤顶施加预应力与放松记录表——--—-—————C—2—2527、构件压浆记录表—--————--——-—-————C—2—2628、千斤顶施加预应力记录表———-—————-—-——C—2-2729、支座安装现场质量检验报告单——-———————--C-2-2830、梁、板安装现场质量检验报告单—-—————-——-C—2-2931、护栏安装现场质量检验报告单—----———--——C—2—3032、桥面铺装现场质量检验报告单————————-———C—2—3133、伸缩缝装置现场质量检验报告单-————-——-——C—2-32桥梁工程现场质量检验单使用说明1、本表为桥梁工程和交通安全设施现场质量检验报告单,是将分项工程检验结果汇于本表内,由承包人填写.“规定值或允许偏差”应填写与《公路工程质量检验评定标准》相一致的数值。
模板制作工程验收批质量验收记录质验表(桥)— 1建设单位:监理单位:合同号:施工单位:编号:第 1 页南通市建设工程质量监督站监制模板、支架和拱架安装工程验收批质量验收记录(一)质验表(桥)—2.1 建设单位:监理单位:合同号:施工单位:编第 3 页南通市建设工程质量监督站监制模板、支架和拱架安装工程验收批质量验收记录(二)质验表(桥)—2.2 建设单位:监理单位:合同号:施工单位:编号:第 5 页南通市建设工程质量监督站监制钢筋加工工程验收批质量验收记录质验表(桥)—3 建设单位:监理单位:合同号:施工单位:编号:第 7 页南通市建设工程质量监督站监制钢筋网工程验收批质量验收记录质验表(桥)—4 建设单位:监理单位:合同号:施工单位:编号:第 9 页南通市建设工程质量监督站监制钢筋成形和安装工程验收批质量验收记录质验表(桥)— 5建设单位:监理单位:合同号:施工单位:编号:第 11 页南通市建设工程质量监督站监制混凝土工程验收批质量验收记录质验表(桥)—6 建设单位:监理单位:合同号:施工单位:编号:南通市建设工程质量监督站监制第 13 页预应力张拉先张法工程验收批质量验收记录质验表(桥)—7建设单位:监理单位:合同号:施工单位:编号:南通市建设工程质量监督站监制第 15 页预应力张拉后张法工程验收批质量验收记录质验表(桥)—8 建设单位:监理单位:合同号:施工单位:编号:南通市建设工程质量监督站监制第 17 页砌体工程验收批质量验收记录质验表(桥)—9 建设单位:监理单位:合同号:施工单位:编号:南通市建设工程质量监督站监制基坑开挖工程检验批质量验收记录质验表(桥)—10建设单位:监理单位:合同号:施工单位:编号:第 19 页南通市建设工程质量监督站监制现浇混凝土基础工程检验批质量验收记录质验表(桥)—11建设单位:监理单位:合同号:施工单位:编号:第 21 页南通市建设工程质量监督站监制砌体基础工程检验批质量验收记录质验表(桥)—12建设单位:监理单位:合同号:施工单位:编号:南通市建设工程质量监督站监制第 23 页钢筋混凝土和预应力混凝土桩的预制工程检验批质量验收记录质验表(桥)—13建设单位:监理单位:合同号:施工单位:编号:第 25 页南通市建设工程质量监督站监制钢管桩工程检验批质量验收记录质验表(桥)—14建设单位:监理单位:合同号:施工单位:编号:南通市建设工程质量监督站监制沉桩工程检验批质量验收记录质验表(桥)—15第 27 页建设单位:监理单位:合同号:施工单位:编号:第 29 页南通市建设工程质量监督站监制混凝土灌注桩工程检验批质量验收记录质验表(桥)—16建设单位:监理单位:合同号:施工单位:编号:第 31 页南通市建设工程质量监督站监制混凝土沉井工程检验批质量验收记录质验表(桥)—17建设单位:监理单位:合同号:施工单位:编号:第 33 页南通市建设工程质量监督站监制沉井下沉工程验收批质量验收记录质验表(桥)—18 建设单位:监理单位:合同号:施工单位:编号:南通市建设工程质量监督站监制地下连续墙工程验收批质量验收记录质验表(桥)—19 建设单位:监理单位:合同号:施工单位:编号:第 35 页南通市建设工程质量监督站监制混凝土承台工程验收批质量验收记录质验表(桥)—20 建设单位:监理单位:合同号:施工单位:编号:南通市建设工程质量监督站监制砌筑墩台工程检验批质量验收记录质验表(桥)—21建设单位:监理单位:合同号:施工单位:编号:第 37 页南通市建设工程质量监督站监制第 39 页现浇混凝土墩台工程检验批质量验收记录质验表(桥)—22建设单位:监理单位:合同号:南通市建设工程质量监督站监制第 41 页预制混凝土柱工程检验批质量验收记录质验表(桥)—23建设单位:监理单位:合同号:施工单位:编号:南通市建设工程质量监督站监制第 43 页预制柱安装工程检验批质量验收记录质验表(桥)—24建设单位:监理单位:合同号:施工单位:编号:南通市建设工程质量监督站监制现浇混凝土盖梁工程检验批质量验收记录质验表(桥)—25建设单位:监理单位:合同号:施工单位:编号:第 45 页南通市建设工程质量监督站监制人行天桥钢墩柱制作工程检验批质量验收记录质验表(桥)—26建设单位:监理单位:合同号:施工单位:编号:第 47 页南通市建设工程质量监督站监制人行天桥钢墩柱安装工程检验批质量验收记录质验表(桥)—27建设单位:监理单位:合同号:施工单位:编号:第 49 页南通市建设工程质量监督站监制支座工程验收批质量验收记录质验表(桥梁)—28建设单位:监理单位:合同号:施工单位:编号:。
模板制作工程验收批质量验收记录质验表(桥)— 1建设单位:监理单位:合同号:南通市建设工程质量监督站监制模板、支架和拱架安装工程验收批质量验收记录(一)质验表(桥)—2.1 建设单位:监理单位:合同号:南通市建设工程质量监督站监制模板、支架和拱架安装工程验收批质量验收记录(二)质验表(桥)—2.2 建设单位:监理单位:合同号:钢筋加工工程验收批质量验收记录质验表(桥)—3 建设单位:监理单位:合同号:南通市建设工程质量监督站监制钢筋网工程验收批质量验收记录质验表(桥)—4 建设单位:监理单位:合同号:南通市建设工程质量监督站监制钢筋成形和安装工程验收批质量验收记录质验表(桥)— 5建设单位:监理单位:合同号:南通市建设工程质量监督站监制混凝土工程验收批质量验收记录质验表(桥)—6 建设单位:监理单位:合同号:南通市建设工程质量监督站监制预应力张拉先张法工程验收批质量验收记录质验表(桥)—7建设单位:监理单位:合同号:预应力张拉后张法工程验收批质量验收记录质验表(桥)—8 建设单位:监理单位:合同号:南通市建设工程质量监督站监制砌体工程验收批质量验收记录质验表(桥)—9 建设单位:监理单位:合同号:南通市建设工程质量监督站监制基坑开挖工程检验批质量验收记录质验表(桥)—10建设单位:监理单位:合同号:南通市建设工程质量监督站监制现浇混凝土基础工程检验批质量验收记录质验表(桥)—11建设单位:监理单位:合同号:南通市建设工程质量监督站监制砌体基础工程检验批质量验收记录质验表(桥)—12建设单位:监理单位:合同号:南通市建设工程质量监督站监制钢筋混凝土和预应力混凝土桩的预制工程检验批质量验收记录质验表(桥)—13建设单位:监理单位:合同号:南通市建设工程质量监督站监制钢管桩工程检验批质量验收记录质验表(桥)—14建设单位:监理单位:合同号:南通市建设工程质量监督站监制沉桩工程检验批质量验收记录质验表(桥)—15建设单位:监理单位:合同号:南通市建设工程质量监督站监制混凝土灌注桩工程检验批质量验收记录质验表(桥)—16建设单位:监理单位:合同号:南通市建设工程质量监督站监制混凝土沉井工程检验批质量验收记录质验表(桥)—17建设单位:监理单位:合同号:南通市建设工程质量监督站监制沉井下沉工程验收批质量验收记录质验表(桥)—18 建设单位:监理单位:合同号:南通市建设工程质量监督站监制地下连续墙工程验收批质量验收记录质验表(桥)—19 建设单位:监理单位:合同号:南通市建设工程质量监督站监制混凝土承台工程验收批质量验收记录质验表(桥)—20 建设单位:监理单位:合同号:南通市建设工程质量监督站监制砌筑墩台工程检验批质量验收记录质验表(桥)—21建设单位:监理单位:合同号:现浇混凝土墩台工程检验批质量验收记录质验表(桥)—22建设单位:监理单位:合同号:南通市建设工程质量监督站监制预制混凝土柱工程检验批质量验收记录质验表(桥)—23建设单位:监理单位:合同号:南通市建设工程质量监督站监制预制柱安装工程检验批质量验收记录质验表(桥)—24建设单位:监理单位:合同号:南通市建设工程质量监督站监制现浇混凝土盖梁工程检验批质量验收记录质验表(桥)—25建设单位:监理单位:合同号:南通市建设工程质量监督站监制人行天桥钢墩柱制作工程检验批质量验收记录质验表(桥)—26建设单位:监理单位:合同号:人行天桥钢墩柱安装工程检验批质量验收记录质验表(桥)—27建设单位:监理单位:合同号:南通市建设工程质量监督站监制支座工程验收批质量验收记录质验表(桥梁)—28建设单位:监理单位:合同号:南通市建设工程质量监督站监制整体浇筑梁(板)工程验收批质量验收记录质验表(桥梁)— 29建设单位:监理单位:合同号:预制梁(板)工程验收批质量验收记录质验表(桥梁)— 30.1建设单位:监理单位:合同号:预制梁(板)安装工程验收批质量验收记录质验表(桥梁)— 30.2建设单位:监理单位:合同号:南通市建设工程质量监督站监制悬臂浇筑预应力混凝土梁工程验收批质量验收记录质验表(桥梁)—31建设单位:监理单位:合同号:南通市建设工程质量监督站监制悬臂拼装预应力混凝土梁工程验收批质量验收记录质验表(桥梁)—32建设单位:监理单位:合同号:顶推施工梁工程验收批质量验收记录质验表(桥梁)—33建设单位:监理单位:合同号:钢板梁制作工程验收批质量验收记录质验表(桥梁)—34.1建设单位:监理单位:合同号:钢桁梁节段制作工程验收批质量验收记录质验表(桥梁)—34.2建设单位:监理单位:合同号:钢箱形梁制作工程验收批质量验收记录质验表(桥梁)—34.3建设单位:监理单位:合同号:钢梁安装工程验收批质量验收记录质验表(桥梁)—35建设单位:监理单位:合同号:结合梁工程验收批质量验收记录质验表(桥梁)—36建设单位:监理单位:合同号:南通市建设工程质量监督站监制砌筑拱圈工程验收批质量验收记录质验表(桥梁)—37建设单位:监理单位:合同号:现浇混凝土拱圈工程验收批质量验收记录质验表(桥梁)—38建设单位:监理单位:合同号:南通市建设工程质量监督站监制劲性骨架混凝土拱圈工程验收批质量验收记录质验表(桥梁)—39建设单位:监理单位:合同号:南通市建设工程质量监督站监制装配式混凝土拱部结构工程验收批质量验收记录质验表(桥梁)—40.1建设单位:监理单位:合同号:南通市建设工程质量监督站监制装配式混凝土拱部结构工程验收批质量验收记录质验表(桥梁)—40.2建设单位:监理单位:合同号:南通市建设工程质量监督站监制装配式混凝土拱部结构工程验收批质量验收记录质验表(桥梁)—40.3建设单位:监理单位:合同号:南通市建设工程质量监督站监制钢管混凝土拱工程验收批质量验收记录质验表(桥梁)—41建设单位:监理单位:合同号:南通市建设工程质量监督站监制中下承式拱吊杆和柔性系杆工程验收批质量验收记录质验表(桥梁)—42建设单位:监理单位:合同号:南通市建设工程质量监督站监制转体施工拱工程验收批质量验收记录质验表(桥梁)—43建设单位:监理单位:合同号:南通市建设工程质量监督站监制砌筑拱圈检验批质量验收记录质验表(桥)—44建设单位:监理单位:合同号:南通市建设工程质量监督站监制。
桥梁总体现场质量检验表施工单位:合同号:监理单位:编号:ZJ-076-钢筋检查记录表施工单位:合同号:监理单位:编号:ZJ-077-□□-□□□□□□□-□□检验:日期:记录:日期:钢筋安装质量交验单施工单位:合同号:监理单位:编号:ZJ-078-钢筋网质量交验单施工单位:合同号:后张法预应力管道质量交验单施工单位:合同号:监理单位:编号:ZJ-083-预应力张拉记录表(一)施工单位:合同号:监理单位:编号:ZJ-084-预应力张拉记录表(二)施工单位:合同号:监理单位:编号:ZJ-085-预应力张拉记录表(三)施工单位:合同号:混凝土施工原始记录表施工单位:合同号:后张法质量检验表施工单位:合同号:基础砌体质量检验表施工单位:合同号:墩、台身砌体质量检验表施工单位:合同号:监理单位:编号:ZJ-090-拱圈砌体质量检验表施工单位:合同号:监理单位:编号:ZJ-091-侧墙砌体质量检验表施工单位:合同号:基坑质量交验单施工单位:合同号:监理单位:编号:ZJ-093-□□-□□□□□□□-□□地基处理交验单施工单位:合同号:监理单位:编号:ZJ-094-□□-□□□□□□□-□□明挖(扩大)基础质量检验表施工单位:合同号:钻孔记录表施工单位:合同号:记录员:日期:质检员:日期:钻孔桩成孔交验单施工单位:合同号:钻孔桩终孔后灌注混凝土前检查记录表施工单位:合同号:水下混凝土灌注记录表施工单位:合同号:监理单位:编号:ZJ-099-钻孔灌注桩质量检验表施工单位:合同段:施工单位:合同号:大体积混凝土结构质量检验表施工单位:合同号:监理单位:编号:ZJ-113-墩、台身质量检验表施工单位:合同号:监理单位:编号:ZJ-114-柱或双壁墩质量检验表施工单位:合同号:监理单位:编号:ZJ-115-墩、台身安装质量检验表施工单位:合同号:监理单位:编号:ZJ-116-墩、台帽或盖梁质量检验表施工单位:合同号:监理单位:编号:ZJ-117-台背填土质量检验表施工单位:合同号:预制构件底座现场检查记录表施工单位:合同号:预应力孔道压浆记录表(一)承包单位:合同号:预应力孔道压浆记录表(二)施工单位:合同号:预应力混凝土封端施工记录表施工单位:合同号:监理单位:编号:ZJ-123-施工单位:合同号:施工单位:合同号:监理单位:编号:ZJ-125-挡块质量检验表施工单位:合同号:监理单位:编号:ZJ-212-支座安装质量检验表施工单位:合同号:监理单位:编号:ZJ-213-伸缩缝安装质量检验表施工单位:合同号:混凝土小型构件质量检验表施工单位:合同号:监理单位:编号:ZJ-216-人行道铺设质量检验表施工单位:合同号:栏杆安装质量检验表施工单位:合同号:监理单位:编号:ZJ-218-混凝土防撞护栏浇筑质量检验表施工单位:合同号:监理单位:编号:ZJ-219-桥头搭板质量检验表施工单位:合同号:监理单位:编号:ZJ-220-灯柱安装质量检验表施工单位:合同号:涵洞总体质量检验表施工单位:合同号:监理单位:编号:ZJ-222-涵台质量检验表施工单位:合同号:管座及涵管安装质量检验表施工单位:合同号:盖板制作质量检验表施工单位:合同号:。
第五章桥涵工程桥涵工程施工质量验收划分为单位工程、分部工程、分项工程和检验批。
单位工程应按一个完整工程或一个相当规模的施工范围划分,并按下列原则确定:(1)每座特大桥、大桥、中桥为一个单位工程:(2)对于特别长大的桥梁,一个施工单位担负的施工范围为一个单位工程;(3)小桥不超过5座为一个单位工程;(4)涵洞不超过10座为一个单化工程。
分部工程应按一个完整部位或主要结构及施工阶段划分;分项工程应按工种、工序、材料、施工工艺等划分;检验批可根据施工及质量控制和验收需要按施工段或部位等划分。
桥涵工程的分部工程、分项工程和检验批的具体划分及编号应符合下列各表的规定。
桥梁分部工程、分项工程、检验批划分及编号续表续表续表续表TA8 工程报验申请表TA7 施工测量放样报验单施工放样(检查)记录表单位工程名称:里程:记录:复核:[钻孔桩和挖孔桩]钻孔检验批质量验收记录表[钻孔桩和挖孔桩]挖孔检验批质量验收记录表工程检查证质统—05钻 (挖) 孔记录67质统-09钻 (挖) 孔桩成孔检查表填表单位: 填表人: 技术负责人: 年月质统—14钻(挖)孔桩桩位检查记录表TA8 工程报验申请表[钻孔桩和挖孔桩]钢筋(原材料及加工)检验批质量验收记录表(I)[钻孔桩和挖孔桩]钢筋(连接及安装)检验批质量验收记录表(II)工程检查证钢筋安装检查证•铁程检-28桥墩桩基础综合接地检查记录表TA8 工程报验申请表[钻孔桩和挖孔桩]混凝土(原材料)检验批质量验收记录表(I)混凝土(配合比)检验批质量验收记录表(Ⅱ)混凝土(施工及养护)检验批质量验收记录表(Ⅲ)质统-13混凝土、浆砌圬工灌注日志质统—29混凝土工程施工记录表质统(补)-1高性能混凝土施工拌合及浇筑过程控制记录表质统—07钻孔桩灌注水下砼施工记录施工单位: 编号:记录:施工负责人:技术负责人:监理工程师:注:1.附注栏中应绘注桩位示意图,不同时间砼的水灰比和陷度,灌注中断的原因(如拆装导管,机械故障等)。
桥梁施工质量专项检查表模板可以包括以下内容:一、基本信息1. 工程名称:2. 工程地点:3. 建设单位:4. 设计单位:5. 施工单位:6. 监理单位:7. 检查日期:二、检查依据1. 施工图纸及相关设计文件;2. 桥梁工程施工质量验收规范;3. 桥梁工程施工质量评价标准;4. 其他相关规范、标准、规定。
三、检查内容1. 施工前准备工作:(1)施工组织设计、施工方案审查情况;(2)施工机械设备、材料进场验收情况;(3)施工现场布置、安全防护措施落实情况。
2. 地基与基础工程:(1)地质勘察报告审查情况;(2)基础开挖、支护、回填施工质量控制情况;(3)桩基施工质量控制情况。
3. 墩台与上部结构工程:(1)墩台模板安装、钢筋加工及绑扎施工质量控制情况;(2)预应力张拉、压浆施工质量控制情况;(3)上部结构安装、现浇施工质量控制情况。
4. 桥面系工程:(1)桥面铺装层施工质量控制情况;(2)伸缩缝、护栏、排水设施等附属设施施工质量控制情况。
5. 质量保证资料:(1)原材料、构配件进场检验报告及复试报告;(2)隐蔽工程验收记录;(3)施工试验报告及见证检测报告。
四、检查结果与评价1. 检查结果:针对以上检查内容,填写实际检查结果,如合格、不合格等。
2. 评价意见:根据检查结果,给出总体评价意见,如优良、合格、不合格等。
对于不合格项,应提出整改意见和要求。
3. 整改要求与期限:针对不合格项,提出具体的整改要求和期限。
施工单位应在规定期限内完成整改,并提交整改报告。
监理单位应对整改情况进行复查,确保整改到位。
4. 检查结论:根据检查结果和评价意见,给出本次专项检查的结论。
对于存在的问题和不足,应提出改进意见和建议。
同时,应对施工单位和监理单位的工作给予肯定和鼓励,以提高桥梁施工质量水平。
5. 签名与日期:参与检查各方代表应在检查表上签名,并注明日期。
签名应具有法律效力,以便后续跟踪和追溯。
桥梁工程质验表质验表(桥)—1 建设单位:监理单位:合同号:南通市建设工程质量监督站监制模板、支架和拱架安装工程验收批质量验收记录(一)质验表(桥)—2.1 建设单位:监理单位:合同号:南通市建设工程质量监督站监制模板、支架和拱架安装工程验收批质量验收记录(二)质验表(桥)—2.2 建设单位:监理单位:合同号:钢筋加工工程验收批质量验收记录质验表(桥)—3 建设单位:监理单位:合同号:南通市建设工程质量监督站监制钢筋网工程验收批质量验收记录质验表(桥)—4 建设单位:监理单位:合同号:南通市建设工程质量监督站监制钢筋成形和安装工程验收批质量验收记录质验表(桥)— 5 建设单位:监理单位:合同号:南通市建设工程质量监督站监制混凝土工程验收批质量验收记录质验表(桥)—6 建设单位:监理单位:合同号:南通市建设工程质量监督站监制预应力张拉先张法工程验收批质量验收记录质验表(桥)—7 建设单位:监理单位:合同号:预应力张拉后张法工程验收批质量验收记录质验表(桥)—8 建设单位:监理单位:合同号:南通市建设工程质量监督站监制砌体工程验收批质量验收记录质验表(桥)—9 建设单位:监理单位:合同号:南通市建设工程质量监督站监制基坑开挖工程检验批质量验收记录质验表(桥)—10 建设单位:监理单位:合同号:南通市建设工程质量监督站监制现浇混凝土基础工程检验批质量验收记录质验表(桥)—11 建设单位:监理单位:合同号:南通市建设工程质量监督站监制砌体基础工程检验批质量验收记录质验表(桥)—12 建设单位:监理单位:合同号:南通市建设工程质量监督站监制钢筋混凝土和预应力混凝土桩的预制工程检验批质量验收记录质验表(桥)—13 建设单位:监理单位:合同号:南通市建设工程质量监督站监制钢管桩工程检验批质量验收记录质验表(桥)—14 建设单位:监理单位:合同号:南通市建设工程质量监督站监制沉桩工程检验批质量验收记录质验表(桥)—15 建设单位:监理单位:合同号:南通市建设工程质量监督站监制混凝土灌注桩工程检验批质量验收记录质验表(桥)—16 建设单位:监理单位:合同号:南通市建设工程质量监督站监制混凝土沉井工程检验批质量验收记录质验表(桥)—17 建设单位:监理单位:合同号:南通市建设工程质量监督站监制沉井下沉工程验收批质量验收记录质验表(桥)—18 建设单位:监理单位:合同号:南通市建设工程质量监督站监制地下连续墙工程验收批质量验收记录质验表(桥)—19 建设单位:监理单位:合同号:南通市建设工程质量监督站监制混凝土承台工程验收批质量验收记录质验表(桥)—20 建设单位:监理单位:合同号:南通市建设工程质量监督站监制砌筑墩台工程检验批质量验收记录质验表(桥)—21 建设单位:监理单位:合同号:现浇混凝土墩台工程检验批质量验收记录质验表(桥)—22 建设单位:监理单位:合同号:南通市建设工程质量监督站监制预制混凝土柱工程检验批质量验收记录质验表(桥)—23 建设单位:监理单位:合同号:南通市建设工程质量监督站监制预制柱安装工程检验批质量验收记录质验表(桥)—24 建设单位:监理单位:合同号:南通市建设工程质量监督站监制现浇混凝土盖梁工程检验批质量验收记录质验表(桥)—25 建设单位:监理单位:合同号:南通市建设工程质量监督站监制质验表(桥)—26 建设单位:监理单位:合同号:质验表(桥)—27 建设单位:监理单位:合同号:南通市建设工程质量监督站监制支座工程验收批质量验收记录质验表(桥梁)—28 建设单位:监理单位:合同号:南通市建设工程质量监督站监制整体浇筑梁(板)工程验收批质量验收记录质验表(桥梁)—29 建设单位:监理单位:合同号:预制梁(板)工程验收批质量验收记录质验表(桥梁)—30.1 建设单位:监理单位:合同号:预制梁(板)安装工程验收批质量验收记录质验表(桥梁)—30.2 建设单位:监理单位:合同号:南通市建设工程质量监督站监制悬臂浇筑预应力混凝土梁工程验收批质量验收记录质验表(桥梁)—31 建设单位:监理单位:合同号:南通市建设工程质量监督站监制悬臂拼装预应力混凝土梁工程验收批质量验收记录质验表(桥梁)—32 建设单位:监理单位:合同号:顶推施工梁工程验收批质量验收记录质验表(桥梁)—33 建设单位:监理单位:合同号:钢板梁制作工程验收批质量验收记录质验表(桥梁)—34.1 建设单位:监理单位:合同号:钢桁梁节段制作工程验收批质量验收记录质验表(桥梁)—34.2 建设单位:监理单位:合同号:钢箱形梁制作工程验收批质量验收记录质验表(桥梁)—34.3 建设单位:监理单位:合同号:钢梁安装工程验收批质量验收记录质验表(桥梁)—35 建设单位:监理单位:合同号:结合梁工程验收批质量验收记录质验表(桥梁)—36 建设单位:监理单位:合同号:南通市建设工程质量监督站监制砌筑拱圈工程验收批质量验收记录质验表(桥梁)—37 建设单位:监理单位:合同号:现浇混凝土拱圈工程验收批质量验收记录质验表(桥梁)—38 建设单位:监理单位:合同号:南通市建设工程质量监督站监制劲性骨架混凝土拱圈工程验收批质量验收记录质验表(桥梁)—39 建设单位:监理单位:合同号:南通市建设工程质量监督站监制建设单位:监理单位:合同号:南通市建设工程质量监督站监制建设单位:监理单位:合同号:南通市建设工程质量监督站监制质验表(桥梁)—40.3 建设单位:监理单位:合同号:南通市建设工程质量监督站监制质验表(桥梁)—41 建设单位:监理单位:合同号:南通市建设工程质量监督站监制中下承式拱吊杆和柔性系杆工程验收批质量验收记录质验表(桥梁)—42 建设单位:监理单位:合同号:南通市建设工程质量监督站监制转体施工拱工程验收批质量验收记录质验表(桥梁)—43 建设单位:监理单位:合同号:南通市建设工程质量监督站监制砌筑拱圈检验批质量验收记录质验表(桥)—44 建设单位:监理单位:合同号:南通市建设工程质量监督站监制。
基坑开挖报验申请表工程名称:大北环路编号:
测量复核记录
项目负责人:施工员:监理:年月日
地基验槽记录表工程名称:大北环路段质基表1
模板制作报验申请表工程名称:大北环路编号:
预检工程检查记录
质控(市政)表C.O.12 共页第页
模板安装报验申请表
编号:
工程名称:大北环路
预检工程检查记录
质控(市政)表C.O.12 共页第页
钢筋加工报验申请表工程名称:大北环路编号:
预检工程检查记录
质控(市政)表C.O.12 共页第页
钢筋成形和安装报验申请表工程名称:大北环路编号:
预检工程检查记录
质控(市政)表C.O.12 共页第页
隐蔽工程检查验收记录2012年8月14日
混凝土浇筑申请工程名称:大北环路段编号:
混凝土承台报验申请表工程名称:大北环路编号:
测量复核记录
项目负责人:施工员:监理:年月日
预检工程检查记录
质控(市政)表C.O.12 共页第页
隐蔽工程检查验收记录2012年月日。
基坑开挖报验申请表工程名称:大北环路编号:
测量复核记录
项目负责人:施工员:监理:年月日
地基验槽记录表工程名称:大北环路段质基表1
模板制作报验申请表工程名称:大北环路编号:
预检工程检查记录
质控(市政)表C.O.12 共页第页
模板安装报验申请表
编号:
工程名称:大北环路
预检工程检查记录
质控(市政)表C.O.12 共页第页
钢筋加工报验申请表工程名称:大北环路编号:
预检工程检查记录
质控(市政)表C.O.12 共页第页
钢筋成形和安装报验申请表工程名称:大北环路编号:
预检工程检查记录
质控(市政)表C.O.12 共页第页
隐蔽工程检查验收记录2012年8月14日
混凝土浇筑申请工程名称:大北环路段编号:
混凝土承台报验申请表工程名称:大北环路编号:
测量复核记录
项目负责人:施工员:监理:年月日
预检工程检查记录
质控(市政)表C.O.12 共页第页
隐蔽工程检查验收记录2012年月日。