2018年1月工业分析检验技能竞赛化学分析报告单
- 格式:doc
- 大小:61.50 KB
- 文档页数:3
2024年“化学检验工”技能大赛总结范本____年“化学检验工”技能大赛总结一、比赛背景____年“化学检验工”技能大赛于X月X日在X市举行,本次大赛是为了推动我国化学检验人才培养,提升化学检验工的专业技能水平,促进我国化学检验工行业的发展而举办的。
大赛组委会邀请了全国各地的优秀选手参与,共有X个省市的X名选手参加了本次大赛。
二、赛事亮点1. 创新的赛题设计本次大赛的赛题设计突破了传统化学检验赛事的局限性,加入了新材料和新技术的内容,考察选手对新技术的应用和创新能力。
赛题设置了实际应用场景,更贴近实际工作,提高了比赛的实用性和现实性。
2. 多样化的竞赛形式本次大赛采用了综合评价的方式,包括现场操作实验、理论知识考核、分析问题解决能力等多个环节的综合评估。
这种多样化的竞赛形式能够更全面地评估选手的综合素质和实际操作能力,更能反映选手的综合实力。
3. 强化的培训系统为了提高选手的竞赛水平,大赛组委会在赛前为每个参赛选手提供了强化的培训系统,包括理论知识讲座、实操技巧指导和专业辅导等。
这些培训活动不仅提高了选手的知识水平,也增强了选手的竞技能力。
三、比赛成果1. 提升了选手的技能水平本次大赛为选手提供了一个相互竞争的平台,使选手们相互学习、共同进步。
通过与其他选手的对抗,选手们不断提高自己的技能水平,加深了对化学检验工作的理解和认识。
2. 推动了我国化学检验工行业的发展本次大赛吸引了来自全国各地的优秀选手参与,选手们展示了自己的专业技能和创新能力。
这些优秀选手的涌现将推动我国化学检验工行业的发展,提升整个行业的竞争力和影响力。
3. 促进了化学检验人才培养大赛组委会在赛前为选手提供了强化的培训系统,培养了选手的实操能力和创新思维。
通过大赛的选拔和培养,为我国化学检验工行业培养了一批优秀的人才,为行业的未来发展打下了坚实基础。
四、问题与对策1. 知识面过于广泛由于化学检验工的工作领域广泛,涉及的知识面较广,因此选手们在比赛过程中存在知识点掌握不够扎实的情况。
工业分析与检验试题含参考答案一、单选题(共47题,每题1分,共47分)1.一般反相烷基键合固定相要求在pH( )之间使用,pH值过大会引起基体硅胶的溶解。
A、2~10B、1~9C、2~8D、3~6正确答案:C2.用存于有干燥剂的干燥器中的硼砂标定盐酸时,会使标定结果( )。
A、偏低B、不能确定C、无影响D、偏高正确答案:A3.化工行业的标准代号是( )。
A、MYB、HGC、YYD、BlT正确答案:B4.酸碱滴定变化规律一般分成( )个阶段来讨论。
A、1B、4C、3D、2正确答案:B5.衡量色谱柱总分离效能的指标是( )。
A、分离度B、相对保留C、分配系数D、塔板数正确答案:A6.用0.1000mol/L的HC1标准滴定溶液滴定0.1000mol/L的NH3溶液至Ph=4.00则终点误差为( )。
A、0.05%B、0.1%C、0.2%D、0.02%正确答案:C7.阳极溶出伏安法的两个主要步骤为( )。
A、滴定与阳极电位的二阶微商处理B、电解与称重C、电析与溶出D、电解与终点判断正确答案:C8.下列化合物中不与格氏试剂作用的是( )。
A、苯甲醚B、苯甲醛C、乙酸D、苯甲醇正确答案:A9.IUPAC中C级标准试剂是含量为( )的标准试剂。
A、l00%±0.01%B、100%±0.02%C、100%±0.05%D、100%±0.1%正确答案:B10.对于一难溶电解质AnBm(s)≒nAm++mBn-,要使沉淀从溶液中析出,则必须( )。
A、[Am+]n[Bn-]m=KspB、[Am+]n[Bn-]m >KspC、[Am+]n[Bn-]m <KspD、[Am+1]>[Bn-1]正确答案:B11.使分析天平较快停止摆动的部件是( )。
A、吊耳B、阻尼器D、平衡螺钉正确答案:B12.单柱单气路气相色谱仪的工作流程为:由高压气瓶供给的载气依次经( )。
A、稳压阀,减压阀,色谱柱,转子流量计,检测器后放空B、稳压阀,减压阀,转子流量计,色谱柱,检测器后放空C、减压阀,稳压阀,色谱柱,转子流量计,检测器后放空D、减压阀,稳压阀,转子流量计,色谱柱,检测器后放空正确答案:D13.欲测Co240.73nm的吸收值,为防止Co240.63nm的干扰,应选择的光谱通带为( )。
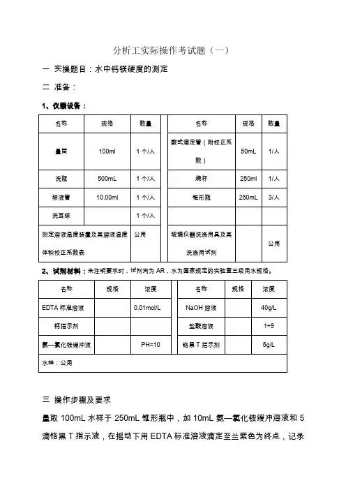
分析工实际操作考试题(一)一实操题目:水中钙镁硬度的测定二准备:三操作步骤及要求量取100mL水样于250mL锥形瓶中,加10mL氨—氯化铵缓冲溶液和5滴铬黑T指示液,在摇动下用EDTA标准溶液滴定至兰紫色为终点,记录消耗标准溶液的用量V1。
另取水样100mL于250mL锥形瓶内加入一块刚果红试纸,加盐酸溶液使刚果红由红变紫后,煮沸3min,冷却后边摇动边慢慢加入氢氧化钠溶液5mL,摇匀,立即加入0.2g左右钙指示剂,用EDTA标准溶液滴定到纯蓝色为终点,记录消耗EDTA标准溶液V2。
四计算Ca2+,mg/L=Mg2+,mg/L=式中:c —— EDTA标准溶液的的物质量浓度,mol/L ;1V ——测总硬度时消耗EDTA 标准溶液体积,mL ; 2V ——测Ca2+消耗EDTA 标准溶液体积,mL ; V ——取样体积,mL ; 2.平行测定的相对平均偏差。
相对平均偏差=%1001⨯⨯-∑=Wn WWini式中: n -测定次数Wi -单次测定值 W -测定值的平均值c=0.1mol/L 标准溶液的温度补正值(以mL/L 计)注:运算过程中保留五位有效数字,浓度值报出结果取四位有效数字。
原始记录表水样中钙镁硬度测定原始记录分析人:日期:评分标准表水样钙镁硬度的测定考生姓名____________得分______________一、总要求:数据准确、精密度好,操作规范,较熟练,分析速度符合要求。
满分为100分。
时间60分钟考评组长签字:考评员签字:分析工实际操作考试题(二)一实操题目:混合碱NaOH+ Na2CO3的测定二准备:1、仪器设备:三 操作步骤及要求移取于混合碱试样50.00ml 至锥形瓶中,加2---3滴酚酞指示剂用盐酸标准滴定溶液滴定至红色刚好褪去,记下消耗数V 1 ,再加1—2滴甲基橙指示剂继续滴定至溶液由红色变为橙色。
记下消耗数V 2 。
四 计算NaOH %= Na 2CO 3%=V 1—第一次消耗盐酸标准溶液的体积,mL ; V 2—第二次消耗盐酸标准滴定溶液的体积,mL ; Na=23 H=1 O=16 C=12 2.平行测定的相对平均偏差。
氧化还原法测定过氧化氢试样中过氧化氢的含量一、高锰酸钾标准滴定溶液的标定1.操作步骤用减量法准确称取2.0g ,精确至0.0002g ,于105~110℃烘至恒重的基准草酸钠(不得用去皮的方法,否则称量为零分)于100mL 小烧杯中,用50mL 硫酸溶液(1+9)溶解,定量转移至250mL 容量瓶中,用水稀释至刻度,摇匀。
用移液管准确量取25.00mL 上述溶液放入锥形瓶中,加75mL 硫酸溶液(1+9),用配制好的高锰酸钾滴定,近终点时加热至65℃左右,继续滴定到溶液呈浅粉色保持30s 。
平行测定4次,同时作空白试验。
2.计算公式)2(])([10000.25000.25)()51(422442240O C Na M V KMnO V O C Na m KMnO c ⨯-⨯⨯= 式中:c (51KMnO 4)—51KMnO 4标准滴定溶液的浓度,mol/L ; V (KMnO 4)—滴定时消耗KMnO 4标准滴定溶液的体积,mL ;V 0—空白试验滴定时消耗KMnO 4标准滴定溶液的体积,mL ;m (Na 2C 2O 4)—基准物Na 2C 2O 4的质量,g ;M (21Na 2C 2O 4)—21Na 2C 2O 4摩尔质量,67.00g/mol 。
二、过氧化氢含量的测定1.操作步骤用减量法准确称取1.5 g 过氧化氢试样,精确至0.0002g ,置于已加有100 mL 硫酸溶液(1+15)的锥形瓶中,用KMnO 4标准滴定溶液[c (51KMnO 4)= 0.1mol/L]滴定至溶液呈浅粉色,保持30s 不褪即为终点。
平行测定3次,同时作空白试验。
2.计算公式1000)(1000)21(]-)([)51(O H 2204422⨯⨯⨯⨯=样品)(m O H M V KMnO V KMnO c w 式中:w (H 2O 2)—过氧化氢的质量分数,g/kg ;c (51KMnO 4)—51KMnO 4标准滴定溶液的浓度,mol/L ; V (KMnO 4)—滴定时消耗KMnO 4标准滴定溶液的体积,mL ;V 0—空白试验滴定时消耗KMnO 4标准滴定溶液的体积,mL ;m (样品)— H 2O 2试样的质量,g ;M (21H 2O 2)—21H 2O 2的摩尔质量,17.01g/mol 。
赛项申报书赛项名称:工业分析与检验赛项类别:常规赛项√行业特色赛项□赛项组别:中职组□高职组√涉及的专业大类 /类:生物和化工大类/化工技术类方案设计专家组组长:手机号码:方案申报单位(盖章):全国石油和化工职业教育教学指导委员会方案申报负责人:方案申报单位联络人:联络人手机号码:电子邮箱:通讯地址:邮政编码:申报日期: 2017 年 8 月 15 日赛项申报方案一、赛项名称(一)赛项名称工业分析与检验(二)压题彩照(三)赛项归属产业类型石油和化工(四)赛项归属专业大类/类生物与化工大类 / 化工技术类 / 工业分析技术570207二、赛项申报专家组三、赛项目的工业分析检验赛项是依据高职教育工业分析技术相关专业教学改革与发展的需要,培养学生职业能力,提升学生分析岗位实际操作能力而设置的。
通过技能竞赛可以促进学生的学习与企业岗位对接。
通过理论与仿真考核、化学与仪器分析操作考核,考查学生产品质量监控的意识及现场分析与处理样品的能力;考查学生工作效率、文明生产、安全生产的职业素养;考查学生执行国家质量标准规范的能力。
通过竞赛实现专业与产业对接、课程内容与职业标准对接,展示教学“紧跟市场、贴近行业、依托企业、对接岗位”的教学成果。
增强职业教育在社会的影响力,培养适应产业发展需要的技术技能专门人才,提高毕业学生满意率和优秀率。
四、赛项设计原则工业分析检验技能竞赛自 2006 年开办,一直秉承公开、公平、公正、科学的办赛原则。
该赛项关联的职业岗位涉及石油、化工、医药、生物、农业、林业、卫生和防疫等领域,是目前涉及行业最多的赛项。
赛项培养的人才能够广泛服务于现代服务业发展。
工业分析检验人才需求很大,目前全国开办工业分析检验专业的高职和中职学校达500余家。
本赛项在进行竞赛内容设计中紧密围绕工业分析技术专业人才培养目标,设置了理论及仿真、化学分析、仪器分析三个竞赛单元,从化学分析、仪器分析、实验室管理等方面进行知识考核;从化学分析实践测试、仪器分析实践测试考核学生分析检测的技能、产品分析的技能;从大型分析仪器的仿真操作考核学生大型分析仪器使用及微量物质的检测能力,全面体现了专业人才培养目标要求。
2016年福建省职业院校技能大赛“工业分析检验”赛项规程一、赛项名称赛项编号:Z-35赛项名称:工业分析检验赛项组别:中职组赛项归属大类:石油化工二、竞赛目的工业分析检验赛项是依据高职教育工业分析技术相关专业教学改革与发展的需要,培养学生职业能力,提升学生分析岗位实际操作能力而设臵的。
通过职业技能竞赛可以促进学生的学习与企业岗位对接。
通过理论考核、化学分析操作考核、仪器分析操作考核,考查学生对产品质量监控的意识及现场分析与处理样品的能力;考查学生工作效率、文明生产、安全生产的职业素养;考查学生执行国家质量标准规范的能力。
通过竞赛实现专业与产业对接、课程内容与职业标准对接,促进工学结合人才培养模式的改革与创新,展现我省中等职业教育工业分析检验专业教学“紧跟市场、贴近行业、依托企业、对接岗位”的教学成果,增强职业教育在社会的影响力,培养适应产业发展需要的高素质工业分析检验技能型专门人才,提高毕业学生满意率和优秀率。
三、竞赛内容工业分析检验(中职组)技能赛项,展示知识经济时代高端技能型人才培养的特点;引领中等职业教育教学改革;考查选手的职业道德与团队协作精神。
工业分析检验赛项涉及到的行业比较广泛,囊括石油、化工、医药、卫生、防疫、食品检验、林业、航天、汽车等行业相关的分析检验岗位。
我省工业分析检验赛项始建于2012年,每年举办一次。
该赛项自2012年起项纳入到教育部举办的全国职业院校技能竞赛。
2015年省赛参赛院校达到7个单位,参赛选手14名。
竞赛考核设化学分析技能、仪器分析技能两个竞赛单元。
竞赛的时长为:化学分析210分钟;仪器分析210分钟。
成绩比例为50%∶50%。
化学分析、仪器分析的操作,以及赛项方案、评分细则、报告单,参见化学工业出版社2015年4月出版的《全国职业院校技能竞赛“工业分析检验”赛项指导书》,书中配有学习光盘。
(一)化学分析题目EDTA标准滴定溶液的标定和硫酸镍试样中镍含量的测定。
化学检验工技能大赛化学分析操作考核数据记录表(选手用)化学分析项目:盐酸标准滴定溶液的标定组别:竞赛日期及时间:赛选手姓名:参赛证号:赛位号:一、盐酸标准滴定溶液的标定化学检验工技能大赛化学分析操作考核数据记录表(选手用)化学分析项目:盐酸标准滴定溶液的标定组别:竞赛日期及时间:赛选手姓名:参赛证号:赛位号:二、数据处理过程三、检验报告现场裁判1签名:姓名____________ ,编号_________________现场裁判2签名:姓名____________ ,编号_________________现场裁判长签名:姓名____________ ,编号______________________年_____月______日化学检验工技能大赛化学分析操作考核数据记录表(选手用)化学分析项目:工业用氢氧化钠中氢氧化钠含量的测定组别:竞赛日期及时间:赛选手姓名:参赛证号:赛位号:一、样品中NaOH含量的测定附录2-2化学检验工技能大赛化学分析操作考核数据记录表(选手用)化学分析项目:工业用氢氧化钠中氢氧化钠含量的测定组别:竞赛日期及时间:赛选手姓名:参赛证号:赛位号:二、数据处理过程三、检验报告现场裁判1签名:姓名____________ ,编号_________________现场裁判2签名:姓名____________ ,编号_________________现场裁判长签名:姓名____________ ,编号______________________年_____月______日附录3-2化学检验工技能大赛化学分析操作考核数据记录表(选手用)仪器分析项目:工业用氢氧化钠铁含量的测定组别:竞赛日期及时间:赛选手姓名:参赛证号:赛位号:一、标准曲线的绘制(仪器编号:测量波长:__________;标准使用溶液名称和浓度:_________)工作曲线及相关系数:二、氢氧化钠中铁含量的测定(请在标准曲线上标注曲线名称、比色皿规格,打印后放于实验记录表后面)附录3-2化学检验工技能大赛化学分析操作考核数据记录表(选手用)仪器分析项目:工业用氢氧化钠铁含量的测定组别:竞赛日期及时间:赛选手姓名:参赛证号:赛位号:三、计算公式及过程:定量分析结果:试样中铁含量_________________%。
附件 18:高职生物与化工大类工业分析与检验赛项技能竞赛规程、评分标准及选手须知一、竞赛内容1.理论考核理论考核以笔试进行,考核内容参见《化学检验工职业技能鉴定试题集》,化学工业出版社2015 年 6 月出版,书号 978-7-122-23572-5 ,范围为中级篇和高级篇试题,不包含各章节计算题、综合题以及第四章化学反应与溶液基础知识。
具体考核点分布见表1。
表 1 理论考核点分布项目序号知识点比例成绩1职业道德12化验室基础知识73化验室管理与质量控制54滴定分析基础知识95酸碱滴定知识96氧化还原滴定知识97配位滴定知识8理论8沉淀滴定知识31009分子吸收光谱法知识910 原子吸收光谱法知识811 电化学分析法知识812 色谱法知识1013 工业分析知识614 有机分析知识515 环境保护基础知识32.化学分析技能考核化学分析采取现场操作考核,考核内容:高锰酸钾标准滴定溶液的标定和过氧化氢含量的测定。
(一)高锰酸钾标准滴定溶液的标定1.操作步骤用减量法准确称取2.0g 于 105~ 110℃烘至恒重的基准草酸钠(不得用去皮的方法,否则称量为零分)于 100mL 小烧杯中,用 50mL 硫酸溶液( 1+9)溶解,定量转移至 250mL 容量瓶中,用水稀释至刻度,摇匀。
用移液管准确量取 25.00mL 上述溶液放入锥形瓶中, 加 75mL 硫酸溶液(1+9),用配制好的高锰酸钾滴定,近终点时加热至 65℃,继续滴定到溶液呈粉红色保 持 30s 。
平行测定 4 次,同时作空白试验。
2. 计算公式m(Na 2C 2 O 4 ) 25.001 1000250.0c( KMnO 4 )1 5[V (KMnO 4 ) V 0 ] M ( Na 2C 2O 4)2式中:c ( 1 KMnO4)— 1 KMnO4标准滴定溶液的浓度, mol/L ;5 5V (KMnO4)—滴定时消耗 KMnO4标准滴定溶液的体积, mL ; V0—空白试验滴定时消耗 KMnO4标准滴定溶液的体积, mL ;m (Na2C2 O4)—基准物 Na2C2O4 的质量, g ; M ( 1 Na2C2 O4)— 1 Na2C2O4 摩尔质量, 67.00g/mol 。
2018年山东省职业院校工业分析与检验技能竞赛化学分析实施方案高锰酸钾标准滴定溶液的标定1.操作步骤用减量法准确称取2.0g ,精确至0.0002g ,于105~110℃烘至恒重的基准草酸钠(不得用去皮的方法,否则称量为零分)于100mL 小烧杯中,用50mL 硫酸溶液(1+9)溶解,定量转移至250mL 容量瓶中,用水稀释至刻度,摇匀。
用移液管准确量取25.00mL 上述溶液放入锥形瓶中,加75mL 硫酸溶液(1+9),用配制好的高锰酸钾滴定,近终点时加热至65℃,继续滴定到溶液呈粉红色保持30s 。
平行测定3次,同时作空白试验。
2.计算公式)21(])([10000.25000.25)()51(422442240O C Na M V KMnO V O C Na m KMnO c ⨯-⨯⨯=式中:c (4KMnO 51)—4KMnO 51标准滴定溶液的浓度,mol/L ;V (KMnO 4)—滴定时消耗KMnO 4标准滴定溶液的体积,mL ; V 0—空白试验滴定时消耗KMnO 4标准滴定溶液的体积,mL ; m (Na 2C 2O 4)—基准物Na 2C 2O 4的质量,g ;M (422O C Na 21)—222O 21C Na 摩尔质量,67.00g/mol 。
过氧化氢含量的测定1.操作步骤用减量法准确称取2.0 g 双氧水试样,精确至0.0002g ,置于已加有100mL 硫酸溶液(1+15)的锥形瓶中,用KMnO 4标准滴定溶液[c(4KMnO 51)=0.1mol/L]滴定至溶液呈浅粉色,保持30s 不褪即为终点。
平行测定3次,同时作空白试验。
2.计算公式1000)(1000)21(]-)([)51(O H 2204422⨯⨯⨯⨯=样品)(m O H M V KMnO V KMnO c w式中:w (H 2O 2)—过氧化氢的质量分数,g/kg ;c (4KMnO 51)—4KMnO 51标准滴定溶液的浓度,mol/L ;V (KMnO 4)—滴定时消耗KMnO 4标准滴定溶液的体积,mL ; V 0—空白试验滴定时消耗KMnO 4标准滴定溶液的体积,mL ; m (样品)— H 2O 2试样的质量,g ;M (22O H 21)—22O H 21的摩尔质量,17.01g/mol 。
工业分析检验试题库与答案一、单选题(共40题,每题1分,共40分)1、难溶化合物Fe(OH)3离子积的表达式为()。
A、KSP=[Fe3+][3OH–]3B、KSP=[Fe3+][OH–]C、KSP=[Fe3+][3OH–]D、KSP=[Fe3+][OH–]3正确答案:D2、已知在一定温度下,氨水的Kb=1.8×10-5,其浓度为0.500mol/L时溶液的pH为()。
A、11.48B、2.52C、9.23D、12.47正确答案:A3、在常压下,将蔗糖溶于纯水形成一定浓度的稀溶液,冷却时首先析出的是纯冰,相对于纯水而言将会出现沸点()。
A、降低B、不变C、升高D、无一定变化规律正确答案:C4、下列碳原子稳定性最大的是()。
A、乙基碳正离子B、甲基碳正离子C、异丙基碳正离子D、叔丁基碳原子正确答案:D5、高锰酸钾一般不能用于()。
A、返滴定B、直接滴定C、置换滴定D、间接滴定正确答案:C6、原子吸收分析对光源进行调制,主要是为了消除()。
A、物理干扰B、背景干扰C、原子化器火焰的干扰D、光源透射光的干扰正确答案:C7、垃圾是放错了地方的()。
A、污染B、资源C、排放物D、废物正确答案:B8、置信区间的大小受()的影响。
A、总体平均值B、平均值C、置信度D、真值正确答案:C9、化学烧伤中,酸的蚀伤,应用大量的水冲洗,然后用()冲洗,再用水冲洗。
A、0.3mol/LHAc溶液B、2%NaHCO3溶液C、0.3mol/LHCl溶液D、2%NaOH溶液正确答案:B10、基准物质纯试剂瓶签的颜色为()。
A、深绿色B、金光红色C、中蓝色D、玫瑰红色正确答案:A11、可见分光光度计适用的波长范围为()。
A、小于200nmB、小于400nmC、大于800nmD、400nm-800nm正确答案:D12、相图与相律之间的关系是()。
A、相图由实验结果绘制得出,相图不能违背相律B、相图由实验结果绘制得出,与相律无关C、相图决定相律D、相图由相律推导得出正确答案:A13、在镍坩埚中做熔融实验,其熔融温度一般不超过()。
“化学检验工”技能大赛总结范文化学检验工技能大赛总结作为一名化学检验工,我非常幸运能参加这次技能大赛。
这次比赛不仅给我提供了一个展示自己技能的平台,也使我能够与其他优秀的化学检验工相互学习、切磋,进一步提升自己的技能水平。
在这次比赛中,我遇到了许多挑战,但也取得了一定的成绩。
以下是我对这次比赛的总结。
首先,这次比赛的题目设计得非常有挑战性。
比赛组委会精心挑选了一系列的化学检验工相关的测试题目,涵盖了常见的化学检验知识和技术要求。
我们需要在有限的时间内完成各种实验室操作,如样品处理、仪器操作和数据处理等。
这要求我们有扎实的理论基础和实践经验,且在高压下能保持冷静和高效的工作状态。
这次比赛不仅考验了我们的技术水平,也考察了我们的应对压力和解决问题的能力。
其次,比赛过程中的团队合作非常重要。
作为一名化学检验工,我深知团队合作在实验室工作中的重要性。
在这次比赛中,我们被分为小组,需要共同完成一系列的实验任务。
在这个过程中,我们需要相互配合,合理分工,确保实验的顺利进行。
大家互相帮助,交流经验,共同解决遇到的问题。
通过团队合作,我们能够发挥出最佳的水平,提高工作效率,达到更好的实验结果。
此外,这次比赛也对我们的安全意识提出了更高的要求。
在化学实验室中,化学品的使用和操作过程中存在一定的安全风险。
我们需要严格遵守实验室安全规范,正确使用个人防护装备,保证个人和团队的安全。
比赛期间,我进一步加强了对实验室安全的认识,提高了自己的安全意识,确保了安全操作和顺利完成实验任务。
最后,这次比赛给我带来了许多收获和启发。
比赛中,我学习到了许多新的实验操作技术和数据分析方法,扩充了自己的知识面。
我还与其他选手进行了交流和讨论,了解了不同地区、不同单位的实验室管理和技术水平。
这些经验和知识的积累,将对我今后的工作和学习产生积极的影响。
通过这次比赛,我认识到自己在化学检验工方面的不足之处,也看到了自己的优势所在。
我将进一步加强自己的理论学习,提高实验操作技能,不断提升自己的综合素质。
2018年杭州市化学检验工技能大赛化学分析操作考核技术要求本项目为EDTA标准溶液的标定(见附录一)。
由参赛选手独立完成操作;规定时限外不得进行任何操作(包括数据处理);实验数据应及时记录,不得记录在草稿纸上;数据处理前不得使用计算器或书面运算;数据更改必须由裁判签字确认,否则作伪造数据处理。
一、比赛装备和器材要求1、参赛选手不得穿戴有单位标志服装,不得佩戴首饰等。
2、比赛所用实验服由选手自行准备,实验报告单由承担方提供(见附录二)。
3、承办方提供的化学分析操作主要仪器清单(参赛选手也可自带):万分之一电子天平1台250mL锥形瓶5个蒸馏水洗瓶2个5mL量筒1个10mL量筒1个100mL量筒1个胶头滴管3个50mL烧杯3个滤纸若干4、比赛所用滴定管要求为50mL聚四氟乙烯滴定管,由参赛选手自带(需校准,附滴定管校准曲线图)。
5、不同温度下标准滴定溶液体积的补正值对照表由承办方提供6、选手自备黑色水笔、计算器等文具。
二、成绩评定1、成绩组成:理论成绩×30%+化学分析操作成绩×70%。
2、技能操作竞赛成绩分两步得出,现场部分由裁判员根据选手现场实际操作规范程度、操作质量、文明操作情况和现场分析结果,依据评分细则(见附录三)对每个单元单独评分后得出;分析结果准确性部分则等所有分析结果数据汇总并经专人按规范进行真值、差异性等取舍处理后得出。
3、真值的来源分为二方面。
主办单位选派教师、标定精密度≤0.15%的参赛选手二方面测定平均值加权重计算得出真值。
权重分配:主办单位教师占30%;比赛现场参赛选手占70%。
4、可疑值取舍原则:比赛现场参赛选手个体测定的平均值用4d 法或Q法进行检验,去掉可疑值。
乙二胺四乙酸二钠标准滴定溶液的标定1、操作步骤用减量法准确称取0.3g ,于800℃±50℃的高温炉中灼烧至恒量的工作基准试剂氧化锌(不得用去皮的方法,否则称量为零分)至250mL 锥形瓶中,用少量水湿润,加2mL 盐酸溶液(20%)溶解,加100mL 水,加0.025%甲基红的乙醇溶液1滴,滴加氨水溶液(10%)至溶液显微黄色(pH≈7-8),加10mL 氨-氯化铵缓冲溶液(pH≈10)及5滴铬黑T 指示液(5g/L ),用配制的乙二胺四乙酸二钠溶液滴定至溶液由紫色变为纯蓝色。
赛项申报书赛项名称:工业剖析与查验赛项类型:惯例赛项√行业特点赛项□赛项组别:中职组□高职组√波及的专业大类 /类:生物和化工大类/化工技术类方案设计专家组组长:手机号码:方案申报单位(盖印):全国石油和化工职业教育教课指导委员会方案申报负责人:方案申报单位联系人:联系人手机号码:电子邮箱:通信地址:邮政编码:申报日期: 2017 年 8 月 15 日赛项申报方案一、赛项名称(一)赛项名称工业剖析与查验(二)压题彩照(三)赛项归属家产种类石油和化工(四)赛项归属专业大类/类生物与化工大类 / 化工技术类 / 工业剖析技术570207二、赛项申报专家组三、赛项目的工业剖析查验赛项是依照高职教育工业剖析技术有关专业教课改革与发展的需要,培育学生职业能力,提高学生剖析岗位实质操作能力而设置的。
经过技术比赛能够促使学生的学习与公司岗位对接。
经过理论与仿真查核、化学与仪器剖析操作查核,考察学生产质量量监控的意识及现场剖析与办理样品的能力;考察学生工作效率、文明生产、安全生产的职业修养;考察学生执行国家质量标准规范的能力。
经过比赛实现专业与家产对接、课程内容与职业标准对接,展现教课“紧跟市场、切近行业、依靠公司、对接岗位”的教课成就。
加强职业教育在社会的影响力,培育适应家产发展需要的技术技术特意人材,提高毕业学生满意率和优异率。
四、赛项设计原则工业剖析查验技术比赛自 2006 年创办,向来秉着公然、公正、公正、科学的办赛原则。
该赛项关系的职业岗位波及石油、化工、医药、生物、农业、林业、卫生和防疫等领域,是当前波及行业最多的赛项。
赛项培养的人材能够宽泛服务于现代服务业发展。
工业剖析查验人材需求很大,当前全国创办工业剖析查验专业的高职和中职学校达500余家。
本赛项在进行比赛内容设计中密切环绕工业剖析技术专业人材培育目标,设置了理论及仿真、化学剖析、仪器剖析三个比赛单元,从化学剖析、仪器剖析、实验室管理等方面进行知识查核;从化学剖析实践测试、仪器剖析实践测试查核学生剖析检测的技术、产品剖析的技术;从大型剖析仪器的仿真操作查核学生大型剖析仪器使用及微量物质的检测能力,全面表现了专业人材培育目标要求。
工业分析检验练习题(含答案)一、单选题(共40题,每题1分,共40分)1、企业标准代号OA、GBB、GB/TC、ISOD、Q/XX正确答案:D2、目视比色法中,常用的标准系列法是比较()。
A、入射光的强度B、溶液颜色的深浅C、透过光的强度D、吸收光的强度正确答案:B3、用化学方法区别「丁怏和2-丁焕,应采用的试剂是()。
A、澳水B、酸性高镒酸钾C、浓硫酸D、氯化亚铜的氨浓溶液正确答案:D4、紫外光检验波长准确度的方法用O吸收曲线来检查A、甲苯蒸气B、苯蒸气C、错伽滤光片D、以上三种正确答案:B5、衡量样本平均值的离散程度时,应采用()。
A、标准偏差B、相对标准偏差C、极差D、平均值的标准偏差6、从气体钢瓶中采集气体样品一般用O采样方法。
A、正压下采样方法B、常压下采样方法C、流水抽气泵采样D、负压下采样方法正确答案:A7、我国淡水资源的人均值是世界人均水量的()。
A、A5倍B、0.2C、2倍D、1/4正确答案:D8、一般分析实验和科学研究中适用OA、分析纯试剂B、优级纯试剂C、化学纯试剂试剂D、实验试剂正确答案:A9、已知25℃度时Ksp,BaS04=1.8X10-10,计算在40OmI的该溶液中由于沉淀的溶解而造成的损失为OgoA、6.5×10-4B、1.2×10-3C、3.2×10-4D、1.8×10-7正确答案:B10、KMno4滴定所需的介质是()A、硫酸B、磷酸C、盐酸D、硝酸IK能用水扑灭的火灾种类是OA、可燃性液体,如石油、食油B、可燃性气体如煤气、石油液化气C、木材、纸张、棉花燃烧D、可燃性金属如钾、钠、钙、镁等正确答案:C12、在碘量法中,淀粉是专属指示剂,当溶液呈蓝色时,这是()。
A、碘的颜色B、游离碘与淀粉生成物的颜色C、I-的颜色D、「与淀粉生成物的颜色正确答案:B13、以下物质是致癌物质为()。
A、苯胺B、氮C、乙醇D、甲烷正确答案:A14、测定S02的质量分数,得到下列数据(%)28.62,28.59,28.51,28.52,28.61;则置信度为95%时平均值的置信区间为()。
“化学检验工”技能大赛总结范文为了进一步体现“以服务为宗旨、以就业为导”的办学理念,大力推进本校石油化工和检验技能的人才培养,选拔行业优秀技能人才,提高石油和化工企业市场竞争力,规范实验教学,认真落实教学质量工程,检验教学效果,培养大学生的动手实践能力,提升我校学生的综合素质,并为今年全国石油和化工行业职业技能竞赛,选拔、培养优秀学生,我院于____年____月在全校范围内组织举办了银川科技职业学院首届化学检验工技能大赛。
大赛主要面向____级的石油化工系的在校学生。
在院领导和系领导的支持下,在全系专业老师的共同努力下,在辅导员老师积极组织协调下,在学生的积极参与和配合下,这次大赛已于____年____月____日圆满结束。
现在将对此次大赛的各项内容进行总结,具体情况一、大赛的准备阶段____年____月,我系开始策划、准备本次大赛。
在这一阶段中,明确了本次大赛的比赛内容、主要负责单位和相关事宜,并于____年____月召开了全系教职工会议,具体说明本次大赛的情况。
随后,教研室和09级的辅导员老师都纷纷进入到宣传、准备阶段,并于____年____月上旬完成了化学检验工技能大赛策划、宣传工作以及组织报名工作,石化系公布了比赛的时间、内容、要求等相关适事宜。
____级的各专业班级都积极参与,踊跃报名,为比赛的顺利进行奠定了坚实的基础。
二、大赛的普选阶段石化系____级学生共有____名学生报名参加了此次化学检验工技能大赛。
在普选阶段,针对基础理论知识进行笔试,并按照成绩由高到低选拔出成绩排名前40的基础理论知识扎实、记忆能力较好、自学能力强的学生进行复赛。
三、大赛的复赛阶段由于此次面向对象是____级学生,这些学生才处在大一阶段,专业知识还比较欠缺。
因此我们组织老师对普选出来的____名学生分别进行了理论知识和实操能力的培训。
由石化系分析教研室和基础教研室的____位教师对学生的理论知识题库进行了筛选和理论知识的培训。