九年级电与磁(提升篇)(Word版 含解析)
- 格式:doc
- 大小:221.50 KB
- 文档页数:13
九年级下册电与磁(篇)(Word版含解析)一、三物理电与磁易错压轴题(难)1.小明学会了测小灯泡的功率后,在老师的启发下,进一步思考:电流一定时,小灯泡功率跟电阻有什么关系呢?于是他利用如图所示的电路,选用分别标有“1.5 V 0.25 A”“2.5 V 0.3 A”和“3.8 V 0.3 A”字样的小灯泡L1、L2、L3,测出它们在电流相同时的电阻和功率,来探究小灯泡功率与电阻的关系.(1)他将灯L1接入图甲电路,请你用笔画线代替导线,帮他将实物电路连接完整.______(2)闭合开关后,他调节滑动变阻器的滑片P,使通过灯L1的电流为0.2 A,再测出L1两端的电压,此时电压表示数如图乙所示,然后计算出此时灯L1的电阻为______Ω,实际功率是____ W.(3)换上灯L2,闭合开关,为保持电流为0.2 A不变,应将滑片P向________(选填“左”或“右”)端移动;再测出L2两端的电压,算出L2的电阻和功率.换上灯L3,做第三次实验,并将实验数据记录在下表中.(4)请根据实验数据,在图丙中作出小灯泡功率与电阻关系的图象.______(5)分析图象可得结论:在电流一定时,小灯泡的实际功率与电阻成________关系.(6)小波认为:为了控制实验条件,小明每次实验要换灯泡还要调节滑动变阻器,这样的操作不够简便.对此你可以如何改进?____.【答案】答案见解析 4 0.16 左答案见解析正比将L1、L2、L3串联在同一电路中,使电流不变【解析】【分析】【详解】(1)如图(2)电压表使用的0~3V,分度值为0.1V,电压为0.8V,电流为0.2A,所以L1电阻为R1=UI=0.840.2VA=Ω,实际功率P实=UI=0.16W;(3) 换上灯L2,电阻增大,总电阻增大,电路电流减小,电流表的示数将变小;要使电路电流增大到0.2A,要减小电路总电阻,滑动变阻器的滑片向左端移动;(4)(5)分析图像可知图线是一条过原点的直线,可知,电流一定时,功率和电阻成正比.(6)实验目的是小灯泡功率与电阻的关系,根据控制变量法,要保证电流不变,则可以将L1、L2、L3串联在同一电路中,分别测各自两端电压即可.【点睛】本题题干很长,给学生的心理压力很大,并且本题涉及到的知识点多,而且和数学联系起来,增大了试题的难度,并且用实验探究功率和电阻关系的题目比较少见,学生不熟悉,更增大了习题的难度.2.学习“电磁感应”时,老师演示了发电机模型的实验(如图),摇动把手,使线圈快速转动,小灯泡就亮了。
电与磁(提升篇)(Word版含解析)一、三物理电与磁易错压轴题(难)1.在观察“磁场对通电直导线的作用”活动中,小明用导线在固定的接线柱MN下悬挂一根轻质的铝棒ab,然后将其作为通电导线接入电路放在蹄形磁体的磁场里,如图甲所示。
(1)小明闭合开关,看到铝棒稳定时如图乙所示;在探究导线在磁场中受力方向与电流方向、磁场方向的关系时,小明先仅对调磁极位置,闭合开关,观察到铝棒ab稳定时如丙所示,由此可知通电导线在磁场中受力的方向与____________方向有关。
然后小明保持图甲中的磁极位置不动,将铝棒ab两端对调后接入电路,发现铝棒ab的摆动方向依然如图乙所示,由此小明认为通电导线在磁场中的受力方向与电流方向无关。
你认为小明的做法对吗?____为什么?_________。
(2)小明进一步猜想:在同一磁场中,磁场对导线的作用力是否与通过导线的电流大小有关呢?为此小明决定在图丙所示的实验基础上,在电路中串入电流表,并通过将铝棒ab换成长短、粗细均相同但电阻更大的铁棒和电阻更小的铜棒来改变电路中的电流,进行对比实验。
① 实验过程中,小明应根据______(选填“电流表的示数”或“导线摆动角度”)来推断通电导线在磁场中的受力大小。
② 闭合开关,小明发现铁棒稳定时的位置都如图丁所示,与丙图实验现象相比,小明感到非常困惑。
请你指出小明实验设计中存在的问题并提出改进方法。
存在问题:_____________。
改进方法:_________________。
(3)若想利用小明的实验装置继续探究电磁感应现象,我们只需将图甲中的__________(选填“开关”、“铝棒ab” 或“电源”)替换成_____________即可。
【答案】磁场不对因为将铝棒ab两端对调后接入电路,电流方向还是不变导线摆动角度铁棒在磁场中会受到磁铁的吸引力把丁图的铁棒换成与丙图相同的铜棒电源灵敏电流表【解析】【详解】(1)[1]仅对调磁极位置,由此可知通电导线在磁场中受力的方向与磁场方向有关;[2][3]小明的做法不对;因为将铝棒ab两端对调后接入电路,电流方向还是不变,那么受力方向也不变,电流方向实际上是没有变化的;(2)[4]为了探究磁场对导线的作用力是否与通过导线的电流大小有关,需改变电流的大小,观察金属棒的受力大小,应根据导线摆动角度来推断通电导线在磁场中的受力大小;[5][6]由于铁棒比铝棒电阻大,根据UIR可知,在电源电压不变时,通过铁棒的电流较小,当磁场强度相同时,电流越小,导体受到的磁场力越小,因此铁棒比铝棒摆动的幅度小;所以实验中存在的问题是:铁棒在磁场中会受到磁铁的吸引力;改进方法是:把丁图的铁棒换成与丙图相同的铜棒;(3)[7][8]探究电磁感应现象,即磁生电,只需将图甲中的电源替换成灵敏电流表即可,这电流表能显示是否有电流产生。
【物理】九年级物理电与磁提高训练含解析一、电与磁选择题1.下列设备中,工作原理与如图所示的实验原理相同的是()A. 电动机B. 发电机C. 电磁铁D. 电磁继电器【答案】A【解析】【解答】解:A、由图可知,电路中有电源,是电动机的工作原理图,其原理是通电导体在磁场中受到力的作用,故A符合题意.B、发电机的原理图中没有电源,发电机是根据电磁感应原理制成的,故B不符合题意;CD、电磁铁、电磁继电器都是利用电流的磁效应制成的,故CD不符合题意.故选A.【分析】图中有电源,是电动机工作原理的示意图,其原理是通电导体在磁场中受到力的作用;再结合发电机、电磁铁、电磁继电器的工作原理可解答此题.2.如图所示,GMR是一个巨磁电阻,其特性是电阻在磁场中会急剧减小,且磁场越强电阻越小,闭合开关S2后,下列四种情况相比较,指示灯最亮的是()A. S1断开,滑片P在图示位置B. S1闭合,滑片P在图示位置C. S1闭合,滑片P在滑动变阻器最右端D. S1闭合,滑片P在滑动变阻器最左端【答案】D【解析】【解答】解:A、S1断开时,电磁铁无磁性,由题意可知GMR的电阻最大,由I= 可知,右侧电路中电流最小,由P=I2R可知,指示灯的实际功率最小,指示灯最暗,故A错误;BCD、闭合S1时,GMR所处的位置由无磁场变为有磁场,GMR的阻值减小;当滑片P在滑动变阻器最左端时,左侧电路的电阻最小,由I= 可知,左侧电路中的电流最大,电磁铁磁性最强,则GMR的电阻最小,右侧电路中电流最大,由P=I2R可知,指示灯的实际功率最大,指示灯最亮,故BC错误,D正确.故选D.【分析】闭合S2时,指示灯与GMR串联,电压表测GMR两端的电压,闭合S1时,电磁铁有磁性,根据GMR与磁性之间的关系判断其阻值的变化,根据欧姆定律可知电路中电流的变化,利用P=I2R可知指示灯功率的变化,进一步判断亮暗的变化.3.下列四幅图中,解释不合理的是()A. 甲图,说明电流的周围存在磁场B. 乙图,闭合开关后,小磁针N极将顺时针偏转C. 丙图,发电机应用了磁场对电流的作用D. 丁图,说明电流相同时,线圈匝数越多,电磁铁磁性越强【答案】C【解析】【解答】解:A、该实验是奥斯特实验:当导线中通过电流时,小磁针发生偏转,实验现象表明电流周围存在磁场,即电生磁,这个现象叫做电流的磁效应,选项A正确;B、闭合开关,通电螺线管中的电流方向由右侧流入,根据安培定则可知,螺线管的右端是N极,左端为S极,则小磁针N极将顺时针偏转,选项B正确;C、线圈在磁场中转动切割磁感线,从而产生感应电流,知识发电机的原理,选项C错误;D、由图可知,两个电磁铁是串联的,则通过两个电磁铁的电流相同.在电流相同的情况下,匝数多的电磁铁吸引的大头针数目多,表明线圈匝数越多,磁性越强,选项D正确.故选:C.【分析】甲图:小磁针会发生偏转是受到了磁场的作用,而磁场是由电流产生的;乙图:根据右手螺旋定则先判断出通电螺线管的N极,然后根据磁感线方向判断出小磁针N极的指向;丙图:发电机应用了电磁感应原理;丁图:电磁铁的磁性强弱与线圈匝数多少有关:当电流相同时,线圈的匝数越多,电磁铁磁性越强.4.如图为通电螺线管磁场强弱演示仪的示意图(导线电阻不计),由图可知:()A. 当开关S接a点时,仪表指针向右偏转B. 当开关S接a点接滑片P向下移动时,仪表示数变小C. 保持滑片P的位置不变,开关S由a点换到b点,仪表示数变大D. 若将电源正负极对调,仪表指针偏转方向不变【答案】C【解析】【解答】解:A、由安培定则可知,通电螺线管的右端为N极,根据同名磁极相互排斥可知,仪表指针向左偏转,故A错误;B、当开关S接a点接滑片P向下移动时,变阻器接入电路的电阻减小,电流增大,磁性增强,排斥力增大,指针偏转变大,仪表示数变大,故B错误;C、保持滑片P的位置不变,开关S由a点换到b点,线圈匝数增加,磁性增强,排斥力增大,指针偏转变大,仪表示数变大,故C正确;D、若将电源正负极对调,电流方向改变,磁场方向改变,仪表指针偏转方向改变,故D 错误.故选C.【分析】(1)由安培定则判断通电螺线管的南北极和磁极间的相互作用判断仪表指针向的偏转;、(2)根据滑动变阻器的移动方向判断通电螺线管的磁性变化,判断仪表示数变化;(3)通电螺线管磁性的强弱与电流的大小、线圈的匝数、有无铁芯;(4)通电导体在磁场受力的方向与电流的方向、磁场方向有关.5.如图所示,甲、乙、丙、丁是四幅实验图,下列说法正确的是()A. 甲实验说明同名磁极相互吸引,异名磁极相互排斥B. 乙实验说明闭合电路的部分导体在磁场中做切割磁感线运动时,导体中就产生电流C. 丙实验说明利用磁场可以产生电流D. 丁实验说明机械能可以转化为电能【答案】B【解析】【解答】解:A、两磁铁悬挂起来,当同名磁极相对时,相互排斥;当异名磁极相对时,相互吸引,故A 不正确;B、导线与灵敏电流计相连,闭合电路时,当导体在磁场中做切割磁感线的运动时,灵敏电流计发生偏转,说明了电磁感线现象,故B正确;C、导线内通以电流后,放在其周围的小磁针会发生偏转,说明通电导线周围存在磁场,故C不正确;D、导体棒与电源相连,当通以电流时由于受磁场力的作用,导体棒会发生运动,故说明通电导体在磁场中受磁场力的作用,是电能转化为机械能,故D不正确.故选B.【分析】由实验的装置及实验现象可知实验的原理及意义.6.如图所示,下列描述正确的是()A. 甲图:利用灵敏电流计可以准确测量电流值B. 乙图:同名磁极相互吸引C. 丙图:比较两次实验得出压力的作用效果与受力面积的关系D. 丁图:用吸管像两乒乓球中间吹气,乒乓球靠拢【答案】D【解析】【解答】解:A、甲图灵敏电流计没有刻度值,利用灵敏电流计可以大致反映电流的大小,故A错误;B、图中是两个N极相互靠近,利用同名磁极相互排斥,故B错误;C、丙图压力和受力面积都不同,不能比较两次实验得出压力的作用效果与受力面积的关系,故C错误;D、用吸管像两乒乓球中间吹气,中间空气流速大,压强小,两边流速小,压强大,压着乒乓球向中间靠拢,故D正确.故选D.【分析】(1)利用灵敏电流计可以大致反映感应电流的大小;(2)同名磁极相互排斥;(3)压力的作用效果与压力大小和受力面积有关;(4)流速越大的地方,压强越小.7.如图是直流电铃的工作原理图.下列说法正确的是()A. 铃声可以在真空中传播B. 铃声是由铃碗的振动产生的C. 变阻器滑片向右移时,电磁铁的磁性增强D. 绕制电磁铁线圈时,线圈的匝数越少,磁性越强【答案】B【解析】【解答】解:A、声音的传播需要介质,真空不能传声,故A错误;B、当闭合开关铁腕振动,铃声响起,铃声是由铃碗的振动产生的,故B正确;C、滑动变阻器的滑片向右滑动时,接入电路中的电阻增大,电流减小,电磁铁的磁性减弱,故C错误;D、当通过电磁铁的电流一定时,电磁铁线圈的匝数越少,磁性越弱,故D错误.故选B.【分析】(1)声音的传播靠介质;(2)声音是由物体的振动产生的;(3)改变电磁铁的磁性强弱,就要从改变电磁铁的线圈匝数或者改变通过电磁铁的电流大小入手.而电磁铁固定,则其匝数固定.只能从电流入手.改变滑动变阻器接入的阻值可以改变电路中的电流;(4)①影响电磁铁磁性强弱的因素:电流大小、线圈匝数多少、有无铁芯.有铁芯时,电流越大,匝数越多,磁性越强.8.如图是关于电磁现象的四个实验,下列说法正确的是()A. 图甲是研究发电机工作原理的实验装置B. 图乙实验说明通电导体周围存在磁场C. 图丙是探究磁铁磁性强弱的实验装置D. 图丁是探究电磁感应现象的实验装置【答案】D【解析】【解答】解:A、图中有电池,是电动机原理图,故A错误;B、图中有学生电源,这是磁场对电流的作用实验,结论是通电导体在磁场中受力,故B 错误;C、是奥斯特实验,说明通电导线周围存在磁场,故C错误;D、图中没有电池,是电磁感应现象实验,故D正确.故选:D.【分析】根据对电与磁几个重要实验装置图的认识来判断:(1)发电机原理图描述了线圈给外界的用电器供电;电动机原理图描述了电源给线圈供电;(2)电磁感应现象装置图没有电池;磁场对电流的作用装置图有电池.9.如图所示,一螺线管的右端放着一颗可自由转动的小磁针,闭合开关S前小磁针处于静止,闭合开关S后,小磁针的N极将()A. 向左偏转B. 向右偏转C. 仍然静止D. 无法判断【答案】 A【解析】【解答】解:从图可知,电流从螺线管的右端流入,左端流出,根据安培定则可知,螺线管左端是N 极,右端是S极;由于同名磁极相互排斥,异名磁极相互吸引,所以小磁针N极向左转动.故选A.【分析】首先由安培定则可以判断出螺线管的磁极,则由磁极间的相互作用可得出小磁针静止时的N、S极的指向.10.下列关于电和磁的说法正确的()A. 最早发现电流周围存在磁场的科学家是法拉第B. 磁体外部的磁感线总是从S极出发,回到N极C. 电动机是利用电磁感应现象制成的D. 发电机是利用电磁感应现象制成的【答案】D【解析】【解答】解:A、最早发现电流周围存在磁场的科学家是奥斯特,故A错误;B、磁体外部磁感线从N极出来回到S极,故B错误;C、电动机是根据通电线圈在磁场中受力转动原理制成,故C错误;D、发电机是根据电磁感应原理制成的,故D正确;故选D【分析】根据对电与磁的基础知识、结合电与磁重要试验的理解对下面的各个选项依次判断即可11.如图所示为科研人员研制的“发电鞋”,鞋的内部安装了磁铁和线圈,当人体带动磁铁运动时,磁铁产生的磁场通过线圈,从而产生感应电流。
人教版九年级下册物理电与磁(提升篇)(Word版含解析)一、三物理电与磁易错压轴题(难)1.根据古文《论衡•是应篇》中的记载:“司南之杓(用途),投之于地,其柢(握柄)指南”,学术界于1947年想象出司南的模样如图甲所示.(1)1952年,中国科学院物理研究所尝试将如乙图所示的天然磁石制作成司南,制作人员根据天然磁石的磁感线分布,将磁石的________(填乙中字母)处打磨成磁勺的A 端.(2)把天然磁石按照正确方法打磨成磁勺后,放在粗糙的木盘上,使磁勺水平转动直至最终静止,但磁勺A 端总不能正确指南,请提出改进本实验的措施________.(3)为达到理想的指向效果,制作人员将磁勺靠近一电磁铁,闭合开关S,磁勺和电磁铁相互吸引后如图丙所示,可增加磁勺的磁性,由此判断H为电源的________极.【答案】D将磁勺放在光滑的水平面上,使其能自由转动负【解析】【分析】(1)磁体静止时,指南的叫南极用字母S表示;指北的叫北极,用字母N表示;磁体周围的磁感线,都是从磁体的N极出发,回到S极;据此判断。
(2)磁勺要想指南北,必须能自由转动,不受外力的干扰,因此从减小外力干扰的角度来考虑;(3)磁极间的作用规律是:同名磁极相互排斥,异名磁极相互吸引;可用安培定则判断通电螺线管的两极极性和电源极性。
【详解】(1)磁勺在正确指南时,地理的南极正是地磁的N极,异名磁极相互吸引,因此,其A端为该磁体S极;乙图中,根据天然磁石的磁感线分布,可判断D端是S极,也就是磁勺的A端,故应将磁石的D处打磨成磁勺的A端;(2)把天然磁石打磨成的磁勺放在粗糙的木盘上,由于摩擦力较大,所以很难正确指示南北方向,正确的做法是将磁勺放在光滑的水平面上,使其能自由转动;(3)因为异名磁极相互吸引,则与磁勺柄所靠近的下端是通电螺线管的N极,用安培定则可判断通电螺线管中的电流方向,再根据电流方向是从电源正极出发通过螺线管回到负极,可判断H端为电源的负极。
九年级下册电与磁(提升篇)(Word版含解析)一、三物理电与磁易错压轴题(难)1.某学校课外科技兴趣小组在物理老师的指导下设计了一个实验装置如图所示,用来探究“影响电磁铁磁性强弱的因素”,它是由电源、滑动变阻器、开关、带铁芯的螺线管(线圈电阻忽略不计)和自制的针式刻度板组成,通过观察指针偏转角度的大小,来判断电磁铁磁性的强弱.用竹片削制的指针下方加装固定一物体E,导线a与接线柱2相连.制定计划与设计实验(1)为了使指针在受磁场力的作用在能绕O点转动,需在E处加装___________(选填“铜块”、“铝块”或“铁块”),加装物体后,为了确保指针能正确指示且具有一定的灵敏度,老师在O点转轴处涂抹润滑油,目的是___________,使指针转动更灵活.(2)按图所示连接好电路,闭合开关.调节变阻器滑片P到某一位置,记下此时指针偏转的角度,保持滑片P位置不变,导线a改为与接线柱1相连,可以探究电磁铁磁性强弱与___________的关系;保持接线方式不变,移动变阻器滑片P,可以探究电磁铁磁性强弱与___________的关系;进行实验与收集证据(3)保持滑片P位置不变,导线a改为与接线柱1相连时,闭合开关后,指针偏转的角度将会___________;当滑动变阻器的滑片P向左滑动时,指针偏转的角度将会___________(选填“增大”、“不变”或“减小”);评估交流(4)细心观察的小锋同学发现在实验过程中该自制装置的指针均向右偏转,只是偏转角度不同,该同学向老师提出能否让指针向左偏转,老师马上将一块小磁铁换装在如图的E 处,且让磁铁的右端为___________极,闭合开关后,同学们发现指针果然向左偏转.(6)你认为该装置中指针的偏转角度大小可能还与___________有关(写出一个即可).【答案】铁块减小摩擦线圈匝数电流大小增大减小 N 铁芯大小;通电螺线管(或电磁铁)与指针间的距离;指针质量(或重).【解析】(1)磁铁可以吸引铁块,不吸引铜、铝物质,故需要加装铁块;在O点转轴处涂抹润滑油可以使接触面变光滑,减小了摩擦;(2)①保持滑片P位置不变,也就是电流不变,导线a改为与接线柱1相连,增加了线圈匝数,因此可以探究电磁铁磁性强弱与线圈匝数的关系;②保持接线方式不变,也就是线圈匝数不变,移动变阻器滑片P,可以改变电流,因此可以探究电磁铁磁性强弱与电流大小的关系;(3)①保持滑片P位置不变,即电流不变,导线a改为与接线柱1相连时,线圈匝数增多闭合开关后,电磁铁磁性增强,指针偏转的角度将会增大;②当滑动变阻器的滑片P向左滑动时,接入电路电阻增大,电流减小,磁性减弱,所以指针偏转的角度将会减小;(4)由图中通电线圈电流流入方向,利用右手螺旋定则可以判断出通电线圈左端为N极,右端为S极,在E出放小磁铁让磁铁的右端为N极、左端为S极时,通电线圈右端S极与小磁铁左端为S极就会相互排斥,指针就会向左偏转;(5)该装置中指针的偏转角度大小要受磁力大小、竹片削制的指针质量、电磁铁距离指针的距离等因素影响,所以可以改变铁芯的大小来改变磁性,也可以改变竹片削制的指针质量,这样摆动起来更轻松.2.如图,在“磁场对通电直导线的作用”实验中,小明把一根轻质的铝棒AB用细线悬挂后置于蹄形磁体的磁场中(1)接通电源,铝棒AB向左运动,说明磁场对电流有的_____作用,_____(选填“电动机“或“发电机”)利用这一原理工作的.(2)若只将磁体的两极对调,接通电源,观察到铝棒AB向_____(选填“左”成“右”)运动,说明力的方向与_____方向有关.(3)小明猜想磁场对通电直导线作用力的大小可能与导线中电流大小有关,请在图中器材的基础上,添加一只器材,设计一个简单实验,探究这一猜想.添加器材:_____简要做法:_____【答案】力电动机右磁场滑动变阻器将滑动变阻器串联在电路中,改变滑片的位置,观察铝棒摆动的幅度【解析】(1)把一根轻质的铝棒作为直导线放在蹄形磁体的磁场里,接通电源,看到直导线向左运动,说明磁场对通电导线有力的作用;电动机就是利用该原理制成的;(2)只将磁体的两极对调,接通电源,导体的运动方向会改变,所以观察到直导线向右运动;说明力的方向与磁场的方向有关;(3)探究磁场中通电导线作用力大小与导线中电流的大小是否有关,可以在其他条件不变的情况下,添加一滑动变阻器来改变电路中的电流.其做法如下:在图所示的电路中串联一个滑动变阻器,移动变阻器的滑片,改变导线中电流的大小,观察通电导线摆动的幅度;以此判断磁场对通电导线作用力大小与导线中电流的大小是否有关.3.利用如图所示的实验装置探究电动机的工作原理,请你完成下列问题.(1)通电后图甲中ab段导线受磁场力的方向竖直向上,请在图丙中作出ab段导线所受到的磁场力F′的示意图;(_____)(2)当线圈转过图乙所示位置时,通过改变_____的办法使线圈靠磁场力的作用可以继续顺时针转动至少半周;(3)生产实际中,为使直流电动机的转子能持续不停地转动,在此结构的基础上主要是通过加装_____来实现的(填直流电动机的结构名称).【答案】电流方向换向器【解析】【分析】电动机的原理是:通电导线在磁场中受力的作用,其所受力的方向与电流的方向和磁场的方向有关,即只要改变一个量,其所受力的方向就会改变一次;直流电动机工作时,为了让线圈持续的转动下去,即是通过换向器在平衡位置及时的改变线圈中的电流的方向,即改变线圈所受力的反向,使线圈持续的转动下去.【详解】(1)由于电流从电源的正极出发,故此时图1中ab的电流方向是由a到b;在图丙中,由于电流的方向和磁场的方向均没有改变,故此时线圈所受力的方向仍不变,即力的方向仍是向上的,如图所示:(2)据图乙能看出,再向下转动,磁场力会阻碍线圈运动,故此时必须改变线圈中的受力方向,所以可以通过改变线圈中的电流方向使得线圈持续顺时针转动至少半圈;(3)直流电动机的线圈可以持续转动,是因为它加装了换向器,换向器能在线圈刚转过平衡位置时,自动改变线圈中的电流方向.4.根据古文《论衡•是应篇》中的记载:“司南之杓(用途),投之于地,其柢(握柄)指南”,学术界于1947年想象出司南的模样如图甲所示.(1)1952年,中国科学院物理研究所尝试将如乙图所示的天然磁石制作成司南,制作人员根据天然磁石的磁感线分布,将磁石的________(填乙中字母)处打磨成磁勺的A 端.(2)把天然磁石按照正确方法打磨成磁勺后,放在粗糙的木盘上,使磁勺水平转动直至最终静止,但磁勺A 端总不能正确指南,请提出改进本实验的措施________.(3)为达到理想的指向效果,制作人员将磁勺靠近一电磁铁,闭合开关S,磁勺和电磁铁相互吸引后如图丙所示,可增加磁勺的磁性,由此判断H为电源的________极.【答案】D将磁勺放在光滑的水平面上,使其能自由转动负【解析】【分析】(1)磁体静止时,指南的叫南极用字母S表示;指北的叫北极,用字母N表示;磁体周围的磁感线,都是从磁体的N极出发,回到S极;据此判断。
珠海市九中物理电与磁(提升篇)(Word版含解析)一、三物理电与磁易错压轴题(难)1.小谦在探究“磁体间相互作用规律”时发现:磁体间的距离不同,作用力大小也不同。
他想:磁体间作用力的大小与磁极间的距离有什么关系呢?(1)小谦用如图所示的实验进行探究。
由于磁体间作用力的大小不便测量,他通过观察细线与竖直方向的夹角 的变化,来判断磁体间力的变化,用到的科学方法是________法。
(2)小谦分析三次实验现象,得出结论:两磁铁磁极间的________,相互作用力越大,小月认为:这个结论还需要进一步实验论证,联想到磁体间的相互作用规律,还须研究甲、乙两块磁铁相互________时,磁体间作用力与距离的关系。
【答案】转化(或转换)距离越小排斥【解析】【分析】【详解】(1)[1]由题意可知,磁体间作用力越大,细线与竖直方向的夹角也越大,那么可以通过观察这个夹角的大小得知磁体间力的变化,用到的科学方法是转换法。
(2)[2]从三次实验可看到,夹角越大时,相互作用力越大,这时两磁铁磁极间的距离越小,可得出结论:两磁铁磁极间的距离越小,相互作用力越大。
[3]磁体间的相互作用规律有吸引也有排斥,所以还须研究甲、乙两块磁铁相互排斥时,磁体间作用力与距离的关系。
2.根据古文《论衡•是应篇》中的记载:“司南之杓(用途),投之于地,其柢(握柄)指南”,学术界于1947年想象出司南的模样如图甲所示.(1)1952年,中国科学院物理研究所尝试将如乙图所示的天然磁石制作成司南,制作人员根据天然磁石的磁感线分布,将磁石的________(填乙中字母)处打磨成磁勺的A 端.(2)把天然磁石按照正确方法打磨成磁勺后,放在粗糙的木盘上,使磁勺水平转动直至最终静止,但磁勺A 端总不能正确指南,请提出改进本实验的措施________.(3)为达到理想的指向效果,制作人员将磁勺靠近一电磁铁,闭合开关S,磁勺和电磁铁相互吸引后如图丙所示,可增加磁勺的磁性,由此判断H为电源的________极.【答案】D将磁勺放在光滑的水平面上,使其能自由转动负【解析】【分析】(1)磁体静止时,指南的叫南极用字母S表示;指北的叫北极,用字母N表示;磁体周围的磁感线,都是从磁体的N极出发,回到S极;据此判断。
(物理)初三物理电与磁提高训练含解析一、电与磁选择题1.下列关于磁现象说法中正确的是()A. 磁感线越密集的地方磁场越弱B. 发电机是利用电磁感应原理工作的C. 地磁场的N极在地球的北极附近D. 电磁铁磁性的强弱不能通过调节电流的大小来控制【答案】B【解析】【解答】解:A、磁场中的磁感线密集的地方说明该处磁场强,磁感线稀疏的地方磁场弱,故A错误;B、发电机即通过线圈在磁场中做切割磁感线的运动,此时电路中会产生电流,是电磁感应现象,故B正确;C、地磁N极在地理南极附近,地磁S极在地理北极附近.故C错误;D、电磁铁的磁性与线圈匝数和电流大小有关,所以电磁铁的磁性强弱可以通过改变电流大小来控制,故D错误.故选B.【分析】(1)在磁场中磁感线的疏密来表示磁场的强弱.(2)闭合电路的一部分导体在磁场中做切割磁感线运动时,会产生感应电流,这叫电磁感应现象,其前提条件是施加运动,结果是产生电流.(3)地球本身是一个巨大的磁体,地磁两极和地理两极不重合.(4)电磁铁的磁性强弱与电流大小、线圈匝数多少、有无铁芯有关.2.从物理学角度解释诗句,下列说法与物理知识相符的是()A. “潭清疑水浅”实际上是一种光的反射现象B. “看山恰似走来迎”中描述的“山”在“走”,是以山为参照物C. “花气袭人知骤暧”说明温度越高分子的无规则运动越剧烈D. “臣心一片磁针石,不指南方不肯休”,诗中磁针指向南方的一端是磁针的N极【答案】C【解析】【解答】解:A、“潭清疑水浅”是由于光的折射产生的一种现象,A不符合题意;B、以诗人乘坐的船为参照物,山与船之间的位置发生了变化,山是运动的,所以会感觉到“看山恰似走来迎”,B不符合题意;C、“花气袭人知骤暖”说明温度越高分子无规则运动越剧烈,C符合题意;D、地球本身是一个巨大的磁体,地磁北极在地理南极附近,地磁南极在地理北极附近,小磁针在地磁场的作用下,始终指向南北方向,其中,指南的一端磁针的南(S)极,D不符合题意。
新课标沪科版初中初三物理《电和磁》总结及精选试题(含答案)一•教学内容:电和磁总结基本要求:1.通过对具体知识点的复习,唤起同学们对所学的知识的回忆。
2.通过总结与复习,使同学们对所学知识形成知识体系。
3.通过具体的例题讲评,提高同学们利用知识来解决实际问题的能力。
重点内容:知识体系的形成、应用能力的提高。
难点内容:灵活应用所学知识来解决生活中的常见问题。
重点、难点解析一.简单的磁现象知识要点:1.知道什么是磁性、磁体和磁极。
2.知道磁体有吸铁性和指向性。
3.知道磁极间的相互作用规律。
4.知道磁化现象,知道软磁体和永磁体。
5.能判断物体有无磁性及磁体的极性。
重点知识解析:1.磁体具有吸引铁、钴、镍等物质的性质,我们称其为磁性。
磁体上磁性最强的部分叫磁极,磁体有两个磁极,即南极(S极)和北极(N极)。
磁体总有两极:自然界中的磁体总有N和S两个磁极。
如图1所示,一根条形磁铁断为三截以后,立即变成三根磁铁,每一段都有N、S极。
只有单个磁极的磁体在自然界里是不存在的。
[N 5图12.磁极间的相互作用规律:同名磁极相互排斥,异名磁极相互吸引。
我们可以通过磁体的吸铁(钴、镍)性、指向性和磁极间的相互作用规律来判断一个物体是否具有磁性。
3.判别磁极极性的方法:将小磁针靠近磁体,就能判别磁铁的极性。
如图2所示,由静止在磁体旁小磁针甲的指向,可以断定条形磁铁的A端是N极,B端是S极;同时也可以判定小磁针乙的左端是N极,右端是S极。
甲A BO乙4.磁化:使原来不具有磁性的物体获得磁性的过程。
.磁场和磁感线知识要点:1.知道磁体周围存在磁场,知道磁场的基本性质和磁场具有方向性。
2.知道可用磁感(应)线来形象地描述磁场。
3.会画条形磁体和蹄形磁体周围的磁感线的分布。
重点知识解析:1.磁场:磁体的周围存在着一种叫做磁场的物质,磁体间的相互作用就是通过它们各自的磁场而发生的。
磁场的基本性质是它对放入其中的磁体产生磁力的作用,我们常用小磁针是否受到磁力的作用来检验小磁针所在的空间是否存在磁场。
九年级物理电与磁提高训练含解析一、电与磁选择题1.如图所示,下列关于物理实验表述正确的是()A. 图甲实验揭示了电流的周围存在磁场。
应用电磁铁B. 图乙实验揭示了通电导体在磁场中受力运动。
应用发电机C. 图丙实验是电磁感应现象。
应用是电动机D. 图丁实验电源的左端是正极。
小磁针A端是S极【答案】 A【解析】【解答】A.该装置是奥斯特实验,是用来研究通电导线周围是否有磁场的实验装置,揭示了电流的周围存在磁场,应用为电磁铁;B.图乙实验揭示了通电导体在磁场中受力运动,应用是电动机;C.图丙实验是电磁感应现象,应用是发电机;D.由右手定则可知图丁实验电源的右端是正极,由同名磁极相互吸引,异名磁极相互排斥可知,小磁针A端是S极。
故答案为:A【分析】在电和磁这一部分中,学到了很多电学设备,每个设备的制成原理是经常考查的知识点,一般来说,有电磁铁的仪器是电流的磁效应原理,发电机和动圈式话筒是电磁感应现象原理,电动机和扬声器是通电导体在磁场中受力原理.2.如图所示,在探究通电螺线管外部的磁场分布的实验中,开关闭合后,下列说法正确的是()A. 小磁针甲静止时N极指向右端,小磁针乙静止时N极指向左端B. 小磁针甲静止时N极指向左端,小磁针乙静止时N极指向右端C. 小磁针甲和小磁针乙静止时N极均指向右端D. 小磁针甲和小磁针乙静止时N极均指向左端【答案】 B【解析】【解答】解:由电源的正负极可知,电流从螺线管的左后方流入,右前方流出,由右手螺旋定则可知,螺线管右端应为N极,左端为S极;因同名磁极相互排斥、异名磁极相互吸引,所以小磁针甲静止时N极指向左端,S极指向右,小磁针乙静止时N极指向右端,S极指向左,B符合题意,ACD不符合题意。
故答案为:B。
【分析】利用安培定则判断螺线管的磁极,再利用磁极间的相互作用判断小磁针的指向. 3.下列设备,利用电磁继电器工作的是()A. 水位自动报警器B. 动圈式话筒C. 电磁起重器D. 直流电铃【答案】 A【解析】【解答】解:A、如图,由容器、左侧电源和电磁铁组成的是控制电路,由有灯和右侧电源组成的是工作电路,这是一个电磁继电器用控制电路来控制工作电路的。
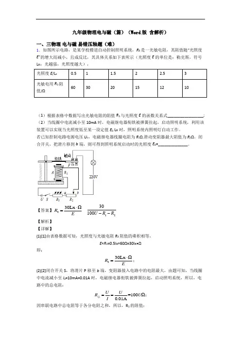
九年级物理电与磁(篇)(Word版含解析)一、三物理电与磁易错压轴题(难)1.如图所示电路,是某学校楼道自动控制照明系统,R3是一光敏电阻,其阻值随“光照度E“的增大而减小,且成反比,其具体关系如下表所示(光照度E的单位是:勒克斯,符号Lx:光越强,光照度越大),光照度E/L x0.51 1.52 2.53光敏电用R3阻值/Ω603020151210(1)根据表格中数据写出光敏电阻的阻值R3与光照度E的函数关系式_________________;(2)当线圈中电流减小至10mA时,电磁继电器衔铁被弹簧拉起,启动照明系统,利用该装置可以实现当光照度低至某一设定值E0 Lx时,照明系统内照明灯自动工作。
若已知控制电路电源电压U v,电磁继电器线圈电阻为R1Ω.滑动变阻器最大阻值为R2Ω。
闭合开关,把滑片移到b端,则可得到照明系统启动时的光照度E0=______________。
【答案】330LxΩRE⋅=1230100U R R--【解析】【详解】(1)[1]由表格数据可知,光照度与光敏电阻R3阻值的乘积相等,E×R3=0.5lx×60Ω=30lx•Ω即:330LxΩRE⋅=;(2)[2]闭合开关S,将滑片P移至b端,变阻器接入电路中的电阻最大,由题可知,当线圈中电流减小至I0=10mA=0.01A时,电磁继电器衔铁被弹簧拉起,启动照明系统,所以,电路中的总电阻:=100Ω0.01AU UR UI==总;因串联电路中总电阻等于各分电阻之和,所以,R3的阻值:R3=R 总-R 1-R 2=100U -R 1-R 2,根据第一步的结果可知:03123030=100E R U R R =-- 。
2.利用如图所示的实验装置探究电动机的工作原理,请你完成下列问题.(1)通电后图甲中ab 段导线受磁场力的方向竖直向上,请在图丙中作出ab 段导线所受到的磁场力F′的示意图;(_____)(2)当线圈转过图乙所示位置时,通过改变_____的办法使线圈靠磁场力的作用可以继续顺时针转动至少半周;(3)生产实际中,为使直流电动机的转子能持续不停地转动,在此结构的基础上主要是通过加装_____来实现的(填直流电动机的结构名称).【答案】 电流方向 换向器【解析】【分析】电动机的原理是:通电导线在磁场中受力的作用,其所受力的方向与电流的方向和磁场的方向有关,即只要改变一个量,其所受力的方向就会改变一次;直流电动机工作时,为了让线圈持续的转动下去,即是通过换向器在平衡位置及时的改变线圈中的电流的方向,即改变线圈所受力的反向,使线圈持续的转动下去.【详解】(1)由于电流从电源的正极出发,故此时图1中ab 的电流方向是由a 到b ;在图丙中,由于电流的方向和磁场的方向均没有改变,故此时线圈所受力的方向仍不变,即力的方向仍是向上的,如图所示:(2)据图乙能看出,再向下转动,磁场力会阻碍线圈运动,故此时必须改变线圈中的受力方向,所以可以通过改变线圈中的电流方向使得线圈持续顺时针转动至少半圈;(3)直流电动机的线圈可以持续转动,是因为它加装了换向器,换向器能在线圈刚转过平衡位置时,自动改变线圈中的电流方向.3.李明用天然磁石仿制图甲所示的勺状的指南针﹣﹣司南.(1)他用的材料是图乙所示的天然磁石,该磁石的D端为________(选填“北极”或“南极”).(2)他用该磁石的D端磨成勺柄,打磨成勺状指南针(即“司南”),再用细线将其悬挂,如图丙所示,司南静止时,勺柄指向地球的________(3)将该司南悬挂在电磁铁正上方,闭合开关S,司南静止时的指向如图丁所示,则电磁铁左端是_____(选填“北极”或“南极”)极,则电源M端是________(选填“正极”或“负极”).(4)为增强司南的磁性,可用图丁所示装置,通过________(填字母序号),来增强电磁铁对司南磁化的效果.A.改变电源的正负极 B.让司南垂直放置在AB中点的正上方 C.增加电源的电压.【答案】南极南极北极负极 C【解析】【分析】【详解】(1)人们规定磁场的方向由北极出发到南极,由图可知,在磁体外部磁感线由B端到D 端,因此,磁石的D端为该磁体S极,即南极;(2)地磁的北极在地理的南极附近,由于异名磁极相互吸引,因此,司南静止时,勺柄指向地球的南极;(3)因为异名磁极相互吸引,所以通电螺线管的左端是N极;再用安培定则,右手大母指向左握住螺线管,可判断通电螺线管中的电流方向为:右端电流向上,左端向下;再根据电流方向是从电源正极出发通过用电器回到负极,所以电源左端,即M端为电源的负极;(4)为了增强司南的磁化效果,可以增加电源电压,使线圈中电流增大,则线圈磁性增强,磁化效果更好.故选C.【点睛】牢记磁场方向的规定,即磁体周围的磁感线,都是从磁体的N极出发,回到S极;磁极间的作用规律是:同名磁极相互排斥,异名磁极相互吸引,再结合安培定则判断电源的正负极4.某次旅游,密闭大巴内坐满了游客,司机忘了打开换气设备,时间一久,车内二氧化碳浓度上升,令人头晕脑胀.为此,小明设计了车载自动换气设备(一)小明找来二氧化碳气敏电阻R x,其电阻值与空气中二氧化碳浓度关系如表格所示,其中二氧化碳浓度为0时,R x阻值模糊不清,他对该电阻阻值进行测量氧气浓度/%0510********R x/Ω28221713108小明把空气通过氢氧化钠溶液,得到二氧化碳浓度为0的空气,并收集于集气瓶中,再将R x置于其中(1)图甲电源电压恒为6V,请以笔画导线完成电路图剩余部分的连接.要求,滑片P向B 端移动时,电压表、电流表的示数都变大.(___)(2)开关S闭合前,滑片P应移至_____(选填“A”或“B”)端.(3)闭合开关S,发现电流表无示数,电压表有示数.电路某一故障可能为_____.A、S断路B、R'断路C、R x短路D、R x断路(4)排除故障后,移动滑片P,电压表、电流表示数如图乙所示,二氧化碳为0时,R x的阻值为_____Ω(5)请在丙图中画出R x阻值与空气中二氧化碳浓度的关系图象.(___)(二)小明利用电磁继电器设计车载自动换气设备,如图丁所示,控制电路,恒为6V的蓄电池,开关S,定值电阻R0,二氧化碳气敏电阻R x,电磁继电器的线圈电阻不计,线圈电流大0.1A时衔铁被吸下,线圈电流小于0.1A衔铁被弹回,受控电路包括,恒为24V的蓄电池,额定电压均为24V的绿灯、红灯、换气扇.(6)请以笔画线完成电路连接,要求:闭合开关S,周围空气中二氧化碳浓度小于8%时,绿灯亮;大于8%时,红灯亮且换气扇正常工作.(___)(7)定值电阻R0的阻值应为_____Ω.【答案】A D3535【解析】【分析】(1)由图乙确定两表的量程,根据要求滑片P向B端移动时,电压表、电流表的示数变大确定变阻器的连接与电压表的连接;(2)为保护电路,开关S闭合前,滑片P应移至阻值最大处;(3)若电流表示数为0,说明电路可能断路;电压表有示数,说明电压表与电源连通,则与电压表并联的支路以外的电路是完好的,则与电压表并联的电阻断路了;(4)分别图中电压表大量程和电流表小量程读数,根据欧姆定律求电阻;(5)根据描点作图;(6)将控制电路串联起来;根据电流大于0.1A,电磁铁将衔铁吸下,红灯亮且换气扇正常工作,同时绿灯断开不亮;当电流小于0.1A,绿灯亮:故红灯亮与换气扇并联,根据衔铁吸下时与下触点接触,电流小于0.1A时与上触点接触,按要求连接工作电路;(7)由图2可知,当周围空气中二氧化碳浓度为8%时,气敏电阻大小为R′X=25欧姆,根据欧姆定律和电阻的串联求出定值电阻的大小.【详解】(1)用伏安法测电阻大小,电流表要串联在电路中,由图乙可知,电压表选用大量程,电流表选用小量程,因要求滑片P向B端移动时,电流表的示数变大,则电路中的电阻变小,即滑动变阻器连入电路中的电阻变小,故滑片以右电阻丝连入电路中,根据欧姆定律的变形公式U=IR,待测电阻的电压变大,由串联电路的电压规律,电压表示数变小,故电压表并联在待测电阻的两端,如下图1所示:(2)开关S闭合前,滑片P应移至阴性阻值最大处,即A端;(3)闭合开关S,发现电流表无示数,电压表有示数.电路某一故障可能为R x断路,选D;(4)图中电压表选用大量程,分度值为0.5V,示数为为3.5V;电流表选用小量程,分度值为0.02A,示数为0.1A,由欧姆定律,待测电阻:R X=3.5=350.1U VI A=Ω;(5)由表中数据,在坐标系中确定对应的点,用平滑的曲线连接起来,如下图2所示所示:(6)闭合开关S,因周围空气中二氧化碳浓度越大,气敏电阻越小,当大于8%时,电阻小于某一值,电流大于0.1A,电磁铁将衔铁吸下,红灯亮且换气扇正常工作,同时绿灯断开不亮;当周围空气中二氧化碳浓度小于8%时,电阻大于某一值,电流小于0.1A,绿灯亮;将控制电路与电源串联起来;电流小于0.1A时,上触点与衔铁接触,绿灯与电源连接,绿灯亮;电流流大于电0.1A时,磁铁将衔铁吸下,下触点与衔铁接触,上触点与衔铁分离,红灯与换气扇并联,红灯亮且换气扇正常工作,绿灯断路;电路连接如下所示:(7)由图2可知,当周围空气中二氧化碳浓度为8%时,气敏电阻大小为R′X=25欧姆,电路中电流I=0.1A,根据欧姆定律和电阻的串联规律,R0=UI﹣R′X=60.1VA﹣25Ω=35Ω;【点睛】本题考查测电阻的电路连接、注意事项、故障分析、电表读数、电阻计算,同时也考查了电磁继电器的运用及电路的连接,并汲及运用图象解决问题的思想,综合性强,难度较大.5.在“探究影响电磁铁磁性强弱的因素”的实验中,小明制成简易电磁铁甲、乙,并设计了如图所示的电路。
第一节磁现象磁场1、磁现象:磁性:物体能够吸引钢铁、钴、镍一类物质(吸铁性)的性质叫磁性。
磁体:具有磁性的物体,叫做磁体。
磁体具有吸铁性和指向性。
磁体的分类:①形状:条形磁体、蹄形磁体、针形磁体;②来源:天然磁体(磁铁矿石)、人造磁体;③保持磁性的时间长短:硬磁体(永磁体)、软磁体。
磁极:磁体上磁性最强的部分叫磁极。
磁极在磁体的两端。
磁体两端的磁性最强,中间的磁性最弱。
磁体的指向性:可以在水平面内自由转动的条形磁体或磁针,静止后总是一个磁极指南(叫南极,用S表示),另一个磁极指北(叫北极,用N表示)。
无论磁体被摔碎成几块,每一块都有两个磁极。
磁极间的相互作用:同名磁极互相排斥,异名磁极互相吸引。
(若两个物体互相吸引,则有两种可能:①一个物体有磁性,另一个物体无磁性,但含有钢铁、钴、镍一类物质;②两个物体都有磁性,且异名磁极相对。
)磁化:一些物体在磁体或电流的作用下会获得磁性,这种现象叫做磁化。
钢和软铁都能被磁化:软铁被磁化后,磁性很容易消失,称为软磁性材料;钢被磁化后,磁性能长期保持,称为硬磁性材料。
所以钢是制造永磁体的好材料。
2、磁场:磁场:磁体周围的空间存在着磁场。
磁场的基本性质:磁场对放入其中的磁体产生磁力的作用。
磁体间的相互作用就是通过磁场而发生的。
磁场的方向:把小磁针静止时北极所指的方向定为那点磁场的方向。
磁场中的不同位置,一般说磁场方向不同。
磁感线:在磁场中画一些有方向的曲线,任何一点的曲线方向都跟放在该店的磁针北极所指的方向一致。
这样的曲线叫做磁感线。
对磁感线的认识:①磁感线是在磁场中的一些假想曲线,本身并不存在,作图时用虚线表示;②在磁体外部,磁感线都是从磁体的N极出发,回到S极。
在磁体内部正好相反。
③磁感线的疏密可以反应磁场的强弱,磁性越强的地方,磁感线越密,磁性越弱的地方,磁感线越稀;④磁感线在空间内不可能相交。
典型的磁感线:3、地磁场:地磁场:地球本身是一个巨大的磁体,在地球周围的空间存在着磁场,叫做地磁场。
九年级物理电与磁(篇)(Word版含解析)一、三物理电与磁易错压轴题(难)1.如图所示是课本上“通电导线在磁场中受力”的实验示意图。
小谦同学实际探究时,在下表记录了实验情况。
实验序号磁场方向ab中电流方向ab运动方向1向下无电流静止不动2向下由a向b向左运动3向上由a向b向右运动4向下由b向a向右运动(1)比较实验2和3,说明通电导线在磁场中受力方向与________有关;比较实验__________和____________,说明通电导线在磁场中受力方向与电流方向有关。
(2)小谦通过观察导线运动方向,来判断导线在磁场中受力方向,用到的物理学方法是____________(选填下列选项对应的符号)。
A.类比法 B.控制变量法 C.转换法(3)小谦想在这个实验的基础上进行改造,来探究“哪些因素影响感应电流的方向”。
为了观察到明显的实验现象,他应把图中的电源换成很灵敏的___________(选填“电流表”或者“电压表”)。
【答案】磁场方向24C电流表【解析】【详解】(1)比较实验2和3,电流方相相同,磁场方向不同,导体运动的方向不同,说明通电导线在磁场中受力方向与磁场方向有关;比较实验2、4,磁场方向相同,电流方向不同,导体运动方向不同,说明通电导线在磁场中受力方向与电流方向有关。
(2)实验中通过观察导线运动方向,来判断导线在磁场中受力方向,用到的科学方法是转换法;(3)探究影响感应电流方向的因素,为了观察到明显的实验现象,需要用灵敏电流表代替电源来显示产生感应电流的方向。
2.李明用天然磁石仿制图甲所示的勺状的指南针﹣﹣司南.(1)他用的材料是图乙所示的天然磁石,该磁石的D端为________(选填“北极”或“南极”).(2)他用该磁石的D端磨成勺柄,打磨成勺状指南针(即“司南”),再用细线将其悬挂,如图丙所示,司南静止时,勺柄指向地球的________(3)将该司南悬挂在电磁铁正上方,闭合开关S,司南静止时的指向如图丁所示,则电磁铁左端是_____(选填“北极”或“南极”)极,则电源M端是________(选填“正极”或“负极”).(4)为增强司南的磁性,可用图丁所示装置,通过________(填字母序号),来增强电磁铁对司南磁化的效果.A.改变电源的正负极 B.让司南垂直放置在AB中点的正上方 C.增加电源的电压.【答案】南极南极北极负极 C【解析】【分析】【详解】(1)人们规定磁场的方向由北极出发到南极,由图可知,在磁体外部磁感线由B端到D 端,因此,磁石的D端为该磁体S极,即南极;(2)地磁的北极在地理的南极附近,由于异名磁极相互吸引,因此,司南静止时,勺柄指向地球的南极;(3)因为异名磁极相互吸引,所以通电螺线管的左端是N极;再用安培定则,右手大母指向左握住螺线管,可判断通电螺线管中的电流方向为:右端电流向上,左端向下;再根据电流方向是从电源正极出发通过用电器回到负极,所以电源左端,即M端为电源的负极;(4)为了增强司南的磁化效果,可以增加电源电压,使线圈中电流增大,则线圈磁性增强,磁化效果更好.故选C.【点睛】牢记磁场方向的规定,即磁体周围的磁感线,都是从磁体的N极出发,回到S极;磁极间的作用规律是:同名磁极相互排斥,异名磁极相互吸引,再结合安培定则判断电源的正负极3.小丽利用如图所示的装置,“探究通电导体在磁场中受力方向与什么因素有关”,当小丽闭合开关S0时,观察到导体AB在磁场中受力的作用向右运动.断开开关S0,然后小丽只将磁铁N、S极对调位置,闭合开关S0时,观察到导体AB在磁场中受力的作用向左运动.通过上述实验,小丽得出实验结论:“通电导体在磁场中受力方向只与磁场方向有关”,请你选用图中所示电路中的元件,设计一个实验证明小丽的观点是错误的.请你简述实验步骤和实验现象.【答案】闭合开关S0时,观察到导体AB在磁场中受力的作用向右运动;断开开关S0,保持磁铁N、S极位置不变,改变电流的方向,闭合开关S0时,观察到导体AB在磁场中受力的作用向左运动;通过上述实验,实验证明小丽的观点是错误的.【解析】试题分析:本题考查影响通电导体在磁场中受力方向与什么因素有关,以及控制变量法的应用.闭合开关S0时,观察到导体AB在磁场中受力的作用向右运动;断开开关S0,保持磁铁N、S极位置不变,改变电流的方向,闭合开关S0时,观察到导体AB在磁场中受力的作用向左运动;通过上述实验,实验证明小丽的观点是错误的.考点:探究通电导体在磁场中受力方向与什么因素有关4.在物理学中,磁感应强度(用字母B表示,国际单位是特斯拉,符号是T)表示磁场的强弱,磁感应强度B越大,磁场越强;磁感线形象、直观描述磁场,磁感线越密,磁场越强。
九年级下册电与磁(提升篇)(Word版含解析)一、三物理电与磁易错压轴题(难)1.两个电磁铁A和B都用粗细相同的漆包线绕制而成,其外形及所用的铁芯都相同,但线圈面数不同(外观上看不出)要比较哪个电磁铁的线匝数多,小明用相同的恒压电源、滑动变阻器、导线、开关,并提供足够多的大头针,连接电路进行了图两个实验。
(1)关于小明的实验:①磁性较强的电磁铁是______ (选填“A”或“B”)。
依据是_____ ;②该实验,无法比较哪个电磁铁的线圆匝数更多,原因是______;(2)利用上述器材设计实验,要求能比较哪个电磁铁的线圈匝数更多(可增加一个器材,或不增加器材):①步骤(可用文字或画图表述)______;②结论分析:______。
【答案】A 吸引大头针的数量较多不能确保流过两个电磁铁的电流相同见解析吸引大头针数量较多的电磁铁,线圈匝数较多【解析】【分析】【详解】(1)[1][2]由图可知电磁铁A吸引的的大头针数量比电磁铁B多,可判断电磁铁A的磁性较强。
[3]影响电磁铁磁性强弱的因素有线圈匝数、电流大小,该实验中无法通过电磁铁磁性强弱来判断谁的线圈匝数多,谁的少,原因在于无法确保流过两个电磁铁的电流相同。
(2)[4]步骤:将电磁铁A、B串联在一个电路中,通过它们的电流相等,是电磁铁A、B上的线圈匝数不同。
[5]结论分析:在电磁铁通过电流相同时,线圈匝数较多的电磁铁,吸引大头针数量较多;线圈匝数较少的吸引大头针数量较少;可判断:吸引大头针数量较多的电磁铁,线圈匝数较多。
2.如图是小明探究“影响电磁铁磁性强弱因素”的装置图(A为指针下方固定的铁块;线圈电阻忽略不计)。
小明通过观察指针B偏转角度的大小来判断电磁铁磁性的强弱。
开始时导线a与接线柱1相连,闭合开关,指针B绕固定点O点发生偏转。
(1)实验前,应将导线b与滑动变阻器的__________(选填“c”或“d”)接线柱连接。
(2)闭合开关,电磁铁的左端为__________极;使滑片P向左移动时,指针的偏转角度变大,说明电磁铁磁性强弱与__________有关。
第二十章电与磁单元讲、析与提高(解析版)对本章知识点进行提炼、总结和详解★知识点一:磁现象与磁场(一)磁现象1.磁性:磁铁能吸引铁、钴、镍等物质,磁铁的这种性质叫做磁性。
2.磁体:具有磁性的物质叫磁体。
3.磁极:磁体上磁性最强的部分(任一个磁体都有两个磁极且是不可分割的)。
(1)两个磁极:南极(S):指南的磁极叫南极;北极(N):指北的磁极叫北极。
(2)磁极间的相互作用:同名磁极互相排斥,异名磁极互相吸引。
4.磁化:使原来没有磁性的物体获得磁性的过程。
(二)磁场1.磁场(1)概念:在磁体周围存在的一种物质,能使小磁针偏转,这种物质看不见,摸不到,我们把它叫做磁场。
(2)基本性质:磁场对放入磁场中的磁体产生磁力的作用。
(3)磁场的方向规定:在磁场中的任意一点,小磁针静止时,小磁针N极所指的方向就是那点的磁场方向。
注意:在磁场中的任意一个位置的磁场方向只有一个。
2.磁感应线(磁感线)(1)概念:为了形象地描述磁场,在物理学中,用一些有方向的曲线把磁场的分布情况描述下来,这些曲线就是磁感线。
(2)方向:为了让磁感线能反映磁场的方向,我们把磁感线上都标有方向,并且磁感线的方向就是磁场方向。
(3)特点:①磁体外部的磁感线从N极出发回到S极,在磁体内部从S极出发回到N极;②磁感线是有方向的,磁感线上任何一点的切线方向与该点的磁场方向一致;③磁感线的分布疏密可以反映磁场磁性的强弱,越密越强,反之越弱;④磁感线是空间立体分布,是一些闭合曲线,在空间不能断裂,任意两条磁感线不能相交;⑤磁感线是为了描述磁场而假想出来的,实际上不存在。
3.地磁场(1)概念:地球周围存在着磁场叫做地磁场;(2)磁场的N极在地理的南极附近,磁场的S 极在地理的北极附近;(3)磁偏角:首先由我国宋代的沈括发现的。
★知识点二:电生磁1.电流的磁效应:如图(1)。
(1)1820年,丹麦的科学家奥斯特第一个发现电与磁之间的联系;(2)由甲、乙可知:通电导体周围存在磁场;(3)由甲、丙可知:通电导体的磁场方向跟电流方向有关。
九年级电与磁(提升篇)(Word版含解析)一、三物理电与磁易错压轴题(难)1.两个电磁铁A和B都用粗细相同的漆包线绕制而成,其外形及所用的铁芯都相同,但线圈面数不同(外观上看不出)要比较哪个电磁铁的线匝数多,小明用相同的恒压电源、滑动变阻器、导线、开关,并提供足够多的大头针,连接电路进行了图两个实验。
(1)关于小明的实验:①磁性较强的电磁铁是______ (选填“A”或“B”)。
依据是_____ ;②该实验,无法比较哪个电磁铁的线圆匝数更多,原因是______;(2)利用上述器材设计实验,要求能比较哪个电磁铁的线圈匝数更多(可增加一个器材,或不增加器材):①步骤(可用文字或画图表述)______;②结论分析:______。
【答案】A 吸引大头针的数量较多不能确保流过两个电磁铁的电流相同见解析吸引大头针数量较多的电磁铁,线圈匝数较多【解析】【分析】【详解】(1)[1][2]由图可知电磁铁A吸引的的大头针数量比电磁铁B多,可判断电磁铁A的磁性较强。
[3]影响电磁铁磁性强弱的因素有线圈匝数、电流大小,该实验中无法通过电磁铁磁性强弱来判断谁的线圈匝数多,谁的少,原因在于无法确保流过两个电磁铁的电流相同。
(2)[4]步骤:将电磁铁A、B串联在一个电路中,通过它们的电流相等,是电磁铁A、B上的线圈匝数不同。
[5]结论分析:在电磁铁通过电流相同时,线圈匝数较多的电磁铁,吸引大头针数量较多;线圈匝数较少的吸引大头针数量较少;可判断:吸引大头针数量较多的电磁铁,线圈匝数较多。
2.某学校课外科技兴趣小组在物理老师的指导下设计了一个实验装置如图所示,用来探究“影响电磁铁磁性强弱的因素”,它是由电源、滑动变阻器、开关、带铁芯的螺线管(线圈电阻忽略不计)和自制的针式刻度板组成,通过观察指针偏转角度的大小,来判断电磁铁磁性的强弱.用竹片削制的指针下方加装固定一物体E,导线a与接线柱2相连.制定计划与设计实验(1)为了使指针在受磁场力的作用在能绕O点转动,需在E处加装___________(选填“铜块”、“铝块”或“铁块”),加装物体后,为了确保指针能正确指示且具有一定的灵敏度,老师在O点转轴处涂抹润滑油,目的是___________,使指针转动更灵活.(2)按图所示连接好电路,闭合开关.调节变阻器滑片P到某一位置,记下此时指针偏转的角度,保持滑片P位置不变,导线a改为与接线柱1相连,可以探究电磁铁磁性强弱与___________的关系;保持接线方式不变,移动变阻器滑片P,可以探究电磁铁磁性强弱与___________的关系;进行实验与收集证据(3)保持滑片P位置不变,导线a改为与接线柱1相连时,闭合开关后,指针偏转的角度将会___________;当滑动变阻器的滑片P向左滑动时,指针偏转的角度将会___________(选填“增大”、“不变”或“减小”);评估交流(4)细心观察的小锋同学发现在实验过程中该自制装置的指针均向右偏转,只是偏转角度不同,该同学向老师提出能否让指针向左偏转,老师马上将一块小磁铁换装在如图的E 处,且让磁铁的右端为___________极,闭合开关后,同学们发现指针果然向左偏转.(6)你认为该装置中指针的偏转角度大小可能还与___________有关(写出一个即可).【答案】铁块减小摩擦线圈匝数电流大小增大减小 N 铁芯大小;通电螺线管(或电磁铁)与指针间的距离;指针质量(或重).【解析】(1)磁铁可以吸引铁块,不吸引铜、铝物质,故需要加装铁块;在O点转轴处涂抹润滑油可以使接触面变光滑,减小了摩擦;(2)①保持滑片P位置不变,也就是电流不变,导线a改为与接线柱1相连,增加了线圈匝数,因此可以探究电磁铁磁性强弱与线圈匝数的关系;②保持接线方式不变,也就是线圈匝数不变,移动变阻器滑片P,可以改变电流,因此可以探究电磁铁磁性强弱与电流大小的关系;(3)①保持滑片P位置不变,即电流不变,导线a改为与接线柱1相连时,线圈匝数增多闭合开关后,电磁铁磁性增强,指针偏转的角度将会增大;②当滑动变阻器的滑片P向左滑动时,接入电路电阻增大,电流减小,磁性减弱,所以指针偏转的角度将会减小;(4)由图中通电线圈电流流入方向,利用右手螺旋定则可以判断出通电线圈左端为N极,右端为S极,在E出放小磁铁让磁铁的右端为N极、左端为S极时,通电线圈右端S极与小磁铁左端为S极就会相互排斥,指针就会向左偏转;(5)该装置中指针的偏转角度大小要受磁力大小、竹片削制的指针质量、电磁铁距离指针的距离等因素影响,所以可以改变铁芯的大小来改变磁性,也可以改变竹片削制的指针质量,这样摆动起来更轻松. 3.在学习了电和磁的知识后,小杰在家里饶有兴趣地做起了小实验.他找了一枚缝衣针,在“吸铁石”上擦了几下,然后用一根细软的棉线将缝表针悬挂起来井保持水平,结果发现静止后针尖总是指向南方,这说明缝衣针已经磁化成了一枚小磁针。
为验证奥斯特实验,小杰把通电的台灯(60 W)导线移到缝衣针的下方,并靠近缝衣针平行放置,结果发现缝衣针并未发生偏转,带着疑问,小杰在科学课堂上与大家展开讨论。
结果出现了两种不同观点,这时,老师让小杰用两节干电池(3 V)和一段电阻丝(15 Ω)重新做这个实验.结果缝衣针发生了偏转。
(1)磁化后,这枚缝衣针的针尖是________极;(填“S ”或“N ”)(2)在课堂实验中,电阻丝中通过的电流大小为________安;(3)下面是同学们在课堂讨论中形成的两种观点,通过小杰的课堂实验可以否定的是______(填“A ”或“B ”)A .台灯线内有两根导线,且电流方向相反,产生的磁性相互抵消B .台灯线内电流太小,产生的磁场太弱,不足以让小磁针偏转【答案】S 0.2 B【解析】【分析】【详解】(1)[2]缝衣针被悬挂起之后针尖总是指向南方,根据人们对磁极的规定可知,针尖是南极,即S 极。
(2)[2]由欧姆定律公式可得,课堂实验中,电阻丝中通过的电流大小为3V ==0.2A 15ΩU I R =(3)[3]台灯导线中的电流为 60W =0.27A 220VP I U 台灯台灯台灯=≈ 可见电阻线中的电流与台灯导线中的电流大小相差不大,所以台灯线不能使缝衣针偏转不是由于电流太小引起的;其真正的原因应该是,台灯是交流电,并行的导线中瞬间的电流方向是相反的,因此产生的磁场相互抵消,不会使缝衣针发生偏转,故B 可以否定。
4.如图是“探究导体在磁场中运动时产生感应电流的条件”的实验装置.(1)闭合开关后,当导体ab 向左或向右运动时,电流表指针偏转,当导体ab 向上或向下运动时,电流表指针不偏转,说明闭合电路中的部分导体在磁场中做 运动时导体中会产生感应电流.(2)在此实验过程中,是能转化为能.(3)实验中发现,当导体ab向左运动时,电流表指针向右偏转,当导体ab向右运动时,电流表指针向左偏转,说明.(4)小明猜想“感应电流大小可能与导体运动速度大小有关”,他验证猜想的过程是:让导体在第一次实验中运动较慢,在第二次实验中运动,观察两次实验中的,然后进行分析与判断.【答案】(1)切割磁感线;(2)机械;电;(3)感应电流的方向跟导体运动方向有关;(4)较快;电流表的指针偏转情况.【解析】试题分析:(1)导体ab向上或向下运动时,没有切割磁感线,所以电流表不偏转,而左右运动时,切割磁感线,所以电流表偏转,则产生感应电流的条件是闭合电路中的部分导体在磁场中做切割磁感线的运动时导体中会产生感应电流;(2)在实验过程中,机械能转化成电能;(3)导体切割磁感线的方向不同,电流表指针的偏转方向不同,这说明感应电流方向与导体运动方向有关;(4)若探究感应电流的大小与导体运动速度的关系,要使导体一次运动较慢,一次运动较快,观察电流表指针偏转的角度是否相同.【考点定位】电磁感应5.如图所示是同学们安装的直流电动机模型.(1)在某次安装直流电动机模型活动中,小孙、小金、小星各自把安装好的电动机接入电路,闭合开关线圈均不转.若小孙用手轻轻一推转子,线圈就转动起来,则她的线圈不转的原因是_____________;若小金用手轻轻把电刷(铜片)弯曲一下,线圈就转动起来,则她的线圈不转的原因是______________;若小星在原磁体上加一块磁体,线圈就转动起来,则她的线圈不转的原因是________________.(2)线圈正常转动后,若把电源的两极对调一下,观察到线圈转动的________发生变化;若改变线圈中的电流大小,观察到线圈转动的________发生变化.(3)许多家用电器用到电动机,请你列举一种装有电动机的家用电器的名称:__________.【答案】线圈在平衡位置换向器与电刷接触不良(或摩擦过大)磁体磁性太弱方向速度电风扇(或洗衣机等)【解析】【分析】【详解】(1)闭合开关线圈均不转.小孙用手轻轻一推转子,线圈就转动起来,则她的线圈不转的原因是线圈在平衡位置,转动一个角度后,线圈两边受力不平衡,线圈会持续转动;小金用手轻轻把电刷(铜片)弯曲一下,线圈就转动起来,则她的线圈不转的原因是:换向器与电刷接触不良,无电流通过,也可能是摩擦过大,调整后摩擦力小了,线圈转动;若小星在原磁体上加一块磁体,线圈就转动起来,则她的线圈不转的原因是磁体磁性太弱.(2)直流电动机的转动方向与磁场方向和电流方向有关;线圈正常转动后,若把电源的两极对调一下,电流方向改变,所以观察到线圈转动的方向发生变化;若改变线圈中的电流大小,观察到线圈转动的速度发生变化.(3)许多家用电器用到电动机,日常家电中装有电动机的有:电风扇、洗衣机等.6.小明利用如图所示的实验装置探究“导体在磁场中运动时产生感应电流的条件”.(1)磁铁不动,闭合开关,导体棒沿________(选填“上下”或“左右”)方向运动时,电流表指针会发生偏转.(2)导体棒不动,闭合开关,磁铁上下运动,电流表指针______(选填“会”或“不会”)发生偏转.(3)断开开关,无论磁铁如何放置、导体棒怎样运动,电流表指针都不发生偏转.由此小明得出结论:闭合电路得一部分导体在磁场中做_________运动时,电路中就产生感应电流.(4)小明进一步猜想,感应电流的大小可能与导体运动速度和磁场强弱有关.为了探究感应电流的大小与磁场强弱是否有关,他应进行的操作是:__________.【答案】左右不会切割磁感线用磁性不同(大小不同)的两块磁铁,让导体棒分别以相同的速度向相同的方向运动,观察电流表指针偏转角度的大小【解析】分析:根据产生感应电流的条件分析即可以做出前三问;运用控制变量法设计实验解决第四问.解答:(1)磁铁不动,闭合开关,导体棒沿左右方向运动时能切割磁感线,电路中会产生感应电流,故电流表指针能发生偏转;(2)导体棒不动,闭合开关,磁铁上下运动,没有切割磁感线,电路中不会产生感应电流,故电流表指针不能发生偏转;(3)断开开关,无论磁铁如何放置、导体棒怎样运动,电流表指针都不发生偏转.因为电路没有闭合,由此小明得出结论:闭合电路得一部分导体在磁场中做切割磁感线运动时,电路中就产生感应电流.(4)小明进一步猜想,感应电流的大小可能与导体运动速度和磁场强弱有关.为了探究感应电流的大小与磁场强弱是否有关,应采用控制变量法,具体操作为:用磁性不同(大小不同)的两块磁铁,让导体棒分别以相同的速度向相同的方向运动,观察电流表指针偏转角度的大小;故答案为 (1). 左右 (2). 不会 (3). 切割磁感线 (4). 用磁性不同(大小不同)的两块磁铁,让导体棒分别以相同的速度向相同的方向运动,观察电流表指针偏转角度的大小;【点睛】本题重点是电磁感应现象的条件有两个,一为闭合回路、二为部分导体切割磁感线,两个缺一不可.7.为了探究导体在磁场中怎样运动才能在电路中产生电流,采用图中所示的实验装置进行实验:(1)将用细导线悬挂的导体放入蹄形磁体中,闭合开关,电流计指针不偏转,让导体在蹄形磁体中左右运动,电流计指针____偏转;断开开关,让导体在蹄形磁体中左右运动,电流计指针____偏转。