高频电路实验及Multisim仿真
- 格式:doc
- 大小:2.32 MB
- 文档页数:36
实验一 高频小信号放大器
一、 单调谐高频小信号放大器
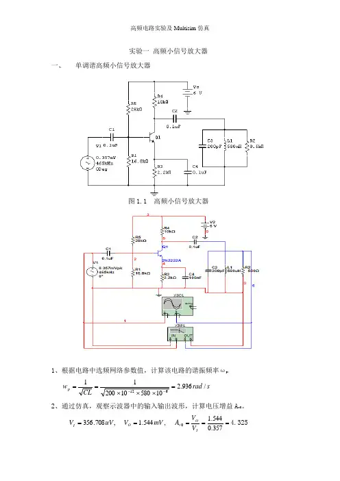
图1.1 高频小信号放大器
1、 根据电路中选频网络参数值,计算该电路的谐振频率ωp ;
s rad CL w p /936.210580102001
1
612=⨯⨯⨯==--
2、 通过仿真,观察示波器中的输入输出波形,计算电压增益A v0。
,708.356uV V I = ,544.1mV V O = ===
357
.0544.10I O v V V A 4.325 输入波形:
输出波形:
3、 利用软件中的波特图仪观察通频带,并计算矩形系数。
4、改变信号源的频率(信号源幅值不变),通过示波器或着万用表测量输出电
压的有效值,计算出输出电压的振幅值,完成下列表,并汇出f~A v相应的图,根据图粗略计算出通频带。
感谢下载!
欢迎您的下载,资料仅供参考。
实验二 高频功率放大器一、高频功率放大器原理仿真,电路如图所示:(Q1选用元件Transistors 中的 BJT_NPN_VIRTUAL)图2.1 高频功率放大器原理图1、集电极电流ic(1)设输入信号的振幅为0.7V ,利用瞬态分析对高频功率放大器进行分析设置。
要设置起始时间与终止时间,和输出变量。
(2)将输入信号的振幅修改为1V ,用同样的设置,观察i c 的波形。
(提示:单击simulate 菜单中中analyses 选项下的transient analysis...命令,在弹出的对话框中设置。
在设置起始时间与终止时间不能过大,影响仿真速度。
例如设起始时间为0.03s ,终止时间设置为0.030005s 。
在output variables 页中设置输出节点变量时选择vv3#branch 即可)(3)根据原理图中的元件参数,计算负载中的选频网络的谐振频率ω0,以及该网络的品质因数Q L 。
根据各个电压值,计算此时的导通角θc 。
(提示根据余弦值查表得出)。
srad LCw /299.61012610200116120=⨯⨯⨯==-- =Cθ87.80378.0299.61263000=⨯==Lw R Q L2、线性输出(1)要求将输入信号V1的振幅调至1.414V。
注意:此时要改基极的反向偏置电压V2=1V,使功率管工作在临界状态。
同时为了提高选频能力,修改R1=30KΩ。
(2)正确连接示波器后,单击“仿真”按钮,观察输入与输出的波形;输入端波形:输出端波形:(3)读出输出电压的值并根据电路所给的参数值,计算输出功率P0,PD,ηC;输出电压:12V ;∑==RI V I P m c cm m c 21102121 0C cc D I V P = Dc P P 0=η二、 外部特性1、调谐特性,将负载选频网络中的电容C1修改为可变电容(400pF ),在电路中的输出端加一直流电流表。
当回路谐振时,记下电流表的读数,修改可变电容百分比,使回路处于失谐状态,通过示波器观察输出波形,并记下此时电流表的读数;谐振时,C=200pF ,此时电流为:-256.371输出波形为:将电容调为90%时,此时的电流为-256.389mA 。
高频电子线路仿真实验的设计与实现高频电子线路仿真实验是一种重要的实验教学方法,它可以模拟各种高频电子器件的工作原理及性能,为学生提供一个全面的电子学习平台。
本文将介绍一种高频电子线路仿真实验的设计与实现。
一、实验目的本实验旨在让学生了解高频电子线路的基本概念、设计原理和仿真技术,加深学生对高频电子学科的理解,提高学生的实验能力和模拟能力。
二、实验设计1. 实验任务(1). 进行微波信号的电路设计和仿真。
(2). 利用Multisim对一些特定高频电路进行仿真,如微波带通滤波器、微波失谐器等。
(3). 进行实验测量,得到一些实验数据,并将仿真结果与实验结果进行对比分析。
2. 实验步骤(1). 了解微波电路的基本概念和出现条件。
(2). 电路元器件参数的测量及仿真。
(3). 利用Multisim二次开发包,编写自定义元器件并应用到微波电路设计中。
(4). 进行仿真,并分析其电路性能。
(5). 实验中使用网络分析仪测量实验数据,并与仿真数据进行对比分析。
三、实验流程1. 获取微波元器件的参数,并进行仿真。
2. 熟悉Multisim的仿真工具,建立仿真电路。
3. 对仿真电路进行微调,观察仿真结果,进行分析。
4. 制作实验电路,并进行实验测量。
5. 将实验数据与仿真结果进行对比分析,找出差异并进行解释。
四、实验工具1. Multisim仿真软件2. 网络分析仪3. 各种微波器件,如微波传输线、微波滤波器、微波功率放大器等。
五、实验结果通过网络分析仪测量实验数据,并与Multisim的仿真数据进行对比,得到了一些实验结果。
通过对实验数据和仿真数据的分析,学生可以深入了解微波电路的性能和设计原理,增强实验能力和仿真能力。
六、实验结论本实验通过对微波电路设计和仿真的研究,让学生了解到微波电路的基本原理和工作条件,掌握了Multisim仿真软件的使用,并能够对电路性能进行仿真分析。
通过对实验数据和仿真数据进行对比分析,学生能够进一步加深对微波电路的理解,增强实验能力和模拟能力。
高频电子线路实验中Multisim 11软件的应用【摘要】在高频电子线路实验中引入Multisim仿真软件,将实验电路的调试方法进行仿真演示,使抽象的问题变成形象直观,取得了不错的教学效果。
【关键词】高频电子线路实验;Multisim;仿真高频电子线路实验是一门实践性很强的实验课,内容包括有小信号调谐放大器、LC振荡器、高频功率放大器、调幅检波、调频鉴频、无线收发等多个综合性设计性实验。
实验电路中的器件大部分是非线性器件,接收和发送过程中处理的均为高频信号,在实际操作过程中,由于分布参数和干扰等因素的影响,往往实际测量值和理论值相差很大,这就使得实验的分析和调试过程比其它实验更加复杂[1]。
为了使学生能够直观了解各个单元电路的工作情况及调试方法,在实验讲授过程中引入了Multisim仿真软件,对实验电路板中的各个电路进行仿真。
在讲解过程中根据调试要点修改一些元器件参数,实现动态仿真并观测到不同工作状态下的仿真结果。
这样可以让学生提前了解每次实验的实验结果,能够在自己动手实验时对实验结果的正确性进行判断,不仅可以提高学生的学习兴趣,而且提高了实验的效率。
1 Multisim 11软件介绍Multisim 11是一个专门用于电子线路设计和仿真的EDA工具软件,该软件具有丰富的元器件库,包括基本元件、集成电路等,而且大多采用了实际模型,能够确保设计和仿真结果的实用性与真实性。
它提供了信号源、数字示波器、万用表、频谱分析仪等虚拟仪器,虚拟仪器的外观和操作方法与实物基本相似,使用方便。
在电路分析功能方面,它可以完成直流工作点分析、交流分析、瞬态分析和频率分析等十几种电路分析方法。
Multisim11的界面直观,电路图的创建、仿真、分析和结果集成在一个窗口中,可以方便地进行电路的设计与仿真[2]。
2 应用实例在高频电子线路实验教学过程中,高频谐振功率放大器是重要的组成部分,对于初入门的学习者来说其实际电路是较难调试的电路之一。
基于Multisim的高频电子技术仿真分析及研究Multisim是一种基于计算机仿真的电路设计和分析工具,被广泛地应用于高频电子技术的仿真和分析。
通过Multisim,可以对各种不同的电路进行仿真分析,了解电路的工作原理和性能,以及对电路进行优化设计。
本文将从Multisim的基础功能、高频电子技术的仿真分析以及Multisim在高频电子技术研究中的应用等几个方面来探讨基于Multisim的高频电子技术仿真分析及研究。
Multisim的基础功能Multisim是一款强大的电路仿真软件,能够模拟各种不同类型的电路,并提供包括直流、交流、数字、模拟等多种电路元件和仪器。
Multisim的用户界面比较友好,支持拖拽布线、元件的增添与替换等等操作,使得用户可以快速地进行电路设计与仿真分析。
高频电子技术的仿真分析在高频电子技术方面,Multisim可以帮助用户进行各类电路的仿真和分析,如滤波器、放大器、功率放大器、射频电路等,通过进行相应的仿真模拟,便可以了解电路的工作原理,优化电路性能,以及寻找出现问题的原因,从而做出优化决策。
Multisim在高频电子技术研究中的应用Multisim在高频电子技术研究中的应用非常广泛,几乎涵盖了电子技术领域的各个方面。
例如,射频电路器件的参数测试、高频数字信号处理技术的设计与仿真、液晶显示技术的研究、通信技术的模拟等等。
通过利用Multisim进行仿真分析,研究人员可以更快速地进行实验与分析,有助于掌握新兴技术并对其进行深入研究。
总结基于Multisim的高频电子技术仿真分析及研究在现实应用中得到了广泛的应用,为现代通信技术的研究与发展提供了有力的技术支持。
Multisim的强大功能以及友好的用户界面,使得它成为高频电子技术领域仿真分析的首选工具之一。
实验一 高频小信号放大器一、单调谐高频小信号放大器图1.1 高频小信号放大器1、根据电路中选频网络参数值,计算该电路的谐振频率ωp ;s rad CLw p /936.2105801020011612=⨯⨯⨯==--2、通过仿真,观察示波器中的输入输出波形,计算电压增益A v0。
,708.356uV V I = ,544.1mV V O = ===357.0544.10I O v V V A 4.325输入波形:输出波形:3、利用软件中的波特图仪观察通频带,并计算矩形系数。
4、改变信号源的频率(信号源幅值不变),通过示波器或着万用表测量输出电相应的图,压的有效值,计算出输出电压的振幅值,完成下列表,并汇出f~Av5、在电路的输入端加入谐振频率的2、4、6次谐波,通过示波器观察图形,体会该电路的选频作用。
二、下图为双调谐高频小信号放大器图1.2 双调谐高频小信号放大器1、通过示波器观察输入输出波形,并计算出电压增益Av0 输入端波形:输出端波形:V1=19.512mV V0=200.912mV Av0=V0/V1=10.197 2、利用软件中的波特图仪观察通频带,并计算矩形系数。
实验二高频功率放大器一、高频功率放大器原理仿真,电路如图所示:(Q1选用元件Transistors中的 BJT_NPN_VIRTUAL)图2.1 高频功率放大器原理图1、集电极电流ic(1)设输入信号的振幅为0.7V,利用瞬态分析对高频功率放大器进行分析设置。
要设置起始时间与终止时间,和输出变量。
(2)将输入信号的振幅修改为1V,用同样的设置,观察i的波形。
c (提示:单击simulate菜单中中analyses选项下的transient analysis...命令,在弹出的对话框中设置。
在设置起始时间与终止时间不能过大,影响仿真速度。
例如设起始时间为0.03s,终止时间设置为0.030005s。
在output variables页中设置输出节点变量时选择vv3#branch即可)(3)根据原理图中的元件参数,计算负载中的选频网络的谐振频率ω0,以及该网络的品质因数Q L 。
基于Multisim10的高频电路仿真研究高敏【摘要】Multisim10是专门用于电子电路仿真和设计的电子自动化软件,利用Multisim10软件构建了高频常用电路---调幅和检波电路,利用虚拟元器件和虚拟仪器仪表对电路进行了仿真和分析,仿真结果既验证了理论分析结果,又形象直观地呈现出了输入、输出波形,加深了学生对知识的理解,提高了课堂教学效果,调动了学生的学习积极性,激发了学生的学习兴趣,提高了学生的实际动手能力以及分析问题和解决问题的能力。
该方法相比于传统的实验教学更加迅速和方便。
%Multisim10 is an electronic automation software to simulate and design electronic circuit,the paper construc-ted commonly used in high-frequency circuit-amplitude modulation and demodulation circuit,by using Multisim10,the use of virtual components and virtual instrument to carry on the simulation analysis of circuit were finished,which verified the results of theoretical analysis,and the visual image of the show to enhance the students knowledge and understanding,im-prove the effects of classroom teaching,and stimulate students interest in learning,mobilized the enthusiasm of students, improved students'practical ability,the ability to analyze and solve problems.It is more rapid and convenient compared with the traditional experiment teaching.【期刊名称】《新技术新工艺》【年(卷),期】2014(000)009【总页数】3页(P97-99)【关键词】Multisim1 0;调幅;检波;仿真【作者】高敏【作者单位】陕西国防工业职业技术学院电子信息学院,陕西西安 710300【正文语种】中文【中图分类】TN710Multisim是加拿大IIT(interactive image technologies)公司在EWB基础上推出的专门用于电路仿真和设计的电子自动化软件。
高频电子线路课程设计题目:基于Multisim的高频电子线路设计与仿真中文摘要本接收系统,以模拟乘法器为核心,接收部分由本机振荡,混频电路,晶体振荡电路,小信号放大,鉴频电路等模块组成。
在设计过程中,采用模块化的设计方法,并使用了EDA 工具软件,在计算机屏幕上模仿真实实验室的工作台,绘制电路图需要的元器件、电路仿真需要的测试仪器均可直接从屏幕上选取,提高了设计效率。
方案的优点是电路简单、器件易得、大大提高了电路的可行性。
关键词: 调频接收机;鉴频电路;仿真目录第一章概述 (1)第二章窄带调频接收机原理介绍 (2)2.1 接收系统原理框图 (2)2.2 高频小信号放大电路 (3)2.3 混频电路 (3)2.4 晶体振荡器电路 (4)2.5 鉴频电路 (4)第三章设计要求 (5)3.1 目的及意义 (5)3.2主要技术指标和要求 (6)3.3 内容和要求 (6)第四章开发平台简介 (8)第五章详细设计及仿真 (10)5.1 高频小信号放大器电路设计及仿真 (10)5.2 混频电路设计及仿真 (11)5.3 晶体振荡电路设计及仿真 (12)5.4 鉴频电路设计及仿真 (12)总结 (16)参考文献 (17)第一章概述随着社会经济的迅速发展和科学技术的全面进步,计算机事业的飞速发展,以计算机与通信技术为基础的信息系统正处于蓬勃发展的时期。
随着经济文化水平的显著提高,人们对生活质量及工作软件的要求也越来越高。
在当今电子设计领域,EDA设计和仿真是一个十分重要的设计环节。
在众多的EDA设计和仿真软件中,EWB软件以其强大的仿真设计应用功能,在各高校电信类专业电子电路的仿真和设计中得到了较广泛的应用。
EWB软件及其相关库包的应用对提高学生的仿真设计能力,更新设计理念有较大的好处。
EWB(电子工作平台)软件,最突出的特点是用户界面友好,各类器件和集成芯片丰富,尤其是其直观的虚拟仪表是EWB软件的一大特色。
它采用直观的图形界面创建电路:在计算机屏幕上模仿真实实验室的工作台,绘制电路图需要的元器件、电路仿真需要的测试仪器均可直接从屏幕上选取。
*******************实践教学*******************兰州理工大学计算机与通信学院2009年秋季学期高频电子线路课程设计题目:基于Multisim的高频电子线路设计与仿真专业班级:姓名:学号:指导教师:成绩:中文摘要本接收系统,以模拟乘法器为核心,接收部分由本机振荡,混频电路,晶体振荡电路,小信号放大,鉴频电路等模块组成。
在设计过程中,采用模块化的设计方法,并使用了EDA 工具软件,在计算机屏幕上模仿真实实验室的工作台,绘制电路图需要的元器件、电路仿真需要的测试仪器均可直接从屏幕上选取,提高了设计效率。
方案的优点是电路简单、器件易得、大大提高了电路的可行性。
关键词: 调频接收机;鉴频电路;仿真目录第一章概述 (1)第二章窄带调频接收机原理介绍 (2)2.1 接收系统原理框图 (2)2.2 高频小信号放大电路 (3)2.3 混频电路 (3)2.4 晶体振荡器电路 (4)2.5 鉴频电路 (4)第三章设计要求 (5)3.1 目的及意义 (5)3.2主要技术指标和要求 (6)3.3 内容和要求 (6)第四章开发平台简介 (8)第五章详细设计及仿真 (10)5.1 高频小信号放大器电路设计及仿真 (10)5.2 混频电路设计及仿真 (11)5.3 晶体振荡电路设计及仿真 (12)5.4 鉴频电路设计及仿真 (12)总结 (16)参考文献 (17)第一章概述随着社会经济的迅速发展和科学技术的全面进步,计算机事业的飞速发展,以计算机与通信技术为基础的信息系统正处于蓬勃发展的时期。
随着经济文化水平的显著提高,人们对生活质量及工作软件的要求也越来越高。
在当今电子设计领域,EDA设计和仿真是一个十分重要的设计环节。
在众多的EDA设计和仿真软件中,EWB软件以其强大的仿真设计应用功能,在各高校电信类专业电子电路的仿真和设计中得到了较广泛的应用。
EWB软件及其相关库包的应用对提高学生的仿真设计能力,更新设计理念有较大的好处。
实验一高频电路仿真实验
一、实验目的
(1)学习Multisim 8仿真软件的使用方法。
(2)学习Multisim 8中虚拟仪器的使用方法。
(3)理解LC并联谐振回路的基本特征。
二、实验内容及要求
1.创建实验电路
在电路窗口中新建如图4.5.5所示的电路。
图4.5.1
2.谐振回路的调谐
估算谐振频率为f0=1.59Mhz
调节信号发生器,使谐振频率为f0=1.59Mhz,U spp=2V。
在表4.5.1记录下谐振频率f0和输出的峰-峰值U opp。
3.幅频特性的测量
f L0.1到f H0.1
4,幅频特性曲线和相频特性曲线的观测
从波特图仪上分析LC谐振回路的宽带和矩形系数
5.仿真实验小结
(1)根据小4.5.1做出幅频特性曲线,并用波特图仪观察到的幅频特性作比较。
(2)综述LC谐振回路在高频电子线路中的应用。
三、谐振回路的交流分析。
Multisim高频电子线路仿真---二极管峰值包络检波器的输出失真一、题目二极管峰值包络检波器在检波输出中可能存在的失真二、仿真电路二极管峰值包络检波器电路如图1所示,由输入回路、二极管及低通滤波器3部分组成。
利用电容充、放电作用,在RC 低通滤波器两端获得与输入AM信号包络成正比的输出电压,从而完成对输入信号的解调。
图1 二极管峰值包络检波器三、仿真内容在multisim工作界面上,创建如图1所示的检波电路,设置调制度为0.5.检查无误后,启动电路仿真,从示波器中观察到输入与输出信号波形如图2所示。
图二二极管峰值包络检波器的输入与输出信号波形检波输出可能产生三种失真:第一种是由于检波二极管伏安特性弯曲引起的失真;第二种是由于滤波电路放电慢引起的失真,它叫对角线失真(惰性失真);第三种是由于输出耦合电容上所充的直流电压引起的失真,这种失真叫割底失真(负峰切割失真)。
其中第一种失真主要存在于小信号检波器中,并且小信号检波器中不可避免的失真,对于大信号检波器这种失真影响不大,主要是后两种失真,下面分别仿真:⑴惰性失真在multisim工作界面上,将检波电路参数改为C1=0.5uF,R1=500KΩ。
检查无误后,激活电路仿真,从示波器中观察到输入信号与输出信号的波形图如图3所示。
⑵割底失真(负峰切割失真)在multisim工作界面上,将检波器电路输入信号的ma改为0.8.检查无误后,激活电路仿真,从示波器中观察到输入信号与输出信号的波形如图4所示。
四、仿真结果仿真结果如图所示。
图3 惰性失真波形图4 底部切割失真波形五、 结论经仿真测试:为避免惰性失真,上述参数间应满足:11R C ≤ 避免底部失真的条件:2max 21i i R R m R R RΩ≤=+ 式中,R Ω为交流负载,R 为直流负载。
为使交流负载与直流负载尽可能相等,可采用分负载的方法。
基于Multisim的高频电子技术仿真分析及研究随着现代科技的发展,高频电子技术越来越受到资深电子工程师们的重视,因为高频电子技术具有很高的应用价值,例如广播、卫星通信、无线电波等领域。
由于高频电子电路的特殊性质,导致了这种技术的开发与设计相对困难。
为了解决高频电子技术的设计与开发困难的问题,工程师们开始尝试利用电子电路仿真软件,如Multisim等,来进行高频电子技术的仿真分析和研究。
基于Multisim的高频电子技术仿真分析和研究有什么好处呢?首先,基于Multisim的仿真分析与研究节约了许多成本和时间。
相较于传统的试验和分析,利用Multisim进行高频电子电路仿真实验能够节约大量的成本,例如元器件、设备等费用,并且节约了设计、生产与测试的时间成本。
其次,利用Multisim进行仿真实验,可以反复修改电路设计,以获得最佳的电路设计方案。
因为实验仿真中,可以实时观察电路的输出波形,分析电路的特性,以及运用分析工具分析特性曲线,从而发现电路存在的问题,以优化电路设计方案,这是传统方法无法做到的。
第三,利用Multisim进行仿真,不仅可以仿真并分析高频电路设计方案,还可以仿真数字电路、模拟电路、嵌入式系统以及动态与交互式电路,让工程师可以同时研究不同领域的电路设计。
最后,基于Multisim的仿真实验结果,可以用于电路设计方面的决策。
无论是新能源、自动控制还是机器视觉等领域,利用Multisim仿真出的最佳电路设计方案可以对其它电子电路设计有良好的借鉴作用。
综上所述,利用Multisim进行高频电子技术的仿真分析以及研究,能够节省时间、成本,并且能够获得更优秀的电路设计方案,这是一种非常有效的高频电子技术的开发与设计手段。
高频电路实验及Multisim仿真————————————————————————————————作者:————————————————————————————————日期:实验一 高频小信号放大器一、单调谐高频小信号放大器图1.1 高频小信号放大器1、根据电路中选频网络参数值,计算该电路的谐振频率ωp ;s rad CLw p /936.2105801020011612=⨯⨯⨯==--2、通过仿真,观察示波器中的输入输出波形,计算电压增益A v0。
,708.356uV V I = ,544.1mV V O = ===357.0544.10I O v V V A 4.325输入波形:输出波形:3、利用软件中的波特图仪观察通频带,并计算矩形系数。
4、改变信号源的频率(信号源幅值不变),通过示波器或着万用表测量输出相应电压的有效值,计算出输出电压的振幅值,完成下列表,并汇出f~Av 的图,根据图粗略计算出通频带。
f0(KHz65 75 165 265 365 465 1065 1665 2265 2865 3465 4065)U00.977 1.064 1.392 1.483 1.528 1.548 1.457 1.282 1.095 0.479 0.840 0.747 (mv)A V 2.736 2.974 3.899 4.154 4.280 4.336 4.081 3.591 3.067 1.341 2.352 2.0925、在电路的输入端加入谐振频率的2、4、6次谐波,通过示波器观察图形,体会该电路的选频作用。
二、下图为双调谐高频小信号放大器图1.2 双调谐高频小信号放大器1、通过示波器观察输入输出波形,并计算出电压增益Av0 输入端波形:输出端波形:V1=19.512mV V0=200.912mV Av0=V0/V1=10.197 2、利用软件中的波特图仪观察通频带,并计算矩形系数。
实验二高频功率放大器一、高频功率放大器原理仿真,电路如图所示:(Q1选用元件Transistors中的 BJT_NPN_VIRTUAL)图2.1 高频功率放大器原理图1、集电极电流ic(1)设输入信号的振幅为0.7V,利用瞬态分析对高频功率放大器进行分析设置。
要设置起始时间与终止时间,和输出变量。
(2)将输入信号的振幅修改为1V,用同样的设置,观察i的波形。
c(提示:单击simulate菜单中中analyses选项下的transient analysis...命令,在弹出的对话框中设置。
在设置起始时间与终止时间不能过大,影响仿真速度。
例如设起始时间为0.03s,终止时间设置为0.030005s。
在output variables页中设置输出节点变量时选择vv3#branch即可)(3)根据原理图中的元件参数,计算负载中的选频网络的谐振频率ω0,以及该网络的品质因数Q L 。
根据各个电压值,计算此时的导通角θc 。
(提示根据余弦值查表得出)。
s rad LCw /299.61012610200116120=⨯⨯⨯==--=C θ87.82、线性输出(1)要求将输入信号V1的振幅调至1.414V 。
注意:此时要改基极的反向偏置电压V2=1V ,使功率管工作在临界状态。
同时为了提高选频能力,修改R1=30K Ω。
(2)正确连接示波器后,单击“仿真”按钮,观察输入与输出的波形; 输入端波形:0378.0299.61263000=⨯==L w R Q L输出端波形:(3)读出输出电压的值并根据电路所给的参数值,计算输出功率P 0,P D ,ηC ; 输出电压:12V ;∑==R I V I P m c cm m c 21102121 0C cc D I V P = D c P P 0=η二、 外部特性1、 调谐特性,将负载选频网络中的电容C1修改为可变电容(400pF ),在电路中的输出端加一直流电流表。
当回路谐振时,记下电流表的读数,修改可变电容百分比,使回路处于失谐状态,通过示波器观察输出波形,并记下此时电流表的读数;谐振时,C=200pF ,此时电流为:-256.371输出波形为:将电容调为90%时,此时的电流为-256.389mA。
波形图如下:2、负载特性,将负载R1改为电位器(60k),在输出端并联一万用表。
根据原理中电路图知道,当R1=30k,单击仿真,记下读数U01,修改电位器的百分比为70%,重新仿真,记下电压表的读数U02。
修改电位器的百分比为30%,重新仿真,记下电压表的读数U03。
R1(百分比) 50% 70% 30%U8.443V 8.131V 8.159V(1)比较三个数据,说明当前电路各处于什么工作状态?当电位器的百分比为30%时,通过瞬态分析方法,观察ic的波形。
3、振幅特性,在原理图中的输出端修改R1=30KΩ并连接上一直流电流表。
将原理图中的输入信号振幅分别修改为 1.06V, 0.5V,并记下两次的电流表的值,比较数据的变化,说明原因。
V1(V) 0.7 1.06 0.5I12.678uA 18.185uA 8.842uAc01、倍频特性,将原理图中的信号源频率改为500KHz,谐振网络元件参数不变,使电路成为2倍频器,观察并记录输入与输出波形,并与第2个实验结果比较,说明什么问题?通过傅里叶分析,观察结果。
(提示:在单击Simulate菜单中中Analyses选项下的Fourier Analysis...命令,在弹出的对话框中设置。
在Analysis Parameters标签页中的Fundamental frequency中设置基波频率与信号源频率相同,Number Of Harmonics 中设置包括基波在内的谐波总数,Stop time for sampling 中设置停止取样时间,通常为毫秒级。
在Output variables页中设置输出节点变量)和第二个实验相比,输出波形产生了一定程度的失真。
傅里叶分析图:实验三正弦波振荡器一、正反馈LC振荡器1)电感三端式振荡器通过示波器观察其输出波形,并说明该电路的不足3.1 电感三端式振荡不足:振荡器的输出功率很低,输出信号是非常微小的值,未达到振幅起振条件。
2)电容三端式振荡器(a)(b)3.2 电容三端式振荡器(1)分别画出(a)(b)的交流等效图,计算其反馈系数(2)通过示波器观察输出波形,与电感三端式振荡器比较电路(a)的输出波形:电路(b)的输出波形:比较:电容三点式反馈电压中高次谐波分量很小,因而输出波形好,接近正弦波,电感三点式反馈电压中高次谐波分量较多,输出波形差。
3)克拉泼振荡器3.3 克拉泼振荡器R210kΩR31kΩR468kΩKey=A40%L1500nHL222uHC1470pFC21nFC320pFC410nFC510nFC610nFL3100uHV112 VQ12N2222AR5560Ω7R15.1kΩ41653XSC1A BExt T rig++__+_82(1)通过示波器观察输出(2)在该电路的基础上,将其修改为西勒振荡器,并通过示波器观察波形R210kΩR31kΩR468kΩKey=A50%L1500nHL222uHC1470pFC21nFC320pFC410nFC510nFC610nFL3100uHV112 VQ12N2222AR5560Ω7R15.1kΩ41653XSC1A BExt Trig++__+_2C7100pFKey=A50%8希勒振荡器输出波形:二、晶体振荡器(a)(b)3.4 晶体振荡器(1)(a)(b)分别是什么形式的振荡器?(a)是并联型型晶体振荡器,(b)是串联型单管晶体振荡器电路。
(2)通过示波器观察波形,电路的振荡频率是多少?电路波形图如下:由图可得T=2.339ms,则f=1/T=427.5Hz整体趋势部分趋势(1)振荡器的电路特点?电路组成?答:并联型晶体振荡器中晶体起等效电感的作用,它和其他电抗元件组成决定频率的并联谐振回路与晶体管相连,工作原理和三点式振荡器相同,只是把其中一个电感元件换成晶体。
串联型晶体振荡器中晶体以低阻抗接入电路,晶体相当于高选择性的短路线,通常将石英晶体接在正反馈支路中,利用其串联谐振时等效为短路元件的特性,电路反馈作用最强,满足起振条件。
(2)并联型和串联型晶体振荡器中的晶体分别起什么作用?在并联型晶体振荡器中晶体起等效电感的作用,和其他电抗元件组成决定频率的并联谐振回路与晶体相连。
在串联型晶体振荡器中,晶体起到控制频率的作用。
实验四调制一、AM调制1、低电平调制1)二极管平衡调制电路图4.1 二极管平衡调制AM电路(1)观察电路的特点,V1,V2中哪一个是载波,哪一个是调制信号?V1是载波信号,V2是调制信号;(2)通过示波器观察电路波形,并计算电路的调幅系数maVmax=100.946mV Vmin=89.606mVMa=(Vmax-Vmin)/(Vmax+Vmin)=(100.946-89.606)/(100.946+89.606)=0.059 2)模拟乘法器调制电路图4.2 模拟乘法器调制AM电路(1)通过示波器观察电路波形,并计算电路的调幅系数ma ;Ma=(Vmax-Vmin)/(Vmax+Vmin)=(2.874-0.494)/(2.874+0.494)=0.706 (2)乘法器原则上只能实现DSB调制,该电路为什么可以实现AM调制?答:因为该电路将一个直流电源与交流电源串联,之后又与另一个交流电源并联,所以它可以实现AM3)集电极调幅电路图4.3 集电极调幅AM电路(1)通过示波器观察电路波形,并计算电路的调幅系数ma;(2)将电路中的V4去掉,R1=30Ω,再通过示波器观察输出波形,通过瞬态分析,观察集电极电流波形说明此时电路是什么工作状态?(注意:在设置输出变量时,选择vv3#branch即可)工作在过电压状态电流波形:4)基极调幅电路图4.4 基极调幅AM电路(1)通过示波器观察电路波形,并计算电路的调幅系数ma;(2)将电路中的V4去掉,R1=30Ω,再通过示波器观察输出波形,并通过瞬态分析,观察集电极电流波形说明此时电路是什么工作状态?瞬态分析结果:电压不停的在放大饱和截止区循环。
二、DSB调制1)二极管平衡调制图4.5 二极管平衡调制DSB电路(1)通过示波器观察波形(2)与图4.1比较电路的变化;从理论上分析该电路实现DSB调制的原理;在传输前将无用的载波分量抑制掉,仅发送上,下两个边频带从而在不影响传输信息的情况下,节省发射功率,实现DSB调制。
2)乘法器调制图4.6 乘法器调制DSB电路(1)通过示波器观察波形(2)与图4.1比较电路的变化;从理论上分析该电路实现DSB调制的原理;思考:(1)下图是二极管调制电路,与图4.1比较,这两个电路的区别,从理论上分图4.7析该电路实现的是AM调制还是DSB调制?答:在V1=V2大于0时,D1工作在导通状态,D2处于截止状态,V1=V2小于0时,D2工作在导通状态,D1处于截止状态,V3为大信号,V1=V2为小信号,该电路实现的是DSB调制。