表C-4 气体灭火系统工程施工过程检查记录
- 格式:xls
- 大小:14.00 KB
- 文档页数:1
气体灭火系统检查记录表
1. 系统概述
这份气体灭火系统检查记录表旨在记录对气体灭火系统的定期检查和维护情况,以确保系统的可靠性和运行效果。
2. 检查日期
检查日期:[填写检查日期]
3. 检查人员
检查人员:[填写检查人员姓名]
4. 系统检查
4.1 系统状态检查
- [ ] 气体灭火系统主体设备是否正常运行?
- [ ] 系统的气压是否正常?
- [ ] 系统是否处于报警状态或故障状态?
- [ ] 气体灭火系统的管路、喷头等部件是否完好无损?
4.2 系统操作检查
- [ ] 是否进行了气体灭火系统手动启动测试?
- [ ] 是否进行了气体灭火系统自动启动测试?
- [ ] 是否进行了气体灭火系统漏气测试?
4.3 检修维护记录
- [ ] 最近一次维护保养日期:[填写最近一次维护保养日期] - [ ] 维护保养的具体内容:[填写维护保养的具体内容]
5. 检查结论
根据以上检查情况,我们得出以下结论:
- [ ] 系统正常运行,无异常情况。
- [ ] 系统存在一些小问题,需要进行维修或更换部件。
- [ ] 系统存在严重问题,需要立即维修或更换部件。
6. 推荐维护措施
根据检查结果,我们建议采取以下维护措施:
- [ ] 对系统进行定期检查和维护,确保其可靠性和稳定性。
- [ ] 针对发现的问题,及时进行维修或更换相关部件。
- [ ] 对系统操作人员进行培训,提高其操作技能和安全意识。
7. 签名及日期
检查人员签名:___________________ 日期:___________________。
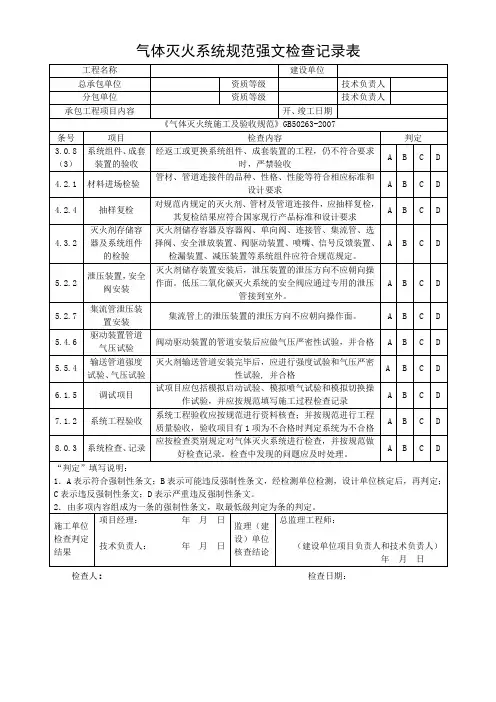
测检测项目检测内容和要求检测方法子项评定重要程度是否合格防护区保护对象设置位置、划分、用途、环境温度、通风及可燃物种类,符合消防技术标准和消防设计文件要求。
查看保护对象设置位置、划分、用途、环境温度、通风及可燃物种类B 防护区几何尺寸、开口面积,符合消防技术标准和消防设计文件要求。
估算防护区几何尺寸、开口面积C 防护区围护结构耐压、耐火极限和门窗自行关闭情况,符合消防技术标准和消防设计文件要求。
查看防护区围护结构耐压、耐火极限和门窗自行关闭情况B 疏散通道、标记和应急照明,符合消防技术标准和消防设计文件要求。
查看疏散通道、标记和应急照明C 出入口处声光警报装置设置和安全标志,符合消防技术标准和消防设计文件要求。
查看出入口处声光警报装置设置和安全标志C 排气或泄压装置设置,符合消防技术标准和消防设计文件要求。
查看排气或泄压装置设置C 专用呼吸器具配备,符合消防技术标准和消防设计文件要求。
查看专用呼吸器具配备C储存装置间设置位置,符合消防技术标准和消防设计文件要求。
查看设置位置B 通道、应急照明设置,符合消防技术标准和消防设计文件要求。
查看通道、应急照明设置B 其他安全措施,符合消防技术标准和消防设计文件要求。
查看其他安全措施C管网管道及附件材质、布置规格、型号和连接方式,符合消防技术标准和消防设计文件要求查看管道及附件材质、布置规格、型号和连接方式B 管道的支、吊架设置,符合消防技术标准和消防设计文件要求查看管道的支、吊架设置C 其他防护措施,符合消防技术标准和消防设计文件要求其他防护措施C补充记录和说明:检测部位单项评定检测单位被检测单位人检测时间:年月日测检测项目检测内容和要求检测方法子项评定重要程度是否合格驱动装置合格证明文件,符合消防技术标准和消防设计文件要求。
查验合格证明文件A 集流管的材质、规格、连接方式和布置,符合消防技术标准和消防设计文件要求。
查看集流管的材质、规格、连接方式和布置B 选择阀及信号反馈装置规格、型号、位置和标志,符合消防技术标准和消防设计文件要求。
气体灭火系统施工检查记录
表2-7施工过程质量检查记录
气体灭火系统施工检查记录表2-8施工过程质量检查记录
气体灭火系统施工检查记录表2-9系统试压记录
气体灭火系统施工检查记录
成套装置与灭火剂储存容器及容器阀、单向阀、连接管、集流管、安全泄放装置、选择阀、阀驱动装置、喷嘴、信号反馈装置、检漏装置、减
压装置等系统组件,灭火剂输送管道及管道连接件的
气体灭火系统施工检查记录
气体灭火系统施工检查记录
气体灭火系统施工检查记录表2-13灭火系统联动试验记录
气体灭火系统施工检查记录表2-14管路安装及隐蔽工程记录
气体灭火系统工程验收记录表3工程质量控制资料核查记录
气体灭火系统工程验收记录
表4-1工程验收记录
气体灭火系统验收记录表4-2工程验收记录
气体灭火系统验收记录
气体灭火系统工程验收记录
表4-4工程验收记录
气体灭火系统工程验收记录
表4-5工程验收记录
气体灭火系统工程验收记录
气体灭火系统工程验收记录表4-7隐蔽工程验收记录。
气体灭火系统施工及验收规范GB50263-20071总则1.0.1为统一气体灭火系统(或简称系统)工程施工及验收要求,保障气体灭火系统工程质量,制定本规范。
1.0.2本规范适用于新建、扩建、改建工程中设置的气体灭火系统工程施工及验收、维护管理。
1.0.3气体灭火系统工程的施工及验收,应坚持过程控制、完善手段、强化验收的原则。
1.0.4气体灭火系统工程施工中采用的工程技术文件、承包合同文件对施工及质量验收的要求不得低于本规范的规定。
1.0.5气体灭火系统工程施工及验收、维护管理,除应符合本规范的规定外,尚应符合国家现行的有关标准的规定。
2术语2.0.1气体灭火系统gas extinguishing systems以气体为主要灭火介质的灭火系统。
2.0.2惰性气体灭火系统inert gas extinguishing systems灭火剂为惰性气体的气体灭火系统。
2.0.3卤代烷灭火系统halocarbon extinguishing systems灭火剂为卤代烷的气体灭火系统。
2.0.4高压二氧化碳灭火系统high-pressure carbon dioxide extinguishing systems灭火剂在常温下储存的二氧化碳灭火系统。
2.0.5低压二氧化碳灭火系统low-pressure carbon dioxide extinguishing systems灭火剂在-18℃~ -20℃低温下储存的二氧化碳灭火系统。
2.0.6组合分配系统combined distribution systems用一套灭火剂储存装置,保护两个及以上防护区或保护对象的灭火系统。
2.0.7单元独立系统unit independent system用一套灭火剂储存装置,保护一个防护区或保护对象的灭火系统。
2.0.8预制灭火系统pre-engineered systems按一定的应用条件,将灭火剂储存装置和喷放组件等预先设计、组装成套且具有联动控制功能的灭火系统。
气体灭火系统工程施工技术管理和质量控制资料核查记录一、前言气体灭火系统是一种高效、灵活、环保的灭火手段,广泛应用于各类特殊场所,如电力、化工、航空等领域。
为了保证气体灭火系统工程的施工质量和技术安全,对施工技术管理和质量控制资料进行核查是非常重要的一项工作。
本记录内容旨在对气体灭火系统工程施工技术管理和质量控制资料核查过程进行记录和总结。
二、核查内容根据气体灭火系统工程的特点和相关的技术标准,核查内容主要包括以下几方面:1.施工方案是否符合设计要求,并对各项技术指标进行核查;2.施工图纸和材料清单是否准确无误,是否满足实际施工需要;3.检查施工中的质量记录和检测报告,确保施工质量符合要求;4.检查各项工程施工进度及施工计划,确保施工进度合理;5.对施工过程中的安全技术措施和管理措施进行核查,确保施工安全;6.检查施工现场的环境保护和卫生管理情况,确保施工场所无环境污染。
三、核查要点1.施工方案核查:-确认方案是否符合设计要求;-核查方案中的各项技术指标是否符合相关标准;-核查方案中的施工工艺和工程方法是否合理。
2.施工图纸和材料清单核查:-确认图纸和清单的准确性和完整性;-核查图纸和清单中的材料规格和型号是否正确;-核查图纸和清单中的施工要求和技术要点是否明确。
3.质量记录和检测报告核查:-核查施工中的质量记录是否齐全、准确;-核查各项检测报告的合格性和准确性;-核查是否存在质量问题,并及时采取措施进行解决。
4.工程进度核查:-核查施工计划的合理性和可行性;-核查施工进度是否按计划进行;-核查施工过程中是否存在延误和提前情况。
5.安全技术措施和管理措施核查:-核查施工中是否按照安全措施进行施工;-核查施工过程中的安全记录和安全培训情况;-核查施工过程中的管理措施和施工人员是否符合相关要求。
6.环境保护和卫生管理核查:-核查施工现场是否按照环境保护要求进行管理;-核查施工现场的卫生情况和垃圾处理情况;-核查施工过程中是否存在环境污染和卫生问题。
气体灭火系统检测记录表
报告编制人:(签字或盖章)
施工单位(或维保单位):
仪器设备使用列表
系统概述
一、系统形式:无管网式七氟丙烷气体灭火系统(或管网式七氟丙烷气体灭火系统)。
二、保护范围:
三、系统设置:气体灭火控制器*台、灭火装置*组。
四、启动方式:手动控制、自动控制、机械应急操作。
五、气体防护区概况:
经检测:
1、系统手动、自动控制功能正常。
2、联动功能模拟测试,防护区的警铃、声光鸣响、(其他),延时30秒电磁阀启动正常,气体喷放指示灯动作等功能正常。
依据国家、地方相关消防技术规范、标准、规定的要求和委托单位提供的工程资料,本次系统检测合格。
系统检测记录附表
1、防护区的设置
6、喷头的设置
8、火灾探测器的设置
8.2、线型火灾探测器。