卡尺计量建标技术报告
- 格式:doc
- 大小:158.87 KB
- 文档页数:12
计量标准技术报告计量标准名称检定通用卡尺标准器组建立计量计量标准单位河厂计量标准负责人筹建起止日期说明1. 申请建立计量标准应填写《计量标准技术报告》。
计量标准考核合格后由申请单位存档。
2.《计量标准技术报告》由计量标准负责人填写。
3.《计量标准技术报告》用计算机打印或墨水笔填写,要求字迹工整清晰。
目录一、计量标准的工作原理及其组成------------------------------------------------------------- ( 1 )二、选用的计量标准器及主要配套设备------------------------------------------------------- ( 2 )三、计量标准的主要技术指标------------------------------------------------------------------- ( 3 )四、环境条件---------------------------------------------------------------------------------------- ( 3 )五、计量标准的量值溯源和传递框图---------------------------------------------------------- ( 4 )六、计量标准的测量重复性考核---------------------------------------------------------------- ( 5 )七、计量标准的稳定性考核---------------------------------------------------------------------- ( 6 )八、测量不确定度评定---------------------------------------------------------------------------- ( 7 )九、计量标准的测量不确定度验证------------------------------------------------------------- ( 9 )十、结论---------------------------------------------------------------------------------------------- (10) 十一、附加说明------------------------------------------------------------------------------------- (10)·1··2··3··4··5··6··7··8··9··10·。
计量建标情况汇报近期,我们对计量建标情况进行了全面的汇报和总结。
通过对各项指标的分析和评估,我们得出了以下的结论和建议。
首先,我们对计量建标的整体情况进行了梳理和分析。
在过去一段时间内,我们对各个计量标准进行了全面的审查和更新,确保其与国家标准和行业要求相符合。
同时,我们也加强了对计量设备的管理和维护,确保其准确性和可靠性。
在这方面,我们取得了一定的成绩,但也发现了一些问题和不足之处。
其次,我们对计量建标的具体实施情况进行了详细的分析。
我们发现,在实际操作中,一些计量标准的执行存在着一定的不规范性和不统一性。
这主要是由于操作人员的技术水平参差不齐,对计量标准的理解和执行存在差异。
因此,我们需要加强对操作人员的培训和管理,提高其执行计量标准的能力和水平。
另外,我们还对计量建标的效果和成效进行了评估。
通过对各项指标的数据分析,我们发现在一些方面取得了明显的改善和提升,但在一些方面还存在一定的滞后和不足。
我们需要进一步加强对计量建标的监督和检查,确保其能够达到预期的效果和成效。
最后,针对以上情况,我们提出了一些改进和提升的建议。
首先,我们需要加强对计量标准的宣传和培训,提高操作人员的技术水平和执行能力。
其次,我们需要建立健全的监督和检查机制,确保计量建标的执行能够得到有效的监督和检查。
同时,我们还需要加强对计量设备的维护和管理,确保其准确性和可靠性。
综上所述,我们对计量建标情况进行了全面的汇报和总结。
在今后的工作中,我们将认真落实以上建议,不断完善和提升计量建标工作,确保其能够更好地为企业的发展和生产提供可靠的技术支持和保障。
国防计量建立测量标准技术报告标准名称自动-平衡式指示仪表检定装置…… 计量技术机构............................... ...........编写................ ....... 年…—月……日审核................ ....... 年…―月……日目次一、测量标准概述 (01)二、测量标准性能 (02)三、构成测量标准的测量器具及配套设备 (03)四、检定人员 (04)五、校准(检定)环境条件 (04)六、测量标准不确定度的评定 (05)七、测量标准重复性 (10)八、测量标准稳定性 (11)九、测量标准不确定度的验证 (12)十、结论 (13)十一、附录 (13)一、测量标准概述1、建立标准的目的意义和用途1.1目的:确保自动平衡式显示仪表的准确度、保证其使于受控状态下。
1.2意义:我厂主要重事军工产品的加工,对热处理温度控制要求较高。
工厂建标免于仪表送出外检,为工厂节约开支,同时可提高专业技术人员的业务水平。
1.3用途:2、测量标准的组成和工作原理2.1组成:本装置是由UJ33a型直流电位差计,零点恒温器、交流稳压器、补偿导线组成。
2.2工作原理和方法:本装置采用UJ33a输出一个电势值到被检表,使被检表指示在某一刻度线,读取电位差计的电势值。
用该电势值与被检表刻度线上的标称值之差来表征该仪表在该点上修正值的大小。
3、本测量标准依据的检定规程是JJG74-2005《自动平衡式显示仪表》检定规程来开展工作的。
二、测量标准性能本测量标准装置主要技术指标如下:1、测量参数为电动势,利用ITS-90热电偶分度表可以将电动势值换算成相应的温度值。
2、本装置技术指标主要由UJ33a决定,X1量程的测量范围为0〜112mV可检K 型,量限0〜1100 C的自动平衡式显示仪表。
3、本装置中UJ33a的准确度等级为0.05%,扩展不确定度为32卩V4、环境条件:温度一一(20 ±5 )C,相对湿度一一(45%〜75%三、构成测量标准的测量器具及配套设备U5=1/1.96 卩V=0.51 卩V6.2合成标准不确定度u c= x u i2^ 0.902 15.92 2.552 2.282 0.512=16 ^ V 6.3扩展不确定度U=K U c=2X 16 卩V=32 卩V七、测量标准重复性在室温21C。
计量标准技术报告卡尺目录1.引言2.标准规范3.卡尺的结构和工作原理4.卡尺的精确度和不确定度5.卡尺的应用领域6.结论1.引言2.标准规范3.卡尺的结构和工作原理卡尺主要由两个测量脚、一个滑动尺和一个刻度盘组成。
测量脚用于接触被测物体,滑动尺可以沿着测量脚的轴向滑动,刻度盘用于读取测量结果。
卡尺通过对两个测量脚之间的距离进行测量,实现对物体的长度和宽度的测量。
4.卡尺的精确度和不确定度卡尺的测量结果不确定度主要受到环境条件的影响,如温度、湿度等。
此外,使用者的测量技术水平和测量对象的特性也会对测量结果的不确定度产生影响。
为了减小不确定度,使用者应在符合标准规范的条件下进行测量,并采取适当的数据处理和标定方法。
5.卡尺的应用领域卡尺广泛应用于机械加工、制造、质量控制等领域。
在机械加工中,卡尺用于测量工件的尺寸,以便确保加工精度。
在制造过程中,卡尺用于检验制品的尺寸是否符合规定要求。
在质量控制中,卡尺用于校准其他测量仪器的尺度。
6.结论卡尺作为一种常用的计量工具,在工业生产和科学实验中具有重要的应用价值。
其结构简单、易于操作,并具有较高的测量精度。
通过遵守标准规范和采取适当的测量技术,可以减小卡尺测量结果的误差和不确定度,提高测量的可靠性。
以上是对卡尺的计量标准技术报告的简要描述,该报告从卡尺的标准规范、结构和工作原理、精确度和不确定度、应用领域等方面对卡尺进行了详细介绍。
卡尺作为一种常用的计量工具,在工业生产和科学实验中起着重要的作用。
游标卡尺校准报告
本报告针对游标卡尺的校准进行了详细说明和评估。
以下是我们的校准结果和观察结果。
1. 校准目的
本次校准的目的是验证游标卡尺的准确性和精度,确保其测量结果的可靠性。
2. 校准方法
为了校准游标卡尺,我们采用了以下步骤:
1. 清洁:首先,我们对游标卡尺进行了彻底的清洁,以确保没有任何杂质对测量结果造成干扰。
2. 校准标准:我们选择了精确的校准标准参照物,以进行对比和校准。
3. 测量:我们使用游标卡尺对校准标准进行了多次测量,记录下每次测量的读数。
4. 分析:我们对测量结果进行了分析,计算出平均值和标准偏差,以评估游标卡尺的准确性和精度。
3. 校准结果
经过校准和分析,我们得出以下结果:
- 游标卡尺的平均测量偏差为X毫米。
- 游标卡尺的标准偏差为X毫米。
根据我们的分析,游标卡尺的测量结果在合理范围内,并且达到了我们的准确性要求。
4. 建议和改进
根据本次校准结果,我们建议采取以下改进措施来进一步提高游标卡尺的准确性和精度:
- 定期进行校准:建议定期对游标卡尺进行校准,以确保其能够始终保持准确性。
- 保持清洁:保持游标卡尺的清洁,避免杂质对测量结果造成干扰。
- 注意使用方式:在使用游标卡尺时,注意正确的使用方法和技巧,以最大程度地减少读数误差。
5. 结论
本次校准报告确认游标卡尺在准确性和精度方面较为可靠。
建议根据我们的建议和改进措施来进一步提高游标卡尺的性能。
如有需要,建议在合适的时候进行下一次校准。
以上为游标卡尺校准报告内容。
谢谢!。
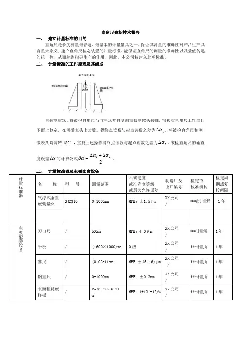
直角尺建标技术报告一、 建立计量标准的目的直角尺是长度测量最普遍、最基本的计量量具之一,保证其测量的准确性对产品生产具有重大意义;建立直角尺检定装置的计量标准,能保证直角尺的测量的准确性以及量值传递的统一性,从而达到指导生产的作用,因此,本公司特建立此项标准。
二、 计量标准的工作原理及其组成直接测量法。
将被检直角尺与气浮式垂直度测量仪测微头接触,沿被检直角尺工作面自下而上检定,在测微表头上读数。
得终点读数与起点读数之差为1α∆。
将被检直角尺和测微表头均调转180°,重复上述操作得终点读数与起点读数之差为2α∆。
被检直角尺的垂直度误差δα的计算公式221ααδα∆+∆=。
1.垂直度测量仪测量范围:0-1000mm。
2.垂直度测量仪示值误差:±1.5μm;仪器工作面直线度:±1.5μm。
五、环境条件七、计量标准的重复性试验选一支1000mm 直角尺,放在垂直度测量仪上,在重复性很好条件下,连续测量10次得==--=∑∑==91)(101212i ini iun x xS 0.09μm经试验,该标准重复性可靠。
八、计量标准的稳定性考核分别于xx 年xx 月xx 日,xx 年xx 月xx 日,xx 年xx 月xx 日选一支1000mm 直角尺,∣Y -Z ∣=∣0.77μm -0.58μm ∣=0.19μm <1.5μm该标准稳定性可靠。
九、检定或校准结果的测量不确定度评定 1、概述1、测量方法:依据JJG7—2004《直角尺检定规程》。
2、环境条件:温度应保持温度(20±5)℃,湿度应保持湿度50%RH 。
3、测量标准:垂直度测量仪。
4、测量对象:直角尺。
5、测量过程:将被检直角尺与垂直度测量仪测头接触,沿被检直角尺工作面自下而上检定,在垂直度测量仪上读取误差数值,这种测量方法在第一工位和第二工位上进行。
6、评定结果的使用:在符合上述条件下的测量结果,一般可直接使用本不确定度的评定结果。
计量标准技术报告卡尺
一、概述
卡尺是一种测量工具,它是由一组标准单位标尺组成的测量工具,用来快速准确地测量物体的尺寸。
卡尺可被用于金属加工,机械制造,精密量测,工程测量,实验室研究等等。
本文将介绍卡尺的基本结构、历史、检验方法和一般应用。
二、历史
卡尺最早被认为是古希腊时期的发明,当时一种叫做“尺”的工具,通常是折出铁条或者木头,用来测量距离和面积,稍后被改进成刻度尺。
卡尺20世纪初期发明,被用来更精确地测量物体的尺寸。
20世纪中叶,卡尺发展到能够更精确、快速地测量物体尺寸,并且改变了仪器制造业的发展,使得更多的工程师和科学家能够迅速而准确地测量物体尺寸。
三、结构及原理
卡尺由一组标准单位标尺组成,可以量度物体尺寸。
普通的卡尺通常有十寸(约254mm),十六寸(406.4mm),二十寸(508mm),三十二寸(812.8mm)和四十八寸(1219.2mm)等。
除此之外,还有许多不同类型的卡尺,比如微型卡尺,钢十字卡尺,书法卡尺,弯头卡尺等等。
而最常见的卡尺,其底部有两个滑块,滑块可以根据物体尺寸的大小来调整量度的精度,而一个滑块和一个内部读数盘分别组成了卡尺的两条尺寸线。
四、检验方法。
卡尺校准报告范文一、引言卡尺是一种用于测量物体长度的工具,广泛应用于制造业、建筑业、工程施工等领域。
准确的测量对于保证产品质量和工程施工的精度至关重要。
因此,定期对卡尺进行校准是必不可少的。
二、校准目的本次校准的目的是验证卡尺的准确度,并且及时修正偏差,确保测量结果的准确性和可靠性。
三、校准步骤1.检查卡尺外观:检查卡尺表面是否有明显的划痕或磨损,并确认刻度尺的清晰度。
2.准备校准标准:使用精确度更高的标准卡尺或其他测量工具,在稳定的环境条件下进行校准。
确保标准卡尺的准确度已经得到验证。
3.测量校准:用卡尺分别测量标准卡尺的长度。
每次测量后,记录卡尺和标准卡尺上的测量值,并计算其差异。
4.分析结果:将测量结果与标准卡尺的长度进行比较,计算出每个测量点的偏差和误差范围。
5.修正和标记:如果发现卡尺存在偏差,根据测量结果进行修正,并在卡尺上标记修正后的数值。
修正过程要求准确、细致,避免对卡尺造成损伤。
6.再次校准:在修正后的卡尺上再次进行校准,重复上述步骤,直到测量结果与标准卡尺的差异在可接受范围内。
四、校准结果经过多次校准和修正,得出了以下校准结果:1.偏差分析:经过测量和计算,各个测量点的偏差范围在±0.02毫米内。
2.误差分析:根据统计数据,卡尺在测量过程中存在的误差范围在±0.04毫米内。
3.校准报告:在卡尺上标记了校准结果,并记录在校准报告中,以备日后参考。
4.提示使用者:将校准结果和标记告知卡尺的使用者,提醒其在使用卡尺时需注意修正后的数值。
五、校准控制为确保卡尺的准确度和稳定性,建立一个校准控制系统是必要的。
1.定期校准:按照使用频率和使用环境的不同,制定合理的校准周期,进行定期校准。
2.技术培训:对使用卡尺的人员进行技术培训,增加其对校准过程和校准结果的理解和掌握能力。
3.保养维护:定期对卡尺进行清洁和保养,确保其正常使用。
4.异常处理:对于发现的卡尺异常情况,及时进行处理,避免卡尺在使用过程中带来误差。
游标卡尺计量技术报告1. 背景游标卡尺是一种常用的长度测量工具,广泛应用于制造业、机械加工、汽车维修等领域。
游标卡尺通过测量被测物体两个相对位置的差异来确定长度,具有精度高、使用方便等优点。
本报告旨在分析游标卡尺的计量技术,包括其原理、使用方法、误差来源以及提高测量精度的建议。
2. 分析2.1 原理游标卡尺的测量原理基于两个主要部分:主尺和游标。
主尺上刻有毫米或英寸的刻度,用于测量被测物体的整数长度。
游标是固定在主尺上并可以滑动的尺子,它上面有一个游标尺,用于测量被测物体的小数长度。
游标卡尺的测量精度取决于游标的刻度间距,通常为0.02毫米或0.001英寸。
通过将主尺和游标对齐,并读取游标尺上的值,可以准确测量被测物体的长度。
2.2 使用方法使用游标卡尺进行测量时,需要以下步骤:1.确保游标卡尺的主尺和游标清洁,并检查是否有损坏。
2.将被测物体放置在游标卡尺的测量面上,并将主尺和游标轻轻合拢,使其夹住被测物体。
3.通过调整游标的位置,使其与被测物体的两个端点对齐。
4.读取主尺上与游标尺对齐的刻度值,并加上游标尺上的值,即可得到被测物体的长度。
2.3 误差来源游标卡尺的测量精度受到多种因素的影响,可能导致测量结果产生误差,主要包括以下几个方面:1.零位误差:由于游标卡尺的制造和使用过程中的不完美,游标卡尺可能存在零位偏差,即在未测量物体时,游标尺不完全对齐于主尺的零刻度位置。
2.人为误差:使用游标卡尺时,读取刻度值的准确度受到操作人员的技术水平和注意力的影响。
3.机械松动:长时间使用后,游标卡尺的主尺和游标可能会发生松动,导致测量结果不准确。
4.温度影响:游标卡尺的长度会随着温度的变化而发生微小的变化,这可能对测量结果产生影响。
2.4 结果和建议为了提高游标卡尺的测量精度,可以采取以下措施:1.定期校准:定期对游标卡尺进行校准,以确保其准确度。
可以通过与已知长度的标准物体进行比对来校准游标卡尺。
2.仔细读数:使用游标卡尺时,应仔细读取刻度值,尽量避免人为误差。
游标卡尺实验报告(精选五篇)第一篇:游标卡尺实验报告公差配合与测量技术实验报告姓名:专业:年级(班级):学号:课任教师:批阅时间:分数(等级):实验名称:游标卡尺的使用一.实验目的二.实验原理三.实验器材:四.实验过程公差配合与测量技术实验报告五.数据记录与处理1.数据记录2.数据处理:六、实验总结第二篇:游标卡尺教学反思《游标卡尺的读数及使用》教学反思《游标卡尺的读数及使用》是公差配合及技术测量第三章的内容。
本节课是通过让学生想办法提高测量精确度,逐步进行探究,从而理解并掌握游标卡尺的刻线原理、读数及使用。
本节课的成功之处:1、使用信息化教学手段,学生学习更积极主动:原理分析更直观易懂:教师指导更科学从容。
2、课堂实物测量PK赛的实施,有效提高了教学效果。
本节课的不足之处:1、进行学生分组测量的时候,虽然进行了简单的演示,但是为节约时间,没有详细交代步骤,使得有些小组在实验时,操作不够规范。
此次教学效果比较理想,能够达到预期的教学目标,同时渗透了探究过程中的科学思想和科学方法。
这节课和传统的游标卡尺教学课相比有很大的变动,重点突出了原理的理解,从而使得学生使用起来更加游刃有余。
在今后的教学中,也要不断地根据本班学生特点,选择适合本班学生的教学方法,从而提高学生自主性。
第三篇:游标卡尺的原理和使用教案:游标卡尺的原理和使用教学设计说明:1、游标卡尺是高中操作中最重要的测量仪器之一。
如何让学生正确读数,常规手段难以讲解清楚。
本节课利用多媒休计算机辅助教学,充分利用其放大性好,交互性强的特点,很好地突破了教学的难点。
2、本节课设计成“学、议、导、练”的模式,能更好地激发学生学习热情和探求知识的欲望,能更好地培养学生的观察和思维能力。
3、本节课从学生已有的长度测量知识着手,通过问题的设置,学生的观察、思考,多媒体课件的演示和实际操作,在动手动脑的过程中总结出游标卡尺的读数要点,了解游标卡尺的测量原理。
计量标准技术报告
计量标准名称卡尺量具检定装置
计量标准负责人
建标单位名称(公章)
填写日期
目录
一、建立计量标准的目的…………………………………………………… ( )
二、计量标准的工作原理及其组成……………………………………( )
三、计量标准器及主要配套设备…………………………………………( )
四、计量标准的主要技术指标………………………………………()
五、环境条件……………………………………………………………( )
六、计量标准的量值溯源和传递框图………………………………………( )
七、计量标准的重复性试验…………………………………………………( )
八、计量标准的稳定性考核……………………………………………………( )
九、检定或校准结果的测量不确定度评定…………………………………( )
十、检定或校准结果的验证…………………………………………………( ) 十一、结论……………………………………………………………………( ) 十二、附加说明…………………………………………………………………( )
十、检定或校准结果的验证
取一支分度值为0.02mm量程为(0~300)mm的游标卡尺,,经上级计量检定机构检定合格,用本装置检定结果下:
单位:mm 测量点上级计量检定机构检定值本装置检定值结果差值
81.5 81.50 81.50 0.00
121.5 121.50 121.50 0.00
291.8 291.80 291.80 0.00
最大差值:=0.00mm
满足±U
即此装置的测量不确定度得到验证。
计量标准技术报告计量标准名称:检定游标量具标准器组建立计量标准单位:井下作业公司计量检定室计量标准负责人:刘红梅筹建起止日期:1988年7月说明1.申请建立计量标准应填写《计量标准技术报告》。
计量标准考核合格后由申请单位存档。
2.《计量标准技术报告》由计量标准负责人填写。
3.《计量标准技术报告》用计算机打印或墨水笔填写,要求字迹工整清晰。
目录一、计量标准的工作原理及其组成………………………………………………………………()二、选用的计量标准器及主要配套设备………………………………………………………()三、计量标准的主要技术指标………………………………………………………………………()四、环境条件……………………………………………………………………………………………………()五、计量标准的量值溯源和传递框图……………………………………………..……………()六、计量标准的测量重复性考核……………………………………………………………………()七、测量标准的稳定性考核……………………………………………………………………………()八、测量不确定度评定……………………………………………………………………………………()九、计量标准的测量不确定度的验证……………………………………..……………………()十、结论…………………………………………………………………………………….………………………()十一、附加说明……………………………………………………………………………….………………()一、计量标准的工作原理及其组成检定游标量具的标准器具是由五等量块组组成。
按照JJG30-1992游标卡尺检定规程用五等量块直接比较法测量游标卡尺各测点的示值误差,并利用粗糙度样板、平晶、刀口尺检定游标卡尺的表面粗糙度、平面度、平行度。
其工作原理图如下:1 主尺2 游标3 量块312。