烟气在线监测设备运行与维护记录表格模板
- 格式:doc
- 大小:192.00 KB
- 文档页数:8
烟气自动监测设备(SCR)日常巡检维护记录表设备名称:脱硝CEMS分析仪表安装位置:
设备巡检内容、情况、及处理情况说明
序号子系统巡检部件及事项说明巡检部件
情况说明
处理情况处理后
结果说明入口出口入口出口
1 A侧烟
气监测
系统
伴热管线温度是否正常
制冷器温度是否正常
采样流量是否正常
采样探头加热控制器是否正常
采样泵、过滤器、蠕动泵工作是否正常
监测数据是否合理,仪表校准是否正常
标气的浓度是否合理、是否在有效期内
柜内风扇运行是否正常
2 B侧烟
气监测
系统
伴热管线温度是否正常
制冷器温度是否正常
采样流量是否正常
采样探头加热控制器是否正常
采样泵、过滤器、蠕动泵工作是否正常
监测数据是否合理,仪表校准是否正常
标气的浓度是否合理、是否在有效期内
柜内风扇运行是否正常
3 数据采
集传输
系统
通讯状态及指示灯情况是否正常
数据通讯是否正常
打印机使用是否正常
4 室内
环境
温湿度是否合理
站点卫生情况
站内照明情况
本次巡检人:本次巡检时间:。
废气处理设施维护记录表范本示例及操作指南一、背景介绍废气处理设施在现代生产过程中起着至关重要的作用。
为了确保废气处理设施的正常运作和长期有效性,每一项维护工作都至关重要。
本文将提供废气处理设施维护记录表范本示例及操作指南,以帮助管理人员和维护人员有效监控和维护废气处理设施。
二、废气处理设施维护记录表范本示例以下是废气处理设施维护记录表的示例:日期:____________设备名称:____________检查人员:____________维护人员:____________维护项目:1. 废气处理设备外观检查:a. 检查设备外部是否有物理损坏或泄漏情况。
b. 检查设备安装是否稳固,是否有锈蚀情况。
2. 清洁维护:a. 清除积聚在设备表面的灰尘和污垢。
b. 检查设备内部是否有杂物,并进行清除。
3. 检修维护:a. 检查设备内部组件的磨损情况,包括滤网、散热片等。
b. 更换磨损或失效的组件。
4. 排放检测:a. 进行废气排放检测,确保处理效果符合要求。
b. 记录废气排放浓度和排放压力。
5. 记录和报告:a. 填写本维护记录表,并保存供后续查阅。
b. 如发现设备故障或异常情况,及时向上级管理人员汇报,并采取相应的修复措施。
三、操作指南1. 定期维护:废气处理设施应定期进行维护,建议每月至少一次。
维护周期可根据设备的具体情况和工作负荷进行调整。
定期维护可以确保设施的正常运作和长期有效性。
2. 细致检查:在进行维护时,维护人员应仔细检查设备的外观和内部组件。
外观检查主要是确保设备没有物理损坏或泄漏情况,安装稳固且无锈蚀情况。
内部检查主要是检查设备内部组件的磨损情况,并及时更换磨损或失效的组件。
3. 清洁维护:设备表面的灰尘和污垢可能会影响设备的正常工作,因此定期清除积聚在设备表面的灰尘和污垢十分重要。
同时,维护人员还需检查设备内部是否有杂物,并进行清除。
4. 废气排放检测:废气处理设施的核心工作是处理废气,确保排放的废气浓度和排放压力符合要求。
废气处理设施维护记录表范本样例日期:____年____月____日
设施名称:________________
设施编号:________________
维护人员:________________
维护起始时间:____时____分
维护结束时间:____时____分
维护记录:
1. 设施检查
- 检查设施外观是否存在损坏或异常情况。
- 检查设施是否有泄露现象。
- 检查设施中的滤网、过滤器、过滤介质等是否需要更换。
2. 设施清洁
- 清除设施表面的积尘、污垢等杂质。
- 清洗滤网、过滤器、过滤介质等。
3. 设施维护
- 确保设施管道连接紧固,防止泄露。
- 确保设施电路正常运行,没有故障。
- 确保设施各部件的工作状态良好。
- 若发现问题,进行及时维修或更换部件。
4. 维护结果记录
- 维护人员记录设施的维护情况和处理结果。
- 如需更换部件,记录更换的部件名称和数量。
- 如需维修,记录维修的具体操作过程。
5. 维护人员签名
维护人员签名:________________
备注:
_______________________________________________________以上是本次废气处理设施的维护记录,以备查阅。
如有任何问题或异常情况,请立即上报相关负责人进行处理。
维护人员负责人签名:________________
日期:____年____月____日。
烟气污染源自动监控设施日常维护巡检记录(2015年)污染源单位名称:广西华宏水泥股份有限公司监控排污口名称:窑尾废气总排放口运营单位名称:河北先河环保科技股份有限公司烟气污染源自动监控设施日常维护巡检记录表维护人日期年月日巡检内容、情况及异常情况说明备注日常维护概述(一)准备工作查看数采仪历史记录□正常□异常仪器是否有报警信息□正常□异常(二)站点检查供电系统是否正常(稳压器、UPS等)□是□否通信系统是否正常(有线、无线通信)□是□否采样平台设备是否正常□是□否站房设施是否齐全,相关电器是否稳定运行□是□否(电脑、桌椅、空调、排风扇等)封条、标气、有效性审核标签是否在有效期内□是□否(三)仪器检查仪器运行情况□正常□异常气态污染物、烟尘、温度、流量、氧含量是否正常□是□否采样泵、致冷器、过滤器、采样流量是否正常□是□否鼓风机、风管、空气过滤器等部件工作是否正常□是□否仪器与数采仪通信是否正常□是□否仪器参数相关系数是否修改(备注记录)□是□否烟气监测数据是否正常,分析仪校准是否正常□是□否(四)定期维护仪器外部清洁□是□否探头滤芯、采样管、伴热管是否堵塞□是□否采样探头反吹单元电磁阀、反吹气源是否正常□是□否空气压缩系统、分水器、储气装置中的水是否放掉□是□否吸附剂、干燥剂、滤膜是否需要更换□是□否打扫站房卫生□是□否填写台账记录□是□否(五)更换备品、配件情况名称数量品牌/型号/规格(六)标准物质情况名称来源有效期至浓度余量(七)校准情况异常情况处理情况企业代表签字。
废气处理设施运行记录表
日期: [日期]
设施名称: [设施名称]
设施编号: [设施编号]
1. 设施运行概况
本次记录旨在详细描述废气处理设施的运行情况,以确保设施的正常运转和排放符合相关标准要求。
2. 运行时间
设施运行时间: [开始时间]-[结束时间]
运行持续时间: [持续时间]
3. 废气排放情况
根据监测数据显示,本次废气处理设施的排放情况如下:
- 废气种类: [废气种类]
- 排放浓度: [排放浓度]
- 排放量: [排放量]
- 排放温度: [排放温度]
- 排放压力: [排放压力]
4. 设施运行参数
- 设施温度: [设施温度]
- 设施压力: [设施压力]
- 设施流量: [设施流量]
- 设施处理效率: [设施处理效率]
5. 异常情况记录
在本次运行过程中,未发现任何异常情况或故障报警。
6. 设施维护情况
为确保设施的正常运行,进行了以下维护工作:
- 清洁设施内部零部件
- 检查设施管道连接是否松动
- 检查设施传感器和控制器的工作状态
7. 运行人员签名
运行人员: [运行人员姓名]
日期: [日期]
签名: [运行人员签名]
8. 审核人员签名
审核人员: [审核人员姓名]
日期: [日期]
签名: [审核人员签名]
本次废气处理设施运行记录表详细记录了设施的运行情况和排放情况,并对设施进行了维护。
通过及时记录和维护,我们能够确保设施的正常运行,达到废气排放标准要求。
我们将继续保持对设施的
监测和维护工作,为环境保护和人类健康作出贡献。
CEMS 日常巡检记录本
企业名称; 安装位置: 运维单位: 年月至月日
CEMS 日常巡检记录表
运行维护内容及处理说明:
CEMS 日常巡检记录本
企业名称; 安装位置: 运维单位: 年月至月日
CEMS 日常巡检记录表
运行维护内容及处理说明:
CEMS 零点/量程漂移与校准记录本
企业名称;
安装位置:
运维单位:
年月至月日
CEMS 零点/量程漂移与校准记录表企业名称:安装地点:
CEMS 零点/量程漂移与校准记录本
企业名称;
安装位置:
运维单位:
年月至月日
CEMS 零点/量程漂移与校准记录表企业名称:安装地点:
颗粒物测量仪校准:
流速仪校准:
CEMS 维修记录本
企业名称; 安装位置:
运维单位:
年月至月日
CEMS 维修记录表
企业名称:维修日期:年月日
易耗品更换记录本
企业名称; 安装位置:
运维单位:
年月至月日
易耗品更换记录表企业名称:
标准气体更换记录本
企业名称; 安装位置:
运维单位:
年月至月日
标准气体更换记录表企业名称:。
自动监测设备运行与维护记录表一、水污染源自动监测设备运营维护日常巡检表
企业名称:日期:
四、水污染源自动监测设备故障维修记录表企业名称:
五、标准溶液核查结果记录表
站点名称:测定日期:年月日
运营方代表:日期:年月日
业主方代表:日期:年月日
六、烟气自动监测设备日常巡检维护记录表
企业名称:日期:年月日
设备巡检内容、情况、及处理情况说明
本次巡检人:本次巡检时间:负责人:七、烟气自动监测设备零漂、跨漂校准记录表
企业名称:
SO2分析仪校准
x
O2分析仪校准
流速仪校准
烟尘仪校准
八、烟气自动监测设备校验测试记录表
企业名称:
烟尘校验
SO2校验
NO x校验
O2校验
流速校验
温度校验
九、烟气自动监测设备维修记录表
停机检修情况总结:
备注:
十、易耗品更换记录表
企业名称:
十一、标准物质更换记录表企业名称:
十二、比对试验结果记录表
站点名称:测定日期:年月日
运营方代表:日期:年月日业主方代表:日期:年月日。
THANKS !!!
致力为企业和个人提供合同协议,策划案计划书,学习课件等等
打造全网一站式需求
欢迎您的下载,资料仅供参考
-可编辑修改-。
自动监测设备运行与维护记录表一、水污染源自动监测设备运营维护日常巡检表
四、水污染源自动监测设备故障维修记录表
五、标准溶液核查结果记录表
运营方代表:日期:年月日业主方代表:日期:年月日
六、烟气自动监测设备日常巡检维护记录表
设备巡检内容、情况、及处理情况说明
本次巡检人:本次巡检时间:负责人:七、烟气自动监测设备零漂、跨漂校准记录表
分析仪校准
分析仪校准
分析仪校准
流速仪校准
烟尘仪校准
八、烟气自动监测设备校验测试记录表
校验
九、烟气自动监测设备维修记录表
停机检修情况总结:
备注:
十、易耗品更换记录表
十一、标准物质更换记录表
十二、比对试验结果记录表
站点名称:测定日期:年月
运营方代表:日期:年月日业主方代表:日期:年月日。
优选大气自动监测设施运行与保护记录表一、大气自动监测设施运营保护平常巡检表设施巡检内容、情况、及办理情况说明盘问日志(一)保护预备滤膜、耗材准备供电系统(稳压、 UPS 等)通讯系统(当地通讯、远程通讯等)(二)系统检查控制系统( PLC、工控机等)子站设施(泵、阀等)气泵系统日常仪器显示维护故障报警工作仪器管路记录仪器校验(三)仪器检查滤膜更换耗材更换卫生打扫站房记录(五)其他情况异常情况办理记录更换耗材保护人员日期二、大气自动监测仪校准记录表站点名称常规项结果记录图们空气自动监测站时间校准项目校准内容校准后各参数异常参数可否正常SO2NOxCOO3P,M10(异常情况描述):原因剖析与采用措施:办理结果及器件更换:线形变动记录:校验前:校验后:推行人 1:推行人2:签字:领导审批年月日三、大气自动监测设施零漂、跨漂校准记录表站点名称:设施名称规格型号设施编号:保护管理单位安装地点前一次校准时间SO 2 剖析仪校准剖析仪原理:剖析仪量程:计量单位:零气浓度值校前测试值零点漂移 % 仪器校准可否正常校准后测试值零点漂移校准标气浓度值校前测试值跨度漂移 % 仪器校准可否正常校准后测试值跨度漂移校准NO x剖析仪校准剖析仪原理:剖析仪量程:计量单位:零气浓度值校前测试值零点漂移 % 仪器校准可否正常校准后测试值零点漂移校准标气浓度值校前测试值跨度漂移 % 仪器校准可否正常校准后测试值跨度漂移校准CO 剖析仪校准剖析仪原理:剖析仪量程:计量单位:零气浓度值校前测试值零点漂移 % 仪器校准可否正常校准后测试值零点漂移校准标气浓度值校前测试值跨度漂移 % 仪器校准可否正常校准后测试值跨度漂移校准O 3剖析仪校准剖析仪原理:剖析仪量程:计量单位:零值校前测试值零点漂移%仪器校准可否正常校准后测试值零点漂移校准校准用跨度值校前测试值跨度漂移%仪器校准可否正常校准后测试值跨度漂移校准本次校准人本次校准时间负责人(签章)十、易耗品更换记录表设施名称规格型号设施编号保护管理单位安装地点保护保养人序号易耗品名称规格型号单位数量更换原因说明 ( 备注 ) 保护保养人 :时间:负责人时间:。
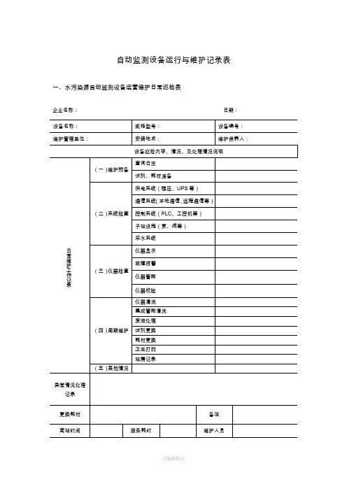
自动监测设备运行与维护记录表第三节自动监测设备运行与维护记录表一、水污染源自动监测设备运营维护日常巡检表企业名称: 日期设备名称: 规格型号: 设备编号: 维护管理单位: 安装地点: 维护保养人: 设备巡检内容、情况、及处理情况说明查询日志(一)维护预备试剂、耗材准备供电系统(稳压、UPS等)通讯系统(本地通讯、远程通讯等)(二)系统检查控制系统(PLC、工控机等)子站设施(泵、阀等)采水系统仪器显示故障报警日常(三)仪器检查维仪器管路护工仪器校验作记录仪器清洗集成管路清洗废液处理(四)周期维护试剂更换耗材更换卫生打扫站房记录(五)其他情况异常情况处理记录更换耗材备注离站时间服务耗时维护人员1业主方代表日期二、水污染源自动监测仪校准记录表仪器站点名称型号类别月份日期时间时到时校准前各参数是否正常异常参数校准后各参数是否正常异常参数常规项(异常情况描述):原因分析与采取措施:结处理结果及器件更换: 果记录线形变动记录:校验前:校验后:实施人1: 实施人2:签字:领导审批年月日23三、水污染源自动监测仪校验记录站点名称仪器类别型号月次第月日期时间第一次质控样1 质控样2 水样1 水样2 水样3标准值仪器值误差结论线性变动过程记录:校验第二次质控样1 质控样2 水样1 水样2 水样3标准值仪器值误差结论实施人:领导审批签字: 年月日4四、水污染源自动监测设备故障维修记录表企业名称:设备名称规格型号设备编号: 维护管理单位安装地点故障情况及发生时间仪器设备管理员: 年月日维修人: 年月日修复后使用前校验时间、校验结果说明校验人: 年月日正常投入使用时间仪器设备管理员: 年月日负责人: 年月日5五、标准溶液核查结果记录表站点名称: 测定日期: 年月日测试自动监测仪器相对误差序号单位配置值(推荐值) 备注项目测定结果 (,)运营方代表: 日期:年月日业主方代表: 日期:年月日6六、烟气自动监测设备日常巡检维护记录表企业名称: 日期: 年月日设备名称: 规格型号: 设备编号:维护管理单位: 安装地点: 维护保养人:设备巡检内容、情况、及处理情况说明巡检部件处理后序号子系统巡检部件及事项说明处理情况情况说明结果说明探头滤芯、采样管、伴热管是否堵塞采样探头反吹是否正常,电磁阀、反吹气源是否正常,采样泵、致冷器、过滤器、采样流量是否正常烟气监 1 直接烟气分析仪的净化装置管路、风机、过滤器、风量测系统吸附剂、干燥剂是否过期烟气监测数据是否正常,分析仪(直抽式)校准是否正常标气的浓度、有效期时间、剩余压力鼓风机、风管、空气过滤器等部件工作是否正常烟尘监 2 穿法烟尘分析仪的光点是否偏移测系统烟尘监测数据是否正常检查皮托管的反吹管路、控制阀等否正常流速监 3 超声波法:检查鼓风机、软管、过滤器等部件是否正常测系统监测流速值是否正常温度测量值是否正常其它烟气 4 湿度测量值是否正常监测参数氧量测量值是否正常各通讯线的连接是否松动数据采集 5 数据传输卡上的费用传输装置分析仪、工控机、数据采集传输仪上的数据是否一致空气压缩系统是否正常分水器、储气装置中的水是否放掉其它辅助室内的温度、湿度是否正常 6 设备分析站房的门窗是否密封站房的清洁卫生本次巡检人: 本次巡检时间: 负责人:7七、烟气自动监测设备零漂、跨漂校准记录表企业名称:设备名称规格型号设备编号: 维护管理单位安装地点上次校准时间SO分析仪校准 2分析仪原理: 分析仪量程: 计量单位:零气浓度值校前测试值零点漂移% 仪器校准是否正常校准后测试值零点漂移校准标气浓度值校前测试值跨度漂移% 仪器校准是否正常校准后测试值跨度漂移校准NO分析仪校准 x分析仪原理: 分析仪量程: 计量单位:零气浓度值校前测试值零点漂移% 仪器校准是否正常校准后测试值零点漂移校准标气浓度值校前测试值跨度漂移% 仪器校准是否正常校准后测试值跨度漂移校准O分析仪校准 2分析仪原理: 分析仪量程: 计量单位:零气浓度值校前测试值零点漂移% 仪器校准是否正常校准后测试值零点漂移校准标气浓度值校前测试值跨度漂移% 仪器校准是否正常校准后测试值跨度漂移校准流速仪校准分析仪原理: 分析仪量程: 计量单位:零值校前测试值零点漂移% 仪器校准是否正常校准后测试值零点漂移校准校准用跨度值校前测试值跨度漂移% 仪器校准是否正常校准后测试值跨度漂移校准烟尘仪校准分析仪原理: 分析仪量程: 计量单位:零值校前测试值零点漂移% 仪器校准是否正常校准后测试值零点漂移校准校准用跨度值校前测试值跨度漂移% 仪器校准是否正常校准后测试值跨度漂移校准本次校准人本次校准时间负责人(签章)8八、烟气自动监测设备校验测试记录企业名称:设备名称规格型号设备编号: 维护管理单位安装地点上次校验时间仪器名称仪器型号仪器供应商参比法对比测试仪烟尘校验对比测试仪原理 CEMS分析仪原理参比方法测定值 CEMS测定值相对误差监测时间评价标准评价结果 33(mg/m) (mg/m) (%)根据 HJ/T75-2007平均值: 平均值:SO校验 2对比测试仪原理 CEMS分析仪原理参比方法测定值 CEMS测定值监测时间相对误差评价标准评价结果33(mg/m) (mg/m)根据 HJ/T75-2007平均值: 平均值:NO校验 x对比测试仪原理 CEMS分析仪原理参比方法测定值 CEMS测定值监测时间相对误差评价标准评价结果33(mg/m) (mg/m)根据 HJ/T75-2007平均值: 平均值:O校验 2对比测试仪原理 CEMS分析仪原理参比方法测定值监测时间 CEMS测定值(%) 相对误差评价标准评价结果 (%) 根据 HJ/T75-2007平均值: 平均值:流速校验对比测试仪原理 CEMS测试仪原理监测时间参比方法测定值 CEMS测定值相对误差评价标准评价结果9(m/s) (m/s)根据 HJ/T75-2007平均值: 平均值:温度校验对比测试仪原理 CEMS测试仪原理参比方法测定值评价结监测时间 CEMS测定值(?) 示值误差评价标准 (?) 果根据 HJ/T75-2007平均值: 平均值:如校验合格前对系统进行过处理、调整、参数修改,请说明:如校验后,烟尘分析仪、流速仪的原校正系统改动,请说明: 校验结论总体校验是否合格:校验人员: 时间: 年月日负责人:九、烟气自动监测设备维修记录表站点名称停机时间检修情况描述烟尘测试仪更换部件更换部件检修情况描述烟气分析仪更换部件检修情况描述烟气参数测试仪更换部件检修情况描述加热采样装置(含自控温气体伴热管) 更换部件10检修情况描述气体制冷装置更换部件检修情况描述数据采集与处理控制部分更换部件检修情况描述空压机及反吹风机部分更换部件检修情况描述采样泵、蠕动泵、控制阀部分更换部件站房清理停机检修情况总结:备注:检修人: 离站时间:十、易耗品更换记录表企业名称:设备名称规格型号设备编号维护管理单位安装地点维护保养人序号易耗品名称规格型号单位数量更换原因说明(备注)维护保养人: 时间: 负责人时间:11十一、标准物质更换记录表企业名称:设备名称规格型号设备编号维护管理单位安装地点维护保养人序号标准物质名称规格型号单位数量供应商维护保养人: 时间: 负责人时间:十二、比对试验结果记录表站点名称:测定日期:年月日比对方法测定结果自动监测仪器测定比对监测结测定误差序号测试项目单位结果果平均值 (,) 1 2运营方代表: 日期:年月日业主方代表: 日期:年月日1213。
基站停运申请表排污单位基站名称申请类型□停运□拆除□搬迁□其他联系人联系电话停运时段情况简述经办人(公章)年月日环境保护主管部门意见经办人(公章)年月日数据异常/缺失、设备故障报告排污单位基站名称数据异常类型异常时段运行维护人员到达基站时间异常原因处理结果恢复时间运行维护单位:填报人:日期:年月日现场运行维护记录表排污单位:运行维护单位:运行维护内容及处理说明:项目内容日期:年_月日备注样品采集采样平台及点位设置符合DB41/T1327规定,采样探头、采样管路、烟气初级过滤器应无腐蚀、无堵塞、无旁路、无漏气且固定牢固,数据传输线无脱落,采样探头及伴热管线加热温度在120℃以上,异常情况及时处理、记录并上报。
采样监测孔和比对监测孔法兰应密封、无腐蚀;连接固定法兰的螺栓应易于拆卸。
颗粒物CEMS气幕正常,无污染。
反吹设备、管路应无堵塞、无漏气。
预处理设备冷凝除湿设备的温度应保持在4℃,波动±2℃以内。
冷凝除湿设备产生的冷凝液收集后应处理,无堵塞、无渗漏。
预处理设备管线内壁吸附杂质、堵塞时应及时清理或更换。
CEMS过滤设备、冷凝除湿设备电磁阀损坏时及时更换;过滤设备滤膜、滤芯变色应及时更换。
氮氧化物转换装置加热温度应不低于备案的加热温度。
数据采集处理与传输单元数据采集处理与传输单元、网络设备无异常和告警,设备连接线应牢固,散热风扇正常,传输网络连接畅通,异常情况应及时处理。
查看数据采集处理与传输单元运行日志,对数据采集、存储和上传异常情况进行记录和处理。
数据采集处理与传输单元中读取和保存的CEMS参数应与登记备案一致,参数及变动情况应上传至环保部门监控管理系统。
分析仪器监测数据与数据采集处理传输单元数据应一致。
数据和系统应进行备份,备份文件异地保存和人工归档。
存储介质维修更换后应调取备份文件恢复历史数据。
网络故障期间未传输的监测数据应在故障排除后进行自动补传。
现场运行维护记录表(续)颗粒物CEMS 生产设施启动前应清理颗粒物CEMS光学镜面。