安全生产工作直接责任人履职考核表
- 格式:doc
- 大小:34.50 KB
- 文档页数:2
双层体系安全生产责任制各级人员履职考核表1. 背景为了确保企业的安全生产工作落到实处,有效防范和应对安全事故的发生,建立并完善双层体系安全生产责任制是必要的。
为了评估各级人员在安全生产工作中的履职情况,需要制定一份考核表。
2. 考核内容2.1 领导层- 安全生产政策和责任承诺的制定和实施情况- 安全生产管理体系的建设和运行情况- 安全生产目标的确定和达成情况- 安全生产投入和资源的合理配置情况- 安全生产检查和监督的执行情况- 安全培训和教育的开展情况- 安全事故的处理和应急预案的执行情况2.2 基层管理人员- 职责和权限的明确程度- 安全操作规程的制定和落实情况- 安全隐患排查和整改的执行情况- 安全培训和教育的宣传和辅导情况- 班前安全交底和值班制度的执行情况- 安全奖惩制度的执行情况- 安全工作措施的落实情况3. 考核方法3.1 数据统计分析根据各级人员在安全生产工作中的表现和成绩,采集和统计相关数据,如安全事故率、隐患排查整改率等指标,进行量化分析和评估。
3.2 实地考察通过实地考察,观察各级人员在现场的安全管理情况,包括操作规程的执行情况、安全设施的使用情况、安全生产指导的落实情况等。
3.3 考核问卷设计适当的考核问卷,询问各级人员对安全生产工作的了解程度和工作态度等,以了解他们对安全生产的重视程度和对相关政策的执行情况。
4. 考核结果通过综合评估各级人员的考核内容和方法获得的数据和信息,得出各级人员在安全生产工作中的履职情况评价,将评估结果进行归类和总结,提出相应的改进意见和措施。
5. 考核周期制定合理的考核周期,对各级人员进行定期的考核和评估,并及时跟进评估结果的改进和落实情况。
6. 考核结果的应用考核结果可用于奖励先进,激励各级人员继续发挥积极作用,并可作为重要参考依据,对不履行职责、不合格或存在问题的人员进行相应的纠正、培训和改进。
以上是《双层体系安全生产责任制各级人员履职考核表》的主要内容和要点,通过制定并执行此考核表,可以提高各级人员对安全生产的责任感和执行力,进一步提升企业的安全生产水平。
安全生产责任制考核表(主要负责人) 部门负责人安全生产责任制考核记录序号。
考核项目。
扣分标准1.上级安全生产规程未传达。
扣15分安全生产制度未贯彻实施。
扣10分未进行项目部安全管理目标分解。
扣15分专项方案和安全措施未组织审查。
扣5分未经呈报批准实施。
扣5分安全生产工作未计划、布置。
扣5分未进行安全检查。
扣5分未能组织日常安全检查。
每次扣10分未能组织专业性或季节性专项安全检查每次扣10分2.未能识别与控制危险源。
每项扣10分对部门安全工作督导不力。
扣10分未能定期分析研究和总结安全管理工作经验每次扣10分未能杜绝责任范围内重大事故和重大伤亡事故扣30分重伤事故负伤率未能控制在0.6‰以内,轻伤事故负伤率未能控制在3‰以内扣25分3.重大业主、社会相关方的投诉。
扣20分现场未达到安全生产标准化相关合格标准扣20分粉尘、噪声控制未达到城市管理要求扣15分未对危险源的监控定期进行检查(记录)扣10分未能及时整改安检部门提出问题。
扣10分4.生产不在受控状态。
扣10分不支持安全员工作。
扣5分工伤事故未及时上报。
扣10分5.事故发生未能保护好现场。
扣5分未能提出改进措施。
扣10分未对责任人提出处理意见。
扣10分6.安全资料未及时整理归档。
扣10分考核项目合计。
100分考核结果:_______________。
处理意见:__________________被考核人签字:_______________。
考核人签字:__________________考核日期:年月日安全员安全生产责任制考核记录序号。
考核项目。
扣分标准1.上级安全生产规定未落实。
扣10分落实不及时。
扣10分未督促进行安全技术交底。
每项扣5分安全技术交底未督促落实安全技术措施每项扣5分未督促落实实施监控。
每项扣5分临时用电、临边洞口等和机械安全装置未进行验收每项扣10分以上有一项不合格。
每项扣10分2.未能杜绝质量安全责任范围内的重大安全事故和重大伤亡事故扣30分责任范围内的重伤事故负伤率和轻伤事故负伤率未能控制在规定范围内,分别扣除25分。
安全生产责任制及考核评分表1.1 什么是安全生产责任制?安全生产责任制是指在公司、企业或者单位内,对于安全生产工作所派生的责任,依据在组织、管理、制定和实施等方面相应的法规、法律实施等政策,对工作所派生的责任进行分配,确定某一职务或岗位应承担的安全生产责任内容,明确责任人及其职权,期限,考核办法及后果等,并对其进行检查评定和管理。
1.2 安全生产责任制的意义安全生产责任制有以下几个大的意义:•有益于增强安全生产的意识,能够提高首要责任人的责任感。
•有益于提高安全生产的预防能力,减少事故损失。
•有益于落实企业的质量管理体系,加强安全生产的监督、检测、提高安全产品的质量。
•能够加强企业或单位对安全生产责任的管理能力,提高业务水平。
1.3 安全生产责任的层次安全生产责任按照层次进行划分,大致可分为以下几个等级:•全体员工;•权利职务人员;•管理层人员;•总经理或者法定负责人。
不同的安全生产责任人承担的安全生产责任层次不同,主要是根据每个岗位的具体工作性质和职责而定。
2.1 安全生产责任者的岗位职责不同的安全责任层次,承担的责任内容也不同。
具体岗位职责可概括如下:2.1.1 全体员工:•应当依据规章制度,认真执行工作流程,遵纪守法,更好保障自己和家人的安全。
2.1.2 权利职务人员:•安全生产总体规划、组织实施和评价管理;•负责安全、环保、消防、安全生产教育、岗前培训等各项工作;•推进我公司安全生产、自然环境保护等方面的各项工作;•躲免事故隐患,掌握技能,独立处理安全生产事故。
2.1.3 管理层人员:•实施安全生产和管理规定;•确保公司各项安全管理制度和安排都以形式化的形式来的范围内执行;•指导和督促所辖部门或人员进行安全生产工作;•实施安全生产管理的有关文件及规章制度。
2.1.4 总经理或法定负责人:•推动全公司安全、环境保护工作的开展;•提出公司安全、环境保护工作的改进建议;•负责公司安全、环境保护工作的法规、政策的解释。
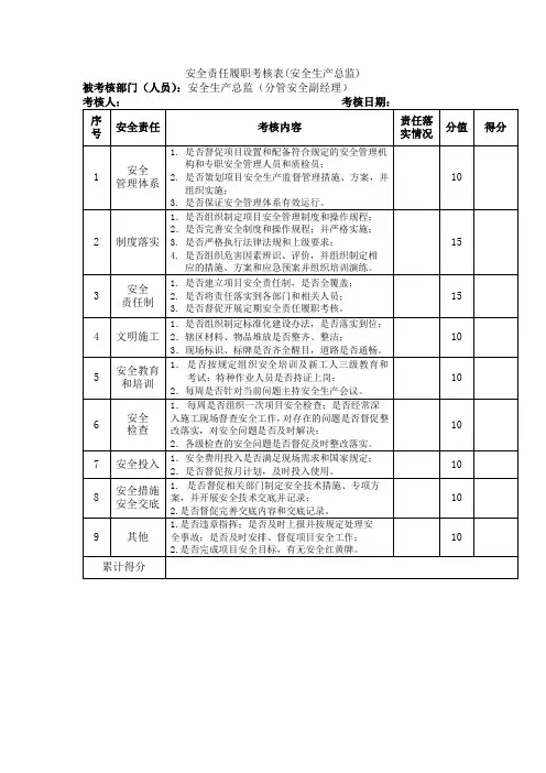
项目管理人员安全生产履职情况考核表
目录
1-1项目负责人 (1)
1-2项目副经理 (2)
1-3项目技术负责人 (3)
1-4项目工长 (4)
1-5项目专职安全员 (6)
1-6项目质量员 (8)
1-7项目设备员 (10)
1-8项目材料员 (12)
1-9项目资料员 (13)
1-10项目造价员 (14)
项目负责人安全生产履职情况考核表
项目副经理安全生产履职情况考核表
项目技术负责人安全生产履职情况考核表
项目工长安全生产履职情况考核表
项目安全员安全生产履职情况考核表
项目质量员安全生产履职情况考核表
项目设备员安全生产履职情况考核表
项目材料员安全生产履职情况考核表
项目资料员安全生产履职情况考核表
项目造价员安全生产履职情况考核表。
沈阳市生产经营单位主要负责人安全生产履职年度考核表(一)单位名称:
沈阳市生产经营单位主要负责人安全生产履职年度考核表(一)单位名称:
沈阳市生产经营单位主要负责人安全生产履职年度考核表(一)单位名称:
沈阳市生产经营单位主要负责人安全生产履职年度考核表(一)单位名称:
沈阳市生产经营单位主要负责人安全生产履职年度考核表(一)单位名称:
沈阳市生产经营单位主要负责人安全生产履职年度考核表(一)单位名称:
沈阳市生产经营单位主要负责人安全生产履职年度考核表(一)单位名称:
沈阳市生产经营单位主要负责人安全生产履职年度考核表(一)单位名称:。
安全生产责任制考核评分表模版单位名称:考核周期:评分人:被考核单位:一、安全生产责任制的建立和落实情况(满分20分)1. 安全生产责任制文件的制定和落实情况(满分5分)1.1 是否编制了《安全生产责任制实施方案》(1分)1.2 是否制定了本单位的安全生产责任制文件(1分)1.3 是否按照文件的要求进行执行,并做好相关材料的备案工作(1分)1.4 是否将文件向全体员工进行宣传和培训(1分)2. 安全生产责任制的组织和设置情况(满分5分)2.1 是否明确了安全生产责任人和相关管理人员(1分)2.2 安全生产责任人和相关管理人员是否具备相应的岗位资质和责任心(1分)2.3 是否做好了安全生产责任人交接班的工作(1分)2.4 是否设立了安全生产责任制考核评分小组,并明确了相应的考核标准和程序(1分)2.5 是否及时召开相关安全生产责任制的会议并做好会议纪要的记录(1分)3. 安全生产责任制的执行情况(满分10分)3.1 重大安全事故、重伤事故、死亡事故和火灾事故的发生情况,以及责任的追究情况(2分)3.2 安全生产责任人和相关管理人员是否按照责任制执行工作,做好安全生产工作的组织和监督(2分)3.3 是否按照责任制要求对员工进行安全生产培训和考核,并做好相应的记录(2分)3.4 是否对安全生产责任制进行定期检查和评估,发现问题及时整改(2分)3.5 是否建立和健全了安全生产风险隐患排查治理制度,并定期进行排查和整改(2分)二、安全生产管理制度的贯彻和落实情况(满分20分)1. 安全生产管理制度的建立和落实情况(满分10分)1.1 是否编制了相应的安全生产管理制度并落实到位(2分)1.2 是否对制度进行宣传、培训和解读,做到全员知晓、遵守和执行(2分)1.3 是否建立了相应的监督检查机制,对制度的执行情况进行监督和评估(2分)1.4 是否建立了制度执行的考核和激励机制,对制度执行情况进行评估和奖惩(2分)1.5 是否及时修订和完善了安全生产管理制度,以适应变化的安全生产工作需求(2分)2. 安全生产责任人和管理人员的履职情况(满分10分)2.1 安全生产责任人和管理人员是否按照制度要求履行管理责任(2分)2.2 安全生产责任人和管理人员是否与员工保持良好的沟通和协调(2分)2.3 安全生产责任人和管理人员是否及时处理和解决安全生产工作中出现的问题(2分)2.4 安全生产责任人和管理人员是否积极推动安全生产工作不断改进和提升(2分)2.5 安全生产责任人和管理人员是否加强对安全生产标准和法律法规的学习和应用(2分)三、事故隐患排查治理情况(满分20分)1. 事故隐患排查工作情况(满分10分)1.1 是否建立了事故隐患排查制度,并指定相关人员负责执行(2分)1.2 是否开展了安全隐患排查工作,发现和记录了相关的安全隐患(2分)1.3 是否按照隐患的严重程度和紧急程度制定了整改方案,并落实到位(2分)1.4 是否对整改情况进行了监督和检查,并及时对未整改的隐患进行责任追究(2分)1.5 是否建立了事故隐患排查和整改的档案,做好相关材料的备案工作(2分)2. 事故隐患治理工作情况(满分10分)2.1 是否制定了事故隐患治理方案,并有专人负责落实(2分)2.2 是否按照治理方案,采取了有效的措施对事故隐患进行治理和改善(2分)2.3 是否建立了事故隐患治理的监督检查机制,对治理效果进行评估和监督(2分)2.4 是否加强对员工的安全生产教育和培训,提高员工的安全意识和自我保护能力(2分)2.5 是否对事故隐患治理的工作进行定期总结和评估,不断完善措施和方法(2分)四、安全生产事故应急预案的制定和落实情况(满分15分)1. 是否编制了本单位的安全生产事故应急预案(满分5分)1.1 是否建立了事故应急预案编制工作组,并明确了相关职责和工作流程(1分)1.2 是否按照预案编制工作要求,制定了相应的安全生产事故应急预案(2分)1.3 是否将预案向全体员工进行宣传和培训,并做好相应的演练工作(2分)2. 是否建立了本单位的应急救援队伍和设施(满分5分)2.1 是否组织和培训了本单位的应急救援队伍,并达到预案要求的配置比例(2分)2.2 是否建立了应急救援设施和装备,并保持设施和装备的完好性和可用性(2分)2.3 是否进行定期的应急救援演练,并不断完善应急救援工作的能力和效果(1分)3. 是否定期开展安全生产事故应急预案的检查和评估(满分5分)3.1 是否按照预案的要求,定期对安全生产事故应急预案进行检查和评估(2分)3.2 是否及时修订和完善预案,以适应变化的安全生产事故应急需求(2分)3.3 是否建立和健全了预案应急演练的记录和反馈机制(1分)五、特种设备和危险化学品等安全管理情况(满分15分)1. 特种设备安全管理情况(满分5分)1.1 是否建立了特种设备安全管理制度,并落实到位(2分)1.2 是否对特种设备进行定期检查和维护,保证设备的安全运行(1分)1.3 是否建立了特种设备档案,记录和备案设备的相关信息和维护情况(1分)1.4 是否对特种设备的操作人员进行了培训和考核,并做好相应的记录(1分)2. 危险化学品安全管理情况(满分5分)2.1 是否建立了危险化学品台账和库存管理制度,并做到台账和库存的实时录入和更新(2分)2.2 是否按照要求建立了危险化学品的存放和使用场所,并保证场所符合相关安全要求(1分)2.3 是否向员工进行了危险化学品的安全培训,并做好相关培训记录(1分)2.4 是否建立了危险化学品的事故应急预案,并进行定期演练和检查(1分)3. 其他安全管理情况(满分5分)3.1 是否建立了其他重要设备和工艺的安全管理制度,并做到相关人员的知晓和遵守(2分)3.2 是否定期开展其他设备和工艺的安全检查和维护工作,并做好相关记录(2分)3.3 是否建立了其他设备和工艺的事故应急预案,并做好演练和监督工作(1分)六、其他安全管理情况(满分10分)1. 是否建立了安全生产信息管理系统,做好数据的收集、分析和上报工作(2分)2. 是否对员工进行了安全生产知识和技能的培训,提高员工的安全意识和自我保护能力(2分)3. 是否建立了与职工福利相关的安全管理制度,保障员工的安全和福利(2分)4. 是否加强与其他单位的安全交流和合作,推动共同解决安全问题和隐患(2分)5. 是否建立了举报制度,对安全生产违法行为进行举报和处理(2分)综合得分:(满分100分)评语:审核人:审核日期:年月日。