Jessberger桶泵的泵管选型
- 格式:docx
- 大小:14.39 KB
- 文档页数:2
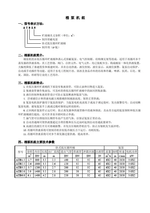
桶泵机组一、型号表示方法:A TB 2.5贮液桶名义容积(单位:m3)制冷屏蔽电泵卧式低压循环贮液桶制冷剂(A-氨)二、桶泵机组简介:桶泵机组由低压循环贮液桶和离心式屏蔽氨泵、电气控制箱、结构钢支架等组成,适用于再循环多个蒸发器的供液系统,其工艺管路,阀门,自控元件,电气元件,均已装配齐全,构成桶泵一体化供液装置,大幅度降低了基建投资和基建时间,具有自动供液,液位控制,液位显示,高液位报警,氨泵自动保护,自动或手动操作等功能,适用于水电工程制片冰、块冰及食品冷库的结冻和冷藏、啤酒、医药、石化、煤炭、国防、科研等行业的工艺用冷。
三、桶泵机组特点:1.在低压循环贮液桶的下部设有集液套管,可防止油和污物进入氨泵;2.集液套管兼作集油包,可及时的将低压循环贮液桶中的油回到集油器;3.液位控制和集液套管设计可防止氨泵断液和氨泵气蚀;4. 浮球液位计和供液电磁主阀准确控制液面高度,保持正常供液;5.氨泵电机保护器用于氨泵的保护,当氨泵电机电流低于或高于调定值时,发出报警信号,自动切断氨泵电源,避免氨泵不上液或过载时继续运转而损坏;6.止回阀在氨泵停止运行时,防止蒸发器和供液管路中的液体倒流,及由其引起的氨泵倒转和低压循环贮液桶液位超高,还可在多泵并联时防止串液;7.抽气管可以排除因长期停车而产生的气体,以保证氨泵正常启动;8.自动旁通阀可使供液量超过合理倍数和压头过高时起到自动旁通流量调节;9.高液位的液位开关可准确报警,并发出压缩机停机信号,防止压缩机发生湿冲程;10.再循环供液系统可使制冷机在较低冷凝压力下运行,功耗较低;11.再循环供液系统可对多个蒸发器过量供液,提高效率。
四、桶泵机组主要技术参数.'.五、桶泵机组外形图及尺寸注:H2表示桶泵机组正常工作液位高度。
六、桶泵机组基础图及尺寸。
PARKER叶片泵的选型的四个依据PARKER叶片泵的选型的四个依据动力式泵和容积式泵除了原理上有所不同以外,在工作特性和应用上也有较大的差异。
泵是用两个齿轮互相咬合转动来工作,对介质要求不高。
泵在泵体中装有一对回转齿轮,一个主动,一个被动,依靠两齿轮的相互啮合,把泵内的整个工作腔分两个独立的部分。
泵在运转时主动齿轮带动被动齿轮旋转,齿轮进入啮合时液体被挤出,形成高压液体并经泵排出口排出泵外。
1、经常加脂,电动油桶泵为高速运转,润滑脂易于挥发,故必须使轴承处的润滑能保持清洁,并注意添换。
2、成纤维、注意保存电动抽油泵应放于干燥,清洁和没有腐蚀性气体的环境中。
3、泵注意绝缘电阻,长期搁置不用的或在潮湿环境中使用的电动抽液泵,使用前必须用500伏兆欧表测量绕组的绝缘电阻。
如绕组与电机壳间绝缘电阻小于7兆欧时,必须对绕组进行干燥处理。
4、泵经常检查维修,电动油桶泵应经常检查,维修,须检查电源线:内接线,插头,开关是否良好,绝缘电阻是否正常,刷尾座是事松动,换向器与电刷接触良好,电枢绕级扩定子绕组是否是有适中断路现象,轴承及转动零件是否的损坏等等。
5、保存好每零件和调换相同零件,在拆检泵时,应保存好每个零件,要特别注意隔爆零件的隔爆面不能使其损伤拉毛包括绝缘衬垫及套管,如有损坏,必须调换上新的相同零件,不得采用低于原材料性能的代用材料或原有规格不符的零件,装配时应将所有零件按原先位置装好,不能遗漏。
折叠编辑本段效率提高方法在水泵工作过程中,泵内流动的水受到其与流道和泵叶轮表面的摩擦以及水本身粘度的影响,泵所消耗的能量主要用于抵抗水表面的流动摩擦力及涡流阻力。
水在流动过程中所消耗的能量(水头损失)就是用来克服内摩擦力和水与设备界面的摩擦力。
如果泵、叶轮表面光滑(这种表面称为水力光滑表面)表面阻力较小,消耗能量就小。
在水泵过流面和叶轮上喷涂高分子材料,使其表面形成水力光滑表面,超光滑表面涂层表面光洁度是经过抛光后不锈钢的20倍,这种极光滑的表面减少了泵内流体的分层,从而减少泵内部紊流,降低了泵内的容积损失和水力损失,降低了电耗,达到降低水流阻力损失的目的,从而提高水泵的水力效率,同时在一定程度上也可提高机械效率和容积效率。
优秀水泵制造商-上海沈泉泵阀制造有限公司是一家专业生产,销售管道泵,隔膜泵,磁力泵,自吸泵,螺杆泵,排污泵,消防泵,化工泵等给排水设备的厂家,产品涉及工矿企业、农业、城市供水、石油化工、电站、船舶、冶金、高层建筑、消防供水、工业水处理和纯净水、食品、制药、锅炉、空调循环系统等行业领域。
ISG单级单吸立式管道离心泵是在一般的立式泵基础上进行巧妙结合设计出来的泵,而用户若是能够掌握ISG型立式管道泵选型参数表,那么对于日后的选择泵中会有很大的帮助,为此上海沈泉立式管道离心泵厂家为大家整理出了以下内容。
ISG型立式管道离心泵选型参数表:
用户可根据此表选型确定型号,如有特殊情况可咨询我公司技术人员。
水泵如何选型?依据是什么?点击次数:61 发布时间:2010-8-28 13:45:05水泵选型依据,应根据工艺流程,给排水要求,从五个方面加以考虑,既液体输送量、装置扬程、液体性质、管路布置以及操作运转条件等1、流量是选水泵的重要性能数据之一,它直接关系到整个装置的的生产能力和输送能力。
如设计院工艺设计中能算出泵正常、最小、最大三种流量。
选择泵时,以最大流量为依据,兼顾正常流量,在没有最大流量时,通常可取正常流量的1.1倍作为最大流量。
2、装置系统所需的扬程是选泵的又一重要性能数据,一般要用放大5%—10%余量后扬程来选型。
3、液体性质,包括液体介质名称,物理性质,化学性质和其它性质,物理性质有温度c密度d,粘度u,介质中固体颗粒直径和气体的含量等,这涉及到系统的扬程,有效气蚀余量计算和合适泵的类型:化学性质,主要指液体介质的化学腐蚀性和毒性,是选用泵材料和选用那一种轴封型式的重要依据。
4、装置系统的管路布置条件指的是送液高度送液距离送液走向,吸如侧最低液面,排出侧最高液面等一些数据和管道规格及其长度、材料、管件规格、数量等,以便进行系梳扬程计算和汽蚀余量的校核。
5、操作条件的内容很多,如液体的操作T饱和蒸汽力P、吸入侧压力PS (绝对)、排出侧容器压力PZ、海拔高度、环境温度操作是间隙的还是连续的、泵的位置是固定的还是可移的。
二、选水泵的具体操作根据泵选型原则和选型基本条件,具体操作如下:1、根据装置的布置、地形条件、水位条件、运转条件,确定选择卧式、立式和其它型式(管道式、潜水式、液下式、无堵塞式、自吸式、齿轮式等)的泵。
2、根据液体介质性质,确定清水泵,热水泵还是油泵、化工泵或耐腐蚀泵或杂质泵,或者采用无堵塞泵。
安装在爆炸区域的泵,应根据爆炸区域等级,采用相应的防爆电动机。
3、根据流量大小,确定选单吸泵还是双吸泵;根据扬程高低,选单级泵还是多级泵,高转速泵还是低转速泵(空调泵)、多级泵效率比单级泵低,如选单级泵和多级泵同样都能用时,首先选用单级泵。
优秀水泵制造商-上海沈泉泵阀制造有限公司是一家专业生产,销售管道泵,隔膜泵,磁力泵,自吸泵,螺杆泵,排污泵,消防泵,化工泵等给排水设备的厂家,产品涉及工矿企业、农业、城市供水、石油化工、电站、船舶、冶金、高层建筑、消防供水、工业水处理和纯净水、食品、制药、锅炉、空调循环系统等行业领域。
选型和注意事项会根据具体的管道循环泵应用和工况要求而有所不同,以下是一般的选型和注意事项供参考:
确定工况参数:首先需要了解管道循环泵的工况参数,包括流量、扬程、工作压力、介质温度、介质性质等。
这些参数将直接影响到泵的选型和性能要求。
选择合适的泵类型:根据工况参数和应用需求,选择合适的泵类型,常见的管道循环泵包括离心泵、齿轮泵、螺杆泵等。
每种泵类型都有其特点和适用范围,需要根据具体情况进行选择。
考虑材质选择:根据介质的性质和工况要求,选择适合的泵材质,特别是在涉及腐蚀性介质时需要选择耐腐蚀材质的泵。
确定工作效率要求:根据能源消耗和经济性考虑,确定泵的工作效率要求。
高效率的泵可以降低能源消耗和运行成本。
考虑安装和维护便捷性:选择易于安装和维护的泵,考虑到泵的大小、重量、连接方式等因素,以及维护保养的方便性。
注意系统特点:了解管道系统的特点,包括管道布置、阀门设置、管道阻力等,以便更好地匹配泵的工作点和性能。
参考厂家数据和建议:参考泵的厂家数据和建议,了解其性能曲线、工作范围、可靠性等信息,以便更好地选择合适的型号和配置。
除了以上的选型注意事项,还要考虑到实际的应用需求和预算限制。
在选型过程中,可以咨询专业的泵供应商或工程师,他们可以根据具体情况提供更详细的建议和技术支持。
管道泵相对而言,对流量及输送的介质都没有太高的要求,因此管道泵的选择主要是考虑流量和扬程的合适。
管道泵选型依据,应按照工艺流程,给排水哀告,从五个方面加以斟酌,既液体输送量.拆卸扬程、液体本质.管路安排以及把持运行前提等。
主要从五个方面加以考虑,既液体输送量、装置扬程、液体性质.管路布置以及操作运转条件等。
一、首先列出基本数据:1.介质的特性:介质名称■比重.粘度、腐蚀性.毒性等。
2、介质中所含固体的颗粒直径.含量多少。
3、介质温度:(。
(:)4、所需要的流量一般工业用泵在工艺流程中可以忽略管道系统中的泄漏量,但必须考虑工艺变化时对流量的影响。
农业用泵如果是采用明渠输水,还必须考虑渗漏及蒸发量。
5、压力:吸水池压力,排水池压力,管道系统中的压力差(扬程损失)。
6.管道系统数据(管径.长度.管道附件种类及数目,吸水池至压水池的几何标高等)。
如果需要的话还应作出装置特性曲线。
其次在设计布置管道时,应注意如下事项:A.合理选择管道直径,管道直径大,在相同流量下.液流速度小,阻力损失小,但价格高,管道直径小,会导致阻力损失急剧增大,使所选泵的扬程增加,配带功率增加,成本和运行费用都增加。
因此应从技术和经济的角度综合考虑。
B、排出管及其管接头应考虑所能承受的最大压力。
C、管道布置应尽可能布置成直管,尽量减小管道中的附件和尽量缩小管道长度,必须转弯的时候,弯头的弯曲半径应该是管道直径的3~5倍,角度尽可能大于90o C oD.泵的排出侧必须装设阀门(球阀或截止阀等)和逆止阀。
阀门用来调节泵的工况点,逆止阀在液体倒流时可防止泵反转,并使泵避免水锤的打击。
(当液体倒流时,会产生巨大的反向压力,使泵损坏)二.确定管道泵流量扬程,流量的确定流量是管道泵选型的重要机能数据之一,直接联系到全数装置的生产才能跟输送才能。
如假想院工艺假想中能算出泵正常.最小、最大三种流量。
决定泵时,以最大流量为根据,兼顾畸形流量,不最大流量时,凡可取畸形流量的11倍作为最大流量。
德国JESSBERGER插桶泵具有轻巧,便于使用的特点,有气动与电动两种选择。
电动式:插桶泵构造结实、适合输送一些具有粘度介质,包含碱性、酸性和非易燃性的液体。
马达具有高保护等级,开关转换及超负荷保护装置,且有可调速马达供选择,苏州埃立特流体设备有限公司专业为客户提供高品质进口化工泵。
德国JESSBERGER插桶泵维护与保养:1、全新或长期搁置不用的电动抽液泵,开箱后用500伏兆欧表测量所有带电零件与可能触及的金属零件之间绝缘电阻,在接近工作温度时应不低于7兆欧。
2、使用前,须检查各接线柱是否牢固,接地线必须可靠牢固。
3、检查电源电压是否与额定电压相符,不能超过或低于额定电压10%的电源上使用。
4、使用本泵时,切勿有损电线,避免水、油进入电机、开关、电器部位。
5、禁止在含有易燃和腐蚀性气体条件下工作,以保证安全生产及各电气原件的正常工作。
6、使用中如发现有异常杂音时,应立即停机,检查原因,直至设法排除后方可继续使用。
7、本泵不宜空运转,使用时吸液完毕立即停泵,因本泵电机空载速可达10000转/分立左右,否则将会磨坏,万向节叶轮,严重时会损坏泵管。
8、调换电刷:电刷磨损到不能使用时应立即调换,否则会损坏换向器,严重会烧坏电机。
9、电动抽液泵应定期检查,不般至少三个月检查一次,经常使用的应每月检修一次,检修时应该全部拆开,消除内部积尘、油污。
如果换向器上积碳过多可用酒精擦洗换向器表面。
如有损坏零件,应调换相同零件。
10、不用时请放置在干燥、清洁没有腐蚀性气体的环境中。
应用领域:石化、精细化工、重型机车加油、水处理环保、消防救援、电子芯片、香精食品(打乙醇)等领域应用。
用于易燃易爆液体的输送。
水泵选型的方法步骤
水泵选型的方法步骤可以包括以下几个步骤:
1. 确定水泵的工作条件:包括流量要求、扬程要求、介质性质(如液体的粘度、温度等)、工作环境(如环境温度、海拔高度等)等。
2. 确定系统所需的总扬程:根据系统中的管道布局、高度差、阻力等因素计算系统所需的总扬程。
3. 选择泵的类型:根据工作条件和总扬程要求来选择适合的泵类型,例如离心泵、轴流泵、混流泵等。
4. 根据流量和扬程曲线选择合适的泵型:根据水泵的流量与扬程特性曲线来确定在工作条件下所需要的泵型。
5. 确定电机功率:根据泵的工作条件和效率来确定所需的电机功率,保证能够满足工作要求。
6. 进行具体的水泵选择:根据已经确定的工作条件、泵的类型、泵型以及电机功率等要素,查阅相关的水泵型录或与厂家咨询,选定适合的水泵型号。
7. 进行系统的配管设计:根据所选水泵的进出口管径以及系统的布局,进行配管设计,确保管道能够满足水泵的进出口流量要求,并尽量减小阻力。
8. 确定水泵的安装方式和相关辅助装置:根据具体情况,确定水泵的安装方式和需要的辅助装置,如底座、吸水管、阀门等。
9. 进行选型计算和性能验证:对所选水泵进行选型计算,包括校核泵的流量和扬程是否满足要求,并验证所选泵型的性能是否符合设计要求。
10. 最后,根据最终选定的水泵型号进行报价和购买。
管道泵选型方法和步骤管道泵的选型是非常重要的内容,只有根据科学合理的方法及步骤才能确定管道泵,在实际工程规划中,首先在灌溉或排水设计标准与工程控制范围的基础上,拟定灌溉排水区域划分的可行方案及各方案的工程总体布置;其次根据泵站规划设计确定流量、扬程及其变化规律,选择管道泵、配套动力机与辅助设备;最后进行各方案的技术经济分析,选择最优方案;通常,管道泵选型的步骤和方法如下:1根据泵站设计扬程,从管道泵综合型谱图或管道泵产品样本的性能表上选择几种不同流量的管道泵;所选管道泵设计额定扬程与泵站设计扬程一致或接近.但流量可能不同;这里不同泵型的单泵流量用Q表示;2根据泵站设计流量和所选单泵流量Q,确定不同泵型的管道泵台数,并力求满足要求;绘制灌溉排水区用水或排水设计流最过程线,将所选管道泵不同台数运行时的泵站出流量过程线与灌排设计流量过程线进行拟合检查能否满足灌排流最变化的要求;如果拟合流量过程线即泵站出流最过程线与灌排设计流盘过程线比较接近,则表明所选泵型的台数;基本能够适应灌溉排水要求;在灌溉排水允许的范围内,可适当修订设计流量过程线,使两者吻合;3按初选的泵型及台数.配置管路及附件,并绘制管路特性曲线,求出管道泵的工作点,确定管道泵安装高程;4选配动力机和辅助设备,拟定泵房的结构型式和布置方式等;5按所选管道泵型号及其配套设备的特点,按照经济技术要求,合理核算建设成本和运行成本,最终确定合理泵型及台数;尤孚泵业根据市场的特点,设计研发的FG立式单级管道泵可用于暖通空调冷热水循环、工业城市供水、高层建筑增压供水、设备配套/锅炉给水等领域,主要的技术参数和性能优点如下:技术参数:流量Q:最大850m/h扬程H:最大120m功率P:最大90kW液体温度:-20℃-140℃性能及优点:1、结构简单紧凑,占地面积小2、安装方便,易于检修和维护3、可靠的密封,确保无泄漏4、配备标准电机以上的文章为你们介绍了管道泵选型方法和步骤,同时对于尤孚泵业的FG立式单级管道泵的技术参数和性能优点做了介绍,如果有相关需求,可以在线咨询客服,我们会及时帮你解决问题;尤孚提供潜水泵、地面泵、深井泵、污水泵、泵系统产品和售后服务,为客户提供量身定做的解决方案;面向未来,尤孚将不断开发更加节能、环保和性价比更高的水泵和泵系统产品,致力于成长为更加专业化、全面化的国际流体设备供应商;推荐阅读:。
水泵选型方法嗨,朋友!你要是想选个水泵,可不像去菜市场随便挑个菜那么简单。
这里面的学问可大着呢!今天我就跟你唠唠水泵选型的那些事儿。
咱先得知道,水泵是干啥用的。
就好比人的心脏,它是用来输送液体的,不管是把水从低处抽到高处,还是让水在管道里循环流动,水泵都起着至关重要的作用。
那怎么选呢?先得看流量。
流量就像是水流的速度乘以水管的横截面积,这是个很关键的因素。
想象一下,你家里有个小花园,你想给花浇水。
如果水泵的流量太小,就像涓涓细流,那要浇完整个花园得等到猴年马月啊!可要是流量太大呢,就像洪水猛兽,说不定把你的花花草草都给冲坏了。
我有个朋友,他开了个小泳池,刚开始选水泵的时候没注意流量,选了个流量很小的,结果泳池的水好几天才能循环一次,那水脏得啊,都没法游泳了。
后来他重新选了个合适流量的水泵,泳池的水就一直清澈见底啦。
再说说扬程。
扬程就像一个大力士能把东西举多高。
如果你的水泵需要把水抽到五层楼高,那你就得选个扬程足够的水泵。
要是扬程不够,就像一个人想举一百斤的东西,可他只有五十斤的力气,那水怎么可能上得去呢?我记得有个工程队,在给一个高楼做供水系统的时候,选错了扬程的水泵。
那水呀,只能到三楼,四楼五楼都没水,可把居民们急坏了。
这时候,你就得重新选型,找个扬程合适的水泵,就像找到一个真正有力量能把水送到高处的大力士。
还有效率呢。
效率高的水泵就像是一个勤劳又聪明的工人,能把活干得又快又好,还不浪费能源。
低效率的水泵呢,就像一个懒汉,不仅干得慢,还吃得多,消耗大量的电。
你想啊,同样是把水送到一个地方,一个高效的水泵用一度电,一个低效的水泵可能要用两度电,这多不划算啊。
我认识一个工厂老板,他之前用的水泵效率很低,每个月电费高得吓人。
后来换了个高效的水泵,电费立马就降下来了,他高兴得不得了,直夸自己做了个明智的决定。
介质也很重要。
如果是清水,那选择的范围就比较广。
但要是有腐蚀性的液体,那就得像给娇嫩的皮肤找合适的护肤品一样,得精心挑选耐腐蚀的水泵。
水泵管道选型要求水泵在管道管线上的选型配管要求为了提高水泵的吸入性能,水泵吸入管路应尽可能缩短,尽量少拐弯(弯头最好用大曲率半径),以减少管道阻力损失。
为防止泵产生汽蚀,泵吸入管路应尽可能避免积聚气体的囊形部位,不能避免时,应在囊形部位设DN15或DN20的排气阀。
当泵的吸入管为垂直方向时,吸入管上若配置异径管,则应配置偏心异径管,以免形成气囊。
为了避免管道、阀门的重量及管道热应力所产生的力和力矩超过泵进出口的最大允许外载荷,在泵的吸入和排出管道上须设置管架。
泵管口允许最大载荷应由水泵制造厂提供。
垂直进口或垂直出口的泵,为了减少对泵管口的作用力,管口上方管线须设管架,其平面位置要尽量靠近管口,可以利用管廊纵梁支吊管线,所以常把泵布置在管廊下。
输送密度小于650Kg/m?的液体,如液化石油气、液氨等,泵的吸入管道应有1/10~1/100的坡度坡向泵,使气化产生的气体返回吸入罐内,以避免泵产生汽蚀。
单吸泵的进口处,最好配置一段约3倍进口直径的直管。
对于双吸泵,为了避免双向吸入水平离心泵的汽蚀,双吸入管要对称布置,以保证两边流量分配均匀。
垂直管道通过弯头直接连接,但泵的轴线一定要垂直于弯头所在的平面。
此时,进口配管要求尽量短,弯头接异径管,再接进口法兰。
在其它条件下,泵进口前应有不小于3倍管径的直管段。
泵出口的切断阀和止回阀之间用泄液阀放净。
管径大于DN50时,也可在止回阀的阀盖上开孔装放净阀。
同规格泵的进出口阀门尽量采用同一标高。
非金属泵的进出口管线上阀门的重量决不可压在泵体上,应设置管架,防止压坏泵体与开关阀门时扭动阀门前后的管线。
蒸汽往复泵的排汽管线应少拐弯,在可能积聚冷凝水的部位设排放管,放空量大的还要装设消音器。
进汽管线应在进汽阀前设冷凝水排放管,防止水击汽缸。
蒸汽往复泵在运行中一般有较大的振动,与泵连接的管线应很好地固定。
当水泵出口中心线和管廊柱子中心线间距离大于0.6m,出口管线上的旋启式止回阀应放在水平位置,此时不允许在阀盖上装放净阀。
油泵选型1. 引言油泵作为工业生产中常用的流体输送设备,广泛用于石油、化工、冶金、制药等行业。
在选型时,需要考虑多个因素,例如流量要求、压力要求、介质性质等。
本文将介绍油泵选型的一般原则和常见的选型方法。
2. 油泵选型原则2.1 流量要求在进行油泵选型时,首先需要确定流量要求。
流量是指单位时间内液体通过管道的体积或质量。
根据实际工况需求,确定所需的流量范围,这将有助于筛选出合适的油泵类型。
2.2 压力要求油泵在工作过程中需克服系统内的阻力,推动液体流动。
因此,需要根据工况要求确定所需的压力范围。
压力是指单位面积上所施加的力。
选型时,应选择能够满足工况要求的油泵类型。
2.3 介质性质不同的介质在输送过程中具有不同的物理性质。
例如,某些介质可能具有腐蚀性或粘稠性,对油泵的材料和结构提出了要求。
因此,在选型时,需了解所输送介质的性质,选择适用的材料和结构。
2.4 工作温度和环境条件工作温度的高低会影响油泵的工作性能和寿命。
在选型时,应根据实际工况确定所需的工作温度范围,并选择能够适应该温度范围的油泵。
此外,还需要考虑环境条件,如湿度、爆炸性等,以确保油泵的安全运行。
3. 常见的油泵选型方法3.1 根据工况要求筛选根据前面提到的流量要求和压力要求,可筛选出满足该要求的油泵类型。
常见的油泵类型包括离心泵、柱塞泵、齿轮泵等。
根据实际工况的要求和油泵的特性,选择最合适的类型。
3.2 根据介质性质选择材料根据输送介质的性质,选择合适的材料。
例如,输送腐蚀性介质时可选择耐腐蚀材料,输送高温介质时可选择耐高温材料。
选择合适的材料可以提高油泵的使用寿命和稳定性。
3.3 考虑节能与维护在进行油泵选型时,还要考虑节能与维护的问题。
选择高效率、低功耗的油泵可以降低能耗,减少运行成本。
此外,还要考虑油泵的维护和保养便利性,以降低维修成本和减少停机时间。
4. 结论油泵选型是工业生产中重要的环节,合理选型能够满足工况要求,并提高生产效率和降低运行成本。
泵的选型原则泵的选型原则,这可是个技术活儿,得挑得既合适又靠谱,就像挑对象一样,得方方面面都看着顺眼,用起来也得得心应手。
下面,咱们就来聊聊这其中的门道。
一、了解需求是前提1.1 得知道你要干啥活儿。
泵的种类繁多,有抽水的,有输油的,还有增压的,你得先明确自己需要的是哪种类型的泵。
比如,你要是在农田灌溉,那肯定得选个能抽大水的;要是化工厂里用,那就得考虑耐腐蚀的了。
1.2 流量和压力得匹配。
就像吃饭得知道胃口大小,选泵也得知道它能吃多少“饭”。
流量大了小了都不行,压力高了低了也麻烦。
得根据实际需求,找个刚刚好的,既不浪费,也不不够用。
二、性能参数得看重2.1 效率要高,能耗要低。
这就像咱们买家电,都得挑个省电的,泵也一样。
效率高,能耗低,用起来才划算,还能为国家节能减排出一份力呢。
2.2 材质得耐用,还得耐腐蚀。
泵的工作环境往往都不咋好,有的得泡在水里,有的得接触腐蚀性液体。
所以,材质得选好的,得经得住考验,不然三天两头坏,那可有的头疼了。
2.3 噪音得小,振动得稳。
谁也不想整天被嗡嗡嗡的声音吵得头疼,泵也一样,得选个安静的。
振动小,说明它运行平稳,也就能用得久一些。
三、实际场景得考虑3.1 安装位置得合适。
泵可不是随便找个地方就能放的,得根据现场情况,找个合适的地方安装。
比如,得离电源近点,方便接线;还得离水源近点,别整得跟个长跑运动员似的,还得跑老远去接水。
3.2 维护得方便。
泵这东西,用久了肯定得维护。
所以,选的时候,得考虑维护方不方便。
比如,有的泵得拆开才能维护,那就得看看拆起来容不容易,别到时候整得跟拆炸弹似的,心惊胆战的。
综上所述,选泵这事儿,可真不是个小事。
得全面了解需求,看重性能参数,还得考虑实际场景。
只有这样,才能选到一个既合适又靠谱的泵,让它成为你工作中的得力助手,而不是整天给你添堵的“捣蛋鬼”。
上海沈泉泵阀制造有限公司是集研究、开发、生产、销售和服务为一体的泵阀生产企业。
产品涉及工矿企业、农业、城市供水、石油化工、电站、船舶、冶金、高层建筑、消防供水、工业水处理和纯净水、食品、制药、锅炉、空调循环系统等行业领域。
今天,上海沈泉管道泵厂家就来为大家简单的讲解下sg管道泵型号参数及选型这一知识内容,下面就请大家跟着小编一起来看看吧。
SG增压立式管道离心泵:这是一种比较老式的管道循环泵,其泵盖和电机前端是一体的,这种管道泵不方便后续的维修等各方面的原因。
就目前来说,基本上已经被ISG型管道离心增压泵所取代。
现在基本在只能在一些老的设备及厂区才能看到,这主要是因为其管道已经成型,已经不方便在去进行更改,另外该泵的管道尺寸也有所限制。
故而才会有部分的用户会继续购买此类型号的离心泵来进行更换。
该泵在用途上适用于高层建筑增压送水、园林喷灌、冷却塔上水、远距离输水、空调、制冷冲洗、浴室等冷;暖水循环加压。
使用温度80℃以下。
SG型管道泵性能参数选型表:
以上便是关于sg管道泵型号参数的内容介绍了,希望能够对大家有所帮助。
但在选型方面的话,厂家是不建议用户购买此类型号的管道泵,但若是像上述所提到的因素,我司依旧会生产,并提供各类配件的供给。
管道泵选型依据和选型方法管道泵是一种常见的用于输送液体和气体的设备,在很多行业中都得到了广泛应用。
选型合适的管道泵可以有效提高生产效率、降低能耗,并确保设备的稳定运行。
本文将介绍管道泵选型的依据和方法,帮忙大家更好地选择适合本身需求的管道泵。
管道泵选型依据1. 物料性质管道泵需要依据不同物料的性质来进行选型,这些物料包括液体或气体的粘度、密度、腐蚀性等。
例如,粘度较高的液体需要选择相应的泵,如螺杆泵或齿轮泵;对于含有腐蚀性液体的输送,需选择材料相对应的泵体材质。
2. 转速和流量管道泵的选型应当基于预期的体积流量和所需扬程。
这通常由设备中需要流体的总流量来确定。
在选择泵时,需要考虑此流量在所需时间内的净体积和泵的工作点位置。
依据体积流量的预期以及预期功率要求,可以选择不同类型的泵,如离心泵或容积泵。
3. 压力和扬程泵的设计应当能够充分所需的压力和扬程,以及防止带来流量不足或挥霍的风险。
在选择一种泵时,应当确定泵的工作过程,并验证所选泵是否能够充分所需的压力和流量要求。
4. 功率和效率在选择管道泵时,应当考虑其功率和效率,以确保泵的运行成本和能源消耗都能得到掌控。
通常,接受高效率且低功率的泵是一个特别好的选择,它能够加强整个设备的可持续使用性和牢靠性。
5. 场地限制和环境因素在一些特别的情况下,管道泵的尺寸和重量可能会受到限制,需要依据现场环境和设备安装要求来选择管道泵。
例如,在狭窄的管道内必需使用较小的泵,在高温或低温环境中需要特别选择泵的适用材料。
因此,需要在选择泵的设计和安装时综合考虑环境因素和现场限制。
管道泵选型方法现在,我们已经了解了管道泵选型的基本依据,接下来我将介绍管道泵选型的实在方法。
1. 确定物料性质首先,需要依据物料的粘度、密度、腐蚀性和温度等特性来确定适合使用的泵类型。
例如,对于高黏度物料,可以使用螺杆泵;对于带有颗粒的大颗粒物料,应当使用能够处理较大颗粒的泵等。
2. 确定期望的流量和扬程在确定物料特性后,需要确定所需要的流量和扬程。
立式管道离心泵管路的选择
ISG管道泵,ISW管道泵管路损失一直困扰着用户,往往都是因为选小了,水泵流量小了,电机发热,对实际生活,生产带来了不便,我司技术人员在此教大家一个方法,方便用户选型。
管路配套是指能正确确定管径、管长、管树和管件,在保证正常输水的情况下,尽量减少输水时水的摩擦阻力,使管路的工作效率发挥到最大。
管道离心泵的吸水管路对水泵效能和经济运行具有较大影响。
为了提高水泵的吸水高度,吸水管的长度应尽可能缩短,管径应适当加大,以减少流速、降低摩擦阻力,提高泵口处的压能。
一般情况下吸水管的直径应比水泵进口直径大一级。
例如对于3B型水泵,水泵进口直径为75毫米,则应配直径为100毫米的吸水管。
出水管直径一般和水泵出门扩散管的大头直径相同,没有扩散管的也应比水泵出水口直径大25毫米为宜。
立式管道离心泵吸水管多采用钢管,流动使用的多采用埋线式胶管(亦称吸水胶管)。
连接处要紧密,严防漏气。
出水管可采用铸铁管或钢管。
对扬程较低的水泵,亦可采用埂塑料管,以减少水的摩擦阻力。
德国JESSBERGER插桶泵具有轻巧,便于使用的特点,有气动与电动两种选择。
电动式:插桶泵构造结实、适合输送一些具有粘度介质,包含碱性、酸性和非易燃性的液体。
苏州埃立特流体设备有限公司专业为客户提供高品质进口化工泵。
马达具有高保护等级,开关转换及超负荷保护装置,且有可调速马达供选择。
德国JESSBERGER插桶泵泵管选型:
根据所输送的介质性质,泵管材料可选用304不锈钢,PP(聚丙烯)、Teflon(特氟龙)等材质泵管,分别用于不同场合,选型原则如下:
1.易燃易爆的溶剂介质必须选用304不锈钢材料泵管,严禁使用PP材质泵管,容易产生静电引爆介质;
2.中等酸碱性腐蚀介质可选用PP泵管,外管材质必须是(PP+进口哈氏合金主轴),主轴如果是304、316不锈钢、钛合金材质还是会腐蚀,
3.强酸强碱性介质必须选用Teflon(特氟龙)材料的泵管,外管必须是(特氟龙+进口哈氏合金主轴),特氟龙是耐腐蚀材料,已经在强酸强碱的企业中得到了广泛的应用;
泵管其它参数如流量、扬程、粘度、温度、比重、长度、口径大小可根据具体生产工艺来确定泵型。
应用领域:石化、精细化工、重型机车加油、水处理环保、消防救援、电子芯片、香精食品(打乙醇)等领域应用。
用于易燃易爆液体的输送。