楼梯栏杆、平台、钢爬梯制作规范及着色标准
- 格式:ppt
- 大小:9.53 MB
- 文档页数:11
中华人民共和国国家标准固定式钢梯及平台安全要求1钢直梯:1.1范围本部分规定了固定式钢直梯的设计、制造和安装方面的基本安全要求。
本部分适用于工业企业内工作场所中使用的固定式钢直梯(另有标准规定的除外)。
1.2规范性引用文件:下列文件中的条款通过本部分的引用而成为本部分的条款。
凡是注日期的引用文件,其随后所有的修改单(不包括勘误的内容)或修订版均不适用于本部分。
然而,鼓励根据本部分达成协议的各方研究是否可使用这些文件的最新版本。
凡是不注日期的引用文件,其最新版本适用于本部分。
GB 4053.3 固定式钢梯及平台安全要求第3 部分:工业防护栏杆及钢平台GB 50057 建筑物防雷设计规范GB 50205 钢结构工程施工质量验收规范1.3术语和定义1.3.1固定式钢直梯fixed steel ladder:永久性安装在建筑物或设备上,与水平面成75°~90°倾角主要构件为钢材制造的直梯(见图1)。
1.3.2梯梁(梯框)stile(rail):用来安装踏棍或其它横向承载件的梯子侧边构件。
1.3.3踏棍rung:供使用者上下梯时脚踩踏的梯子构件。
1.3.4护笼(安全护笼)cage(cage guard):安装在梯梁或固定结构上,封闭梯子周围攀登空间防止人员坠落的框架结构。
1.3.5支撑support:用来将钢直梯固定在建筑物或设备上的构件。
1.3.6(直梯)扶手handrail:钢直梯顶端供攀登者手握的构件。
1.3.7内侧净宽度inside clear width :两梯梁内侧平行于踏棍测量的距离,简称梯宽。
1.3.8梯段高度height of the ladder:梯子上端基准面至下端基准面间的垂直距离,简称梯高。
1.4一般要求:1.4.1材料:1.4.1.1钢直梯采用钢材的力学性能应不低于Q235-B,并具有碳含量合格保证。
1.4.1.2支撑宜采用角钢、钢板或钢板焊接成T型钢制作,埋没或焊接时必须牢固可靠。
中华人民共和国国家标准固定式钢梯及平台安全要求1钢直梯:1.1范围本部分规定了固定式钢直梯的设计、制造和安装方面的基本安全要求。
本部分适用于工业企业内工作场所中使用的固定式钢直梯(另有标准规定的除外)。
1.2规范性引用文件:下列文件中的条款通过本部分的引用而成为本部分的条款。
凡是注日期的引用文件,其随后所有的修改单(不包括勘误的内容)或修订版均不适用于本部分。
然而,鼓励根据本部分达成协议的各方研究是否可使用这些文件的最新版本。
凡是不注日期的引用文件,其最新版本适用于本部分。
GB 4053.3 固定式钢梯及平台安全要求第3 部分:工业防护栏杆及钢平台GB 50057 建筑物防雷设计规范GB 50205 钢结构工程施工质量验收规范1.3术语和定义1.3.1固定式钢直梯fixed steel ladder:永久性安装在建筑物或设备上,与水平面成75°~90°倾角主要构件为钢材制造的直梯(见图1)。
1.3.2梯梁(梯框)stile(rail):用来安装踏棍或其它横向承载件的梯子侧边构件。
1.3.3踏棍rung:供使用者上下梯时脚踩踏的梯子构件。
1.3.4护笼(安全护笼)cage(cage guard):安装在梯梁或固定结构上,封闭梯子周围攀登空间防止人员坠落的框架结构。
1.3.5支撑support:用来将钢直梯固定在建筑物或设备上的构件。
1.3.6(直梯)扶手handrail:钢直梯顶端供攀登者手握的构件。
1.3.7内侧净宽度inside clear width :两梯梁内侧平行于踏棍测量的距离,简称梯宽。
1.3.8梯段高度height of the ladder:梯子上端基准面至下端基准面间的垂直距离,简称梯高。
1.4一般要求:1.4.1材料:1.4.1.1钢直梯采用钢材的力学性能应不低于Q235-B,并具有碳含量合格保证。
1.4.1.2支撑宜采用角钢、钢板或钢板焊接成T型钢制作,埋没或焊接时必须牢固可靠。
建筑栏杆施工规范要求
梯子平台栏杆施工技术规范要求
为了规范本区域钢结构平台、梯子栏杆施工要求及现场标准化管理,制定以下梯子、平台栏杆的施工规范要求。
1、栏杆制作时保证下料精度,同一平台上的栏杆立柱按图
集要求高度必须一致。
2、栏杆立杆与横杆的结合处要按照结合线切割马鞍口,并
且间隙控制在3mm以内。
3、栏杆所有转角处(任何角度)要使用冲压弯头或使用弯
管机加工。
4、梯子、平台栏杆必须按照图集要求的高度制作安装。
5、立柱上的带钢、踢脚板安装时必须平直拉紧无松动现
象,带钢踢脚板的对接位置要留在立柱处。
6、所有焊口的焊接要保证平滑(否则进行打磨处理),横
杆焊接处必须使用磨光机打磨处理。
7、所有栏杆安装前要对地脚标高进行复测,如果有偏差进
行找平处理,保证栏杆上平面在一个水平面上。
8、所有栏杆待安装完后再进行涂刷面漆。
9、栏杆的黄、黑安全色每300mm一道,保证黄、黑色结
合处整齐。
涂装前在黄黑结合处,使用胶带在其中一种颜色的油漆侧对横杆进行缠绕(注意:缠绕的端头必须平齐)。
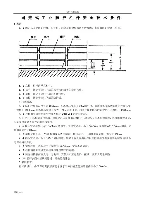
固定式工业防护栏杆安全技术条件3 术语3.1 固定式工业防护栏杆:沿平台、通道及作业场所敞开边缘固定安装的防护设施(见图)。
3.2 立柱:栏杆的垂直构件。
3.3 扶手:固定于立柱上端的水平方向设置的防护构件。
3.4 横杆:固定于立柱中部的连接杆件。
3.5 挡板:固定于立柱下部的防护板。
4 技术要求4.1 防护栏杆的高度宜为1050mm。
在离地高度小于20m的平台、通道及作业场所的防护栏杆高度不得低于1000mm,在离地高度等于或大于20m高的平台、通道及作业场所的防护栏杆不得低于1200mm。
4.2 栏杆的全部构件采用性能不低于Q235-A·F的钢材制造。
4.3 栏杆的结构宜采用焊接,焊接要求应符合GBJ205的技术规定。
当不便焊接时,也可用螺栓连接,但必须保证第5章规定的结构强度。
4.4 扶手宜采用外径φ33.5~50mm的钢管,立柱宜采用不小于50×50×4角钢或φ33.5-50mm钢管,立柱间隙宜为1000mm。
4.5 横杆采用不小于25×4扁钢或φ16的圆钢。
横杆与上、下构件的净间距不得大于380mm。
4.6 挡板宜采用不小于100×2扁钢制造。
如果平台设有满足挡板功能及强度要求的其他结构边沿时,允许不另设挡板。
4.7 室外栏杆、挡板与平台间隙为10~20mm,室内不留间隙。
4.8 栏杆端部必须设置立柱或与建筑物牢固连接。
4.9 所有结构表面应光滑、无毛刺,安装后不应有歪斜、扭曲、变形及其他缺陷。
4.10 栏杆表面必须认真除锈,并做防腐涂装。
5 强度要求栏杆的设计,必须保证其扶手所能承受水平方向垂直施加的载荷不小于500N/m。
固定式钢斜梯安全技术条件1 主题内容与适用范围本标准规定了固定式钢斜梯的设计、制造和安装的主要技术要求。
本标准适用于工业企业中生产用固定式钢斜梯。
本标准不适用于交通及其他移动设备上用的钢斜梯。
2 引用标准GB4053.3 固定式工业防护栏杆安全技术条件GBJ205 钢结构工程施工与验收规范3 术语3.1 固定式钢斜梯:固定在建筑物或设备上,与水平面成30°~75°角的钢梯(见图)。
钢梯护栏工作平台设计规范1.钢梯设计规范:-钢梯的结构设计应满足国家或地方法律法规的要求,并经过专业工程师的合理设计和验算。
-钢梯的材料应选用合适的钢材,具有必要的强度和抗腐蚀性能。
-钢梯的台阶间距、宽度和高度应符合人体工程学原理,易于行人使用。
-钢梯的扶手应设置在适当的位置和高度,以提供有效的支撑和保护。
-钢梯的坡度应符合相关规定,避免过于陡峭或过于平缓,以确保使用者的安全。
-钢梯的顶部应设置防护栏杆,以防止人员从梯子顶部掉落。
-钢梯应定期进行检查和维修,以确保其安全和可靠性。
2.护栏设计规范:- 护栏的高度应符合国家或地方法律法规的要求,一般来说,护栏的高度应在900mm至1100mm之间。
-护栏的材料应具有足够的强度和可靠性,抵御侧向和纵向压力。
-护栏的间距和设计中的孔径应满足相关规定,以防止小物体或人体部分进入或穿过护栏。
-护栏的底部应与地面牢固连接,确保整个护栏系统的稳定性。
-护栏的顶部应设置平顶或避免尖锐的边缘,以防止人员因触碰到尖锐边缘而受伤。
-护栏的颜色和标志应明显可见,以提醒人员注意安全。
3.工作平台设计规范:-工作平台的设计应满足国家或地方法律法规的要求,并经过专业工程师的合理设计和验算。
-工作平台的材料应选用具有足够强度和稳定性的材料,并考虑到工作环境中的化学腐蚀等因素。
-工作平台的坡度应符合相关规定,便于人员在平台上工作,并确保材料和工具不易滑落。
-工作平台应具有适当的尺寸和宽度,以容纳工作人员、工具和材料,并提供舒适和安全的工作环境。
-工作平台的边缘应设置护栏,以防止人员或物体从平台边缘掉落。
-工作平台应定期进行检查和维护,以确保其安全和可靠性。
总结:。
中华人民共和国国家标准固定式钢梯及平台安全要求1钢直梯:1.1范围本部分规定了固定式钢直梯的设计、制造和安装方面的基本安全要求。
本部分适用于工业企业内工作场所中使用的固定式钢直梯(另有标准规定的除外)。
1.2规范性引用文件:下列文件中的条款通过本部分的引用而成为本部分的条款。
凡是注日期的引用文件,其随后所有的修改单(不包括勘误的内容)或修订版均不适用于本部分。
然而,鼓励根据本部分达成协议的各方研究是否可使用这些文件的最新版本。
凡是不注日期的引用文件,其最新版本适用于本部分。
GB 4053.3 固定式钢梯及平台安全要求第3 部分:工业防护栏杆及钢平台GB 50057 建筑物防雷设计规范GB 50205 钢结构工程施工质量验收规范1.3术语和定义1.3.1固定式钢直梯fixed steel ladder:永久性安装在建筑物或设备上,与水平面成75°~90°倾角主要构件为钢材制造的直梯(见图1)。
1.3.2梯梁(梯框)stile(rail):用来安装踏棍或其它横向承载件的梯子侧边构件。
1.3.3踏棍rung:供使用者上下梯时脚踩踏的梯子构件。
1.3.4护笼(安全护笼)cage(cage guard):安装在梯梁或固定结构上,封闭梯子周围攀登空间防止人员坠落的框架结构。
1.3.5支撑support:用来将钢直梯固定在建筑物或设备上的构件。
1.3.6(直梯)扶手handrail:钢直梯顶端供攀登者手握的构件。
1.3.7内侧净宽度inside clear width :两梯梁内侧平行于踏棍测量的距离,简称梯宽。
1.3.8梯段高度height of the ladder:梯子上端基准面至下端基准面间的垂直距离,简称梯高。
1.4一般要求:1.4.1材料:1.4.1.1钢直梯采用钢材的力学性能应不低于Q235-B,并具有碳含量合格保证。
1.4.1.2支撑宜采用角钢、钢板或钢板焊接成T型钢制作,埋没或焊接时必须牢固可靠。
中华人民共和国国家标准固定式钢梯及平台安全要求1钢直梯:1.1范围本部分规定了固定式钢直梯的设计、制造和安装方面的基本安全要求。
本部分适用于工业企业内工作场所中使用的固定式钢直梯(另有标准规定的除外)。
1.2规范性引用文件:下列文件中的条款通过本部分的引用而成为本部分的条款。
凡是注日期的引用文件,其随后所有的修改单(不包括勘误的内容)或修订版均不适用于本部分。
然而,鼓励根据本部分达成协议的各方研究是否可使用这些文件的最新版本。
凡是不注日期的引用文件,其最新版本适用于本部分。
GB 4053.3 固定式钢梯及平台安全要求第3 部分:工业防护栏杆及钢平台GB 50057 建筑物防雷设计规范GB 50205 钢结构工程施工质量验收规范1.3术语和定义1.3.1固定式钢直梯fixed steel ladder:永久性安装在建筑物或设备上,与水平面成75°~90°倾角主要构件为钢材制造的直梯(见图1)。
1.3.2梯梁(梯框)stile(rail):用来安装踏棍或其它横向承载件的梯子侧边构件。
1.3.3踏棍rung:供使用者上下梯时脚踩踏的梯子构件。
1.3.4护笼(安全护笼)cage(cage guard):安装在梯梁或固定结构上,封闭梯子周围攀登空间防止人员坠落的框架结构。
1.3.5支撑support:用来将钢直梯固定在建筑物或设备上的构件。
1.3.6(直梯)扶手handrail:钢直梯顶端供攀登者手握的构件。
1.3.7内侧净宽度inside clear width :两梯梁内侧平行于踏棍测量的距离,简称梯宽。
1.3.8梯段高度height of the ladder:梯子上端基准面至下端基准面间的垂直距离,简称梯高。
1.4一般要求:1.4.1材料:1.4.1.1钢直梯采用钢材的力学性能应不低于Q235-B,并具有碳含量合格保证。
1.4.1.2支撑宜采用角钢、钢板或钢板焊接成T型钢制作,埋没或焊接时必须牢固可靠。
钢爬梯是一种常用于工业和建筑领域的升降设备,其安全性和质量标准对于保障工作人员的生命安全和工作效率至关重要。
钢爬梯标准主要包括设计标准、制造标准、安装标准和使用标准等内容。
以下将从这几个方面对钢爬梯的标准进行详细介绍。
一、设计标准1. 结构设计:钢爬梯的结构设计应符合国家相关标准,承重能力、稳定性和耐久性需满足工程使用要求。
2. 尺寸设计:钢爬梯的尺寸设计应考虑到实际使用环境和工作需求,确保通道宽度、踏步间距等符合人体工程学,并且能够容纳所需的工作设备和物料。
3. 防护设计:钢爬梯在设计上应考虑到各种意外情况,包括防止工人坠落的设施、防止杂物掉落的措施等。
二、制造标准1. 材料选用:钢爬梯的制造应选用优质的钢材,保证强度和耐腐蚀性能。
2. 制造工艺:制造过程需要符合相关工艺标准,包括焊接、切割、热处理等工艺的规范要求。
3. 检测标准:对制造出的钢爬梯进行必要的检测,确保产品符合设计要求和相关标准。
三、安装标准1. 安装程序:在安装钢爬梯时,需要按照相关标准和规范进行操作,确保安装的牢固和稳定。
2. 安全防护:在安装过程中,需要加强对周围环境和其他设施的保护,避免对已有设备和人员造成影响。
3. 质量验收:安装完成后需要进行质量验收,确保钢爬梯符合要求并可以投入使用。
四、使用标准1. 日常维护:钢爬梯在使用过程中需要进行定期的检查和维护,确保设备的正常运行和安全性能。
2. 使用规范:工作人员在使用钢爬梯时需要按照相关规定进行操作,避免超载、乱扔物品等不当行为。
3. 废弃处理:当钢爬梯达到报废标准时,需要按照相关规定进行处理,避免对环境造成污染和安全隐患。
综上所述,钢爬梯标准涉及到设计、制造、安装和使用的方方面面,只有严格按照标准要求进行操作,才能确保钢爬梯的安全可靠性和使用效果。
同时,钢爬梯生产企业也应该不断提升技术水平,加强质量管理,促进钢爬梯行业的健康发展。
固定式工业防护栏杆安全技术条件3 术语3.1 固定式工业防护栏杆:沿平台、通道及作业场所敞开边缘固定安装的防护设施(见图)。
3.2 立柱:栏杆的垂直构件。
3.3 扶手:固定于立柱上端的水平方向设置的防护构件。
3.4 横杆:固定于立柱中部的连接杆件。
3.5 挡板:固定于立柱下部的防护板。
4 技术要求4.1 防护栏杆的高度宜为1050mm。
在离地高度小于20m的平台、通道及作业场所的防护栏杆高度不得低于1000mm,在离地高度等于或大于20m高的平台、通道及作业场所的防护栏杆不得低于1200mm。
4.2 栏杆的全部构件采用性能不低于Q235-A·F的钢材制造。
4.3 栏杆的结构宜采用焊接,焊接要求应符合GBJ205的技术规定。
当不便焊接时,也可用螺栓连接,但必须保证第5章规定的结构强度。
4.4 扶手宜采用外径φ33.5~50mm的钢管,立柱宜采用不小于50×50×4角钢或φ33.5-50mm钢管,立柱间隙宜为1000mm。
4.5 横杆采用不小于25×4扁钢或φ16的圆钢。
横杆与上、下构件的净间距不得大于380mm。
4.6 挡板宜采用不小于100×2扁钢制造。
如果平台设有满足挡板功能及强度要求的其他结构边沿时,允许不另设挡板。
4.7 室外栏杆、挡板与平台间隙为10~20mm,室内不留间隙。
4.8 栏杆端部必须设置立柱或与建筑物牢固连接。
4.9 所有结构表面应光滑、无毛刺,安装后不应有歪斜、扭曲、变形及其他缺陷。
4.10 栏杆表面必须认真除锈,并做防腐涂装。
5 强度要求栏杆的设计,必须保证其扶手所能承受水平方向垂直施加的载荷不小于500N/m。
固定式钢斜梯安全技术条件1 主题内容与适用范围本标准规定了固定式钢斜梯的设计、制造和安装的主要技术要求。
本标准适用于工业企业中生产用固定式钢斜梯。
本标准不适用于交通及其他移动设备上用的钢斜梯。
2 引用标准GB4053.3 固定式工业防护栏杆安全技术条件GBJ205 钢结构工程施工与验收规范3 术语3.1 固定式钢斜梯:固定在建筑物或设备上,与水平面成30°~75°角的钢梯(见图)。
护栏、爬梯标准中华人民共和国国家标准固定式钢梯及平台安全要求 1 钢直梯 1.1 范围本部分规定了固定式钢直梯的设计、制造和安装方面的基本安全要求。
本部分适用于工业企业内工作场所中使用的固定式钢直梯另有标准规定的除外。
1.2 规范性引用文件下列文件中的条款通过本部分的引用而成为本部分的条款。
凡是注日期的引用文件其随后所有的修改单不包括勘误的内容或修订版均不适用于本部分。
然而鼓励根据本部分达成协议的各方研究是否可使用这些文件的最新版本。
凡是不注日期的引用文件其最新版本适用于本部分。
GB 4053.3 固定式钢梯及平台安全要求第3 部分工业防护栏杆及钢平台 GB 50057 建筑物防雷设计规范 GB 50205 钢结构工程施工质量验收规范 1.3 术语和定义 1.3.1 固定式钢直梯fixed steel ladder永久性安装在建筑物或设备上与水平面成75?90?倾角主要构件为钢材制造的直梯见图1。
1.3.2 梯梁梯框stilerail用来安装踏棍或其它横向承载件的梯子侧边构件。
1.3.3 踏棍rung供使用者上下梯时脚踩踏的梯子构件。
1.3.4 护笼安全护笼cagecage guard安装在梯梁或固定结构上封闭梯子周围攀登空间防止人员坠落的框架结构。
1.3.5 支撑support用来将钢直梯固定在建筑物或设备上的构件。
1.3.6 直梯扶手handrail钢直梯顶端供攀登者手握的构件。
1.3.7 内侧净宽度inside clear width 两梯梁内侧平行于踏棍测量的距离简称梯宽。
1.3.8 梯段高度height of the ladder梯子上端基准面至下端基准面间的垂直距离简称梯高。
1.4 一般要求 1.4.1 材料 1.4.1.1 钢直梯采用钢材的力学性能应不低于Q235-B并具有碳含量合格保证。
1.4.1.2 支撑宜采用角钢、钢板或钢板焊接成T型钢制作埋没或焊接时必须牢固可靠。
护栏、爬梯标准中华人民共和国国家标准固定式钢梯及平台安全要求 1 钢直梯 1.1 范围本部分规定了固定式钢直梯的设计、制造和安装方面的基本安全要求。
本部分适用于工业企业内工作场所中使用的固定式钢直梯另有标准规定的除外。
1.2 规范性引用文件下列文件中的条款通过本部分的引用而成为本部分的条款。
凡是注日期的引用文件其随后所有的修改单不包括勘误的内容或修订版均不适用于本部分。
然而鼓励根据本部分达成协议的各方研究是否可使用这些文件的最新版本。
凡是不注日期的引用文件其最新版本适用于本部分。
GB 4053.3 固定式钢梯及平台安全要求第3 部分工业防护栏杆及钢平台 GB 50057 建筑物防雷设计规范 GB 50205 钢结构工程施工质量验收规范 1.3 术语和定义 1.3.1 固定式钢直梯fixed steel ladder永久性安装在建筑物或设备上与水平面成75?90?倾角主要构件为钢材制造的直梯见图1。
1.3.2 梯梁梯框stilerail用来安装踏棍或其它横向承载件的梯子侧边构件。
1.3.3 踏棍rung供使用者上下梯时脚踩踏的梯子构件。
1.3.4 护笼安全护笼cagecage guard安装在梯梁或固定结构上封闭梯子周围攀登空间防止人员坠落的框架结构。
1.3.5 支撑support用来将钢直梯固定在建筑物或设备上的构件。
1.3.6 直梯扶手handrail钢直梯顶端供攀登者手握的构件。
1.3.7 内侧净宽度inside clear width 两梯梁内侧平行于踏棍测量的距离简称梯宽。
1.3.8 梯段高度height of the ladder梯子上端基准面至下端基准面间的垂直距离简称梯高。
1.4 一般要求 1.4.1 材料 1.4.1.1 钢直梯采用钢材的力学性能应不低于Q235-B并具有碳含量合格保证。
1.4.1.2 支撑宜采用角钢、钢板或钢板焊接成T型钢制作埋没或焊接时必须牢固可靠。
固定式工业防护栏杆安全技术条件3 术语3.1 固定式工业防护栏杆:沿平台、通道及作业场所敞开边缘固定安装的防护设施(见图)。
3.2 立柱:栏杆的垂直构件。
3.3 扶手:固定于立柱上端的水平方向设置的防护构件。
3.4 横杆:固定于立柱中部的连接杆件。
3.5 挡板:固定于立柱下部的防护板。
4 技术要求4.1 防护栏杆的高度宜为1050mm。
在离地高度小于20m的平台、通道及作业场所的防护栏杆高度不得低于1000mm,在离地高度等于或大于20m高的平台、通道及作业场所的防护栏杆不得低于1200mm。
4.2 栏杆的全部构件采用性能不低于Q235-A·F的钢材制造。
4.3 栏杆的结构宜采用焊接,焊接要求应符合GBJ205的技术规定。
当不便焊接时,也可用螺栓连接,但必须保证第5章规定的结构强度。
4.4 扶手宜采用外径φ33.5~50mm的钢管,立柱宜采用不小于50×50×4角钢或φ33.5-50mm钢管,立柱间隙宜为1000mm。
4.5 横杆采用不小于25×4扁钢或φ16的圆钢。
横杆与上、下构件的净间距不得大于380mm。
4.6 挡板宜采用不小于100×2扁钢制造。
如果平台设有满足挡板功能及强度要求的其他结构边沿时,允许不另设挡板。
4.7 室外栏杆、挡板与平台间隙为10~20mm,室内不留间隙。
4.8 栏杆端部必须设置立柱或与建筑物牢固连接。
4.9 所有结构表面应光滑、无毛刺,安装后不应有歪斜、扭曲、变形及其他缺陷。
4.10 栏杆表面必须认真除锈,并做防腐涂装。
5 强度要求栏杆的设计,必须保证其扶手所能承受水平方向垂直施加的载荷不小于500N/m。
固定式钢斜梯安全技术条件1 主题内容与适用范围本标准规定了固定式钢斜梯的设计、制造和安装的主要技术要求。
本标准适用于工业企业中生产用固定式钢斜梯。
本标准不适用于交通及其他移动设备上用的钢斜梯。
2 引用标准GB4053.3 固定式工业防护栏杆安全技术条件GBJ205 钢结构工程施工与验收规范3 术语3.1 固定式钢斜梯:固定在建筑物或设备上,与水平面成30°~75°角的钢梯(见图)。