生产现场6S管理知识培训
- 格式:pptx
- 大小:4.81 MB
- 文档页数:86
车间6s现场管理是一种高效的生产现场管理方法,旨在通过整理、整顿、清扫、清洁、安全、素养六个方面的改进,提高生产现场的效率和质量。
以下是车间6s现场管理培训的相关参考内容:一、6s现场管理的介绍 1. 6s的定义和意义:介绍6s的含义,即整理、整顿、清扫、清洁、安全、素养六个方面的管理方法,以及其对提高生产效率和质量的重要意义。
2. 6s的起源和发展:介绍6s管理方法的起源和发展历程,以及其在各行业中的成功应用案例。
二、整理(Sort)的方法和步骤 1. 整理的目的和原则:介绍整理的目的,即确定必要和不必要的物品,以及整理的原则,如分类整理、选择性保存等。
2. 整理的步骤:详细介绍整理的步骤,如确定目标、制定计划、执行整理、评估效果等。
三、整顿(Set in Order)的方法和步骤 1. 整顿的意义和目的:介绍整顿的意义及目的,即通过优化工作布局和物品摆放,提高工作效率和人员流动性。
2. 整顿的步骤:详细介绍整顿的步骤,如确定工作布局、标示物品位置、设定标准等。
四、清扫(Shine)的方法和步骤 1. 清扫的作用和目的:介绍清扫的作用和目的,即通过彻底清洁工作场地,提高工作环境和产品质量。
2. 清扫的步骤:详细介绍清扫的步骤,如制定清洁计划、明确清洁责任、执行清扫检查等。
五、清洁(Standardize)的方法和步骤 1. 清洁的定义和要求:介绍清洁的定义和要求,包括设定清洁标准、培训清洁人员等。
2. 清洁管理的步骤:详细介绍清洁管理的步骤,如设定清洁检查表、定期进行清洁培训等。
六、安全(Safety)的方法和步骤 1. 安全的重要性和意义:介绍安全的重要性和意义,包括遵守安全规程、预防安全事故等。
2. 安全管理的方法和步骤:详细介绍安全管理的方法和步骤,如建立安全管理制度、进行安全培训等。
七、素养(Sustain)的方法和步骤 1. 素养的概念和内涵:介绍素养的概念和内涵,包括培养员工自觉遵守管理规范、持续改进等。
6s管理培训资料一、什么是6s管理?6S管理是一种源自日本的管理方法,也被称为6S现场管理。
6S包括整理、整顿、清扫、清洁、素养和遵守(坚持纪律)六个步骤,通过有序地组织工作场所,使工作环境更加整洁、高效,提高生产效率和员工工作积极性。
二、为什么需要6S管理?6S管理不仅可以提高工作效率,降低生产成本,提高产品质量,还可以增强员工的责任感和团队协作精神。
通过6S管理,公司可以达到生产管理的精益化、高效化,提高整体竞争力。
三、6S的具体实施步骤1.整理:对工作场所进行分类整理,保留必要的物品,清除多余和无用物品。
2.整顿:将必要的物品有序地摆放,统一标签、编号,方便查找和使用。
3.清扫:保持工作场所的清洁卫生,定期进行清扫和维护。
4.清洁:保持工作设备和工具的清洁,避免产生不必要的故障和事故。
5.素养:培养员工的自律、责任、细致等素养,增强团队凝聚力。
6.遵守:严格遵守6S管理的规则和制度,形成长期的工作习惯。
四、如何进行6S管理培训?1.制定培训计划:明确培训目标、内容、方式和时间表,确保培训有序进行。
2.进行理论培训:向员工介绍6S管理的相关理论知识,强调其重要性和实施效果。
3.现场实操培训:组织员工进行实际的6S现场管理操作,指导员工如何整理、整顿、清扫等。
4.反馈与总结:及时收集员工的反馈意见,总结培训效果,不断改进和提升培训质量。
五、6S管理的应用效果通过推行6S管理,企业可以获得以下效果:•提高工作效率:工作环境整洁有序,减少无谓的时间浪费。
•降低生产成本:减少物料浪费,提高资源利用率。
•改善产品质量:减少因杂乱导致的失误和次品率。
•增强员工积极性:营造良好的工作氛围,激励员工提高工作积极性。
六、结语6S管理作为一种精细化、高效化的管理方法,在现代企业管理中具有重要意义。
希望通过本文的介绍,读者能够对6S管理有更深入的了解,进而在实际工作中推行并应用这一管理方法,提升企业的管理水平和竞争力。
车间班组6s管理培训6s管理是一种日本企业管理方法,指的是整顿、清扫、清洁、清新、安全、素养六个方面。
6s管理是一种基于现场管理的方法,是由员工自己进行管理的,通过不断地推进6s管理,使企业的效率、品质和安全水平不断提高。
6s管理的目的是提高生产效率和品质,减少废品和损失,改善工作环境,保障员工的安全。
车间班组6s管理培训是企业进行6s管理的第一步,它可以帮助员工了解6s管理的理念和方法,掌握6s管理的技能和工具,培养6s 管理的意识和习惯,提高6s管理的效果和持续性。
车间班组6s管理培训的内容主要包括以下几个方面:一、6s管理的基本理念和方法6s管理的基本理念是以人为本、标准化、持续改进、全员参与、敬业精神、完美执行。
6s管理的方法是通过整顿、清扫、清洁、清新、安全、素养六个步骤来提高现场管理的水平。
二、6s管理的工具和技能6s管理的工具包括5W1H、PDCA、标准化工作表、检查表、标识标牌、5S箱等。
6s管理的技能包括整顿、清扫、清洁、清新、安全、素养六个方面的技能和操作方法。
三、6s管理的实施步骤和注意事项6s管理的实施步骤包括策划、组织、实施、检查、纠正、持续改进六个步骤。
6s管理的注意事项包括全员参与、标准化、实用性、可持续性、创新性、效果评估等。
四、6s管理的效果评估和持续改进6s管理的效果评估包括效率、品质、安全、环保、成本等方面的评估。
6s管理的持续改进包括不断推进6s管理、持续改进6s管理、扩大6s管理范围、培养6s管理文化等。
车间班组6s管理培训的实施方式可以采用讲授、演示、实践、评估等多种方式,也可以结合现场实际情况进行定制化培训。
车间班组6s管理培训的时间一般为1-2天,培训师应具备丰富的实践经验和良好的教学能力。
车间班组6s管理培训的效果取决于培训的质量和员工的参与程度,企业应注重培训的实效性和持续性,不断提升员工的6s管理水平,推进企业的全面管理和持续发展。
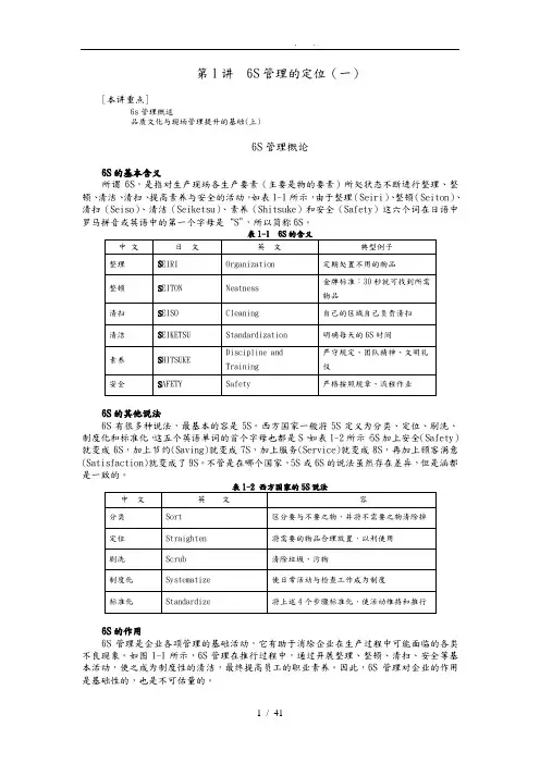
第1讲 6S管理的定位(一)[本讲重点]6s管理概述品质文化与现场管理提升的基础(上)6S管理概论6S的基本含义所谓6S,是指对生产现场各生产要素(主要是物的要素)所处状态不断进行整理、整顿、清洁、清扫、提高素养与安全的活动。
如表1-1所示,由于整理(Seiri)、整顿(Seiton)、清扫(Seiso)、清洁(Seiketsu)、素养(Shitsuke)和安全(Safety)这六个词在日语中罗马拼音或英语中的第一个字母是“S”,所以简称6S。
6S的其他说法6S有很多种说法,最基本的容是5S。
西方国家一般将5S定义为分类、定位、刷洗、制度化和标准化,这五个英语单词的首个字母也都是S,如表1-2所示。
5S加上安全(Safety)就变成6S,加上节约(Saving)就变成7S,加上服务(Service)就变成8S,再加上顾客满意(Satisfaction)就变成了9S。
不管是在哪个国家,5S或6S的说法虽然存在差异,但是涵都是一致的。
6S的作用6S管理是企业各项管理的基础活动,它有助于消除企业在生产过程中可能面临的各类不良现象。
如图1-1所示,6S管理在推行过程中,通过开展整理、整顿、清扫、安全等基本活动,使之成为制度性的清洁,最终提高员工的职业素养。
因此,6S管理对企业的作用是基础性的,也是不可估量的。
图1-1 6S过程示意图6S管理具有以下几方面作用:1.提升企业形象实施6S活动,有助于企业形象的提升。
整齐清洁的工作环境,不仅能使企业员工的士气得到激励,还能增强顾客的满意度,从而吸引更多的顾客与企业进行合作。
因此,良好的现场管理是吸引顾客、增强客户信心的最佳广告。
此外,良好的企业形象一经传播,就使6S企业成为其他企业学习的对象。
2.提升员工归属感6S活动的实施,还可以提升员工的归属感,使员工成为有较高素养的员工。
在干净、整洁的环境中工作,员工的尊严和成就感可以得到一定程度的满足。
由于6S要求进行不断的改善,因而可以增强员工进行改善的意愿,使员工更愿意为6S工作现场付出爱心和耐心,进而培养“工厂就是家”的感情。
6S现场管理培训资料一、什么是 6S 现场管理6S 现场管理起源于日本,是一种行之有效的现场管理方法,包括整理(SEIRI)、整顿(SEITON)、清扫(SEISO)、清洁(SEIKETSU)、素养(SHITSUKE)、安全(SECURITY)这六个方面。
整理,就是区分必需品和非必需品,将不需要的物品清除出工作现场,只保留有用的东西。
这样可以腾出空间,防止误用,提高工作效率。
整顿是把留下来的必需品按照规定的位置摆放整齐,并加以标识,使工作场所一目了然,缩短寻找物品的时间。
清扫指的是将工作场所内看得见与看不见的地方清扫干净,保持工作场所干净、亮丽。
清洁是将整理、整顿、清扫进行到底,并且制度化、规范化,维持其成果。
素养则是要求每位员工养成良好的习惯,遵守规则做事,培养积极主动的精神。
安全是重中之重,要消除隐患,保障员工的人身安全和生产的正常进行。
二、为什么要推行 6S 现场管理(一)提升工作效率通过整理、整顿,减少寻找物品的时间浪费,工作流程更加顺畅,从而提高工作效率。
(二)保障产品质量一个整洁、有序的工作环境有助于减少错误和缺陷的产生,提高产品质量的稳定性。
(三)降低成本减少不必要的库存和浪费,优化资源配置,降低生产成本。
(四)保障安全消除安全隐患,创造安全的工作环境,减少事故的发生。
(五)提升员工素质培养员工的自律性和责任感,提高团队的整体素质和形象。
(六)增强企业竞争力良好的现场管理能够提升企业的形象和信誉,吸引更多的客户和合作伙伴。
三、6S 现场管理的实施步骤(一)成立推行组织成立 6S 推行小组,明确职责和分工,制定推行计划和目标。
(二)宣传培训通过各种渠道,如培训课程、宣传海报、内部刊物等,向员工宣传6S 的理念和方法,使员工了解 6S 的重要性和实施步骤。
(三)制定标准根据企业的实际情况,制定 6S 实施的标准和规范,包括物品的摆放、标识的制作、清洁的要求等。
(四)实施整理对工作现场进行全面的检查,区分必需品和非必需品,清理不需要的物品。
现场6s管理培训内容在现代企业管理中,6s管理被广泛应用于生产现场,旨在提高生产效率、减少浪费,提升员工的工作环境和工作质量。
本文将就现场6s管理的具体内容进行介绍,帮助读者更好地理解和应用6s管理。
一、现场6s管理的概念及意义1.1 概念:现场6s管理是指通过整理、整顿、清扫、清洁、标准化和纪律化的步骤,使现场达到整洁、有序、安全和高效的管理方法。
1.2 意义:现场6s管理可以改善工作环境,提高工作效率,减少浪费和事故的发生,培养员工的责任心和团队合作精神,从而提升企业的竞争力和员工的满意度。
二、现场6s管理的具体步骤2.1 整理(Sort):通过分类、分区和标识的方式,去除现场不必要的物品,保留必要的物品,减少物品的数量,使现场整洁有序。
2.2 整顿(Set in order):根据工作流程和作业指导书,确定物品的摆放位置,标示存放位置,保持物品摆放的一致性,方便操作和管理。
2.3 清扫(Shine):定期清洁现场,清除灰尘、污垢和杂物,保持设备和工作区域的清洁,提高工作效率和工作环境。
2.4 清洁(Standardize):制定标准化工作程序和清洁标准,对清洁工作进行规范化管理,确保清洁工作的质量和效果。
2.5 标准化(Standardize):制定标准化工作程序和作业指导书,明确工作的要求和标准,提高工作的一致性和可追溯性。
2.6 纪律化(Sustain):通过制度化和持续改进的方式,保持6s管理的效果和持久性,培养员工的良好习惯和纪律,营造良好的工作氛围。
三、现场6s管理的注意事项3.1 管理层支持:现场6s管理需要得到企业管理层的支持和重视,只有管理层的关注和推动,才能使6s管理成为企业的文化和习惯。
3.2 培训和教育:为员工提供必要的培训和教育,让员工了解6s管理的目的和方法,培养员工的意识和能力,提高员工的参与度和积极性。
3.3 持续改进:现场6s管理是一个持续改进的过程,需要不断总结经验,找出问题和改善措施,推动6s管理的不断发展和提高。
6S管理培训资料资料第一篇:1 S管理培训资料在现代企业管理中,提高生产效率和员工工作环境的整洁度至关重要。
为了达到这一目标,许多公司采用了6S管理方法。
6S管理是一种源自日本的管理方式,通过整顿、整理、清扫、清洁、素养和安全的6个步骤,提高工作效率和员工满意度。
本文将介绍6S管理的基本原则和实施方法。
首先,我们来了解6S管理的六个步骤。
第一个步骤是整顿(Seiri),也称为分类。
这一步骤的目的是去除工作场所中不必要的物品,只保留必需的物品,以减少混乱和浪费。
这需要员工对工作场所进行全面的检查,并将不需要的物品分类处理。
第二个步骤是整理(Seiton),也称为整理。
在这一步骤中,员工需要对工作区域进行整理,使得每个物品都有固定的位置,并且方便拿取和归还。
这样可以提高工作效率,减少浪费时间在寻找物品上。
第三个步骤是清扫(Seiso),也称为清扫。
这一步骤要求员工对工作区域进行彻底的清洁,包括地面、设备和工具等。
通过保持工作区域的清洁,可以提高工作效率,减少事故和错误的发生。
第四个步骤是清洁(Seiketsu),也称为清洁。
这一步骤要求员工养成良好的卫生习惯,包括个人卫生和工作场所卫生。
只有保持良好的卫生习惯,才能保持工作环境的整洁度,提高员工的工作效率和生产质量。
第五个步骤是素养(Shitsuke),也称为纪律。
这一步骤要求员工对上述四个步骤形成习惯,并将它们贯彻到日常工作中。
通过培养良好的工作习惯和纪律,可以确保6S管理的长期有效性。
最后一个步骤是安全(安全),也称为安全。
这一步骤要求员工在工作中时刻保持安全意识,遵守相关的安全规定,并积极参与安全培训和活动。
只有确保员工的安全,才能保障工作的顺利进行。
除了以上六个步骤,实施6S管理还需要以下几点注意事项。
首先,企业需要建立相关的政策和目标,并向员工进行培训,使员工了解6S管理的重要性和实施方法。
其次,企业需要建立相应的工作标准和工作流程,以确保6S管理的执行。
6s现场管理培训计划一、培训目标:通过本次培训,使学员能够全面了解6S现场管理的概念、原则和方法,掌握其操作技能,提高现场管理水平,进而提升生产效率和质量管理水平。
二、培训对象:公司各生产部门和现场管理人员三、培训内容:1. 6S概念和原则① 6S的意义和目标② 6S管理的原则③ 6S管理的核心内容2. Sort(整理)① 杂物清理的目的和意义② 杂物清理的步骤和方法③ 杂物清理的实际操作演练3. Straighten(整顿)① 工具、物料、设备摆放的标准和原则② 工位整理的方法和要求③ 个人工具管理的推行和实践4. Shine(清扫)① 清洁的标准和要求② 清洁的方法和步骤③ 清洁的责任和监督5. Standardize(标准化)① 工作标准的制定和执行② 工作台账的记录和检查③ 标准化的评价和改进6. Sustain(保持)① 6S的持续改进机制② 6S的延续和巩固③ 保持6S的管理责任和考核四、培训方式:1. 理论讲解采用PPT、视频等多媒体形式,向学员讲解6S的概念、原则和操作方法。
2. 实际操作演练组织学员到实际的生产现场进行Sort、Straighten、Shine、Standardize、Sustain的操作演练,让学员亲身体验和掌握操作技巧。
3. 互动交流组织学员进行案例分析和经验分享,从中获得灵感和启发,促使学员主动参与学习。
五、培训时间安排:本次培训为期3天,分别安排为期2天的理论培训和为期1天的现场操作演练。
六、培训考核方式:1. 筆試:对学员进行理论知识考核;2. 实操:对学员进行6S现场管理的操作技能考核。
七、培训考核标准:1. 笔试合格标准:成绩达到60分及格;2. 实操合格标准:操作能够熟练掌握6S现场管理的各项技能,符合标准化要求。
八、培训师资:1. 专业的6S管理专家;2. 公司内部的6S管理骨干。
九、培训资料和设备准备:1. PPT、教学视频等多媒体资料;2. 学员操作用具;3. 现场操作所需的杂物整理、工位整理等工具。
6S管理基础知识培训1. 引言在现代企业管理中,有效的管理方法和工具是提高生产效率和品质的关键。
而6S管理,作为一种以整理、整顿、清扫、清洁、素养与安全为核心的管理方法,已被广泛应用于各行各业。
本文将介绍6S管理的基本概念和实施步骤,帮助读者全面了解6S管理,并在实际工作中灵活应用。
2. 6S管理概述2.1 什么是6S管理?6S管理是源于日本的一种现场管理方法,其名称由6个日语单词的首字母组成。
6个S分别代表整理(Seiri)、整顿(Seiton)、清扫(Seiso)、清洁(Seiketsu)、素养(Shitsuke)和安全(Safety)。
通过对生产现场进行整理、整顿、清扫、清洁、素养与安全的改善,6S管理可以优化生产环境,提高工作效率和品质。
2.2 6S管理的优势•优化工作环境:通过整理和清扫,清除生产现场上的无用物品和垃圾,改善工作环境,提高操作效率。
•提高安全性:通过整顿和清洁,可以清除潜在的安全隐患,减少事故发生的可能性。
•规范操作流程:通过素养,培养员工良好的工作习惯和自律性,减少浪费和错误。
•提升企业形象:6S管理可以使生产现场整洁有序,为企业树立良好的形象,提高对外部合作伙伴的信任度。
3. 6S管理步骤3.1 整理(Seiri)整理是指清除生产现场上的非必要物品,只保留必须的工具、设备和材料。
在整理过程中,可以将物品分为三类:必需品、偶尔使用品和不需要品。
将不需要的物品进行分类和处理,如废弃、捐赠或归档。
3.2 整顿(Seiton)整顿是指将必需品进行有序摆放,确保物品易于取得和归还。
在整顿过程中,可以采用标识、标签和仓库管理等方式,使物品的位置清晰可见,减少寻找物品的时间和精力。
3.3 清扫(Seiso)清扫是指定期进行生产现场的清洁工作。
通过清扫,可以清除生产现场上的灰尘、脏污和杂物,保持生产区域的整洁和卫生。
清扫应由所有员工参与,养成良好的卫生习惯。
3.4 清洁(Seiketsu)清洁是指保持生产现场的清洁和整洁。
生产车间6s管理培训内容生产车间6S管理培训内容一、6S管理的理念及目标1.1 6S管理的概念6S管理是源于日本的一种现场管理方法,通过整理、整顿、清扫、清洁、素养和遵守的六个步骤,以创造一个安全、高效、整洁、有序的工作环境,提高生产效率和质量。
1.2 6S管理的目标通过6S管理,可以达到以下目标:- 提高工作效率:通过整理和整顿工作区域,减少浪费和不必要的移动,提高工作效率。
- 提高产品质量:通过清洁和清扫工作区域,减少污染和杂物,确保产品质量。
- 提高员工安全:通过整理和整顿工作区域,减少隐患和事故发生的可能性,保障员工安全。
- 提高员工士气:通过整理和整顿工作区域,创造一个整洁、有序的工作环境,提高员工的工作积极性和士气。
二、6S管理的具体步骤及方法2.1 整理(Seiri)整理是指将工作区域中的不必要物品进行分类、清点和清除的过程。
具体方法包括:- 将工作区域中的物品按照需要和不需要进行分类。
- 对于不需要的物品,可以进行处理,包括分发、报废、销毁等。
- 对于需要的物品,要进行合理的安排和储存,确保易于取用。
2.2 整顿(Seiton)整顿是指对工作区域中的物品进行有序的摆放和标识的过程。
具体方法包括:- 对于需要的物品,要进行合理的摆放和标识,确保易于取用和找到。
- 对于不需要的物品,要进行妥善的存放和标识,避免混乱和浪费。
2.3 清扫(Seiso)清扫是指对工作区域进行定期的清洁和维护的过程。
具体方法包括:- 对工作区域进行定期的清洁,包括地面、设备、工具等。
- 对工作区域进行维护,包括修理、更换、保养等。
2.4 清洁(Seiketsu)清洁是指对工作区域进行持续的整洁和卫生管理的过程。
具体方法包括:- 建立清洁的工作标准和操作规程,确保工作区域的整洁和卫生。
- 培养员工的清洁意识,使其养成良好的清洁习惯和行为。
2.5 素养(Shitsuke)素养是指培养员工的自律和自我管理能力的过程。