氮气[压缩的、液化的]理化特性表(格式规范)
- 格式:doc
- 大小:24.50 KB
- 文档页数:2
氮气的理化性质及危险特性(表-) ---氮气是一种常见的气体,具有特殊的理化性质和危险特性。
以下是对氮气的理化性质和危险特性进行的简要描述。
理化性质- 化学式: N2化学式: N2- 相态:氮气在常温常压下为无色、无味、无毒的气体。
相态:氮气在常温常压下为无色、无味、无毒的气体。
- 沸点和凝点:氮气的沸点为 -195.8℃,凝点为 -210℃。
沸点和凝点:氮气的沸点为 -195.8℃,凝点为 -210℃。
- 密度:氮气的密度为 1.25 g/L,比空气略轻。
密度:氮气的密度为 1.25 g/L,比空气略轻。
- 溶解性:氮气不溶于水,但可溶于一些有机溶剂。
溶解性:氮气不溶于水,但可溶于一些有机溶剂。
- 稳定性:氮气是相对稳定的,不易与其他物质发生化学反应。
稳定性:氮气是相对稳定的,不易与其他物质发生化学反应。
危险特性- 窒息危险:氮气是一种惰性气体,会排挤空气中的氧气,导致空气中氧气含量不足,造成窒息危险。
窒息危险:氮气是一种惰性气体,会排挤空气中的氧气,导致空气中氧气含量不足,造成窒息危险。
- 压力危险:氮气储存和运输时需保持一定的压力,过高的压力可能导致爆炸或泄漏。
压力危险:氮气储存和运输时需保持一定的压力,过高的压力可能导致容器爆炸或泄漏。
- 冷冻危险:氮气的凝点很低,接触凝结的氮气可能导致组织冻伤。
冷冻危险:氮气的凝点很低,接触凝结的氮气可能导致组织冻伤。
- 火灾危险:氮气本身不易燃烧,但能削弱燃烧过程中的氧气浓度,增加火灾的危险性。
火灾危险:氮气本身不易燃烧,但能削弱燃烧过程中的氧气浓度,增加火灾的危险性。
以上是对氮气的理化性质及危险特性的简要描述。
在使用氮气时,需遵循相应的操作规程和安全措施,以确保人身和环境的安全。
参考文献:- 张三, 李四. 氮气的性质与应用. 科学出版社, 20XX.。
氮气的理化特性表
氮气是一种常见的气体,具有多种理化特性。
以下是氮气的主要理化特性:
物理特性
熔点:-210.00°C
沸点:-195.8°C
密度:1.2506 g/L (0°C。
1 atm)
相对分子质量:28.0134 g/mol
化学特性
化学式:N2
官能团:没有官能团
氧化态:0
反应性:惰性气体,不易与其他物质反应
溶解度:在水中溶解度较低,每100mL水中溶解2.79g氮气(20°C。
1 atm)
反应:在高温高压下可与其他元素或化合物反应,形成氮化物
气体特性
颜色:无色
气味:无味
密度:干燥氮气密度略大于空气密度,可用于实验室分层
溶解度:在液氧中易溶解
燃烧性:不可燃
稳定性:稳定,不易分解
熔点:氧化铈、氧化锆催化下,氮气加热至400-600°C时发生化学反应
应用
工业应用:氮气广泛用于化学工业、电子工业、食品行业等,在化学反应中作惰性气体保护剂,可用于减少氧气对产品的影响。
医疗应用:液态氮气用于冷冻手术、皮肤病治疗等。
科学研究:氮气被用于实验室的气氛控制、材料制备等。
食品保鲜:氮气可用于包装食品,延长食品的保鲜期。
以上是氮气的主要理化特性表,希望对您有帮助。
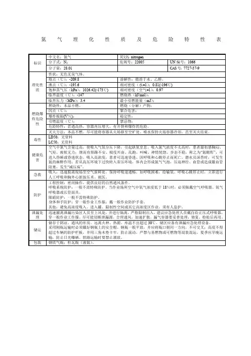
化学品安全技术说明书(氮气) (液氮)第一部分化学品及企业标识化学品中文名称:氮气(压缩的)(液化的)化学品俗名或商品名:工业用瓶装压缩氮气 液氮化学品英文名称:(压缩的) NITROGENCOMPRESSED(液化的) NITROGENREFRIGERATEDLIQUID第二部分成分 /组成信息工业氮 GB/T3864-2008项目指标优等品一等品 合格品氮气纯度 10-2(V/V )≧ 99.5 99.5 99.2氧含量 10-2(V/V )≦ 0.5 0.5 1.5水游离水 mL/ 瓶≦- 无游离水100份 露点 ≦- 43℃--纯氮: GB/T 8979-2008项目指标 优等品 一等品 合格品氮纯度: 10-2(V/V ) ≧ 99.99699.99 99.95氧含量: 10-6(V/V ) ≦10 50 500氢含量: 10-6(V/V )≦5 10 -2、CH 4 总含量 10-6(V/V ) ≦1520-CO 、 CO水含量: 10-6(V/V )≦ 5 15 20高纯氮: GB/T 8979-2008项目指标优等品 一等品 合格品氮纯度: 10-2(V/V ) ≧ 99.999699.999399.999氧含量: 10-6(V/V )≦1.02.03.0氢含量: 10-6(V/V ) ≦0.5 1.0 1.0CO 、 2、CH 4 总含量 10-6(V/V ) ≦ 1.02.03.0 CO水含量: 10-6(V/V )≦ 1.0 2.65.0第三部分危险性概述危险性类别:不燃气体,GB2.2 类 22005(液化的GB2.2 类 22006)侵入途径:吸入,液体经皮肤接触。
健康危害:氮气本身无毒,但能在密闭空间内置换空气,当氮气在空气中的分压升高,而氧气分压降到 13.3KPa 以下时,则可以引起窒息,严重时可出现呼吸困难,如不及时处理,则可引起意识丧失而死亡。
液氮可引起人体皮肤和其它机体组织的严重冻伤。